CN112893175A - Quality detection method of perfume sprayer - Google Patents

Quality detection method of perfume sprayer Download PDF

Info

Publication number
CN112893175A
CN112893175A CN202011578663.3A CN202011578663A CN112893175A CN 112893175 A CN112893175 A CN 112893175A CN 202011578663 A CN202011578663 A CN 202011578663A CN 112893175 A CN112893175 A CN 112893175A
Authority
CN
China
Prior art keywords
detection
perfume
station
spray
base
Prior art date
Legal status (The legal status is an assumption and is not a legal conclusion. Google has not performed a legal analysis and makes no representation as to the accuracy of the status listed.)
Granted
Application number
CN202011578663.3A
Other languages
Chinese (zh)
Other versions
CN112893175B (en
Inventor
徐焕
徐岳年
Current Assignee (The listed assignees may be inaccurate. Google has not performed a legal analysis and makes no representation or warranty as to the accuracy of the list.)
Zhangjiagang Xiafei Plastic Co ltd
Original Assignee
Zhangjiagang Xiafei Plastic Co ltd
Priority date (The priority date is an assumption and is not a legal conclusion. Google has not performed a legal analysis and makes no representation as to the accuracy of the date listed.)
Filing date
Publication date
Application filed by Zhangjiagang Xiafei Plastic Co ltd filed Critical Zhangjiagang Xiafei Plastic Co ltd
Priority to CN202011578663.3A priority Critical patent/CN112893175B/en
Publication of CN112893175A publication Critical patent/CN112893175A/en
Application granted granted Critical
Publication of CN112893175B publication Critical patent/CN112893175B/en
Active legal-status Critical Current
Anticipated expiration legal-status Critical

Links

Images

Classifications

    • BPERFORMING OPERATIONS; TRANSPORTING
    • B07SEPARATING SOLIDS FROM SOLIDS; SORTING
    • B07CPOSTAL SORTING; SORTING INDIVIDUAL ARTICLES, OR BULK MATERIAL FIT TO BE SORTED PIECE-MEAL, e.g. BY PICKING
    • B07C5/00Sorting according to a characteristic or feature of the articles or material being sorted, e.g. by control effected by devices which detect or measure such characteristic or feature; Sorting by manually actuated devices, e.g. switches
    • B07C5/34Sorting according to other particular properties

Landscapes

  • Spray Control Apparatus (AREA)

Abstract

本发明公开了一种香水喷头的质量检测方法,包括:(1)通过第一驱动组件驱动转盘转动,使承载座与上料工位对齐,将校准位置的香水喷头自上料工位移送至承载座上(2)通过第一驱动组件再次驱动转盘转动并使承载座与第一检测工位对齐,随后对香水喷头的喷片安装状态进行检测;(3)驱动注水组件向喷淋通道内注入液体,通过第一驱动组件再次驱动转盘转动并使承载座与第二检测工位对齐,随后对香水喷头的喷雾状态进行检测;(4)通过第一驱动组件再次驱动转盘转动,控制单元根据检测结果控制承载座分别与正品工位或次品工位对齐,随后将香水喷头顶出至正品工位或次品工位中,完成下料。本发明的质量检测方法,步骤简单且检测方便。

Figure 202011578663

The invention discloses a quality detection method for a perfume spray head, comprising: (1) driving a turntable to rotate through a first driving component, aligning a bearing seat with a feeding station, and moving the perfume spray head in the calibrated position from the feeding station to the feeding station. (2) On the bearing seat, the first drive assembly drives the turntable to rotate again and aligns the bearing seat with the first detection station, and then detects the installation state of the spray piece of the perfume spray head; (3) Drives the water injection assembly into the spray channel Inject the liquid, drive the turntable to rotate again through the first drive assembly and align the bearing seat with the second detection station, and then detect the spray state of the perfume nozzle; (4) Drive the turntable to rotate again through the first drive assembly, the control unit is based on The test results control the bearing seat to be aligned with the genuine station or the defective station respectively, and then eject the perfume nozzle to the genuine station or the defective station to complete the unloading. The quality detection method of the present invention has simple steps and convenient detection.

Figure 202011578663

Description

Quality detection method of perfume sprayer
Technical Field
The invention relates to the field of detection of perfume nozzles, in particular to a quality detection method of a perfume nozzle.
Background
Perfume nozzle installs on the perfume bottle for outwards spray perfume, it includes the press cover, set up liquid outlet on the press cover, with liquid outlet linked together spray passage, paste locate spray passage on the liquid outlet, spray passage intercommunication drain pipe, spray and have seted up on the piece and have sprayed the hole, when spraying perfume, press the press cover downwards, perfume from the drain pipe, spray passage, liquid outlet and spray and spout in the hole, realize spraying of perfume.
However, when the perfume sprayer is assembled, the phenomenon of neglected loading of the spray piece often occurs, and if the spray piece is not attached outside the liquid outlet hole, the perfume cannot be sprayed in a mist shape; meanwhile, even if the spray sheet is installed, the spray state of the perfume spray head may not be satisfied due to problems of other processes. If the perfume sprayer with the quality not meeting the requirement flows into the market, immeasurable loss can be caused. Therefore, there is a need for a quality detection method for detecting whether a spray piece is mounted on a perfume spray head after the perfume spray head is assembled and detecting the spraying state of the perfume spray head.
Disclosure of Invention
The invention aims to overcome the defects of the prior art and provides a quality detection method of a perfume sprayer.
In order to achieve the purpose, the invention adopts the technical scheme that:
a quality detection method of a perfume nozzle is used for quality detection of the perfume nozzle, the perfume nozzle comprises a press cover, a liquid outlet hole formed in the press cover, a spraying channel communicated with the liquid outlet hole, and a spraying sheet attached to the liquid outlet hole, and a detection device adopted by the quality detection method comprises a detection table, a feeding station, a first detection station, a second detection station, a discharging station, a driving unit and a control unit; the detection table comprises a turntable and a plurality of bearing seats uniformly distributed on the turntable around the circumferential direction of the turntable; the feeding station comprises a feeding assembly which is used for conveying the perfume spray head, calibrating the position of the liquid outlet hole and then arranging the perfume spray head on the bearing seat; the first detection station comprises a first detection rod for detecting the installation state of the spray sheet and a water injection assembly for injecting liquid for spraying into the spray channel; the second detection station is used for detecting the spraying state of the perfume sprayer and comprises a first detection column, a second detection column and a camera module; the blanking stations comprise a certified product station and a defective product station and are used for blanking the perfume sprayer; the driving unit comprises a first driving assembly for driving the rotary disc to sequentially switch among the feeding station, the first detection station, the second detection station and the discharging station; the control unit is used for sending the perfume spray head into the certified product station or the defective product station according to a detection result;
the quality detection method specifically comprises the following steps:
(1) the first driving assembly drives the rotary disc to rotate, so that the bearing seat is aligned with the loading station, and the perfume sprayer at the calibration position is transferred to the bearing seat from the loading station
(2) Through first drive assembly drives once more the carousel rotates and makes bear the weight of the seat with first detection station aligns, afterwards to the spraying piece mounted state of perfume sprayer detects, and concrete detection step is: the first detection rod is driven to extend out towards the direction close to the liquid outlet hole, the distance between the end part of the first detection rod and the liquid outlet hole is detected after the first detection rod extends out to the right position, and then the control unit analyzes and compares the detection result to determine the installation state of the spray piece of the perfume sprayer;
(3) the drive the water injection subassembly to pour into in the spray passage liquid, through first drive assembly re-drive the carousel rotates and makes bear the weight of the seat with the second detects the station and aligns, afterwards to the spraying state of perfume sprayer detects, and concrete detection step is: the first detection column and the second detection column are driven to move, so that the first detection column and the second detection column respectively press the perfume sprayer from the upper end of the press cover and the lower end of the spray channel at the same time, the liquid in the perfume sprayer can be sprayed out from the spray sheet, the camera module shoots the spraying state of the sprayed liquid, and then the control unit analyzes and compares the shot images to determine the spraying state of the perfume sprayer;
(4) the first driving assembly drives the rotary table to rotate again, the control unit controls the bearing seat to align with the certified product station or the defective product station respectively according to the detection result, and then the perfume sprayer is ejected to the certified product station or the defective product station to finish blanking;
(5) and (4) repeating the steps (1) to (4), thereby realizing the continuous detection of the perfume sprayer.
Preferably, the first detection station further comprises a first base for mounting the first detection rod, a second driving assembly for driving the first detection rod to move, and a first sensing module arranged on the first detection rod and used for detecting the distance between the end part and the liquid outlet hole when the first detection rod extends to the right position; the second detection station further comprises a first base, a second base, a third driving assembly, a fourth driving assembly and a first liquid discharge pipe, wherein the first base and the second base are located on the upper side and the lower side of the bearing seat and can move along the directions close to or away from each other to be respectively used for installing the first detection column and the second detection column, the third driving assembly and the fourth driving assembly are respectively used for driving the first base and the second base to move, and the first liquid discharge pipe is arranged on one side of the first base and the second base and is used for containing the liquid sprayed out by the perfume sprayer.
Further preferably, the water injection assembly comprises a liftable water injection pipe arranged on the first base and located below the bearing seat, and a fifth driving assembly used for driving the water injection pipe to move, the water injection pipe is communicated with an external water source, a through hole which is vertically communicated is formed in the center of the bearing seat, and the water injection pipe can penetrate through the through hole and is inserted into the spraying channel.
Still further preferably, the first detection station further comprises a liftable slider arranged on the first machine base, a sixth driving assembly for driving the slider to ascend and descend, a second detection rod arranged on the slider and extending downwards, and a second sensing module arranged on the second detection rod and used for detecting the distance between the bottom end of the second detection rod and the top end of the bearing base after the second detection rod descends in place, the control unit is further used for receiving detection data of the second sensing module and judging the arrangement state of the perfume sprayer, and if the perfume sprayer is arranged on the bearing base, the control unit controls the water injection pipe to move and inject water into the spray channel.
Preferably, the position calibration of the liquid outlet hole is realized through a calibration unit in the feeding assembly, the calibration unit comprises a calibration seat which can rotate around the direction of the axis of the calibration seat and is used for carrying out position calibration on the liquid outlet hole, a seventh driving assembly which is used for driving the calibration seat to rotate, a first manipulator which is used for taking out the perfume spray heads from the feeding channel of the perfume spray heads one by one and is arranged on the calibration seat, and a second manipulator which is used for transferring the perfume spray heads from the calibration seat to the bearing seat, and a calibration groove is formed on the calibration seat;
the method for calibrating the position of the liquid outlet hole specifically comprises the following steps: the perfume sprayer is transferred to the calibration seat from the feeding channel through the first manipulator, then the perfume sprayer is pressed downwards to a proper position, the pressing cover is arranged on the calibration seat, the first manipulator is still in a feeding state and drives the calibration seat to rotate, and if the calibration groove is in butt joint with the spraying channel, the perfume sprayer and the calibration seat synchronously rotate, and the first manipulator finishes feeding; if the calibration groove contradict in the press cover inner wall and with spray passage dislocation relatively, the calibration groove with spray passage is in the adjustment of counterpointing is carried out to the rotation in-process of calibration seat, until the calibration groove with spray passage normal position butt joint, the perfume nozzle with the calibration seat rotates in step, the pay-off is accomplished to first manipulator.
Preferably, the feeding assembly further comprises two second bases and arc-shaped guide grooves formed in each second base, the first manipulator and the second manipulator respectively comprise a rotating arm, one end of each rotating arm is rotatably arranged on the corresponding second base, a long groove formed in the end portion of the other end of each rotating arm, a mechanical arm and a material taking barrel, the mechanical arm is rotatably arranged in the long groove in a penetrating mode through a rotating shaft, the material taking barrel is arranged on the mechanical arm, the rotating shaft penetrates through the long groove and is movably inserted into the guide grooves, and the inner cavity of the material taking barrel is matched with the outer wall of the pressing cover.
Further preferably, the detection device further comprises a chute for mounting the calibration seat and accommodating the perfume sprayer dropped from the calibration seat, and a material conveying channel communicated with the bottom of the chute, wherein the material conveying channel extends downwards along the direction far away from the chute.
Preferably, the detection device further comprises a pressing station positioned between the second detection station and the blanking station and used for pressing and removing the liquid in the perfume spray head, press the station including being located respectively bear the upper and lower both sides of seat and can be along the third base and the fourth base that are close to each other or keep away from the direction motion, be used for the drive respectively the third base with the eighth drive assembly and the ninth drive assembly of fourth base motion, locate third base bottom and downwardly extending be used for to support press in press the first post of pressing the lid top, locate fourth base top and upwards extending be used for to support press in the second of spray passage lower extreme presses the post, locates the third base with the fourth base is kept away from carousel one side is used for the holding perfume shower nozzle spun the second fluid-discharge tube of liquid.
Preferably, the bearing seat center is provided with a through hole which is vertically communicated, and the certified product station and the defective product station respectively comprise: liftable locate be used for penetrating of carousel below and wear out the push-up rod of through-hole is used for the drive the tenth drive assembly that push-up rod goes up and down, one end hangs to be located carousel top, the other end are along keeping away from the unloading passageway that the direction downward sloping of carousel extends, the unloading passageway is close to the opening that is used for the perfume shower nozzle gets into is seted up to the one end bottom of carousel.
Preferably, the blanking station further comprises an adjusting groove arranged at one end, close to the rotary table, of the blanking channel and an air blowing pipe inserted into the adjusting groove and used for blowing compressed air into the blanking channel, the adjusting groove extends along the vertical direction, and the air blowing pipe is movably arranged in the adjusting groove.
Due to the application of the technical scheme, compared with the prior art, the invention has the following advantages: the quality detection method of the invention judges whether the spraying sheet is arranged on the cover body by detecting the distance between the end part of the first detection rod and the liquid outlet hole; the first detection column, the second detection column and the camera module are matched to effectively acquire relevant data of the spraying state of the perfume sprayer and sort out the qualified products and the defective products through the control unit, so that the defective products with unqualified quality cannot flow into the market.
Drawings
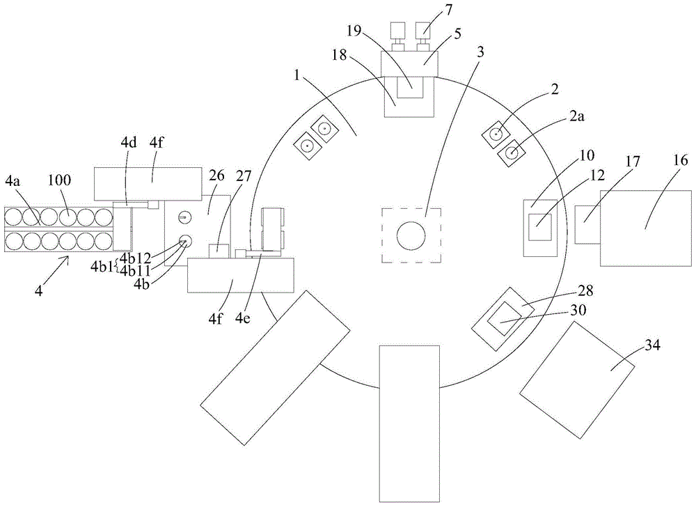
FIG. 1 is a schematic top view of a mass inspection device in an embodiment of the invention;
FIG. 2 is a schematic view of a first inspection station in an embodiment of the present invention;
FIG. 3 is a schematic view of a second inspection station in an embodiment of the present invention;
FIG. 4 is a schematic diagram of a calibration block calibrating spray holes in an embodiment of the present invention;
fig. 5 is a schematic view of the installation of the first robot and the second robot with the second frame according to the embodiment of the present invention;
FIG. 6 is a schematic view of a press station in an embodiment of the present invention;
FIG. 7 is a schematic illustration of a blanking station in an embodiment of the present invention;
figure 8 is a schematic radial cross-section of a perfume spray head according to an embodiment of the invention.
A turntable; 2. a bearing seat; 2a, a through hole; 3. a first drive assembly; 4. a feeding assembly; 4a, a feeding channel; 4b, a calibration base; 4b1, calibration slot; 4b11, matching holes; 4b12, matching groove; 4c, a seventh driving assembly; 4d, a first manipulator; 4e, a second manipulator; 4f, a second machine base; 4g, a guide groove; 5. a first base; 5a, a chute; 6. a first detection lever; 6a, a sliding part; 7. a second drive assembly; 8. a first sensing module; 9. a water injection assembly; 9a, a water injection pipe; 9b, a fifth driving component; 10. a first base; 11. a second base; 12. a third drive assembly; 13. a fourth drive assembly; 14. a first detection column; 15. a second detection column; 15a, a detection head; 16. a first drain pipe; 17. a camera module; 18. a slider; 19. a sixth drive assembly; 20. a second detection lever; 21. a second sensing module; 22. a rotating arm; 22a, a long groove; 23. a rotating shaft; 24. a mechanical arm; 25. taking a charging barrel; 26. a trough; 27. a material conveying channel; 28. a third base; 29. a fourth base; 30. an eighth drive assembly; 31. a ninth drive assembly; 32. a first pressing column; 33. a second pressing column; 33a, a pressing head; 34. a second drain pipe; 35. pushing the push rod; 36. a tenth drive assembly; 37. a blanking channel; 38. an adjustment groove; 39. an air blowing pipe;
100. pressing the cover; 101. a liquid outlet hole; 102. a spray channel; 102a, a first channel; 102b, a second channel; 103. and (5) spraying a sheet.
Detailed Description
The technical scheme of the invention is further explained by combining the attached drawings.
The invention relates to an improvement of a quality detection method of a perfume sprayer, and the improved quality detection method is characterized in that whether a spraying piece is arranged on a cover body is judged by detecting the distance between the end part of a first detection rod and a liquid outlet hole; the first detection column, the second detection column and the camera module are matched to effectively acquire relevant data of the spraying state of the perfume sprayer and sort out the qualified products and the defective products through the control unit, so that the defective products with unqualified quality cannot flow into the market.
In this embodiment, as shown in fig. 8, the perfume sprayer includes a pressing lid 100, a liquid outlet hole 101 opened on the pressing lid 100, a spraying channel 102 communicated with the liquid outlet hole 101, and a spraying sheet 103 attached to the liquid outlet hole 101.
The quality detection method in this example is implemented by a quality detection device, which is shown in fig. 1 to 7, and includes: the automatic feeding device comprises a rotary table 1 capable of rotating around the axis line direction of the rotary table, a plurality of bearing seats 2 uniformly distributed on the rotary table 1 around the circumferential direction of the rotary table 1, a feeding station, a first detection station, a second detection station and a discharging station which are sequentially arranged on the circumferential side of the rotary table 1 around the circumferential direction of the rotary table 1, a first driving assembly 3 for driving the rotary table 1 to sequentially switch among the feeding station, the first detection station, the second detection station and the discharging station, and a control unit;
the feeding station comprises a feeding assembly 4 which is used for conveying the perfume spray head, calibrating the position of the liquid outlet hole 101 and then arranging the perfume spray head on the bearing seat 2; the blanking station comprises a quality product station and a defective product station;
as shown in fig. 2, the first detection station includes a first chassis 5, a first detection rod 6 telescopically disposed on the first chassis 5 along a direction close to or away from the carrying seat 2, a second driving assembly 7 for driving the first detection rod 6 to move, and a first sensing module 8 disposed on the first detection rod 6 for detecting a distance between an end portion and the liquid outlet hole 101 when the first detection rod 6 extends out to a proper position, and the control unit is configured to receive detection data of the first sensing module 8 and determine an installation state of the spray sheet 103;
the quality detection device also comprises a water injection assembly 9 which is arranged on the first base 5 and is used for introducing liquid for spraying into the perfume spray head;
as shown in fig. 3, the second detection station includes a first base 10 and a second base 11 respectively located at the upper and lower sides of the carrier 2 and capable of moving along the directions approaching to or departing from each other, a third driving assembly 12 and a fourth driving assembly 13 respectively used for driving the first base 10 and the second base 11 to move, a first detection column 14 provided at the bottom of the first base 10 and extending downward and used for pressing against the top of the pressing cover 100, the control unit is used for receiving the spray image and judging the spray state of the perfume spray head; here, the second detection column 15 has a detection head 15a thereon, and the detection head 15a can be inserted into the shower passage 102.
When the control unit judges that the spray sheet 103 is arranged on the press cover 100 and the spraying state of the perfume spray head meets the requirement, the control unit controls the perfume spray head to enter a certified product station; when the control unit judges that the spray piece 103 is not installed on the press cover 100 and/or the spraying state of the perfume spray head does not meet the requirement, the perfume spray head enters a defective station.
In this example, the first driving assembly 3 is a motor, and the second driving assembly 7, the third driving assembly 12 and the fourth driving assembly 13 are all cylinders. The control unit comprises a computer system for analyzing and comparing and storing a first threshold value and standard spraying state data and a PLC controller for controlling the action of the rotary disc 1,
when the first detection station detects the spray sheet, the thickness of the spray sheet 103 is a certain thickness, so that the thickness of the pressing cover 100 is larger when the spray sheet is attached to the liquid outlet hole 101. In this way, whether the nozzle plate 103 is mounted on the pressing lid 100 can be determined by the distance between the end of the first detection rod 6 near the liquid outlet 101 and the liquid outlet 101 when the first detection rod is extended. In this example, a first threshold is pre-stored in the computer system, and when the first sensing module 8 detects that the distance between the end of the first detection rod 6 and the liquid outlet 101 is smaller than the first threshold, it indicates that the spray piece 103 is installed on the pressing cover 100; when the first sensing module 8 detects that the distance between the end of the first detection rod 6 and the liquid outlet hole 101 is greater than a first threshold value, it indicates that the spray sheet 102 is not installed on the pressing cover 100;
when the second detection station detects the spraying state, the top of the pressing cover 100 and the lower end of the spraying channel 102 are respectively pressed through the first detection column 14 and the second detection column 15, then the pressing cover 100 is pressed, liquid in the pressing cover 100 is sprayed out from the spraying hole of the spraying piece 103, and a spraying image is shot through the camera module 17 and uploaded to a computer system. If the computer system judges that the spraying state meets the requirement through analysis and comparison, the PLC controller controls the bearing seat 2 to drive the perfume spray head to enter a genuine product station; if the computer system judges that the spraying state does not meet the requirement through analysis and comparison, the PLC controller controls the bearing seat 2 to drive the perfume sprayer to enter a defective station. The analysis comparison here includes analysis comparison of parameters such as the spray distance and the spray angle of the spray.
In this embodiment, the first detecting rod 6 extends along the horizontal direction, and the extending direction is the same as the extending direction, and the liquid outlet 101 of the perfume sprayer mounted on the bearing seat 2 and the first detecting rod 6 are located on the same horizontal plane.
Further, the quality detection device further comprises a sliding groove 5a arranged on the first base 5, and the first detection rod 6 is slidably arranged in the sliding groove 5 a. A sliding portion 6a is provided at the bottom of the first detection lever 6, and the sliding portion 6a can be engaged with the slide groove 5 a.
In this embodiment, referring to fig. 2 again, the water injection assembly 9 includes a water injection pipe 9a which is arranged on the first base 5 and located below the bearing seat 2 in a liftable manner, and a fifth driving assembly 9b for driving the water injection pipe 9a to move, the water injection pipe 9a is communicated with an external water source, a through hole 2a which is through up and down is formed in the center of the bearing seat 2, and the water injection pipe 9a can pass through the through hole 2a and be inserted into the spraying passage 102.
Further, the first detection station further comprises a liftable slider 18 arranged on the first base 5, a sixth driving assembly 19 for driving the slider 18 to ascend and descend, a second detection rod 20 arranged on the slider 18 and extending downwards, and a second sensing module 21 arranged on the second detection rod 20 and used for detecting the distance between the bottom end of the second detection rod 20 and the top end of the bearing seat 2 after the second detection rod 20 descends to the proper position, the control unit is further used for receiving detection data of the second sensing module 21 and judging the arrangement state of the perfume sprayer, and if the perfume sprayer is arranged on the bearing seat 2, the control unit controls the water injection pipe 9a to move and injects water into the spray passage 102.
Here, the fifth driving assembly 9b and the sixth driving assembly 19 are both air cylinders, and after the perfume sprayer is mounted on the carrier 2, the top of the perfume sprayer is higher than the top of the carrier 2, so that in this embodiment, whether the perfume sprayer is mounted on the carrier 2 can be determined by measuring the distance between the bottom end of the second detection rod 20 and the top of the carrier 2. A second threshold value is also preset in the computer system, and when the second sensing module 21 detects that the distance between the bottom end and the top of the bearing seat 2 is smaller than the second threshold value after the second detection rod 20 descends to the right position, it indicates that the perfume sprayer is arranged on the bearing seat 2; when the second sensing module 21 detects that the distance between the bottom end and the top of the carrying seat 2 is greater than the second threshold value after the second detecting rod 20 descends to the right position, it indicates that no perfume sprayer is arranged on the carrying seat 2. If the bearing seat 2 is provided with a perfume nozzle, the water injection pipe 9a passes through the through hole 2a and is inserted into the spraying channel 102, and then water is injected into the spraying channel 102 for spraying in the spraying state detection in the next process.
In this embodiment, as shown in fig. 4, the feeding assembly 4 includes a feeding channel 4a for conveying the perfume nozzle, a calibration base 4b capable of rotating around its own axial line for calibrating the position of the liquid outlet 101, a seventh driving assembly 4c for driving the calibration base 4b to rotate, a first manipulator 4d for taking out the perfume nozzles one by one from the feeding channel 4a and placing the perfume nozzles on the calibration base 4b, a second manipulator 4e for transferring the perfume nozzles from the calibration base 4b to the carrier base 2, a calibration slot 4b1 is formed on the calibration base 4b, the pressing cover 100 is covered on the calibration base 4b, the first manipulator 4d is still in a feeding state, the seventh driving assembly 4c drives the calibration base 4b to rotate, and if the calibration groove 4b1 is in butt joint with the spraying channel 102, the perfume spray head and the calibration base 4b rotate synchronously, and the first manipulator 4d finishes feeding; if the calibration slot 4b1 abuts against the inner wall of the pressing cover 100 and is dislocated relative to the spraying channel 102, the calibration slot 4b1 and the spraying channel 102 perform alignment adjustment during the rotation process of the calibration base 4b until the calibration slot 4b1 is rightly butted with the spraying channel 102, the perfume sprayer rotates synchronously with the calibration base 4b, and the first manipulator 4d finishes feeding.
Further, the shower passage 102 includes a first passage 102a extending downward from an inner side of a top of the press cap 100, a second passage 102b for communicating the first passage 102a with the shower hole 101, and the aligning groove 4b1 includes a matching hole 4b11 formed in a middle portion of the aligning seat 4b, and a matching groove 4b12 extending outward from one side of the matching hole 4b11, and when mated, a lower end of the first passage 102a is inserted into the matching hole 4b11, and the second passage 102b is inserted into the matching groove 4b 12.
Here, the calibration base 4b rotates once for one movement period, and returns to the initial position after rotating for one movement period. In this way, when the positions of the spray holes 101 are calibrated, if the calibration grooves 4b1 and the spray channels 102 are relatively displaced, the alignment of the calibration base 4b and the spray holes can be adjusted during the rotation of the calibration base 4b, and when the calibration base 4b returns to the initial position after rotating for N movement cycles, the liquid outlet holes 101 of the perfume spray head can face the feeding channels 4 a. In this example, N = 2.
In this embodiment, as shown in fig. 5, the feeding assembly 4 further includes two second bases 4f and an arc-shaped guide groove 4g disposed on each second base 4f, the first manipulator 4d and the second manipulator 4e respectively include a rotating arm 22 having one end rotatably disposed on the corresponding second base 4f, a mechanical arm 24 rotatably connected to the other end of the rotating arm 22 through a rotating shaft 23, and a material taking barrel 25 disposed on the mechanical arm 24, the rotating shaft 23 is movably inserted into the guide groove 4g, and an inner cavity of the material taking barrel 25 matches with an outer wall of the press cover 100. In this way, when the rotating arm 22 drives the mechanical arm 24 to move, the guide groove 4g can play a role of sliding guide, so as to ensure the accuracy of material taking. When the first robot 4d feeds, the material taking barrel 25 is continuously pressed on the press lid 100, and the shower passage 102 in the press lid 100 is in butt joint with the calibration groove 4b 1.
Further, a long groove 22a is opened at an end of the rotating arm 22, and the rotating shaft 23 passes through the long groove 22a and is inserted into the guide groove 4 g. A margin of space can be provided for the movement of the rotating arm 22 by the arrangement of the long groove 22 a.
In this example, the rotation axes of the first manipulator 4d and the second manipulator 4e are parallel to each other and perpendicular to the feeding direction, and the first manipulator 4d and the second manipulator 4e are driven to rotate by a motor.
The quality detection device also comprises a trough 26 used for installing the calibration base 4b and accommodating the perfume spray head falling from the calibration base 4b, and a delivery channel 27 communicated with the bottom of the trough 26, wherein the delivery channel 27 extends downwards along the direction far away from the trough 26. Here, when first manipulator 4d pay-off and second manipulator 4e got the material, the perfume shower nozzle probably dropped at the pay-off or get the in-process of material, and the perfume shower nozzle that the setting of silo 26 can the holding dropped to carry the perfume shower nozzle that drops to collect in the collection container through defeated material passageway 27, avoid the perfume shower nozzle to scatter and drop.
As shown in fig. 6, the quality detection device further includes a pressing station located between the second detection station and the blanking station and used for pressing off the liquid in the perfume sprayer, and the pressing station includes a third base 28 and a fourth base 29 located on the upper and lower sides of the bearing seat 2 respectively and capable of moving along the directions close to or away from each other, an eighth driving assembly 30 and a ninth driving assembly 31 used for driving the third base 28 and the fourth base 29 to move respectively, a first pressing column 32 disposed at the bottom of the third base 28 and extending downward and used for pressing against the top of the pressing cover 100, a second pressing column 33 disposed at the top of the fourth base 29 and extending upward and used for pressing against the lower end of the spray channel 102, and a second liquid discharge pipe 34 disposed at one side of the third base 28 and the fourth base 29 away from the turntable 1 and used for accommodating the liquid sprayed from the perfume sprayer. In this example, the eighth driving unit 28 and the ninth driving unit 31 are both air cylinders, and the second pressing column 33 is provided with a pressing head 33a for inserting the shower passage 102. Like this, press the post through first 32 and the second 33 and press the post and support the pressure to gland 100 top and spray passage 102 lower extreme respectively to can press gland 100, spray out with remaining liquid in the spray passage 102, guarantee not contain liquid in the perfume shower nozzle of output.
Bear 2 centers of seat and offer through-hole 2a that link up from top to bottom, as shown in fig. 7, certified products station and substandard product station include respectively: liftable locate the push rod 35 that is used for penetrating out through-hole 2a below carousel 1 for the tenth drive assembly 36 of drive push rod 35 lift, one end hangs and locates carousel 1 top, the other end along the unloading passageway 37 of keeping away from the downward sloping extension of the direction of carousel 1, the opening that is used for the perfume shower nozzle to get into is offered to the one end bottom that unloading passageway 37 is close to carousel 1. The tenth drive assembly 36 here is a pneumatic cylinder. When the perfume sprayer reaches the quality product station or the defective product station along with the bearing seat 2, the ejector rod 35 is pushed upwards under the action of the air cylinder to push the perfume sprayer into the blanking channel 37 for blanking.
The blanking station further comprises an adjusting groove 38 arranged at one end of the blanking channel 37 close to the turntable 1, and an air blowing pipe 39 inserted into the adjusting groove 38 and used for blowing compressed air into the blanking channel 37, wherein the adjusting groove 38 extends along the up-down direction, and the air blowing pipe 39 is movably arranged in the adjusting groove 38. The perfume sprayer in the jacking blanking channel 37 can be blown towards the deep part of the channel by the air blowing pipe 39, so that the blanking of the perfume sprayer is more convenient, and the blowing height of the air blowing pipe 39 can be adjusted by the adjusting groove 38, so that the blowing is more flexible.
In this embodiment, get feed cylinder 25, calibration seat 4b and all have two, once take out and two perfume sprayer of calibration that can correspond, every bears seat 2 simultaneously and also has two seatss for bear two perfume sprayer.
The quality detection method of the embodiment specifically comprises the following steps:
(1) the first driving component 3 drives the rotary disc 1 to rotate, so that the bearing seat 2 is aligned with the loading station, and the perfume sprayer at the calibration position is transferred to the bearing seat 2 from the loading station
(2) Through 3 drives carousel 1 rotations once more of first drive assembly and makes and bear seat 2 and first detection station alignment, detects the piece mounted state that spouts of perfume nozzle afterwards, and concrete detection step is: the first detection rod 6 is driven to extend out towards the direction close to the liquid outlet hole 101, the distance between the end part of the first detection rod 6 and the liquid outlet hole 101 is detected after the first detection rod extends in place, and then the control unit analyzes and compares the detection result to determine the installation state of the spray piece of the perfume sprayer;
(3) drive water injection subassembly 9 pours into liquid into to spray passage 102 into, drives carousel 1 again through first drive assembly 3 and rotates and make and bear seat 2 and second detection station and align, detects the spraying state of perfume nozzle afterwards, and concrete detection step is: the first detection column 14 and the second detection column 15 are driven to move, so that the first detection column 14 and the second detection column 15 respectively press the perfume sprayer from the upper end of the pressing cover 100 and the lower end of the spraying channel 102 at the same time, liquid in the perfume sprayer can be sprayed out from the spraying piece 103, the camera module 17 shoots the spraying state of the sprayed liquid, and then the control unit analyzes and compares the shot images to determine the spraying state of the perfume sprayer;
(4) the first driving assembly 3 drives the rotary table 1 to rotate again, the control unit controls the bearing seat 2 to align with the qualified product station or the defective product station respectively according to the detection result, and then the perfume sprayer is ejected out to the qualified product station or the defective product station to finish blanking;
(5) and (4) repeating the steps (1) to (4), thereby realizing the continuous detection of the perfume sprayer.
The above embodiments are merely illustrative of the technical ideas and features of the present invention, and the purpose thereof is to enable those skilled in the art to understand the contents of the present invention and implement the present invention, and not to limit the protection scope of the present invention. All equivalent changes and modifications made according to the spirit of the present invention should be covered within the protection scope of the present invention.
The above embodiments are merely illustrative of the technical ideas and features of the present invention, and the purpose thereof is to enable those skilled in the art to understand the contents of the present invention and implement the present invention, and not to limit the protection scope of the present invention. All equivalent changes and modifications made according to the spirit of the present invention should be covered within the protection scope of the present invention.

Claims (10)

1.一种香水喷头的质量检测方法,用于香水喷头的质量检测,所述香水喷头包括按压盖、开设于所述按压盖上的出液孔、与所述出液孔相连通的喷淋通道、贴设于所述出液孔上的喷片,其特征在于:所述质量检测方法采用的检测装置包括检测台、上料工位、第一检测工位、第二检测工位、下料工位、驱动单元以及控制单元;所述检测台包括转盘,绕着所述转盘的周向均匀分布于所述转盘上的多个承载座;所述上料工位包括用于输送所述香水喷头并对所述出液孔进行位置校准后将所述香水喷头安置于所述承载座上的上料组件;所述第一检测工位包括用于检测所述喷片的安装状态的第一检测杆以及用于向所述喷淋通道内注入用于喷雾的液体的注水组件;所述第二检测工位用于检测所述香水喷头的喷雾状态,其包括第一检测柱、第二检测柱以及照相模块;所述下料工位包括正品工位和次品工位,用于香水喷头的下料;所述驱动单元包括用于驱动所述转盘在所述上料工位、所述第一检测工位、所述第二检测工位和所述下料工位之间依次转换的第一驱动组件;控制单元用于根据检测结果将所述香水喷头送入所述正品工位或所述次品工位;1. A quality detection method of a perfume spray head, used for the quality detection of a perfume spray head, the perfume spray head comprises a pressing cover, a liquid outlet hole opened on the pressing cover, and a spray that communicates with the liquid outlet hole. The channel and the spray sheet attached to the liquid outlet hole are characterized in that: the detection device used in the quality detection method includes a detection table, a feeding station, a first detection station, a second detection station, a lower A material station, a driving unit and a control unit; the inspection table includes a turntable, and a plurality of bearing seats are evenly distributed on the turntable around the circumference of the turntable; The perfume spray head is positioned on the loading assembly after the position calibration of the liquid outlet hole is performed; the first detection station includes a first detection station for detecting the installation state of the spray sheet. a detection rod and a water injection assembly for injecting liquid for spraying into the spray channel; the second detection station is used to detect the spray state of the perfume spray head, which includes a first detection column, a second detection column A detection column and a camera module; the blanking station includes a genuine station and a defective station, which are used for the blanking of perfume spray heads; the drive unit includes a drive unit for driving the turntable in the loading station, all The first drive assembly that is sequentially converted between the first detection station, the second detection station and the blanking station; the control unit is used to send the perfume nozzle into the genuine station according to the detection result or the said defective station; 所述质量检测方法具体包括:The quality detection method specifically includes: (1)通过所述第一驱动组件驱动所述转盘转动,使所述承载座与所述上料工位对齐,将校准位置的香水喷头自所述上料工位移送至所述承载座上(1) Drive the turntable to rotate through the first drive assembly, align the bearing seat with the feeding station, and move the perfume nozzle in the calibration position to the bearing seat from the feeding station (2)通过所述第一驱动组件再次驱动所述转盘转动并使所述承载座与所述第一检测工位对齐,随后对所述香水喷头的喷片安装状态进行检测,具体检测步骤为:驱动所述第一检测杆向着靠近所述出液孔的方向伸出,伸出到位后对所述第一检测杆端部与所述出液孔之间的距离进行检测,随后所述控制单元对检测结果进行分析比对,确定所述香水喷头的喷片安装状态;(2) Drive the turntable to rotate again through the first drive assembly and align the bearing seat with the first detection station, and then detect the installation state of the spray piece of the perfume spray head. The specific detection steps are as follows: : Drive the first detection rod to extend toward the direction close to the liquid outlet, and after the extension is in place, detect the distance between the end of the first detection rod and the liquid outlet, and then control the The unit analyzes and compares the detection results, and determines the installation state of the spray piece of the perfume spray head; (3)驱动所述注水组件向所述喷淋通道内注入所述液体,通过所述第一驱动组件再次驱动所述转盘转动并使所述承载座与所述第二检测工位对齐,随后对所述香水喷头的喷雾状态进行检测,具体检测步骤为:驱动所述第一检测柱和所述第二检测柱运动,使所述第一检测柱和所述第二检测柱分别自所述按压盖上端和所述喷淋通道下端同时抵压所述香水喷头,使得香水喷头内的所述液体能够自所述喷片中喷出,照相模块对喷出液体的喷雾状态进行拍摄,随后控制单元对拍摄图像进行分析比对,确定所述香水喷头的喷雾状态;(3) Drive the water injection assembly to inject the liquid into the spray channel, drive the turntable to rotate again through the first drive assembly and align the bearing seat with the second detection station, and then The spray state of the perfume nozzle is detected, and the specific detection steps are: driving the first detection column and the second detection column to move, so that the first detection column and the second detection column are respectively separated from the Press the upper end of the cover and the lower end of the spray channel to press the perfume nozzle at the same time, so that the liquid in the perfume nozzle can be sprayed from the spray sheet, and the camera module shoots the spray state of the sprayed liquid, and then controls The unit analyzes and compares the captured images to determine the spray state of the perfume nozzle; (4)通过所述第一驱动组件再次驱动所述转盘转动,所述控制单元根据检测结果控制承载座分别与所述正品工位或所述次品工位对齐,随后将香水喷头顶出至正品工位或次品工位中,完成下料;(4) The turntable is driven to rotate again by the first drive assembly, and the control unit controls the bearing seat to align with the genuine station or the defective station according to the detection result, and then pushes the perfume nozzle out to the In the genuine station or the defective station, the blanking is completed; (5)重复步骤(1)至(4),从而实现香水喷头的连续检测。(5) Repeat steps (1) to (4) to realize continuous detection of perfume nozzles. 2.根据权利要求1所述的一种香水喷头的质量检测方法,其特征在于:所述第一检测工位还包括用于安装所述第一检测杆的第一机座、用于驱动所述第一检测杆运动的第二驱动组件、设于所述第一检测杆上的用于检测所述第一检测杆伸出到位时端部与所述出液孔之间距离的第一传感模块;所述第二检测工位还包括位于所述承载座的上下两侧且能够沿着相互靠近或远离的方向运动的分别用于安装所述第一检测柱和所述第二检测柱的第一基座和第二基座、分别用于驱动所述第一基座和所述第二基座运动的第三驱动组件和第四驱动组件、设于所述第一基座和所述第二基座远离所述转盘一侧的用以容置所述香水喷头喷出的所述液体的第一排液管。2 . The quality detection method of a perfume nozzle according to claim 1 , wherein the first detection station further comprises a first base for installing the first detection rod, for driving the The second drive assembly for the movement of the first detection rod, the first transmission device provided on the first detection rod for detecting the distance between the end of the first detection rod and the liquid outlet hole when the first detection rod is extended in place; A sensing module; the second detection station further includes the first detection column and the second detection column, which are located on the upper and lower sides of the bearing base and can move in the direction of approaching or moving away from each other. The first base and the second base, the third drive assembly and the fourth drive assembly respectively used to drive the first base and the second base to move, provided on the first base and the The second base is on a side away from the turntable and is used for accommodating the first liquid discharge pipe of the liquid sprayed by the perfume spray head. 3.根据权利要求2所述的一种香水喷头的质量检测方法,其特征在于:所述注水组件包括可升降的设于所述第一机座上且位于所述承载座下方的注水管、用于驱动所述注水管运动的第五驱动组件,所述注水管连通外部水源,所述承载座中心开设有上下贯通的通孔,所述注水管能够穿过所述通孔并插入所述喷淋通道中。3 . The quality detection method of a perfume nozzle according to claim 2 , wherein the water injection assembly comprises a water injection pipe that can be lifted and lowered on the first base and is located below the bearing seat, 3 . A fifth drive assembly for driving the water injection pipe to move, the water injection pipe is connected to an external water source, a through hole is formed in the center of the bearing base, and the water injection pipe can pass through the through hole and be inserted into the in the spray channel. 4.根据权利要求3所述的一种香水喷头的质量检测方法,其特征在于:所述第一检测工位还包括可升降的设于所述第一机座上的滑块、用于驱动所述滑块升降的第六驱动组件、设于所述滑块上且向下延伸的第二检测杆、设于所述第二检测杆上的用于在所述第二检测杆下降到位后检测所述第二检测杆底端与所述承载座顶端之间距离的第二传感模块,所述控制单元还用于接收所述第二传感模块的检测数据并判断所述香水喷头的安置状态,若所述承载座上安置有所述的香水喷头,所述控制单元控制所述注水管运动并向所述喷淋通道内注水。4 . The quality detection method of a perfume nozzle according to claim 3 , wherein the first detection station further comprises a slide block that can be lifted and lowered on the first base for driving The sixth drive assembly for lifting and lowering the slider, the second detection rod provided on the slider and extending downward, and the second detection rod provided on the second detection rod for after the second detection rod is lowered A second sensing module for detecting the distance between the bottom end of the second detection rod and the top end of the bearing seat, and the control unit is also used to receive the detection data of the second sensing module and determine the In the installation state, if the perfume spray head is installed on the bearing seat, the control unit controls the movement of the water injection pipe and injects water into the spray channel. 5.根据权利要求1所述的一种香水喷头的质量检测方法,其特征在于:所述出液孔的位置校准通过上料组件中的校准单元实现,所述校准单元包括能够绕其自身轴心线方向转动的用于对所述出液孔进行位置校准的校准座、用于驱动所述校准座转动的第七驱动组件、用于自香水喷头的上料通道中逐个取出所述香水喷头并安置于所述校准座上的第一机械手、用于将所述香水喷头自所述校准座上移送至所述承载座上的第二机械手,所述校准座上形成有校准槽;5. The quality detection method of a perfume spray head according to claim 1, wherein the position calibration of the liquid outlet hole is realized by a calibration unit in the feeding assembly, and the calibration unit includes an axis capable of revolving around its own axis. A calibration seat that rotates in the direction of the center line for calibrating the position of the liquid outlet hole, a seventh drive assembly that drives the calibration seat to rotate, and is used to take out the perfume nozzles one by one from the feeding channel of the perfume nozzle a first manipulator arranged on the calibration seat, and a second manipulator for transferring the perfume spray head from the calibration seat to the bearing seat, and a calibration groove is formed on the calibration seat; 所述出液孔的位置校准方法具体包括:通过所述第一机械手将香水喷头自上料通道中移送至所述校准座上,随后向下按压到位,所述按压盖罩设于所述校准座上,所述第一机械手仍处于送料状态,驱动所述校准座转动,若所述校准槽与所述喷淋通道对接,所述香水喷头与所述校准座同步转动,所述第一机械手完成送料;若所述校准槽抵触于所述按压盖内壁并与所述喷淋通道相对错位,所述校准槽和所述喷淋通道在所述校准座的转动过程中进行对位调整,直至所述校准槽与所述喷淋通道正位对接,所述香水喷头与所述校准座同步转动,所述第一机械手完成送料。The method for calibrating the position of the liquid outlet specifically includes: transferring the perfume spray head from the feeding channel to the calibration seat by the first manipulator, and then pressing down in place, and the pressing cover is provided on the calibration seat. On the seat, the first manipulator is still in the feeding state, and drives the calibration seat to rotate. If the calibration groove is connected to the spray channel, the perfume spray head rotates synchronously with the calibration seat, and the first manipulator rotates. Complete the feeding; if the alignment groove is in contact with the inner wall of the pressing cover and is relatively misaligned with the spray channel, the alignment groove and the spray channel are adjusted during the rotation of the alignment seat until The calibration groove is in positive position with the spray channel, the perfume spray head rotates synchronously with the calibration seat, and the first manipulator completes the feeding. 6.根据权利要求5所述的一种香水喷头的质量检测方法,其特征在于:所述上料组件还包括两个第二机座、开设于每个所述第二机座上的弧形的导向槽,所述第一机械手和所述第二机械手分别包括一端可转动的设于对应的所述第二机座上的转动臂、开设于所述转动臂的另一端端部的长槽、通过转轴可转动的穿设于所述长槽中的机械臂、设于所述机械臂上的取料筒,所述转轴穿过所述长槽并可活动的插设于所述导向槽中,所述取料筒内腔与所述按压盖外壁相匹配。6 . The quality detection method of a perfume spray head according to claim 5 , wherein the feeding assembly further comprises two second bases, an arc formed on each of the second bases. 7 . The first manipulator and the second manipulator respectively include a rotating arm with one end rotatable on the corresponding second base, and a long groove opened on the other end of the rotating arm. , The manipulator arm which is rotatably passed through the long groove through the rotating shaft, and the reclaiming cylinder set on the manipulator arm, the rotating shaft passes through the long groove and can be movably inserted into the guide groove , the inner cavity of the reclaiming cylinder is matched with the outer wall of the pressing cover. 7.根据权利要求5所述的一种香水喷头的质量检测方法,其特征在于:所述检测装置还包括用于安装所述校准座并容置自所述校准座上掉落的所述香水喷头的料槽、连通于所述料槽底部的输料通道,所述输料通道沿着远离所述料槽的方向向下倾斜的延伸。7 . The quality detection method of a perfume spray head according to claim 5 , wherein the detection device further comprises a method for installing the calibration seat and accommodating the perfume dropped from the calibration seat. 8 . The material trough of the spray head is connected to the feeding channel at the bottom of the feeding trough, and the feeding channel extends downward and inclined along the direction away from the feeding trough. 8.根据权利要求1所述的一种香水喷头的质量检测方法,其特征在于:所述检测装置还包括位于所述第二检测工位和所述下料工位之间的用于压除所述香水喷头内的所述液体的按压工位,所述按压工位包括分别位于所述承载座的上下两侧且能够沿着相互靠近或远离的方向运动的第三基座和第四基座、分别用于驱动所述第三基座和所述第四基座运动的第八驱动组件和第九驱动组件、设于所述第三基座底部且向下延伸的用于抵压于所述按压盖顶部的第一按压柱、设于所述第四基座顶部且向上延伸的用于抵压于所述喷淋通道下端的第二按压柱、设于所述第三基座和所述第四基座远离所述转盘一侧的用以容置所述香水喷头喷出的所述液体的第二排液管。8 . The quality detection method of a perfume nozzle according to claim 1 , wherein the detection device further comprises a pressure-removing device located between the second detection station and the blanking station. 9 . The pressing station of the liquid in the perfume spray head, the pressing station includes a third base and a fourth base which are respectively located on the upper and lower sides of the bearing base and can move in the direction of approaching or moving away from each other. a seat, an eighth drive assembly and a ninth drive assembly respectively used to drive the third base and the fourth base to move; The first pressing column on the top of the pressing cover, the second pressing column on the top of the fourth base and extending upward for pressing against the lower end of the spray channel, and the third base and The fourth base is far away from the second liquid drain pipe on the side of the turntable for accommodating the liquid sprayed by the perfume spray head. 9.根据权利要求1所述的一种香水喷头的质量检测方法,其特征在于:所述承载座中心开设有上下贯通的通孔,所述正品工位和所述次品工位分别包括:可升降的设于所述转盘下方的用于穿入穿出所述通孔的顶推杆,用于驱动所述顶推杆升降的第十驱动组件,一端悬设于所述转盘上方、另一端沿着远离所述转盘的方向向下倾斜延伸的下料通道,所述下料通道靠近所述转盘的一端底部开设有用于所述香水喷头进入的开口。9. The quality detection method of a perfume nozzle according to claim 1, wherein: the center of the bearing seat is provided with a through hole that penetrates up and down, and the authentic station and the defective station respectively comprise: The ejector rod, which can be lifted and lowered, is arranged under the turntable and is used to penetrate into and out of the through hole. One end of the unloading channel extends obliquely downward along the direction away from the turntable, and the bottom of one end of the unloading channel close to the turntable is provided with an opening for the perfume spray head to enter. 10.根据权利要求9所述的一种香水喷头的质量检测方法,其特征在于:所述下料工位还包括开设于所述下料通道靠近所述转盘一端的调节槽、插设于所述调节槽中的用于向所述下料通道内吹入压缩空气的吹气管,所述调节槽沿着上下方向延伸,所述吹气管可活动的设于所述调节槽中。10. The quality detection method of a perfume nozzle according to claim 9, characterized in that: the blanking station further comprises an adjustment groove opened at one end of the blanking channel close to the turntable, inserted in the The air blowing pipe in the adjusting groove is used for blowing compressed air into the feeding channel, the adjusting groove is extended in the up-down direction, and the air blowing pipe is movably arranged in the adjusting groove.
CN202011578663.3A 2020-12-28 2020-12-28 Quality detection method of perfume sprayer Active CN112893175B (en)

Priority Applications (1)

Application Number Priority Date Filing Date Title
CN202011578663.3A CN112893175B (en) 2020-12-28 2020-12-28 Quality detection method of perfume sprayer

Applications Claiming Priority (1)

Application Number Priority Date Filing Date Title
CN202011578663.3A CN112893175B (en) 2020-12-28 2020-12-28 Quality detection method of perfume sprayer

Publications (2)

Publication Number Publication Date
CN112893175A true CN112893175A (en) 2021-06-04
CN112893175B CN112893175B (en) 2022-06-14

Family

ID=76111752

Family Applications (1)

Application Number Title Priority Date Filing Date
CN202011578663.3A Active CN112893175B (en) 2020-12-28 2020-12-28 Quality detection method of perfume sprayer

Country Status (1)

Country Link
CN (1) CN112893175B (en)

Citations (7)

* Cited by examiner, † Cited by third party
Publication number Priority date Publication date Assignee Title
CN101178413A (en) * 2006-11-08 2008-05-14 精工爱普生株式会社 Droplet discharge head, inspection device, and method of using the inspection device
CN201807463U (en) * 2010-09-27 2011-04-27 安徽捷迅光电技术有限公司 Nozzle plate of color selector
CN203508229U (en) * 2013-08-16 2014-04-02 余姚快益电器有限公司 Shower nozzle
JP2016030234A (en) * 2014-07-29 2016-03-07 Nok株式会社 Discharger for molding inspection machine
CN106216260A (en) * 2016-09-09 2016-12-14 玉柴联合动力股份有限公司 Device for fuel injector pad precompressed sorting
CN110170457A (en) * 2019-05-14 2019-08-27 昆山中一自动化设备有限公司 A kind of spray head mist test equipment
CN210098280U (en) * 2019-05-14 2020-02-21 昆山中一自动化设备有限公司 Spray head mist testing equipment

Patent Citations (7)

* Cited by examiner, † Cited by third party
Publication number Priority date Publication date Assignee Title
CN101178413A (en) * 2006-11-08 2008-05-14 精工爱普生株式会社 Droplet discharge head, inspection device, and method of using the inspection device
CN201807463U (en) * 2010-09-27 2011-04-27 安徽捷迅光电技术有限公司 Nozzle plate of color selector
CN203508229U (en) * 2013-08-16 2014-04-02 余姚快益电器有限公司 Shower nozzle
JP2016030234A (en) * 2014-07-29 2016-03-07 Nok株式会社 Discharger for molding inspection machine
CN106216260A (en) * 2016-09-09 2016-12-14 玉柴联合动力股份有限公司 Device for fuel injector pad precompressed sorting
CN110170457A (en) * 2019-05-14 2019-08-27 昆山中一自动化设备有限公司 A kind of spray head mist test equipment
CN210098280U (en) * 2019-05-14 2020-02-21 昆山中一自动化设备有限公司 Spray head mist testing equipment

Also Published As

Publication number Publication date
CN112893175B (en) 2022-06-14

Similar Documents

Publication Publication Date Title
JP5254134B2 (en) Open jet filling system, method and filling machine
CN107671516A (en) A kind of magnet automatic press mounting machine
CN115833502A (en) A multi-process stator manufacturing equipment
CN215439594U (en) Controllable elasticity twist bottle lid equipment
CN107249336A (en) The manufacturing process and device of food with filling
CN112440100A (en) Door shield jig rotating device and door shield assembling machine
CN112756274B (en) Quality detection device of perfume sprayer
CN112893175B (en) Quality detection method of perfume sprayer
CN113458780B (en) Wiper equipment
CN112798246B (en) Spraying state detection device of perfume shower nozzle
US8277211B2 (en) Apparatus for transferring doses and dose
WO2006109108A1 (en) Apparatus for transferring doses and dose
CN112894297B (en) Spray piece detection device of perfume spray head
JP2020164223A (en) Container processing equipment
CN213505881U (en) Rotary cover closing device
CN116140971B (en) Assembly system and assembly method for assembling rotating frame and roller
CN215607711U (en) Capsule filling device
KR101883636B1 (en) In side spary apparatus
CN210358131U (en) Christmas ball cover CCD screening device
CN112850037A (en) Secondary vulcanization equipment for coated rubber plug
JP3713945B2 (en) Contact lens manufacturing method and manufacturing apparatus
CN222476135U (en) Production device for bottled products
CN222042627U (en) Automatic bottling system with inner plug
CN213475402U (en) Adjustable filling machine
CN210358156U (en) Christmas ball cover screening output device

Legal Events

Date Code Title Description
PB01 Publication
PB01 Publication
SE01 Entry into force of request for substantive examination
SE01 Entry into force of request for substantive examination
GR01 Patent grant
GR01 Patent grant
PE01 Entry into force of the registration of the contract for pledge of patent right

Denomination of invention: A method for quality inspection of a perfume nozzle

Granted publication date: 20220614

Pledgee: Jiangsu Zhangjiagang Rural Commercial Bank Co.,Ltd.

Pledgor: Zhangjiagang Xiafei Plastic Co.,Ltd.

Registration number: Y2025980060698

PE01 Entry into force of the registration of the contract for pledge of patent right