CN112695789A - 一种装配式基础承台施工模具 - Google Patents
一种装配式基础承台施工模具 Download PDFInfo
- Publication number
- CN112695789A CN112695789A CN202011594742.3A CN202011594742A CN112695789A CN 112695789 A CN112695789 A CN 112695789A CN 202011594742 A CN202011594742 A CN 202011594742A CN 112695789 A CN112695789 A CN 112695789A
- Authority
- CN
- China
- Prior art keywords
- bearing platform
- hinge
- fixing piece
- platform side
- rod
- Prior art date
- Legal status (The legal status is an assumption and is not a legal conclusion. Google has not performed a legal analysis and makes no representation as to the accuracy of the status listed.)
- Pending
Links
- 238000010276 construction Methods 0.000 title claims abstract description 21
- 238000009415 formwork Methods 0.000 claims description 27
- 230000002093 peripheral effect Effects 0.000 claims description 4
- 230000001105 regulatory effect Effects 0.000 claims description 3
- 239000011449 brick Substances 0.000 abstract description 8
- 210000002219 extraembryonic membrane Anatomy 0.000 description 3
- 230000007306 turnover Effects 0.000 description 2
- 230000009286 beneficial effect Effects 0.000 description 1
- 239000011469 building brick Substances 0.000 description 1
- 230000000694 effects Effects 0.000 description 1
- 238000000465 moulding Methods 0.000 description 1
- 238000007493 shaping process Methods 0.000 description 1
Images
Classifications
-
- E—FIXED CONSTRUCTIONS
- E02—HYDRAULIC ENGINEERING; FOUNDATIONS; SOIL SHIFTING
- E02D—FOUNDATIONS; EXCAVATIONS; EMBANKMENTS; UNDERGROUND OR UNDERWATER STRUCTURES
- E02D27/00—Foundations as substructures
-
- E—FIXED CONSTRUCTIONS
- E02—HYDRAULIC ENGINEERING; FOUNDATIONS; SOIL SHIFTING
- E02D—FOUNDATIONS; EXCAVATIONS; EMBANKMENTS; UNDERGROUND OR UNDERWATER STRUCTURES
- E02D29/00—Independent underground or underwater structures; Retaining walls
- E02D29/045—Underground structures, e.g. tunnels or galleries, built in the open air or by methods involving disturbance of the ground surface all along the location line; Methods of making them
Landscapes
- Engineering & Computer Science (AREA)
- Life Sciences & Earth Sciences (AREA)
- General Life Sciences & Earth Sciences (AREA)
- Mining & Mineral Resources (AREA)
- Paleontology (AREA)
- Civil Engineering (AREA)
- General Engineering & Computer Science (AREA)
- Structural Engineering (AREA)
- Environmental & Geological Engineering (AREA)
- Forms Removed On Construction Sites Or Auxiliary Members Thereof (AREA)
Abstract
一种装配式基础承台施工模具,包括承台侧面模板、下口固定件、上口固定件、角度控制器和顶撑;承台侧面模板有四块,相邻承台侧面模板拼接连接;上口固定件沿着承台侧面模板的内侧面顶边通长设置;角度控制器设在基坑的转角位置处,包括第一折页、第二折页和转轴;第二折页贴在基坑底部,第二折页贴设在承台侧面模板的内侧面下部;转轴将第一折页与第二折页转动连接;下口固定件设在第一折页上,包括第一固定杆、第二固定杆和调节螺栓;第一固定杆的竖向切面呈L形,沿着角度控制器的长轴向通长设置;第二固定杆的竖向切面呈倒置的L形,搭设在第一固定杆的顶部。本发明解决了传统的砖砌体回填质量不易控制和地基受力不能满足要求的技术问题。
Description
技术领域
本发明属于建筑土木工程技术领域,特别是一种装配式基础承台施工模具。
背景技术
车库结构柱多为下卧柱墩形式,斜面位置多为砖胎膜砌体,为保证砖胎膜施工操作空间,下卧柱墩位置常常会超挖,后期采用回填方式,此种做法有多种问题:1、砖砌体的回填质量不易控制,地基受力不能满足要求;2、柱墩采用砖胎膜成型,砖砌体强度和基础承载能力不匹配,易造成柱墩承台地基受力不均匀问题,而且砖砌体耗费大量人工成本,同时占用工期较长。
发明内容
本发明的目的是提供一种装配式基础承台施工模具,要解决传统的砖砌体回填质量不易控制和地基受力不能满足要求的技术问题。
为实现上述目的,本发明采用如下技术方案。
一种装配式基础承台施工模具,包括有承台侧面模板、下口固定件、上口固定件、角度控制器和顶撑;所述承台侧面模板有四块,沿着待浇筑承台的四周侧面设置,且相邻两块承台侧面模板之间拼接连接;所述上口固定件沿着承台侧面模板的内侧面顶边通长设置;所述角度控制器设置在基坑的转角位置处,包括有第一折页、第二折页和转轴;所述第二折页贴设在基坑底部,第二折页贴设在承台侧面模板的内侧面下部;所述转轴将第一折页与第二折页转动连接;所述下口固定件设置在第一折页上,包括有第一固定杆、第二固定杆和调节螺栓;所述第一固定杆的竖向切面呈L形,沿着角度控制器的长轴向通长设置;所述第二固定杆的竖向切面呈倒置的L形,搭设在第一固定杆的顶部,并且第二固定杆的横边端部靠近靠近第二折页的上边缘;所述调节螺栓将第一固定杆与第二固定杆可调连接。
优选的,所述承台侧面模板呈梯形,承台侧面模板的上边缘超出基坑的顶面;在承台侧面模板超出基坑的部位上连接有吊环。
优选的,所述承台侧面模板的两端、靠近上下边缘位置处设置有卡槽;所述卡槽的水平切面呈U形;在相邻两个承台侧面模板上对应的卡槽之间连接有连接杆;所述连接杆呈L形,且连接杆的两条边分别与两侧的卡槽连接。
优选的,所述上口固定件的截面呈L形,并且上口固定件的一侧面紧贴在承台侧面模板内侧面上、与承台侧面模板粘接,上口固定件的另一侧面垂直于承台侧面模板。
优选的,所述第一固定杆的竖边与第二固定杆的竖边之间垫设有调节垫片。
优选的,所述顶撑搭设在两侧的下口固定件之间;在顶撑的底部、靠近端部位置处设置有限位杆;所述限位杆位于下口固定件的内侧面位置处。
与现有技术相比本发明具有以下特点和有益效果。
1、本发明的装配式基础承台施工模具保证了承台地基的承载能力,减少了砖胎膜砌筑工作量,保证了斜面垫层的成型质量。
2、本发明的装配式基础承台施工模具由四块斜面承台侧面模板通过拼装而成,可根据承台尺寸、承台侧面的倾斜角度,利用角度控制器进行调节,承台板可通过卡槽和连接杆进行进行紧固;本发明的装配式基础承台施工模具安装简便、可周转、基础承台垫层一次性成活,施工效率高、成型效果好。
3、本发明装配式基础承台施工模具,由承台侧面模板通过卡槽和连接杆加固,使四块承台侧面模板形式整体;承台混凝土浇筑前通过顶撑对承台施工模具进行加固,在模具下面设置角度控制器,根据根据承台侧面的要求角度进行调节,承台四周浇筑混凝土后,可进行散拆,模具重复周转利用。
附图说明
下面结合附图对本发明做进一步详细的说明。
图1是本发明的平面结构示意图。
图2是本发明沿着待浇筑承台的四周侧面设置的结构示意图。
图3是本发明中角度控制器设置在待浇筑的承台的转角位置处的结构示意图。
图4是本发明中顶撑搭接在下口固定件上的结构示意图。
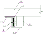
附图标记:1-承台侧面模板、2-下口固定件、2.1-第一固定杆、2.2-第二固定杆、2.3-调节螺栓、2.4-调节垫片、3-上口固定件、4-角度控制器、4.1-第一折页、4.2-第二折页、4.3-转轴、5-顶撑、6-吊环、7-卡槽、8-限位杆、9-连接杆。
具体实施方式
如图1-4所示,这种装配式基础承台施工模具,包括有承台侧面模板1、下口固定件2、上口固定件3、角度控制器4和顶撑5;所述承台侧面模板1有四块,沿着待浇筑承台的四周侧面设置,且相邻两块承台侧面模板1之间拼接连接;所述上口固定件3沿着承台侧面模板1的内侧面顶边通长设置;所述角度控制器4设置在待浇筑的承台的转角位置处,包括有第一折页4.1、第二折页4.2和转轴4.3;所述第二折页4.2贴设在基坑底部,第二折页4.2贴设在承台侧面模板1的内侧面下部;所述转轴4.3将第一折页4.1与第二折页4.2转动连接;所述下口固定件2设置在第一折页4.1上,包括有第一固定杆2.1、第二固定杆2.2和调节螺栓2.3;所述第一固定杆2.1的竖向切面呈L形,沿着角度控制器4的长轴向通长设置;所述第二固定杆2.2的竖向切面呈倒置的L形,搭设在第一固定杆2.1的顶部,并且第二固定杆2.2的横边端部靠近靠近第二折页4.2的上边缘;所述调节螺栓2.3将第一固定杆2.1与第二固定杆2.2可调连接。
本实施例中,所述承台侧面模板1呈梯形,承台侧面模板1的上边缘超出待浇筑的承台的顶面;在承台侧面模板1超出待浇筑的承台的部位上连接有吊环6。
本实施例中,所述承台侧面模板1的两端、靠近上下边缘位置处设置有卡槽7;所述卡槽7的水平切面呈U形;在相邻两个承台侧面模板1上对应的卡槽7之间连接有连接杆9;所述连接杆9呈L形,且连接杆9的两条边分别与两侧的卡槽7连接。
本实施例中,所述上口固定件3的截面呈L形,并且上口固定件3的一侧面紧贴在承台侧面模板1内侧面上、与承台侧面模板1粘接,上口固定件3的另一侧面垂直于承台侧面模板1。
本实施例中,所述第一固定杆2.1的竖边与第二固定杆2.2的竖边之间垫设有调节垫片2.4。
本实施例中,所述顶撑5搭设在两侧的下口固定件2之间;在顶撑5的底部、靠近端部位置处设置有限位杆8;所述限位杆8位于下口固定件2的内侧面位置处。
本实施例中,所述承台侧面模板1需根据承台尺寸定制而成,承台侧面模板1在工厂预制而成,保证承台模具的周转使用。
本实施例中,角度控制器4通过第一折页4.1、第二折页4.2和转轴4.3组成,可根据不同的承台的角度进行调节;
本实施例中,装配式基础承台施工模具在承台侧面模板1上设置四个吊点,可通过塔吊吊运周转使用。
本实施例中,所述第一折页4.1与第一固定杆2.1之间、第二折页4.2与承台侧面模板1之间均垫设有弹性垫片。
上述实施例并非具体实施方式的穷举,还可有其它的实施例,上述实施例目的在于说明本发明,而非限制本发明的保护范围,所有由本发明简单变化而来的应用均落在本发明的保护范围内。
Claims (6)
1.一种装配式基础承台施工模具,其特征在于:包括有承台侧面模板(1)、下口固定件(2)、上口固定件(3)、角度控制器(4)和顶撑(5);所述承台侧面模板(1)有四块,沿着待浇筑承台的四周侧面设置,且相邻两块承台侧面模板(1)之间拼接连接;所述上口固定件(3)沿着承台侧面模板(1)的内侧面顶边通长设置;所述角度控制器(4)设置在待浇筑的承台的转角位置处,包括有第一折页(4.1)、第二折页(4.2)和转轴(4.3);所述第二折页(4.2)贴设在基坑底部,第二折页(4.2)贴设在承台侧面模板(1)的内侧面下部;所述转轴(4.3)将第一折页(4.1)与第二折页(4.2)转动连接;所述下口固定件(2)设置在第一折页(4.1)上,包括有第一固定杆(2.1)、第二固定杆(2.2)和调节螺栓(2.3);所述第一固定杆(2.1)的竖向切面呈L形,沿着角度控制器(4)的长轴向通长设置;所述第二固定杆(2.2)的竖向切面呈倒置的L形,搭设在第一固定杆(2.1)的顶部,并且第二固定杆(2.2)的横边端部靠近靠近第二折页(4.2)的上边缘;所述调节螺栓(2.3)将第一固定杆(2.1)与第二固定杆(2.2)可调连接。
2.根据权利要求1所述的装配式基础承台施工模具,其特征在于:所述承台侧面模板(1)呈梯形,承台侧面模板(1)的上边缘超出待浇筑的承台的顶面;在承台侧面模板(1)超出待浇筑的承台的部位上连接有吊环(6)。
3.根据权利要求1所述的装配式基础承台施工模具,其特征在于:所述承台侧面模板(1)的两端、靠近上下边缘位置处设置有卡槽(7);所述卡槽(7)的水平切面呈U形;在相邻两个承台侧面模板(1)上对应的卡槽(7)之间连接有连接杆(9);所述连接杆(9)呈L形,且连接杆(9)的两条边分别与两侧的卡槽(7)连接。
4.根据权利要求1所述的装配式基础承台施工模具,其特征在于:所述上口固定件(3)的截面呈L形,并且上口固定件(3)的一侧面紧贴在承台侧面模板(1)内侧面上、与承台侧面模板(1)粘接,上口固定件(3)的另一侧面垂直于承台侧面模板(1)。
5.根据权利要求1所述的装配式基础承台施工模具,其特征在于:所述第一固定杆(2.1)的竖边与第二固定杆(2.2)的竖边之间垫设有调节垫片(2.4)。
6.根据权利要求1所述的装配式基础承台施工模具,其特征在于:所述顶撑(5)搭设在两侧的下口固定件(2)之间;在顶撑(5)的底部、靠近端部位置处设置有限位杆(8);所述限位杆(8)位于下口固定件(2)的内侧面位置处。
Priority Applications (1)
| Application Number | Priority Date | Filing Date | Title |
|---|---|---|---|
| CN202011594742.3A CN112695789A (zh) | 2020-12-29 | 2020-12-29 | 一种装配式基础承台施工模具 |
Applications Claiming Priority (1)
| Application Number | Priority Date | Filing Date | Title |
|---|---|---|---|
| CN202011594742.3A CN112695789A (zh) | 2020-12-29 | 2020-12-29 | 一种装配式基础承台施工模具 |
Publications (1)
| Publication Number | Publication Date |
|---|---|
| CN112695789A true CN112695789A (zh) | 2021-04-23 |
Family
ID=75511792
Family Applications (1)
| Application Number | Title | Priority Date | Filing Date |
|---|---|---|---|
| CN202011594742.3A Pending CN112695789A (zh) | 2020-12-29 | 2020-12-29 | 一种装配式基础承台施工模具 |
Country Status (1)
| Country | Link |
|---|---|
| CN (1) | CN112695789A (zh) |
Cited By (1)
| Publication number | Priority date | Publication date | Assignee | Title |
|---|---|---|---|---|
| CN114319407A (zh) * | 2022-02-14 | 2022-04-12 | 中建三局集团华南有限公司 | 一种地下室承台、沉箱施工定型模型 |
Citations (6)
| Publication number | Priority date | Publication date | Assignee | Title |
|---|---|---|---|---|
| US6176164B1 (en) * | 1999-08-16 | 2001-01-23 | Robert B. Nylander | Compression cutting process for flexible form and template for use therewith |
| CN104153386A (zh) * | 2014-08-21 | 2014-11-19 | 云南工程建设总承包公司 | 桩基承台周边立面垫层工具式钢模及其施工方法 |
| CN204080841U (zh) * | 2014-09-19 | 2015-01-07 | 三箭建设工程集团有限公司 | 基础grc胎膜的固定结构 |
| CN109235927A (zh) * | 2018-11-08 | 2019-01-18 | 中建四局第五建筑工程有限公司 | 一种工具式斜屋面模板支撑体系 |
| CN210031878U (zh) * | 2019-05-08 | 2020-02-07 | 山西晋建加固特种建筑工程有限公司 | 一种地基模板加固支撑装置 |
| CN110886311A (zh) * | 2019-12-10 | 2020-03-17 | 中建四局深圳实业有限公司 | 一种大体量装配式地胎模 |
-
2020
- 2020-12-29 CN CN202011594742.3A patent/CN112695789A/zh active Pending
Patent Citations (6)
| Publication number | Priority date | Publication date | Assignee | Title |
|---|---|---|---|---|
| US6176164B1 (en) * | 1999-08-16 | 2001-01-23 | Robert B. Nylander | Compression cutting process for flexible form and template for use therewith |
| CN104153386A (zh) * | 2014-08-21 | 2014-11-19 | 云南工程建设总承包公司 | 桩基承台周边立面垫层工具式钢模及其施工方法 |
| CN204080841U (zh) * | 2014-09-19 | 2015-01-07 | 三箭建设工程集团有限公司 | 基础grc胎膜的固定结构 |
| CN109235927A (zh) * | 2018-11-08 | 2019-01-18 | 中建四局第五建筑工程有限公司 | 一种工具式斜屋面模板支撑体系 |
| CN210031878U (zh) * | 2019-05-08 | 2020-02-07 | 山西晋建加固特种建筑工程有限公司 | 一种地基模板加固支撑装置 |
| CN110886311A (zh) * | 2019-12-10 | 2020-03-17 | 中建四局深圳实业有限公司 | 一种大体量装配式地胎模 |
Cited By (1)
| Publication number | Priority date | Publication date | Assignee | Title |
|---|---|---|---|---|
| CN114319407A (zh) * | 2022-02-14 | 2022-04-12 | 中建三局集团华南有限公司 | 一种地下室承台、沉箱施工定型模型 |
Similar Documents
| Publication | Publication Date | Title |
|---|---|---|
| CN111456910A (zh) | 塔筒支撑座 | |
| CN113152505B (zh) | 局部封底的水中超大规模承台组合套箱围护结构施工方法 | |
| CN205976072U (zh) | 装配式建筑墙体以及装配式混凝土结构 | |
| CN111749133A (zh) | 梁拱组合刚构桥以及其桥墩的施工方法 | |
| CN112695789A (zh) | 一种装配式基础承台施工模具 | |
| CN215969285U (zh) | 一种制作混凝土栅栏板用模具 | |
| CN113339055B (zh) | 一种充填体浇筑养护装置及其使用方法 | |
| CN207277342U (zh) | 用于建筑工程基础承台的拼装式预制混凝土模板 | |
| CN115233562A (zh) | 用于公路桥梁工程盖梁浇筑的模板支撑系统及施工方法 | |
| CN113737936A (zh) | 一种预制组合式双联阳台的连接结构及施工方法 | |
| CN210421568U (zh) | 一种装配式梁、板结构 | |
| CN208486282U (zh) | 一种竖向分层装配式环保混凝土基础 | |
| CN113174840A (zh) | 一种基于外环超高性能混凝土湿接缝的预制拼装桥墩 | |
| CN103590419A (zh) | 装配式可调高压电抗器基础 | |
| CN110805346B (zh) | 一种浅圆仓装配式仓顶盖及其施工工艺 | |
| CN111155729B (zh) | 踏步与边梁共同受力的轻型预制楼梯及其预制方法 | |
| CN114438869A (zh) | 一种预制超高性能混凝土蜂窝拱桥桥梁结构及其施工方法 | |
| CN106638733A (zh) | 一种增设水平钢筋的风机基础加固方法 | |
| CN218090941U (zh) | 一种节鞭式预制混凝土设备基础 | |
| CN221879094U (zh) | 易安装的水泥预制围墙 | |
| CN112160481A (zh) | 一种装配式组合模箱密肋空心楼盖结构及其施工方法 | |
| CN111962373A (zh) | 现浇rc与预制uhpc组合箱拱结构及施工方法 | |
| CN217072786U (zh) | 一种斜顶砌混凝土预制块制作装置 | |
| CN223536109U (zh) | 一种自然通风冷却塔间隔预制混凝土环梁及组合式斜支柱结构 | |
| CN220394627U (zh) | 一种变电站施工用混凝土预制支墩 |
Legal Events
| Date | Code | Title | Description |
|---|---|---|---|
| PB01 | Publication | ||
| PB01 | Publication | ||
| SE01 | Entry into force of request for substantive examination | ||
| SE01 | Entry into force of request for substantive examination | ||
| RJ01 | Rejection of invention patent application after publication | ||
| RJ01 | Rejection of invention patent application after publication |
Application publication date: 20210423 |