CN112658713A - Fixed clamping device for machining metal workpieces - Google Patents

Fixed clamping device for machining metal workpieces Download PDF

Info

Publication number
CN112658713A
CN112658713A CN202011362693.0A CN202011362693A CN112658713A CN 112658713 A CN112658713 A CN 112658713A CN 202011362693 A CN202011362693 A CN 202011362693A CN 112658713 A CN112658713 A CN 112658713A
Authority
CN
China
Prior art keywords
rod
moving
clamping
control
hole
Prior art date
Legal status (The legal status is an assumption and is not a legal conclusion. Google has not performed a legal analysis and makes no representation as to the accuracy of the status listed.)
Granted
Application number
CN202011362693.0A
Other languages
Chinese (zh)
Other versions
CN112658713B (en
Inventor
李巍
Current Assignee (The listed assignees may be inaccurate. Google has not performed a legal analysis and makes no representation or warranty as to the accuracy of the list.)
Shandong Great Industry And Trade Co ltd
Original Assignee
Individual
Priority date (The priority date is an assumption and is not a legal conclusion. Google has not performed a legal analysis and makes no representation as to the accuracy of the date listed.)
Filing date
Publication date
Application filed by Individual filed Critical Individual
Priority to CN202011362693.0A priority Critical patent/CN112658713B/en
Publication of CN112658713A publication Critical patent/CN112658713A/en
Application granted granted Critical
Publication of CN112658713B publication Critical patent/CN112658713B/en
Active legal-status Critical Current
Anticipated expiration legal-status Critical

Links

Images

Landscapes

  • Jigs For Machine Tools (AREA)

Abstract

The invention discloses a fixed clamping device for machining a metal machined part, which comprises a fixed plate, wherein the lower side of the fixed plate is fixedly connected with a workbench, two control grooves are symmetrically formed in the fixed plate, two sliding rods are symmetrically and slidably arranged in the two control grooves, a movement control device of the two sliding rods is arranged in the fixed plate, the two sliding rods penetrate through the control grooves, a first moving rod is fixedly connected and arranged on the outer side of the fixed plate, the first moving rod is provided with a moving groove, the two moving grooves are connected through the control rod, the bottom of the moving groove is provided with a sliding groove, a sliding block is slidably arranged in the sliding groove, the sliding block penetrates through the sliding groove and is fixedly connected with the control rod, the control rod is positioned in the moving groove and is provided with a fixed hole, and a through hole is also formed in the first moving rod and is communicated. The invention can perform fixed clamping effect on irregular metal and is convenient for subsequent processing and transformation work of the metal.

Description

Fixed clamping device for machining metal workpieces
Technical Field
The invention relates to the technical field of metal processing, in particular to a fixing and clamping device for processing a metal machined part.
Background
The metal processing refers to the production activities of human beings for processing metal elements or materials with metal characteristics mainly composed of the metal elements, the progress of human society is closely related to the processing and application of metal materials, the 18 th century, the development of the steel industry becomes the important content and material basis of the industrial revolution, when processing metal, firstly, a fixed clamping measure needs to be carried out on the processed metal, thus, the metal is conveniently processed and reformed, however, in the actual life, the processed metal is often irregular in shape and has no fixed shape, the existing fixed clamping method only carries out fixed clamping on the metal through a plurality of fixed rods, the operation is very inconvenient, and in the actual operation process, the size and the shape of each metal are different, multiple adjustment processes are needed, a large amount of processing time is wasted invisibly, and the efficiency of metal processing is reduced.
Disclosure of Invention
The invention aims to solve the defects in the prior art, such as: the metal is fixedly clamped through the plurality of fixing rods, the operation is very inconvenient, the size and the shape of each metal are different, the position of the fixing rod needs to be adjusted for many times, a large amount of time is wasted, the machining efficiency is reduced, and the fixed clamping device for machining the metal machined parts is provided.
In order to achieve the purpose, the invention adopts the following technical scheme:
a fixed clamping device for machining a metal workpiece comprises a fixed plate, wherein the lower side of the fixed plate is fixedly connected with a workbench, two control grooves are symmetrically arranged on the fixed plate, two sliding rods are arranged in the control grooves in a sliding symmetry manner, a movement control device of the two sliding rods is arranged in the fixed plate, the two sliding rods penetrate through the control grooves, a first moving rod is fixedly connected and arranged outside the fixed plate and is provided with a moving groove, the two moving grooves are connected through the control rod, the bottom of the moving groove is provided with a sliding groove, a sliding block is arranged in the sliding groove and penetrates through the sliding groove and is fixedly connected with the control rod, a fixed hole is formed in the moving groove of the control rod, a through hole is further formed in the first moving rod and is communicated with the moving groove, and the through hole is matched with the fixed hole, the utility model discloses a clamping device for clamping holes, including a fixed bolster, a control rod, a clamp hole, a clamp bar, a clamp hole, a clamping nut II, a control rod, a splint, a clamping device and a clamping device, wherein the fixed bolster is arranged in the fixed bolster and is fixed between two movable rods, the control rod is arranged between two movable rods, the clamping device is arranged between two movable rods, the clamping rod is arranged between two clamping rods, the clamping rod is arranged on the clamping hole, the.
Preferably, the mobile control device includes the threaded rod that the rotation set up in the control groove, the threaded rod runs through in the setting of control groove lateral wall, the threaded rod is located fixed plate outside thread bush and is equipped with assorted fastening nut three, two be equipped with the screw hole on the slide bar, two the screw thread of screw hole is revolved to setting up to opposite, the threaded rod runs through in two screw holes and two screw hole threaded connection settings.
Preferably, the clamping device comprises two rotating grooves symmetrically arranged on the clamping plate, two rotating groove side walls are rotatably connected with a rotating rod, the rotating rod penetrates through the rotating groove side walls to be arranged, the rotating rod is fixedly sleeved in the rotating groove to be provided with a rotating plate, a cavity is arranged in the clamping plate, a rack is arranged in the cavity, the cavity side walls are provided with deep grooves, connecting rods are slidably arranged in the deep grooves and penetrate through the deep grooves and the rack fixedly connected, a second moving rod is arranged in the cavity and penetrates through the cavity side walls, the second moving rod is arranged in the cavity and is fixedly connected with the rack, a second gear is fixedly sleeved in the cavity and is connected with the left side of the cavity in a meshed manner, the second gear is connected with the first gear in a meshed manner, the first gear is rotatably connected in the cavity, the first gear is meshed with the rack.
Preferably, the moving rod two is provided with a matched fastening nut four on the outer side of the clamping plate in a threaded sleeve mode.
Preferably, the clamping plate and the rotating plate are fixedly sleeved with rubber sleeves.
Compared with the prior art, the invention has the beneficial effects that: the metal that will need fixed centre gripping through the rotor plate on two splint and two splint carries out the centre gripping, through special rotor plate adjustment mechanism, very simple completion is to the centre gripping work of metal, fix splint on the control lever through the clamping bar, through the position fixation of carriage release lever one and control lever with splint, the mobile control device through the special messenger adjusts two carriage release levers one, can make the not equidimension metal of splint centre gripping, holistic easy operation, only need regulate and control several critical control levers can, unnecessary operation when having reduced the fixed metal of centre gripping once more.
Drawings
FIG. 1 is a schematic structural view of a fixing and clamping device for machining a metal workpiece according to the present invention;
FIG. 2 is a left side sectional view of a fixing plate of the fixing and clamping device for machining a metal workpiece according to the present invention;
FIG. 3 is a top cross-sectional view of a first movable rod of the fixed clamping device for machining a metal workpiece according to the present invention;
FIG. 4 is a front cross-sectional view of a clamping plate of the fixing and clamping device for machining a metal workpiece according to the present invention;
FIG. 5 is a top cross-sectional view of a cavity of a fixing clamp device for machining a metal workpiece according to the present invention;
fig. 6 is an overall plan view of a fixing and holding device for machining a metal workpiece according to the present invention.
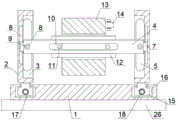
In the figure: the device comprises a fixing plate 1, a first moving rod 2, a moving groove 3, a control rod 4, a through hole 5, a sliding groove 6, a sliding block 7, a fixing hole 8, a fixing rod 9, a clamping hole 10, a clamping rod 11, a bulge 12, a clamping plate 13, a second moving rod 14, a sliding rod 15, a control groove 16, a threaded rod 17, a threaded hole 18, a rotating groove 19, a rotating rod 20, a rotating plate 21, a cavity 22, a first gear 23, a second gear 24, a rack 25, a workbench 26, a deep groove 27 and a connecting rod 28.
Detailed Description
The technical solutions in the embodiments of the present invention will be clearly and completely described below with reference to the drawings in the embodiments of the present invention, and it is obvious that the described embodiments are only a part of the embodiments of the present invention, and not all of the embodiments.
In the description of the present invention, it is to be understood that the terms "upper", "lower", "front", "rear", "left", "right", "top", "bottom", "inner", "outer", and the like, indicate orientations or positional relationships based on the orientations or positional relationships shown in the drawings, are merely for convenience in describing the present invention and simplifying the description, and do not indicate or imply that the device or element being referred to must have a particular orientation, be constructed and operated in a particular orientation, and thus, should not be construed as limiting the present invention.
Referring to fig. 1-6, a fixed clamping device for machining a metal workpiece comprises a fixed plate 1, the lower side of the fixed plate 1 is fixedly connected with a workbench 26, two control grooves 16 are symmetrically arranged on the fixed plate 1, two slide rods 15 are slidably and symmetrically arranged in the two control grooves 16, a mobile control device of the two slide rods 15 is arranged in the fixed plate 1, the mobile control device comprises a threaded rod 17 which is rotatably arranged in the control grooves 16, the threaded rod 17 penetrates through the side walls of the control grooves 16, a matched fastening nut III is sleeved on the threaded rod 17 at the outer side of the fixed plate 1, the threaded rod 17 is fixed by using the matched fastening nut III, so as to fix the relative position of the two slide rods 15, threaded holes 18 are arranged on the two slide rods 15, the thread turning directions of the two threaded holes 18 are opposite, the threaded rod 17 penetrates through the, the distance between two sliding rods 15 is enlarged or reduced by rotating a threaded rod 17 under the action of threaded connection, the two sliding rods 15 are arranged in a control groove 16 in a penetrating way, a first moving rod 2 is fixedly connected and arranged on the outer side of a fixed plate 1 of the two sliding rods 15, a moving groove 3 is arranged on the first moving rod 2, the two moving grooves 3 are connected through a control rod 4, a sliding groove 6 is arranged at the bottom of the moving groove 3, a sliding block 7 is arranged in the sliding groove 6 in a sliding way, the sliding block 7 is fixedly connected with the control rod 4 in a penetrating way, so that the control rod 4 is always positioned in the same plane when moving up and down, the phenomenon of side slipping is avoided, a fixed hole 8 is arranged in the moving groove 3, a through hole 5 is also arranged in the first moving rod 2, the through hole 5 is communicated with the moving groove 3, the through hole 5 is matched with the fixed hole 8, a fixed rod 9 is arranged in the fixed, the control rod 4 can be conveniently regulated and controlled by adjusting the fixed rod 9 and further moving the control rod 4 up and down, the thread sleeve of the fixed rod 9 positioned outside the through hole 5 is provided with a matched fastening nut I, the fixed rod 9 is tightly connected with the first moving rod 2, the position of the fixed rod 9 is fixed, further the position of the control rod 4 is fixed, the control rod 4 is positioned between the two first moving rods 2 and is fixedly provided with a bulge 12, the control rod 4 is positioned between the two first moving rods 2 and is slidably sleeved with a clamping plate 13, the phenomenon that the clamping plate 13 in sliding connection rotates relative to the control rod 4 is avoided, further the clamping work of metal is influenced, the clamping device is arranged on the clamping plate 13 and comprises two rotating grooves 19 symmetrically arranged on the clamping plate 13, the side walls of the two rotating grooves 19 are rotatably connected with rotating rods 20, the rotating rods 20 penetrate through the side walls of the rotating grooves 19, and the rotating plates, the clamping plate 13 and the rotating plate 21 are fixedly sleeved with rubber sleeves, friction force between the clamping plate 13 and the rotating plate 21 and metal to be fixed can be increased, the phenomenon that the fixed metal slides relatively and is infirm in clamping and fixing is prevented, a cavity 22 is formed in the clamping plate 13, a rack 25 is arranged in the cavity 22, a deep groove 27 is formed in the side wall of the cavity 22, a connecting rod 28 is arranged in the deep groove 27 in a sliding mode, the connecting rod 28 penetrates through the deep groove 27 and is fixedly connected with the rack 25, the moving track of the rack 25 is determined, the rack 25 is simply fixed, a moving rod II 14 is arranged in the cavity 22, the moving rod II 14 penetrates through the side wall of the cavity 22, the moving rod II 14 is located in the cavity 22 and is fixedly connected with the rack 25, the moving of the rack 25 is further controlled by controlling the moving rod II 14, the rack 25 is conveniently controlled, a fastening nut IV matched with threads on the outer side of the clamping plate, fixing a second moving rod 14 on a clamping plate 13 under the action of matched fastening nuts, further fixing the position of a rack 25, fixedly sleeving a second gear 24 in a cavity 22 of a rotating rod 20, wherein the second gear 24 is positioned on the left side of the cavity 22 and is meshed with the rack 25, the second gear 24 is positioned on the right side of the cavity 22 and is meshed with a first gear 23, the first gear 23 is positioned in the cavity 22 and is rotatably connected with the rack 25, the first gear 23 is meshed with the rack 25, the two second gears 24 can move oppositely when the rack 25 is moved, further the two rotating plates 21 can move in opposite directions, a clamping hole 10 is formed between the two first moving rods 2 of a control rod 4, two clamping rods 11 are arranged in the clamping hole 10, the clamping plate 13 is arranged between the two clamping rods 11, the two clamping rods 11 penetrate through the clamping hole 10, the clamping plate 13 is clamped by the two clamping rods 11, and further fixing the position of the clamping plate 13, the two clamping rods 11 are provided with matched fastening nuts II in a threaded sleeve mode on the outer sides of the clamping holes 10, the clamping rods 11 are fixed on the control rod 14, and the clamping plate 13 is further fixed on the control rod 14.
In the invention, firstly, the metal to be fixedly clamped is placed on the fixing plate 1 and positioned between the two clamping plates 13, one surface of the metal to be machined is determined, and the other surface which is not machined is clamped and fixed, and the specific operation is as follows: rotating a threaded rod 17, moving a sliding rod 15 in threaded connection with the threaded rod 17 through a threaded hole 18 to the opposite direction, moving a moving rod 2 fixedly connected with the sliding rod 15 to the opposite direction, shortening the distance between the two moving rods 2 until the metal to be clamped is positioned between two clamping plates 13, stopping rotating the threaded rod 17, fixing the rod 9 upwards or downwards to enable the clamping plates 13 and the metal to be fixedly clamped to be positioned in the same plane, rotating a matched fastening nut I, fixing the fixing rod 9 on the moving rod 2, moving the two clamping plates 13 leftwards or rightwards to enable the metal to be fixedly clamped to be positioned between the two clamping plates 13, screwing a fastening nut III matched with the threaded rod 17, fixing the threaded rod 17 on the fixing plate 1, moving a moving rod II 14 in the direction away from the clamping plates 13, and moving a rack 25 fixedly connected with the moving rod II 14 leftwards, a first gear 23 meshed with the rack 25 and a second gear 24 positioned at the left side of the cavity 22 rotate clockwise, a rotating rod 20 fixedly connected with the second gear 24 rotates clockwise, the rotating rod 20 drives a fixedly connected rotating plate 21 to rotate clockwise, the first gear 23 drives a second gear 24 meshed with the right side of the cavity 22 to rotate anticlockwise, the second gear 24 drives the fixedly connected rotating rod 20 to rotate anticlockwise, the rotating rod 20 drives the fixedly connected rotating plate 21 to rotate anticlockwise until two clamping plates 13 are clamped by fixedly clamped metal, the second moving rod 14 stops moving, a matched fastening nut IV is screwed, the second moving rod 14 and the clamping plates 13 are fixed, the two clamping rods 11 move leftwards or rightwards, until the clamping plates 13 are clamped, the matched fastening nut II is screwed, the clamping plates 13 and the control rod 4 are fixed, and the fixed clamping work of the metal to be fixedly clamped is completed, the metal machining and transformation work is started, when the metal needs to be disassembled, the reverse operation of the process is repeated, the machined metal is disassembled, when the metal is clamped and fixed, the threaded rod and the moving rod II can be simply regulated and controlled, and the operation is simple and convenient.
The above description is only for the preferred embodiment of the present invention, but the scope of the present invention is not limited thereto, and any person skilled in the art should be considered to be within the technical scope of the present invention, and the technical solutions and the inventive concepts thereof according to the present invention should be equivalent or changed within the scope of the present invention.

Claims (5)

1. The fixed clamping device for machining the metal machined part comprises a fixed plate (1), wherein the lower side of the fixed plate (1) is fixedly connected with a workbench (26), and the fixed plate is characterized in that two control grooves (16) are symmetrically formed in the fixed plate (1), two sliding rods (15) are symmetrically arranged in the control grooves (16), a moving control device of the two sliding rods (15) is arranged in the fixed plate (1), the two sliding rods (15) penetrate through the control grooves (16), the two sliding rods (15) are located on the outer side of the fixed plate (1) and fixedly connected with a first moving rod (2), a moving groove (3) is formed in the first moving rod (2), the two moving grooves (3) are connected through a control rod (4), a sliding groove (6) is formed in the bottom of the moving groove (3), and a sliding block (7) is arranged in the sliding groove (6), the sliding block (7) penetrates through a sliding groove (6) and a control rod (4) and is fixedly connected with the sliding groove, the control rod (4) is located in a moving groove (3) and is provided with a fixing hole (8), a through hole (5) is further formed in a moving rod (2), the through hole (5) is communicated with the moving groove (3), the through hole (5) is matched with the fixing hole (8), a fixing rod (9) is arranged in the fixing hole (8), the fixing rod (9) penetrates through the fixing hole (8) and the through hole (5) and is provided with a fixing nut I, the fixing rod (9) is located on the outer side of the through hole (5) and is provided with a fastening nut I matched with a threaded sleeve, the control rod (4) is located between the two moving rods (2) and is fixedly provided with a bulge (12), the control rod (4) is located between the two moving rods (2) and is provided with a clamping plate (13), control lever (4) are located and are equipped with between two carriage release levers (2) and press from both sides hole (10), be equipped with two clamping bars (11) in pressing from both sides hole (10), splint (13) are located and set up between two clamping bars (11), two clamping bar (11) run through in clamping hole (10) setting, two clamping bar (11) are located and press from both sides hole (10) outside thread bush and are equipped with assorted fastening nut two.
2. The fixed clamping device for machining the metal workpiece is characterized in that the moving control device comprises a threaded rod (17) which is rotatably arranged in a control groove (16), the threaded rod (17) penetrates through the side wall of the control groove (16), a threaded sleeve of the threaded rod (17) positioned on the outer side of the fixing plate (1) is provided with a matched fastening nut III, threaded holes (18) are formed in two sliding rods (15), the thread directions of the two threaded holes (18) are opposite, and the threaded rod (17) penetrates through the two threaded holes (18) and the two threaded holes (18) to be in threaded connection.
3. The fixed clamping device for machining the metal machined part according to claim 1, wherein the clamping device comprises two rotating grooves (19) symmetrically arranged on a clamping plate (13), two side walls of the rotating grooves (19) are rotatably connected with rotating rods (20), the rotating rods (20) are arranged through the side walls of the rotating grooves (19), the rotating rods (20) are fixedly sleeved with rotating plates (21) in the rotating grooves (19), cavities (22) are arranged in the clamping plate (13), racks (25) are arranged in the cavities (22), the side walls of the cavities (22) are provided with deep grooves (27), connecting rods (28) are slidably arranged in the deep grooves (27), the connecting rods (28) are fixedly connected with the deep grooves (27) and the racks (25), a second moving rod (14) is arranged in the cavities (22), and the second moving rod (14) is arranged through the side walls of the cavities (22), removal pole two (14) are located cavity (22) and rack (25) fixed connection, dwang (20) are located cavity (22) internal fixation cover and are equipped with gear two (24), gear two (24) are located cavity (22) left and rack (25) meshing connection, gear two (24) are located cavity (22) right side and gear one (23) meshing connection, gear one (23) are located cavity (22) internal rotation connection, gear one (23) and rack (25) meshing connection.
4. The fixed clamping device for processing the metal processing piece is characterized in that the second moving rod (14) is provided with a matched fastening nut IV in a threaded sleeve mode and positioned on the outer side of the clamping plate (13).
5. A fixed holding device for processing metal processing parts according to claim 3, wherein the clamping plate (13) and the rotating plate (21) are fixedly sleeved with rubber sleeves.
CN202011362693.0A 2020-11-28 2020-11-28 Fixed clamping device for machining metal workpieces Active CN112658713B (en)

Priority Applications (1)

Application Number Priority Date Filing Date Title
CN202011362693.0A CN112658713B (en) 2020-11-28 2020-11-28 Fixed clamping device for machining metal workpieces

Applications Claiming Priority (1)

Application Number Priority Date Filing Date Title
CN202011362693.0A CN112658713B (en) 2020-11-28 2020-11-28 Fixed clamping device for machining metal workpieces

Publications (2)

Publication Number Publication Date
CN112658713A true CN112658713A (en) 2021-04-16
CN112658713B CN112658713B (en) 2022-05-10

Family

ID=75404156

Family Applications (1)

Application Number Title Priority Date Filing Date
CN202011362693.0A Active CN112658713B (en) 2020-11-28 2020-11-28 Fixed clamping device for machining metal workpieces

Country Status (1)

Country Link
CN (1) CN112658713B (en)

Cited By (2)

* Cited by examiner, † Cited by third party
Publication number Priority date Publication date Assignee Title
CN113352067A (en) * 2021-05-19 2021-09-07 赵霄雯 Passenger transport cableway supporting and pressing cable wheel lining replacing tool
CN113386096A (en) * 2021-05-02 2021-09-14 盛世达 A assembled supporting seat for among building engineering

Citations (12)

* Cited by examiner, † Cited by third party
Publication number Priority date Publication date Assignee Title
CN104290100A (en) * 2013-07-19 2015-01-21 鸿富锦精密工业(深圳)有限公司 Clamping device
CN105364552A (en) * 2015-12-03 2016-03-02 安徽普伦智能装备有限公司 Large-area clamp for milling disc parts
CN207127764U (en) * 2017-08-03 2018-03-23 黄峰涛 A kind of triode multiplication factor test clamp holding equipment
CN207724163U (en) * 2017-11-30 2018-08-14 天津博方自动化工程有限公司 A kind of fixture of breaker mechanical timeliness test equipment
CN108422391A (en) * 2018-05-16 2018-08-21 王雨菲 A kind of rotating machinery processing work platform
CN208841331U (en) * 2018-05-31 2019-05-10 贵州宏谱信达机电设备有限公司 A kind of mechanical and electric equipment installation platform
CN210010493U (en) * 2019-06-28 2020-02-04 烟台安姆斯实业有限公司 Steel positioning and punching machine
DE212020000040U1 (en) * 2020-04-03 2020-05-15 Kunshan Daike Intelligent Technology Co., Ltd. Freight removal and release mechanism for intelligent robots
CN210818492U (en) * 2019-08-22 2020-06-23 辽宁东林瑞那斯股份有限公司 Buffering and positioning device for aluminum profile machining
CN210818561U (en) * 2019-06-20 2020-06-23 沪东中华造船(集团)有限公司 Machining clamp and equipment
CN210937549U (en) * 2019-10-24 2020-07-07 保时杰数控机床江苏有限公司 Automatic positioning mechanism for wire cut electrical discharge machining
CN211589829U (en) * 2019-12-13 2020-09-29 武汉格莱特控制阀有限公司 Auxiliary butt joint valve device

Patent Citations (12)

* Cited by examiner, † Cited by third party
Publication number Priority date Publication date Assignee Title
CN104290100A (en) * 2013-07-19 2015-01-21 鸿富锦精密工业(深圳)有限公司 Clamping device
CN105364552A (en) * 2015-12-03 2016-03-02 安徽普伦智能装备有限公司 Large-area clamp for milling disc parts
CN207127764U (en) * 2017-08-03 2018-03-23 黄峰涛 A kind of triode multiplication factor test clamp holding equipment
CN207724163U (en) * 2017-11-30 2018-08-14 天津博方自动化工程有限公司 A kind of fixture of breaker mechanical timeliness test equipment
CN108422391A (en) * 2018-05-16 2018-08-21 王雨菲 A kind of rotating machinery processing work platform
CN208841331U (en) * 2018-05-31 2019-05-10 贵州宏谱信达机电设备有限公司 A kind of mechanical and electric equipment installation platform
CN210818561U (en) * 2019-06-20 2020-06-23 沪东中华造船(集团)有限公司 Machining clamp and equipment
CN210010493U (en) * 2019-06-28 2020-02-04 烟台安姆斯实业有限公司 Steel positioning and punching machine
CN210818492U (en) * 2019-08-22 2020-06-23 辽宁东林瑞那斯股份有限公司 Buffering and positioning device for aluminum profile machining
CN210937549U (en) * 2019-10-24 2020-07-07 保时杰数控机床江苏有限公司 Automatic positioning mechanism for wire cut electrical discharge machining
CN211589829U (en) * 2019-12-13 2020-09-29 武汉格莱特控制阀有限公司 Auxiliary butt joint valve device
DE212020000040U1 (en) * 2020-04-03 2020-05-15 Kunshan Daike Intelligent Technology Co., Ltd. Freight removal and release mechanism for intelligent robots

Cited By (3)

* Cited by examiner, † Cited by third party
Publication number Priority date Publication date Assignee Title
CN113386096A (en) * 2021-05-02 2021-09-14 盛世达 A assembled supporting seat for among building engineering
CN113352067A (en) * 2021-05-19 2021-09-07 赵霄雯 Passenger transport cableway supporting and pressing cable wheel lining replacing tool
CN113352067B (en) * 2021-05-19 2024-05-03 赵霄雯 Passenger ropeway riding rope wheel lining replacement tool

Also Published As

Publication number Publication date
CN112658713B (en) 2022-05-10

Similar Documents

Publication Publication Date Title
CN211136450U (en) Manipulator for numerical control machine tool
CN206230189U (en) It is a kind of to be easy to fixed template to process cutting machine
CN112658713A (en) Fixed clamping device for machining metal workpieces
CN210755239U (en) Novel electric precise three-jaw chuck
CN215942076U (en) Highlight carving mills compound lathe
CN110961944A (en) Fixing mechanism for casting mold machining
CN212635079U (en) Workpiece clamping and positioning mechanism
CN211414497U (en) Machine tool gripping device
CN218396057U (en) Rotatable inclined hole processing tool
CN214770358U (en) Power turret adjusting and punching device
CN212886349U (en) Automatic part clamping structure of numerical control lathe
CN213082673U (en) Stamp device is scalded to powder puff unsmooth word
CN113601427A (en) Processing tool for gate valve body
CN215942172U (en) Turnover workpiece positioning device for CNC (computer numerical control) machining
CN222830616U (en) Thread rolling machine for anchor bolt machining
CN222199729U (en) A fixture for machining automobile parts using CNC machine tools
CN219703359U (en) Positioning adjustable hydraulic press
CN218136646U (en) Material grabbing device of numerical control machine tool
CN108296816B (en) Flexible clamp for clamping active control of complex component
CN220516143U (en) Control arm positioning and clamping tool
CN220636529U (en) Gear hobbing rotation positioning tool for engine flywheel
CN219337481U (en) Clamp for machining mold part
CN214814000U (en) Automatic centering slotting die
CN218134741U (en) Clamping base for machining stainless steel precision forging
CN216359429U (en) CNC machining center applicable to different workpieces

Legal Events

Date Code Title Description
PB01 Publication
PB01 Publication
SE01 Entry into force of request for substantive examination
SE01 Entry into force of request for substantive examination
TA01 Transfer of patent application right
TA01 Transfer of patent application right

Effective date of registration: 20220419

Address after: 261000 500 meters east of the intersection of Weizhou road and Fenghuang street, Kuiwen District, Weifang City, Shandong Province

Applicant after: Shandong great industry and Trade Co.,Ltd.

Address before: Wuhan University, 299 Bayi Road, Wuchang District, Wuhan City, Hubei Province, 430072

Applicant before: Li Wei

GR01 Patent grant
GR01 Patent grant
PE01 Entry into force of the registration of the contract for pledge of patent right
PE01 Entry into force of the registration of the contract for pledge of patent right

Denomination of invention: A fixed clamping device for processing metal workpieces

Effective date of registration: 20230330

Granted publication date: 20220510

Pledgee: Postal Savings Bank of China Limited by Share Ltd. Weifang branch

Pledgor: Shandong great industry and Trade Co.,Ltd.

Registration number: Y2023980036833

PC01 Cancellation of the registration of the contract for pledge of patent right
PC01 Cancellation of the registration of the contract for pledge of patent right

Granted publication date: 20220510

Pledgee: Postal Savings Bank of China Limited by Share Ltd. Weifang branch

Pledgor: Shandong great industry and Trade Co.,Ltd.

Registration number: Y2023980036833