CN112653347A - Power router topology based on direct current integration mode and control method thereof - Google Patents
Power router topology based on direct current integration mode and control method thereof Download PDFInfo
- Publication number
- CN112653347A CN112653347A CN202011482370.5A CN202011482370A CN112653347A CN 112653347 A CN112653347 A CN 112653347A CN 202011482370 A CN202011482370 A CN 202011482370A CN 112653347 A CN112653347 A CN 112653347A
- Authority
- CN
- China
- Prior art keywords
- power
- port
- voltage
- direct current
- bus
- Prior art date
- Legal status (The legal status is an assumption and is not a legal conclusion. Google has not performed a legal analysis and makes no representation as to the accuracy of the status listed.)
- Pending
Links
Images
Classifications
-
- H—ELECTRICITY
- H02—GENERATION; CONVERSION OR DISTRIBUTION OF ELECTRIC POWER
- H02M—APPARATUS FOR CONVERSION BETWEEN AC AND AC, BETWEEN AC AND DC, OR BETWEEN DC AND DC, AND FOR USE WITH MAINS OR SIMILAR POWER SUPPLY SYSTEMS; CONVERSION OF DC OR AC INPUT POWER INTO SURGE OUTPUT POWER; CONTROL OR REGULATION THEREOF
- H02M7/00—Conversion of AC power input into DC power output; Conversion of DC power input into AC power output
- H02M7/42—Conversion of DC power input into AC power output without possibility of reversal
- H02M7/44—Conversion of DC power input into AC power output without possibility of reversal by static converters
- H02M7/48—Conversion of DC power input into AC power output without possibility of reversal by static converters using discharge tubes with control electrode or semiconductor devices with control electrode
- H02M7/53—Conversion of DC power input into AC power output without possibility of reversal by static converters using discharge tubes with control electrode or semiconductor devices with control electrode using devices of a triode or transistor type requiring continuous application of a control signal
- H02M7/537—Conversion of DC power input into AC power output without possibility of reversal by static converters using discharge tubes with control electrode or semiconductor devices with control electrode using devices of a triode or transistor type requiring continuous application of a control signal using semiconductor devices only, e.g. single switched pulse inverters
- H02M7/5387—Conversion of DC power input into AC power output without possibility of reversal by static converters using discharge tubes with control electrode or semiconductor devices with control electrode using devices of a triode or transistor type requiring continuous application of a control signal using semiconductor devices only, e.g. single switched pulse inverters in a bridge configuration
- H02M7/53871—Conversion of DC power input into AC power output without possibility of reversal by static converters using discharge tubes with control electrode or semiconductor devices with control electrode using devices of a triode or transistor type requiring continuous application of a control signal using semiconductor devices only, e.g. single switched pulse inverters in a bridge configuration with automatic control of output voltage or current
- H02M7/53875—Conversion of DC power input into AC power output without possibility of reversal by static converters using discharge tubes with control electrode or semiconductor devices with control electrode using devices of a triode or transistor type requiring continuous application of a control signal using semiconductor devices only, e.g. single switched pulse inverters in a bridge configuration with automatic control of output voltage or current with analogue control of three-phase output
-
- H—ELECTRICITY
- H02—GENERATION; CONVERSION OR DISTRIBUTION OF ELECTRIC POWER
- H02H—EMERGENCY PROTECTIVE CIRCUIT ARRANGEMENTS
- H02H7/00—Emergency protective circuit arrangements specially adapted for specific types of electric machines or apparatus or for sectionalised protection of cable or line systems, and effecting automatic switching in the event of an undesired change from normal working conditions
- H02H7/10—Emergency protective circuit arrangements specially adapted for specific types of electric machines or apparatus or for sectionalised protection of cable or line systems, and effecting automatic switching in the event of an undesired change from normal working conditions for converters; for rectifiers
- H02H7/12—Emergency protective circuit arrangements specially adapted for specific types of electric machines or apparatus or for sectionalised protection of cable or line systems, and effecting automatic switching in the event of an undesired change from normal working conditions for converters; for rectifiers for static converters or rectifiers
-
- H—ELECTRICITY
- H02—GENERATION; CONVERSION OR DISTRIBUTION OF ELECTRIC POWER
- H02J—CIRCUIT ARRANGEMENTS OR SYSTEMS FOR SUPPLYING OR DISTRIBUTING ELECTRIC POWER; SYSTEMS FOR STORING ELECTRIC ENERGY
- H02J3/00—Circuit arrangements for AC mains or AC distribution networks
- H02J3/28—Arrangements for balancing of the load in a network by storage of energy
- H02J3/32—Arrangements for balancing of the load in a network by storage of energy using batteries with converting means
-
- H—ELECTRICITY
- H02—GENERATION; CONVERSION OR DISTRIBUTION OF ELECTRIC POWER
- H02J—CIRCUIT ARRANGEMENTS OR SYSTEMS FOR SUPPLYING OR DISTRIBUTING ELECTRIC POWER; SYSTEMS FOR STORING ELECTRIC ENERGY
- H02J3/00—Circuit arrangements for AC mains or AC distribution networks
- H02J3/38—Arrangements for parallely feeding a single network by two or more generators, converters or transformers
- H02J3/381—Dispersed generators
-
- H—ELECTRICITY
- H02—GENERATION; CONVERSION OR DISTRIBUTION OF ELECTRIC POWER
- H02M—APPARATUS FOR CONVERSION BETWEEN AC AND AC, BETWEEN AC AND DC, OR BETWEEN DC AND DC, AND FOR USE WITH MAINS OR SIMILAR POWER SUPPLY SYSTEMS; CONVERSION OF DC OR AC INPUT POWER INTO SURGE OUTPUT POWER; CONTROL OR REGULATION THEREOF
- H02M3/00—Conversion of DC power input into DC power output
- H02M3/02—Conversion of DC power input into DC power output without intermediate conversion into AC
- H02M3/04—Conversion of DC power input into DC power output without intermediate conversion into AC by static converters
- H02M3/10—Conversion of DC power input into DC power output without intermediate conversion into AC by static converters using discharge tubes with control electrode or semiconductor devices with control electrode
- H02M3/145—Conversion of DC power input into DC power output without intermediate conversion into AC by static converters using discharge tubes with control electrode or semiconductor devices with control electrode using devices of a triode or transistor type requiring continuous application of a control signal
- H02M3/155—Conversion of DC power input into DC power output without intermediate conversion into AC by static converters using discharge tubes with control electrode or semiconductor devices with control electrode using devices of a triode or transistor type requiring continuous application of a control signal using semiconductor devices only
- H02M3/156—Conversion of DC power input into DC power output without intermediate conversion into AC by static converters using discharge tubes with control electrode or semiconductor devices with control electrode using devices of a triode or transistor type requiring continuous application of a control signal using semiconductor devices only with automatic control of output voltage or current, e.g. switching regulators
-
- H02J2101/24—
-
- Y—GENERAL TAGGING OF NEW TECHNOLOGICAL DEVELOPMENTS; GENERAL TAGGING OF CROSS-SECTIONAL TECHNOLOGIES SPANNING OVER SEVERAL SECTIONS OF THE IPC; TECHNICAL SUBJECTS COVERED BY FORMER USPC CROSS-REFERENCE ART COLLECTIONS [XRACs] AND DIGESTS
- Y02—TECHNOLOGIES OR APPLICATIONS FOR MITIGATION OR ADAPTATION AGAINST CLIMATE CHANGE
- Y02E—REDUCTION OF GREENHOUSE GAS [GHG] EMISSIONS, RELATED TO ENERGY GENERATION, TRANSMISSION OR DISTRIBUTION
- Y02E10/00—Energy generation through renewable energy sources
- Y02E10/50—Photovoltaic [PV] energy
- Y02E10/56—Power conversion systems, e.g. maximum power point trackers
Landscapes
- Engineering & Computer Science (AREA)
- Power Engineering (AREA)
- Supply And Distribution Of Alternating Current (AREA)
Abstract
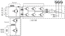
本发明属于综合能源转换装置及控制技术领域,特别涉及一种基于直流集成方式的电力路由器拓扑及其控制方法。其直流集成方式的电力路由器拓扑包括交流端口、直流端口和直流母线;其中交流端口一端与直流母线Vm相连,另一端与外部直流线路(Va、Vb、Vc)相联;其双向交流端口在并网情况下,为直流母线Vm提供稳定电压,同时提供双向功率回路吸收后级电路传输功率或补充直流电路释放功率,功率变换单元用于将直流电转换成交流电。本拓扑电力路由器具备潮流双向精确线性控制器,不仅作为可以实现不同电压网络之间的互联运行,还可以直流电压源或电流源模式运行,实现两种功能的组合集成,有效降低系统成本。
The invention belongs to the technical field of comprehensive energy conversion devices and control, and in particular relates to a power router topology and a control method based on a direct current integration method. Its DC integrated power router topology includes AC port, DC port and DC bus; one end of the AC port is connected to the DC bus Vm, and the other end is connected to the external DC line (Va, Vb, Vc); its bidirectional AC port is connected in parallel. In the case of the power grid, it provides a stable voltage for the DC bus Vm, and at the same time provides a bidirectional power circuit to absorb the transmission power of the subsequent circuit or supplement the DC circuit to release the power. The power conversion unit is used to convert the DC power into AC power. This topology power router has a bidirectional accurate linear controller for power flow, which can not only operate as an interconnection between different voltage networks, but also operate in DC voltage source or current source mode to realize the combined integration of the two functions and effectively reduce the system cost.
Description
Claims (3)
Priority Applications (1)
| Application Number | Priority Date | Filing Date | Title |
|---|---|---|---|
| CN202011482370.5A CN112653347A (en) | 2020-12-16 | 2020-12-16 | Power router topology based on direct current integration mode and control method thereof |
Applications Claiming Priority (1)
| Application Number | Priority Date | Filing Date | Title |
|---|---|---|---|
| CN202011482370.5A CN112653347A (en) | 2020-12-16 | 2020-12-16 | Power router topology based on direct current integration mode and control method thereof |
Publications (1)
| Publication Number | Publication Date |
|---|---|
| CN112653347A true CN112653347A (en) | 2021-04-13 |
Family
ID=75354151
Family Applications (1)
| Application Number | Title | Priority Date | Filing Date |
|---|---|---|---|
| CN202011482370.5A Pending CN112653347A (en) | 2020-12-16 | 2020-12-16 | Power router topology based on direct current integration mode and control method thereof |
Country Status (1)
| Country | Link |
|---|---|
| CN (1) | CN112653347A (en) |
Cited By (3)
| Publication number | Priority date | Publication date | Assignee | Title |
|---|---|---|---|---|
| CN115882745A (en) * | 2023-02-22 | 2023-03-31 | 江西清华泰豪三波电机有限公司 | Electric energy router and control method thereof |
| CN117713180A (en) * | 2023-10-31 | 2024-03-15 | 中电普瑞电力工程有限公司 | Operation control method, system and equipment for three-dimensional direct-current hub substation |
| EP4510409A1 (en) * | 2023-08-16 | 2025-02-19 | Huawei Digital Power Technologies Co., Ltd. | Power converter, energy storage power supply system, and power output method of power converter |
Citations (10)
| Publication number | Priority date | Publication date | Assignee | Title |
|---|---|---|---|---|
| CN105207258A (en) * | 2013-10-11 | 2015-12-30 | 国网河南省电力公司南阳供电公司 | Photovoltaic direct-current microgrid energy coordination control device |
| CN106786745A (en) * | 2016-12-27 | 2017-05-31 | 中国电力科学研究院 | A kind of circuit topology of the multiport electric power energy collector of DC-isolation type |
| CN106786744A (en) * | 2016-12-27 | 2017-05-31 | 中国电力科学研究院 | A kind of circuit topology of the single-point type electric power energy collector of integrated distributed plant-grid connection |
| CN207234419U (en) * | 2017-06-09 | 2018-04-13 | 上海大周信息科技有限公司 | Looped network of DC power framework based on multiport residents energy source router |
| CN108736480A (en) * | 2017-04-25 | 2018-11-02 | 中国电力科学研究院 | A kind of multichannel AC looped network type energy router |
| CN109038680A (en) * | 2018-09-26 | 2018-12-18 | 深圳古瑞瓦特新能源股份有限公司 | Light storage integrated machine device and grid-connected power control method thereof |
| CN109120008A (en) * | 2018-09-05 | 2019-01-01 | 东北大学 | A kind of energy router apparatus and control method applied to honourable energy storage |
| CN109768570A (en) * | 2018-12-27 | 2019-05-17 | 陕西科技大学 | An optical storage grid-connected power generation system with APF function and its control method |
| CN110289621A (en) * | 2019-07-18 | 2019-09-27 | 华北电力大学 | An AC and DC Power Router with Distributed Power Access |
| CN112072716A (en) * | 2020-09-10 | 2020-12-11 | 湖南科技大学 | Power distribution network terminal electric energy router and control method thereof |
-
2020
- 2020-12-16 CN CN202011482370.5A patent/CN112653347A/en active Pending
Patent Citations (10)
| Publication number | Priority date | Publication date | Assignee | Title |
|---|---|---|---|---|
| CN105207258A (en) * | 2013-10-11 | 2015-12-30 | 国网河南省电力公司南阳供电公司 | Photovoltaic direct-current microgrid energy coordination control device |
| CN106786745A (en) * | 2016-12-27 | 2017-05-31 | 中国电力科学研究院 | A kind of circuit topology of the multiport electric power energy collector of DC-isolation type |
| CN106786744A (en) * | 2016-12-27 | 2017-05-31 | 中国电力科学研究院 | A kind of circuit topology of the single-point type electric power energy collector of integrated distributed plant-grid connection |
| CN108736480A (en) * | 2017-04-25 | 2018-11-02 | 中国电力科学研究院 | A kind of multichannel AC looped network type energy router |
| CN207234419U (en) * | 2017-06-09 | 2018-04-13 | 上海大周信息科技有限公司 | Looped network of DC power framework based on multiport residents energy source router |
| CN109120008A (en) * | 2018-09-05 | 2019-01-01 | 东北大学 | A kind of energy router apparatus and control method applied to honourable energy storage |
| CN109038680A (en) * | 2018-09-26 | 2018-12-18 | 深圳古瑞瓦特新能源股份有限公司 | Light storage integrated machine device and grid-connected power control method thereof |
| CN109768570A (en) * | 2018-12-27 | 2019-05-17 | 陕西科技大学 | An optical storage grid-connected power generation system with APF function and its control method |
| CN110289621A (en) * | 2019-07-18 | 2019-09-27 | 华北电力大学 | An AC and DC Power Router with Distributed Power Access |
| CN112072716A (en) * | 2020-09-10 | 2020-12-11 | 湖南科技大学 | Power distribution network terminal electric energy router and control method thereof |
Cited By (4)
| Publication number | Priority date | Publication date | Assignee | Title |
|---|---|---|---|---|
| CN115882745A (en) * | 2023-02-22 | 2023-03-31 | 江西清华泰豪三波电机有限公司 | Electric energy router and control method thereof |
| CN115882745B (en) * | 2023-02-22 | 2023-05-16 | 江西清华泰豪三波电机有限公司 | Electric energy router and control method thereof |
| EP4510409A1 (en) * | 2023-08-16 | 2025-02-19 | Huawei Digital Power Technologies Co., Ltd. | Power converter, energy storage power supply system, and power output method of power converter |
| CN117713180A (en) * | 2023-10-31 | 2024-03-15 | 中电普瑞电力工程有限公司 | Operation control method, system and equipment for three-dimensional direct-current hub substation |
Similar Documents
| Publication | Publication Date | Title |
|---|---|---|
| WO2021017170A1 (en) | Modularized multilevel converter for multi-port direct current power flow control and control method | |
| CN107017638A (en) | A kind of many bus electric energy router topological structures of multiport suitable for power distribution network | |
| Sha et al. | Research on multi-port DC-DC converter based on modular multilevel converter and cascaded H bridges for MVDC applications | |
| CN115579969A (en) | A flexible interconnection-based energy router topology and its control method | |
| CN109873568B (en) | Multi-DC port converter and control method | |
| CN105680488A (en) | MMC (modular multiple converter) type multi-port power electronic transformer applied to alternating current/direct current hybrid power distribution network | |
| CN203398807U (en) | Power mixed conversion system | |
| CN107947243A (en) | A kind of offshore wind farm DC transmission system of distribution offshore platform series connection | |
| CN103762582A (en) | Three-dimensional DC-DC converter and inter-network communication device | |
| CN113428028A (en) | Electric vehicle charging station with multiple alternating current power supply ports and multiple direct current buses | |
| CN104578803A (en) | High-voltage direct current-direct current power electronic transformer | |
| CN112653347A (en) | Power router topology based on direct current integration mode and control method thereof | |
| WO2022006737A1 (en) | Power supply system | |
| CN110137977B (en) | Converter station series connection adjusting system and control method | |
| CN116488224A (en) | Multi-port AC-DC hybrid converter device and multi-port AC-DC hybrid system | |
| CN117614047B (en) | Medium-voltage direct-hanging data center power supply system | |
| CN207320834U (en) | A kind of circuit topological structure of alternating current-direct current mixing distribution system | |
| Sun et al. | A nonisolated bidirectional soft-switching power-unit-based DC–DC converter with unipolar and bipolar structure for DC networks interconnection | |
| CN108111044B (en) | Isolation flyback periodic wave type single-stage multi-input inverter with external parallel time-sharing selection switch | |
| CN207743704U (en) | A kind of concatenated offshore wind farm DC transmission system of distribution offshore platform | |
| CN104767218B (en) | A DC Power Flow Controller | |
| CN117595415A (en) | A hybrid layered new energy AC and DC three-dimensional collection and DC transmission system | |
| CN105958466A (en) | DC micro-grid system based on multi-port DC transformer substation | |
| CN107769389A (en) | A kind of battery energy storage system for isolating symmetrical expression series connection circuit of reversed excitation | |
| CN215850793U (en) | Electric vehicle charging station with multiple AC power ports and multiple DC buses |
Legal Events
| Date | Code | Title | Description |
|---|---|---|---|
| PB01 | Publication | ||
| PB01 | Publication | ||
| SE01 | Entry into force of request for substantive examination | ||
| SE01 | Entry into force of request for substantive examination | ||
| TA01 | Transfer of patent application right | ||
| TA01 | Transfer of patent application right |
Effective date of registration: 20220901 Address after: No. 251, Zhongshan Road, Gulou District, Nanjing, Jiangsu 210005 Applicant after: STATE GRID JIANGSU ECONOMIC Research Institute Applicant after: STATE GRID JIANGSU ELECTRIC POWER Co.,Ltd. Applicant after: CHINA ELECTRIC POWER RESEARCH INSTITUTE Co.,Ltd. Address before: 210000 Zhongshan Road, Nanjing City, Jiangsu Province, No. 251 Applicant before: STATE GRID JIANGSU ECONOMIC Research Institute Applicant before: STATE GRID JIANGSU ELECTRIC POWER DESIGN CONSULTATION CO.,LTD. Applicant before: STATE GRID JIANGSU ELECTRIC POWER Co.,Ltd. Applicant before: CHINA ELECTRIC POWER RESEARCH INSTITUTE Co.,Ltd. Applicant before: NORTH CHINA ELECTRIC POWER University (BAODING) |
|
| RJ01 | Rejection of invention patent application after publication | ||
| RJ01 | Rejection of invention patent application after publication |
Application publication date: 20210413 |
