CN112519503A - Two-stage speed reduction electric drive axle integrating two motors and outputting two-gear AMT double-speed parallel shafts - Google Patents

Two-stage speed reduction electric drive axle integrating two motors and outputting two-gear AMT double-speed parallel shafts Download PDF

Info

Publication number
CN112519503A
CN112519503A CN201910878050.2A CN201910878050A CN112519503A CN 112519503 A CN112519503 A CN 112519503A CN 201910878050 A CN201910878050 A CN 201910878050A CN 112519503 A CN112519503 A CN 112519503A
Authority
CN
China
Prior art keywords
motor
gear
amt
speed
stage
Prior art date
Legal status (The legal status is an assumption and is not a legal conclusion. Google has not performed a legal analysis and makes no representation as to the accuracy of the status listed.)
Pending
Application number
CN201910878050.2A
Other languages
Chinese (zh)
Inventor
余荣禄
李毅
闫萌萌
黄运强
文鹏飞
Current Assignee (The listed assignees may be inaccurate. Google has not performed a legal analysis and makes no representation or warranty as to the accuracy of the list.)
Dongfeng Dana Axle Co Ltd
Original Assignee
Dongfeng Dana Axle Co Ltd
Priority date (The priority date is an assumption and is not a legal conclusion. Google has not performed a legal analysis and makes no representation as to the accuracy of the date listed.)
Filing date
Publication date
Application filed by Dongfeng Dana Axle Co Ltd filed Critical Dongfeng Dana Axle Co Ltd
Priority to CN201910878050.2A priority Critical patent/CN112519503A/en
Publication of CN112519503A publication Critical patent/CN112519503A/en
Pending legal-status Critical Current

Links

Images

Classifications

    • BPERFORMING OPERATIONS; TRANSPORTING
    • B60VEHICLES IN GENERAL
    • B60BVEHICLE WHEELS; CASTORS; AXLES FOR WHEELS OR CASTORS; INCREASING WHEEL ADHESION
    • B60B35/00Axle units; Parts thereof ; Arrangements for lubrication of axles
    • B60B35/12Torque-transmitting axles
    • B60B35/121Power-transmission from drive shaft to hub
    • B60B35/122Power-transmission from drive shaft to hub using gearings
    • BPERFORMING OPERATIONS; TRANSPORTING
    • B60VEHICLES IN GENERAL
    • B60BVEHICLE WHEELS; CASTORS; AXLES FOR WHEELS OR CASTORS; INCREASING WHEEL ADHESION
    • B60B35/00Axle units; Parts thereof ; Arrangements for lubrication of axles
    • B60B35/12Torque-transmitting axles
    • B60B35/14Torque-transmitting axles composite or split, e.g. half- axles; Couplings between axle parts or sections
    • BPERFORMING OPERATIONS; TRANSPORTING
    • B60VEHICLES IN GENERAL
    • B60KARRANGEMENT OR MOUNTING OF PROPULSION UNITS OR OF TRANSMISSIONS IN VEHICLES; ARRANGEMENT OR MOUNTING OF PLURAL DIVERSE PRIME-MOVERS IN VEHICLES; AUXILIARY DRIVES FOR VEHICLES; INSTRUMENTATION OR DASHBOARDS FOR VEHICLES; ARRANGEMENTS IN CONNECTION WITH COOLING, AIR INTAKE, GAS EXHAUST OR FUEL SUPPLY OF PROPULSION UNITS IN VEHICLES
    • B60K1/00Arrangement or mounting of electrical propulsion units
    • B60K1/02Arrangement or mounting of electrical propulsion units comprising more than one electric motor

Landscapes

  • Engineering & Computer Science (AREA)
  • Mechanical Engineering (AREA)
  • Chemical & Material Sciences (AREA)
  • Combustion & Propulsion (AREA)
  • Transportation (AREA)
  • Hybrid Electric Vehicles (AREA)
  • Retarders (AREA)

Abstract

本发明的名称为双电机集成两档AMT双速平行轴输出的二级减速电驱驱动桥。属于新能源汽车技术领域。它主要是解决现有电驱驱动桥存在电机发热较大和占用底盘结构布置空间的问题。它的主要特征是:包括第一、二电机,减速器,AMT总成、差速器,第一、二半轴;减速器包括啮合的一级主动齿轮和二档一级减速从动齿轮、啮合的一级主动齿轮和一档一级减速从动齿轮、啮合的两个二级减速器主动轮和一个二级减速从动轮;第一、二电机与二级减速从动轮及差速器采用平行轴布置。本发明具有结构同轴紧凑设计、传动效率高、便于底盘结构布置、自重轻和提高整车经济性的特点,主要用于双电机集成两档AMT双速平行轴输出的二级减速电驱驱动桥。

Figure 201910878050

The name of the invention is a two-stage deceleration electric drive drive axle with dual-motor integrated two-speed AMT two-speed parallel shaft output. It belongs to the technical field of new energy vehicles. It mainly solves the problems that the existing electric drive axle has large motor heating and occupies the space for the layout of the chassis structure. Its main features are: including first and second motors, reducer, AMT assembly, differential, first and second half shafts; the reducer includes a meshing first-level driving gear and a second-speed first-level reduction driven gear, The meshed primary driving gear and the first gear primary reduction driven gear, the meshed two secondary reducer driving wheels and a secondary reduction driven wheel; the first and second motors, the secondary reduction driven wheel and the differential adopt Parallel axis arrangement. The invention has the characteristics of coaxial compact design, high transmission efficiency, convenient chassis structure layout, light weight and improved vehicle economy. bridge.

Figure 201910878050

Description

Two-stage speed reduction electric drive axle integrating two motors and outputting two-gear AMT double-speed parallel shafts
Technical Field
The invention belongs to the technical field of new energy automobiles. In particular to a two-stage speed reduction electric drive axle integrating two motors and outputting two-gear AMT double-speed parallel shafts.
Background
With the development of science and technology and the requirements of environmental protection and energy conservation, the development of the power chain of the whole vehicle is changed from the original engine, the gearbox and the traditional axle into the currently adopted motor and the transmission axle to provide power, and most manufacturers adopt an external single-motor structure at present. The structure is limited by factors such as motor power, an efficient working area and the like, the cost is too high under the condition of higher bearing, the heat generated by the motor is increased, the service life of the motor is influenced and the like; the size of each part is large, the number of the parts is large, the integration level is too low, the arrangement space of a chassis structure is occupied, the arrangement number of batteries and the transmission efficiency are influenced, and the driving range of the vehicle is short; the power performance and the economical efficiency of the whole vehicle are hardly considered.
Disclosure of Invention
In order to overcome the defects of the prior art, the invention provides a two-stage speed reduction electric drive axle integrating two motors and outputting two-speed AMT parallel shafts.
In order to achieve the purpose, the invention adopts the following technical scheme: the utility model provides a two grades of speed reduction electricity that two grades of AMT double speed parallel shaft of two motor integration drive axles that drive, includes first motor, reduction gear, differential mechanism, first semi-axis and second semi-axis, its characterized in that: the system also comprises a second motor and two sets of AMT assemblies; the speed reducer comprises two groups of meshed primary driving gears and two groups of meshed secondary primary speed reducing driven gears, two groups of meshed primary driving gears and primary speed reducing driven gears, two meshed secondary speed reducer driving wheels and one secondary speed reducing driven gear, and two synchronizers, wherein the two groups of primary speed reducer driving wheels, the primary speed reducing driven gear, the two groups of secondary speed reducing driven gears, the synchronizers and the AMT are coaxially arranged; the first motor shaft of the first motor is integrated with two primary driving gears, and the second motor shaft of the second motor is integrated with the other two primary driving gears; the first motor, the second-stage reduction driven wheel and the differential are arranged in a parallel shaft mode.
In the technical scheme of the invention, the output end of the first motor is respectively meshed with the splines of the two primary driving gears, and the output end of the second motor is meshed with the splines of the two primary driving gears.
The first motor and the second motor in the technical scheme of the invention are driving motors with the same model.
The secondary speed reduction driven wheel and the differential mechanism are integrated to form the secondary speed reduction driven wheel and the differential mechanism; the secondary speed reduction driven wheel and the differential are respectively connected with the first half shaft and the second half shaft through meshing sleeve splines.
According to the technical scheme, the first motor and the second motor are distributed in a mirror symmetry mode relative to a vertical plane where the first half shaft and the second half shaft are located.
The technical scheme of the invention is that the first-gear first-stage reduction driven gear, the second-gear first-stage reduction driven gear and the AMT assembly are integrated, and the output shaft of the AMT assembly and the driving wheel of the second-stage reducer are integrated.
In the technical scheme of the invention, motor shafts of the first motor and the second motor are respectively connected with the torque input end of the corresponding AMT assembly, and the torque output end of the AMT assembly is connected with the driving wheel of the secondary speed reducer.
The first motor and the second motor in the technical scheme of the invention are driving motors with the same model; the secondary speed reduction driven wheel and the differential are designed integrally to form a secondary speed reduction driven wheel and a differential; the secondary speed reduction driven wheel and the differential are respectively in splined connection with the first half shaft and the second half shaft through meshing sleeves; the first motor and the second motor are distributed in a mirror symmetry mode relative to a vertical plane where the first half shaft and the second half shaft are located; the first-gear first-stage reduction driven gear, the second-gear first-stage reduction driven gear and the AMT assembly are integrally designed, and an output shaft of the AMT assembly and a driving wheel of the second-stage reducer are integrally designed; and motor shafts of the first motor and the second motor are respectively connected with a torque input end of the corresponding AMT assembly, and a torque output end of the AMT assembly is connected with a driving wheel of the secondary speed reducer.
The invention adopts double motors as power sources, and designs the motor shaft and the primary speed reduction driving gear into a whole. When the differential works at a first gear (low gear), the first-gear (low gear) secondary driven gear and the differential are connected together through the meshing sleeve spline, the wheel is transmitted through the half shaft, the first-gear (low gear) power transmission is realized, and at the moment, the second-gear (high gear) secondary driven gear and the differential slide through the roller pins between the first-gear (low gear) secondary driven gear and the differential. When the two-gear (high-speed gear) works, the two-gear (high-speed gear) secondary driven wheel and the differential are connected together through the meshing sleeve spline and are transmitted to the wheels through the half shaft, so that the power transmission of the two-gear (high-speed gear) is realized, and at the moment, the one-gear (low-speed gear) secondary driven cylindrical gear and the differential slide through the roller pins between the two. The invention adopts the uniform arrangement of the upper and lower pairs of gears, realizes power split and effectively reduces the specification of the gears. The trafficability characteristic of the whole vehicle is improved. The invention adopts double-shaft arrangement, so that the spatial structure arrangement of the speed reducer is more reasonable, and the differential is arranged between the two driven gears of the two-stage speed reduction, so that the spatial arrangement is further compact and ingenious. The invention adopts the switching of two gears, the shifting fork rod is pushed by the motor to drive the meshing sleeve to move left and right, and the spline is respectively meshed with the first-gear driven cylindrical gear and the second-gear driven cylindrical gear, so that the gear shifting and the power transmission are realized, the motor always works in a higher efficient area, and the efficiency of the whole vehicle is improved. The motor and the speed reducer are transversely arranged, so that the space of a chassis is saved, more batteries can be arranged on the whole vehicle, and the endurance mileage of the whole vehicle is improved.
Compared with the prior art, the invention has the characteristics of coaxial and compact design of structure, high transmission efficiency, convenient structural arrangement of the chassis, light dead weight and improvement of the economy and the dynamic property of the whole vehicle, greatly reduces the problems of overheating and the like caused in the use process of a high-power motor, and enables the whole vehicle to better adapt to different working conditions. The invention is mainly used for a two-stage speed reduction electric drive axle integrating two motors and outputting two-gear AMT double-speed parallel shafts.
Drawings
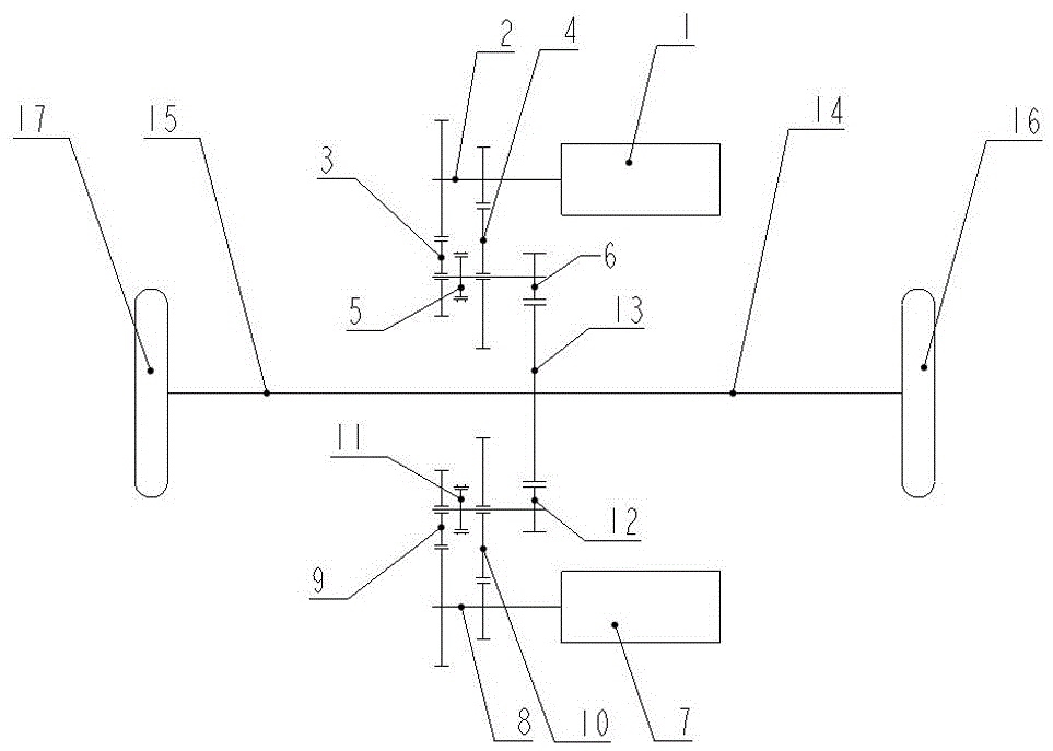
Fig. 1 is a schematic structural view of the present invention.
In the figure: 1-a first motor, 2-a first motor shaft and a first-stage driving gear, 3-a first second-stage first-stage reduction driven gear, 4-a first-stage reduction driven gear, 5-a first synchronizer, 6-a first second-stage reduction driving gear, 7-a second motor, 8-a second motor shaft and a first-stage driving gear, 9-a second-stage first-stage reduction driven gear, 10-a second first-stage reduction driven gear, 11-a second synchronizer, 12-a second-stage reduction driving gear, 13-a second-stage reduction driven gear and a differential, 14-a first half shaft, 15-a second half shaft, 16-a first wheel and 17-a second wheel.
Detailed Description
As shown in fig. 1, the invention is a two-stage speed reduction electric drive axle with two-motor integrated two-gear AMT two-speed parallel shaft output, comprising a first motor 1, a second motor 7, a speed reducer, an AMT assembly (not shown in the figure), a differential, a first half shaft 14, a second half shaft 15, a first wheel 16 and a second wheel 17. The reducer comprises a first primary driving gear and a first second primary reduction driven gear 3 which are meshed, a second primary driving gear and a second primary reduction driven gear 4 which are meshed, a third primary driving gear and a second first primary reduction driven gear 10 which are meshed, a fourth primary driving gear and a second primary reduction driven gear 9 which are meshed, a second reduction driven gear which is meshed with a first second reduction driving gear 6 and a second reduction driving gear 12, and a first synchronizer 5 and a second synchronizer 11. Wherein, first second reduction gear action wheel 6, first one-level reduction driven gear 4, first one-level reduction driven gear 3, first synchronous ware 5 and AMT assembly coaxial setting, second reduction gear action wheel 12, second one-level reduction driven gear 10, second two-level one-level reduction driven gear 9, first synchronous ware 11 and AMT assembly coaxial setting. The first motor shaft of the first motor 1 is integrated with the first primary driving gear and the second primary driving gear to form a first motor shaft and a primary driving gear 2. And a second motor shaft of the second motor 7 is integrated with the third-stage driving gear and the fourth-stage driving gear to form a second motor shaft and a first-stage driving gear 8. The output end of the first motor 1 is respectively meshed with splines of the first primary driving gear and the second primary driving gear, and the output end of the second motor 7 is meshed with splines of the third primary driving gear and the fourth primary driving gear. The first motor 1 and the second motor 7 are drive motors of the same type. The sum of the power of the first motor 1 and the power of the second motor 7 is equal to the power of the existing single motor, so that the size and the mass of the first motor 1 and the second motor 7 can be relatively small, the chassis structure space balance arrangement is facilitated, the arrangement number of batteries is not influenced, and the heating is reduced. The first motor 1, the second motor 7, the second-stage reduction driven wheel and the differential mechanism are arranged by adopting parallel shafts. The secondary speed reduction driven wheel and the differential mechanism are designed integrally to form a secondary speed reduction driven wheel and a differential mechanism 13, and the secondary speed reduction driven wheel and the differential mechanism 13 are connected with the first half shaft 14 and the second half shaft 15 through meshing sleeve splines respectively. The first electric machine 1 and the second electric machine 7 are arranged in mirror symmetry with respect to a vertical plane in which the first half shaft 14 and the second half shaft 15 are located, i.e. the horizontal heights of the first electric machine 1 and the second electric machine 7 are the same, and the distances between the first electric machine 1 and the second electric machine 7 and the half shafts are the same. First one-level reduction driven gear 4, first second-level reduction driven gear 3 and an AMT assembly integrated design, second-level reduction driven gear 9, second first-level reduction driven gear 10 and another AMT assembly integrated design, two AMT assembly output shafts respectively with first second-level reduction driving gear 6, second-level reduction driving gear 12 integrated design. The motor shafts of the first motor 1 and the second motor 7 are respectively connected with the torque input ends of the corresponding AMT assemblies, and the torque output ends of the AMT assemblies are respectively connected with the first secondary speed reduction driving gear 6 and the second secondary speed reduction driving gear 12.
The first motor 1, the second motor 7, the second-stage reduction driven wheel and the differential mechanism 13 are arranged by adopting parallel shafts. The first motor shaft and the first primary driving gear 2, the second motor shaft and the second primary driving gear 8 are integrally designed, namely, the first motor shaft and the first primary driving gear are used as a motor output shaft and are also used as a primary speed reduction input driving gear. Two grades of AMTs are integrated at the position of the first-stage driven gear, and the second-stage driven gear and the differential mechanism are integrated.
When the motor works normally, the first motor shaft and the first primary driving gear 2, the second motor shaft and the second primary driving gear 8 drive the first second-gear first-stage reduction driven gear 3, the second-gear first-stage reduction driven gear 9 and the first-gear first-stage reduction driven gear 4, the second first-gear first-level reduction driven gear 10, the first-gear first-level reduction driven gear 4, the second first-gear first-level reduction driven gear 10, the first second-gear first-level reduction driven gear 3, the second-gear first-level reduction driven gear 9, the first second-level reduction driving gear shaft 6 and the second-level reduction driving gear 12 drive a second-level reduction driven wheel and a differential mechanism 13 through spline matching of the first synchronizer 5 and the second synchronizer 11, power is transmitted to the first half shaft 14 and the second half shaft 15, the first half shaft 14 and the second half shaft 15 drive a first wheel 16 and a second wheel 17, and therefore the power is transmitted to the wheels from the motor.
When the first gear runs, the first synchronizer 5 and the second synchronizer 11 are jointed with the first second gear first-level reduction driven gear 3 and the second gear first-level reduction driven gear 9, the power of the first gear first-level reduction driven gear 4 and the second first gear first-level reduction driven gear 10 is transmitted to the second-level reduction driven wheel and the differential mechanism 13, the power is transmitted to the first half shaft 14 and the second half shaft 15, the first half shaft 14 and the second half shaft 15 drive the first wheel 16 and the second wheel 17, and therefore the power is transmitted to the wheels from the motor.
When the second gear runs, the synchronizer 5 and the second synchronizer 11 are connected with the first-gear first-level reduction driven gear 4 and the second first-gear first-level reduction driven gear 10, the power of the first second-gear first-level reduction driven gear 3 and the second-gear first-level reduction driven gear 9 is transmitted to the second-level reduction driven wheel and the differential mechanism 13, the power is transmitted to the first half shaft 14 and the second half shaft 15, the first half shaft 14 and the second half shaft 15 drive the first wheel 16 and the second wheel 17, and therefore the power is transmitted to the wheels from the motor.
Because the secondary speed reduction driven wheel and the differential mechanism 13 are not provided with power coupling devices, the output speeds of the two motors to the driven wheel are ensured to be the same in the normal running process; due to the existence of the two synchronizers, the two motors can be shifted at different times, and the smoothness during shifting is improved.
The electric drive axle adopts double motors, two-stage speed reduction and parallel shaft arrangement; meanwhile, a two-gear AMT is integrated in the secondary speed reduction part. The compact structural arrangement can reduce the use of a high-power motor, reasonably utilize the high-efficiency area of the motor, reduce the cost, shorten a transmission chain, improve the efficiency, reduce the occupied space of an axle, reduce the weight of the whole axle, increase the battery capacity of a carriage and improve the driving range of the vehicle.

Claims (8)

1. The utility model provides a two grades of speed reduction electricity that two grades of AMT double speed parallel shaft of two motor integration drive axles that drive, includes first motor (1), reduction gear, differential mechanism, first semi-axis (14) and second semi-axis (15), its characterized in that: the system also comprises a second motor (7) and two sets of AMT assemblies; the speed reducer comprises two groups of meshed primary driving gears and two groups of meshed secondary primary speed reducing driven gears, two groups of meshed primary driving gears and primary speed reducing driven gears, two meshed secondary speed reducer driving wheels and one secondary speed reducing driven gear, and two synchronizers, wherein the two groups of primary speed reducer driving wheels, the primary speed reducing driven gear, the two groups of secondary speed reducing driven gears, the synchronizers and the AMT are coaxially arranged; a first motor shaft of the first motor (1) is integrated with two primary driving gears, and a second motor shaft of the second motor (7) is integrated with the other two primary driving gears; the first motor (1), the second motor (7), the secondary speed reduction driven wheel and the differential mechanism are arranged by adopting parallel shafts.
2. The two-stage speed reduction electric drive axle with two-motor integrated and two-gear AMT double-speed parallel shaft output according to claim 1 is characterized in that: the output end of the first motor (1) is meshed with the splines of the two first-stage driving gears respectively, and the output end of the second motor (7) is meshed with the splines of the two first-stage driving gears.
3. The two-stage speed reduction electric drive axle with the double-motor integrated two-gear AMT double-speed parallel shaft output according to claim 1 or 2, is characterized in that: the first motor (1) and the second motor (7) are driving motors with the same model.
4. The two-stage speed reduction electric drive axle with the double-motor integrated two-gear AMT double-speed parallel shaft output according to claim 1 or 2, is characterized in that: the secondary speed reduction driven wheel and the differential are designed integrally to form a secondary speed reduction driven wheel and a differential (13); the two-stage reduction driven wheel and the differential (13) are respectively connected with the first half shaft (14) and the second half shaft (15) through meshing sleeve splines.
5. The two-stage speed reduction electric drive axle with the double-motor integrated two-gear AMT double-speed parallel shaft output according to claim 1 or 2, is characterized in that: the first motor (1) and the second motor (7) are distributed in a mirror symmetry mode relative to a vertical plane where the first half shaft (14) and the second half shaft (15) are located.
6. The two-stage speed reduction electric drive axle with the double-motor integrated two-gear AMT double-speed parallel shaft output according to claim 1 or 2, is characterized in that: the first-gear first-level reduction driven gear, the second-gear first-level reduction driven gear and the AMT assembly are integrally designed, and the output shaft of the AMT assembly and the driving wheel of the second-level reducer are integrally designed.
7. The two-stage speed reduction electric drive axle with the double-motor integrated two-gear AMT double-speed parallel shaft output according to claim 1 or 2, is characterized in that: and motor shafts of the first motor (1) and the second motor (7) are respectively connected with a torque input end of the corresponding AMT assembly, and a torque output end of the AMT assembly is connected with a driving wheel of the secondary speed reducer.
8. The two-stage speed reduction electric drive axle with the double-motor integrated two-gear AMT double-speed parallel shaft output according to claim 1 or 2, is characterized in that: the first motor (1) and the second motor (7) are driving motors with the same model; the secondary speed reduction driven wheel and the differential are designed integrally to form a secondary speed reduction driven wheel and a differential (13); the secondary speed reduction driven wheel and the differential (13) are respectively in spline connection with a first half shaft (14) and a second half shaft (15) through meshing sleeves; the first motor (1) and the second motor (7) are distributed in a mirror symmetry mode relative to a vertical plane where the first half shaft (14) and the second half shaft (15) are located; the first-gear first-stage reduction driven gear, the second-gear first-stage reduction driven gear and the AMT assembly are integrally designed, and an output shaft of the AMT assembly and a driving wheel of the second-stage reducer are integrally designed; and motor shafts of the first motor (1) and the second motor (7) are respectively connected with a torque input end of the corresponding AMT assembly, and a torque output end of the AMT assembly is connected with a driving wheel of the secondary speed reducer.
CN201910878050.2A 2019-09-17 2019-09-17 Two-stage speed reduction electric drive axle integrating two motors and outputting two-gear AMT double-speed parallel shafts Pending CN112519503A (en)

Priority Applications (1)

Application Number Priority Date Filing Date Title
CN201910878050.2A CN112519503A (en) 2019-09-17 2019-09-17 Two-stage speed reduction electric drive axle integrating two motors and outputting two-gear AMT double-speed parallel shafts

Applications Claiming Priority (1)

Application Number Priority Date Filing Date Title
CN201910878050.2A CN112519503A (en) 2019-09-17 2019-09-17 Two-stage speed reduction electric drive axle integrating two motors and outputting two-gear AMT double-speed parallel shafts

Publications (1)

Publication Number Publication Date
CN112519503A true CN112519503A (en) 2021-03-19

Family

ID=74974818

Family Applications (1)

Application Number Title Priority Date Filing Date
CN201910878050.2A Pending CN112519503A (en) 2019-09-17 2019-09-17 Two-stage speed reduction electric drive axle integrating two motors and outputting two-gear AMT double-speed parallel shafts

Country Status (1)

Country Link
CN (1) CN112519503A (en)

Cited By (3)

* Cited by examiner, † Cited by third party
Publication number Priority date Publication date Assignee Title
CN116494685A (en) * 2023-05-16 2023-07-28 上海瑞迪汽车科技有限公司 Coaxial double-motor two-gear electric drive axle based on synchronizer control
KR20240086335A (en) * 2022-12-09 2024-06-18 현대트랜시스 주식회사 Electric axle apparatus with dual reducer
KR20240086919A (en) * 2022-12-09 2024-06-19 현대트랜시스 주식회사 Electric axle apparatus with dual reducer

Citations (2)

* Cited by examiner, † Cited by third party
Publication number Priority date Publication date Assignee Title
CN106553510A (en) * 2017-01-13 2017-04-05 苏州绿控传动科技有限公司 A kind of electricity of not coaxial bi-motor drives drive axle
CN211000772U (en) * 2019-09-17 2020-07-14 东风德纳车桥有限公司 Double-motor integrated two-gear AMT double-speed parallel shaft output two-stage speed reduction electric drive axle

Patent Citations (2)

* Cited by examiner, † Cited by third party
Publication number Priority date Publication date Assignee Title
CN106553510A (en) * 2017-01-13 2017-04-05 苏州绿控传动科技有限公司 A kind of electricity of not coaxial bi-motor drives drive axle
CN211000772U (en) * 2019-09-17 2020-07-14 东风德纳车桥有限公司 Double-motor integrated two-gear AMT double-speed parallel shaft output two-stage speed reduction electric drive axle

Cited By (5)

* Cited by examiner, † Cited by third party
Publication number Priority date Publication date Assignee Title
KR20240086335A (en) * 2022-12-09 2024-06-18 현대트랜시스 주식회사 Electric axle apparatus with dual reducer
KR20240086919A (en) * 2022-12-09 2024-06-19 현대트랜시스 주식회사 Electric axle apparatus with dual reducer
KR102781381B1 (en) * 2022-12-09 2025-03-13 현대트랜시스 주식회사 Electric axle apparatus with dual reducer
KR102793809B1 (en) * 2022-12-09 2025-04-08 현대트랜시스 주식회사 Electric axle apparatus with dual reducer
CN116494685A (en) * 2023-05-16 2023-07-28 上海瑞迪汽车科技有限公司 Coaxial double-motor two-gear electric drive axle based on synchronizer control

Similar Documents

Publication Publication Date Title
CN211335435U (en) Double-motor integrated two-gear AMT double-speed parallel shaft secondary belt wheel side speed reduction electric drive axle
CN112519501A (en) Double-motor integrated two-gear AMT double-speed parallel shaft output two-stage belt wheel side speed reduction electric drive axle
CN112356647B (en) A multi-motor flexible torque centralized drive composite box and electric vehicle
CN110103698A (en) A kind of hybrid power system and working method of electric machine built-in double clutch
CN204367890U (en) For two grades of hydraulic control speed changing driver elements of electronlmobil
CN201753013U (en) Hybrid power drive system and vehicle comprising same
CN108422849A (en) A kind of longitudinal dual power source vehicle traction assembly
CN107650664A (en) A kind of multi-mode hybrid transmission device with double clutch
CN112519503A (en) Two-stage speed reduction electric drive axle integrating two motors and outputting two-gear AMT double-speed parallel shafts
CN211000772U (en) Double-motor integrated two-gear AMT double-speed parallel shaft output two-stage speed reduction electric drive axle
CN206280446U (en) A kind of horizontal dual power source vehicle traction assembly
CN112519504A (en) Electric drive axle with double motors and double-speed parallel shafts
CN109624681B (en) Double-motor power transmission system for electric automobile
CN112519500A (en) Two-level speed reduction electric drive axle integrating two-gear AMT double-speed parallel shaft output of double motors
CN114458738A (en) Double-intermediate-shaft gearbox and engineering machinery
CN109693529B (en) Special speed changer for hybrid power
CN210390751U (en) Hybrid power speed change mechanism, hybrid power system and vehicle with hybrid power system
CN217124541U (en) Hybrid power system
CN209079653U (en) One kind two keeps off coaxial-type electric drive axle
CN112519492A (en) Two-stage speed reduction electric drive axle with double motors and single-speed parallel shaft output
CN111791694A (en) Coaxial two-speed drive system
CN206678782U (en) A kind of horizontal vehicle traction assembly
CN114393982A (en) A dual-motor electric drive bridge
CN210283891U (en) Coaxial two-gear driving system
CN112477571A (en) Multi-motor driving device and electric vehicle

Legal Events

Date Code Title Description
PB01 Publication
PB01 Publication
SE01 Entry into force of request for substantive examination
SE01 Entry into force of request for substantive examination
RJ01 Rejection of invention patent application after publication

Application publication date: 20210319