CN112392444B - Electric lead screw rodless oil extraction device with closed power mechanism - Google Patents
Electric lead screw rodless oil extraction device with closed power mechanism Download PDFInfo
- Publication number
- CN112392444B CN112392444B CN202011377303.7A CN202011377303A CN112392444B CN 112392444 B CN112392444 B CN 112392444B CN 202011377303 A CN202011377303 A CN 202011377303A CN 112392444 B CN112392444 B CN 112392444B
- Authority
- CN
- China
- Prior art keywords
- screw
- power mechanism
- motor
- polished rod
- lead screw
- Prior art date
- Legal status (The legal status is an assumption and is not a legal conclusion. Google has not performed a legal analysis and makes no representation as to the accuracy of the status listed.)
- Expired - Fee Related
Links
- 230000007246 mechanism Effects 0.000 title claims abstract description 89
- 238000000605 extraction Methods 0.000 title claims description 3
- 238000004519 manufacturing process Methods 0.000 claims abstract description 39
- 230000005540 biological transmission Effects 0.000 claims abstract description 18
- 238000006073 displacement reaction Methods 0.000 claims description 41
- 238000007789 sealing Methods 0.000 claims description 13
- 230000001050 lubricating effect Effects 0.000 claims description 11
- 239000012530 fluid Substances 0.000 claims description 10
- 230000000087 stabilizing effect Effects 0.000 claims description 8
- 238000005086 pumping Methods 0.000 abstract description 13
- 238000005461 lubrication Methods 0.000 abstract description 3
- 239000003921 oil Substances 0.000 description 36
- 230000033001 locomotion Effects 0.000 description 19
- 239000007788 liquid Substances 0.000 description 17
- 239000007789 gas Substances 0.000 description 10
- 238000000034 method Methods 0.000 description 10
- 238000011084 recovery Methods 0.000 description 9
- 238000003466 welding Methods 0.000 description 8
- 239000003129 oil well Substances 0.000 description 6
- 230000008569 process Effects 0.000 description 4
- 230000001360 synchronised effect Effects 0.000 description 4
- 230000008901 benefit Effects 0.000 description 2
- 239000003638 chemical reducing agent Substances 0.000 description 2
- 239000010779 crude oil Substances 0.000 description 2
- 238000010586 diagram Methods 0.000 description 2
- VNWKTOKETHGBQD-UHFFFAOYSA-N methane Chemical compound C VNWKTOKETHGBQD-UHFFFAOYSA-N 0.000 description 2
- 230000009467 reduction Effects 0.000 description 2
- 238000006243 chemical reaction Methods 0.000 description 1
- 238000004891 communication Methods 0.000 description 1
- 238000001816 cooling Methods 0.000 description 1
- 230000008878 coupling Effects 0.000 description 1
- 238000010168 coupling process Methods 0.000 description 1
- 238000005859 coupling reaction Methods 0.000 description 1
- 230000000694 effects Effects 0.000 description 1
- 238000004134 energy conservation Methods 0.000 description 1
- 238000005265 energy consumption Methods 0.000 description 1
- 238000012986 modification Methods 0.000 description 1
- 230000004048 modification Effects 0.000 description 1
- 239000003607 modifier Substances 0.000 description 1
- 239000003345 natural gas Substances 0.000 description 1
- 230000002093 peripheral effect Effects 0.000 description 1
- 230000035699 permeability Effects 0.000 description 1
- 239000003079 shale oil Substances 0.000 description 1
- 238000004904 shortening Methods 0.000 description 1
- 239000002699 waste material Substances 0.000 description 1
Images
Classifications
-
- E—FIXED CONSTRUCTIONS
- E21—EARTH OR ROCK DRILLING; MINING
- E21B—EARTH OR ROCK DRILLING; OBTAINING OIL, GAS, WATER, SOLUBLE OR MELTABLE MATERIALS OR A SLURRY OF MINERALS FROM WELLS
- E21B43/00—Methods or apparatus for obtaining oil, gas, water, soluble or meltable materials or a slurry of minerals from wells
- E21B43/12—Methods or apparatus for controlling the flow of the obtained fluid to or in wells
- E21B43/121—Lifting well fluids
- E21B43/128—Adaptation of pump systems with down-hole electric drives
Landscapes
- Life Sciences & Earth Sciences (AREA)
- Engineering & Computer Science (AREA)
- Geology (AREA)
- Mining & Mineral Resources (AREA)
- Physics & Mathematics (AREA)
- Environmental & Geological Engineering (AREA)
- Fluid Mechanics (AREA)
- General Life Sciences & Earth Sciences (AREA)
- Geochemistry & Mineralogy (AREA)
- Transmission Devices (AREA)
Abstract
本发明提供了一种具有密闭动力机构的电动丝杠无杆采油装置,包括密闭动力机构、以及连接在密闭动力机构下方的第一柱塞泵,其中,密闭动力机构包括:缸体,其内安装有电动机;传动结构,位于缸体内并与电动机相连,传动结构具有第一丝杠副和第二丝杠副,第一光杆和第二光杆,均与缸体动密封配合,第一光杆通过第一丝杠副与电动机的驱动轴的一端相连,第二光杆通过第二丝杠副与电动机的驱动轴的另一端相连;电动机旋转时,第一光杆相对缸体的进出体积与第二光杆相对缸体的进出体积相同。本发明克服了常规抽油机通过抽油杆抽油能效低、以及其它采用电动丝杆原理的采油装置存在的可靠性差、开敞结构导致丝杠润滑失效的问题。
The present invention provides an electric lead screw rodless oil production device with a closed power mechanism, which includes a closed power mechanism and a first plunger pump connected under the closed power mechanism, wherein the closed power mechanism includes: a cylinder body, in which A motor is installed; the transmission structure is located in the cylinder and connected with the motor. The transmission structure has a first screw pair and a second screw pair, a first polished rod and a second polished rod, both of which are dynamic and sealed with the cylinder body, and the first polished rod Connect with one end of the drive shaft of the motor through the first lead screw pair, and connect the second polished rod with the other end of the drive shaft of the motor through the second lead screw pair; The incoming and outgoing volumes of the polished rod relative to the cylinder body are the same. The invention overcomes the problems of low oil pumping efficiency of the conventional pumping unit through the sucker rod, poor reliability of other oil production devices using the principle of electric screw rods, and failure of screw lubrication caused by the open structure.
Description
技术领域technical field
本发明涉及油气田开采技术领域,尤其涉及一种具有密闭动力机构的电动丝杠无杆采油装置。The invention relates to the technical field of oil and gas field exploitation, in particular to an electric screw rodless oil production device with a closed power mechanism.
背景技术Background technique
在石油和天然气开采过程中,当油藏压力不足以使原油流到地面或气井积液时,需要借助机械采油方式把油气层产出液举升到地面。我国95%以上的油井是机械采油井,主要的机械采油方式包括游梁抽油机、电潜泵、螺杆泵等。In the process of oil and natural gas extraction, when the reservoir pressure is not enough to allow crude oil to flow to the ground or gas wells accumulate liquid, it is necessary to use mechanical oil recovery to lift the oil and gas layer production fluid to the ground. More than 95% of oil wells in my country are mechanical oil recovery wells, and the main mechanical oil recovery methods include beam pumping units, electric submersible pumps, and screw pumps.
近年来,低渗透、致密油、页岩油等非常规油气田开发占主体,“多井低产”已成现实,节能减排要求越来越高,传统的机械采油方式遇到了极大挑战。抽油机、地面驱动螺杆泵等有杆举升方式,由于传动链长,杆、管偏磨阻力大,事故率高,无用功多,系统效率低、能耗高;电潜泵较为适合于高产液油井,但我国20多万口油井的大部分日产液量只有几方甚至几百升。In recent years, the development of unconventional oil and gas fields such as low permeability, tight oil, and shale oil has dominated the development. "Multiple wells and low production" have become a reality. The requirements for energy conservation and emission reduction are getting higher and higher. Traditional mechanical oil recovery methods have encountered great challenges. Rod lifting methods such as pumping units and ground-driven screw pumps, due to the long transmission chain, the rod and pipe have high eccentric wear resistance, high accident rate, high waste work, low system efficiency, and high energy consumption; electric submersible pumps are more suitable for high-production Liquid oil wells, but most of the more than 200,000 oil wells in my country have a daily liquid production volume of only a few cubic meters or even hundreds of liters.
为了满足需要,近年来探索了潜油柱塞泵、潜油螺杆泵等无杆举升方式。潜油柱塞泵通过永磁直线电动机,驱动柱塞上下往复运动,其举升力大小由磁体体积决定,由于光杆与磁体间隙小,磨损较大,事故率高。贝克休斯的潜油螺杆泵,采用“常规三相异步电动机+减速器+螺杆泵”方式,存在传动链长、效率低、减速器事故率高的问题;我国发明的潜油井下直驱螺杆泵,采用较为昂贵的低转速永磁同步电动机,但低速永磁同步电动机受到井筒空间小、转速,举升扬程和排量的限制,而且由于螺杆泵自身的特点,联轴器寿命短,仍不能满足深井低产油井举升的需要。In order to meet the needs, rodless lifting methods such as submersible plunger pumps and submersible screw pumps have been explored in recent years. The submersible plunger pump drives the plunger to reciprocate up and down through a permanent magnet linear motor. The lifting force is determined by the volume of the magnet. Due to the small gap between the polished rod and the magnet, the wear is relatively large and the accident rate is high. The submersible screw pump of Baker Hughes adopts the method of "conventional three-phase asynchronous motor + reducer + screw pump", which has the problems of long transmission chain, low efficiency and high accident rate of reducer; the submersible underground direct drive screw invented by my country The pump adopts a relatively expensive low-speed permanent magnet synchronous motor, but the low-speed permanent magnet synchronous motor is limited by the small wellbore space, speed, lifting head and displacement, and due to the characteristics of the screw pump itself, the coupling life is short, so it is still It cannot meet the lifting needs of deep wells and low-production oil wells.
发明内容Contents of the invention
本发明的目的是提供一种具有密闭动力机构的电动丝杠无杆采油装置,克服了常规抽油机通过抽油杆传动抽油能效低的缺点,可实现宽排量范围、高扬程、长寿命、低成本的井下无杆采油。The object of the present invention is to provide an electric screw rodless oil production device with a closed power mechanism, which overcomes the disadvantages of low energy efficiency of conventional pumping units through sucker rod transmission, and can realize wide displacement range, high head, long Long life, low cost downhole rodless production.
本发明的上述目的可采用下列技术方案来实现:Above-mentioned purpose of the present invention can adopt following technical scheme to realize:
本发明提供一种具有密闭动力机构的电动丝杠无杆采油装置,包括安装在井下油管内的密闭动力机构、以及连接在所述密闭动力机构下方的第一柱塞泵,其中,所述密闭动力机构包括:The invention provides an electric lead screw rodless oil production device with a closed power mechanism, which includes a closed power mechanism installed in the downhole oil pipe and a first plunger pump connected under the closed power mechanism, wherein the closed Power mechanism includes:
缸体,其内安装有电动机;A cylinder body, in which an electric motor is installed;
传动结构,位于所述缸体内并与所述电动机相连,所述传动结构具有位于所述电动机下方的第一丝杠副和位于所述电动机上方的第二丝杠副,所述第一丝杠副连接在所述电动机的驱动轴的一端,所述第二丝杠副连接在所述电动机的驱动轴的另一端;The transmission structure is located in the cylinder and connected with the motor, the transmission structure has a first screw pair located below the motor and a second screw pair located above the motor, the first screw pair The rod pair is connected to one end of the drive shaft of the motor, and the second lead screw pair is connected to the other end of the drive shaft of the motor;
第一光杆和第二光杆,所述第一光杆与所述第二光杆均与所述缸体动密封配合,所述第一光杆通过所述第一丝杠副与所述电动机的驱动轴的一端相连,所述第二光杆通过所述第二丝杠副与所述电动机的驱动轴的另一端相连;The first polished rod and the second polished rod, both of the first polished rod and the second polished rod are in dynamic sealing cooperation with the cylinder body, and the first polished rod passes through the connection between the first lead screw pair and the drive shaft of the motor One end is connected, and the second polished rod is connected with the other end of the drive shaft of the motor through the second screw pair;
其中,在所述电动机旋转带动所述传动结构运转时,所述第一光杆相对所述缸体的进出体积与所述第二光杆相对所述缸体的出进体积相同。Wherein, when the motor rotates to drive the transmission structure to operate, the volume of the first polished rod moving in and out of the cylinder is the same as the volume of the second polished rod moving in and out of the cylinder.
在本发明的实施方式中,所述第一丝杠副具有第一丝杆和第一丝杆螺母,所述电动机的驱动轴的一端与所述第一丝杆相连,或者,所述电动机的驱动轴的一端与所述第一丝杆螺母相连。In an embodiment of the present invention, the first lead screw pair has a first lead screw and a first lead screw nut, and one end of the drive shaft of the motor is connected to the first lead screw, or, the One end of the drive shaft is connected with the first screw nut.
在本发明的实施方式中,所述第二丝杠副具有第二丝杆和第二丝杆螺母,所述电动机的驱动轴的另一端与所述第二丝杆相连,或者,所述电动机的驱动轴的另一端与所述第二丝杆螺母相连。In an embodiment of the present invention, the second screw pair has a second screw and a second screw nut, and the other end of the drive shaft of the motor is connected to the second screw, or the motor The other end of the drive shaft is connected with the second screw nut.
在本发明的实施方式中,所述缸体的内壁与所述第一丝杠副之间设有第一导向扶正结构,所述第一导向扶正结构包括第一导向槽和第一导向键,所述第一导向键能在所述第一导向槽内直线移动。In an embodiment of the present invention, a first guiding and stabilizing structure is provided between the inner wall of the cylinder body and the first screw pair, and the first guiding and stabilizing structure includes a first guiding groove and a first guiding key, The first guide key can move linearly in the first guide groove.
在本发明的实施方式中,所述缸体的内壁与所述第二丝杠副之间设有第二导向扶正结构,所述第二导向扶正结构包括第二导向槽和第二导向键,所述第二导向键能在所述第二导向槽内直线移动。In an embodiment of the present invention, a second guiding and stabilizing structure is provided between the inner wall of the cylinder body and the second screw pair, and the second guiding and stabilizing structure includes a second guiding groove and a second guiding key, The second guide key can move linearly in the second guide groove.
在本发明的实施方式中,在所述电动机的驱动轴的一端与所述第一丝杆相连的状态下,所述第一丝杆上连接有上限位传感器和下限位传感器。In an embodiment of the present invention, when one end of the drive shaft of the motor is connected to the first screw rod, an upper limit sensor and a lower limit sensor are connected to the first screw rod.
在本发明的实施方式中,所述第一丝杆螺母上连接有第一上部位移传感器和第一下部位移传感器。In an embodiment of the present invention, a first upper displacement sensor and a first lower displacement sensor are connected to the first screw nut.
在本发明的实施方式中,在所述电动机的驱动轴的另一端与所述第二丝杆相连的状态下,所述第二丝杆螺母上连接有第二上部位移传感器和第二下部位移传感器。In an embodiment of the present invention, when the other end of the drive shaft of the motor is connected to the second screw, the second screw nut is connected with a second upper displacement sensor and a second lower displacement sensor. sensor.
在本发明的实施方式中,在所述电动机的驱动轴的另一端与所述第二丝杆螺母相连的状态下,所述第二丝杆上连接有第二上部位移传感器和第二下部位移传感器。In an embodiment of the present invention, when the other end of the drive shaft of the motor is connected to the second screw nut, a second upper displacement sensor and a second lower displacement sensor are connected to the second screw nut. sensor.
在本发明的实施方式中,所述缸体内填充有润滑液。In an embodiment of the present invention, the cylinder is filled with lubricating liquid.
在本发明的实施方式中,所述具有密闭动力机构的电动丝杠无杆采油装置还包括第二柱塞泵,所述第二柱塞泵位于所述密闭动力机构的上方,所述密闭动力机构的第二光杆与所述第二柱塞泵相连。In an embodiment of the present invention, the electric screw rodless oil production device with a sealed power mechanism further includes a second plunger pump, the second plunger pump is located above the sealed power mechanism, and the sealed power mechanism The second polished rod of the mechanism is connected with the second plunger pump.
在本发明的实施方式中,所述具有密闭动力机构的电动丝杠无杆采油装置还包括地面控制柜,所述地面控制柜通过电缆与所述密闭动力机构的电动机电连接,所述电缆设置在所述油管内,或者,所述电缆设置在油套环空内。In an embodiment of the present invention, the electric lead screw rodless oil production device with a closed power mechanism further includes a ground control cabinet, the ground control cabinet is electrically connected to the motor of the closed power mechanism through a cable, and the cable is set In the oil pipe, alternatively, the cable is arranged in the oil jacket annulus.
在本发明的实施方式中,所述第一丝杆和所述第二丝杆均为矩形或梯形螺纹的普通丝杠,或者,所述第一丝杆和所述第二丝杆均为滚珠丝杠。In an embodiment of the present invention, both the first screw rod and the second screw rod are ordinary screw screws with rectangular or trapezoidal threads, or both the first screw rod and the second screw rod are ball bearings. lead screw.
本发明的特点及优点是:Features and advantages of the present invention are:
一、本发明的具有密闭动力机构的电动丝杠无杆采油装置,克服了常规抽油机能效低的缺点,实现井下无杆采油。本发明可采用各种旋转电动机,包括成熟可靠成本低的常规高速旋转三相异步电动机,连接现有的柱塞泵,投资小、可靠性强,可实现低冲次、低排量、高扬程举升。同时本发明结构简单,关键节点便于监测,易于智能化调参。本发明可满足低产、深井、斜井、水平井等复杂油气井举升与排水采气需要。1. The electric lead screw rodless oil production device with a closed power mechanism of the present invention overcomes the disadvantage of low energy efficiency of conventional pumping units and realizes downhole rodless oil production. The present invention can adopt various rotating motors, including mature, reliable and low-cost conventional high-speed rotating three-phase asynchronous motors, connected to existing plunger pumps, with small investment and strong reliability, and can realize low stroke times, low displacement and high head lift. Simultaneously, the present invention has a simple structure, and key nodes are easy to monitor, and are easy to intelligently adjust parameters. The invention can meet the needs of lifting and draining gas recovery of low-yield, deep wells, inclined wells, horizontal wells and other complex oil and gas wells.
二、本发明的具有密闭动力机构的电动丝杠无杆采油装置,其密闭动力机构将电动机、丝杠、第一光杆和第二光杆封闭在缸体内,电动机旋转时第一丝杆、第二丝杆联动第一光杆和第二光杆同步进出缸体,保持缸体内体积恒定,压力不变,从而实现缸体的整体密闭,保证丝杠润滑良好,防止结垢。2. The electric lead screw rodless oil production device with a closed power mechanism of the present invention, the closed power mechanism seals the motor, the lead screw, the first polished rod and the second polished rod in the cylinder body. When the motor rotates, the first screw rod, the second polished rod The first polished rod and the second polished rod are synchronously entered and exited from the cylinder by the linkage of two screw rods to keep the volume and pressure constant in the cylinder, so as to realize the overall airtightness of the cylinder, ensure good lubrication of the screw and prevent fouling.
三、本发明的具有密闭动力机构的电动丝杠无杆采油装置,适应范围广、可靠性强、机械效率高、智能化程度高,可大幅降低成本,满足我国“多井低产”油田开发需要。3. The electric lead screw rodless oil production device with a closed power mechanism of the present invention has wide application range, strong reliability, high mechanical efficiency, and high degree of intelligence, which can greatly reduce costs and meet the development needs of my country's "multiple wells and low production" oilfields .
附图说明Description of drawings
为了更清楚地说明本发明实施例中的技术方案,下面将对实施例描述中所需要使用的附图作简单地介绍,显而易见地,下面描述中的附图仅仅是本发明的一些实施例,对于本领域普通技术人员来讲,在不付出创造性劳动的前提下,还可以根据这些附图获得其他的附图。In order to more clearly illustrate the technical solutions in the embodiments of the present invention, the drawings that need to be used in the description of the embodiments will be briefly introduced below. Obviously, the drawings in the following description are only some embodiments of the present invention. For those skilled in the art, other drawings can also be obtained based on these drawings without creative effort.
图1为本发明的具有密闭动力机构的电动丝杠无杆采油装置的结构示意图。Fig. 1 is a structural schematic diagram of an electric screw rodless oil production device with a closed power mechanism according to the present invention.
图2为本发明的具有密闭动力机构的电动丝杠无杆采油装置的另一实施例的结构示意图。Fig. 2 is a structural schematic diagram of another embodiment of the electric screw rodless oil production device with a closed power mechanism of the present invention.
图3为本发明的密闭动力机构的第一实施方式的结构示意图。Fig. 3 is a schematic structural view of the first embodiment of the sealed power mechanism of the present invention.
图4为本发明的密闭动力机构的第二实施方式的结构示意图。Fig. 4 is a schematic structural view of the second embodiment of the sealed power mechanism of the present invention.
图5为本发明的密闭动力机构的第三实施方式的结构示意图。Fig. 5 is a schematic structural view of a third embodiment of the sealed power mechanism of the present invention.
图6为本发明的密闭动力机构的第四实施方式的结构示意图。Fig. 6 is a schematic structural view of the fourth embodiment of the sealed power mechanism of the present invention.
附图标记与说明:Reference signs and description:
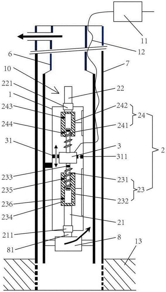
1、缸体;2、传动结构;21、第一光杆;211、第一动密封结构;22、第二光杆;221、第二动密封结构;23、第一丝杠副;231、第一丝杆;232、第一丝杆螺母;2321、穿孔;233、上限位传感器;234、下限位传感器;235、第一上部位移传感器;236、第一下部位移传感器;24、第二丝杠副;241、第二丝杆;242、第二丝杆螺母;2421、穿孔;243、第二上部位移传感器;244、第二下部位移传感器;3、电动机;31、连接支架;311、过流通孔;32、驱动轴的一端;33、驱动轴的另一端;4、第一导向扶正结构;41、第一导向槽;42、第一导向键;5、第二导向扶正结构;51、第二导向槽;52、第二导向键;6、油管;7、井下套管;8、第一柱塞泵;81、第一活塞;9、第二柱塞泵;10、密闭动力机构;11、地面控制柜;12、电缆;13、油藏。1. Cylinder body; 2. Transmission structure; 21. The first polished rod; 211. The first dynamic sealing structure; 22. The second polished rod; 221. The second dynamic sealing structure; 23. The first screw pair; 231. The first Screw rod; 232, the first screw nut; 2321, perforation; 233, the upper limit sensor; 234, the lower limit sensor; 235, the first upper displacement sensor; 236, the first lower displacement sensor; 24, the second leading screw Vice; 241, the second screw mandrel; 242, the second screw mandrel nut; 2421, perforation; 243, the second upper displacement sensor; 244, the second lower displacement sensor; 3, motor; 31, connecting bracket; 311, through flow Hole; 32, one end of the drive shaft; 33, the other end of the drive shaft; 4, the first guide and righting structure; 41, the first guide slot; 42, the first guide key; 5, the second guide and righting structure; 51, the first guide Two guide grooves; 52, second guide key; 6, tubing; 7, downhole casing; 8, first plunger pump; 81, first piston; 9, second plunger pump; 10, sealed power mechanism; 11 , Ground control cabinet; 12, cable; 13, oil reservoir.
具体实施方式Detailed ways
下面将结合本发明实施例中的附图,对本发明实施例中的技术方案进行清楚、完整地描述,显然,所描述的实施例仅仅是本发明一部分实施例,而不是全部的实施例。基于本发明中的实施例,本领域普通技术人员在没有做出创造性劳动前提下所获得的所有其他实施例,都属于本发明保护的范围。The following will clearly and completely describe the technical solutions in the embodiments of the present invention with reference to the accompanying drawings in the embodiments of the present invention. Obviously, the described embodiments are only some, not all, embodiments of the present invention. Based on the embodiments of the present invention, all other embodiments obtained by persons of ordinary skill in the art without making creative efforts belong to the protection scope of the present invention.
其中,形容词性或副词性修饰语“上”和“下”、“顶”和“底”、“内”和“外”的使用仅是为了便于多组术语之间的相对参考,且并非描述对经修饰术语的任何特定的方向限制。在本发明的描述中,除非另有说明,“多个”的含义是两个或两个以上,“至少一个”的含义是一个或一个以上。Wherein, the use of adjective or adverbial modifiers "upper" and "lower", "top" and "bottom", "inner" and "outer" is only for relative reference between groups of terms and is not descriptive. Any specific directional constraints on the modified term. In the description of the present invention, unless otherwise specified, "plurality" means two or more, and "at least one" means one or more.
如图1至图2所示,本发明提供了一种具有密闭动力机构的电动丝杠无杆采油装置,包括安装在井下油管6内的密闭动力机构10、以及连接在所述密闭动力机构10下方的第一柱塞泵8,其中,所述密闭动力机构10包括缸体1、传动结构2、第一光杆21和第二光杆22,其中:缸体1内安装有电动机3;传动结构2位于所述缸体1内并与所述电动机3相连,所述传动结构2具有位于所述电动机3下方的第一丝杠副23和位于所述电动机3上方的第二丝杠副24,所述第一丝杠副23连接在所述电动机3的驱动轴的一端32,所述第二丝杠副24连接在所述电动机3的驱动轴的另一端33;所述第一光杆21与所述第二光杆22均与所述缸体1动密封配合,所述第一光杆21通过所述第一丝杠副23与所述电动机3的驱动轴的一端32相连,所述第二光杆22通过所述第二丝杠副24与所述电动机3的驱动轴的另一端33相连;其中,在所述电动机3旋转带动所述传动结构2运转时,所述第一光杆21相对所述缸体1的进出体积与所述第二光杆22相对所述缸体1的出进体积相同。As shown in Figures 1 to 2, the present invention provides an electric lead screw rodless oil recovery device with a closed power mechanism, including a closed power mechanism 10 installed in the downhole oil pipe 6, and a closed power mechanism 10 connected to the The first plunger pump 8 below, wherein, the airtight power mechanism 10 includes a cylinder body 1, a transmission structure 2, a first polished rod 21 and a second polished rod 22, wherein: a motor 3 is installed in the cylinder body 1; the transmission structure 2 Located in the cylinder body 1 and connected to the motor 3, the transmission structure 2 has a first screw pair 23 below the motor 3 and a second screw pair 24 above the motor 3, so The first lead screw pair 23 is connected to one end 32 of the drive shaft of the motor 3, and the second lead screw pair 24 is connected to the other end 33 of the drive shaft of the motor 3; The second polished rods 22 are all in dynamic sealing cooperation with the cylinder body 1, the first polished rods 21 are connected to one end 32 of the drive shaft of the motor 3 through the first lead screw pair 23, and the second polished rods 22 The other end 33 of the drive shaft of the motor 3 is connected through the second lead screw pair 24; wherein, when the motor 3 rotates to drive the transmission structure 2 to run, the first polished rod 21 is opposite to the cylinder The entry and exit volume of the body 1 is the same as the entry and exit volume of the second polished rod 22 relative to the cylinder body 1 .
本发明的具有密闭动力机构的电动丝杠无杆采油装置,克服了常规抽油机能效低的缺点,实现了井下无杆采油。本发明可采用各种旋转电动机,包括成熟可靠成本低的常规高速旋转三相异步电动机,连接现有的柱塞泵,投资小、可靠性强,可实现高效可靠抽汲。同时本发明结构简单,关键节点便于监测,易于智能化调参。本发明可满足低产、深井、斜井、水平井等复杂油气井举升与排水采气需要。The electric lead screw rodless oil production device with a closed power mechanism of the present invention overcomes the shortcoming of low energy efficiency of conventional pumping units, and realizes downhole rodless oil production. The invention can adopt various rotating motors, including mature, reliable and low-cost conventional high-speed rotating three-phase asynchronous motors, and connects existing plunger pumps with small investment and high reliability, and can realize efficient and reliable pumping. Simultaneously, the present invention has a simple structure, and key nodes are easy to monitor, and are easy to intelligently adjust parameters. The invention can meet the needs of lifting and draining gas recovery of low-yield, deep wells, inclined wells, horizontal wells and other complex oil and gas wells.
另外,该密闭动力机构结构简单,克服了常规抽油机抽油能效低的缺点。该密闭动力机构将电动机3、第一光杆21和第二光杆22封闭在缸体1内,解决了运动转换和能量传递过程中可能存在的光杆偏磨问题。本发明通过电动机3可联动实现第一光杆21和第二光杆22同步进出缸体1,能保持缸体1内体积恒定以及缸体1内压力不变,以保证缸体1的整体密闭性。In addition, the closed power mechanism has a simple structure and overcomes the disadvantage of low pumping energy efficiency of conventional pumping units. The closed power mechanism seals the
具体地,缸体1大体呈圆柱筒状,其内部填充有润滑液,该润滑液可对缸体1内的部件进行润滑和冷却;电动机3固定连接在缸体1的内壁上,该电动机3可为旋转电动机,包括常规三相异步电动机、永磁同步电动机等。在本实施例中,该电动机3通过连接支架31连接在缸体1的内壁上,该连接支架31具有多个过流通孔311,该些过流通孔311分设在电动机3的周围,该些过流通孔311的设置,可使位于电动机3上方和电动机3下方的润滑液顺畅流动,一方面可起到对电动机3进行降温冷却的目的,另一方面可保证第一光杆21和第二光杆22在缸体1内的活动不受缸体1内润滑液的压力阻碍。Specifically, the
第一光杆21和第二光杆22分设在缸体1的相对两端,在本实施例中,第一光杆21设置在缸体1内的下部并能从缸体1的下端伸出,该第一光杆21与缸体1之间设有第一动密封结构211;该第二光杆22设置在缸体1内的上部并能从缸体1的上端伸出,该第二光杆22与缸体1之间设有第二动密封结构221。本发明采用第一动密封结构211与第二动密封结构221,可保证第一光杆21和第二光杆22相对缸体1的运动过程始终处于密封状态,一方面可保证缸体1内部的润滑液不外漏,保证缸体1密封性,另一方面,可保证第一光杆21与第二光杆22相对缸体1能够顺畅移动。在本实施例中,该第一动密封结构211和第二动密封结构221,可采用现有已知的迷宫式密封结构或胶圈密封结构,在此不做限制。The first
根据本发明的一个实施方式,该传动结构2的第一丝杠副23具有第一丝杆231和与之啮合的第一丝杆螺母232,该电动机3的驱动轴的一端32与第一丝杆231相连,或者,该电动机3的驱动轴的一端32与第一丝杆螺母232相连。According to one embodiment of the present invention, the first
进一步地,在本发明中,该第二丝杠副24具有第二丝杆241和与之啮合的第二丝杆螺母242,该电动机3的驱动轴的另一端33与第二丝杆241相连,或者,该电动机3的驱动轴的另一端33与第二丝杆螺母242相连。Further, in the present invention, the second
本发明的驱动轴的另一端33和驱动轴的一端32属于电动机3的驱动轴的上下两端,分别连接第一丝杠副23和第二丝杠副24,相对电动机3对称设置在缸体1内。The
如图3所示,在本发明的密闭动力机构10的一个可行实施例中,电动机3的驱动轴的一端32与第一丝杆231的一端相连,第一丝杆螺母232的一端形成有内螺纹,其另一端为封闭端,该第一丝杆螺母232通过其内螺纹与第一丝杆231啮合,该第一丝杆螺母232的封闭端与第一光杆21相连,在本发明中,第一丝杆螺母232与第一光杆21可加工成一体,也可分体加工并采用机械方式相连,例如通过焊接或螺纹连接或过盈插接连接等,在此不做限制。As shown in Figure 3, in a possible embodiment of the
在该实施例中,电动机3的驱动轴的另一端33与第二丝杆241相连,第二丝杆螺母242的一端形成有内螺纹,其另一端为封闭端,该第二丝杆螺母242通过其内螺纹与第二丝杆241啮合,该第二丝杆螺母242的封闭端与第二光杆22相连,在本发明中,第二丝杆螺母242与第二光杆22可加工成一体,也可分体加工并采用机械方式相连,例如通过焊接或螺纹连接或过盈插接连接等,在此不做限制。In this embodiment, the
该实施例中的密闭动力机构10的运行方式如下:The mode of operation of the
启动电动机3,该电动机3的驱动轴旋转,驱动轴的一端32带动第一丝杆231旋转,此时第一丝杆螺母232沿缸体1的轴向向上运动,并带动第一光杆21向上运动(也即向缸体1内的方向移动);与此同时,驱动轴的另一端33带动第二丝杆241旋转,此时第二丝杆螺母242沿缸体1的轴向向上运动,并带动第二光杆22向上运动(也即向缸体1外的方向移动)。当电动机3的驱动轴向另一个方向旋转时,第一光杆21向下运动(也即向缸体1外的方向移动),第二光杆22也同步向下运动(也即向缸体1内的方向移动)。如此运动的过程中,第一光杆21进出缸体1的体积与第二光杆22出进缸体1的体积始终相等,缸体1内的润滑液通过连接支架31上的多个过流通孔311在缸体1内流动,保持缸体1内的压力不变。Start the
如图4所示,在本发明的另一可行的实施例中,电动机3的驱动轴的一端32与第一丝杆螺母232相连,第一丝杆螺母232与第一丝杆231啮合,第一丝杆231的另一端与第一光杆21相连,在本发明中,第一丝杆231与第一光杆21可加工成一体,也可分体加工并采用机械方式相连,例如通过焊接或螺纹连接或过盈插接连接等,在此不做限制。As shown in Figure 4, in another feasible embodiment of the present invention, one
在该实施例中,电动机3的驱动轴的另一端33与第二丝杆241相连,第二丝杆241与第二丝杆螺母242啮合,第二丝杆螺母242的封闭端与第二光杆22相连,在本发明中,第二丝杆螺母242与第二光杆22可加工成一体,也可分体加工并采用机械方式相连,例如通过焊接或螺纹连接或过盈插接连接等,在此不做限制。In this embodiment, the
该实施例中的密闭动力机构10的运行方式如下:The mode of operation of the
启动电动机3,该电动机3的驱动轴旋转,驱动轴的一端32带动第一丝杆螺母232旋转,此时第一丝杆231沿缸体1的轴向向上运动,并带动第一光杆21向上运动(也即向缸体1内的方向移动);与此同时,驱动轴的另一端33带动第二丝杆241旋转,此时第二丝杆螺母242沿缸体1的轴向向上运动,并带动第二光杆22向上运动(也即向缸体1外的方向移动)。当电动机3的驱动轴向另一个方向旋转时,第一光杆21向下运动(也即向缸体1外的方向移动),第二光杆22也同步向下运动(也即向缸体1内的方向移动)。如此运动的过程中,第一光杆21进出缸体1的体积与第二光杆22出进缸体1的体积始终相等,缸体1内的润滑液通过连接支架31上的多个过流通孔311在缸体1内流动,保持缸体1内的压力不变。Start the
如图5所示,在本发明的第三可行实施例中,电动机3的驱动轴的一端32与第一丝杆螺母232的封闭端相连,第一丝杆螺母232与第一丝杆231啮合,该第一丝杆231的另一端与第一光杆21相连,在本发明中,第一丝杆231与第一光杆21可加工成一体,也可分体加工并采用机械方式相连,例如通过焊接或螺纹连接或过盈插接连接等,在此不做限制。As shown in Figure 5, in the third feasible embodiment of the present invention, one
在该实施例中,电动机3的驱动轴的另一端33与第二丝杆螺母242的封闭端相连,第二丝杆螺母242与第二丝杆241啮合,该第二丝杆241的另一端与第二光杆22相连,在本发明中,第二丝杆241与第二光杆22可加工成一体,也可分体加工并采用机械方式相连,例如通过焊接或螺纹连接或过盈插接连接等,在此不做限制。In this embodiment, the
该实施例中的密闭动力机构10的运行方式如下:The mode of operation of the
启动电动机3,该电动机3的驱动轴旋转,驱动轴的一端32带动第一丝杆螺母232旋转,此时第一丝杆231沿缸体1的轴向向上运动,并带动第一光杆21向上运动(也即向缸体1内的方向移动);与此同时,驱动轴的另一端33带动第二丝杆螺母242旋转,此时第二丝杆241沿缸体1的轴向向上运动,并带动第二光杆22向上运动(也即向缸体1外的方向移动)。当电动机3的驱动轴的一端32和驱动轴的另一端33共同向另一个方向旋转时,第一光杆21向下运动(也即向缸体1外的方向移动),第二光杆22也同步向下运动(也即向缸体1内的方向移动)。如此运动的过程中,第一光杆21进出缸体1的体积与第二光杆22出进缸体1的体积始终相等,缸体1内的润滑液通过连接支架31上的多个过流通孔311在缸体1内流动,保持缸体1内的压力不变。Start the
如图6所示,在本发明的第四可行实施例中,电动机3的驱动轴的一端32与第一丝杆231的一端相连,第一丝杆螺母232的一端形成有内螺纹,其另一端为封闭端,该第一丝杆螺母232通过其内螺纹与第一丝杆231啮合,该第一丝杆螺母232的封闭端与第一光杆21相连,在本发明中,第一丝杆螺母232与第一光杆21可加工成一体,也可分体加工并采用机械方式相连,例如通过焊接或螺纹连接或过盈插接连接等,在此不做限制。As shown in Figure 6, in the fourth feasible embodiment of the present invention, one
在该实施例中,电动机3的驱动轴的另一端33与第二丝杆螺母242相连,第二丝杆螺母242的一端形成有内螺纹,其另一端为封闭端,该第二丝杆241与第二丝杆螺母242啮合,该第二丝杆241的另一端与第二光杆22相连,在本发明中,第二丝杆241与第二光杆22可加工成一体,也可分体加工并采用机械方式相连,例如通过焊接或螺纹连接或过盈插接连接等,在此不做限制。In this embodiment, the
该实施例中的密闭动力机构10的运行方式如下:The mode of operation of the
启动电动机3,该电动机3的驱动轴旋转,驱动轴的一端32带动第一丝杆231旋转,此时第一丝杆螺母232沿缸体1的轴向向上运动,并带动第一光杆21向上运动(也即向缸体1内的方向移动);与此同时,驱动轴的另一端33带动第二丝杆螺母242旋转,此时第二丝杆241沿缸体1的轴向向上运动,并带动第二光杆22向上运动(也即向缸体1外的方向移动)。当电动机3的驱动轴向另一个方向旋转时,第一光杆21向下运动(也即向缸体1外的方向移动),第二光杆22也同步向下运动(也即向缸体1内的方向移动)。如此运动的过程中,第一光杆21进出缸体1的体积与第二光杆22出进缸体1的体积始终相等,缸体1内的润滑液通过连接支架31上的多个过流通孔311在缸体1内流动,保持缸体1内的压力不变。Start the
根据本发明的一个实施方式,如图3至图6所示,该缸体1的内壁与第一丝杠副23之间连接有第一导向扶正结构4,该第一导向扶正结构4可起到导向第一丝杠副23的第一丝杆231或第一丝杆螺母232沿缸体1的轴向方向直线移动,限制第一丝杆231或第一丝杆螺母232旋转,以实现导向第一光杆21沿缸体1的轴向方向直线移动,限制第一光杆21旋转的目的,同时还能起到对第一丝杆231或第一丝杆螺母232的扶正作用,防止第一光杆21在轴向移动的过程中偏斜。According to one embodiment of the present invention, as shown in Fig. 3 to Fig. 6, a first guiding and centralizing structure 4 is connected between the inner wall of the
在一可行的实施例中,在缸体1的内壁设有第一导向槽41,该第一丝杠副23上连接有第一导向键42,该第一导向键42能在第一导向槽41内直线移动。在该实施例中,当第一光杆21与第一丝杠副23的第一丝杆螺母232相连的状态下,如图3和图6所示,该第一导向键42连接在第一丝杆螺母232上;如图4和图5所示,当第一光杆21与第一丝杠副23的第一丝杆231相连的状态下,该第一导向键42连接在第一丝杆231上。In a feasible embodiment, a
在另一可行的实施例中,在缸体1的内壁连接有第一导向键42,该第一丝杠副23上设有第一导向槽41,该第一导向键42能在第一导向槽41内直线移动。在该实施例中,当第一光杆21与第一丝杠副23的第一丝杆螺母232相连的状态下,该第一导向槽41开设在第一丝杆螺母232的外壁上(未提供附图);当第一光杆21与第一丝杠副23的第一丝杆231相连的状态下,该第一导向槽41开设在第一丝杆231上(未提供附图)。In another feasible embodiment, a
根据本发明的另一个实施方式,该缸体1的内壁与第二丝杠副24之间连接有第二导向扶正结构5,该第二导向扶正结构5可起到导向第二丝杠副24的第二丝杆241或第二丝杆螺母242沿缸体1的轴向方向直线移动,限制第二丝杆241或第二丝杆螺母242旋转,以实现导向第二光杆22沿缸体1的轴向方向直线移动,限制第二光杆22旋转的目的,同时还能起到对第二丝杆241或第二丝杆螺母242的扶正作用,防止第二光杆22在移动的过程中偏斜。According to another embodiment of the present invention, a second guiding and centralizing structure 5 is connected between the inner wall of the
在一可行的实施例中,在缸体1的内壁设有第二导向槽51,该第二丝杠副24上连接有第二导向键52,该第二导向键52能轴向移动地设置在第二导向槽51内。在该实施例中,当第二光杆22与第二丝杠副24的第二丝杆螺母242相连的状态下,如图3和图4所示,该第二导向键52连接在第二丝杆螺母242上;如图5和图6所示,当第二光杆22与第二丝杠副24的第二丝杆241相连的状态下,该第二导向键52连接在第二丝杆241上。In a feasible embodiment, a
在另一可行的实施例中,在缸体1的内壁连接有第二导向键52,该第二丝杠副24上设有第二导向槽51,该第二导向键52能轴向移动地设置在第二导向槽51内。在该实施例中,当第二光杆22与第二丝杠副24的第二丝杆螺母242相连的状态下,该第二导向槽51开设在第二丝杆螺母242的外壁上(未提供附图);当第二光杆22与第二丝杠副24的第二丝杆241相连的状态下,该第二导向槽51开设在第二丝杆241上(未提供附图)。In another feasible embodiment, a
根据本发明的一个实施方式,在电动机3的驱动轴的一端32与第一丝杆231相连的状态下,该第一丝杆231上连接有上限位传感器233和下限位传感器234。具体地,该上限位传感器233靠近电动机3设置,该下限位传感器234靠近第一光杆21设置。According to one embodiment of the present invention, in a state where one
如图3和图6所示,当第一丝杆螺母232向上运动到位于第一丝杆231的顶部的上限位传感器233时,或者,当第一丝杆螺母232向下运动到位于第一丝杆231的底部的下限位传感器234时,上限位传感器233和/或下限位传感器234可向外部控制系统发出信号指令,外部控制系统接收指令后,可控制电动机3的驱动轴转换旋转方向,进而控制第一丝杆231反向旋转。As shown in Fig. 3 and Fig. 6, when the
该上限位传感器233和下限位传感器234的设置,用于感知第一丝杆螺母232的位移及其运行到第一丝杆231的上部或第一丝杆231的下部的时间。The setting of the
进一步地,该第一丝杆螺母232上连接有第一上部位移传感器235和第一下部位移传感器236。具体地,该第一上部位移传感器235靠近电动机3设置,该第一下部位移传感器236靠近第一光杆21设置。如图3和图6所示,第一丝杆螺母232的运动速度和位置可通过第一上部位移传感器235和第一下部位移传感器236传输至外部控制系统,外部控制系统接收指令后,可根据第一丝杆螺母232的运动速度和位置确定密闭动力机构10的工况,从而确定电动机3的正反转时机、正反转切换频率,进而调整与第一光杆21相连的第一柱塞泵8的冲程和冲次等参数。Further, the
根据本发明的一可行的实施例,在该电动机3的驱动轴的另一端33与第二丝杆241相连的状态下,该第二丝杆螺母242上连接有第二上部位移传感器243和第二下部位移传感器244。具体地,该第二上部位移传感器243靠近第二光杆22设置,该第二下部位移传感器244靠近电动机3设置。According to a feasible embodiment of the present invention, in the state where the
如图3和图4所示,第二丝杆螺母242的运动速度和位置可通过第二上部位移传感器243和第二下部位移传感器244传输至外部控制系统,进而可根据第二丝杆螺母242的运动速度和位置确定密闭动力机构10的工况,从而确定电动机3的正反转时机、正反转切换频率,进而调整与第二光杆22相连的柱塞泵的冲程和冲次等参数。As shown in FIGS. 3 and 4 , the movement speed and position of the
根据本发明的另一可行的实施例,在该电动机3的驱动轴的另一端33与第二丝杆螺母242相连的状态下,该第二丝杆241上连接有第二上部位移传感器243和第二下部位移传感器244。According to another feasible embodiment of the present invention, in the state where the
如图5和图6所示,第二丝杆241的运动速度和位置可通过第二上部位移传感器243和第二下部位移传感器244传输至外部控制系统,进而可根据第二丝杆241的运动速度和位置确定本发明的工况,从而确定电动机3的正反转时机、正反转切换频率,进而调整与第二光杆22相连的柱塞泵的冲程和冲次等参数。As shown in Figures 5 and 6, the movement speed and position of the
在本发明中,上述图3至图6的各实施方式中,第一丝杆231、第一丝杆螺母232、第二丝杆241和第二丝杆螺母242的材料、螺纹类型、内外径、丝杆螺纹导程等参数,可根据抽油泵的举升力、冲程和冲次、减速比进行优化设计和配置。另外,第一丝杆231、第一丝杆螺母232、第二丝杆241、第二丝杆螺母242、第一光杆21和第二光杆22可一体化制造,也可以分别设计制造,使用时连接组装即可。该第一丝杆231、第一丝杆螺母232、第二丝杆241和第二丝杆螺母242可以是滚珠丝杠、普通丝杠或其他特殊设计丝杠,其中普通丝杠中的螺纹可为梯形螺纹或矩形螺纹等。再有,于第一丝杆螺母232和第二丝杆螺母242的周壁上开设有穿孔2321和穿孔2421,以便缸体1内的润滑液可流入第一丝杆螺母232和第二丝杆螺母242内,达到对第一丝杆231、第二丝杆241的润滑目的。In the present invention, in the above-mentioned implementations of FIGS. , screw thread lead and other parameters can be optimally designed and configured according to the lifting force, stroke and stroke times, and reduction ratio of the oil well pump. In addition, the
该密闭动力机构10,当第一光杆21连接第一柱塞泵8时,位于上部的第二光杆22可对密闭动力机构10的缸体1起到体积补偿作用;相反的,当第二光杆22连接有第二柱塞泵9时,位于下部的第一光杆21也可对密闭动力机构10的缸体1起到体积补偿作用。该第一光杆21和第二光杆22的直径、第一丝杆231和第二丝杆241的导程和尺寸可以相同也可以不同,但各自进入缸体1的光杆体积与伸出缸体1的光杆体积相同,从而保证缸体内压力不变。In this
如图1至图2所示,本发明的具有密闭动力机构的电动丝杠无杆采油装置,还包括地面控制柜11,该地面控制柜11置于地面,该地面控制柜11通过电缆12与位于井下的密闭动力机构10的电动机3电连接,其中,该电缆12包括动力电缆和数据电缆,密闭动力机构10的上限位传感器233、下限位传感器234、第一上部位移传感器235、第一下部位移传感器236、第二上部位移传感器243和第二下部位移传感器244均与数据电缆通信;动力电缆与密闭动力机构10的电动机3电连接。在本发明中,电动机3的功率可根据第一柱塞泵8的排液量、扬程进行确定。As shown in Figures 1 to 2, the electric lead screw rodless oil production device with a closed power mechanism of the present invention also includes a
具体地,如图1所示,密闭动力机构10和第一柱塞泵8从上至下依次置于井下液体中,通过地面控制柜11的电源,并经电缆12向井下的密闭动力机构10提供电力,此时,电动机3进行正向旋转,密闭动力机构10的第一光杆21向上运动,并带动第一柱塞泵8向上运动进行排液。当地面控制柜11检测到上限位传感器233传输的信号后,电动机3反向旋转,此时密闭动力机构10的第一光杆21向下运动,并带动第一柱塞泵8向下吸液。当地面控制柜11检测到下限位传感器234传输的信号后,电动机3正向旋转,此时密闭动力机构10的第一光杆21向上运动,并带动第一柱塞泵8排液。如此便完成一个抽吸行程,往复循环上述步骤,即可达到抽吸井下油藏13中液体的目的。Specifically, as shown in Fig. 1, the
在图1的实施例中,仅密闭动力机构10的下部的第一光杆21连接有第一柱塞泵8,以实现抽吸井下原油的目的;而密闭动力机构10的上部的第二光杆22不连接柱塞泵,该第二光杆22可对密闭动力机构10的缸体1起到体积补偿作用,在这种情况下,可通过改变第二光杆22的直径、第二丝杠副24的第二丝杆241或第二丝杆螺母242的导程等参数来缩短缸体1的轴向方向的长度,从而缩短整个密闭动力机构10的总长度,达到减少密闭动力机构10的整体尺寸的目的。In the embodiment of Fig. 1, only the first
根据本发明的一个实施方式,如图2所示,该无杆采油装置还包括第二柱塞泵9,该第二柱塞泵9位于密闭动力机构10的上方,该密闭动力机构10的第二光杆22与第二柱塞泵9的第二活塞杆相连。在该实施例中,密闭动力机构10上连接有第一柱塞泵8和第二柱塞泵9,实现了双泵抽吸,提高了井下采油的效率。According to an embodiment of the present invention, as shown in FIG. 2 , the rodless oil production device further includes a
具体地,如图2所示,第二柱塞泵9、密闭动力机构10和第一柱塞泵8从上至下依次置于井下流体中,通过地面控制柜11的电源,并经电缆12向井下的密闭动力机构10提供电力,此时,电动机3进行正向旋转,密闭动力机构10的第一光杆21向上运动,并带动第一柱塞泵8的第一活塞81向上运动进行排液,同时第二光杆22向上运动,并带动第二柱塞泵9向上运动进行吸液。当地面控制柜11检测到上限位传感器233传输的信号后,电动机3反向旋转,此时密闭动力机构10的第一光杆21向下运动,带动第一柱塞泵8吸液,同时第二光杆22向下运动,并带动第二柱塞泵9排液。当地面控制柜11检测到下限位传感器234传输的信号后,驱动电动机3正向旋转,此时密闭动力机构10的第一光杆21向上运动,带动第一柱塞泵8排液,该密闭动力机构10的第二光杆22向上运动,并带动第二柱塞泵9吸液。如此便完成一个抽吸行程,往复循环上述步骤,即可达到抽吸油藏13中液体的目的。Specifically, as shown in Figure 2, the
本发明的具有密闭动力机构的电动丝杠无杆采油装置,地面控制柜11可根据第一丝杆231、第一丝杆螺母232、第二丝杆241和第二丝杆螺母242的运行状况智能调整电动机3的正反转方向、转速、第一丝杆231、第一丝杆螺母232、第二丝杆241或第二丝杆螺母242的行程、工况等,从而优化调整第一柱塞泵8和/或第二柱塞泵9的冲程、冲次或紧急启停。本发明可满足低产、深井、斜井、水平井等复杂油气井举升与排水采气需要,尤其满足我国日产只有几方甚至几百升的20多万口低产油井节能降耗提高效益的迫切需求。In the electric lead screw rodless oil production device with a closed power mechanism of the present invention, the
以上仅为本发明的几个实施例,本领域的技术人员依据申请文件公开的内容可以对本发明实施例进行各种改动或变型而不脱离本发明的精神和范围。The above are only a few embodiments of the present invention, and those skilled in the art can make various changes or modifications to the embodiments of the present invention according to the contents disclosed in the application documents without departing from the spirit and scope of the present invention.
Claims (13)
Priority Applications (1)
| Application Number | Priority Date | Filing Date | Title |
|---|---|---|---|
| CN202011377303.7A CN112392444B (en) | 2020-11-30 | 2020-11-30 | Electric lead screw rodless oil extraction device with closed power mechanism |
Applications Claiming Priority (1)
| Application Number | Priority Date | Filing Date | Title |
|---|---|---|---|
| CN202011377303.7A CN112392444B (en) | 2020-11-30 | 2020-11-30 | Electric lead screw rodless oil extraction device with closed power mechanism |
Publications (2)
| Publication Number | Publication Date |
|---|---|
| CN112392444A CN112392444A (en) | 2021-02-23 |
| CN112392444B true CN112392444B (en) | 2022-11-15 |
Family
ID=74605630
Family Applications (1)
| Application Number | Title | Priority Date | Filing Date |
|---|---|---|---|
| CN202011377303.7A Expired - Fee Related CN112392444B (en) | 2020-11-30 | 2020-11-30 | Electric lead screw rodless oil extraction device with closed power mechanism |
Country Status (1)
| Country | Link |
|---|---|
| CN (1) | CN112392444B (en) |
Citations (6)
| Publication number | Priority date | Publication date | Assignee | Title |
|---|---|---|---|---|
| CN1821541A (en) * | 2006-03-24 | 2006-08-23 | 哈尔滨工业大学 | Underground reciprocating oil puming machine driven by rotary motor |
| CN201546684U (en) * | 2009-11-11 | 2010-08-11 | 中国石油天然气股份有限公司 | Rodless oil production system driven by underground rotating motor |
| US20150184670A1 (en) * | 2013-12-31 | 2015-07-02 | Baker Hughes Incorporated | Threaded Connectors Between Submersible Well Pump Modules |
| CN105201799A (en) * | 2014-09-09 | 2015-12-30 | 赵锡寰 | Submerged oil pump unit provided with downhole drive conversion device |
| US20170284177A1 (en) * | 2016-03-29 | 2017-10-05 | Dmytro KHACHATUROV | Linear permanent magnet motor driven downhole plunger pumping unit |
| CN208236392U (en) * | 2018-05-22 | 2018-12-14 | 大庆东达节能技术开发服务有限公司 | Band pocket type pumping unit |
-
2020
- 2020-11-30 CN CN202011377303.7A patent/CN112392444B/en not_active Expired - Fee Related
Patent Citations (6)
| Publication number | Priority date | Publication date | Assignee | Title |
|---|---|---|---|---|
| CN1821541A (en) * | 2006-03-24 | 2006-08-23 | 哈尔滨工业大学 | Underground reciprocating oil puming machine driven by rotary motor |
| CN201546684U (en) * | 2009-11-11 | 2010-08-11 | 中国石油天然气股份有限公司 | Rodless oil production system driven by underground rotating motor |
| US20150184670A1 (en) * | 2013-12-31 | 2015-07-02 | Baker Hughes Incorporated | Threaded Connectors Between Submersible Well Pump Modules |
| CN105201799A (en) * | 2014-09-09 | 2015-12-30 | 赵锡寰 | Submerged oil pump unit provided with downhole drive conversion device |
| US20170284177A1 (en) * | 2016-03-29 | 2017-10-05 | Dmytro KHACHATUROV | Linear permanent magnet motor driven downhole plunger pumping unit |
| CN208236392U (en) * | 2018-05-22 | 2018-12-14 | 大庆东达节能技术开发服务有限公司 | Band pocket type pumping unit |
Also Published As
| Publication number | Publication date |
|---|---|
| CN112392444A (en) | 2021-02-23 |
Similar Documents
| Publication | Publication Date | Title |
|---|---|---|
| US20080080991A1 (en) | Electrical submersible pump | |
| CN107620703B (en) | Machine-pump integrated submersible direct-drive screw pump oil recovery device and method | |
| WO2016037299A1 (en) | Submersible oil well pump set having underground drive conversion device | |
| CN101781979B (en) | Hydraulic driving oil extraction equipment | |
| CN108386348A (en) | A kind of inner screw driving downhole pumping installation | |
| CN103671306A (en) | Hydraulic power device and potential energy converting and operating methods thereof | |
| CN105422053B (en) | A submersible direct drive screw pump huff and puff oil recovery device | |
| CN112392444B (en) | Electric lead screw rodless oil extraction device with closed power mechanism | |
| CN207437345U (en) | Machine pump integrated submersible direct drive screw pump oil production device | |
| CN101368560A (en) | Sucker Rod Rotary Piston Pump Oil Unit | |
| CN203285653U (en) | Electric submersible plunger pump | |
| CN208203525U (en) | A kind of inner screw driving downhole pumping installation | |
| CN107387379B (en) | Plunger pump and extracting device of oil | |
| CN201943926U (en) | Novel power-driven oil-submersible lifting plunger piston defueling pump | |
| CN106014910B (en) | Combined type double acting rod-type pumping unit and its oil production method | |
| CN110284857A (en) | A kind of fluid power extracting device of oil and its bidirectional shunt device | |
| CN117948102B (en) | A double-acting closed-loop liquid-driven rodless drainage gas production system | |
| CN211201896U (en) | Screw pump oil production device | |
| CN203939795U (en) | Hydraulic power unit | |
| CN114623076A (en) | A kind of triaxial screw pump and its underground working pipe string and construction method | |
| CN2763575Y (en) | Hydraulic oil pump | |
| CN113123950B (en) | A submersible electric plunger pump | |
| CN105422065B (en) | A submersible electric reciprocating pump huff and puff oil production device | |
| CN100395427C (en) | A rodless oil recovery method and oil recovery system | |
| CN201053305Y (en) | Straight line reciprocating oil-submersible rodless double-pump pipe column |
Legal Events
| Date | Code | Title | Description |
|---|---|---|---|
| PB01 | Publication | ||
| PB01 | Publication | ||
| SE01 | Entry into force of request for substantive examination | ||
| SE01 | Entry into force of request for substantive examination | ||
| GR01 | Patent grant | ||
| GR01 | Patent grant | ||
| CF01 | Termination of patent right due to non-payment of annual fee | ||
| CF01 | Termination of patent right due to non-payment of annual fee |
Granted publication date: 20221115 |
