CN112372404A - Prestressed high-strength concrete pipe pile connecting device - Google Patents
Prestressed high-strength concrete pipe pile connecting device Download PDFInfo
- Publication number
- CN112372404A CN112372404A CN202011067274.4A CN202011067274A CN112372404A CN 112372404 A CN112372404 A CN 112372404A CN 202011067274 A CN202011067274 A CN 202011067274A CN 112372404 A CN112372404 A CN 112372404A
- Authority
- CN
- China
- Prior art keywords
- frame
- fixedly connected
- shaped
- limiting
- fan
- Prior art date
- Legal status (The legal status is an assumption and is not a legal conclusion. Google has not performed a legal analysis and makes no representation as to the accuracy of the status listed.)
- Granted
Links
- 239000011372 high-strength concrete Substances 0.000 title claims abstract description 22
- 238000005498 polishing Methods 0.000 claims abstract description 40
- 230000007246 mechanism Effects 0.000 claims description 6
- 239000011248 coating agent Substances 0.000 claims 1
- 238000000576 coating method Methods 0.000 claims 1
- 230000000694 effects Effects 0.000 abstract description 6
- 238000003466 welding Methods 0.000 description 11
- 230000009471 action Effects 0.000 description 2
- 239000004567 concrete Substances 0.000 description 2
- 238000007517 polishing process Methods 0.000 description 2
- 230000009467 reduction Effects 0.000 description 2
- 238000005452 bending Methods 0.000 description 1
- 230000002146 bilateral effect Effects 0.000 description 1
- 239000011449 brick Substances 0.000 description 1
- 230000008859 change Effects 0.000 description 1
- 239000000463 material Substances 0.000 description 1
- 230000013011 mating Effects 0.000 description 1
- 238000000034 method Methods 0.000 description 1
- 238000007790 scraping Methods 0.000 description 1
- 239000002689 soil Substances 0.000 description 1
- 239000002699 waste material Substances 0.000 description 1
Images
Classifications
-
- B—PERFORMING OPERATIONS; TRANSPORTING
- B24—GRINDING; POLISHING
- B24B—MACHINES, DEVICES, OR PROCESSES FOR GRINDING OR POLISHING; DRESSING OR CONDITIONING OF ABRADING SURFACES; FEEDING OF GRINDING, POLISHING, OR LAPPING AGENTS
- B24B7/00—Machines or devices designed for grinding plane surfaces on work, including polishing plane glass surfaces; Accessories therefor
- B24B7/10—Single-purpose machines or devices
- B24B7/16—Single-purpose machines or devices for grinding end-faces, e.g. of gauges, rollers, nuts, piston rings
-
- B—PERFORMING OPERATIONS; TRANSPORTING
- B24—GRINDING; POLISHING
- B24B—MACHINES, DEVICES, OR PROCESSES FOR GRINDING OR POLISHING; DRESSING OR CONDITIONING OF ABRADING SURFACES; FEEDING OF GRINDING, POLISHING, OR LAPPING AGENTS
- B24B41/00—Component parts such as frames, beds, carriages, headstocks
- B24B41/02—Frames; Beds; Carriages
-
- B—PERFORMING OPERATIONS; TRANSPORTING
- B24—GRINDING; POLISHING
- B24B—MACHINES, DEVICES, OR PROCESSES FOR GRINDING OR POLISHING; DRESSING OR CONDITIONING OF ABRADING SURFACES; FEEDING OF GRINDING, POLISHING, OR LAPPING AGENTS
- B24B41/00—Component parts such as frames, beds, carriages, headstocks
- B24B41/04—Headstocks; Working-spindles; Features relating thereto
-
- B—PERFORMING OPERATIONS; TRANSPORTING
- B24—GRINDING; POLISHING
- B24B—MACHINES, DEVICES, OR PROCESSES FOR GRINDING OR POLISHING; DRESSING OR CONDITIONING OF ABRADING SURFACES; FEEDING OF GRINDING, POLISHING, OR LAPPING AGENTS
- B24B41/00—Component parts such as frames, beds, carriages, headstocks
- B24B41/06—Work supports, e.g. adjustable steadies
- B24B41/067—Work supports, e.g. adjustable steadies radially supporting workpieces
-
- B—PERFORMING OPERATIONS; TRANSPORTING
- B24—GRINDING; POLISHING
- B24B—MACHINES, DEVICES, OR PROCESSES FOR GRINDING OR POLISHING; DRESSING OR CONDITIONING OF ABRADING SURFACES; FEEDING OF GRINDING, POLISHING, OR LAPPING AGENTS
- B24B47/00—Drives or gearings; Equipment therefor
- B24B47/10—Drives or gearings; Equipment therefor for rotating or reciprocating working-spindles carrying grinding wheels or workpieces
- B24B47/12—Drives or gearings; Equipment therefor for rotating or reciprocating working-spindles carrying grinding wheels or workpieces by mechanical gearing or electric power
-
- B—PERFORMING OPERATIONS; TRANSPORTING
- B24—GRINDING; POLISHING
- B24B—MACHINES, DEVICES, OR PROCESSES FOR GRINDING OR POLISHING; DRESSING OR CONDITIONING OF ABRADING SURFACES; FEEDING OF GRINDING, POLISHING, OR LAPPING AGENTS
- B24B47/00—Drives or gearings; Equipment therefor
- B24B47/22—Equipment for exact control of the position of the grinding tool or work at the start of the grinding operation
Landscapes
- Engineering & Computer Science (AREA)
- Mechanical Engineering (AREA)
- Piles And Underground Anchors (AREA)
Abstract
The invention discloses a prestressed high-strength concrete pipe pile connecting device which comprises a base and a fixing frame, wherein the top end of the base is fixedly connected with a first supporting frame, a second supporting frame and a third supporting frame, the fixing frame is rotatably connected with a fixing turntable, a plurality of fan-shaped clamping grooves and sliding cavities are formed in the side walls of the left end and the right end of the fixing turntable, and a fan-shaped polishing disc is clamped in the fan-shaped clamping grooves. According to the tubular pile end polishing device, the fixed rotary table and the fan-shaped polishing discs with different roughness degrees are arranged, the speed reducing motors are started, the two speed reducing motors simultaneously rotate the two tubular pile bodies, the fan-shaped polishing discs at the two ends of the fixed rotary table simultaneously polish the pile ends of the two tubular pile bodies, the rotary table is rotated, the polishing discs with different roughness degrees can be rapidly switched, and therefore the pile ends can be precisely polished, the polishing effect is better, and the polishing efficiency is greatly improved.
Description
Technical Field
The invention relates to the technical field of prestressed high-strength concrete pipe piles, in particular to a prestressed high-strength concrete pipe pile connecting device.
Background
The prestressed high-strength concrete pipe pile is actually one of prestressed pipe piles, the high strength refers to the concrete strength of a pipe pile body, mainly refers to the pipe pile with the concrete strength of the pipe pile body reaching above c80, the bending resistance and the vertical bearing capacity of the prestressed high-strength concrete pipe pile are superior to those of a pc pipe pile, and the prestressed high-strength concrete pipe pile is a general name of the pipe pile with the strength reaching above c 80.
At present, mostly adopt stake end welded mode, connect two prestressing force high strength concrete tubular piles, need artifically polish respectively the stake end of two tubular piles before the welding, the in-process of polishing need change different mill and polish, and need artifically align the stake end of two tubular piles, need welder's shift position during the welding, to the welding of carrying out circumference of tubular pile, waste time and energy, work efficiency is low.
Therefore, we propose a prestressed high-strength concrete pipe pile connecting device to solve the above problems.
Disclosure of Invention
The invention aims to solve the problems that in the prior art, pile ends of two tubular piles need to be respectively polished manually before welding, different millstones need to be replaced for polishing in the polishing process, the pile ends of the two tubular piles need to be aligned manually, a welder needs to move positions during welding, circumferential welding is carried out on the tubular piles, time and labor are wasted, and the working efficiency is low.
In order to achieve the purpose, the invention adopts the following technical scheme:
a prestressed high-strength concrete pipe pile connecting device comprises a base and a fixed frame, wherein the top end of the base is fixedly connected with a first supporting frame, a second supporting frame and a third supporting frame, the fixed frame is rotatably connected with a fixed rotary disc, the side walls of the left end and the right end of the fixed rotary disc are respectively provided with a plurality of fan-shaped clamping grooves and sliding cavities, the fan-shaped clamping grooves are connected with fan-shaped polishing discs in a clamping manner, the fixed rotary disc is connected with an arc-shaped limiting frame in a sliding manner, the top end of the second supporting frame is fixedly connected with a fixed box, a speed reduction motor is fixedly connected in the fixed box, the output end of the speed reduction motor is fixedly connected with a rotating shaft, the other end of the rotating shaft is fixedly connected with a fixed plate, the other end of the fixed plate is fixedly connected with a first hydraulic cylinder, the output end of, fixedly connected with second pneumatic cylinder and fourth support frame on the U-shaped frame, equal fixedly connected with clamp plate, two on the output of second pneumatic cylinder and the fourth support frame the third support frame be provided with jointly and bear the weight of the mechanism of wrapping up in the cover.
Optionally, the base is of an oval structure, the first support frame, the second support frame and the third support frame are all of a cylindrical structure, and the first support frames are symmetrically distributed on the top end of the base.
Optionally, the slide bar is of a cylindrical structure, the slide bar penetrates through the top frame, a pull ring is fixedly connected to the top end of the slide bar, and the pull ring is of a circular structure.
Optionally, a plurality of first limiting holes are formed in the slide bar, the first limiting holes are vertically and evenly distributed on the slide bar, and first limiting blocks are connected in the first limiting holes in a clamping mode.
Optionally, two same roof-rack of top fixedly connected with of first support frame, sliding connection has the slide bar on the roof-rack, the spacing hole of second has all been seted up on the front end lateral wall of slide bar and fixed frame, the joint has the second stopper in the spacing hole of second.
Optionally, fixed frame is the rectangle structure, the spacing hole of third has been seted up on the right-hand member lateral wall of fixed frame, the third spacing groove has been seted up on the right-hand member lateral wall of fixed carousel, and is a plurality of the third spacing groove is circumference evenly distributed on fixed carousel, the joint has same third stopper in third spacing groove and the spacing hole of third.
Optionally, it is a plurality of fan-shaped draw-in groove all is circumference evenly distributed on the lateral wall at fixed carousel left and right sides both ends, be provided with slider and reset spring in the sliding chamber, slider sliding connection is on sliding chamber inner wall.
Optionally, one end of the sliding block is fixedly connected with a reset spring, the other end of the sliding block is fixedly connected with an arc-shaped limiting frame, the other end of the reset spring is fixedly connected to the inner wall of the sliding cavity, the arc-shaped limiting frame is in contact connection with the fan-shaped polishing disc, and one end of the arc-shaped limiting frame penetrates through the sliding cavity.
Optionally, the rotating shaft is rotatably connected to the fixing box, one end of the abutting spring is fixedly connected with the output end of the first hydraulic cylinder, the abutting spring is sleeved on the telescopic rod, the other end of the abutting spring is fixedly connected with the U-shaped frame, the clamping plate is of an arc-shaped structure, and an arc-shaped clamping groove is formed in the clamping plate.
Optionally, bear and wrap up and cover the mechanism and include bearing frame and ball, bear frame and third support frame fixed connection, bear the frame and be circular arc structure, the ball inlays and borders on bearing the frame, and is a plurality of the ball is even symmetric distribution on bearing the frame. Compared with the prior art, the invention has the following advantages:
1. according to the tubular pile end polishing device, the fixed rotary table and the fan-shaped polishing discs with different roughness degrees are arranged, the speed reducing motors are started, the two speed reducing motors simultaneously rotate the two tubular pile bodies, the fan-shaped polishing discs at the two ends of the fixed rotary table simultaneously polish the pile ends of the two tubular pile bodies, the rotary table is rotated, the polishing discs with different roughness degrees can be rapidly switched, so that the pile ends can be precisely polished, the polishing effect is better, and the polishing efficiency is greatly improved.
2. According to the invention, the speed reducing motor, the first hydraulic cylinder and the clamping plate are arranged, the first hydraulic cylinder is started, the two hydraulic cylinders are used for abutting the pile ends of the two tubular pile bodies, then the speed reducing motor is started, the two tubular pile bodies rotate simultaneously, and a welder can circumferentially weld the pile ends of the two tubular pile bodies while rotating, so that the welding efficiency is greatly improved.
3. According to the invention, the arc-shaped limiting frame, the second limiting hole and the second limiting block are arranged, and after polishing is finished, the second limiting block is pulled out from the second limiting hole, so that the fixing frame and the fixing rotary disc are detached from the sliding rod together, and then the arc-shaped limiting frame can be pulled, so that the fan-shaped polishing disc can be pulled out from the clamping groove, and the fan-shaped polishing disc can be conveniently replaced.
4. According to the tubular pile, the sliding rod, the first limiting block and the first limiting hole are arranged, the pull ring is pulled, the height of the sliding rod can be adjusted, the height of the fixed rotary disc can be adjusted, and therefore the grinding and point-to-point welding of the pile ends of the two tubular pile bodies can be rapidly switched.
5. According to the tubular pile polishing device, the telescopic rod and the abutting spring are arranged, when polishing is carried out, the two tubular pile bodies are simultaneously abutted and rubbed with the polishing discs at the left end and the right end of the fixed rotary disc, the thickness of the polishing discs is thinned due to polishing in the polishing process, the two tubular pile bodies are always abutted against the polishing discs due to the elastic action of the abutting spring, and the polishing effect is greatly improved.
Drawings
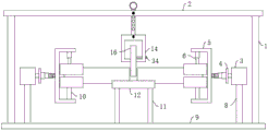
FIG. 1 is a schematic view of the overall structure of the present invention;
FIG. 2 is a cross-sectional view of the structure of the present invention;
FIG. 3 is a structural side view of the fixed turntable;
FIG. 4 is an enlarged view of part A of FIG. 2;
fig. 5 is an enlarged schematic view of a part B in fig. 2.
In the figure: 1 first support frame, 2 roof-rack, 3 fixed box, 4 fixed plates, 5U-shaped frame, 6 first hydraulic cylinder, 7 pivot, 8 second support frames, 9 bases, 10 fourth support frames, 11 third support frames, 12 bearing frames, 13 balls, 14 fixed frames, 15 clamping plates, 16 fixed turnplates, 17 gear motor, 18 second hydraulic cylinder, 19 abutting springs, 20 telescopic rods, 21 pull rings, 22 slide bars, 23 first limiting blocks, 24 first limiting holes, 25 second limiting holes, 26 first clamping grooves, 27 second limiting blocks, 28 arc-shaped limiting frames, 29 slide blocks, 30 reset springs, 31 sector-shaped polishing discs, 32 sector-shaped clamping grooves, 33 sliding cavities, 34 third limiting blocks, 35 third limiting grooves and 36 third limiting holes.
Detailed Description
The technical solutions in the embodiments of the present invention will be clearly and completely described below with reference to the drawings in the embodiments of the present invention, and it is obvious that the described embodiments are only a part of the embodiments of the present invention, and not all of the embodiments.
Referring to fig. 1-5, a prestressed high-strength concrete pipe pile connecting device comprises a base 9 and a fixed frame 14, wherein the top end of the base 9 is fixedly connected with a first supporting frame 1, a second supporting frame 8 and a third supporting frame 11, the top ends of the two first supporting frames 1 are fixedly connected with a same top frame 2, the top frame 2 is slidably connected with a sliding rod 22, the top end of the fixed frame 14 is provided with a first clamping groove 26, the sliding rod 22 is clamped with the first clamping groove 26, the fixed frame 14 is rotatably connected with a fixed turntable 16, the side walls of the left and right ends of the fixed turntable 16 are respectively provided with a plurality of fan-shaped clamping grooves 32 and sliding cavities 33, the fan-shaped clamping grooves 32 are clamped with fan-shaped polishing discs 31, the thickness of the fan-shaped polishing discs 31 is greater than the depth of the fan-shaped clamping grooves 32, so that the fan-shaped polishing discs 31 can simultaneously polish the pile ends of pipe pile bodies at the, the three fan-shaped polishing disks 31 have different roughness degrees, according to the polishing requirements, the fixed turntable 16 is rotated to rapidly switch the fan-shaped polishing disks 31, thereby achieving the best polishing effect, a slide block 29 and a reset spring 30 are arranged in a slide cavity 33, an arc-shaped limiting frame 28 is connected on the fixed turntable 16 in a sliding way, a fixed box 3 is fixedly connected at the top end of a second supporting frame 8, a speed reducing motor 17 is fixedly connected in the fixed box 3, the speed reducing motor 17 adopts a ring totally-closed speed reducing motor with the model of CH32, the output end of the speed reducing motor 17 is fixedly connected with a rotating shaft 7, the other end of the rotating shaft 7 is fixedly connected with a fixed plate 4, the other end of the fixed plate 4 is fixedly connected with a first hydraulic cylinder 6, the output end of the first hydraulic cylinder 6 is fixedly connected with a telescopic rod 20, the telescopic rod 20 is formed by sleeving a sub rod and, offer on the inner wall of female pole with the protruding assorted spout of rectangle, make the sub-pole can only move along the axial direction of female pole, avoid telescopic link 20 when rotating, take place relative rotation between sub-pole and the female pole, the cover is equipped with on the telescopic link 20 and supports tight spring 19, telescopic link 20 keeps away from the one end fixedly connected with U-shaped frame 5 of first pneumatic cylinder 6, fixedly connected with second pneumatic cylinder 18 and fourth support frame 10 on the U-shaped frame 5, first pneumatic cylinder 6 and second pneumatic cylinder 18 all adopt the heavy pneumatic cylinder of model for the HOB, equal fixedly connected with pinch-off blades 15 on the output of second pneumatic cylinder 18 and the fourth support frame 10, two being provided with jointly of third support frame 11 bear the weight of and wrap up in covering the mechanism.
The base 9 is oval structure, and first support frame 1, second support frame 8 and third support frame 11 all are cylindrical structure, and two first support frames 1 are bilateral symmetry and distribute on the top of base 9.
The slide bar 22 is of a cylindrical structure, the slide bar 22 penetrates through the top frame 2, the top end of the slide bar 22 is fixedly connected with a pull ring 21, and the pull ring 21 is of a circular structure.
The slide bar 22 is provided with a plurality of first limiting holes 24, the plurality of first limiting holes 24 are vertically and uniformly distributed on the slide bar 22, and the first limiting blocks 23 are clamped in the first limiting holes 24.
The slide bar 22 and the front end side wall of the fixed frame 14 are both provided with a second limiting hole 25, and a second limiting block 27 is clamped in the second limiting hole 25.
The fixed frame 14 is of a rectangular structure, a third limiting hole 36 is formed in the right side wall of the fixed frame 14, a third limiting groove 35 is formed in the right side wall of the fixed turntable 16, the plurality of third limiting grooves 35 are circumferentially and uniformly distributed on the fixed turntable 16, and the same third limiting block 34 is clamped in the third limiting groove 35 and the third limiting hole 36.
The fan-shaped clamping grooves 32 are circumferentially and uniformly distributed on the side walls of the left end and the right end of the fixed turntable 16, and the sliding block 29 is connected to the inner wall of the sliding cavity 33 in a sliding mode.
One end and reset spring 30 fixed connection of slider 29, the other end and the spacing 28 fixed connection of arc of slider 29, reset spring 30's other end fixed connection is on smooth chamber 33 inner wall, spacing 28 and the contact connection of arc make the mill 31, spacing 28 is spacing fixed to the fan-shaped mill 31 in the fan-shaped draw-in groove 32 of arc, when avoiding polishing, fan-shaped mill 31 drops from fan-shaped draw-in groove 32, the thickness of the spacing 28 of arc is less than fan-shaped and polishes, 31's thickness, avoid fan-shaped mill 31 when polishing the stake end of stake body, the scraping takes place for the stake body and the spacing 28 of arc, the one end of the spacing 28 of arc runs through smooth chamber 33.
The pivot 7 rotates to be connected on fixed box 3, the one end of supporting tight spring 19 and the output fixed connection of first pneumatic cylinder 6, the other end and the 5 fixed connection of U-shaped frame of supporting tight spring 19, pinch-off blades 15 is the arc structure, it presss from both sides tight groove to open the circular arc in pinch-off blades 15, the shape size and the tubular pile body of arc clamp tight groove match, make the degree of agreeing with of pinch-off blades 15 and tubular pile body higher, it is better to press from both sides tight effect, the inner wall of arc clamp tight groove splices simultaneously has the slipmat, the slipmat adopts the rubber material, make pinch-off blades 15 when the tubular pile body presss from both sides tightly, frictional force is bigger, play the guard action to the tubular pile body simultaneously, avoid pinch-off blades 15 and tubular pile body direct contact.
Bear and wrap up and cover mechanism including bearing 12 and ball 13, bear 12 and the 11 fixed connection of third support frame, bear 12 and be convex structure, ball 13 inlays soil on bearing 12, a plurality of balls 13 are even symmetric distribution on bearing 12, bear 12 and bear two tubular pile bodies simultaneously, bear ball 13 on 12 simultaneously, make the effect of two tubular pile bodies when rotating better, arc structure bear 12, under the mating reaction with clamp plate 15, make two tubular pile bodies when rotating, can not take place to slide, two tubular pile bodies 15 are the same axle center all the time, thereby be convenient for weld.
The working principle is as follows:
when the tubular pile grinding machine is used, firstly, two tubular pile bodies are placed on the clamping plates 15 and the bearing frame 12 at the top end of the fourth supporting frame 10, then the second hydraulic cylinder 18 is started, the output end of the second hydraulic cylinder 18 extends, the second hydraulic cylinder 18 drives one of the clamping plates 15 to move downwards, the two clamping plates 15 clamp and fix one end of the tubular pile body, then the first hydraulic cylinder 6 is started, the output end of the first hydraulic cylinder 6 extends, the first hydraulic cylinder 6 enables the two U-shaped frames 5 to approach each other, so that the two tubular pile bodies approach each other, the pile ends of the two tubular pile bodies respectively abut against the fan-shaped grinding discs 31 at the left end and the right end of the fixed turntable 16, then the speed reducing motor 17 is started, the rotating shaft is rotated by the speed reducing motor 17, so that the U-shaped frames 5 rotate, the U-shaped frames 5 drive the two tubular pile bodies to rotate, the pile ends of the two tubular pile bodies simultaneously abut against and rub against, after polishing, close gear motor 17, then start first pneumatic cylinder 6, the output of first pneumatic cylinder 6 shortens, make two tubular pile bodies and fan-shaped dish 31 of polishing break away from the contact, then extract first stopper 23 from first spacing hole 24, then upwards stimulate pull ring 21, make fixed carousel 16 move up and keep away from two tubular brick bodies 17, then insert first stopper 23 in first spacing hole 24, to fixed carousel 16 spacing fixed, restart first pneumatic cylinder 6, the output extension of first pneumatic cylinder 6, make the pile end of two tubular pile bodies offset, then start gear motor 17, make two tubular pile bodies simultaneously, the welder can carry out circumference welding to the pile end of two tubular pile bodies when the pivoted, thereby make two tubular pile body weldings, improve welding efficiency greatly.
The above description is only for the preferred embodiment of the present invention, but the scope of the present invention is not limited thereto, and any person skilled in the art should be considered to be within the technical scope of the present invention, and the technical solutions and the inventive concepts thereof according to the present invention should be equivalent or changed within the scope of the present invention.
Claims (10)
1. The utility model provides a prestressing force high strength concrete pipe pile connecting device, includes base (9) and fixed frame (14), its characterized in that, the top fixedly connected with first support frame (1), second support frame (8) and third support frame (11) of base (9), rotating connection has fixed carousel (16) on fixed frame (14), a plurality of fan-shaped draw-in grooves (32) and sliding chamber (33) have all been seted up on the lateral wall at both ends about fixed carousel (16), the joint has fan-shaped mill (31) in fan-shaped draw-in groove (32), sliding connection has arc spacing (28) on fixed carousel (16), the top fixedly connected with fixing box (3) of second support frame (8), fixedly connected with gear motor (17) in fixing box (3), the output fixedly connected with pivot (7) of gear motor (17), pivot (7) other end fixedly connected with fixed plate (4), fixed plate (4) other end fixedly connected with first pneumatic cylinder (6), output fixedly connected with telescopic link (20) of first pneumatic cylinder (6), the one end fixedly connected with U-shaped frame (5) of first pneumatic cylinder (6) are kept away from in telescopic link (20), fixedly connected with second pneumatic cylinder (18) and fourth support frame (10) are gone up in U-shaped frame (5), equal fixedly connected with pinch-off blades (15), two on the output of second pneumatic cylinder (18) and fourth support frame (10) the top of third support frame (11) is provided with jointly and bears the weight of and wraps up in covering the mechanism.
2. The prestressed high-strength concrete pipe pile connecting device according to claim 1, wherein the base (9) is of an oval structure, the first support frame (1), the second support frame (8) and the third support frame (11) are of a cylindrical structure, and the two first support frames (1) are symmetrically distributed at the top end of the base (9).
3. The prestressed high-strength concrete pipe pile connecting device according to claim 1, wherein the top ends of two first supporting frames (1) are fixedly connected with the same top frame (2), the top frame (2) is slidably connected with a sliding rod (22), the sliding rod (22) is of a cylindrical structure, the sliding rod (22) penetrates through the top frame (2), the top ends of the sliding rod (22) are fixedly connected with pull rings (21), and the pull rings (21) are of a circular ring structure.
4. The prestressed high-strength concrete pipe pile connecting device according to claim 3, wherein a plurality of first limiting holes (24) are formed in the slide bar (22), the plurality of first limiting holes (24) are vertically and uniformly distributed on the slide bar (22), and a first limiting block (23) is clamped in the first limiting holes (24).
5. The prestressed high-strength concrete pipe pile connecting device according to claim 4, wherein the slide bar (22) and the fixing frame (14) are provided with second limiting holes (25) on the front side walls thereof, and the second limiting blocks (27) are clamped in the second limiting holes (25).
6. The prestressed high-strength concrete pipe pile connecting device according to claim 5, wherein the fixing frame (14) is of a rectangular structure, a third limiting hole (36) is formed in the right end side wall of the fixing frame (14), a third limiting groove (35) is formed in the right end side wall of the fixing turntable (16), the third limiting groove (35) is circumferentially and uniformly distributed on the fixing turntable (16), and the third limiting groove (35) and the third limiting hole (36) are connected with the same third limiting block (34) in a clamping manner.
7. The prestressed high-strength concrete pipe pile connecting device according to claim 1, wherein a plurality of fan-shaped clamping grooves (32) are uniformly distributed on the side walls of the left end and the right end of the fixed rotary table (16) in the circumferential direction, a sliding block (29) and a return spring (30) are arranged in the sliding cavity (33), and the sliding block (29) is slidably connected to the inner wall of the sliding cavity (33).
8. The prestressed high-strength concrete pipe pile connecting device according to claim 7, wherein one end of the sliding block (29) is fixedly connected with a return spring (30), the other end of the sliding block (29) is fixedly connected with an arc-shaped limiting frame (28), the other end of the return spring (30) is fixedly connected to the inner wall of the sliding cavity (33), the arc-shaped limiting frame (28) is in contact connection with the fan-shaped polishing disc (31), and one end of the arc-shaped limiting frame (28) penetrates through the sliding cavity (33).
9. The prestressed high-strength concrete pipe pile connecting device according to claim 1, wherein the rotating shaft (7) is rotatably connected to the fixing box (3), the telescopic rod (20) is sleeved with a resisting spring (19), one end of the resisting spring (19) is fixedly connected with the output end of the first hydraulic cylinder (6), the other end of the resisting spring (19) is fixedly connected with the U-shaped frame (5), the clamping plate (15) is of an arc-shaped structure, and an arc-shaped clamping groove is formed in the clamping plate (15).
10. The prestressed high-strength concrete pipe pile connecting device according to claim 1, wherein the bearing and coating mechanism comprises a bearing frame (12) and balls (13), the bearing frame (12) is fixedly connected with the third supporting frame (11), the bearing frame (12) is in a circular arc structure, the balls are embedded on the bearing frame (12), and the balls (13) are uniformly and symmetrically distributed on the bearing frame (12).
Priority Applications (1)
| Application Number | Priority Date | Filing Date | Title |
|---|---|---|---|
| CN202011067274.4A CN112372404B (en) | 2020-10-05 | 2020-10-05 | Prestressed high-strength concrete pipe pile connecting device |
Applications Claiming Priority (1)
| Application Number | Priority Date | Filing Date | Title |
|---|---|---|---|
| CN202011067274.4A CN112372404B (en) | 2020-10-05 | 2020-10-05 | Prestressed high-strength concrete pipe pile connecting device |
Publications (2)
| Publication Number | Publication Date |
|---|---|
| CN112372404A true CN112372404A (en) | 2021-02-19 |
| CN112372404B CN112372404B (en) | 2022-05-20 |
Family
ID=74581007
Family Applications (1)
| Application Number | Title | Priority Date | Filing Date |
|---|---|---|---|
| CN202011067274.4A Active CN112372404B (en) | 2020-10-05 | 2020-10-05 | Prestressed high-strength concrete pipe pile connecting device |
Country Status (1)
| Country | Link |
|---|---|
| CN (1) | CN112372404B (en) |
Cited By (2)
| Publication number | Priority date | Publication date | Assignee | Title |
|---|---|---|---|---|
| CN115625581A (en) * | 2022-12-07 | 2023-01-20 | 西安基准方中建筑设计有限公司 | Prestressed high-strength concrete pipe pile connecting device |
| CN116394086A (en) * | 2023-05-19 | 2023-07-07 | 靖江市明宇轴业制造有限公司 | Motor shaft processing equipment |
Citations (7)
| Publication number | Priority date | Publication date | Assignee | Title |
|---|---|---|---|---|
| AU8385682A (en) * | 1982-05-27 | 1983-11-24 | Asahi Kasei Kogyo Kabushiki Kaisha | Forming reinforcing cage for pre-stressed concrete pile |
| NO843046L (en) * | 1983-08-01 | 1985-02-04 | Mcdermott Int Inc | DEVICE FOR PROCEDURE FOR THE ESTABLISHMENT OF PIPE Beads |
| JPS61209869A (en) * | 1985-03-14 | 1986-09-18 | Nippon Kokan Kk <Nkk> | Steel pipe pile polisher |
| JPH09268586A (en) * | 1996-04-03 | 1997-10-14 | Nippon Steel Corp | Construction method of coated steel pipe pile |
| KR20040040992A (en) * | 2002-11-08 | 2004-05-13 | 가부시키가이샤 시라이텍크 | Abrasive apparatus |
| CN203045481U (en) * | 2012-12-20 | 2013-07-10 | 国鼎(南通)管桩有限公司 | Concrete pipe pile end plate integrated processing device |
| CN111002174A (en) * | 2018-10-08 | 2020-04-14 | 广水市浍洋科技有限公司 | A grind a device for concrete pipe pile |
-
2020
- 2020-10-05 CN CN202011067274.4A patent/CN112372404B/en active Active
Patent Citations (7)
| Publication number | Priority date | Publication date | Assignee | Title |
|---|---|---|---|---|
| AU8385682A (en) * | 1982-05-27 | 1983-11-24 | Asahi Kasei Kogyo Kabushiki Kaisha | Forming reinforcing cage for pre-stressed concrete pile |
| NO843046L (en) * | 1983-08-01 | 1985-02-04 | Mcdermott Int Inc | DEVICE FOR PROCEDURE FOR THE ESTABLISHMENT OF PIPE Beads |
| JPS61209869A (en) * | 1985-03-14 | 1986-09-18 | Nippon Kokan Kk <Nkk> | Steel pipe pile polisher |
| JPH09268586A (en) * | 1996-04-03 | 1997-10-14 | Nippon Steel Corp | Construction method of coated steel pipe pile |
| KR20040040992A (en) * | 2002-11-08 | 2004-05-13 | 가부시키가이샤 시라이텍크 | Abrasive apparatus |
| CN203045481U (en) * | 2012-12-20 | 2013-07-10 | 国鼎(南通)管桩有限公司 | Concrete pipe pile end plate integrated processing device |
| CN111002174A (en) * | 2018-10-08 | 2020-04-14 | 广水市浍洋科技有限公司 | A grind a device for concrete pipe pile |
Cited By (3)
| Publication number | Priority date | Publication date | Assignee | Title |
|---|---|---|---|---|
| CN115625581A (en) * | 2022-12-07 | 2023-01-20 | 西安基准方中建筑设计有限公司 | Prestressed high-strength concrete pipe pile connecting device |
| CN116394086A (en) * | 2023-05-19 | 2023-07-07 | 靖江市明宇轴业制造有限公司 | Motor shaft processing equipment |
| CN116394086B (en) * | 2023-05-19 | 2023-11-14 | 靖江市明宇轴业制造有限公司 | Motor shaft processing equipment |
Also Published As
| Publication number | Publication date |
|---|---|
| CN112372404B (en) | 2022-05-20 |
Similar Documents
| Publication | Publication Date | Title |
|---|---|---|
| CN112372404B (en) | Prestressed high-strength concrete pipe pile connecting device | |
| CN113245842B (en) | Hydraulic cylinder outer cylinder welding device and using method | |
| CN216327396U (en) | Grinding device is used in processing of bearing retainer | |
| CN214519438U (en) | Valve block's processingequipment that polishes | |
| CN112454216A (en) | Clamping and rotating device for processing pressure-resistant PE (polyethylene) pipe | |
| CN113427217B (en) | Pressure container manufacturing method | |
| CN220944792U (en) | Clamping tool for polishing outer surface of large ring die | |
| CN221111011U (en) | Round bar polisher | |
| CN212043496U (en) | Flange drilling and polishing device for electromechanical machining | |
| CN220993848U (en) | Raw and other materials wire drawing device | |
| CN110497207B (en) | A wheel hub deburring device | |
| CN210388758U (en) | Burnishing device for wood working | |
| CN217369415U (en) | Lithium iron phosphate is with sand mill zirconium ball belt cleaning device | |
| CN216138622U (en) | Revolving body joint line grinding device | |
| CN215968134U (en) | Mirror surface polishing machine for processing printing die | |
| CN216859181U (en) | Electric automatization welding grinding device | |
| CN216990326U (en) | Flanging shaft sleeve friction welding processing device | |
| CN115741312A (en) | A burr polisher for taper type structure | |
| CN211029419U (en) | Joint steel ring outer wall grinding device | |
| CN211805227U (en) | Psammitolite unhairing limit device | |
| CN213765185U (en) | Casting part polishing device | |
| CN223114679U (en) | A drive shaft machining fixing mechanism | |
| CN219094714U (en) | Stainless steel bar surface treatment equipment | |
| CN219666559U (en) | Mounting fixture with reversal function | |
| CN214490066U (en) | A grinding device for metal casting processing |
Legal Events
| Date | Code | Title | Description |
|---|---|---|---|
| PB01 | Publication | ||
| PB01 | Publication | ||
| SE01 | Entry into force of request for substantive examination | ||
| SE01 | Entry into force of request for substantive examination | ||
| TA01 | Transfer of patent application right |
Effective date of registration: 20220428 Address after: 276800 Li Jia Hu Village, happy town, Arashiyama District, Rizhao City, Shandong Applicant after: Rizhao Weiye Tools Co.,Ltd. Address before: 314000 no.258, East Ruiyin Road, Xiuzhou District, Jiaxing City, Zhejiang Province Applicant before: Zhang Chengtao |
|
| TA01 | Transfer of patent application right | ||
| GR01 | Patent grant | ||
| GR01 | Patent grant |