CN112357658A - Coiling mechanism is used in organic membrane production - Google Patents

Coiling mechanism is used in organic membrane production Download PDF

Info

Publication number
CN112357658A
CN112357658A CN202011469162.1A CN202011469162A CN112357658A CN 112357658 A CN112357658 A CN 112357658A CN 202011469162 A CN202011469162 A CN 202011469162A CN 112357658 A CN112357658 A CN 112357658A
Authority
CN
China
Prior art keywords
fixedly connected
plate
organic film
rotating shaft
wall
Prior art date
Legal status (The legal status is an assumption and is not a legal conclusion. Google has not performed a legal analysis and makes no representation as to the accuracy of the status listed.)
Granted
Application number
CN202011469162.1A
Other languages
Chinese (zh)
Other versions
CN112357658B (en
Inventor
胡斌
Current Assignee (The listed assignees may be inaccurate. Google has not performed a legal analysis and makes no representation or warranty as to the accuracy of the list.)
Jiangsu Kedebao Building Energy Saving Science & Technology Co ltd
Original Assignee
Individual
Priority date (The priority date is an assumption and is not a legal conclusion. Google has not performed a legal analysis and makes no representation as to the accuracy of the date listed.)
Filing date
Publication date
Application filed by Individual filed Critical Individual
Priority to CN202011469162.1A priority Critical patent/CN112357658B/en
Publication of CN112357658A publication Critical patent/CN112357658A/en
Application granted granted Critical
Publication of CN112357658B publication Critical patent/CN112357658B/en
Expired - Fee Related legal-status Critical Current
Anticipated expiration legal-status Critical

Links

Images

Classifications

    • BPERFORMING OPERATIONS; TRANSPORTING
    • B65CONVEYING; PACKING; STORING; HANDLING THIN OR FILAMENTARY MATERIAL
    • B65HHANDLING THIN OR FILAMENTARY MATERIAL, e.g. SHEETS, WEBS, CABLES
    • B65H23/00Registering, tensioning, smoothing or guiding webs
    • B65H23/04Registering, tensioning, smoothing or guiding webs longitudinally
    • B65H23/26Registering, tensioning, smoothing or guiding webs longitudinally by transverse stationary or adjustable bars or rollers
    • BPERFORMING OPERATIONS; TRANSPORTING
    • B65CONVEYING; PACKING; STORING; HANDLING THIN OR FILAMENTARY MATERIAL
    • B65HHANDLING THIN OR FILAMENTARY MATERIAL, e.g. SHEETS, WEBS, CABLES
    • B65H18/00Winding webs
    • B65H18/02Supporting web roll
    • B65H18/028Both ends type
    • BPERFORMING OPERATIONS; TRANSPORTING
    • B65CONVEYING; PACKING; STORING; HANDLING THIN OR FILAMENTARY MATERIAL
    • B65HHANDLING THIN OR FILAMENTARY MATERIAL, e.g. SHEETS, WEBS, CABLES
    • B65H18/00Winding webs
    • B65H18/08Web-winding mechanisms
    • B65H18/14Mechanisms in which power is applied to web roll, e.g. to effect continuous advancement of web
    • BPERFORMING OPERATIONS; TRANSPORTING
    • B65CONVEYING; PACKING; STORING; HANDLING THIN OR FILAMENTARY MATERIAL
    • B65HHANDLING THIN OR FILAMENTARY MATERIAL, e.g. SHEETS, WEBS, CABLES
    • B65H19/00Changing the web roll
    • B65H19/22Changing the web roll in winding mechanisms or in connection with winding operations
    • B65H19/30Lifting, transporting, or removing the web roll; Inserting core
    • BPERFORMING OPERATIONS; TRANSPORTING
    • B65CONVEYING; PACKING; STORING; HANDLING THIN OR FILAMENTARY MATERIAL
    • B65HHANDLING THIN OR FILAMENTARY MATERIAL, e.g. SHEETS, WEBS, CABLES
    • B65H2701/00Handled material; Storage means
    • B65H2701/10Handled articles or webs

Landscapes

  • Winding Of Webs (AREA)

Abstract

本发明涉及有机膜生产领域,具体的说是一种有机膜生产用收卷装置,包括底座,所述底座顶部的一端固定连接有第一支撑板,所述第一支撑板一侧的板壁上通过固定机架固定连接有伺服电机。通过设置在两个支撑板上的第二转动轴,第二转动轴能够带动侧板对收卷至收卷套筒上的有机膜的两端与收卷套筒的两端对齐,并且通过第二转动轴上的覆平辊对收卷的有机膜进行覆平,可以有效的使得有机膜收卷至收卷套筒上时更加的整齐,通过合页将第二支撑板与固定座进行铰接,固定在第二支撑板上的弧形支撑杆滑动插接至弧形滑槽的内部,并通过第一弹簧的弹力推动锁块插接至弧形支撑杆上的锁槽中,使得第二支撑板能够有效的进行翻转,便于对收卷纸筒进行拆装。

Figure 202011469162

The invention relates to the field of organic film production, in particular to a winding device for organic film production, comprising a base, one end of the top of the base is fixedly connected with a first support plate, and a plate wall on one side of the first support plate The servo motor is fixedly connected through the fixed frame. Through the second rotating shafts disposed on the two support plates, the second rotating shafts can drive the side plates to align the two ends of the organic film wound on the winding sleeve with the two ends of the winding sleeve, and pass the first The flattening roller on the second rotating shaft flattens the wound organic film, which can effectively make the organic film more tidy when it is wound on the winding sleeve, and the second support plate is hinged with the fixed seat through hinges , the arc-shaped support rod fixed on the second support plate is slidably inserted into the arc-shaped chute, and the lock block is pushed into the lock groove on the arc-shaped support rod by the elastic force of the first spring, so that the second The support plate can be turned over effectively, which is convenient for the disassembly and assembly of the take-up reel.

Figure 202011469162

Description

Coiling mechanism is used in organic membrane production
Technical Field
The invention relates to the field of organic film production, in particular to a winding device for organic film production.
Background
In the organic film making process, the made film needs to be finished, rolled and formed, and then subjected to uniform treatment. The coiling mechanism of current organic membrane production usefulness is when rolling organic membrane, it rotates to drive the axis of rotation that has cup jointed the rolling fiber container through servo motor mostly, thereby roll organic membrane, when the rolling, because not set up the curb plate that is used for leading organic membrane in the both sides of organic membrane and rolling fiber container, do not set up cover plain-barreled roll and the backing roll that is used for organic membrane flattening simultaneously, can make the organic membrane of rolling on the rolling fiber container uneven, make the good organic membrane of rolling need carry out extra flattening processing, and it is very inconvenient when rolling fiber container cup joints in the axis of rotation in the current rolling system, make the unloading of organic membrane very inconvenient, lead to the rolling efficiency reduction of organic membrane.
Disclosure of Invention
Aiming at the problems in the prior art, the invention provides a winding device for organic film production.
The technical scheme adopted by the invention for solving the technical problems is as follows: a winding device for organic film production comprises a base, wherein a first supporting plate is fixedly connected to one end of the top of the base, a servo motor is fixedly connected to the wall of one side of the first supporting plate through a fixing rack, the output end of the servo motor is fixedly connected with a first rotating shaft through a coupler, the other end of the first rotating shaft penetrates through the first supporting plate, the first rotating shaft is rotatably connected with the first supporting plate, and a winding paper tube is sleeved on the first rotating shaft penetrating through the rod wall at one end of the first supporting plate; a fixed seat is arranged on one side of the first supporting plate far away from the servo motor, the fixed seat is fixedly connected to the top of the base, the top of the fixed seat is hinged to a second supporting plate through a hinge, an arc-shaped supporting rod is fixedly connected to the side wall of the bottom of one side of the second supporting plate far away from the first supporting plate, the arc-shaped supporting rod and the hinge are arranged in the same circle center, adaptive arc-shaped chutes are formed in the side wall of the fixed seat corresponding to the arc-shaped supporting rod, the arc-shaped chutes are matched with the arc-shaped supporting rod, a first sliding block is slidably connected to the side wall of the fixed seat, a second sliding block is fixedly connected to one end of the first sliding block close to the fixed seat, adaptive first sliding chutes are formed in the side wall of the fixed seat corresponding to the second sliding block, the second sliding, the rod wall at the inner circle side of the arc-shaped supporting rod is provided with a matched locking groove corresponding to the locking block; clamping rings are arranged at two ends of the winding paper tube, one ends of the clamping rings, far away from the winding paper tube, are fixedly connected with second springs, annular grooves are formed in the plate walls of the first supporting plate and the second supporting plate, corresponding to the positions of the second springs, and one ends of the second springs, far away from the clamping rings, are fixedly connected with the inner walls of the annular grooves; the wall of the first supporting plate and the wall of the second supporting plate are symmetrically provided with second sliding grooves, the inside of each second sliding groove is connected with a third sliding block in a sliding manner, the bottom of each third sliding block is fixedly connected with a third spring, the other end of each third spring is fixedly connected with the inner bottom wall of each second sliding groove, each third sliding block is rotatably inserted with a second rotating shaft, the shaft wall of each second rotating shaft is rotatably sleeved with a leveling roller, one side of each leveling roller, which is close to each third sliding block, is provided with a side plate, which is sleeved on the shaft wall of each second rotating shaft, one side of each third sliding block, which is far away from each side plate, is provided with a transmission plate, the transmission plate is fixedly connected with the second rotating shaft, one side of each transmission plate, which is far away from the second rotating shaft, is provided with a fixing plate, one side of each fixing plate, which is close to the, the end, penetrating through the transmission plate, of the fixed rod is fixedly connected with the third sliding block, the fixed plate is rotatably inserted with a screw rod, one end, penetrating through the fixed plate, of the screw rod is in threaded connection with the transmission plate, a groove is formed in the second rotating shaft corresponding to the screw rod, and one end, penetrating through the transmission plate, of the screw rod extends to the inside of the groove; the equal fixedly connected with third backup pad in both sides, two of first backup pad and second backup pad one end are kept away from at the base top be provided with two flexible pole of perk between the third backup pad, two equal fixedly connected with third axis of rotation on the outer pole wall of flexible pole of perk, the third axis of rotation rotates with the curb plate to be connected, two the one end that first axis of rotation was kept away from to flexible pole of perk is provided with the backing roll, the equal fixedly connected with fourth axis of rotation in both ends of backing roll, the fourth axis of rotation rotates with two flexible pole of perk to be connected, two the one end that the backing roll was kept away from to flexible pole of perk all articulates through fifth axis of rotation has the balancing pole, the one end that flexible pole of perk was kept away from to the balancing pole is provided with the compression roller, the equal fixedly connected with sixth.
Specifically, the below of balancing pole is provided with the fourth spring, the first articulated seat of one end fixedly connected with of fourth spring, the other end and the balancing pole fixed connection of first articulated seat, the articulated seat of one end fixedly connected with second that first articulated seat was kept away from to the fourth spring, the other end and the base fixed connection of the articulated seat of second.
Specifically, the fixed frame is fixedly sleeved on the outer wall of the servo motor and is fixedly connected with the first supporting plate.
Specifically, the top of second slider fixedly connected with first spring, the other end of first spring and the interior roof fixed connection of first spout.
Specifically, the one end that servo motor was kept away from to first axis of rotation is spherical structure, the draw-in groove of looks adaptation is seted up corresponding first axis of rotation on the second backup pad is close to the siding wall of first backup pad one side.
Specifically, the equal fixedly connected with spacing slider in both ends of third slider, correspond spacing slider on the inner wall of second spout and seted up spacing spout, just spacing slider sliding connection is in the inside of spacing spout.
Specifically, one end of the screw rod, which is far away from the transmission plate, is fixedly connected with a poking block, and the diameter of the poking block is larger than that of the screw rod.
The invention has the beneficial effects that:
(1) according to the winding device for producing the organic film, the second rotating shafts arranged on the two supporting plates can drive the side plates to align the two ends of the organic film wound on the winding sleeve with the two ends of the winding sleeve, and the wound organic film is flattened through the flattening rollers on the second rotating shafts, so that the organic film can be wound on the winding sleeve more orderly.
(2) According to the winding device for organic film production, the second supporting plate is hinged with the fixed seat through the hinge, the arc-shaped supporting rod fixed on the second supporting plate is inserted into the arc-shaped sliding groove in a sliding mode, and the locking block is pushed to be inserted into the locking groove in the arc-shaped supporting rod through the elasticity of the first spring, so that the second supporting plate can be effectively turned over, and a winding paper tube can be conveniently dismounted.
(3) According to the winding device for producing the organic film, the organic film wound on the winding paper cylinder can be pressed and leveled again through the compression roller on the balance rod, so that the organic film is wound on the winding sleeve more tightly, meanwhile, the balance rod can drive the supporting roller at the other end of the telescopic warping rod to synchronously support the part, which is not wound, of the organic film along with the increase of the thickness of the organic film roll, and the supporting height of the supporting roller is always consistent with the thickness of the organic film roll, so that the effect of winding the organic film on the winding paper cylinder is better.
Drawings
The invention is further illustrated with reference to the following figures and examples.
FIG. 1 is a schematic structural diagram of a winding device for producing an organic film according to the present invention;
FIG. 2 is a sectional view taken along the direction A-A in FIG. 1 of a winding device for producing an organic film according to the present invention;
FIG. 3 is a schematic structural view of a warping rod in a winding device for producing an organic film according to the present invention;
FIG. 4 is a schematic structural diagram of a limiting slide block in a winding device for producing an organic film, which is provided by the invention;
FIG. 5 is a partially enlarged view of a portion B in FIG. 2 of the winding device for producing an organic film according to the present invention;
FIG. 6 is a partially enlarged view of a portion C in FIG. 2 of the winding device for producing an organic film according to the present invention;
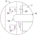
fig. 7 is a partially enlarged view of a portion D in fig. 2 of the winding device for producing an organic film according to the present invention;
fig. 8 is a partially enlarged view of a portion E in fig. 1 of the winding device for producing an organic film according to the present invention.
In the figure: 1. a base; 2. a first support plate; 3. fixing the frame; 4. a servo motor; 5. a coupling; 6. a first rotating shaft; 7. winding a paper tube; 8. a fixed seat; 9. a hinge; 10. a second support plate; 11. an arc-shaped support rod; 12. an arc-shaped chute; 13. a first slider; 14. a second slider; 15. a first chute; 16. a first spring; 17. a locking block; 18. locking the groove; 19. a card slot; 20. a clamp ring; 21. a second spring; 22. an annular groove; 23. a second chute; 24. a third slider; 25. a limiting slide block; 26. a limiting chute; 27. a third spring; 28. a second rotating shaft; 29. covering a flat roller; 30. a side plate; 31. a drive plate; 32. a fixing plate; 33. a screw rod; 34. fixing the rod; 35. a groove; 36. a shifting block; 37. a third support plate; 38. a telescopic warped rod; 39. a third rotating shaft; 40. a support roller; 41. a fourth rotating shaft; 42. a balancing pole; 43. a fifth rotating shaft; 44. a compression roller; 45. a sixth rotating shaft; 46. a fourth spring; 47. a first hinge mount; 48. a second hinged seat.
Detailed Description
In order to make the technical means, the creation characteristics, the achievement purposes and the effects of the invention easy to understand, the invention is further described with the specific embodiments.
As shown in fig. 1 to 8, the winding device for organic film production according to the present invention includes a base 1, wherein one end of the top of the base 1 is fixedly connected with a first support plate 2, a plate wall on one side of the first support plate 2 is fixedly connected with a servo motor 4 through a fixed frame 3, an output end of the servo motor 4 is fixedly connected with a first rotating shaft 6 through a coupling 5, the other end of the first rotating shaft 6 penetrates through the first support plate 2, the first rotating shaft 6 is rotatably connected with the first support plate 2, and a winding paper tube 7 is sleeved on the first rotating shaft 6 which penetrates through a rod wall on one end of the first support plate 2; a fixed seat 8 is arranged on one side of the first supporting plate 2 far away from the servo motor 4, the fixed seat 8 is fixedly connected to the top of the base 1, the top of the fixed seat 8 is hinged to a second supporting plate 10 through a hinge 9, an arc-shaped supporting rod 11 is fixedly connected to the side wall of the bottom of one side of the second supporting plate 10 far away from the first supporting plate 2, the arc-shaped supporting rod 11 and the hinge 9 are arranged in the same circle center, an adaptive arc-shaped chute 12 is formed in the side wall of the fixed seat 8 corresponding to the arc-shaped supporting rod 11, the arc-shaped chute 12 and the arc-shaped supporting rod 11 are arranged in a matched mode, a first sliding block 13 is connected to the side wall of the fixed seat 8 in a sliding mode, a second sliding block 14 is fixedly connected to one end, close to the fixed seat 8, of the first sliding block 13, an adaptive first chute 15 is formed in, the bottom of the first sliding block 13 is fixedly connected with a locking block 17, and a rod wall on the inner circle side of the arc-shaped supporting rod 11 is provided with a locking groove 18 corresponding to the locking block 17; clamping rings 20 are arranged at two ends of the winding paper tube 7, one end, far away from the winding paper tube 7, of each clamping ring 20 is fixedly connected with a second spring 21, annular grooves 22 are formed in the positions, corresponding to the second springs 21, of the plate walls of the first supporting plate 2 and the second supporting plate 10, and one end, far away from the clamping rings 20, of each second spring 21 is fixedly connected with the inner wall of each annular groove 22; the wall of the first support plate 2 and the wall of the second support plate 10 are symmetrically provided with second sliding grooves 23, the inside of the second sliding groove 23 is slidably connected with a third sliding block 24, the bottom of the third sliding block 24 is fixedly connected with a third spring 27, the other end of the third spring 27 is fixedly connected with the inner bottom wall of the second sliding groove 23, the third sliding block 24 is rotatably inserted with a second rotating shaft 28, the shaft wall of the second rotating shaft 28 is rotatably sleeved with a flattening roller 29, one side of the flattening roller 29 close to the third sliding block 24 is provided with a side plate 30, the side plate 30 is sleeved on the shaft wall of the second rotating shaft 28, one side of the third sliding block 24 far away from the side plate 30 is provided with a driving plate 31, the driving plate 31 is fixedly connected with the second rotating shaft 28, one side of the driving plate 31 far away from the second rotating shaft 28 is provided with a fixing plate 32, one side of the fixing plate 32 close to the driving plate 31 is fixedly connected with a fixing rod, the other end of the fixing rod 34 penetrates through the transmission plate 31, one end of the fixing rod 34 penetrating through the transmission plate 31 is fixedly connected with the third sliding block 24, the fixing plate 32 is rotatably inserted with a screw rod 33, one end of the screw rod 33 penetrating through the fixing plate 32 is in threaded connection with the transmission plate 31, a groove 35 is formed in the second rotating shaft 28 corresponding to the screw rod 33, and the screw rod 33 penetrates through one end of the transmission plate 31 and extends into the groove 35; the support plate comprises a base 1, wherein two sides of one end of the base 1, which is far away from a first support plate 2 and one end of a second support plate 10, are fixedly connected with third support plates 37, two telescopic warping rods 38 are arranged between the two third support plates 37, two outer rod walls of the two telescopic warping rods 38 are fixedly connected with third rotating shafts 39, the third rotating shafts 39 are rotatably connected with side plates 30, one ends of the two telescopic warping rods 38, which are far away from the first rotating shaft 6, are provided with support rollers 40, two ends of the support rollers 40 are fixedly connected with fourth rotating shafts 41, the fourth rotating shafts 41 are rotatably connected with the two telescopic warping rods 38, one ends of the two telescopic warping rods 38, which are far away from the support rollers 40, are hinged with balance rods 42 through fifth rotating shafts 43, one ends of the balance rods 42, which are far away from the telescopic warping rods 38, are provided with press rollers 44, and two, the sixth pivot shaft 45 is connected in rotation to the stabilizer bar 42.
Specifically, the below of balancing pole 42 is provided with fourth spring 46, the first articulated seat 47 of one end fixedly connected with of fourth spring 46, the other end and the balancing pole 42 fixed connection of first articulated seat 47, the articulated seat 48 of one end fixedly connected with second of first articulated seat 47 is kept away from to fourth spring 46, the other end and the base 1 fixed connection of the articulated seat 48 of second, fourth spring 46's elasticity can promote the bottom that the compression roller 44 on the flexible pole 38 of stick up and the organic membrane was rolled up and closely laminate.
Specifically, fixed frame 3 is fixed to be cup jointed on servo motor 4's outer wall, just fixed frame 3 and first backup pad 2 fixed connection carry out fixed connection, the dismouting of the servo motor 4 of being convenient for through fixed frame 3 with servo motor 4 and first backup pad 2.
Specifically, the top of the second sliding block 14 is fixedly connected with a first spring 16, the other end of the first spring 16 is fixedly connected with the inner top wall of the first sliding groove 15, and the elastic force of the first spring 16 can push the locking block 17 to be inserted into the locking groove 18, so that the arc-shaped supporting rod 11 can better support the second supporting plate 10.
Specifically, the one end that servo motor 4 was kept away from to first axis of rotation 6 is spherical structure, the draw-in groove 19 of looks adaptation is seted up corresponding first axis of rotation 6 on the second backup pad 10 is close to the panel wall of first backup pad 2 one side, and spherical structure's first axis of rotation 6 is pegged graft and can be made second backup pad 10 support first axis of rotation 6 in the inside of draw-in groove 19, can make first axis of rotation 6 more stable when rotating.
Specifically, the both ends of third slider 24 are all fixedly connected with limit slider 25, limit chute 26 has been seted up to corresponding limit slider 25 on the inner wall of second spout 23, just limit slider 25 sliding connection is in limit chute 26's inside, can be so that third slider 24 more stable when the inside of second spout 23 slides.
Specifically, the one end fixedly connected with that driving plate 31 was kept away from to lead screw 33 dials piece 36, the diameter of dialling piece 36 is greater than the diameter of lead screw 33, can make the arm of force increase of lead screw 33 when rotating through dialling piece 36, can make more convenient laborsaving of lead screw 33 when rotating.
When the winding paper tube winding machine is used, the winding paper tube 7 is sleeved on the shaft wall of the first rotating shaft 6, the second supporting plate 10 is turned over along the hinge 9, the second supporting plate 10 can drive the arc-shaped supporting rod 11 to slide along the arc-shaped sliding groove 12 when turned over, when the arc-shaped supporting rod 11 is turned to be parallel to the first supporting plate 2, the elastic force of the first spring 16 can push the second sliding block 14 to vertically slide downwards in the first sliding groove 15, the second sliding block 14 can drive the locking block 17 at the bottom of the first sliding block 13 to be inserted in the locking groove 18 when sliding, so that the arc-shaped supporting rod 11 is clamped in the arc-shaped sliding groove 12, the second supporting plate 10 and the fixed seat 8 can be effectively locked, when winding is performed, the servo motor 4 is started, the servo motor 4 drives the first rotating shaft 6 to rotate, the first rotating shaft 6 can drive the winding paper tube 7 to wind an organic film, one end of the telescopic raising rod 38 is raised, the raised end can drive the support roll 40 to support the part of the organic film which is not rolled, and the height of the support is consistent with the height of the organic film roll rolled on the rolling paper tube 7, so that the rolling effect of the rolling paper tube 7 on the organic film is better, meanwhile, the second rotating shaft 28 can drive the side plate 30 to align the two ends of the organic film rolled on the rolling sleeve with the two ends of the rolling sleeve, and the flat-covering roller 29 on the second rotating shaft 28 can cover the rolled organic film, so that the organic film can be rolled on the rolling sleeve more neatly, the diameter of the organic film roll is gradually increased along with the continuous rotation of the first rotating shaft 6, the press roller 44 on the balance rod 42 can press and level the organic film rolled on the rolling paper tube 7 again, and the organic film is more compact when being rolled on the rolling sleeve, meanwhile, along with the increase of the thickness of the organic film roll, the balance rod 42 can drive the support roll 40 at the other end of the telescopic warping rod 38 to synchronously support the part of the organic film which is not rolled, and the height supported by the support roll 40 is consistent with the thickness of the organic film roll all the time, so that the effect when the organic film is rolled onto the rolling paper tube 7 is better.
The invention has the beneficial effects that:
(1) according to the winding device for producing the organic film, the second rotating shafts arranged on the two supporting plates can drive the side plates to align the two ends of the organic film wound on the winding sleeve with the two ends of the winding sleeve, and the wound organic film is flattened through the flattening rollers on the second rotating shafts, so that the organic film can be wound on the winding sleeve more orderly.
(2) According to the winding device for organic film production, the second supporting plate is hinged with the fixed seat through the hinge, the arc-shaped supporting rod fixed on the second supporting plate is inserted into the arc-shaped sliding groove in a sliding mode, and the locking block is pushed to be inserted into the locking groove in the arc-shaped supporting rod through the elasticity of the first spring, so that the second supporting plate can be effectively turned over, and a winding paper tube can be conveniently dismounted.
(3) According to the winding device for producing the organic film, the organic film wound on the winding paper cylinder can be pressed and leveled again through the compression roller on the balance rod, so that the organic film is wound on the winding sleeve more tightly, meanwhile, the balance rod can drive the supporting roller at the other end of the telescopic warping rod to synchronously support the part, which is not wound, of the organic film along with the increase of the thickness of the organic film roll, and the supporting height of the supporting roller is always consistent with the thickness of the organic film roll, so that the effect of winding the organic film on the winding paper cylinder is better.
The foregoing illustrates and describes the principles, general features, and advantages of the present invention. It will be understood by those skilled in the art that the present invention is not limited to the embodiments described above, and the embodiments and descriptions given above are only illustrative of the principles of the present invention, and various changes and modifications may be made without departing from the spirit and scope of the invention, which fall within the scope of the claims. The scope of the invention is defined by the appended claims and equivalents thereof.

Claims (7)

1. The winding device for organic film production is characterized by comprising a base (1), wherein one end of the top of the base (1) is fixedly connected with a first supporting plate (2), a plate wall on one side of the first supporting plate (2) is fixedly connected with a servo motor (4) through a fixed rack (3), the output end of the servo motor (4) is fixedly connected with a first rotating shaft (6) through a coupler (5), the other end of the first rotating shaft (6) penetrates through the first supporting plate (2), the first rotating shaft (6) is rotatably connected with the first supporting plate (2), and a winding paper tube (7) is sleeved on a rod wall of one end, penetrating through the first supporting plate (2), of the first rotating shaft (6);
a fixing seat (8) is arranged on one side, away from the servo motor (4), of the first supporting plate (2), the fixing seat (8) is fixedly connected to the top of the base (1), a second supporting plate (10) is hinged to the top of the fixing seat (8) through a hinge (9), an arc-shaped supporting rod (11) is fixedly connected to the side wall of the bottom of one side, away from the first supporting plate (2), of the second supporting plate (10), the arc-shaped supporting rod (11) and the hinge (9) are arranged in the same circle center, an adaptive arc-shaped sliding groove (12) is formed in the side wall of the fixing seat (8) corresponding to the arc-shaped supporting rod (11), the arc-shaped sliding groove (12) is matched with the arc-shaped supporting rod (11), a first sliding block (13) is slidably connected to the side wall of the fixing seat (8), and a second sliding block (14) is fixedly connected to one, a first sliding groove (15) matched with the second sliding block (14) is formed in the side wall of the fixed seat (8) corresponding to the second sliding block (14), the second sliding block (14) is connected to the inside of the first sliding groove (15) in a sliding mode, a locking block (17) is fixedly connected to the bottom of the first sliding block (13), and a locking groove (18) matched with the locking block (17) is formed in the rod wall of the inner circle side of the arc-shaped supporting rod (11);
clamping rings (20) are arranged at two ends of the winding paper tube (7), one end, far away from the winding paper tube (7), of each clamping ring (20) is fixedly connected with a second spring (21), annular grooves (22) are formed in the positions, corresponding to the second springs (21), on the plate walls of the first supporting plate (2) and the second supporting plate (10), and one end, far away from the clamping rings (20), of each second spring (21) is fixedly connected with the inner wall of each annular groove (22);
second sliding grooves (23) are symmetrically formed in the plate walls of the first supporting plate (2) and the second supporting plate (10), a third sliding block (24) is connected to the inside of the second sliding groove (23) in a sliding mode, a third spring (27) is fixedly connected to the bottom of the third sliding block (24), the other end of the third spring (27) is fixedly connected with the inner bottom wall of the second sliding groove (23), a second rotating shaft (28) is rotatably inserted into the third sliding block (24), a flattening roller (29) is rotatably sleeved on the shaft wall of the second rotating shaft (28), a side plate (30) is arranged on one side, close to the third sliding block (24), of the flattening roller (29), the side plate (30) is sleeved on the shaft wall of the second rotating shaft (28), a driving plate (31) is arranged on one side, far away from the side plate (30), of the third sliding block (24), and the driving plate (31) is fixedly connected with the second rotating shaft (28), a fixing plate (32) is arranged on one side, away from the second rotating shaft (28), of the transmission plate (31), a fixing rod (34) is fixedly connected to one side, close to the transmission plate (31), of the fixing plate (32), the other end of the fixing rod (34) penetrates through the transmission plate (31), one end, penetrating through the transmission plate (31), of the fixing rod (34) is fixedly connected with the third sliding block (24), a screw rod (33) is rotatably inserted into the fixing plate (32), one end, penetrating through the fixing plate (32), of the screw rod (33) is in threaded connection with the transmission plate (31), a groove (35) is formed in the second rotating shaft (28) corresponding to the screw rod (33), and one end, penetrating through the transmission plate (31), of the screw rod (33) extends into the groove (35);
the support roller is characterized in that a third support plate (37) is fixedly connected to two sides of one end of the base (1), the top of the first support plate (2) and one end of the second support plate (10) are far away from the two sides, two telescopic warping rods (38) are arranged between the third support plates (37), two third rotating shafts (39) are fixedly connected to the outer rod wall of the telescopic warping rods (38), the third rotating shafts (39) are rotatably connected with the side plates (30), supporting rollers (40) are arranged at one ends, far away from the first rotating shaft (6), of the two telescopic warping rods (38), fourth rotating shafts (41) are fixedly connected to two ends of the supporting rollers (40), the fourth rotating shafts (41) are rotatably connected with the two telescopic warping rods (38), balancing rods (42) are hinged to one ends, far away from the supporting rollers (40), of the balancing rods (42) are provided with compression rollers (44), and both ends of the compression roller (44) are fixedly connected with a sixth rotating shaft (45), and the sixth rotating shaft (45) is rotatably connected with the balance bar (42).
2. The winding device for organic film production according to claim 1, wherein: the below of balancing pole (42) is provided with fourth spring (46), the first articulated seat of one end fixedly connected with (47) of fourth spring (46), the other end and balancing pole (42) fixed connection of first articulated seat (47), the articulated seat of one end fixedly connected with second (48) of first articulated seat (47) are kept away from in fourth spring (46), the other end and base (1) fixed connection of the articulated seat of second (48).
3. The winding device for organic film production according to claim 1, wherein: the fixed frame (3) is fixedly sleeved on the outer wall of the servo motor (4), and the fixed frame (3) is fixedly connected with the first supporting plate (2).
4. The winding device for organic film production according to claim 1, wherein: the top of the second sliding block (14) is fixedly connected with a first spring (16), and the other end of the first spring (16) is fixedly connected with the inner top wall of the first sliding groove (15).
5. The winding device for organic film production according to claim 1, wherein: one end, far away from servo motor (4), of first axis of rotation (6) is spherical structure, draw-in groove (19) of looks adaptation are seted up corresponding first axis of rotation (6) on the siding wall that second backup pad (10) are close to first backup pad (2) one side.
6. The winding device for organic film production according to claim 1, wherein: the both ends of third slider (24) are equal fixedly connected with limiting slide block (25), limiting slide groove (26) have been seted up corresponding limiting slide block (25) on the inner wall of second spout (23), just limiting slide block (25) sliding connection is in the inside of limiting slide groove (26).
7. The winding device for organic film production according to claim 1, wherein: one end of the screw rod (33) far away from the transmission plate (31) is fixedly connected with a poking block (36), and the diameter of the poking block (36) is larger than that of the screw rod (33).
CN202011469162.1A 2020-12-14 2020-12-14 A winding device for organic film production Expired - Fee Related CN112357658B (en)

Priority Applications (1)

Application Number Priority Date Filing Date Title
CN202011469162.1A CN112357658B (en) 2020-12-14 2020-12-14 A winding device for organic film production

Applications Claiming Priority (1)

Application Number Priority Date Filing Date Title
CN202011469162.1A CN112357658B (en) 2020-12-14 2020-12-14 A winding device for organic film production

Publications (2)

Publication Number Publication Date
CN112357658A true CN112357658A (en) 2021-02-12
CN112357658B CN112357658B (en) 2021-06-01

Family

ID=74534415

Family Applications (1)

Application Number Title Priority Date Filing Date
CN202011469162.1A Expired - Fee Related CN112357658B (en) 2020-12-14 2020-12-14 A winding device for organic film production

Country Status (1)

Country Link
CN (1) CN112357658B (en)

Cited By (2)

* Cited by examiner, † Cited by third party
Publication number Priority date Publication date Assignee Title
CN115402837A (en) * 2022-10-14 2022-11-29 浙江罗得智能科技有限公司 Stainless steel strip winding device
CN115535711A (en) * 2022-04-15 2022-12-30 江苏欧博智能纺织有限公司 Covered yarn conveying mechanism with material guiding structure and conveying method

Citations (6)

* Cited by examiner, † Cited by third party
Publication number Priority date Publication date Assignee Title
CN109436884A (en) * 2018-12-10 2019-03-08 杭州新天元织造有限公司 The efficient winding mechanism and its control method of environmentally friendly memory type fabric
US10654677B2 (en) * 2018-08-13 2020-05-19 Web Industries, Inc. Traverse winding apparatus
CN211003770U (en) * 2019-11-13 2020-07-14 云南云景林纸股份有限公司 Be convenient for papermaking and use coiling mechanism
CN211169116U (en) * 2019-12-03 2020-08-04 厦门锦达隆工贸有限公司 Coiling mechanism of bubble chamber film blowing machine
CN211225607U (en) * 2019-07-31 2020-08-11 佛山市明杨印刷有限公司 A align and carry pan feeding structure for continuous printing machine
CN211366354U (en) * 2019-11-28 2020-08-28 胡斌楠 Blowing device is used in textile raw materials processing production

Patent Citations (6)

* Cited by examiner, † Cited by third party
Publication number Priority date Publication date Assignee Title
US10654677B2 (en) * 2018-08-13 2020-05-19 Web Industries, Inc. Traverse winding apparatus
CN109436884A (en) * 2018-12-10 2019-03-08 杭州新天元织造有限公司 The efficient winding mechanism and its control method of environmentally friendly memory type fabric
CN211225607U (en) * 2019-07-31 2020-08-11 佛山市明杨印刷有限公司 A align and carry pan feeding structure for continuous printing machine
CN211003770U (en) * 2019-11-13 2020-07-14 云南云景林纸股份有限公司 Be convenient for papermaking and use coiling mechanism
CN211366354U (en) * 2019-11-28 2020-08-28 胡斌楠 Blowing device is used in textile raw materials processing production
CN211169116U (en) * 2019-12-03 2020-08-04 厦门锦达隆工贸有限公司 Coiling mechanism of bubble chamber film blowing machine

Cited By (2)

* Cited by examiner, † Cited by third party
Publication number Priority date Publication date Assignee Title
CN115535711A (en) * 2022-04-15 2022-12-30 江苏欧博智能纺织有限公司 Covered yarn conveying mechanism with material guiding structure and conveying method
CN115402837A (en) * 2022-10-14 2022-11-29 浙江罗得智能科技有限公司 Stainless steel strip winding device

Also Published As

Publication number Publication date
CN112357658B (en) 2021-06-01

Similar Documents

Publication Publication Date Title
CN215248478U (en) Reflecting material processing coiling mechanism
CN112357658A (en) Coiling mechanism is used in organic membrane production
CN109264461A (en) A kind of wrap-up and its working method of TGXG
CN116573462A (en) Winding equipment for non-woven fabrics
CN220578596U (en) Flexible cable winding device
CN217229749U (en) Winding machine with uniform winding
CN218312432U (en) Steel sheet grinding device for automobile machining
CN214031055U (en) A kind of non-woven fabric winding device
CN211077997U (en) Winding device for knitting threads
CN220316881U (en) Wire winding device
CN214326623U (en) Finished product coiling mechanism is used in rubber production
CN219708653U (en) Coiling mechanism is used in membrane structure production
CN210594501U (en) Film winding device
CN213997245U (en) Metal coil unwinding device
CN209835316U (en) Clamping mechanism for cable winding and unwinding device
CN214652433U (en) Winding device for optical cement production
CN220925762U (en) Crimping device is used in packaging material processing
CN215827940U (en) Geomembrane production coiling mechanism
CN216403253U (en) New construction financial accounting document winder
CN207483088U (en) A kind of strip retractable volume machine
CN217373455U (en) Film blowing machine with clamping mechanism for plastic packaging
CN220617770U (en) Flexible material winding machine
CN220800426U (en) Drawing platform for construction drawings
CN219883290U (en) Self-adhesive label laminating device
CN222204204U (en) Calendering and winding device of coating machine

Legal Events

Date Code Title Description
PB01 Publication
PB01 Publication
SE01 Entry into force of request for substantive examination
SE01 Entry into force of request for substantive examination
TA01 Transfer of patent application right
TA01 Transfer of patent application right

Effective date of registration: 20210511

Address after: 226600 Group 8, Xiyuan Industrial Park, Hai'an County, Nantong City, Jiangsu Province

Applicant after: JIANGSU KEDEBAO BUILDING ENERGY SAVING SCIENCE & TECHNOLOGY Co.,Ltd.

Address before: 210019 Room 101, building 7, Yincheng Xidi international, 128 Hengshan Road, Jianye District, Nanjing City, Jiangsu Province

Applicant before: Hu Bin

GR01 Patent grant
GR01 Patent grant
CF01 Termination of patent right due to non-payment of annual fee
CF01 Termination of patent right due to non-payment of annual fee

Granted publication date: 20210601