CN112350200A - 一种地埋电力设备的自通风结构 - Google Patents

一种地埋电力设备的自通风结构 Download PDF

Info

Publication number
CN112350200A
CN112350200A CN202011535293.5A CN202011535293A CN112350200A CN 112350200 A CN112350200 A CN 112350200A CN 202011535293 A CN202011535293 A CN 202011535293A CN 112350200 A CN112350200 A CN 112350200A
Authority
CN
China
Prior art keywords
ventilation
casing
self
power equipment
drive
Prior art date
Legal status (The legal status is an assumption and is not a legal conclusion. Google has not performed a legal analysis and makes no representation as to the accuracy of the status listed.)
Granted
Application number
CN202011535293.5A
Other languages
English (en)
Other versions
CN112350200B (zh
Inventor
张仲
张华磊
郑博允
王彬
郝振营
崔本祥
Current Assignee (The listed assignees may be inaccurate. Google has not performed a legal analysis and makes no representation or warranty as to the accuracy of the list.)
Tongbai Power Supply Co of State Grid Henan Electric Power Co Ltd
Original Assignee
Tongbai Power Supply Co of State Grid Henan Electric Power Co Ltd
Priority date (The priority date is an assumption and is not a legal conclusion. Google has not performed a legal analysis and makes no representation as to the accuracy of the date listed.)
Filing date
Publication date
Application filed by Tongbai Power Supply Co of State Grid Henan Electric Power Co Ltd filed Critical Tongbai Power Supply Co of State Grid Henan Electric Power Co Ltd
Priority to CN202011535293.5A priority Critical patent/CN112350200B/zh
Publication of CN112350200A publication Critical patent/CN112350200A/zh
Application granted granted Critical
Publication of CN112350200B publication Critical patent/CN112350200B/zh
Active legal-status Critical Current
Anticipated expiration legal-status Critical

Links

Images

Classifications

    • HELECTRICITY
    • H02GENERATION; CONVERSION OR DISTRIBUTION OF ELECTRIC POWER
    • H02BBOARDS, SUBSTATIONS OR SWITCHING ARRANGEMENTS FOR THE SUPPLY OR DISTRIBUTION OF ELECTRIC POWER
    • H02B1/00Frameworks, boards, panels, desks, casings; Details of substations or switching arrangements
    • H02B1/56Cooling; Ventilation
    • FMECHANICAL ENGINEERING; LIGHTING; HEATING; WEAPONS; BLASTING
    • F24HEATING; RANGES; VENTILATING
    • F24TGEOTHERMAL COLLECTORS; GEOTHERMAL SYSTEMS
    • F24T10/00Geothermal collectors
    • HELECTRICITY
    • H02GENERATION; CONVERSION OR DISTRIBUTION OF ELECTRIC POWER
    • H02BBOARDS, SUBSTATIONS OR SWITCHING ARRANGEMENTS FOR THE SUPPLY OR DISTRIBUTION OF ELECTRIC POWER
    • H02B1/00Frameworks, boards, panels, desks, casings; Details of substations or switching arrangements
    • H02B1/26Casings; Parts thereof or accessories therefor
    • H02B1/28Casings; Parts thereof or accessories therefor dustproof, splashproof, drip-proof, waterproof or flameproof
    • HELECTRICITY
    • H02GENERATION; CONVERSION OR DISTRIBUTION OF ELECTRIC POWER
    • H02KDYNAMO-ELECTRIC MACHINES
    • H02K7/00Arrangements for handling mechanical energy structurally associated with dynamo-electric machines, e.g. structural association with mechanical driving motors or auxiliary dynamo-electric machines
    • H02K7/10Structural association with clutches, brakes, gears, pulleys or mechanical starters
    • HELECTRICITY
    • H02GENERATION; CONVERSION OR DISTRIBUTION OF ELECTRIC POWER
    • H02KDYNAMO-ELECTRIC MACHINES
    • H02K7/00Arrangements for handling mechanical energy structurally associated with dynamo-electric machines, e.g. structural association with mechanical driving motors or auxiliary dynamo-electric machines
    • H02K7/14Structural association with mechanical loads, e.g. with hand-held machine tools or fans
    • YGENERAL TAGGING OF NEW TECHNOLOGICAL DEVELOPMENTS; GENERAL TAGGING OF CROSS-SECTIONAL TECHNOLOGIES SPANNING OVER SEVERAL SECTIONS OF THE IPC; TECHNICAL SUBJECTS COVERED BY FORMER USPC CROSS-REFERENCE ART COLLECTIONS [XRACs] AND DIGESTS
    • Y02TECHNOLOGIES OR APPLICATIONS FOR MITIGATION OR ADAPTATION AGAINST CLIMATE CHANGE
    • Y02EREDUCTION OF GREENHOUSE GAS [GHG] EMISSIONS, RELATED TO ENERGY GENERATION, TRANSMISSION OR DISTRIBUTION
    • Y02E10/00Energy generation through renewable energy sources
    • Y02E10/10Geothermal energy

Landscapes

  • Engineering & Computer Science (AREA)
  • Power Engineering (AREA)
  • Life Sciences & Earth Sciences (AREA)
  • Sustainable Development (AREA)
  • Sustainable Energy (AREA)
  • Chemical & Material Sciences (AREA)
  • Combustion & Propulsion (AREA)
  • Mechanical Engineering (AREA)
  • General Engineering & Computer Science (AREA)
  • Cooling Or The Like Of Electrical Apparatus (AREA)

Abstract

本发明公开了一种地埋电力设备的自通风结构,包括用于安装电力设备的壳体,所述壳体上设置有进气组件和换气组件,所述壳体为顶部开口结构且开口侧设置有顶壳,所述壳体的两侧外壁上竖直设有多个外散热片,所述壳体的内壁上设置有与外散热片一一对应的内散热片;通过在壳体内外设置散热片,有效的对设备安装的表层以下土壤进行了利用,将温度始终较低的地下土壤作为了装置散热的一部分,有效的提高了散热效率;同时,换气组件的设置对设备顶部的空气流动进行了合理的利用,通过空气的流动为换气组件提供动力,实现了绿色节能的目的;进一步的,传动构件的设置实现了换气组件动力源的切换,满足了多种场景的使用需求。

Description

一种地埋电力设备的自通风结构
技术领域
本发明涉及电力设备通风结构,具体是一种地埋电力设备的自通风结构。
背景技术
近年来,为了更好的利用与管理城市空间,越来越多的电力公共设备取消了在空中与地表的安装方式,改变为地埋式安装,地埋式的安装方式能够大大的减少对城市空间的占用,但同时又会产生设备内部密封程度过高,通风效果差,造成热量的累积,对设备产生不良的影响甚至自燃报废,传统的地埋电力设备的自通风结构多为简单的空气流通结构设计,未能良好的利用地埋这一安装方式所产生的优点,同时,传统自通风结构多采用长期的自供电驱动排气系统运转,长时的累积会产生能源的大量浪费,因此一种能够合理利用地埋优势散热的能源节省型地埋电力设备自通风结构便显得十分有意义。
发明内容
本发明的目的在于提供一种主题,以解决上述背景技术中提出的问题。
为实现上述目的,本发明提供如下技术方案:
一种地埋电力设备的自通风结构,包括用于安装电力设备的壳体,所述壳体上设置有进气组件和换气组件,所述壳体为顶部开口结构且开口侧设置有顶壳,所述壳体的两侧外壁上竖直设有多个外散热片,所述壳体的内壁上设置有与外散热片一一对应的内散热片;
所述进气组件包括竖直设置在壳体内侧均匀分布的多个通风管道,所述通风管道的顶部与壳体等高,所述通风管道与一体成型于壳体的风腔连通,且风腔位于通风管道的下方,所述风腔在远离壳体的一侧设有通风栅格,所述通风管道中与外散热片相对应的设有多个内散热片,所述进气组件还包括设置在顶壳上与通风管道相对应的J型进风口,所述J型通风口倒装固定在顶壳上,所述J型进风口的进气口处设有圆形滤网;
所述换气组件包括底部设有安装环的换气管道,所述换气管道通过安装环安装在顶壳上,所述换气管道的顶部设有多个相同规格的支撑立柱,所述支撑立柱的顶部固定有防雨顶,所述防雨顶的高度大于支撑立柱的高度,所述防雨顶的开口处还设有环形滤网,所述换气组件还包括设置在换气管道内部中轴线上的上驱动杆,所述上驱动杆上固定安装有一对换气叶轮,所述驱动杆的上端滑动贯穿防雨顶且与风力驱动扇叶固定连接,所述上驱动杆的底部通过传动构件与下驱动杆连接,所述下驱动杆的底部与驱动电机的输出端固定连接,所述驱动电机固定安装在换气管道的底部;
所述传动构件包括底部与下驱动杆同轴固定的驱动环,所述驱动环的内壁上设有多组与驱动环铰接的驱动齿,所述驱动齿与驱动环的铰接轴处还同轴设有复位卷簧,所述复位卷簧的一端与驱动齿固定连接,所述复位卷簧的另一端与驱动环固定连接,所述传动构件还包括与驱动环同轴设置的从动棘齿轮,所述从动棘齿轮的顶部与上驱动杆的底部固定连接。
作为本发明进一步的方案:所述J型进风口的内部还设有加热除湿器,所述加热除湿器在气流前进方向的后方还设有湿度传感器。
作为本发明进一步的方案:所述J型通风口中还设有多个中空散热片,所述中空散热片的底部边缘与顶壳的上表面重合,所述顶壳上还设有多个与J型进风口相对应的蓄水池,所述蓄水池与中空散热片的一端相连通,所述中空散热片的另一端设有泄水槽。
作为本发明进一步的方案:还包括设置在防雨顶顶部的防水机构,所述防水机构与上驱动杆滑动配合。
作为本发明进一步的方案:所述壳体的顶部与顶壳连接处设有配合凸台,所述顶壳与壳体通过螺栓配合孔螺栓配合。
作为本发明进一步的方案:还包括设置在壳体底部的安装座,所述安装座与竖直壳体间设有强度筋。
作为本发明进一步的方案:还包括设置在壳体内部底面的防潮支撑座,所述电力设备安装在防潮支撑座上。
与现有技术相比,本发明的有益效果是:通过在壳体内外设置散热片,有效的对设备安装的表层以下土壤进行了利用,将温度始终较低的地下土壤作为了装置散热的一部分,有效的提高了散热效率;同时,换气组件的设置对设备顶部的空气流动进行了合理的利用,通过空气的流动为换气组件提供动力,实现了绿色节能的目的;进一步的,传动构件的设置实现了换气组件动力源的切换,满足了多种场景的使用需求。
附图说明
图1为一种地埋电力设备的自通风结构的结构示意图。
图2为一种地埋电力设备的自通风结构的三维结构示意图。
图3为一种地埋电力设备的自通风结构中壳体2的结构示意图。
图4为一种地埋电力设备的自通风结构中传动构件的结构示意图。
图5为一种地埋电力设备的自通风结构中蓄水池的结构示意图。
图6为一种地埋电力设备的自通风结构中中空散热片的结构示意图。
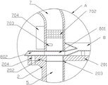
图中:1-安装座、101-强度筋、2-壳体、201-顶壳、202-配合凸台、203-O型密封圈、204-螺栓配合孔、3-外散热片、4-内散热片、5-通风管道、6-风腔、601-通风栅格、7-J型进风口、701-圆形滤网、702-加热除湿器、703-湿度传感器、704-控制箱、8-蓄水池、801-中空散热片、802-泄水槽、9-换气管道、901-安装环、902-支撑立柱、10-防雨顶、1001-环形滤网、11-上驱动杆、12-换气叶轮、13-风力驱动扇叶、14-防水构件、15-下驱动杆、16-驱动电机、17-传动构件、1701-驱动环、1702-驱动齿、1703-复位卷簧、1704-从动棘齿轮、18-防潮支撑座、19-电力设备。
具体实施方式
下面将结合本发明实施例中的附图,对本发明实施例中的技术方案进行清楚、完整地描述,显然,所描述的实施例仅仅是本发明的一部分实施例,而不是全部的实施例。基于本发明中的实施例,本领域普通技术人员在没有作出创造性劳动前提下所获得的所有其他实施例,都属于本发明保护的范围。
需要说明,若本发明实施例中有方向性指示(诸如上、下、左、右、前、后......),则其仅用于解释在某一特定姿态下各部件之间的相对位置关系、运动情况等,如果该特定姿态发生改变时,则该方向性指示也相应地随之改变。
另外,若在本发明中涉及“第一”、“第二”等的描述,则其仅用于描述目的,而不能理解为指示或暗示其相对重要性或者隐含指明所指示的技术特征的数量。由此,限定有“第一”、“第二”的特征可以明示或者隐含地包括至少一个该特征。另外,各个实施例之间的技术方案可以相互结合,但是必须是以本领域普通技术人员能够实现为基础,当技术方案的结合出现相互矛盾或无法实现时应当认为这种技术方案的结合不存在,也不在本发明要求的保护范围之内。
请参阅图1~3,本发明实施例中,一种地埋电力设备的自通风结构,一种地埋电力设备的自通风结构,包括用于安装电力设备19的壳体2,所述壳体2上设置有进气组件和换气组件,所述壳体2为顶部开口结构且开口侧设置有顶壳201,所述壳体2的两侧外壁上竖直设有多个外散热片3,所述壳体2的内壁上设置有与外散热片3一一对应的内散热片4;
本实施例中,壳体2相对于一种地埋电力设备(以下简称“设备”)的自通风结构的内外表面分别设有内散热片4和外散热片3,在使用时,能够增加壳体2内外的表面积,加快热量的传递过程,当本发明所描述的设备埋入底下时,外散热片3与土壤充分接触,因此可将土壤纳入散热构件中,成为良好的散热介质,表层土壤以下的土壤,不论地表温度多高,总能够保持在较低的温度下,与地表形成一定的温差,因此,将表层以下的地下土壤用来作为结构的散热是十分有效的。
请参阅图1~3,所述进气组件包括竖直设置在壳体2内侧均匀分布的多个通风管道5,所述通风管道5的顶部与壳体2等高,所述通风管道5与一体成型于壳体2的风腔6连通,且风腔6位于通风管道5的下方,所述风腔6在远离壳体2的一侧设有通风栅格601,所述通风管道5中与外散热片3相对应的设有多个内散热片4,所述进气组件还包括设置在顶壳201上与通风管道5相对应的J型进风口7,所述J型通风口7倒装固定在顶壳201上,所述J型进风口7的进气口处设有圆形滤网701;
本实施例中,所述进气组件的作用是向设备的内部输送空气,实现对设备内的空气进行更换,达到通风的目的,使用时,处于设备外部的空气通过J型进风口7的圆形过滤网701后,进入通风管道5中,在通风管道5中同样设有上一实施例中所描述的内散热片4,通过J型进风口进入通风管道5中的气体中的一部分热量会经由内散热片4、壳体2和外散热片3后进入土壤中,因此气体得到一定程度的冷却,冷却后的气体进入风腔6中,并通过通风栅格601进入到设备内部,且因为风腔6设置在设备内部的底部,因此,能够形成冷气流由下而上流动逐渐带走电力设备热量变热,达到通风更换设备内部气体并带走热量的最优解。
请参阅图1和图2,所述换气组件包括底部设有安装环901的换气管道9,所述换气管道9通过安装环901安装在顶壳201上,所述换气管道9的顶部设有多个相同规格的支撑立柱902,所述支撑立柱902的顶部固定有防雨顶10,所述防雨顶10的高度大于支撑立柱902的高度,所述防雨顶10的开口处还设有环形滤网1001,所述换气组件还包括设置在换气管道9内部中轴线上的上驱动杆11,所述上驱动杆11上固定安装有一对换气叶轮12,所述驱动杆11的上端滑动贯穿防雨顶10且与风力驱动扇叶13固定连接,所述上驱动杆11的底部通过传动构件17与下驱动杆15连接,所述下驱动杆15的底部与驱动电机16的输出端固定连接,所述驱动电机16固定安装在换气管道9的底部;
本实施例中,换气组件的作用是将设备中的空气抽出装置外,与进气组件相配合实现设备内部的通风,使用时,由换气叶轮12的转动实现对设备内部气体排出的目的,换气叶轮12同轴固定在上驱动杆11上,上驱动杆11的顶部在防雨顶10的上方设有风力驱动扇叶13,使用时,由外界的空气流动带动换气叶轮12转动实现换气,同时固定换气叶轮13的上驱动杆11的下方还通过传动构件17连接有驱动电机16,当外界空气流动较慢或者无风时,可通过驱动电机16为换气叶轮提供额外的驱动,确保换气的持续进行;防雨顶10能够有效的防止雨水通过换气管道进入设备内部。
请参阅图1和图4,所述传动构件17包括底部与下驱动杆15同轴固定的驱动环1701,所述驱动环1701的内壁上设有多组与驱动环1701铰接的驱动齿1702,所述驱动齿1702与驱动环1701的铰接轴处还同轴设有复位卷簧1703,所述复位卷簧1703的一端与驱动齿1702固定连接,所述复位卷簧1703的另一端与驱动环1701固定连接,所述传动构件17还包括与驱动环15同轴设置的从动棘齿轮1704,所述从动棘齿轮1704的顶部与上驱动杆11的底部固定连接。
本实施例中,碎上一个实施例中所提及的传动构件17进行了更为详细结构描述,当驱动电机16关闭时,从动棘齿轮1704与换气叶轮在风力驱动扇叶13的作用在转动,转动时,从动棘齿轮1704的齿与驱动齿1702滑动配合,压缩复位卷簧1703,实现不干涉电机的情况下转动,当使用驱动电机16驱动时,驱动齿1702与从动棘齿轮1704的齿相配合,实现传动。
请参阅图1和图4,作为本发明一个优选的实施例,所述J型进风口7的内部还设有加热除湿器702,所述加热除湿器702在气流前进方向的后方还设有湿度传感器703。
本实施例中,空气中湿度较大时,为了防止湿度较高的气体进入设备内部后应温度变化而液化产生积水,因此需要当空气中的湿度达到一定的百分比之后,加热除湿器702将对通过J型进风口7进入设备内部的气体进行除湿处理,其相关控制组件安装在控制箱704中。
请参阅图5和图6,作为本发明一个优选的实施例,所述J型通风口7中还设有多个中空散热片801,所述中空散热片801的底部边缘与顶壳201的上表面重合,所述顶壳201上还设有多个与J型进风口7相对应的蓄水池8,所述蓄水池8与中空散热片801的一端相连通,所述中空散热片801的另一端设有泄水槽802。
本实施例中,蓄水池8与中空散热片801的设置可以实现用雨水对通过J型通风口7进入设备内部的气体进行冷却降温,通过上一个实施例我们知道,当空气湿度较高时会进行加热除湿,因此,雨天的气体会进行除湿,因此除湿后的气体温度较高,再利用雨水进行降温可以有效的减少气体带入装置中的热量。
请参阅图1和图2,作为本发明一个优选的实施例,还包括设置在防雨顶10顶部的防水机构14,所述防水机构14与上驱动杆11滑动配合。
本实施例中,防水机构14进一步起到了防水的作用,防止雨水顺着上驱动杆11进入设备内部。
请参阅图5,作为本发明一个优选的实施例,所述壳体2的顶部与顶壳201连接处设有配合凸台202,所述顶壳201与壳体1通过螺栓配合孔204螺栓配合。
本实施例中,所述配合凸台202为了对设备安装起到密封作用。
请参阅图1和图2,作为本发明一个优选的实施例,还包括设置在壳体2底部的安装座1,所述安装座1与竖直壳体2间设有强度筋101。
本实施例中,安坐底座1的作用是方便设备的安装使用。
请参阅图1,作为本发明一个优选的实施例,还包括设置在壳体2内部底面的防潮支撑座18,所述电力设备19安装在防潮支撑座18上。
本实施例中,防潮支撑座18将电力设备19支撑离开设备内部下表面,可以有效的防潮。
对于本领域技术人员而言,显然本发明不限于上述示范性实施例的细节,而且在不背离本发明的精神或基本特征的情况下,能够以其他的具体形式实现本发明。因此,无论从哪一点来看,均应将实施例看作是示范性的,而且是非限制性的,本发明的范围由所附权利要求而不是上述说明限定,因此旨在将落在权利要求的等同要件的含义和范围内的所有变化囊括在本发明内。不应将权利要求中的任何附图标记视为限制所涉及的权利要求。
此外,应当理解,虽然本说明书按照实施方式加以描述,但并非每个实施方式仅包含一个独立的技术方案,说明书的这种叙述方式仅仅是为清楚起见,本领域技术人员应当将说明书作为一个整体,各实施例中的技术方案也可以经适当组合,形成本领域技术人员可以理解的其他实施方式。

Claims (7)

1.一种地埋电力设备的自通风结构,包括用于安装电力设备(19)的壳体(2),其特征在于,所述壳体(2)上设置有进气组件和换气组件,所述壳体(2)为顶部开口结构且开口侧设置有顶壳(201),所述壳体(2)的两侧外壁上竖直设有多个外散热片(3),所述壳体(2)的内壁上设置有与外散热片(3)一一对应的内散热片(4);
所述进气组件包括竖直设置在壳体(2)内侧均匀分布的多个通风管道(5),所述通风管道(5)的顶部与壳体(2)等高,所述通风管道(5)与一体成型于壳体(2)的风腔(6)连通,且风腔(6)位于通风管道(5)的下方,所述风腔(6)在远离壳体(2)的一侧设有通风栅格(601),所述通风管道(5)中与外散热片(3)相对应的设有多个内散热片(4),所述进气组件还包括设置在顶壳(201)上与通风管道(5)相对应的J型进风口(7),所述J型通风口(7)倒装固定在顶壳(201)上,所述J型进风口(7)的进气口处设有圆形滤网(701);
所述换气组件包括底部设有安装环(901)的换气管道(9),所述换气管道(9)通过安装环(901)安装在顶壳(201)上,所述换气管道(9)的顶部设有多个相同规格的支撑立柱(902),所述支撑立柱(902)的顶部固定有防雨顶(10),所述防雨顶(10)的高度大于支撑立柱(902)的高度,所述防雨顶(10)的开口处还设有环形滤网(1001),所述换气组件还包括设置在换气管道(9)内部中轴线上的上驱动杆(11),所述上驱动杆(11)上固定安装有一对换气叶轮(12),所述驱动杆(11)的上端滑动贯穿防雨顶(10)且与风力驱动扇叶(13)固定连接,所述上驱动杆(11)的底部通过传动构件(17)与下驱动杆(15)连接,所述下驱动杆(15)的底部与驱动电机(16)的输出端固定连接,所述驱动电机(16)固定安装在换气管道(9)的底部;
所述传动构件(17)包括底部与下驱动杆(15)同轴固定的驱动环(1701),所述驱动环(1701)的内壁上设有多组与驱动环(1701)铰接的驱动齿(1702),所述驱动齿(1702)与驱动环(1701)的铰接轴处还同轴设有复位卷簧(1703),所述复位卷簧(1703)的一端与驱动齿(1702)固定连接,所述复位卷簧(1703)的另一端与驱动环(1701)固定连接,所述传动构件(17)还包括与驱动环(15)同轴设置的从动棘齿轮(1704),所述从动棘齿轮(1704)的顶部与上驱动杆(11)的底部固定连接。
2.根据权利要求1所述的一种地埋电力设备的自通风结构,其特征在于,所述J型进风口(7)的内部还设有加热除湿器(702),所述加热除湿器(702)在气流前进方向的后方还设有湿度传感器(703)。
3.根据权利要求2所述的一种地埋电力设备的自通风结构,其特征在于,所述J型通风口(7)中还设有多个中空散热片(801),所述中空散热片(801)的底部边缘与顶壳(201)的上表面重合,所述顶壳(201)上还设有多个与J型进风口(7)相对应的蓄水池(8),所述蓄水池(8)与中空散热片(801)的一端相连通,所述中空散热片(801)的另一端设有泄水槽(802)。
4.根据权利要求1所述的一种地埋电力设备的自通风结构,其特征在于,还包括设置在防雨顶(10)顶部的防水机构(14),所述防水机构(14)与上驱动杆(11)滑动配合。
5.根据权利要求4所述的一种地埋电力设备的自通风结构,其特征在于,所述壳体(2)的顶部与顶壳(201)连接处设有配合凸台(202),所述顶壳(201)与壳体(1)通过螺栓配合孔(204)螺栓配合。
6.根据权利要求1所述的一种地埋电力设备的自通风结构,其特征在于,还包括设置在壳体(2)底部的安装座(1),所述安装座(1)与竖直壳体(2)间设有强度筋(101)。
7.根据权利要求1所述的一种地埋电力设备的自通风结构,其特征在于,还包括设置在壳体(2)内部底面的防潮支撑座(18),所述电力设备(19)安装在防潮支撑座(18)上。
CN202011535293.5A 2020-12-23 2020-12-23 一种地埋电力设备的自通风结构 Active CN112350200B (zh)

Priority Applications (1)

Application Number Priority Date Filing Date Title
CN202011535293.5A CN112350200B (zh) 2020-12-23 2020-12-23 一种地埋电力设备的自通风结构

Applications Claiming Priority (1)

Application Number Priority Date Filing Date Title
CN202011535293.5A CN112350200B (zh) 2020-12-23 2020-12-23 一种地埋电力设备的自通风结构

Publications (2)

Publication Number Publication Date
CN112350200A true CN112350200A (zh) 2021-02-09
CN112350200B CN112350200B (zh) 2023-09-15

Family

ID=74428135

Family Applications (1)

Application Number Title Priority Date Filing Date
CN202011535293.5A Active CN112350200B (zh) 2020-12-23 2020-12-23 一种地埋电力设备的自通风结构

Country Status (1)

Country Link
CN (1) CN112350200B (zh)

Citations (29)

* Cited by examiner, † Cited by third party
Publication number Priority date Publication date Assignee Title
JPH08322114A (ja) * 1995-05-25 1996-12-03 Nissin Electric Co Ltd 屋外用配電盤
KR200316748Y1 (ko) * 2003-02-21 2003-06-18 유창석 가로등용 전열 공냉장치
JP2003199219A (ja) * 2001-12-27 2003-07-11 Hitachi Ltd 地上設置形変圧器装置
JP2009208736A (ja) * 2008-03-06 2009-09-17 Toyota Motor Corp 吸気ダクトの配置構造
CN205583464U (zh) * 2016-05-04 2016-09-14 达州远大电气设备有限公司 一种户外两端降温配电柜
CN206585242U (zh) * 2017-03-10 2017-10-24 咸宁职业技术学院 一种无尘自洁开关柜
CN206712284U (zh) * 2017-04-07 2017-12-05 葛英兰 一种环保散热型配电柜装置
CN108024130A (zh) * 2017-12-21 2018-05-11 重庆巨时科技有限责任公司 一种带清洁和充电功能的机顶盒
CN108184156A (zh) * 2017-12-21 2018-06-19 重庆巨时科技有限责任公司 自我清洁式电视机顶盒
CN208187150U (zh) * 2018-03-08 2018-12-04 武城县冠智信息产业技术有限公司 一种雨水收集补水式冷却塔
CN109066415A (zh) * 2018-10-25 2018-12-21 湖南筱豪新能源有限公司 一种地埋式光伏变电站的通风散热系统
CN109787128A (zh) * 2019-03-08 2019-05-21 安庆市汇智科技咨询服务有限公司 一种双向对流式水冷散热型电气柜
CN208955479U (zh) * 2018-11-29 2019-06-07 贵州科纳德电气设备有限公司 一种散热通风效果好的组装式配电箱
CN208970944U (zh) * 2018-08-24 2019-06-11 河南中平川仪电气有限公司 一种便于散热的开关柜
CN109921324A (zh) * 2019-04-26 2019-06-21 华翔翔能电气股份有限公司 一种带智能无线传输模块的地埋变电站
CN110336204A (zh) * 2019-07-09 2019-10-15 无锡旭浦能源科技有限公司 用于光伏微电网的高防护型电力储能系统及其方法
CN209544846U (zh) * 2019-04-18 2019-10-25 安徽富煌电力装备科技有限公司 一种户外用光伏并网柜
CN209626784U (zh) * 2019-04-17 2019-11-12 华翔翔能电气股份有限公司 一种带隔离辐射功能的地埋变电站
CN110707562A (zh) * 2019-10-25 2020-01-17 湖北涵丰建筑劳务有限公司 一种新型的方便检修的建筑配电箱
CN210007237U (zh) * 2019-08-06 2020-01-31 华翔翔能电气股份有限公司 一种紧凑型通风地埋式变电站
CN110829199A (zh) * 2019-10-30 2020-02-21 莫庆锋 一种用于光伏发电站的电力电气配电柜
CN210201309U (zh) * 2019-07-15 2020-03-27 廊坊华川电气有限公司 地埋式配电变压器
CN110994415A (zh) * 2019-12-31 2020-04-10 姜争鸣 一种地埋电力设备的自通风结构
CN210723905U (zh) * 2019-12-17 2020-06-09 江苏顺继电气有限公司 一种户外用具有防雨防潮抽湿功能的配电柜
CN211267328U (zh) * 2019-10-21 2020-08-14 郑林 一种节能型户外通讯风冷柜
CN211266134U (zh) * 2019-12-23 2020-08-14 徐东升 一种具有防护功能的配电箱
CN111769473A (zh) * 2020-06-12 2020-10-13 华翔翔能科技股份有限公司 一种地埋式风电华式箱变变压器
CN211764755U (zh) * 2019-04-28 2020-10-27 桂林电子科技大学 电动助力水陆两用自行车
CN212012153U (zh) * 2020-05-25 2020-11-24 郑州易能科技有限公司 一种低压无功补偿控制盒

Patent Citations (29)

* Cited by examiner, † Cited by third party
Publication number Priority date Publication date Assignee Title
JPH08322114A (ja) * 1995-05-25 1996-12-03 Nissin Electric Co Ltd 屋外用配電盤
JP2003199219A (ja) * 2001-12-27 2003-07-11 Hitachi Ltd 地上設置形変圧器装置
KR200316748Y1 (ko) * 2003-02-21 2003-06-18 유창석 가로등용 전열 공냉장치
JP2009208736A (ja) * 2008-03-06 2009-09-17 Toyota Motor Corp 吸気ダクトの配置構造
CN205583464U (zh) * 2016-05-04 2016-09-14 达州远大电气设备有限公司 一种户外两端降温配电柜
CN206585242U (zh) * 2017-03-10 2017-10-24 咸宁职业技术学院 一种无尘自洁开关柜
CN206712284U (zh) * 2017-04-07 2017-12-05 葛英兰 一种环保散热型配电柜装置
CN108184156A (zh) * 2017-12-21 2018-06-19 重庆巨时科技有限责任公司 自我清洁式电视机顶盒
CN108024130A (zh) * 2017-12-21 2018-05-11 重庆巨时科技有限责任公司 一种带清洁和充电功能的机顶盒
CN208187150U (zh) * 2018-03-08 2018-12-04 武城县冠智信息产业技术有限公司 一种雨水收集补水式冷却塔
CN208970944U (zh) * 2018-08-24 2019-06-11 河南中平川仪电气有限公司 一种便于散热的开关柜
CN109066415A (zh) * 2018-10-25 2018-12-21 湖南筱豪新能源有限公司 一种地埋式光伏变电站的通风散热系统
CN208955479U (zh) * 2018-11-29 2019-06-07 贵州科纳德电气设备有限公司 一种散热通风效果好的组装式配电箱
CN109787128A (zh) * 2019-03-08 2019-05-21 安庆市汇智科技咨询服务有限公司 一种双向对流式水冷散热型电气柜
CN209626784U (zh) * 2019-04-17 2019-11-12 华翔翔能电气股份有限公司 一种带隔离辐射功能的地埋变电站
CN209544846U (zh) * 2019-04-18 2019-10-25 安徽富煌电力装备科技有限公司 一种户外用光伏并网柜
CN109921324A (zh) * 2019-04-26 2019-06-21 华翔翔能电气股份有限公司 一种带智能无线传输模块的地埋变电站
CN211764755U (zh) * 2019-04-28 2020-10-27 桂林电子科技大学 电动助力水陆两用自行车
CN110336204A (zh) * 2019-07-09 2019-10-15 无锡旭浦能源科技有限公司 用于光伏微电网的高防护型电力储能系统及其方法
CN210201309U (zh) * 2019-07-15 2020-03-27 廊坊华川电气有限公司 地埋式配电变压器
CN210007237U (zh) * 2019-08-06 2020-01-31 华翔翔能电气股份有限公司 一种紧凑型通风地埋式变电站
CN211267328U (zh) * 2019-10-21 2020-08-14 郑林 一种节能型户外通讯风冷柜
CN110707562A (zh) * 2019-10-25 2020-01-17 湖北涵丰建筑劳务有限公司 一种新型的方便检修的建筑配电箱
CN110829199A (zh) * 2019-10-30 2020-02-21 莫庆锋 一种用于光伏发电站的电力电气配电柜
CN210723905U (zh) * 2019-12-17 2020-06-09 江苏顺继电气有限公司 一种户外用具有防雨防潮抽湿功能的配电柜
CN211266134U (zh) * 2019-12-23 2020-08-14 徐东升 一种具有防护功能的配电箱
CN110994415A (zh) * 2019-12-31 2020-04-10 姜争鸣 一种地埋电力设备的自通风结构
CN212012153U (zh) * 2020-05-25 2020-11-24 郑州易能科技有限公司 一种低压无功补偿控制盒
CN111769473A (zh) * 2020-06-12 2020-10-13 华翔翔能科技股份有限公司 一种地埋式风电华式箱变变压器

Non-Patent Citations (2)

* Cited by examiner, † Cited by third party
Title
吴明;: "利用自然能实现通信基站环境降温控制的技术与应用", 电子技术与软件工程, no. 16, pages 21 - 23 *
罗大虎;邓桂勇;: "高压设备状态检修带电测量新手段技术研究及应用", 化工管理, no. 36, pages 117 *

Also Published As

Publication number Publication date
CN112350200B (zh) 2023-09-15

Similar Documents

Publication Publication Date Title
CN101755174B (zh) 用于加热气流的太阳能空气加热器
CN105896346B (zh) 防水控温电力柜
CN107914546A (zh) 一种汽车散热与制冷的太阳能装置和汽车
CN102410479A (zh) Led路灯
CN113540996B (zh) 一种水电站水力散热配电柜
CN112864900B (zh) 一种节能散热型配电柜
CN112350200A (zh) 一种地埋电力设备的自通风结构
CN118765098B (zh) 一种能搜集和储存冷源的5g通信基站冷却装置
CN111031740A (zh) 一种计算机网络工程柜
CN108644737A (zh) 一种车灯总成散热结构
CN220262585U (zh) 一种免维修静音充电桩
CN219626294U (zh) 一种户外灯杆双面反射式显示屏
JP6834636B2 (ja) 電気機器収納筐体
CN216252372U (zh) 新型轮毂电机高效散热结构
CN106454034A (zh) 一种室外红外灯摄像装置
CN212902093U (zh) 热泵机组
CN210223057U (zh) 一种防雨散热的信号机
CN223724250U (zh) 一种太阳能户外遮阳棚
CN222978089U (zh) 一种智能型led照明装置
CN222127420U (zh) 一种照明式低压配电箱
CN219228215U (zh) 一种冷热电三联供小机房散热结构
CN112178857A (zh) 一种节能建筑通风装置及通风方法
CN216300804U (zh) 一种节能充电装置
CN112993921A (zh) 一种节能环保型低压电缆分支箱
CN222634514U (zh) Led舞台灯

Legal Events

Date Code Title Description
PB01 Publication
PB01 Publication
SE01 Entry into force of request for substantive examination
SE01 Entry into force of request for substantive examination
GR01 Patent grant
GR01 Patent grant