CN112340554A - 一种电力施工用线缆盘辅助放线装置 - Google Patents
一种电力施工用线缆盘辅助放线装置 Download PDFInfo
- Publication number
- CN112340554A CN112340554A CN202011189770.7A CN202011189770A CN112340554A CN 112340554 A CN112340554 A CN 112340554A CN 202011189770 A CN202011189770 A CN 202011189770A CN 112340554 A CN112340554 A CN 112340554A
- Authority
- CN
- China
- Prior art keywords
- cable
- power construction
- sleeve
- plate
- electric power
- Prior art date
- Legal status (The legal status is an assumption and is not a legal conclusion. Google has not performed a legal analysis and makes no representation as to the accuracy of the status listed.)
- Withdrawn
Links
- 238000010276 construction Methods 0.000 title claims abstract description 21
- 238000003780 insertion Methods 0.000 claims abstract description 10
- 230000037431 insertion Effects 0.000 claims abstract description 10
- 230000005540 biological transmission Effects 0.000 description 2
- 238000010586 diagram Methods 0.000 description 2
- 238000000034 method Methods 0.000 description 2
- 230000009286 beneficial effect Effects 0.000 description 1
- 230000005587 bubbling Effects 0.000 description 1
- 238000009826 distribution Methods 0.000 description 1
- 230000000694 effects Effects 0.000 description 1
- 230000005611 electricity Effects 0.000 description 1
- 238000004519 manufacturing process Methods 0.000 description 1
- 238000003825 pressing Methods 0.000 description 1
- 238000005096 rolling process Methods 0.000 description 1
- 210000004243 sweat Anatomy 0.000 description 1
- 230000009466 transformation Effects 0.000 description 1
- 238000004804 winding Methods 0.000 description 1
Images
Classifications
-
- B—PERFORMING OPERATIONS; TRANSPORTING
- B65—CONVEYING; PACKING; STORING; HANDLING THIN OR FILAMENTARY MATERIAL
- B65H—HANDLING THIN OR FILAMENTARY MATERIAL, e.g. SHEETS, WEBS, CABLES
- B65H75/00—Storing webs, tapes, or filamentary material, e.g. on reels
- B65H75/02—Cores, formers, supports, or holders for coiled, wound, or folded material, e.g. reels, spindles, bobbins, cop tubes, cans, mandrels or chucks
- B65H75/34—Cores, formers, supports, or holders for coiled, wound, or folded material, e.g. reels, spindles, bobbins, cop tubes, cans, mandrels or chucks specially adapted or mounted for storing and repeatedly paying-out and re-storing lengths of material provided for particular purposes, e.g. anchored hoses, power cables
- B65H75/38—Cores, formers, supports, or holders for coiled, wound, or folded material, e.g. reels, spindles, bobbins, cop tubes, cans, mandrels or chucks specially adapted or mounted for storing and repeatedly paying-out and re-storing lengths of material provided for particular purposes, e.g. anchored hoses, power cables involving the use of a core or former internal to, and supporting, a stored package of material
- B65H75/44—Constructional details
-
- B—PERFORMING OPERATIONS; TRANSPORTING
- B65—CONVEYING; PACKING; STORING; HANDLING THIN OR FILAMENTARY MATERIAL
- B65H—HANDLING THIN OR FILAMENTARY MATERIAL, e.g. SHEETS, WEBS, CABLES
- B65H75/00—Storing webs, tapes, or filamentary material, e.g. on reels
- B65H75/02—Cores, formers, supports, or holders for coiled, wound, or folded material, e.g. reels, spindles, bobbins, cop tubes, cans, mandrels or chucks
- B65H75/34—Cores, formers, supports, or holders for coiled, wound, or folded material, e.g. reels, spindles, bobbins, cop tubes, cans, mandrels or chucks specially adapted or mounted for storing and repeatedly paying-out and re-storing lengths of material provided for particular purposes, e.g. anchored hoses, power cables
- B65H75/38—Cores, formers, supports, or holders for coiled, wound, or folded material, e.g. reels, spindles, bobbins, cop tubes, cans, mandrels or chucks specially adapted or mounted for storing and repeatedly paying-out and re-storing lengths of material provided for particular purposes, e.g. anchored hoses, power cables involving the use of a core or former internal to, and supporting, a stored package of material
- B65H75/40—Cores, formers, supports, or holders for coiled, wound, or folded material, e.g. reels, spindles, bobbins, cop tubes, cans, mandrels or chucks specially adapted or mounted for storing and repeatedly paying-out and re-storing lengths of material provided for particular purposes, e.g. anchored hoses, power cables involving the use of a core or former internal to, and supporting, a stored package of material mobile or transportable
- B65H75/42—Cores, formers, supports, or holders for coiled, wound, or folded material, e.g. reels, spindles, bobbins, cop tubes, cans, mandrels or chucks specially adapted or mounted for storing and repeatedly paying-out and re-storing lengths of material provided for particular purposes, e.g. anchored hoses, power cables involving the use of a core or former internal to, and supporting, a stored package of material mobile or transportable attached to, or forming part of, mobile tools, machines or vehicles
-
- B—PERFORMING OPERATIONS; TRANSPORTING
- B65—CONVEYING; PACKING; STORING; HANDLING THIN OR FILAMENTARY MATERIAL
- B65H—HANDLING THIN OR FILAMENTARY MATERIAL, e.g. SHEETS, WEBS, CABLES
- B65H2701/00—Handled material; Storage means
- B65H2701/30—Handled filamentary material
- B65H2701/34—Handled filamentary material electric cords or electric power cables
Landscapes
- Storing, Repeated Paying-Out, And Re-Storing Of Elongated Articles (AREA)
Abstract
本发明公开了一种电力施工用线缆盘辅助放线装置,涉及电力施工领域,针对现有的电力线缆盘不便转动调节,从而导致线缆盘上缠绕的线缆放线不便的问题,现提出如下方案,其包括底板和线缆盘,所述底板的顶端安装有呈竖向的电动伸缩杆,且所述电动伸缩杆的顶端固定连接有撑板,所述底板的一侧固定连接有呈竖向的背板,且所述背板远离底板的一侧固定安装有呈U型的把手,所述背板的内部沿其长度方向设置有滑槽,且滑槽内滑动安装有两个结构相同的滑块,所述滑块的侧边延伸至背板的外部铰接有套筒。本发明能够对不同尺寸的线缆盘进行稳定支撑,并且使得线缆盘能够绕着插杆转动,从而方便进行线缆盘的转动放线操作。
Description
技术领域
本发明涉及电力施工领域,尤其涉及一种电力施工用线缆盘辅助放线装置。
背景技术
电力工程,即与电能的生产、输送、分配有关的工程,广义上还包括把电作为动力和能源在多种领域中应用的工程。同时可理解到送变电业扩工程。
在电力施工过程中,由于线缆盘与地面接触,并且线缆盘自身质量以及线缆的质量整体较大,从而导致线缆盘不便转动调节,既线缆盘上缠绕的线缆放线不便,因此,为了解决此类问题,我们提出了一种电力施工用线缆盘辅助放线装置。
发明内容
本发明提出的一种电力施工用线缆盘辅助放线装置,解决了现有的电力线缆盘不便转动调节,从而导致线缆盘上缠绕的线缆放线不便的问题。
为了实现上述目的,本发明采用了如下技术方案:
一种电力施工用线缆盘辅助放线装置,包括底板和线缆盘,所述底板的顶端安装有呈竖向的电动伸缩杆,且所述电动伸缩杆的顶端固定连接有撑板,所述底板的一侧固定连接有呈竖向的背板,且所述背板远离底板的一侧固定安装有呈U型的把手,所述背板的内部沿其长度方向设置有滑槽,且滑槽内滑动安装有两个结构相同的滑块,所述滑块的侧边延伸至背板的外部铰接有套筒,且所述套筒的内部滑动安装有活动杆,所述活动杆的端部延伸至套筒的外部固定连接有插杆,所述套筒的圆周侧壁铰接有铰接杆,所述背板靠近底板的一侧沿其高度方向等间距设置有两组结构相同的挡板,且所述铰接杆搭设在挡板的顶端。
优选的,所述线缆盘的两侧均设置有插孔,且所述插孔与插杆匹配。
优选的,所述套筒的圆周侧壁螺纹安装有紧固螺栓,且所述紧固螺栓的端部延伸至套筒的内部与活动杆接触,且所述活动杆的端部延伸至套筒的内部固定连接有防脱块。
优选的,所述把手上转动安装有海绵滚筒。
优选的,所述把手上设置有控制按钮,且所述控制按钮与电动伸缩杆之间通过导向电性连接。
优选的,所述滑块的顶端螺纹安装有定位螺钉,且定位螺钉的端部延伸至背板的上方,所述背板的顶端沿其长度方向设有与定位螺钉配合的匹配槽。
优选的,所述滑块与滑槽的截面均呈T型设置。
优选的,所述撑板为弧形板,且撑板的弧形开口朝上设置。
优选的,所述挡板的上板面开设有固定槽。
优选的,所述挡板上的固定槽的截面呈三角形。
本发明的有益效果为:
1、通过电动伸缩杆以及撑板的配合能够将线缆盘有效撑起,并且通过调节定位螺钉,使得滑块能够在滑槽内部滑动,同时带动套筒、活动杆以及插杆移动,从而使得插杆能够插入到线缆盘内部,使得该装置能够对不同尺寸的线缆盘进行定位。
2、通过将套筒上的铰接杆搭设在合适位置的挡板上,使得该装置整体能够有效固定,并且通过电动伸缩杆带动撑板回收后,该装置能够对线缆盘进行稳定支撑,并且使得线缆盘绕着插杆转动,从而方便进行线缆盘的转动放线操作。
综上所述,该装置能够对不同尺寸的线缆盘进行稳定支撑,并且使得线缆盘能够绕着插杆转动,从而方便进行线缆盘的转动放线操作。
附图说明
图1为本发明的结构示意图。
图2为本发明的图1的剖面结构示意图。
图3为本发明的图2中A的放大结构示意图。
图4为本发明的俯视图。
图5为本发明的正面结构示意图。
图6为本发明的挡板截面剖视结构示意图。
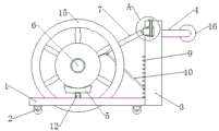
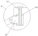
图中标号:1、底板;2、移动轮;3、背板;4、把手;5、撑板;6、插杆;7、套筒;8、活动杆;9、挡板;10、铰接杆;11、定位螺钉;12、电动伸缩杆;13、滑块;14、滑槽;15、线缆盘;16、海绵滚筒;17、匹配槽。
具体实施方式
下面将结合本发明实施例中的附图,对本发明实施例中的技术方案进行清楚、完整地描述,显然,所描述的实施例仅仅是本发明一部分实施例,而不是全部的实施例。
参照图1-6,一种电力施工用线缆盘辅助放线装置,包括底板1和线缆盘15,底板1的顶端安装有呈竖向的电动伸缩杆12,且电动伸缩杆12的顶端固定连接有撑板5,底板1的一侧固定连接有呈竖向的背板3,且背板3远离底板1的一侧固定安装有呈U型的把手4,背板3的内部沿其长度方向设置有滑槽14,且滑槽14内滑动安装有两个结构相同的滑块13,滑块13的侧边延伸至背板3的外部铰接有套筒7,且套筒7的内部滑动安装有活动杆8,活动杆8的端部延伸至套筒7的外部固定连接有插杆6,套筒7的圆周侧壁铰接有铰接杆10,背板3靠近底板1的一侧沿其高度方向等间距设置有两组结构相同的挡板9,且铰接杆10搭设在挡板9的顶端。
参照图1与图4,线缆盘15的两侧均设置有插孔,且插孔与插杆6匹配,插杆能够对线缆盘进行稳定支撑,并且与其保持相对转动,从而方便进行收放线缆操作。
套筒7的圆周侧壁螺纹安装有紧固螺栓,且紧固螺栓的端部延伸至套筒7的内部与活动杆8接触,且活动杆8的端部延伸至套筒7的内部固定连接有防脱块,紧固螺栓能够有效的套筒和活动杆的整体长度进行定位控制,放置套筒以及活动杆在对线缆盘进行支撑时出现松动。
参照图1、图2与图4,把手4上转动安装有海绵滚筒16,海绵滚筒是当施工人员推动把手时,对施工人员的手心汗液进行吸附,保持施工人员推动该装置的稳定性,并且能够对施工人员的手部进行有效保护,防止施工人员的手部与把手直接接触摩擦起泡。
把手4上设置有控制按钮,且控制按钮与电动伸缩杆12之间通过导向电性连接。
参照图1与图4,滑块13的顶端螺纹安装有定位螺钉11,且定位螺钉11的端部延伸至背板3的上方,背板3的顶端沿其长度方向设有与定位螺钉11配合的匹配槽17,定位螺钉能够有效的对滑块在滑槽内部进行定位,保证该装置能够通过滑块带动套筒以及活动杆的移动对不同尺寸的线缆盘进行稳定支撑。
参照图3,滑块13与滑槽14的截面均呈T型设置,滑块与滑槽呈T型能够保证套筒以及活动杆和插杆移动的稳定性。
参照图2,撑板5为弧形板,且撑板5的弧形开口朝上设置,弧形撑板5能够与线缆盘匹配,在对线缆盘撑起时,与线缆盘的接触面较大, 从而有效避免线缆盘在撑起时滚动。
参照图6,挡板9的上板面开设有固定槽,通过固定槽的设置,使活动杆抵在挡板上时,固定槽对活动杆有一个限位固定的作用,从而使活动杆对套筒的支撑更稳定,不会滑脱。
参照图6,挡板9上的固定槽的截面呈三角形,固定槽与活动杆的端部匹配,防止活动杆从挡板上脱落。
本实施例中的线缆盘辅助放线操作如下:
1、先将该装置整体推动至待放线的线缆盘15位置,并且使得底板1顶端的撑板5位于线缆盘15的正下方,然后按动把手4上的控制按钮,使其控制电动伸缩杆12延伸,将撑板5顶起,再通过撑板5将线缆盘15撑起,使得线缆盘15悬空。
2、拧动定位螺钉11,使得滑块13能够在滑槽14内部滑动,并且滑块13会带动套筒7以及活动杆8移动,活动杆8带动插杆6移动,然后再将插杆6插入到线缆盘15的插孔内部,并且转动铰接杆10,使得铰接杆10搭设在合适高度的挡板9上,使得套筒7、活动杆8、插杆6以及铰接杆10对该线缆盘15进行稳定支撑,然后再按动控制按钮,使得电动伸缩杆12带动撑板5下降至初始位置,然后即可抽拉线缆盘15上的线缆进行放线铺设操作即可。
以上所述,仅为本发明较佳的具体实施方式,但本发明的保护范围并不局限于此,任何熟悉本技术领域的技术人员在本发明揭露的技术范围内,根据本发明的技术方案及其发明构思加以等同替换或改变,都应涵盖在本发明的保护范围之内。
Claims (10)
1.一种电力施工用线缆盘辅助放线装置,包括底板(1)和线缆盘(15),其特征在于,所述底板(1)的顶端安装有呈竖向的电动伸缩杆(12),且所述电动伸缩杆(12)的顶端固定连接有撑板(5),所述底板(1)的一侧固定连接有呈竖向的背板(3),且所述背板(3)远离底板(1)的一侧固定安装有呈U型的把手(4),所述背板(3)的内部沿其长度方向设置有滑槽(14),且滑槽(14)内滑动安装有两个结构相同的滑块(13),所述滑块(13)的侧边延伸至背板(3)的外部铰接有套筒(7),且所述套筒(7)的内部滑动安装有活动杆(8),所述活动杆(8)的端部延伸至套筒(7)的外部固定连接有插杆(6),所述套筒(7)的圆周侧壁铰接有铰接杆(10),所述背板(3)靠近底板(1)的一侧沿其高度方向等间距设置有两组结构相同的挡板(9),且所述铰接杆(10)搭设在挡板(9)的顶端。
2.根据权利要求1所述的一种电力施工用线缆盘辅助放线装置,其特征在于,所述线缆盘(15)的两侧均设置有插孔,且所述插孔与插杆(6)匹配。
3.根据权利要求1所述的一种电力施工用线缆盘辅助放线装置,其特征在于,所述套筒(7)的圆周侧壁螺纹安装有紧固螺栓,且所述紧固螺栓的端部延伸至套筒(7)的内部与活动杆(8)接触,且所述活动杆(8)的端部延伸至套筒(7)的内部固定连接有防脱块。
4.根据权利要求1所述的一种电力施工用线缆盘辅助放线装置,其特征在于,所述把手(4)上转动安装有海绵滚筒(16)。
5.根据权利要求1所述的一种电力施工用线缆盘辅助放线装置,其特征在于,所述把手(4)上设置有控制按钮,且所述控制按钮与电动伸缩杆(12)之间通过导向电性连接。
6.根据权利要求1所述的一种电力施工用线缆盘辅助放线装置,其特征在于,所述滑块(13)的顶端螺纹安装有定位螺钉(11),且定位螺钉(11)的端部延伸至背板(3)的上方,所述背板(3)的顶端沿其长度方向设有与定位螺钉(11)配合的匹配槽(17)。
7.根据权利要求1所述的一种电力施工用线缆盘辅助放线装置,其特征在于,所述滑块(13)与滑槽(14)的截面均呈T型设置。
8.根据权利要求1所述的一种电力施工用线缆盘辅助放线装置,其特征在于,所述撑板(5)为弧形板,且撑板(5)的弧形开口朝上设置。
9.根据权利要求1所述的一种电力施工用线缆盘辅助放线装置,其特征在于,所述挡板(9)的上板面开设有固定槽。
10.根据权利要求9所述的一种电力施工用线缆盘辅助放线装置,其特征在于,所述挡板(9)上的固定槽的截面呈三角形。
Priority Applications (1)
| Application Number | Priority Date | Filing Date | Title |
|---|---|---|---|
| CN202011189770.7A CN112340554A (zh) | 2020-10-30 | 2020-10-30 | 一种电力施工用线缆盘辅助放线装置 |
Applications Claiming Priority (1)
| Application Number | Priority Date | Filing Date | Title |
|---|---|---|---|
| CN202011189770.7A CN112340554A (zh) | 2020-10-30 | 2020-10-30 | 一种电力施工用线缆盘辅助放线装置 |
Publications (1)
| Publication Number | Publication Date |
|---|---|
| CN112340554A true CN112340554A (zh) | 2021-02-09 |
Family
ID=74356548
Family Applications (1)
| Application Number | Title | Priority Date | Filing Date |
|---|---|---|---|
| CN202011189770.7A Withdrawn CN112340554A (zh) | 2020-10-30 | 2020-10-30 | 一种电力施工用线缆盘辅助放线装置 |
Country Status (1)
| Country | Link |
|---|---|
| CN (1) | CN112340554A (zh) |
Cited By (3)
| Publication number | Priority date | Publication date | Assignee | Title |
|---|---|---|---|---|
| CN113003322A (zh) * | 2021-02-24 | 2021-06-22 | 山东泰松工贸有限公司 | 一种用于全铁盘转动辅助装置 |
| CN113979189A (zh) * | 2021-11-09 | 2022-01-28 | 扬州市工二电力机具有限公司 | 一种具有临时加工功能的自动化智能线缆放线机 |
| CN119117453A (zh) * | 2024-10-12 | 2024-12-13 | 启东易电储能科技有限公司 | 一种供电用线缆盘定位装置 |
-
2020
- 2020-10-30 CN CN202011189770.7A patent/CN112340554A/zh not_active Withdrawn
Cited By (4)
| Publication number | Priority date | Publication date | Assignee | Title |
|---|---|---|---|---|
| CN113003322A (zh) * | 2021-02-24 | 2021-06-22 | 山东泰松工贸有限公司 | 一种用于全铁盘转动辅助装置 |
| CN113979189A (zh) * | 2021-11-09 | 2022-01-28 | 扬州市工二电力机具有限公司 | 一种具有临时加工功能的自动化智能线缆放线机 |
| CN113979189B (zh) * | 2021-11-09 | 2022-07-08 | 扬州市工二电力机具有限公司 | 一种具有临时加工功能的自动化智能线缆放线机 |
| CN119117453A (zh) * | 2024-10-12 | 2024-12-13 | 启东易电储能科技有限公司 | 一种供电用线缆盘定位装置 |
Similar Documents
| Publication | Publication Date | Title |
|---|---|---|
| CN112340554A (zh) | 一种电力施工用线缆盘辅助放线装置 | |
| WO2021208422A1 (zh) | 一种用于电力施工用的便于调节线缆张力的牵引装置 | |
| CN216105398U (zh) | 一种便于移动的多种电缆同时放线的电缆放线架 | |
| CN209127814U (zh) | 一种电力电缆放线装置 | |
| CN117185059A (zh) | 一种基于供电施工的辅助装置 | |
| CN113968514B (zh) | 一种应用于市政电力建设的多功能电缆放线装置 | |
| CN111776841B (zh) | 用于硬质线缆的放线装置 | |
| CN214989230U (zh) | 电力线路直线放线器 | |
| CN107293993A (zh) | 电力系统导线放线提升工具 | |
| CN213622698U (zh) | 一种用于电力施工的电缆放线器 | |
| CN219173921U (zh) | 一种具有线缆保护功能的公路施工用放缆装置 | |
| CN218809685U (zh) | 一种线路放线器 | |
| CN206735553U (zh) | 一种电缆的自动卷放机 | |
| CN213691591U (zh) | 通信绞线防跳股绞合设备 | |
| CN211569675U (zh) | 一种防缠线的放线架 | |
| CN115000837A (zh) | 一种隧道狭小空间使用的可移动式配电箱小车 | |
| CN115196409A (zh) | 一种供电施工用辅助放线装置 | |
| CN220906836U (zh) | 一种电缆放线装置 | |
| CN223261147U (zh) | 一种建筑工程施工用电力架线装置 | |
| CN221318683U (zh) | 一种电力建设用电缆放线设备 | |
| CN210824820U (zh) | 一种电力工程用自动收线装置 | |
| CN219823197U (zh) | 一种电缆放线设备 | |
| CN220264689U (zh) | 一种可调节的电缆放线架 | |
| CN218300761U (zh) | 一种粉尘车间线缆铺设用桥架 | |
| CN217780334U (zh) | 一种可自锁定矿山机电设备用放线装置 |
Legal Events
| Date | Code | Title | Description |
|---|---|---|---|
| PB01 | Publication | ||
| PB01 | Publication | ||
| SE01 | Entry into force of request for substantive examination | ||
| SE01 | Entry into force of request for substantive examination | ||
| WW01 | Invention patent application withdrawn after publication |
Application publication date: 20210209 |
|
| WW01 | Invention patent application withdrawn after publication |