CN112273855A - 一种收放显示器以及键盘的办公桌 - Google Patents

一种收放显示器以及键盘的办公桌 Download PDF

Info

Publication number
CN112273855A
CN112273855A CN202011251203.XA CN202011251203A CN112273855A CN 112273855 A CN112273855 A CN 112273855A CN 202011251203 A CN202011251203 A CN 202011251203A CN 112273855 A CN112273855 A CN 112273855A
Authority
CN
China
Prior art keywords
auxiliary
wall
fixed
groove
cavity
Prior art date
Legal status (The legal status is an assumption and is not a legal conclusion. Google has not performed a legal analysis and makes no representation as to the accuracy of the status listed.)
Granted
Application number
CN202011251203.XA
Other languages
English (en)
Other versions
CN112273855B (zh
Inventor
魏淑媛
Current Assignee (The listed assignees may be inaccurate. Google has not performed a legal analysis and makes no representation or warranty as to the accuracy of the list.)
Hebei Shuntian Technology Group Co.,Ltd.
Original Assignee
Individual
Priority date (The priority date is an assumption and is not a legal conclusion. Google has not performed a legal analysis and makes no representation as to the accuracy of the date listed.)
Filing date
Publication date
Application filed by Individual filed Critical Individual
Priority to CN202011251203.XA priority Critical patent/CN112273855B/zh
Publication of CN112273855A publication Critical patent/CN112273855A/zh
Application granted granted Critical
Publication of CN112273855B publication Critical patent/CN112273855B/zh
Active legal-status Critical Current
Anticipated expiration legal-status Critical

Links

Images

Classifications

    • AHUMAN NECESSITIES
    • A47FURNITURE; DOMESTIC ARTICLES OR APPLIANCES; COFFEE MILLS; SPICE MILLS; SUCTION CLEANERS IN GENERAL
    • A47BTABLES; DESKS; OFFICE FURNITURE; CABINETS; DRAWERS; GENERAL DETAILS OF FURNITURE
    • A47B21/00Tables or desks for office equipment, e.g. typewriters, keyboards
    • A47B21/007Tables or desks for office equipment, e.g. typewriters, keyboards with under-desk displays, e.g. displays being viewable through a transparent working surface of the table or desk
    • A47B21/0073Tables or desks for office equipment, e.g. typewriters, keyboards with under-desk displays, e.g. displays being viewable through a transparent working surface of the table or desk liftable above the desk top
    • AHUMAN NECESSITIES
    • A47FURNITURE; DOMESTIC ARTICLES OR APPLIANCES; COFFEE MILLS; SPICE MILLS; SUCTION CLEANERS IN GENERAL
    • A47BTABLES; DESKS; OFFICE FURNITURE; CABINETS; DRAWERS; GENERAL DETAILS OF FURNITURE
    • A47B21/00Tables or desks for office equipment, e.g. typewriters, keyboards
    • A47B21/04Tables or desks for office equipment, e.g. typewriters, keyboards characterised by means for holding or fastening typewriters or computer equipment
    • AHUMAN NECESSITIES
    • A47FURNITURE; DOMESTIC ARTICLES OR APPLIANCES; COFFEE MILLS; SPICE MILLS; SUCTION CLEANERS IN GENERAL
    • A47BTABLES; DESKS; OFFICE FURNITURE; CABINETS; DRAWERS; GENERAL DETAILS OF FURNITURE
    • A47B97/00Furniture or accessories for furniture, not provided for in other groups of this subclass
    • BPERFORMING OPERATIONS; TRANSPORTING
    • B08CLEANING
    • B08BCLEANING IN GENERAL; PREVENTION OF FOULING IN GENERAL
    • B08B1/00Cleaning by methods involving the use of tools
    • B08B1/10Cleaning by methods involving the use of tools characterised by the type of cleaning tool
    • BPERFORMING OPERATIONS; TRANSPORTING
    • B08CLEANING
    • B08BCLEANING IN GENERAL; PREVENTION OF FOULING IN GENERAL
    • B08B1/00Cleaning by methods involving the use of tools
    • B08B1/20Cleaning of moving articles, e.g. of moving webs or of objects on a conveyor

Landscapes

  • Engineering & Computer Science (AREA)
  • Computer Hardware Design (AREA)
  • General Engineering & Computer Science (AREA)
  • Devices For Indicating Variable Information By Combining Individual Elements (AREA)
  • Input From Keyboards Or The Like (AREA)
  • Casings For Electric Apparatus (AREA)

Abstract

本发明公开了一种收放显示器以及键盘的办公桌,包括第一箱体,所述第一箱体内设有空腔,所述空腔内设有主齿轮,所述主齿轮固定有转动连接于所述空腔左右内壁且左右对称的主轴;本发明是一种将电脑显示器以及键盘从办公桌上收回的装置,该装置在将显示器以及键盘收回后,有挡板将槽封闭起来,防止东西掉落,该装置还有调节键盘、显示器的仰角以及显示器水平转动的角度的功能,能适应不同的人,该装置能将键盘收回后封闭起来,防止落灰,在将显示器收回后会将液晶屏擦拭,减少落灰,整体结构较为简单。

Description

一种收放显示器以及键盘的办公桌
技术领域
本发明涉及办公桌领域,具体为一种收放显示器以及键盘的办公桌。
背景技术
在大家上班的过程中都会用到办公桌,而办公桌上最常见的就是电脑的显示器以及键盘了,这会占据办公桌的大部分面积,一旦东西多了或者需要有足够的空间进行工作则会导致工作无法进行,且现在键盘和显示器就放在桌面上,时间长了容易积灰,影响使用寿命,需要有一种能将电脑显示器以及键盘等收进办公桌内且将键盘以及显示器进行除尘的装置。
发明内容
本发明要解决的技术问题是提供一种收放显示器以及键盘的办公桌,解决了无自动将键盘以及显示器收在桌子里面且可控制键盘以及显示器角度的功能的问题。
本发明是通过以下技术方案来实现的。
本发明的一种收放显示器以及键盘的办公桌,包括第一箱体,所述第一箱体内设有空腔,所述空腔内设有主齿轮,所述主齿轮固定有转动连接于所述空腔左右内壁且左右对称的主轴,所述主齿轮下侧啮合连接有副齿轮,所述副齿轮右侧转动连接有固定于所述空腔后侧内壁的固定电机,所述空腔前后内壁固定有固定板,所述固定板滑动连接有左右对称的两个齿条,所述齿条上侧设有抵接于所述固定板上侧的支撑块,左侧所述支撑块内设有开口向上的支撑腔,右侧所述支撑块内设有通槽,所述通槽内壁滑动连接有固定于右侧所述齿条上侧的转盘,所述转盘上侧固定有电机,所述电机上侧转动连接有啮合连接于所述通槽内壁的转轮,所述齿条前侧啮合连接有齿轮,所述齿轮固定有转动连接于所述空腔内壁的转轴,所述转轴与所述主轴之间通过皮带连接,右侧所述转轴远离所述副齿轮一侧固定有主轮,所述主轮转动连接有副轮,所述副轮上侧设有固定于所述空腔右侧内壁的第一固定块,所述第一固定块内设有滑槽,所述滑槽内壁滑动连接有滑块,所述滑块左侧转动连接有皮带轮,所述滑块后侧与所述滑槽内壁之间设有弹簧,所述第一固定块上侧设有滑动连接于所述空腔右侧内壁的滑动块,所述滑动块转动连接有向左延伸的副转轴,所述副转轴与所述皮带轮以及所述副轮之间通过副皮带连接,所述副转轴内设有开口朝左的副转轴槽,所述副转轴槽内壁花键连接有向左延伸的副轴,所述副轴左侧固定有擦拭柱,所述副轴右侧与所述副转轴槽内壁之间设有拉伸弹簧,所述副轴后侧设有固定于所述空腔前后内壁的T形柱,所述T形柱竖直段内设有副滑槽,所述副滑槽内壁滑动连接有副滑块,所述副滑块下侧与所述副滑槽内壁之间设有压缩弹簧,所述副滑块转动连接有花键连接于所述副轴的花键套筒,所述花键套筒左侧设有转动连接于所述副轴的转动块,所述转动块与右侧所述齿条之间连接有拉索,所述空腔上侧设有防止掉落的防掉装置,右侧所述支撑块上侧设有夹持显示器的夹持装置,所述支撑腔内设有存放键盘的存放装置。
优选地,所述防掉装置包括贯穿于所述空腔上侧内壁且关于所述主齿轮左右对称的两个贯通槽,所述贯通槽远离所述主齿轮一侧设有位于所述第一箱体内且贯通连接于所述贯通槽的连接槽,所述连接槽下侧内壁滑动连接有滑板,所述滑板下侧固定有螺纹连接于所述主轴的衔接杆,所述滑板设有位于所述贯通槽内且相互平行的两组顶起件,一组所述顶起件包括转动连接于滑板的连接杆,所述连接杆转,动连接有副连接杆,所述副连接杆右侧转动连接有移动块,所述移动块滑动连接有位于所述滑板内的移动槽,所述移动块靠近所述主齿轮一侧与所述移动槽内壁之间设有复位弹簧,两个所述连接杆上侧转动连接有滑动连接于所述贯通槽内壁的挡板。
优选地,所述夹持装置包括固定于右侧所述支撑块上侧的连接板,所述连接板内设有开口朝前的环形槽,所述环形槽内壁转动连接有与所述环形槽共圆心的圆板,所述圆板前侧固定有主电机,所述主电机上侧转动连接有主传动轮,所述主传动轮左侧啮合连接有副传动轮,所述副传动轮固定有上下延伸的螺纹杆,所述螺纹杆螺纹连接有左右对称且上下对称的两个夹持杆,所述圆板内设有关于所述螺纹杆左右对称且滑动连接于所述夹持杆后侧的两个竖槽,所述竖槽内设有位于两个所述夹持杆之间的衔接弹簧,所述圆板外侧与所述环形槽内壁之间啮合连接有固定于所述环形槽前后内壁的四个啮合轮,右侧所述啮合轮后侧转动连接有固定于所述环形槽后侧内壁的副电机。
优选地,所述存放装置包括固定于所述支撑腔下侧内壁的电动推杆,所述电动推杆上侧固定有左右对称的滑动杆,所述滑动杆滑动连接有固定于所述支撑腔下侧内壁且左右对称的两个固定轴,所述滑动杆上侧固定有延伸杆,所述延伸杆转动连接有键盘架,所述键盘架水平段内设有位于所述延伸杆右侧的副移动槽,所述副移动槽内壁滑动连接有副移动块,所述副移动块转动连接有向下延伸且滑动连接于所述滑动杆水平段的滑杆,所述滑杆右侧啮合连接有转动轮,所述转动轮后侧转动连接有固定于所述滑动杆水平段上侧的驱动电机,所述支撑腔上侧内壁滑动连接有关于所述电动推杆左右对称且位于所述固定轴上侧的两个斜面块,所述斜面块远离所述电动推杆一侧与所述支撑腔内壁之间设有副弹簧。
优选地,所述空腔上侧内壁固定有上下延伸且关于左侧所述连接槽前后对称的两个排水管,所述排水管下侧贯通连接有固定于所述空腔左侧内壁的废水箱。
本发明的有益效果:本发明是一种将电脑显示器以及键盘从办公桌上收回的装置,该装置在将显示器以及键盘收回后,有挡板将槽封闭起来,防止东西掉落,该装置还有调节键盘、显示器的仰角以及显示器水平转动的角度的功能,能适应不同的人,该装置能将键盘收回后封闭起来,防止落灰,在将显示器收回后会将液晶屏擦拭,减少落灰,整体结构较为简单。
附图说明
为了更清楚地说明发明实施例或现有技术中的技术方案,下面将对实施例或现有技术描述中所需要使用的附图作简单地介绍,显而易见地,下面描述中的附图仅仅是发明的一些实施例,对于本领域普通技术人员来讲,在不付出创造性劳动的前提下,还可以根据这些附图获得其他的附图。
图 1 是本发明实施例的结构示意图;
图 2 是本发明实施例图1中左侧的支撑块的内部放大示意图;
图 3 是本发明实施例图1中连接板的内部放大示意图;
图 4 是本发明实施例图1中A-A处放大示意图;
图 5 是本发明实施例图1中B-B处放大示意图。
具体实施方式
下面结合图1-5对本发明进行详细说明,其中,为叙述方便,现对下文所说的方位规定如下:下文所说的上下左右前后方向与图1本身投影关系的上下左右前后方向一致。
结合附图1-5所述的一种收放显示器以及键盘的办公桌,包括第一箱体11,所述第一箱体11内设有空腔12,所述空腔12内设有主齿轮24,所述主齿轮24固定有转动连接于所述空腔12左右内壁且左右对称的主轴83,所述主齿轮24下侧啮合连接有副齿轮25,所述副齿轮25右侧转动连接有固定于所述空腔12后侧内壁的固定电机26,所述空腔12前后内壁固定有固定板50,所述固定板50滑动连接有左右对称的两个齿条51,所述齿条51上侧设有抵接于所述固定板50上侧的支撑块53,左侧所述支撑块53内设有开口向上的支撑腔57,右侧所述支撑块53内设有通槽47,所述通槽47内壁滑动连接有固定于右侧所述齿条51上侧的转盘48,所述转盘48上侧固定有电机45,所述电机45上侧转动连接有啮合连接于所述通槽47内壁的转轮46,所述齿条51前侧啮合连接有齿轮52,所述齿轮52固定有转动连接于所述空腔12内壁的转轴54,所述转轴54与所述主轴83之间通过皮带55连接,右侧所述转轴54远离所述副齿轮25一侧固定有主轮81,所述主轮81转动连接有副轮82,所述副轮82上侧设有固定于所述空腔12右侧内壁的第一固定块41,所述第一固定块41内设有滑槽79,所述滑槽79内壁滑动连接有滑块40,所述滑块40左侧转动连接有皮带轮39,所述滑块40后侧与所述滑槽79内壁之间设有弹簧80,所述第一固定块41上侧设有滑动连接于所述空腔12右侧内壁的滑动块34,所述滑动块34转动连接有向左延伸的副转轴35,所述副转轴35与所述皮带轮39以及所述副轮82之间通过副皮带38连接,所述副转轴35内设有开口朝左的副转轴槽36,所述副转轴槽36内壁花键连接有向左延伸的副轴30,所述副轴30左侧固定有擦拭柱29,所述副轴30右侧与所述副转轴槽36内壁之间设有拉伸弹簧37,所述副轴30后侧设有固定于所述空腔12前后内壁的T形柱31,所述T形柱31竖直段内设有副滑槽32,所述副滑槽32内壁滑动连接有副滑块33,所述副滑块33下侧与所述副滑槽32内壁之间设有压缩弹簧44,所述副滑块33转动连接有花键连接于所述副轴30的花键套筒42,所述花键套筒42左侧设有转动连接于所述副轴30的转动块43,所述转动块43与右侧所述齿条51之间连接有拉索49,所述空腔12上侧设有防止掉落的防掉装置901,右侧所述支撑块53上侧设有夹持显示器的夹持装置902,所述支撑腔57内设有存放键盘的存放装置903。
有益地,所述防掉装置901包括贯穿于所述空腔12上侧内壁且关于所述主齿轮24左右对称的两个贯通槽23,所述贯通槽23远离所述主齿轮24一侧设有位于所述第一箱体11内且贯通连接于所述贯通槽23的连接槽15,所述连接槽15下侧内壁滑动连接有滑板16,所述滑板16下侧固定有螺纹连接于所述主轴83的衔接杆14,所述滑板16设有位于所述贯通槽23内且相互平行的两组顶起件,一组所述顶起件包括转动连接于滑板16的连接杆17,所述连接杆17转,动连接有副连接杆18,所述副连接杆18右侧转动连接有移动块19,所述移动块19滑动连接有位于所述滑板16内的移动槽20,所述移动块19靠近所述主齿轮24一侧与所述移动槽20内壁之间设有复位弹簧21,两个所述连接杆17上侧转动连接有滑动连接于所述贯通槽23内壁的挡板22,所述主轴83转动使得所述衔接杆14带动所述滑板16沿着所述连接槽15下侧内壁向远离所述主齿轮24一侧滑动,所述滑板16通过所述连接杆17以及所述副连接杆18使得所述挡板22沿着所述贯通槽23内壁向下移动后再沿着所述连接槽15上侧内壁向远离所述主齿轮24一侧移动,使得所述贯通槽23被打开,便于显示器和键盘上升。
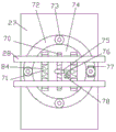
有益地,所述夹持装置902包括固定于右侧所述支撑块53上侧的连接板27,所述连接板27内设有开口朝前的环形槽72,所述环形槽72内壁转动连接有与所述环形槽72共圆心的圆板74,所述圆板74前侧固定有主电机78,所述主电机78上侧转动连接有主传动轮76,所述主传动轮76左侧啮合连接有副传动轮75,所述副传动轮75固定有上下延伸的螺纹杆70,所述螺纹杆70螺纹连接有左右对称且上下对称的两个夹持杆28,所述圆板74内设有关于所述螺纹杆70左右对称且滑动连接于所述夹持杆28后侧的两个竖槽84,所述竖槽84内设有位于两个所述夹持杆28之间的衔接弹簧71,所述圆板74外侧与所述环形槽72内壁之间啮合连接有固定于所述环形槽72前后内壁的四个啮合轮73,右侧所述啮合轮73后侧转动连接有固定于所述环形槽72后侧内壁的副电机77,所述主电机78使得所述主传动轮76转动,所述主传动轮76使得所述副传动轮75带动所述螺纹杆70转动,使得两个所述夹持杆28沿着所述竖槽84内壁向靠近所述副传动轮75一侧移动,将显示器夹紧,所述副电机77使得所述啮合轮73转动,使得所述圆板74沿着所述环形槽72前侧内壁转动,使得显示器的角度可控。
有益地,所述存放装置903包括固定于所述支撑腔57下侧内壁的电动推杆60,所述电动推杆60上侧固定有左右对称的滑动杆59,所述滑动杆59滑动连接有固定于所述支撑腔57下侧内壁且左右对称的两个固定轴58,所述滑动杆59上侧固定有延伸杆66,所述延伸杆66转动连接有键盘架67,所述键盘架67水平段内设有位于所述延伸杆66右侧的副移动槽65,所述副移动槽65内壁滑动连接有副移动块64,所述副移动块64转动连接有向下延伸且滑动连接于所述滑动杆59水平段的滑杆63,所述滑杆63右侧啮合连接有转动轮62,所述转动轮62后侧转动连接有固定于所述滑动杆59水平段上侧的驱动电机61,所述支撑腔57上侧内壁滑动连接有关于所述电动推杆60左右对称且位于所述固定轴58上侧的两个斜面块68,所述斜面块68远离所述电动推杆60一侧与所述支撑腔57内壁之间设有副弹簧69,所述电动推杆60使得所述滑动杆59沿着所述固定轴58向上移动,同时所述延伸杆66使得所述键盘架67一起向上移动,所述滑动杆59竖直段与所述斜面块68倾斜侧抵接使得所述斜面块68向远离所述电动推杆60一侧移动,使得所述副弹簧69被压缩,所述支撑腔57上侧被打开,方便键盘顶出,所述驱动电机61使得所述转动轮62转动,所述转动轮62通过啮合使得所述滑杆63沿着所述滑动杆59滑动,通过所述副移动块64沿着所述副移动槽65内壁滑动,使得所述键盘架67转动,可以改变键盘的倾斜角。
有益地,所述空腔12上侧内壁固定有上下延伸且关于左侧所述连接槽15前后对称的两个排水管13,所述排水管13下侧贯通连接有固定于所述空腔12左侧内壁的废水箱56,使得打翻的水及时排出。
初始状态下,固定电机26、驱动电机61、主电机78、副电机77、电动推杆60处于关闭状态,复位弹簧21、压缩弹簧44、副弹簧69、衔接弹簧71、弹簧80处于压缩状态,拉索49、副转轴槽36处于拉伸状态。
工作时,将电脑的显示器放置在两个夹持杆28之间,使得液晶屏向下,防止灰尘累积,将键盘放置在键盘架67上侧,启动主电机78,使得主传动轮76转动,主传动轮76通过啮合使得副传动轮75带动螺纹杆70转动,螺纹杆70通过螺纹连接使得上下两个夹持杆28沿着竖槽84内壁向靠近副传动轮75一侧移动,同时衔接弹簧71会被压缩,将显示器两侧夹紧,启动固定电机26,使得副齿轮25转动,副齿轮25通过啮合使得主齿轮24带动主轴83转动,主轴83通过皮带55使得转轴54转动,转轴54使得齿轮52转动,齿轮52通过啮合使得齿条51沿着固定板50向上移动,同时推动支撑块53向上移动,主轴83转动的同时通过螺纹使得衔接杆14带动滑板16沿着连接槽15下侧内壁向远离主齿轮24一侧移动,通过连接杆17以及副连接杆18带动挡板22先沿着贯通槽23内壁下滑然后再沿着连接槽15上侧内壁向远离主齿轮24一侧滑动,此时移动块19会沿着移动槽20内壁滑动,使得复位弹簧21被压缩,复位弹簧21有支撑挡板22的作用,防止在挡板22下移的时候突然掉落,此时两个支撑块53带动键盘以及显示器经过贯通槽23向上移动至第一箱体11上侧,启动副电机77,使得右侧的啮合轮73转动,通过啮合使得圆板74带动显示器沿着环形槽72内壁转动,使得夹持杆28夹着的显示器转动一定角度,启动电机45,使得转轮46转动,通过啮合使得右侧的支撑块53转动,使得带动显示器转动一定角度,使得适合使用者是观看角度,启动电动推杆60,使得滑动杆59沿着固定轴58向上移动,同时滑动杆59推动延伸杆66以及键盘架67向上移动,滑动杆59的竖直段与副弹簧69的倾斜侧抵接后,使得斜面块68沿着支撑腔57上侧内壁向远离电动推杆60一侧移动,使得支撑腔57上侧被打开,副弹簧69被压缩,此时键盘架67上侧的键盘即移动至左侧支撑块53上侧,启动驱动电机61使得转动轮62转动,转动轮62通过啮合使得滑杆63沿着滑动杆59移动,使得键盘架67转动一定角度,即键盘抬起一定角度,此时副移动块64会沿着副移动槽65内壁滑动,当不使用时,只需再次启动固定电机26,使其翻转,使得两个支撑块53带动键盘以及显示器进入装置内即可,当夹持杆28夹持着显示器下移时,启动副电机77,使得显示器的液晶屏朝下,且右侧的齿条51向下移动会通过拉索49拉动转动块43向左移动,同时副轴30会沿着花键套筒42向左移动,副转轴槽36被拉伸,由于右侧的转轴54转动,使得主轮81转动,且主轮81与副轮82之间的转动关系使得支撑块53下移时可以使得主轮81带动副轮82转动,副轮82通过副皮带38使得副转轴35转动,副转轴35通过花键使得副轴30带动擦拭柱29将朝下的液晶屏转动擦拭,且由于此时的液晶屏还是向下移动的,使得副轴30带动副滑块33沿着副滑槽32内壁向下滑动,同时滑动块34沿着空腔12右侧内壁向下滑动,固定电机26停止后即使得擦拭工作停止,通过电动推杆60启动使得滑动杆59下移可以使得斜面块68将支撑腔57上侧封闭住,防止灰尘污染键盘,不小心洒出的水可以经过排水管13被收集进废水箱56内。
结束时,关闭固定电机26、驱动电机61、主电机78、副电机77、电动推杆60。
上述实施例只为说明本发明的技术构思及特点,其目的在于让熟悉此领域技术的人士能够了解本发明内容并加以实施,并不能以此限制本发明的保护范围。凡根据本发明精神实质所作的等效变化或修饰,都应涵盖在本发明的保护范围内。

Claims (5)

1.一种收放显示器以及键盘的办公桌,包括第一箱体,所述第一箱体内设有空腔,所述空腔内设有主齿轮,所述主齿轮固定有转动连接于所述空腔左右内壁且左右对称的主轴,其特征在于:所述主齿轮下侧啮合连接有副齿轮,所述副齿轮右侧转动连接有固定于所述空腔后侧内壁的固定电机,所述空腔前后内壁固定有固定板,所述固定板滑动连接有左右对称的两个齿条,所述齿条上侧设有抵接于所述固定板上侧的支撑块,左侧所述支撑块内设有开口向上的支撑腔,右侧所述支撑块内设有通槽,所述通槽内壁滑动连接有固定于右侧所述齿条上侧的转盘,所述转盘上侧固定有电机,所述电机上侧转动连接有啮合连接于所述通槽内壁的转轮,所述齿条前侧啮合连接有齿轮,所述齿轮固定有转动连接于所述空腔内壁的转轴,所述转轴与所述主轴之间通过皮带连接,右侧所述转轴远离所述副齿轮一侧固定有主轮,所述主轮转动连接有副轮,所述副轮上侧设有固定于所述空腔右侧内壁的第一固定块,所述第一固定块内设有滑槽,所述滑槽内壁滑动连接有滑块,所述滑块左侧转动连接有皮带轮,所述滑块后侧与所述滑槽内壁之间设有弹簧,所述第一固定块上侧设有滑动连接于所述空腔右侧内壁的滑动块,所述滑动块转动连接有向左延伸的副转轴,所述副转轴与所述皮带轮以及所述副轮之间通过副皮带连接,所述副转轴内设有开口朝左的副转轴槽,所述副转轴槽内壁花键连接有向左延伸的副轴,所述副轴左侧固定有擦拭柱,所述副轴右侧与所述副转轴槽内壁之间设有拉伸弹簧,所述副轴后侧设有固定于所述空腔前后内壁的T形柱,所述T形柱竖直段内设有副滑槽,所述副滑槽内壁滑动连接有副滑块,所述副滑块下侧与所述副滑槽内壁之间设有压缩弹簧,所述副滑块转动连接有花键连接于所述副轴的花键套筒,所述花键套筒左侧设有转动连接于所述副轴的转动块,所述转动块与右侧所述齿条之间连接有拉索,所述空腔上侧设有防止掉落的防掉装置,右侧所述支撑块上侧设有夹持显示器的夹持装置,所述支撑腔内设有存放键盘的存放装置。
2.根据权利要求 1 所述的一种收放显示器以及键盘的办公桌,其特征在于:所述防掉装置包括贯穿于所述空腔上侧内壁且关于所述主齿轮左右对称的两个贯通槽,所述贯通槽远离所述主齿轮一侧设有位于所述第一箱体内且贯通连接于所述贯通槽的连接槽,所述连接槽下侧内壁滑动连接有滑板,所述滑板下侧固定有螺纹连接于所述主轴的衔接杆,所述滑板设有位于所述贯通槽内且相互平行的两组顶起件,一组所述顶起件包括转动连接于滑板的连接杆,所述连接杆转,动连接有副连接杆,所述副连接杆右侧转动连接有移动块,所述移动块滑动连接有位于所述滑板内的移动槽,所述移动块靠近所述主齿轮一侧与所述移动槽内壁之间设有复位弹簧,两个所述连接杆上侧转动连接有滑动连接于所述贯通槽内壁的挡板。
3.根据权利要求 2所述的一种收放显示器以及键盘的办公桌,其特征在于:所述夹持装置包括固定于右侧所述支撑块上侧的连接板,所述连接板内设有开口朝前的环形槽,所述环形槽内壁转动连接有与所述环形槽共圆心的圆板,所述圆板前侧固定有主电机,所述主电机上侧转动连接有主传动轮,所述主传动轮左侧啮合连接有副传动轮,所述副传动轮固定有上下延伸的螺纹杆,所述螺纹杆螺纹连接有左右对称且上下对称的两个夹持杆,所述圆板内设有关于所述螺纹杆左右对称且滑动连接于所述夹持杆后侧的两个竖槽,所述竖槽内设有位于两个所述夹持杆之间的衔接弹簧,所述圆板外侧与所述环形槽内壁之间啮合连接有固定于所述环形槽前后内壁的四个啮合轮,右侧所述啮合轮后侧转动连接有固定于所述环形槽后侧内壁的副电机。
4.根据权利要求 3所述的一种收放显示器以及键盘的办公桌,其特征在于:所述存放装置包括固定于所述支撑腔下侧内壁的电动推杆,所述电动推杆上侧固定有左右对称的滑动杆,所述滑动杆滑动连接有固定于所述支撑腔下侧内壁且左右对称的两个固定轴,所述滑动杆上侧固定有延伸杆,所述延伸杆转动连接有键盘架,所述键盘架水平段内设有位于所述延伸杆右侧的副移动槽,所述副移动槽内壁滑动连接有副移动块,所述副移动块转动连接有向下延伸且滑动连接于所述滑动杆水平段的滑杆,所述滑杆右侧啮合连接有转动轮,所述转动轮后侧转动连接有固定于所述滑动杆水平段上侧的驱动电机,所述支撑腔上侧内壁滑动连接有关于所述电动推杆左右对称且位于所述固定轴上侧的两个斜面块,所述斜面块远离所述电动推杆一侧与所述支撑腔内壁之间设有副弹簧。
5.根据权利要求 4所述的一种收放显示器以及键盘的办公桌,其特征在于:所述空腔上侧内壁固定有上下延伸且关于左侧所述连接槽前后对称的两个排水管,所述排水管下侧贯通连接有固定于所述空腔左侧内壁的废水箱。
CN202011251203.XA 2020-11-11 2020-11-11 一种收放显示器以及键盘的办公桌 Active CN112273855B (zh)

Priority Applications (1)

Application Number Priority Date Filing Date Title
CN202011251203.XA CN112273855B (zh) 2020-11-11 2020-11-11 一种收放显示器以及键盘的办公桌

Applications Claiming Priority (1)

Application Number Priority Date Filing Date Title
CN202011251203.XA CN112273855B (zh) 2020-11-11 2020-11-11 一种收放显示器以及键盘的办公桌

Publications (2)

Publication Number Publication Date
CN112273855A true CN112273855A (zh) 2021-01-29
CN112273855B CN112273855B (zh) 2022-08-23

Family

ID=74352125

Family Applications (1)

Application Number Title Priority Date Filing Date
CN202011251203.XA Active CN112273855B (zh) 2020-11-11 2020-11-11 一种收放显示器以及键盘的办公桌

Country Status (1)

Country Link
CN (1) CN112273855B (zh)

Cited By (1)

* Cited by examiner, † Cited by third party
Publication number Priority date Publication date Assignee Title
CN114063532A (zh) * 2021-11-29 2022-02-18 中国电子科技集团公司第二十八研究所 一种基于人因工程的智能操控台

Citations (10)

* Cited by examiner, † Cited by third party
Publication number Priority date Publication date Assignee Title
KR20100086639A (ko) * 2009-01-23 2010-08-02 삼성전자주식회사 듀얼 터치 스크린을 구비한 휴대 단말기 및 그 컨텐츠 제어방법
CN107969801A (zh) * 2017-12-05 2018-05-01 九州职业技术学院 一种教学机房用隐藏式计算机系统
CN109996402A (zh) * 2019-04-02 2019-07-09 嘉兴歆瑶商贸有限公司 一种安全可靠地用于智能家居的多媒体设备
CN111167801A (zh) * 2020-03-25 2020-05-19 新昌虹哒计算机科技有限公司 一种学校电脑显示器支架清洁设备
CN111185417A (zh) * 2020-02-05 2020-05-22 台州椒江锐江电脑有限公司 一种便携式电脑显示器除灰清洁设备
CN111309102A (zh) * 2020-03-18 2020-06-19 杭州富阳浮想电脑有限公司 一种计算机显示器装置
CN111350918A (zh) * 2020-03-27 2020-06-30 滨州方新电脑有限公司 一种露天使用显示设备
CN111701916A (zh) * 2020-03-30 2020-09-25 上海束零电脑有限公司 一种显示屏自动清洁设备设备
CN111802804A (zh) * 2020-07-20 2020-10-23 东莞懂真文具有限公司 一种可自动收起键盘并进行卫生清洁的办公桌
CN111890974A (zh) * 2020-08-12 2020-11-06 福州勃楠电子科技有限公司 一种具有面板保护功能的新能源充电桩

Patent Citations (10)

* Cited by examiner, † Cited by third party
Publication number Priority date Publication date Assignee Title
KR20100086639A (ko) * 2009-01-23 2010-08-02 삼성전자주식회사 듀얼 터치 스크린을 구비한 휴대 단말기 및 그 컨텐츠 제어방법
CN107969801A (zh) * 2017-12-05 2018-05-01 九州职业技术学院 一种教学机房用隐藏式计算机系统
CN109996402A (zh) * 2019-04-02 2019-07-09 嘉兴歆瑶商贸有限公司 一种安全可靠地用于智能家居的多媒体设备
CN111185417A (zh) * 2020-02-05 2020-05-22 台州椒江锐江电脑有限公司 一种便携式电脑显示器除灰清洁设备
CN111309102A (zh) * 2020-03-18 2020-06-19 杭州富阳浮想电脑有限公司 一种计算机显示器装置
CN111167801A (zh) * 2020-03-25 2020-05-19 新昌虹哒计算机科技有限公司 一种学校电脑显示器支架清洁设备
CN111350918A (zh) * 2020-03-27 2020-06-30 滨州方新电脑有限公司 一种露天使用显示设备
CN111701916A (zh) * 2020-03-30 2020-09-25 上海束零电脑有限公司 一种显示屏自动清洁设备设备
CN111802804A (zh) * 2020-07-20 2020-10-23 东莞懂真文具有限公司 一种可自动收起键盘并进行卫生清洁的办公桌
CN111890974A (zh) * 2020-08-12 2020-11-06 福州勃楠电子科技有限公司 一种具有面板保护功能的新能源充电桩

Non-Patent Citations (1)

* Cited by examiner, † Cited by third party
Title
王新莲: "家具功能性与智能化的可实现性方法研究", 《中国优秀硕士学位论文全文数据库 工程科技Ⅰ辑》 *

Cited By (2)

* Cited by examiner, † Cited by third party
Publication number Priority date Publication date Assignee Title
CN114063532A (zh) * 2021-11-29 2022-02-18 中国电子科技集团公司第二十八研究所 一种基于人因工程的智能操控台
CN114063532B (zh) * 2021-11-29 2024-04-12 中国电子科技集团公司第二十八研究所 一种基于人因工程的智能操控台

Also Published As

Publication number Publication date
CN112273855B (zh) 2022-08-23

Similar Documents

Publication Publication Date Title
CN112273855A (zh) 一种收放显示器以及键盘的办公桌
CN215117852U (zh) 一种便携式多媒体教学设备
CN214174347U (zh) 一种用于环境水质检测的检测装置
CN216976031U (zh) 一种输油管道托架
CN214758117U (zh) 一种园林绿化垂直绿化装置
CN214207669U (zh) 一种便于查找的经济管理资料整理文件柜
CN213211512U (zh) 一种具有折叠功能的机械设备维修用警示牌
CN211051529U (zh) 一种基于分析化学实验玻璃仪器收纳装置
CN211197086U (zh) 一种浊度计的收纳放置装置
CN221059793U (zh) 一种手提便携式设备
CN211262699U (zh) 一种离合器试验检验台
CN114568820A (zh) 一种基于二维码的建筑工程造价管理用工作台
CN220215006U (zh) 一种实验桌
CN221241918U (zh) 一种组合绘图工具
CN207132889U (zh) 一种水准仪
CN222612283U (zh) 一种液晶显示屏用工位转移装置
CN219582157U (zh) 一种钢结构切割的安全台架
CN213757135U (zh) 一种工业设计用办公桌
CN221801306U (zh) 一种建筑施工测绘装置的辅助夹持机构
CN220756939U (zh) 一种几何模型教具的收纳装置
CN221330813U (zh) 一种展览架
CN111422531A (zh) 一种具有压缩功能的垃圾桶
CN222948368U (zh) 一种细胞培养袋放置架
CN218195128U (zh) 一种可移动挂接式建筑装饰工具架
CN217758071U (zh) 一种便携式的功能裁剪桌

Legal Events

Date Code Title Description
PB01 Publication
PB01 Publication
SE01 Entry into force of request for substantive examination
SE01 Entry into force of request for substantive examination
TA01 Transfer of patent application right
TA01 Transfer of patent application right

Effective date of registration: 20220802

Address after: 061000 Botou Industrial Development Zone, Cangzhou City, Hebei Province

Applicant after: JIRONG FURNITURE Co.,Ltd.

Address before: 1088 Longhao Road, Jinshan District, Shanghai, 201508

Applicant before: Wei Shuyuan

GR01 Patent grant
GR01 Patent grant
TR01 Transfer of patent right
TR01 Transfer of patent right

Effective date of registration: 20250424

Address after: 053499 North Road, 30 meters east of the intersection of Tianqiao Street and 339 National Highway in Qiaotou Town, Wuyi County, Hengshui City, Hebei Province (with multiple locations)

Patentee after: Hebei Shuntian Technology Group Co.,Ltd.

Country or region after: China

Address before: 061000 Botou Industrial Development Zone, Cangzhou City, Hebei Province

Patentee before: JIRONG FURNITURE Co.,Ltd.

Country or region before: China