CN112138516A - Intelligent collecting and purifying system and method for ex-situ thermal desorption organic pollution waste gas - Google Patents
Intelligent collecting and purifying system and method for ex-situ thermal desorption organic pollution waste gas Download PDFInfo
- Publication number
- CN112138516A CN112138516A CN202010989870.1A CN202010989870A CN112138516A CN 112138516 A CN112138516 A CN 112138516A CN 202010989870 A CN202010989870 A CN 202010989870A CN 112138516 A CN112138516 A CN 112138516A
- Authority
- CN
- China
- Prior art keywords
- intelligent
- inlet pipe
- waste
- waste gas
- smoke
- Prior art date
- Legal status (The legal status is an assumption and is not a legal conclusion. Google has not performed a legal analysis and makes no representation as to the accuracy of the status listed.)
- Granted
Links
- 239000002912 waste gas Substances 0.000 title claims abstract description 86
- 238000003795 desorption Methods 0.000 title claims abstract description 51
- 238000011066 ex-situ storage Methods 0.000 title claims abstract description 13
- 238000000034 method Methods 0.000 title claims abstract description 11
- 239000000779 smoke Substances 0.000 claims abstract description 99
- 239000002699 waste material Substances 0.000 claims abstract description 89
- 239000007789 gas Substances 0.000 claims abstract description 74
- 239000007788 liquid Substances 0.000 claims abstract description 62
- 238000003860 storage Methods 0.000 claims abstract description 57
- OKTJSMMVPCPJKN-UHFFFAOYSA-N Carbon Chemical compound [C] OKTJSMMVPCPJKN-UHFFFAOYSA-N 0.000 claims abstract description 51
- 238000000746 purification Methods 0.000 claims abstract description 51
- 238000009833 condensation Methods 0.000 claims abstract description 27
- 230000005494 condensation Effects 0.000 claims abstract description 27
- 239000002957 persistent organic pollutant Substances 0.000 claims abstract description 6
- XLYOFNOQVPJJNP-UHFFFAOYSA-N water Substances O XLYOFNOQVPJJNP-UHFFFAOYSA-N 0.000 claims description 61
- 238000012544 monitoring process Methods 0.000 claims description 3
- 238000013461 design Methods 0.000 claims description 2
- 239000000126 substance Substances 0.000 claims description 2
- 229910052799 carbon Inorganic materials 0.000 claims 9
- 238000001914 filtration Methods 0.000 claims 3
- 239000003517 fume Substances 0.000 claims 1
- 238000010438 heat treatment Methods 0.000 abstract description 2
- 238000010586 diagram Methods 0.000 description 6
- 230000029058 respiratory gaseous exchange Effects 0.000 description 5
- 239000003344 environmental pollutant Substances 0.000 description 2
- 231100000719 pollutant Toxicity 0.000 description 2
- 238000004064 recycling Methods 0.000 description 2
- 239000002351 wastewater Substances 0.000 description 2
- 230000009286 beneficial effect Effects 0.000 description 1
- 238000009835 boiling Methods 0.000 description 1
- 230000007812 deficiency Effects 0.000 description 1
- 238000011161 development Methods 0.000 description 1
- 238000009434 installation Methods 0.000 description 1
- 239000007921 spray Substances 0.000 description 1
- 229910001220 stainless steel Inorganic materials 0.000 description 1
- 239000010935 stainless steel Substances 0.000 description 1
- 238000012360 testing method Methods 0.000 description 1
Images
Classifications
-
- B—PERFORMING OPERATIONS; TRANSPORTING
- B01—PHYSICAL OR CHEMICAL PROCESSES OR APPARATUS IN GENERAL
- B01D—SEPARATION
- B01D53/00—Separation of gases or vapours; Recovering vapours of volatile solvents from gases; Chemical or biological purification of waste gases, e.g. engine exhaust gases, smoke, fumes, flue gases, aerosols
- B01D53/002—Separation of gases or vapours; Recovering vapours of volatile solvents from gases; Chemical or biological purification of waste gases, e.g. engine exhaust gases, smoke, fumes, flue gases, aerosols by condensation
-
- B—PERFORMING OPERATIONS; TRANSPORTING
- B01—PHYSICAL OR CHEMICAL PROCESSES OR APPARATUS IN GENERAL
- B01D—SEPARATION
- B01D5/00—Condensation of vapours; Recovering volatile solvents by condensation
- B01D5/0003—Condensation of vapours; Recovering volatile solvents by condensation by using heat-exchange surfaces for indirect contact between gases or vapours and the cooling medium
- B01D5/0006—Coils or serpentines
-
- B—PERFORMING OPERATIONS; TRANSPORTING
- B01—PHYSICAL OR CHEMICAL PROCESSES OR APPARATUS IN GENERAL
- B01D—SEPARATION
- B01D5/00—Condensation of vapours; Recovering volatile solvents by condensation
- B01D5/0003—Condensation of vapours; Recovering volatile solvents by condensation by using heat-exchange surfaces for indirect contact between gases or vapours and the cooling medium
- B01D5/0015—Plates
-
- B—PERFORMING OPERATIONS; TRANSPORTING
- B01—PHYSICAL OR CHEMICAL PROCESSES OR APPARATUS IN GENERAL
- B01D—SEPARATION
- B01D5/00—Condensation of vapours; Recovering volatile solvents by condensation
- B01D5/0033—Other features
- B01D5/0036—Multiple-effect condensation; Fractional condensation
-
- B—PERFORMING OPERATIONS; TRANSPORTING
- B01—PHYSICAL OR CHEMICAL PROCESSES OR APPARATUS IN GENERAL
- B01D—SEPARATION
- B01D53/00—Separation of gases or vapours; Recovering vapours of volatile solvents from gases; Chemical or biological purification of waste gases, e.g. engine exhaust gases, smoke, fumes, flue gases, aerosols
- B01D53/30—Controlling by gas-analysis apparatus
Landscapes
- Chemical & Material Sciences (AREA)
- Chemical Kinetics & Catalysis (AREA)
- Analytical Chemistry (AREA)
- Engineering & Computer Science (AREA)
- General Chemical & Material Sciences (AREA)
- Oil, Petroleum & Natural Gas (AREA)
- Treating Waste Gases (AREA)
Abstract
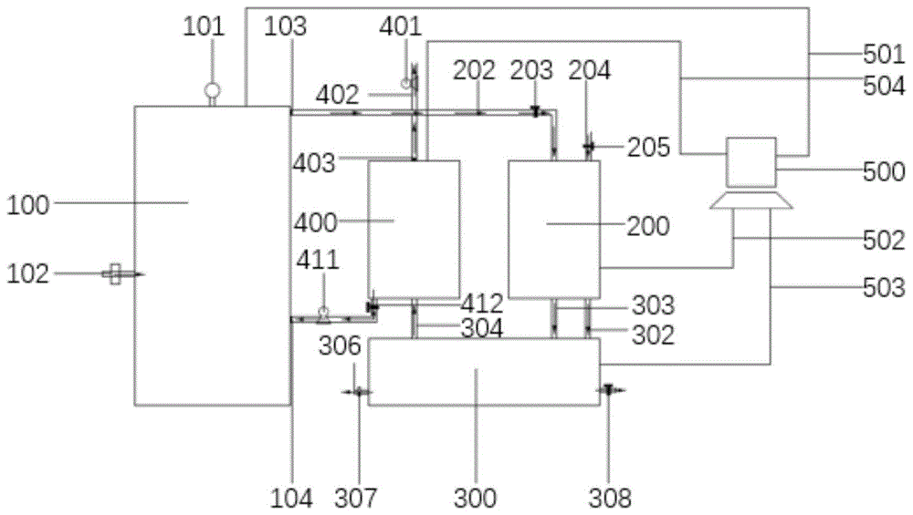
一种异位热脱附有机污染废气智能收集净化系统及收集净化方法,该系统包括高温异位热脱附炉,冷凝箱,废液收集箱,废烟循环净化收集箱和智能控制模块五个部分相互连接构成。有机污染物在高温异位热脱附炉内由液态转化气态,经过废气入口管和废气入口阀进入冷凝箱,在冷凝箱内依次通过废气分流口,螺旋冷凝管,废气聚集口被冷凝液化,由废液入口管进入废液收集箱被收集,未被液化的废气经过多孔冷凝板进一步被冷凝收集,最终剩余的废烟被输送到废烟循环净化箱中,在余烟暂存腔中被智能烟感器识别,重新进入高温异位热脱附炉内再一次热处理,或者进入活性炭存放腔被吸附收集,整个过程均会被智能控制模块进行控制。
An ectopic thermal desorption organic pollution waste gas intelligent collection and purification system and collection and purification method, the system comprises five high-temperature ectopic thermal desorption furnace, condensation box, waste liquid collection box, waste smoke circulation purification collection box and intelligent control module Parts are connected to each other. The organic pollutants are converted from liquid to gaseous state in the high-temperature ex-situ thermal desorption furnace, and enter the condensing box through the exhaust gas inlet pipe and exhaust gas inlet valve. It enters the waste liquid collection box from the waste liquid inlet pipe and is collected. The unliquefied waste gas is further condensed and collected through the porous condensing plate. Finally, the remaining waste smoke is transported to the waste smoke circulation purification box, and is stored in the residual smoke temporary storage chamber. Intelligent smoke detector identification, re-entering the high-temperature ex-situ thermal desorption furnace for heat treatment again, or entering the activated carbon storage cavity to be adsorbed and collected, the whole process will be controlled by the intelligent control module.
Description
技术领域technical field
本发明涉及有机污染废气处理技术领域,具体是一种异位热脱附有机污染废气智能收集净化系统。The invention relates to the technical field of organic pollution waste gas treatment, in particular to an intelligent collection and purification system for ectopic thermal desorption organic pollution waste gas.
技术背景technical background
当前尾气收集系统众多,尾气收集效率也不一。收集效率高的系统,要么设备复杂,不易推广使用,要么会产生更多的二次污染物,例如,利用水淋技术进行的尾气收集,会产生大量的废水,要么智能化程度不高,需要人工操作。At present, there are many exhaust gas collection systems, and the exhaust gas collection efficiency is also different. A system with high collection efficiency either has complicated equipment and is not easy to be popularized and used, or will generate more secondary pollutants. For example, the exhaust gas collection using water shower technology will generate a large amount of waste water, or the degree of intelligence is not high, and it is necessary to Manual operation.
热脱附技术由于其高效和彻底的优势被广泛运用,而其产生的尾气容易造成二次污染,所以,迫切需要一种尾气净化收集系统。因此,研发一种高效,简单的异位热脱附有机污染废气智能收集净化系统,对完善废气净化收集系统十分必要。Thermal desorption technology is widely used due to its high efficiency and thoroughness, and the exhaust gas it produces is likely to cause secondary pollution. Therefore, an exhaust gas purification and collection system is urgently needed. Therefore, the development of an efficient and simple ectopic thermal desorption organic pollution waste gas intelligent collection and purification system is very necessary to improve the waste gas purification and collection system.
发明内容SUMMARY OF THE INVENTION
本发明要解决的技术问题是针对上述现有技术的不足,提供一种异位热脱附有机污染废气智能净化收集系统,能够解决因追求高效收集率导致的设备复杂,产生二次污染物和智能化程度不高的问题。The technical problem to be solved by the present invention is to aim at the deficiencies of the above-mentioned prior art, and to provide an intelligent purification and collection system of ectopic thermal desorption organic pollution waste gas, which can solve the complex equipment caused by the pursuit of high-efficiency collection rate, the generation of secondary pollutants and The problem of low level of intelligence.
为解决上述技术问题,本发明采用的技术方案是:提供一种异位热脱附有机污染废气智能收集净化系统及收集净化方法,组成元件包括高温异位热脱附炉,冷凝箱,废液收集箱,废烟循环净化收集箱和智能控制模块,组成元件的具体结构和连接关系为:In order to solve the above-mentioned technical problems, the technical scheme adopted in the present invention is to provide an intelligent collection and purification system and a collection and purification method for ectopic thermal desorption organic pollution waste gas, and the components include a high-temperature ectopic thermal desorption furnace, a condensation box, and a waste liquid. The specific structure and connection relationship of the components of the collection box, the waste smoke recycling and purification collection box and the intelligent control module are as follows:
所述高温异位热脱附炉的智能气压传感器焊接在炉体的顶部,并与智能控制模块连接,智能气压传感器实时测量炉体内部气压,并实时将测得信息传输至智能控制模块,呼吸阀焊接于炉体一侧,呼吸阀与外界连通,废气出口置于炉体一侧顶部位置,与冷凝箱的废气入口管连接,由废气循环净化收集箱引出的废气炉体回流管从炉体一侧的底部废气入口接入;The intelligent air pressure sensor of the high-temperature ectopic thermal desorption furnace is welded on the top of the furnace body and connected with the intelligent control module. The intelligent air pressure sensor measures the air pressure inside the furnace body in real time, and transmits the measured information to the intelligent control module in real time. The valve is welded on one side of the furnace body, the breathing valve is communicated with the outside world, the exhaust gas outlet is placed at the top of one side of the furnace body, and is connected with the exhaust gas inlet pipe of the condensing box. The bottom exhaust gas inlet on one side is connected;
所述冷凝箱包括废气入口管,废气入口管阀门,冷凝水入口管,冷凝水入口管智能阀、废气分流口、螺旋冷凝管以及废气聚集口,所述废气入口管一端与高温异位热脱附炉废气出口连接,废气入口管另一端经废气入口管阀门与废气分流口连接,废气分流口与螺旋冷凝管连接,冷凝水入口管设在冷凝外箱顶部,冷凝水入口管上设有冷凝水入口管阀门,废气聚集口设在螺旋冷凝管下端,废气从废气入口管经废气入口管阀门进入冷凝箱中,再经冷凝废气分流口分散到螺旋冷凝管中,冷凝后经废气聚集口排到废液收集箱中;The condensing box includes a waste gas inlet pipe, a waste gas inlet pipe valve, a condensate water inlet pipe, a condensate water inlet pipe intelligent valve, a waste gas distribution port, a spiral condenser pipe and a waste gas gathering port, and one end of the waste gas inlet pipe is thermally separated from the high temperature ectopic. The exhaust gas outlet of the attached furnace is connected, the other end of the exhaust gas inlet pipe is connected to the exhaust gas distribution port through the exhaust gas inlet pipe valve, and the exhaust gas distribution port is connected to the spiral condenser pipe. The water inlet pipe valve, the waste gas collection port is located at the lower end of the spiral condenser pipe, the waste gas enters the condensing box from the waste gas inlet pipe through the waste gas inlet pipe valve, and then disperses into the spiral condenser pipe through the condensed waste gas distribution port, and is discharged through the waste gas collection port after condensation. into the waste liquid collection box;
所述废液收集箱包括废液入口管、余气入口管、多孔冷凝板、多孔冷凝板冷凝水出口管、冷凝水出口管智能阀、单向阀、智能湿度传感器和多孔冷凝板冷凝水入口管,所述废液入口管与冷凝箱的废气聚集口连接,余气入口管下接废液收集箱,多孔冷凝板中的竖板均匀间隔焊接在废液外箱顶部,多孔冷凝板中的斜板以45°的角度倾斜焊接于废液外箱顶部直角处,冷凝水出口管与多孔冷凝板连接,多孔冷凝板冷凝水出口管上设有冷凝水出口管智能阀,智能湿度传感器设在余气出口管处并与智能控制模块相连,废液外箱上部设有余气入口管,单向阀安装于废液收集箱一侧的二分之一高度处,来自冷凝箱的冷凝废液经废液入口管流到各多孔冷凝板中,各多孔冷凝板流下来的冷凝水经冷凝水出口管排出;The waste liquid collection box includes a waste liquid inlet pipe, a residual gas inlet pipe, a porous condensate plate, a condensate water outlet pipe of the porous condensate plate, an intelligent valve of the condensate water outlet pipe, a one-way valve, an intelligent humidity sensor and a condensate water inlet of the porous condensate plate. The waste liquid inlet pipe is connected to the waste gas collection port of the condensation box, the waste gas inlet pipe is connected to the waste liquid collection box, and the vertical plates in the porous condensation plate are welded on the top of the waste liquid outer box at uniform intervals. The inclined plate is welded at a right angle at the top of the waste liquid outer tank at an angle of 45°. The condensate outlet pipe is connected to the porous condensate plate. The condensate outlet pipe of the porous condensate plate is provided with a condensate outlet pipe intelligent valve, and the intelligent humidity sensor is located in the The residual gas outlet pipe is connected to the intelligent control module. The top of the waste liquid outer box is provided with a residual gas inlet pipe. The one-way valve is installed at half the height of one side of the waste liquid collection box. The waste liquid inlet pipe flows into each porous condensing plate, and the condensed water flowing down from each porous condensing plate is discharged through the condensing water outlet pipe;
所述废烟循环净化收集箱包括活性炭存放腔以及余烟暂存腔,所述活性炭存放腔位于废气循环净化收集箱上部,活性炭存放腔包括第一智能真空泵、出气管和过滤塞,活性炭存放腔中填充有活性炭,出气管位于活性炭存放腔顶部,第一智能真空泵安装于出气管上,并与智能控制模块连接,过滤塞位于出气管和活性炭存放腔连接处,所述余烟暂存腔位于废烟循环净化收集箱下部,所述余烟暂存腔包括余烟过滤板、第一智能阀、智能烟感器、废烟炉体回流管、第二智能真空泵和第二智能阀,余烟暂存腔与余气入口管连接,智能烟感器安装于余气入口管一侧,并与智能控制模块连接,废烟炉体回流管与余烟暂存腔底部连接,第二智能阀和第二智能真空泵安装在废烟炉体回流管上,并与智能控制模块连接;余烟过滤板和第一智能阀位于余烟暂存腔顶部,也与智能控制模块连接;The waste smoke circulation purification collection box includes an activated carbon storage cavity and a residual smoke temporary storage cavity. The activated carbon storage cavity is located on the upper part of the exhaust gas circulation purification collection box. The activated carbon storage cavity includes a first intelligent vacuum pump, an air outlet pipe and a filter plug. The activated carbon storage cavity Filled with activated carbon, the air outlet pipe is located at the top of the activated carbon storage chamber, the first intelligent vacuum pump is installed on the air outlet pipe, and is connected with the intelligent control module, the filter plug is located at the connection between the air outlet pipe and the activated carbon storage chamber, and the residual smoke temporary storage chamber is located in the In the lower part of the waste smoke circulation purification collection box, the waste smoke temporary storage chamber includes a waste smoke filter plate, a first intelligent valve, an intelligent smoke detector, a waste smoke furnace body return pipe, a second intelligent vacuum pump and a second intelligent valve. The temporary storage chamber is connected with the residual gas inlet pipe, the intelligent smoke detector is installed on one side of the residual gas inlet pipe, and is connected with the intelligent control module, the return pipe of the waste smoke furnace body is connected with the bottom of the residual smoke temporary storage chamber, and the second intelligent valve and The second intelligent vacuum pump is installed on the return pipe of the waste smoke furnace body, and is connected with the intelligent control module; the residual smoke filter plate and the first intelligent valve are located on the top of the residual smoke temporary storage chamber, and are also connected with the intelligent control module;
所述智能控制模块是一台安装了智能程序的电脑,智能控制模块与收集净化系统中的智能湿度传感器、智能烟感器、冷凝水入口管智能阀、第一智能阀、第二智能阀、第一智能真空泵、和第二智能真空泵通过电线连接。The intelligent control module is a computer with an intelligent program installed. The intelligent control module is connected to the intelligent humidity sensor, the intelligent smoke detector, the intelligent valve of the condensate inlet pipe, the first intelligent valve, the second intelligent valve, The first intelligent vacuum pump and the second intelligent vacuum pump are connected by wires.
所述炉体为立式马沸炉。The furnace body is a vertical horse boiling furnace.
所述冷凝箱内设置有分散式多支螺旋冷凝管。The condensing box is provided with distributed multi-branched spiral condensing pipes.
所述废液收集箱中设置有多孔冷凝板。A porous condensation plate is arranged in the waste liquid collection box.
所述废液收集箱中多孔冷凝板采用多孔多排设计。The porous condensing plate in the waste liquid collection box adopts a porous multi-row design.
本发明的有益效果在于:The beneficial effects of the present invention are:
1、本尾气收集净化系统,沿用普遍的冷凝模块,收集模块和净化模块,保证其设备简单,好安装的优势。1. The exhaust gas collection and purification system uses the common condensation module, collection module and purification module to ensure the advantages of simple equipment and easy installation.
2、本尾气收集净化系统中的冷凝箱采用多支小直径螺旋冷凝管,增加了废气与冷凝液之间的接触面积,提高了冷凝效率。2. The condensing box in the exhaust gas collection and purification system adopts multiple small-diameter spiral condenser tubes, which increases the contact area between the exhaust gas and the condensate and improves the condensation efficiency.
3、本尾气收集净化系统中采用多孔冷凝板继续对高温废气进行继续冷凝,并没有采用淋撒装置对高温废气进行继续冷凝,减少了二次污染的废水的产生。3. In the exhaust gas collection and purification system, the porous condensing plate is used to continue to condense the high-temperature exhaust gas, and the spray device is not used to continue the condensation of the high-temperature exhaust gas, which reduces the generation of secondary pollution waste water.
4、本尾气收集净化系统没有在废烟循环收集净化箱中采用高温加热装置,对未被冷凝,收集的废气进行净化和收集,而是利用智能控制模块对浓度超过一定阀值的余烟进行重新抽提回高温异位热脱附炉,继续进行净化和收集,简单化了整个系统,同时充分运用高温异位热脱附炉,提高了收集净化率。4. The exhaust gas collection and purification system does not use a high-temperature heating device in the waste smoke circulation collection and purification box to purify and collect the collected waste gas that has not been condensed, but uses the intelligent control module to purify the residual smoke whose concentration exceeds a certain threshold. Re-extracted back to the high-temperature ectopic thermal desorption furnace to continue purification and collection, which simplifies the entire system. At the same time, the high-temperature ectopic thermal desorption furnace is fully utilized to improve the collection and purification rate.
5、本尾气净化收集系统引入智能湿度传感器,智能烟感器,智能阀和智能真空泵等自动化程度高的设备,同时引入智能控制模块,可实现一键开启,便结束的智能异位热脱附有机污染废气收集净化系统。5. The exhaust gas purification and collection system introduces intelligent humidity sensors, intelligent smoke detectors, intelligent valves and intelligent vacuum pumps and other equipment with a high degree of automation. At the same time, an intelligent control module is introduced to realize intelligent ectopic thermal desorption that can be opened and ended with one key. Organic pollution waste gas collection and purification system.
6、通过对异位热脱附直接排出和经过尾气净化收集系统尾气的气相红外色谱测试可知,净化收集率可达到90%以上。6. The gas-infrared chromatographic test of the ectopic thermal desorption direct discharge and the tail gas of the tail gas purification and collection system shows that the purification collection rate can reach more than 90%.
附图说明Description of drawings
图1是本发明所述的异位热脱附有机污染废气智能收集净化系统的整体结构示意图。FIG. 1 is a schematic diagram of the overall structure of the intelligent collection and purification system for ectopic thermal desorption organic pollution waste gas according to the present invention.
图2是本发明所述的异位热脱附有机污染废气智能收集净化系统的冷凝箱结构示意图。FIG. 2 is a schematic structural diagram of the condensing box of the intelligent collection and purification system for ectopic thermal desorption organic polluted waste gas according to the present invention.
图3-1是本发明所述的异位热脱附有机污染废气智能收集净化系统的收集箱正面结构示意图。Figure 3-1 is a schematic diagram of the front structure of the collection box of the intelligent collection and purification system for ectopic thermal desorption organic pollution waste gas according to the present invention.
图3-2是本发明所述的异位热脱附有机污染废气智能收集净化系统的收集箱背面结构示意图。Figure 3-2 is a schematic diagram of the structure of the back of the collection box of the intelligent collection and purification system for ectopic thermal desorption organic pollution waste gas according to the present invention.
图4是本发明所述的异位热脱附有机污染废气智能收集净化系统的多孔冷凝板结构示意图。4 is a schematic structural diagram of a porous condensing plate of the intelligent collection and purification system for ectopic thermal desorption organic polluted waste gas according to the present invention.
图5是本发明所述的异位热脱附有机污染废气智能收集净化系统的废烟循环净化收集箱结构示意图。5 is a schematic structural diagram of the waste smoke circulation purification collection box of the ectopic thermal desorption organic pollution waste gas intelligent collection and purification system according to the present invention.
图中标记为:高温异位热脱附炉100、智能气压传感器101、呼吸阀102、废气出口103、废气入口104、冷凝箱200、废气入口管202、废气入口管阀门203、冷凝箱冷凝水入口管204、冷凝水入口管智能阀205、废气分流口206、螺旋冷凝管207、废气聚集口208、收集箱300、收集箱冷凝水入口管302、废液入口303、多孔冷凝板305、冷凝水出口管306、冷凝水出口管智能阀307、单向阀308、智能湿度传感器309、废烟循环净化收集箱400、第一智能真空泵401、出气管402、过滤塞403、活性炭存放腔405、余烟过滤板406、第一智能阀407、余烟暂存腔408、智能烟感器409、废烟炉体回流管410、第二智能真空泵411、第二智能阀412。Marked in the figure: high temperature ectopic
具体实施方式Detailed ways
下面结合附图和实施例对本发明的技术方案作进一步详细的说明。The technical solutions of the present invention will be described in further detail below with reference to the accompanying drawings and embodiments.
首先需要说明的是,在本发明的描述中,除非另有明确的规定和限定,术语“相连”、“连接”应做广义理解,例如,可以是固定连接,也可以是可拆卸连接,或一体地连接,可以是机械连接,也可以是电连接;可以是直接连接,也可以是通过中间媒介间接相连。对于本领域的普通技术人员而言,可以根据具体情况理解上述术语在本发明中的具体含义。First of all, it should be noted that, in the description of the present invention, unless otherwise expressly specified and limited, the terms "connected" and "connected" should be understood in a broad sense, for example, it may be a fixed connection or a detachable connection, or The integral connection can be a mechanical connection or an electrical connection; it can be a direct connection or an indirect connection through an intermediate medium. For those of ordinary skill in the art, the specific meanings of the above terms in the present invention can be understood according to specific situations.
在本发明的描述中,除非另有说明,“多个”的含义是两个或两个以上;术语“上”、“下”、“左”、“右”、“内”、“外”、“前端”、“后端”、“头部”、“尾部”等指示的方位或位置关系为基于附图所示的方位或位置关系,仅是为了便于描述本发明和简化描述,而不是指示或暗示所指的装置或元件必须具有特定的方位、以特定的方位构造和操作,因此不能理解为对本发明的限制。此外,术语“第一”、“第二”、“第三”等仅用于描述目的,而不能理解为指示或暗示相对重要性。In the description of the present invention, unless otherwise stated, "plurality" means two or more; the terms "upper", "lower", "left", "right", "inner", "outer" The orientation or positional relationship indicated by , "front end", "rear end", "head", "tail", etc. are based on the orientation or positional relationship shown in the accompanying drawings, and are only for the convenience of describing the present invention and simplifying the description, not An indication or implication that the referred device or element must have a particular orientation, be constructed and operate in a particular orientation, is not to be construed as a limitation of the invention. Furthermore, the terms "first," "second," "third," etc. are used for descriptive purposes only and should not be construed to indicate or imply relative importance.
实施例1Example 1
如图1至图5所示,本发明所述的异位热脱附有机污染废气智能净化收集系统,包括高温异位热脱附炉,冷凝箱,废液收集箱,废烟循环净化收集箱和智能控制模块,具体结构和连接关系为:As shown in FIGS. 1 to 5 , the intelligent purification and collection system of ectopic thermal desorption organic polluted waste gas according to the present invention includes a high-temperature ectopic thermal desorption furnace, a condensation box, a waste liquid collection box, and a waste smoke recycling purification collection box. and intelligent control module, the specific structure and connection relationship are:
所述高温异位热脱附炉的智能气压传感器101焊接在炉体100的顶部,并与智能控制模块连接;呼吸阀102焊接在炉体100的一侧,呼吸阀102与外界连通,呼吸阀102可控制炉内气压范围。废气出口103置于炉体一侧顶部位置,与冷凝箱的废气入口管202连接。由废气循环净化收集箱引出的废气炉体回流管410从炉体一侧的底部废气入口104接入。The intelligent
所述冷凝箱200包括废气入口管202,废气入口管阀门203,冷凝水入口管204,冷凝水入口管智能阀205、废气分流口206、螺旋冷凝管207以及废气聚集口208,废气入口管202一端与高温异位热脱附炉废气出口103连接,废气入口管202另一端经废气入口管阀门203与废气分流口206连接,废气分流口206与螺旋冷凝管207连接,冷凝水入口管204设在冷凝外箱201顶部,冷凝箱冷凝水入口管204上设有冷凝箱冷凝水入口管阀门205,废气聚集口208设在螺旋冷凝管207下端。废气从废气入口管202经废气入口管阀门203进入冷凝箱200中,再经冷凝废气分流口206分散到螺旋冷凝管207中,冷凝后经废气聚集口208排到废液收集箱300中。The
所述废液收集箱300包括废液入口管303、余气入口管304、多孔冷凝板305、多孔冷凝板冷凝水出口管306、多孔冷凝板冷凝水出口管智能阀307、单向阀308、智能湿度传感器309和多孔冷凝板冷凝水入口管310,所述废液入口管303与冷凝箱200的废气聚集口208连接,余气入口管304下接废液收集箱300,多孔冷凝板305中的竖板均匀间隔焊接在废液外箱301顶部,多孔冷凝板305中的斜板以45°的角度倾斜焊接于废液外箱301顶部直角处。多孔冷凝板冷凝水出口管306与多孔冷凝板305连接,多孔冷凝板冷凝水出口管306上设有多孔冷凝板冷凝水出口管智能阀307,多孔冷凝板冷凝水入口管310与多孔冷凝板305连接,废液收集箱300上部设有余气入口管304,单向阀308安装于废液收集箱300一侧的二分之一高度处。智能湿度传感器309设在余气出口管304处并与智能控制模块相连,来自冷凝箱200的冷凝废液经废液入口管303流到各多孔冷凝板305中,各多孔冷凝板305流下来的冷凝水经多孔冷凝板冷凝水出口管306排出。The waste
所述多孔冷凝板305由不锈钢制得,多孔冷凝板305上设有大量微小贯穿孔A2。The
所述废烟循环净化收集箱400包括活性炭存放腔405以及余烟暂存腔408。所述活性炭存放腔405位于废气循环净化收集箱400上部,活性炭存放腔405包括第一智能真空泵401、出气管402和过滤塞403,活性炭存放腔405中填充有活性炭,出气管402位于活性炭存放腔405顶部,第一智能真空泵401安装于出气管402上,并与智能控制模块连接,过滤塞403位于出气管402和活性炭存放腔405连接处。所述余烟暂存腔408位于废气循环净化收集箱400下部,所述余烟暂存腔408包括余烟过滤板406、第一智能阀407、智能烟感器409、废烟炉体回流管410、第二智能真空泵411和第二智能阀412,余烟暂存腔408与余气入口管304连接,智能烟感器409安装于余气入口管304一侧,并与智能控制模块连接,废烟炉体回流管410与余烟暂存腔408底部连接,第二智能阀412和第二智能真空泵411安装在废烟炉体回流管410上,并与智能控制模块连接;余烟过滤板406和第一智能阀407位于余烟暂存腔408顶部,也与智能控制模块连接。The waste smoke circulation
所述智能控制模块500是一台安装了智能程序的电脑,智能控制模块500与收集净化系统中的智能湿度传感器309,智能烟感器409,冷凝水入口管智能阀205、第一智能阀407、第二智能阀412、第一智能真空泵401和第二智能真空泵411通过电线501、502、503和504连接。The
所述冷凝箱200内设置有分散式多支螺旋冷凝管207,增加了废气的流通路径,扩大了废气与冷凝液接触面积,提升了废气的冷凝效率。The
所述废液收集箱300中有多孔冷凝板305,对来自冷凝箱中的废气进一步的冷凝,可最大限度的收集废气中的有机污染蒸汽和水蒸气,同时,多孔冷凝板的穿孔A2为废气的流动提供途径,为之后的废烟净化提供前提;The waste
所述单向阀308为废液的排出口,既能保证收集箱内的一定负压,又能实现废液自动排放;The one-
所述智能湿度传感器309可实时监测收集箱空间内湿度的变化,同时也与智能控制模块500相连接,并将监测的信息传送给智能控制模块500,是尾气智能净化系统收集的判别热脱附进程是否停止主要传感设备。The
所述智能烟感器409可实时监测余烟暂存腔中烟溶度的变化,同时也与智能控制模块相连接500,并将监测的信息传送给智能控制模块500,是尾气智能收集净化系统的判别余烟是否重新抽提到高温异位热脱附炉100再次被处理的主要传感设备。The
所述余烟过滤板406可隔绝余烟,同时排出废气至活性炭存放腔405与大气连成一体,通过第一智能真空泵401使得整个智能废气净化收集系统处于负压状态。The residual
所述第一智能阀407与智能控制模块500相连,当智能烟感器409识别出余烟溶度小于某一阀值时,智能控制模块500会发出指令使得第一智能阀407打开,同时,关闭废烟炉体回流管410中的第二智能阀412和第二智能真空泵411,使得余烟暂存腔408中的余烟尽数进入活性炭存放腔405,加快了热脱附进程的结束。The first
所述活性炭存放腔405能吸附废气中其他有害气体。The activated
所述第一智能真空泵401能使得整个智能废气净化收集系统处于负压状态,同时与智能控制模块500相连,当智能湿度传感器309识别废液收集箱300的湿度低于某一阀值时,第一智能真空泵401会停止工作,结束整个异位热脱附的进程。The first
实施例2Example 2
本发明所述的异位热脱附有机污染废气智能收集净化系统的收集净化方法,包括如下具体操作步骤:The collection and purification method of the ectopic thermal desorption organic pollution waste gas intelligent collection and purification system according to the present invention includes the following specific operation steps:
1.当高温异位热脱附炉100内有机污染物和水等物质发生蒸发,分解,燃烧时,导致炉体内部气压增加,这时智能气压传感器101实时对炉体内部的压力进行监控,当气压超过某一值时,智能控制模块500接收到智能气压传感器101的信息并发出指令,使得收集系统中第一智能真空泵401和第二智能真空泵411,冷凝水入口管智能阀205、冷凝水出口管智能阀307和第二智能阀412开启。1. When the organic pollutants and water and other substances in the high temperature ectopic
2.废气从高温异位热脱附炉100被抽出,经由废气入口管202,废气入口管阀门203进入到冷凝箱200,经过废气分流口206分流到多支螺旋冷凝管207被冷凝,被冷凝的冷凝水聚集在废气聚集口208后被输送至废液收集箱300中,这期间冷凝箱300的冷凝水一直从冷凝水入口管204和冷凝水入口管智能阀205进入到冷凝箱中,起到冷凝的作用。2. The waste gas is drawn out from the high-temperature ex-situ
3.被冷凝成液体和废气经废液入口管303进入到收集箱中300,被冷凝成液体的部分废气在收集箱300中收集,而未被冷凝的废烟穿过多孔冷凝板305,最终经余气入口管304进入余烟暂存腔408;在这期间,从冷凝箱200出来的冷凝水经多孔冷凝板300的冷凝水入口管302进入多孔冷凝板305,从多孔冷凝板300的冷凝水出口管306流出多孔冷凝板305,保证多孔冷凝板305的冷凝功能,同时,智能湿度传感器309也在实时的监测收集箱内的湿度,并向智能控制模块500输送信号,当废液达到某一容量时通过单向阀308进行废液排放。3. The condensed liquid and waste gas enter the
4.废烟从余气入口管304进入余烟暂存腔408,这时智能烟感器409会对余烟暂存腔408内的烟雾溶度进行监测,并实时将监测信息传送给智能控制模块500,当溶度超过某一阀值时,智能控制模块500会向第二智能真空泵411和第二智能阀412发出指令,使其运转,将余烟暂存腔408内部的烟雾抽提进入到高温异位热脱附炉100进行再次高温处理,再经过冷凝箱200和废液收集箱300重新进入余烟暂存腔408,再被智能烟感器409进行监测,如果浓度还是高于某一阀值,便继续进行上述步骤;如果余烟暂存腔408中的烟雾溶度低于某一阀值时,智能控制模块500再向第二智能真空泵411和第二智能阀412发出指令,使其停止运转,同时,第一智能阀407开启,使得废烟尽数进入到活性炭存放腔405中,被其中的活性炭进一步吸附净化。4. The waste smoke enters the residual smoke
5.当废液收集箱300中智能湿度传感器309监测到废液收集箱300的湿度低于某一阀值时,智能控制模块500会发出指令,关机或关闭第一智能真空泵401,高温异位热脱附炉100和冷凝水入口管智能阀205和冷凝水出口管智能阀307,至此整个热脱附进程结束。5. When the
Claims (6)
Priority Applications (1)
| Application Number | Priority Date | Filing Date | Title |
|---|---|---|---|
| CN202010989870.1A CN112138516B (en) | 2020-09-18 | 2020-09-18 | Intelligent collecting and purifying system and collecting and purifying method for ectopic thermal desorption organic pollution waste gas |
Applications Claiming Priority (1)
| Application Number | Priority Date | Filing Date | Title |
|---|---|---|---|
| CN202010989870.1A CN112138516B (en) | 2020-09-18 | 2020-09-18 | Intelligent collecting and purifying system and collecting and purifying method for ectopic thermal desorption organic pollution waste gas |
Publications (2)
| Publication Number | Publication Date |
|---|---|
| CN112138516A true CN112138516A (en) | 2020-12-29 |
| CN112138516B CN112138516B (en) | 2024-06-25 |
Family
ID=73893247
Family Applications (1)
| Application Number | Title | Priority Date | Filing Date |
|---|---|---|---|
| CN202010989870.1A Active CN112138516B (en) | 2020-09-18 | 2020-09-18 | Intelligent collecting and purifying system and collecting and purifying method for ectopic thermal desorption organic pollution waste gas |
Country Status (1)
| Country | Link |
|---|---|
| CN (1) | CN112138516B (en) |
Cited By (1)
| Publication number | Priority date | Publication date | Assignee | Title |
|---|---|---|---|---|
| CN117146285A (en) * | 2023-10-27 | 2023-12-01 | 陕西宝昱科技工业股份有限公司 | Incineration device for organic waste and working method |
Citations (8)
| Publication number | Priority date | Publication date | Assignee | Title |
|---|---|---|---|---|
| EP0857508A1 (en) * | 1997-02-10 | 1998-08-12 | North Star Technologies Ltd. | Separation apparatus |
| KR20110030037A (en) * | 2009-09-17 | 2011-03-23 | 이인섭 | Wet Purification System for Hot Gas with Air Cooled Liquid Chiller |
| KR101678425B1 (en) * | 2016-05-17 | 2016-11-22 | 하이스트 주식회사 | The apparatus and method of waste heat recovery and abatement of white plume of exhaust gas in the chimney |
| CN106422662A (en) * | 2016-12-23 | 2017-02-22 | 广西大学 | Organic waste gas purifying device |
| CN110665950A (en) * | 2019-04-25 | 2020-01-10 | 湖南艾布鲁环保科技股份有限公司 | Ectopic direct thermal desorption treatment system and method for organic contaminated soil |
| CN110695072A (en) * | 2019-10-16 | 2020-01-17 | 湖南艾布鲁环保科技股份有限公司 | System and method for purifying organic contaminated soil |
| CN210242449U (en) * | 2019-05-07 | 2020-04-03 | 合肥高歌热处理应用技术有限公司 | Tail gas treatment device of hot air circulation degreasing furnace |
| CN213761213U (en) * | 2020-09-18 | 2021-07-23 | 广西大学 | An intelligent collection and purification system for ectopic thermal desorption organic pollution waste gas |
-
2020
- 2020-09-18 CN CN202010989870.1A patent/CN112138516B/en active Active
Patent Citations (8)
| Publication number | Priority date | Publication date | Assignee | Title |
|---|---|---|---|---|
| EP0857508A1 (en) * | 1997-02-10 | 1998-08-12 | North Star Technologies Ltd. | Separation apparatus |
| KR20110030037A (en) * | 2009-09-17 | 2011-03-23 | 이인섭 | Wet Purification System for Hot Gas with Air Cooled Liquid Chiller |
| KR101678425B1 (en) * | 2016-05-17 | 2016-11-22 | 하이스트 주식회사 | The apparatus and method of waste heat recovery and abatement of white plume of exhaust gas in the chimney |
| CN106422662A (en) * | 2016-12-23 | 2017-02-22 | 广西大学 | Organic waste gas purifying device |
| CN110665950A (en) * | 2019-04-25 | 2020-01-10 | 湖南艾布鲁环保科技股份有限公司 | Ectopic direct thermal desorption treatment system and method for organic contaminated soil |
| CN210242449U (en) * | 2019-05-07 | 2020-04-03 | 合肥高歌热处理应用技术有限公司 | Tail gas treatment device of hot air circulation degreasing furnace |
| CN110695072A (en) * | 2019-10-16 | 2020-01-17 | 湖南艾布鲁环保科技股份有限公司 | System and method for purifying organic contaminated soil |
| CN213761213U (en) * | 2020-09-18 | 2021-07-23 | 广西大学 | An intelligent collection and purification system for ectopic thermal desorption organic pollution waste gas |
Cited By (2)
| Publication number | Priority date | Publication date | Assignee | Title |
|---|---|---|---|---|
| CN117146285A (en) * | 2023-10-27 | 2023-12-01 | 陕西宝昱科技工业股份有限公司 | Incineration device for organic waste and working method |
| CN117146285B (en) * | 2023-10-27 | 2024-02-13 | 陕西宝昱科技工业股份有限公司 | Incineration device for organic waste and working method |
Also Published As
| Publication number | Publication date |
|---|---|
| CN112138516B (en) | 2024-06-25 |
Similar Documents
| Publication | Publication Date | Title |
|---|---|---|
| CN103438575B (en) | Gas fired-boiler low-temperature smoke extraction deep exploitation system | |
| CN208349313U (en) | A kind of safe incineration system of RTO incinerator and high-concentration organic waste gas | |
| CN112722222B (en) | A thousand-meter-level hydrogen and oxygen saturation diving external circulation environmental control system | |
| CN108036337B (en) | Indoor concentration burner | |
| CN109529503A (en) | A kind of waste incinerator high-temperature smoke purifier | |
| CN108087902A (en) | Steam latent heat and water reclamation system and its recovery method and control method in power-plant flue gas | |
| CN212757846U (en) | Oil smoke dust pelletizing system of forming machine | |
| CN112138516A (en) | Intelligent collecting and purifying system and method for ex-situ thermal desorption organic pollution waste gas | |
| CN209131148U (en) | A kind of condensed water water collector device with water level detecting | |
| CN213761213U (en) | An intelligent collection and purification system for ectopic thermal desorption organic pollution waste gas | |
| CN209405970U (en) | A MOCVD equipment tail gas pyrolysis treatment system | |
| CN208824219U (en) | A kind of organic waste gas treatment device | |
| CN210051192U (en) | Boiler heat recycling device | |
| CN209612536U (en) | A kind of device of Adsorption Concentration and catalysis burning coupling processing VOCs exhaust gas | |
| WO2020006789A1 (en) | Facility for high-efficient waste heat recovery and ultralow smoke dust emission from coal-fired boiler | |
| CN220793166U (en) | Fuel oil and gas boiler with waste gas treatment function | |
| CN218901329U (en) | Ethanol tail gas treatment device | |
| CN107158879A (en) | The adjustable activated carbon adsorption/desorption complexes of Wet-dry | |
| CN206778138U (en) | The adjustable activated carbon adsorption/desorption complexes of Wet-dry | |
| CN203784979U (en) | Joint type flue gas heat energy recycling and purifying device | |
| CN208090693U (en) | A kind of DMF exhaust treatment systems | |
| CN210993631U (en) | A flue gas dehydration and white smoke elimination system | |
| CN223709692U (en) | Boiler flue gas heat recovery device | |
| CN207922175U (en) | Efficient flue gas waste heat utilizes steam boiler | |
| CN209306987U (en) | Active carbon automatic regeneration filter for wastewater treatment |
Legal Events
| Date | Code | Title | Description |
|---|---|---|---|
| PB01 | Publication | ||
| PB01 | Publication | ||
| SE01 | Entry into force of request for substantive examination | ||
| SE01 | Entry into force of request for substantive examination | ||
| GR01 | Patent grant | ||
| GR01 | Patent grant |
