CN112045950A - Replaceable and designable polymer multilayer preparation die - Google Patents
Replaceable and designable polymer multilayer preparation die Download PDFInfo
- Publication number
- CN112045950A CN112045950A CN202010964377.4A CN202010964377A CN112045950A CN 112045950 A CN112045950 A CN 112045950A CN 202010964377 A CN202010964377 A CN 202010964377A CN 112045950 A CN112045950 A CN 112045950A
- Authority
- CN
- China
- Prior art keywords
- rod
- die
- gear
- block
- movable
- Prior art date
- Legal status (The legal status is an assumption and is not a legal conclusion. Google has not performed a legal analysis and makes no representation as to the accuracy of the status listed.)
- Pending
Links
- 229920000642 polymer Polymers 0.000 title claims abstract description 34
- 238000002360 preparation method Methods 0.000 title claims abstract description 21
- 238000002347 injection Methods 0.000 claims description 10
- 239000007924 injection Substances 0.000 claims description 10
- 239000000463 material Substances 0.000 claims description 10
- 238000004519 manufacturing process Methods 0.000 claims description 9
- 238000003825 pressing Methods 0.000 claims description 6
- 230000005540 biological transmission Effects 0.000 claims description 3
- 239000000243 solution Substances 0.000 description 11
- 238000000748 compression moulding Methods 0.000 description 4
- 239000002994 raw material Substances 0.000 description 4
- 230000000694 effects Effects 0.000 description 3
- 239000000047 product Substances 0.000 description 3
- 230000003028 elevating effect Effects 0.000 description 2
- 238000009434 installation Methods 0.000 description 2
- 238000000034 method Methods 0.000 description 2
- 230000002035 prolonged effect Effects 0.000 description 2
- 235000017166 Bambusa arundinacea Nutrition 0.000 description 1
- 235000017491 Bambusa tulda Nutrition 0.000 description 1
- 241001330002 Bambuseae Species 0.000 description 1
- 235000015334 Phyllostachys viridis Nutrition 0.000 description 1
- 239000011425 bamboo Substances 0.000 description 1
- 230000009286 beneficial effect Effects 0.000 description 1
- 238000005520 cutting process Methods 0.000 description 1
- 230000007547 defect Effects 0.000 description 1
- 230000002950 deficient Effects 0.000 description 1
- 238000007689 inspection Methods 0.000 description 1
- 238000003754 machining Methods 0.000 description 1
- 238000012423 maintenance Methods 0.000 description 1
- 230000035515 penetration Effects 0.000 description 1
- 238000000926 separation method Methods 0.000 description 1
- 239000013589 supplement Substances 0.000 description 1
- 230000017105 transposition Effects 0.000 description 1
Images
Classifications
-
- B—PERFORMING OPERATIONS; TRANSPORTING
- B29—WORKING OF PLASTICS; WORKING OF SUBSTANCES IN A PLASTIC STATE IN GENERAL
- B29C—SHAPING OR JOINING OF PLASTICS; SHAPING OF MATERIAL IN A PLASTIC STATE, NOT OTHERWISE PROVIDED FOR; AFTER-TREATMENT OF THE SHAPED PRODUCTS, e.g. REPAIRING
- B29C45/00—Injection moulding, i.e. forcing the required volume of moulding material through a nozzle into a closed mould; Apparatus therefor
- B29C45/17—Component parts, details or accessories; Auxiliary operations
- B29C45/26—Moulds
- B29C45/2602—Mould construction elements
-
- B—PERFORMING OPERATIONS; TRANSPORTING
- B29—WORKING OF PLASTICS; WORKING OF SUBSTANCES IN A PLASTIC STATE IN GENERAL
- B29C—SHAPING OR JOINING OF PLASTICS; SHAPING OF MATERIAL IN A PLASTIC STATE, NOT OTHERWISE PROVIDED FOR; AFTER-TREATMENT OF THE SHAPED PRODUCTS, e.g. REPAIRING
- B29C45/00—Injection moulding, i.e. forcing the required volume of moulding material through a nozzle into a closed mould; Apparatus therefor
- B29C45/17—Component parts, details or accessories; Auxiliary operations
- B29C45/1775—Connecting parts, e.g. injection screws, ejectors, to drive means
-
- B—PERFORMING OPERATIONS; TRANSPORTING
- B29—WORKING OF PLASTICS; WORKING OF SUBSTANCES IN A PLASTIC STATE IN GENERAL
- B29C—SHAPING OR JOINING OF PLASTICS; SHAPING OF MATERIAL IN A PLASTIC STATE, NOT OTHERWISE PROVIDED FOR; AFTER-TREATMENT OF THE SHAPED PRODUCTS, e.g. REPAIRING
- B29C45/00—Injection moulding, i.e. forcing the required volume of moulding material through a nozzle into a closed mould; Apparatus therefor
- B29C45/17—Component parts, details or accessories; Auxiliary operations
- B29C45/26—Moulds
- B29C45/2602—Mould construction elements
- B29C45/2606—Guiding or centering means
-
- B—PERFORMING OPERATIONS; TRANSPORTING
- B29—WORKING OF PLASTICS; WORKING OF SUBSTANCES IN A PLASTIC STATE IN GENERAL
- B29C—SHAPING OR JOINING OF PLASTICS; SHAPING OF MATERIAL IN A PLASTIC STATE, NOT OTHERWISE PROVIDED FOR; AFTER-TREATMENT OF THE SHAPED PRODUCTS, e.g. REPAIRING
- B29C45/00—Injection moulding, i.e. forcing the required volume of moulding material through a nozzle into a closed mould; Apparatus therefor
- B29C45/17—Component parts, details or accessories; Auxiliary operations
- B29C45/26—Moulds
- B29C45/2673—Moulds with exchangeable mould parts, e.g. cassette moulds
-
- B—PERFORMING OPERATIONS; TRANSPORTING
- B29—WORKING OF PLASTICS; WORKING OF SUBSTANCES IN A PLASTIC STATE IN GENERAL
- B29C—SHAPING OR JOINING OF PLASTICS; SHAPING OF MATERIAL IN A PLASTIC STATE, NOT OTHERWISE PROVIDED FOR; AFTER-TREATMENT OF THE SHAPED PRODUCTS, e.g. REPAIRING
- B29C45/00—Injection moulding, i.e. forcing the required volume of moulding material through a nozzle into a closed mould; Apparatus therefor
- B29C45/17—Component parts, details or accessories; Auxiliary operations
- B29C45/64—Mould opening, closing or clamping devices
- B29C45/66—Mould opening, closing or clamping devices mechanical
-
- B—PERFORMING OPERATIONS; TRANSPORTING
- B29—WORKING OF PLASTICS; WORKING OF SUBSTANCES IN A PLASTIC STATE IN GENERAL
- B29C—SHAPING OR JOINING OF PLASTICS; SHAPING OF MATERIAL IN A PLASTIC STATE, NOT OTHERWISE PROVIDED FOR; AFTER-TREATMENT OF THE SHAPED PRODUCTS, e.g. REPAIRING
- B29C45/00—Injection moulding, i.e. forcing the required volume of moulding material through a nozzle into a closed mould; Apparatus therefor
- B29C45/17—Component parts, details or accessories; Auxiliary operations
- B29C2045/1784—Component parts, details or accessories not otherwise provided for; Auxiliary operations not otherwise provided for
- B29C2045/1786—Electric wire or cable guides, e.g. for manifolds
Landscapes
- Engineering & Computer Science (AREA)
- Manufacturing & Machinery (AREA)
- Mechanical Engineering (AREA)
- Moulds For Moulding Plastics Or The Like (AREA)
Abstract
The invention discloses a replaceable and designable polymer multilayer preparation mold which comprises a mold case, wherein the bottom end of the mold case is connected with a base, and an opening and closing mechanism is arranged on the positive end face of the mold case. According to the invention, after the power supply of the die is switched on, polymer preparation can be carried out, the electric push rod is extended to press the upper die, when the electric push rod is pressed down, the connecting rod is lowered through the first slide block, so that the position of the connected toothed bar is changed, when the toothed bar is lowered, the connected first gear drives the movable bar to rotate, when the movable bar rotates, the second gear drives the third gear to rotate, so that the third gear rotates to drive the threaded rod to rotate, wherein a threaded groove is preset in the third gear and is connected with the threaded rod, when the movable bar rotates, the threaded rod is rotated to change, so that the lower die starts to move through the second slide block, and therefore, the upper die is pressed down.
Description
Technical Field
The invention relates to the technical field of molds, in particular to a replaceable and designable polymer multilayer preparation mold.
Background
The mould has a specific contour or an inner cavity shape, the blank can be separated according to the contour shape by applying the contour shape with the cutting edge, the blank can obtain a corresponding three-dimensional shape by applying the inner cavity shape, and special moulds are needed for auxiliary processing production when the polymer multilayer is prepared.
The existing polymer multilayer preparation mold is driven by an upper mold to press down when in production, the working mode is single when in operation, the working efficiency is lower when in use, the whole lower mold needs to be disassembled when in installation and replacement, the replacement process is very complicated, and a replaceable and designable polymer multilayer preparation mold is designed.
Disclosure of Invention
The invention aims to solve the defects that the upper die core is driven to press downwards by the upper die when the existing polymer multilayer preparation die is produced, the working mode is single during operation, the working efficiency is low during use, the whole lower die needs to be disassembled during installation and replacement, and the replacement process is very complicated.
In order to achieve the purpose, the invention adopts the following technical scheme:
a replaceable and designable polymer multilayer preparation die comprises a die case, wherein the bottom end of the die case is connected with a base, an opening and closing mechanism is arranged on the positive end surface of the die case, the left end surface of the die case is connected with an external connecting wire, a die support is arranged at the top end of the die case, an upper die is arranged inside the die support, an electric push rod is connected between the upper die and the die support, a material injection pipe is arranged at the top end of the upper die, a lower die is arranged at the bottom of the upper die, a pressing lifting mechanism is arranged between the lower die and the upper die, a replacing mechanism is connected inside the lower die, an extending mechanism is arranged between the external connecting wire and the die case, a connecting rod is arranged inside the pressing lifting mechanism, a first sliding block is arranged at the bottom end of the connecting rod, and a first fixing rod is connected outside the first sliding, and first spout has been seted up to the inside of first dead lever, the bottom of first slider is connected with the insection pole, and the outside of insection pole is connected with first gear, the internally mounted of first gear has the movable rod, and the outside of movable rod is connected with the second loose axle, the outside of movable rod is provided with the second gear, and the outside of second gear installs the third gear, the third gear be provided with the second dead lever, and install the third loose axle between second dead lever and the third gear, the inside threaded connection of third gear has the threaded rod, and the top of threaded rod installs the fourth loose axle, the outside of threaded rod is provided with the curb plate, and the inside of curb plate has seted up the second spout, the internally connected with second slider of second spout.
As a further description of the above technical solution:
the connecting rod forms a sliding structure through the first sliding block, the first sliding groove and the first fixing rod, and the first fixing rod is symmetrical about the central axis of the mold case.
As a further description of the above technical solution:
the movable rod and the toothed bar form a transmission structure through a first gear, and the first gear is symmetrical about the central axis of the movable rod.
As a further description of the above technical solution:
the threaded rod forms rotating-structure through fourth loose axle and bed die, and the axis of threaded rod coincides mutually with the axis of bed die.
As a further description of the above technical solution:
the hinge is installed including the apron in the mechanism that opens and shuts is inside, and the outside of apron, the positive terminal surface of apron is provided with concave type piece, and the internally mounted of concave type piece has the dwang, be connected with first loose axle between dwang and the concave type piece, and the outside of dwang installs the movable block, the inside threaded connection of movable block has the hand to twist the bolt, and the outside of movable block is provided with the handle.
As a further description of the above technical solution:
the movable block forms a movable structure with the concave block through the rotating rod, the first movable shaft, and the movable block forms a fixed structure with the die case through a hand-screwed bolt.
As a further description of the above technical solution:
the inner part of the replacing mechanism comprises a lower die core, a positioning block is arranged on the outer side of the lower die core, a positioning groove is formed in the outer part of the positioning block, a fixing column is arranged inside the positioning block, and a first nut is connected to the outer side of the fixing column through threads.
As a further description of the above technical solution:
the alignment block and the lower die form a movable structure through the alignment groove, and the alignment block and the alignment groove form a fixed structure through the fixed column and the first nut.
As a further description of the above technical solution:
the extension mechanism is internally provided with a positioning rod, a wire fixing barrel is arranged outside the positioning rod, a fifth movable shaft is arranged outside the positioning rod, a wire guide rod is arranged outside the fifth movable shaft, a guide groove is formed in the wire guide rod, and a guide block is connected inside the guide groove.
As a further description of the above technical solution:
the wire guide rod and the positioning rod form a movable structure through a fifth movable shaft, and the transverse axis of the positioning rod is overlapped with the transverse axis of the wire fixing barrel.
In summary, due to the adoption of the technical scheme, the invention has the beneficial effects that:
1. according to the invention, the mould is used for manufacturing the polymer multilayer through the upper mould and the lower mould in a compression molding manner, when the material is injected, the polymer raw material is injected through the material injection pipe, the upper mould is provided with the material injection port, so that the raw material is effectively injected into the lower mould for compression molding, and the polymer can be effectively injected in multiple times through the plurality of groups of material injection pipes, so that the polymer is injected into the prepared multilayer.
2. According to the invention, when the polymer is prepared, the power supply of the electric push rod needs to be switched on, the external wire can be switched on with the power supply, when the external wire is connected, and when the wire body is too short, the wire guide rod can be rotated, so that the wire body can be effectively discharged through the wire groove preset in the guide block, the external wire is prolonged, the power supply of the die can be conveniently switched on by a worker, and the use requirement of the die is ensured.
3. In the invention, after the power of the die is switched on, the polymer preparation can be carried out, the electric push rod is extended to press the upper die downwards, when the electric push rod is pressed downwards, the connecting rod is lowered through the first slide block, thereby changing the position of the connected insection rods, when the insection rods descend, the connected first gears drive the movable rods to rotate, when the movable rods rotate, the second gear drives the third gear to rotate, so that the third gear rotates to drive the threaded rod to rotate, wherein, the third gear is internally provided with a thread groove which is connected with the threaded rod, when the third gear rotates, the threaded rod rotates and shifts, so that the lower die starts to move through the second sliding block, and the upper die drives the lower die to ascend when pressed downwards, compared with the single descending condition in the prior art, the upper part and the lower part of the position are synchronously combined, so that the overall working efficiency is improved.
4. According to the invention, after the lower die is used for too long, the lower die core in the lower die needs to be replaced, when the lower die is replaced, the first nut can be screwed to effectively separate the first nut from the fixed column, then a worker can take the lower die core out of the lower die, after the lower die core is taken out, a new lower die core can be placed in the lower die, the through groove is preset in the alignment block, so that the fixed column effectively penetrates through the lower die for fixing, the effects of preparing a polymer can be ensured by positioning, maintaining and replacing, and the generation of inferior-quality products is reduced.
5. According to the invention, after the die is used for a period of time, the parts in the case need to be inspected and oiled, when the die is used for inspection, a worker can unscrew the hand-screwed bolt to effectively separate the movable block from the case, and then the worker can pull the handle to rotate the cover plate through the hinge, so that the case is effectively opened, the worker can effectively inspect and oile the inside, the working efficiency of the die can be effectively improved when the die is used, and production and preparation accidents are avoided.
Drawings
FIG. 1 is a schematic view of the overall structure of the present invention;
FIG. 2 is a schematic structural view of a push down elevating mechanism according to the present invention;
FIG. 3 is a schematic top view of a portion of the lift mechanism of the present invention;
FIG. 4 is a schematic view of the structure of the push-down elevating mechanism supplement of the present invention;
FIG. 5 is a schematic view of the changing mechanism of the present invention;
fig. 6 is a schematic view of the structure of the extending mechanism of the present invention.
Illustration of the drawings:
1. a mold chassis; 2. a base; 3. an opening and closing mechanism; 301. a cover plate; 302. a hinge; 303. a concave block; 304. rotating the rod; 305. a first movable shaft; 306. a movable block; 307. screwing the bolt by hand; 308. a handle; 4. external connection; 5. a mold holder; 6. an upper die; 7. an electric push rod; 8. a material injection pipe; 9. a lower die; 10. pressing down the lifting mechanism; 1001. a connecting rod; 1002. a first slider; 1003. a first fixing lever; 1004. a toothed bar; 1005. a first gear; 1006. a movable rod; 1007. a second movable shaft; 1008. a second gear; 1009. a third gear; 1010. a second fixing bar; 1011. a third movable shaft; 1012. a threaded rod; 1013. a fourth movable shaft; 1014. a side plate; 1015. a second chute; 1016. a second slider; 1017. a first chute; 11. a mechanism is replaced; 1101. a lower mold core; 1102. a positioning block; 1103. a positioning groove; 1104. fixing a column; 1105. a first nut; 12. an extension mechanism; 1201. positioning a rod; 1202. a wire fixing cylinder; 1203. a fifth movable shaft; 1204. a wire guide rod; 1205. a guide groove; 1206. and a guide block.
Detailed Description
The technical solutions in the embodiments of the present invention will be clearly and completely described below with reference to the drawings in the embodiments of the present invention, and it is obvious that the described embodiments are only a part of the embodiments of the present invention, and not all of the embodiments. All other embodiments, which can be derived by a person skilled in the art from the embodiments given herein without making any creative effort, shall fall within the protection scope of the present invention.
Referring to fig. 1 to 6, a replaceable and designable polymer multilayer preparation mold comprises a mold case 1, a base 2, an opening and closing mechanism 3, a cover plate 301, a hinge 302, a concave block 303, a rotating rod 304, a first movable shaft 305, a movable block 306, a hand-screwed bolt 307, a handle 308, an external connecting line 4, a mold bracket 5, an upper mold 6, an electric push rod 7, a material injection pipe 8, a lower mold 9, a downward-pressing lifting mechanism 10, a connecting rod 1001, a first slider 1002, a first fixed rod 1003, a toothed rod 1004, a first gear 1005, a movable rod 1006, a second movable shaft 1007, a second gear 1008, a third gear 1009, a second fixed rod 1010, a third movable shaft 1011, a threaded rod 1012, a fourth movable shaft 1013, a side plate, a second chute 1015, a second slider 1016, a first chute 1017, a replacing mechanism 11, a lower mold core 1101, an alignment block 1102, an alignment groove 1104, a fixed column, a first nut 1105, a fixed column 1105, a second nut 1105, a second movable, An extension mechanism 12, a positioning rod 1201, a wire fixing cylinder 1202, a fifth movable shaft 1203, a wire guiding rod 1204, a guiding groove 1205 and a guiding block 1206, wherein the bottom end of a mold case 1 is connected with a base 2, an opening and closing mechanism 3 is installed on the positive end surface of the mold case 1, an external wire 4 is connected with the left end surface of the mold case 1, a mold support 5 is arranged at the top end of the mold case 1, an upper mold 6 is installed inside the mold support 5, an electric push rod 7 is connected between the upper mold 6 and the mold support 5, a material injection pipe 8 is installed at the top end of the upper mold 6, a lower mold 9 is arranged at the bottom of the upper mold 6, a lower pressure lifting mechanism 10 is installed between the lower mold 9 and the upper mold 6, a replacing mechanism 11 is connected inside the lower mold 9, the extension mechanism 12 is installed between the external wire 4 and the mold case 1, a connecting rod 1001 is included inside the lower pressure lifting mechanism 10, and, a first fixed rod 1003 is connected to the outside of the first slider 1002, a first sliding chute 1017 is formed inside the first fixed rod 1003, a toothed rod 1004 is connected to the bottom end of the first slider 1002, a first gear 1005 is connected to the outside of the toothed rod 1004, a movable rod 1006 is installed inside the first gear 1005, a second movable shaft 1007 is connected to the outside of the movable rod 1006, a second gear 1008 is arranged outside the movable rod 1006, a third gear 1009 is installed outside the second gear 1008, a second fixed rod 1010 is arranged inside the third gear 1009, a third movable shaft 1011 is installed between the second fixed rod 1010 and the third gear 1009, a threaded rod 1012 is connected to the inside of the third gear 1009 through a thread, a fourth movable shaft 1013 is installed at the top end 1012 of the threaded rod 1012, a side plate 1014 is arranged outside the threaded rod, a second sliding chute 1015 is formed inside the side plate 1014, a second slider 1016 is connected to the inside of the second sliding chute 1015, wherein, the inside of first dead lever 1003 is seted up first spout 1017, makes and connects pole 1001 through the effectual removal transposition of first slider 1002 to make the insection pole 1004 that meets carry out effectual dislocation.
Further, connect pole 1001 to constitute sliding structure through first slider 1002, first spout 1017 and first dead lever 1003, and first dead lever 1003 is symmetrical about the axis of mould machine case 1, and wherein electric putter 7 adopts the model: DDA, then, can be extended by means of an electric ram 7, so that the upper die 6 is pressed down.
Further, the movable rod 1006 forms a transmission structure with the toothed rod 1004 through the first gear 1005, and the first gear 1005 is symmetrical with respect to the central axis of the movable rod 1006, wherein a threaded groove is preset inside the third gear 1009 to be connected with the threaded rod 1012, and when rotating, the threaded rod 1012 is rotated and displaced, so that the lower mold 9 starts to move through the second slider 1016.
Further, the threaded rod 1012 forms a rotating structure with the lower die 9 through the fourth movable shaft 1013, and the central axis of the threaded rod 1012 coincides with the central axis of the lower die 9, wherein the fourth movable shaft 1013 is installed at the bottom end of the lower die 9, so that the threaded rod 1012 effectively rotates, and the inside of the die case 1 is provided with a mounting plate, and is in threaded connection with the threaded rod 1012, so that the threaded rod 1012 effectively rotates and is transposed.
Further, the inside apron 301 that is included of mechanism 3 that opens and shuts, and hinge 302 is installed in the outside of apron 301, the positive terminal surface of apron 301 is provided with concave type piece 303, and the internally mounted of concave type piece 303 has dwang 304, be connected with first loose axle 305 between dwang 304 and the concave type piece 303, and the movable block 306 is installed in the outside of dwang 304, the internal thread connection of movable block 306 has hand-screwed bolt 307, and the outside of movable block 306 is provided with handle 308, wherein inspect the during operation, then the staff can unscrew hand-screwed bolt 307, make effectual separation between movable block 306 and the quick-witted case, then the staff can stimulate handle 308, make apron 301 rotate through hinge 302, make the effectual opening of quick-witted case like this.
Further, the movable block 306 forms a movable structure through the rotating rod 304, the first movable shaft 305 and the concave block 303, and the movable block 306 forms a fixed structure with the mold case 1 through the hand-screwed bolt 307, wherein a thread groove is preset between the inside of the movable block 306 and the outer wall of the mold case 1, so that the hand-screwed bolt 307 can be effectively screwed and fixed.
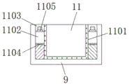
Further, change inside including lower mould core 1101 of mechanism 11, and the counterpoint piece 1102 is installed in the outside of lower mould core 1101, the outside of counterpoint piece 1102 is provided with counterpoint groove 1103, and the internally mounted of counterpoint piece 1102 has fixed column 1104, the outside threaded connection of fixed column 1104 has first nut 1105, wherein logical groove has been preset to the inside of counterpoint piece 1102, make the effectual penetration of fixed column 1104 fix, fix a position like this and maintain the change and can make the effect guarantee when preparing the polymer, reduce the production of substandard product.
Further, the alignment block 1102 forms a movable structure with the lower die 9 through the alignment groove 1103, and the alignment block 1102 forms a fixed structure with the alignment groove 1103 through the fixing column 1104 and the first nut 1105, wherein the two sets of alignment blocks 1102 are installed and fixed, so that the stability of the lower die core 1101 after being placed is ensured, and the machining deviation is effectively prevented.
Further, extend mechanism 12 inside including locating lever 1201, and locating lever 1201's externally mounted has a solid line section of thick bamboo 1202, the locating lever 1201 outside is provided with fifth loose axle 1203, and fifth loose axle 1203 externally mounted has wire rod 1204, guide way 1205 has been seted up to wire rod 1204's inside, and the internal connection of guide way 1205 has the guide block 1206, wherein the inside wire casing of predetermineeing of guide block 1206, make external connection 4 prolong, thereby make things convenient for the staff to carry out the power switch-on of this mould.
Further, the wire rod 1204 forms a movable structure with the positioning rod 1201 through the fifth movable shaft 1203, and the horizontal axis of the positioning rod 1201 coincides with the horizontal axis of the wire fixing barrel 1202, wherein the external wire 4 can be effectively wound through the wire fixing barrel 1202, and the wire rod is conveniently collected for the next use.
The working principle is as follows: the die is manufactured by performing compression molding on a plurality of polymer layers through an upper die 6 and a lower die 9, when the materials are injected, polymer raw materials are injected through an injection pipe 8, a feed port is formed in the upper die 6, so that the raw materials are effectively injected into the lower die 9 for compression molding, wherein the polymers can be effectively injected in a plurality of groups of injection pipes 8 in a grading manner, so that the polymers are injected into the prepared plurality of layers, when the polymers are prepared, the power supply of an electric push rod 7 needs to be switched on, an external wire 4 can be switched on, when the external wire 4 is connected, the wire rod 1204 can be rotated when the wire body is too short, so that the wire body is effectively discharged through a preset wire groove inside a guide block 1206, the external wire 4 is prolonged, the power supply of the die is convenient for a worker to switch on, and the use requirement of the die is ensured, when the power of the mold is turned on, the polymer preparation can be performed, the electric push rod 7 is extended to press the upper mold 6, when the electric push rod is pressed down, the connecting rod 1001 is lowered through the first slider 1002 to change the position of the connected toothed bar 1004, when the toothed bar 1004 is lowered, the connected first gear 1005 drives the movable bar 1006 to rotate, when the movable bar 1006 rotates, the second gear 1008 drives the third gear 1009 to rotate, so that the third gear 1009 rotates to drive the threaded bar 1012 to rotate, wherein a threaded groove is preset in the third gear 1009 to be connected with the threaded bar 1012, when the movable bar 1006 rotates, the threaded bar 1012 rotates to change the position, so that the lower mold 9 starts to move through the second slider 1016, so that when the upper mold 6 is pressed down, the lower mold 9 is driven to ascend, compared with the conventional single-descending situation, the positions are synchronously matched up and down, therefore, the overall working efficiency is improved, after the lower mold 9 is used for too long time, the lower mold core 1101 in the lower mold 9 needs to be replaced, when the lower mold 9 is replaced, the first nut 1105 can be screwed to effectively separate the first nut 1105 from the fixed column 1104, then a worker can take the lower mold core 1101 out of the lower mold 9, after the lower mold core is taken out, a new lower mold core 1101 can be put into the lower mold core, wherein the positioning block 1102 is internally provided with a through groove in advance, so that the fixed column 1104 effectively penetrates through the through groove for fixing, the positioning maintenance and replacement can ensure the effect of preparing the polymer and reduce the generation of defective products, when the mold is used for a period of time, the parts in the case need to be checked and oiled, when the mold is checked, the worker can unscrew the hand-screwed bolt 307 to effectively separate the movable block 306 from the case, then the staff can be with handle 308 pulling for apron 301 rotates through hinge 302, makes the effectual opening of quick-witted case like this, thereby makes the staff can effectually inspect the oiling to inside, and the effectual improvement of work efficiency when can letting this mould use like this avoids the production preparation to take place the accident.
The above description is only for the preferred embodiment of the present invention, but the scope of the present invention is not limited thereto, and any person skilled in the art should be considered to be within the technical scope of the present invention, and the technical solutions and the inventive concepts thereof according to the present invention should be equivalent or changed within the scope of the present invention.
Claims (10)
1. A replaceable and designable polymer multilayer preparation die comprises a die case (1) and is characterized in that the bottom end of the die case (1) is connected with a base (2), an opening and closing mechanism (3) is installed on the positive end face of the die case (1), the left end surface of the die case (1) is connected with an external connecting line (4), a die support (5) is arranged at the top end of the die case (1), an upper die (6) is installed inside the die support (5), an electric push rod (7) is connected between the upper die (6) and the die support (5), a material injection pipe (8) is installed at the top end of the upper die (6), a lower die (9) is arranged at the bottom of the upper die (6), a pressing lifting mechanism (10) is installed between the lower die (9) and the upper die (6), and a replacing mechanism (11) is connected inside the lower die (9), an extension mechanism (12) is installed between the external connecting line (4) and the die case (1), a connecting rod (1001) is arranged inside the downward pressing lifting mechanism (10), a bottom end first sliding block (1002) of the connecting rod (1001), a first fixing rod (1003) is connected to the outside of the first sliding block (1002), a first sliding groove (1017) is formed in the inside of the first fixing rod (1003), a threaded rod (1004) is connected to the bottom end of the first sliding block (1002), a first gear (1005) is connected to the outer side of the threaded rod (1004), a movable rod (1006) is installed inside the first gear (1005), a second movable shaft (1007) is connected to the outer side of the movable rod (1006), a second gear (1008) is arranged outside the second gear (1008), a third gear (1005) is installed outside the second gear (1008), a second fixing rod (1010) is arranged outside the third gear (1009), and a third movable shaft (1011) is installed between the second fixing rod (1010) and the third gear (1009), the internal thread of the third gear (1009) is connected with a threaded rod (1012), the top end of the threaded rod (1012) is provided with a fourth movable shaft (1013), the outside of the threaded rod (1012) is provided with a side plate (1014), the inside of the side plate (1014) is provided with a second sliding chute (1015), and the inside of the second sliding chute (1015) is connected with a second sliding block (1016).
2. The replaceable and programmable polymer multilayer preparation mold according to claim 1, characterized in that the extension bar (1001) forms a sliding structure with a first slide block (1002), a first sliding groove (1017) and a first fixing bar (1003), and the first fixing bar (1003) is symmetrical with respect to a central axis of the mold housing (1).
3. A replaceable and programmable polymeric multilayer production tool according to claim 1, characterized in that the movable rod (1006) is in a transmission configuration with a toothed rod (1004) via a first gear (1005), and the first gear (1005) is symmetrical with respect to the central axis of the movable rod (1006).
4. A replaceable and programmable polymer multilayer preparation mould according to claim 1, characterized in that said threaded rod (1012) is set in rotation with the lower mould (9) by means of a fourth movable shaft (1013), and the central axis of the threaded rod (1012) coincides with the central axis of the lower mould (9).
5. The replaceable and designable polymer multilayer preparation mold according to claim 1, wherein the inside of the opening and closing mechanism (3) comprises a cover plate (301), a hinge (302) is installed on the outer side of the cover plate (301), a concave block (303) is arranged on the positive end surface of the cover plate (301), a rotating rod (304) is installed inside the concave block (303), a first movable shaft (305) is connected between the rotating rod (304) and the concave block (303), a movable block (306) is installed on the outer side of the rotating rod (304), a hand-screwing bolt (307) is connected to the inner thread of the movable block (306), and a handle (308) is arranged outside the movable block (306).
6. A replaceable and programmable polymer multilayer preparation mould according to claim 5, characterized in that the movable block (306) is movably structured with the female block (303) by means of a turning rod (304), a first movable shaft (305) and a fixed structure is structured with the mould housing (1) by means of a hand-screwed bolt (307).
7. A replaceable and designable polymer multilayer preparation mold according to claim 1, wherein the interior of the replacement mechanism (11) comprises a lower mold core (1101), an alignment block (1102) is installed on the outer side of the lower mold core (1101), an alignment groove (1103) is arranged on the outer portion of the alignment block (1102), a fixed column (1104) is installed on the inner portion of the alignment block (1102), and a first nut (1105) is connected to the outer side of the fixed column (1104) in a threaded manner.
8. A replaceable and programmable polymer multilayer fabrication mold as in claim 7, characterized in that the alignment block (1102) is movable with the lower mold (9) through the alignment groove (1103) and the alignment block (1102) is fixed with the alignment groove (1103) through the fixed post (1104) and the first nut (1105).
9. The replaceable and programmable polymer multilayer preparation mold as claimed in claim 1, wherein the extension mechanism (12) comprises a positioning rod (1201) inside, a wire fixing cylinder (1202) is installed outside the positioning rod (1201), a fifth movable shaft (1203) is installed outside the positioning rod (1201), a wire guiding rod (1204) is installed outside the fifth movable shaft (1203), a guiding groove (1205) is formed inside the wire guiding rod (1204), and a guiding block (1206) is connected inside the guiding groove (1205).
10. A replaceable and programmable polymeric multilayer production tool according to claim 9, characterized in that the guide rod (1204) is movably connected to the positioning rod (1201) via a fifth movable shaft (1203), and the transverse axis of the positioning rod (1201) coincides with the transverse axis of the fixing cylinder (1202).
Priority Applications (1)
| Application Number | Priority Date | Filing Date | Title |
|---|---|---|---|
| CN202010964377.4A CN112045950A (en) | 2020-09-15 | 2020-09-15 | Replaceable and designable polymer multilayer preparation die |
Applications Claiming Priority (1)
| Application Number | Priority Date | Filing Date | Title |
|---|---|---|---|
| CN202010964377.4A CN112045950A (en) | 2020-09-15 | 2020-09-15 | Replaceable and designable polymer multilayer preparation die |
Publications (1)
| Publication Number | Publication Date |
|---|---|
| CN112045950A true CN112045950A (en) | 2020-12-08 |
Family
ID=73610731
Family Applications (1)
| Application Number | Title | Priority Date | Filing Date |
|---|---|---|---|
| CN202010964377.4A Pending CN112045950A (en) | 2020-09-15 | 2020-09-15 | Replaceable and designable polymer multilayer preparation die |
Country Status (1)
| Country | Link |
|---|---|
| CN (1) | CN112045950A (en) |
Citations (5)
| Publication number | Priority date | Publication date | Assignee | Title |
|---|---|---|---|---|
| CN206692159U (en) * | 2017-04-06 | 2017-12-01 | 重庆市彭水县谷惠科技服务有限公司 | Winder |
| CN208197329U (en) * | 2018-05-09 | 2018-12-07 | 深圳昱全模具技术开发有限公司 | A kind of mould molding device |
| CN209439305U (en) * | 2019-01-13 | 2019-09-27 | 陈小伟 | A kind of heat-treated metal molding object compacting tool set |
| CN110774537A (en) * | 2019-11-18 | 2020-02-11 | 曹江 | Adjustable multi-specification universal injection molding positioning device |
| CN210142778U (en) * | 2019-07-04 | 2020-03-13 | 南安凌卓文化创意有限公司 | USB extension line subassembly for computer |
-
2020
- 2020-09-15 CN CN202010964377.4A patent/CN112045950A/en active Pending
Patent Citations (5)
| Publication number | Priority date | Publication date | Assignee | Title |
|---|---|---|---|---|
| CN206692159U (en) * | 2017-04-06 | 2017-12-01 | 重庆市彭水县谷惠科技服务有限公司 | Winder |
| CN208197329U (en) * | 2018-05-09 | 2018-12-07 | 深圳昱全模具技术开发有限公司 | A kind of mould molding device |
| CN209439305U (en) * | 2019-01-13 | 2019-09-27 | 陈小伟 | A kind of heat-treated metal molding object compacting tool set |
| CN210142778U (en) * | 2019-07-04 | 2020-03-13 | 南安凌卓文化创意有限公司 | USB extension line subassembly for computer |
| CN110774537A (en) * | 2019-11-18 | 2020-02-11 | 曹江 | Adjustable multi-specification universal injection molding positioning device |
Non-Patent Citations (1)
| Title |
|---|
| 彭建声等,: "《模具技术问答》", 31 May 2001, 机械工业出版社 * |
Similar Documents
| Publication | Publication Date | Title |
|---|---|---|
| CN212763990U (en) | A new type of powder molding machine | |
| CN113199703A (en) | Combined injection mold and working method thereof | |
| CN110884201A (en) | Stamping die with replaceable stamping die head | |
| CN112045950A (en) | Replaceable and designable polymer multilayer preparation die | |
| CN107803468B (en) | Screw rotor molding machine | |
| CN213104417U (en) | Motor base production mould convenient to clearance | |
| CN113977884A (en) | Novel automatic rotatory mold stripping machine of screw thread | |
| CN218286564U (en) | Ejection structure for discharging in injection mold production | |
| CN219311555U (en) | Ceramic tile production mould convenient to drawing of patterns | |
| CN219852067U (en) | Aluminum plate die casting die convenient to drawing of patterns | |
| CN213260847U (en) | Case lid injection mold convenient to separation | |
| CN212498852U (en) | Gear forming processing device | |
| CN214000319U (en) | Quick-replaceable injection mold for processing high-strength plastic bottles | |
| CN220409481U (en) | Injection mold convenient to drawing of patterns | |
| CN210501198U (en) | Shoemaking mould easy to demould | |
| CN210061821U (en) | A mould for making screw thread knob | |
| CN223442469U (en) | Ceramic bowl forming machine | |
| CN223326843U (en) | Automatic die sinking mould of rapid prototyping | |
| CN110654052B (en) | Mold device for producing horn basin body and production method using mold device | |
| CN208801574U (en) | A kind of injection mold numerical control die sinking vehicle | |
| CN220464579U (en) | Integral forming die | |
| CN213260808U (en) | Automatic injection mold of bullet material | |
| CN218966015U (en) | Injection mold for nut rotating head production | |
| CN222346181U (en) | Environment-friendly plastic molding die | |
| CN118003533B (en) | Plastic injection molding equipment and molding method thereof |
Legal Events
| Date | Code | Title | Description |
|---|---|---|---|
| PB01 | Publication | ||
| PB01 | Publication | ||
| SE01 | Entry into force of request for substantive examination | ||
| SE01 | Entry into force of request for substantive examination | ||
| RJ01 | Rejection of invention patent application after publication |
Application publication date: 20201208 |
|
| RJ01 | Rejection of invention patent application after publication |