CN112028442A - 多段式热能阶梯利用的污泥干化系统及干化方法 - Google Patents

多段式热能阶梯利用的污泥干化系统及干化方法 Download PDF

Info

Publication number
CN112028442A
CN112028442A CN202010686993.8A CN202010686993A CN112028442A CN 112028442 A CN112028442 A CN 112028442A CN 202010686993 A CN202010686993 A CN 202010686993A CN 112028442 A CN112028442 A CN 112028442A
Authority
CN
China
Prior art keywords
hot air
steam
heat
drying
sludge
Prior art date
Legal status (The legal status is an assumption and is not a legal conclusion. Google has not performed a legal analysis and makes no representation as to the accuracy of the status listed.)
Granted
Application number
CN202010686993.8A
Other languages
English (en)
Other versions
CN112028442B (zh
Inventor
王春晖
侯波
王利
伊然
甄志
吕杨
唐勋
Current Assignee (The listed assignees may be inaccurate. Google has not performed a legal analysis and makes no representation or warranty as to the accuracy of the list.)
Guoneng Longyuan Environmental Engineering Co Ltd
Original Assignee
Beijing Guodian Longyuan Environmental Engineering Co Ltd
Priority date (The priority date is an assumption and is not a legal conclusion. Google has not performed a legal analysis and makes no representation as to the accuracy of the date listed.)
Filing date
Publication date
Application filed by Beijing Guodian Longyuan Environmental Engineering Co Ltd filed Critical Beijing Guodian Longyuan Environmental Engineering Co Ltd
Priority to CN202010686993.8A priority Critical patent/CN112028442B/zh
Publication of CN112028442A publication Critical patent/CN112028442A/zh
Application granted granted Critical
Publication of CN112028442B publication Critical patent/CN112028442B/zh
Active legal-status Critical Current
Anticipated expiration legal-status Critical

Links

Images

Classifications

    • CCHEMISTRY; METALLURGY
    • C02TREATMENT OF WATER, WASTE WATER, SEWAGE, OR SLUDGE
    • C02FTREATMENT OF WATER, WASTE WATER, SEWAGE, OR SLUDGE
    • C02F11/00Treatment of sludge; Devices therefor
    • C02F11/12Treatment of sludge; Devices therefor by de-watering, drying or thickening
    • C02F11/13Treatment of sludge; Devices therefor by de-watering, drying or thickening by heating

Landscapes

  • Engineering & Computer Science (AREA)
  • Mechanical Engineering (AREA)
  • Life Sciences & Earth Sciences (AREA)
  • Hydrology & Water Resources (AREA)
  • Environmental & Geological Engineering (AREA)
  • Water Supply & Treatment (AREA)
  • Chemical & Material Sciences (AREA)
  • Organic Chemistry (AREA)
  • Drying Of Solid Materials (AREA)

Abstract

本发明涉及污泥处理技术领域,公开了一种多段式热能阶梯利用的污泥干化系统及干化方法。包括蒸汽干化系统,热风干化系统,以及连通蒸汽干化系统和热风干化系统的循环换热系统;蒸汽干化系统包括至少一个蒸汽干化机,蒸汽干化机的出汽口通过管道依次与乏汽回热器和乏汽冷凝器串联;热风干化系统包括至少一个热风干化机,热风干化机的出气口通过管道依次与热风冷凝器、热风预热器和热风再热器串联,热风再热器的出气口与热风干化机的热风进口连通;循环换热系统为循环介质的独立循环系统,包括连通乏汽回热器与热风预热器的热泵。本发明能耗低,循环热效率高,系统运行稳定性好。

Description

多段式热能阶梯利用的污泥干化系统及干化方法
技术领域
本发明涉及污泥处理技术领域,特别是涉及一种多段式热能阶梯利用的污泥干化系统及干化方法。
背景技术
长久以来,我国污水处理行业普遍存在“重水轻泥”的情况,污泥处理处置状况远不能达到稳定化、减量化、无害化和资源化处置要求。面对国内严峻的环保形势,住建部和发改委等出台一系列政策规划性文件指导污泥处理处置行业发展,要求热电联产煤电机组布局耦合污泥发电技改项目。因此,耦合燃煤锅炉资源化处置污泥固废作为污泥处置市场的最优选择之一,将占据越来越多分量。耦合大型燃煤锅炉处置污泥将成为未来污泥处置行业的主流力量。
目前大型燃煤锅炉协同处置污泥的工艺路线主要有直接掺烧和干化掺烧两种,干化掺烧又以蒸汽干化和热风干化两种为主流工艺。
传统蒸汽圆盘污泥干化工艺具有技术成熟、处理能力强、对环境影响小、占地小等优点;传统热风干化工艺具有技术成熟,热源品质要求较低,物料适应能力强等优点。但无论热风干化还是蒸汽干化,高能耗成为该技术的发展掣肘,很大程度上降低了该工艺在市场上的竞争力。
目前已出现两段式蒸汽-热风余热利用污泥干化工艺,通过闪蒸设备将高温高压蒸汽冷凝水闪蒸成低温低压蒸汽,用于热风再加热,实现二级能量梯级利用系统,该工艺可节省蒸汽,达到节能目的,但在实际生产运行角度而言,存在对进料污泥局限性大,且热风干化系统的高含尘循环热风直接进入蒸汽干化系统的乏汽回热器中与含尘乏汽换热,导致乏汽回热器经常堵塞;据工程现场调研,回热换热器需每星期停运清洗一次,难以实现大型工业化的连续运转。
发明内容
本发明提供一种能耗低,循环热效率高,系统运行稳定性好的多段式热能阶梯利用的污泥干化系统及干化方法。
解决的技术问题是:现有的污泥干化系统能耗较大,循环效率低,且乏汽回热器容易堵塞,系统运行稳定性差,连续性较差。
为解决上述技术问题,本发明采用如下技术方案:
本发明多段式热能阶梯利用的污泥干化系统,包括蒸汽干化系统,热风干化系统,以及连通蒸汽干化系统和热风干化系统的循环换热系统;
蒸汽干化系统包括至少一个蒸汽干化机,蒸汽干化机的出汽口通过管道依次与乏汽回热器和乏汽冷凝器串联;
热风干化系统包括至少一个热风干化机,热风干化机的出气口通过管道依次与热风冷凝器、热风预热器和热风再热器串联,热风再热器的出汽口与热风干化机的热风进口连通;
循环换热系统为循环介质的独立循环系统,包括连通乏汽回热器与热风预热器的热泵。
本发明多段式热能阶梯利用的污泥干化系统,进一步的,所述热泵的循环低温介质的低介出口通过低介进管与乏汽回热器的冷介进口连通,乏汽回热器的冷介出口通过低介回管与热泵的循环低温介质的低介进口连通,热泵的循环高温介质的高介出口通过高介进管与热风预热器的热介进口连通,热风预热器的热介出口通过回液管与低介进管连通。
本发明多段式热能阶梯利用的污泥干化系统,进一步的,所述热风再热器的疏水出口通过第一并管与高介进管连通。
本发明多段式热能阶梯利用的污泥干化系统,进一步的,所述蒸汽干化机的疏水出口通过第二并管与高介进管连通。
本发明多段式热能阶梯利用的污泥干化系统,进一步的,所述蒸汽干化机的进料口与湿污泥储仓连通;热风干化机的进料口与湿污泥储仓连通,或与蒸汽干化机的出料口连通。
本发明多段式热能阶梯利用的污泥干化系统,进一步的,所述蒸汽干化机的出气口与乏汽回热器的进汽口连接,乏汽回热器的出汽口与乏汽冷凝器的热源进口连通,冷凝后的乏汽送至锅炉进行焚烧处理;热风干化机的出气口与热风冷凝器的热源进口连通,热风冷凝器的热源出口与热风预热器的进气口连通,热风预热器的出气口与热风再热器的进气口连通。
本发明多段式热能阶梯利用的污泥干化系统的干化方法,包括以下步骤:
步骤一、湿污泥物料进入蒸汽干化机蒸干,含有杂质的高温蒸汽进行余热回收降温后,进行冷凝,回收的余热进入循环换热系统进行热能再利用;
步骤二、污泥物料进入热风干化机干燥,含有杂质和水汽的热风进行降温除水后再次进行预热和加热,然后送入热风干化机循环干化污泥物料,预热过程中利用循环换热系统中热泵回收升温后的热能进行加热。
本发明多段式热能阶梯利用的污泥干化系统的干化方法,进一步的,步骤一具体包括以下步骤:
1.1、湿污泥物料,被高温蒸汽加热蒸发,蒸干后排出蒸汽干化机;
1.2、干化乏汽在乏汽回热器中进行热能回收,与乏汽回热器中的循环介质热交换降温,循环介质从乏汽回热器中回收余热后进入热泵,热泵将部分循环介质加热后送至热风预热器中再利用,剩余部分循环介质降温后送回乏汽回热器循环吸热;
1.3、回收热能的干化乏汽冷却后排出蒸汽干化系统,进行后续处理。
本发明多段式热能阶梯利用的污泥干化系统的干化方法,进一步的,步骤二具体包括以下步骤:
2.1、污泥物料经过高温热风加热干燥,干化后排出热风干化机;
2.2、蒸发出的含有杂质和水汽的热风在热风冷凝器中降温冷却,除去热风中的大量水汽和杂质;
2.3、冷却干燥后的热风经过热风预热器,利用经过循环换热系统处理后的热能进行预热;
2.4、预热后的热风在热风再热器中与高温蒸汽换热,升温后再进入热风干化机,循环利用。
本发明多段式热能阶梯利用的污泥干化系统的干化方法,进一步的,所述蒸汽干化机产生的疏水和热风再热器产生的疏水分别送至热风预热器中进行余热利用。
本发明多段式热能阶梯利用的污泥干化系统及干化方法与现有技术相比,具有如下有益效果:
本发明包括蒸汽干化和热风干化两段处理线,各自产生的含有大量杂质的高温蒸汽分别处理,并利用热泵回收利用蒸汽干化系统中的乏汽热能,将其引入热风干化系统中,为干燥冷却的热风进行预热,为热风的循环使用提供保障,大大降低了热风循环所耗费的热能,降低了整体干化系统的能耗损失,提高了热能的利用率和循环热效率。
本发明中循环介质有着独立的循环系统,与蒸汽干化系统中的乏汽和热风干化系统中的热风均为非接触换热,循环介质中不会融入杂质,有效避免了乏汽回热器和热风预热器的堵塞,提高了系统运行的稳定性和连续性,也有效提高了热能利用率,大幅度降低了污泥干化的能耗。
本发明使用的热泵为增温型热泵,将从乏汽回热器中回收的热能集中至一部分循环介质中送至热风预热器中作为热源对冷却干燥的热风进行预热,剩余部分降温后的循环介质重新送回乏汽回热器中,循环吸收热能,实现了热能回收利用的循环连续运转。
下面结合附图对本发明的多段式热能阶梯利用的污泥干化系统及干化方法作进一步说明。
附图说明
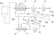
图1为本发明多段式热能阶梯利用的污泥干化系统的结构示意图;
图2为一个实施例的污泥干化系统的结构示意图;
图3为另一实施例的污泥干化系统的结构示意图。
附图标记:
1-蒸汽干化机;2-乏汽回热器;3-乏汽冷凝器;4-热风干化机;5-热风冷凝器;6-热风预热器;7-热风再热器;8-热泵;91-低介进管;92-低介回管;93-高介进管;94-回液管;95-第一并管;96-第二并管;97-湿污泥储仓。
具体实施方式
如图1所示,本发明多段式热能阶梯利用的污泥干化系统包括蒸汽干化系统,热风干化系统,以及连通蒸汽干化系统和热风干化系统的循环换热系统。
蒸汽干化系统包括至少一个蒸汽干化机,以及乏汽回热器2和乏汽冷凝器3,蒸汽干化机1的进料口与湿污泥储仓97连通,出汽口通过管道依次与乏汽回热器2和乏汽冷凝器3串联,本实施例中使用的蒸汽干化机1为转盘式非接触的干化机。
蒸汽干化机1的出汽口与乏汽回热器2的进汽口连接,湿污泥中蒸发出来的大量含有杂质的高温蒸汽在乏汽回热器2中通过热交换降温;乏汽回热器2的出汽口与乏汽冷凝器3的热源进口连通,降温后的乏汽再次进入乏汽冷凝器3,与通入乏汽冷凝器3的冷却介质进行换热冷却,冷凝后的乏汽可送至锅炉进行焚烧处理。蒸汽干化机1可以多个组合并联或串联使用,通入的高温蒸汽可以引用电厂的饱和蒸汽。
热风干化系统包括至少一个热风干化机4,以及热风冷凝器5、热风预热器6和热风再热器7,热风干化机4的进料口与湿污泥储仓97连通,出气口通过管道依次与热风冷凝器5、热风预热器6和热风再热器7串联,热风再热器7的出汽口与热风干化机4的热风进口连通,热风干燥循环后返回热风干化机4循环利用。
热风干化机4的出气口与热风冷凝器5的热源进口连通,在热风冷凝器5内与冷却介质换热降温,以除去大量从湿污泥中蒸发出来的水分;热风冷凝器5的热源出口与热风预热器6的进气口连通,冷却后的热风进入热风预热器6中进行预热升温,热风预热器6的出气口与热风再热器7的进气口连通,与热风再热器7内的高温蒸汽换热升温,变成高温热风后重新进入热风干化机4内循环利用。
热风预热器6中的循环高温介质与乏汽回热器2内的循环低温介质相同,统称循环介质,为一切具有流动性和储热能力的流体,具有自己独立的循环系统,即循环换热系统,通过热泵8在热风预热器6与乏汽回热器2之间循环流通。
循环换热系统包括热泵8,热泵8为增温型热泵,热泵8的循环低温介质的低介出口通过低介进管91与乏汽回热器2的冷介进口连通,乏汽回热器2的冷介出口通过低介回管92与热泵8的循环低温介质的低介进口连通,热泵8的循环高温介质的高介出口通过高介进管93与热风预热器6的热介进口连通,热风预热器6的热介出口通过回液管94与低介进管91连通,将在热风预热器6内换热降温的循环介质合并送回乏汽回热器2中吸收热量。
本领域内通常使用的增温型热泵中,低温的余热水、高温的热源水与冷却介质三路系统相互独立,互不干扰。而本申请中,低温的余热水与高温的热源水为相同的介质,并且在热泵循环系统中是相通的,也就是本发明中所述的循环介质。具体可以使用改装后的热泵,也可将现有热泵做使用上的创新,以现有热泵为例,将余热水的出口与热源水的进口通过管道连通使用,即可实现本发明所述的作用和功能。
本发明中将低温的余热水和高温的热源水连通,与增温型热泵的常规使用方法相比,热能利用率和转化效率更高。在常规使用热泵的方法中,其回液管94的温度不会小于低阶回管92的温度,即高介进管93到回液管94的要小于本发明中的两管之间的温差,本发明所述的系统中,能够实现在热风预热器6中的更大降温,热能利用率更高。此外,回液管94到低阶回管92的部分温升是通过乏汽回热器2实现的能量转化,其转化效率要远高于常规热泵所能实现的。
如图2所示,热风再热器7的疏水出口通过第一并管95与高介进管93连通,可将热风再热器7中高温蒸汽换热后产生的疏水送入热风预热器6中作为热源再次进行利用。
如图3所示,热风干化机4的进料口还可以直接与蒸汽干化机1的出料口连通,直接处理经过蒸汽干化后的半干污泥,进行进一步的污泥干化。
除此之外,蒸汽干化机1的疏水出口还可通过第二并管96与高介进管93连通,将蒸汽干化机1中高温蒸汽换热后产生的疏水送入热风预热器6中作为热源再次进行利用。
如图1至图3所示,本发明多段式热能阶梯利用的污泥干化系统的干化方法,包括以下步骤:
步骤一、湿污泥物料进入蒸汽干化机1蒸干,含有杂质的高温蒸汽进行余热回收降温后,进行冷凝,回收的余热进入循环换热系统进行热能再利用;
1.1、含水率在60-80%的湿污泥物料,送至蒸汽干化机1内,被高温蒸汽加热蒸发,蒸干至含水率30-50%排出蒸汽干化机1,从物料中蒸发出来的含有杂质的干化乏汽为100℃左右;
1.2、干化乏汽在乏汽回热器2中进行热能回收,与乏汽回热器2中的循环介质热交换降温,乏汽回热器2中回收的余热,则送至循环换热系统,进行再利用;
100℃左右的干化乏汽与60℃左右的循环低温介质换热,循环低温介质升温至75℃左右后被送至热泵8;在热泵8内,25%左右的循环低温介质被转化为95℃左右的循环高温介质,剩余75%左右的循环低温介质降温至60℃左右后,送回至乏汽回热器2作为循环低温介质继续吸热循环。
1.3、回收热能的干化乏汽通过乏汽冷凝器3冷却至50℃左右排出蒸汽干化系统,送至锅炉进行焚烧处理。
步骤二、污泥物料进入热风干化机4干燥,含有杂质和水汽的热风进行降温除水后再次进行预热和加热,然后送入热风干化机4循环干化污泥物料;
2.1、污泥物料经过高温热风加热干燥,干化后的污泥排出热风干化机4,蒸发出60℃左右的热风含有大量杂质和水汽;
进入热风干化机4的污泥物料可以为含水率在60-80%的湿污泥物料,如图2所示,也可以是经过步骤一中蒸汽干化机1蒸干后的含水率30-50%的一次干化污泥,如图3所示,在热风干化机4中与110℃左右的热风接触,加热蒸发,可分别被蒸干至含水率在40-50%和含水率在5-20%后排出热风干化机4。
2.2、在热风干化机4中蒸发出的含有杂质和水汽的热风在热风冷凝器5中降温冷却,热风中含有的大量水汽冷凝后排出,排出的冷凝水会携带有大量的杂质,会大量减少进入热风预热器6的热风中的杂质含量,避免系统阀门或管路堵塞。
2.3、冷却干燥后的热风经过热风预热器6,利用经过循环换热系统处理后的热能进行预热;
在步骤1.2中,被热泵8加热至95℃左右的循环高温介质,被送至热风预热器6中,与干燥冷却的热风换热,降温至60℃左右的循环高温介质被送回乏汽回热器2重新吸热循环利用。
如图2和图3所示的系统中,步骤一中蒸汽干化机1产生的60℃左右的疏水也作为热源直接送至热风预热器6中进行余热利用。
2.4、预热后的80-90℃左右的热风在热风再热器7中与高温蒸汽换热,升温至110℃左右再进入热风干化机4,循环利用;
热风再热器7中通入引自电厂的200℃左右的高温蒸汽,将热风加热至110℃左右送至热风干化机4循环利用,如图2和图3所示的系统中,热风再热器7产生的60℃左右的疏水作为热源直接送至热风预热器6中进行余热利用。
图2与图3所示的两个系统,只列举了两个典型组合方式下的参数数值,并不能作为鉴定该系统工艺的数据标准;举例的系统中所述的温度数值上下浮动20%内的所有数据范围均在该工艺可实现范围内。
如图3所示系统,匹配工艺可满足组1台出力100t/d蒸汽污泥干化机(污泥含水率从60%降至40%)和1台出力100t/d蒸汽污泥干化机(泥含水率从80%降至40%)的余热全部回收,仅需增加1.8t/h的新蒸汽即可满足1台出力200t/d热风污泥干化机(泥含水率从60%降至40%)的干化需求。此工艺单位脱水蒸汽耗量约1.25t/t左右;比传统蒸汽干化至少节省蒸汽消耗量50%,比传统热风干化节省能耗约65%;故本发明的多段式热能梯级再利用系统比传统污泥干化工艺至少节能50%以上;此外由于本工艺设置了独立的循环换热系统相对于现有的两段式污泥干化系统本工艺可实现长时间稳定连续运行。以上数据只是列举了基于该具体系统的能效分析。
以上所述的实施例仅仅是对本发明的优选实施方式进行描述,并非对本发明的范围进行限定,在不脱离本发明设计精神的前提下,本领域普通技术人员对本发明的技术方案作出的各种变形和改进,均应落入本发明权利要求书确定的保护范围内。

Claims (10)

1.多段式热能阶梯利用的污泥干化系统,其特征在于:包括蒸汽干化系统,热风干化系统,以及连通蒸汽干化系统和热风干化系统的循环换热系统;
蒸汽干化系统包括至少一个蒸汽干化机(1),蒸汽干化机(1)的出汽口通过管道依次与乏汽回热器(2)和乏汽冷凝器(3)串联;
热风干化系统包括至少一个热风干化机(4),热风干化机(4)的出气口通过管道依次与热风冷凝器(5)、热风预热器(6)和热风再热器(7)串联,热风再热器(7)的出气口与热风干化机(4)的热风进口连通;
循环换热系统为循环介质的独立循环系统,包括连通乏汽回热器(2)与热风预热器(6)的热泵(8)。
2.根据权利要求1所述的多段式热能阶梯利用的污泥干化系统,其特征在于:所述热泵(8)的循环低温介质的低介出口通过低介进管(91)与乏汽回热器(2)的冷介进口连通,乏汽回热器(2)的冷介出口通过低介回管(92)与热泵(8)的循环低温介质的低介进口连通,热泵(8)的循环高温介质的高介出口通过高介进管(93)与热风预热器(6)的热介进口连通,热风预热器(6)的热介出口通过回液管(94)与低介进管(91)连通。
3.根据权利要求2所述的多段式热能阶梯利用的污泥干化系统,其特征在于:所述热风再热器(7)的疏水出口通过第一并管(95)与高介进管(93)连通。
4.根据权利要求2所述的多段式热能阶梯利用的污泥干化系统,其特征在于:所述蒸汽干化机(1)的疏水出口通过第二并管(96)与高介进管(93)连通。
5.根据权利要求1所述的多段式热能阶梯利用的污泥干化系统,其特征在于:所述蒸汽干化机(1)的进料口与湿污泥储仓(97)连通;所述热风干化机(4)的进料口与湿污泥储仓(97)连通,或与蒸汽干化机(1)的出料口连通。
6.根据权利要求1所述的多段式热能阶梯利用的污泥干化系统,其特征在于:所述蒸汽干化机(1)的出汽口与乏汽回热器(2)的进汽口连接,乏汽回热器(2)的出汽口与乏汽冷凝器(3)的热源进口连通,冷凝后的乏汽送至锅炉进行焚烧处理;热风干化机(4)的出气口与热风冷凝器(5)的热源进口连通,热风冷凝器(5)的热源出口与热风预热器(6)的进气口连通,热风预热器(6)的出气口与热风再热器(7)的进气口连通。
7.根据权利要求1-6任意一项所述的多段式热能阶梯利用的污泥干化系统的干化方法,其特征在于:包括以下步骤:
步骤一、湿污泥物料进入蒸汽干化机(1)蒸干,含有杂质的高温蒸汽进行余热回收降温后,进行冷凝,回收的余热进入循环换热系统进行热能再利用;
步骤二、污泥物料进入热风干化机(4)干燥,含有杂质和水汽的热风进行降温除水后再次进行预热和加热,然后送入热风干化机(4)循环干化污泥物料,预热过程中利用循环换热系统中热泵(8)回收升温后的热能进行加热。
8.根据权利要求7所述的多段式热能阶梯利用的污泥干化系统的干化方法,其特征在于:步骤一具体包括以下步骤:
1.1、湿污泥物料,被高温蒸汽加热蒸发,蒸干后排出蒸汽干化机(1);
1.2、干化乏汽在乏汽回热器(2)中进行热能回收,与乏汽回热器(2)中的循环介质热交换降温,循环介质从乏汽回热器(2)中回收余热后进入热泵(8),热泵(8)将部分循环介质加热后送至热风预热器(6)中再利用,剩余部分循环介质降温后送回乏汽回热器(2)循环吸热;
1.3、回收热能的干化乏汽冷却后排出蒸汽干化系统,进行后续处理。
9.根据权利要求7所述的多段式热能阶梯利用的污泥干化系统的干化方法,其特征在于:步骤二具体包括以下步骤:
2.1、污泥物料经过高温热风加热干燥,干化后排出热风干化机(4);
2.2、蒸发出的含有杂质和水汽的热风在热风冷凝器(5)中降温冷却,除去热风中的大量水汽和杂质;
2.3、冷却干燥后的热风经过热风预热器(6),利用经过循环换热系统处理后的热能进行预热;
2.4、预热后的热风在热风再热器(7)中与高温蒸汽换热,升温后再进入热风干化机(4),循环利用。
10.根据权利要求9所述的多段式热能阶梯利用的污泥干化系统的干化方法,其特征在于:所述蒸汽干化机(1)产生的疏水和热风再热器(7)产生的疏水分别送至热风预热器(6)中进行余热利用。
CN202010686993.8A 2020-07-16 2020-07-16 多段式热能阶梯利用的污泥干化系统及干化方法 Active CN112028442B (zh)

Priority Applications (1)

Application Number Priority Date Filing Date Title
CN202010686993.8A CN112028442B (zh) 2020-07-16 2020-07-16 多段式热能阶梯利用的污泥干化系统及干化方法

Applications Claiming Priority (1)

Application Number Priority Date Filing Date Title
CN202010686993.8A CN112028442B (zh) 2020-07-16 2020-07-16 多段式热能阶梯利用的污泥干化系统及干化方法

Publications (2)

Publication Number Publication Date
CN112028442A true CN112028442A (zh) 2020-12-04
CN112028442B CN112028442B (zh) 2021-09-21

Family

ID=73579571

Family Applications (1)

Application Number Title Priority Date Filing Date
CN202010686993.8A Active CN112028442B (zh) 2020-07-16 2020-07-16 多段式热能阶梯利用的污泥干化系统及干化方法

Country Status (1)

Country Link
CN (1) CN112028442B (zh)

Cited By (9)

* Cited by examiner, † Cited by third party
Publication number Priority date Publication date Assignee Title
CN113087358A (zh) * 2021-04-29 2021-07-09 日照广源热动有限公司 一种高效节能污泥干化系统
CN114230131A (zh) * 2022-01-19 2022-03-25 北京首创污泥处置技术有限公司 一种污泥分段热干化系统
CN114576688A (zh) * 2021-12-28 2022-06-03 温州宏泽热电股份有限公司 一种热电厂废热综合梯级利用系统
CN114671588A (zh) * 2022-03-09 2022-06-28 广州晟启能源设备有限公司 一种污泥处理系统及污泥处理方法
CN115521039A (zh) * 2021-06-26 2022-12-27 北京金隅北水环保科技有限公司 一种半固态废物干化处置装置及干化方法
CN116217040A (zh) * 2023-02-13 2023-06-06 广东新环环保产业集团有限公司 一种污泥烘干系统
CN118307174A (zh) * 2024-06-06 2024-07-09 南通爱可普环保设备有限公司 Ekoduplex多效节能带式污泥干化系统及干化工艺
CN119430609A (zh) * 2024-11-08 2025-02-14 昆山德沃特水工业系统设备有限公司 两段式热能回收污泥间接热干化系统及其干化方法
CN120313246A (zh) * 2025-06-16 2025-07-15 上海环保(集团)有限公司 一种污泥带式干化耦合高温水源热泵的系统

Citations (37)

* Cited by examiner, † Cited by third party
Publication number Priority date Publication date Assignee Title
EP1790619A1 (en) * 2004-09-16 2007-05-30 Yukuo Katayama Method for dewatering water-containing combustible solid
CN200986277Y (zh) * 2006-08-02 2007-12-05 李国强 复式多控单冷空调热水中心
CN101239773A (zh) * 2008-03-14 2008-08-13 清华大学 一种热泵和污泥干化集成方法及系统
CN101628779A (zh) * 2009-08-21 2010-01-20 北京大学 利用高温蒸汽对污泥干化的方法和设备
CN101774743A (zh) * 2010-01-26 2010-07-14 沈阳航空工业学院 潜热回收式多相变污泥干化方法与设备
CN102261768A (zh) * 2011-06-02 2011-11-30 杨贻方 发电厂专用热泵
CN102311216A (zh) * 2011-08-23 2012-01-11 郭少仪 隔离式热循环污泥干化方法及装置
CN202133185U (zh) * 2011-06-01 2012-02-01 西安交通大学 一种高温蒸汽热泵系统
CN102435016A (zh) * 2011-11-04 2012-05-02 石家庄工大化工设备有限公司 一种利用压缩式热泵直接回收干燥器废气废热的方法
CN102741638A (zh) * 2009-12-30 2012-10-17 得利满公司 干燥浆状物质、尤其净化站泥浆及产生热能的方法和设备
CN102874999A (zh) * 2011-07-12 2013-01-16 北大工学院绍兴技术研究院 一种利用余热的污泥干燥系统
US20130098750A1 (en) * 2011-10-21 2013-04-25 Robert Nickerson Gasifying system and method
CN103775140A (zh) * 2012-12-18 2014-05-07 苟仲武 改进型热泵辅助凝汽冷却发电系统及其发电方法
CN103910478A (zh) * 2012-12-29 2014-07-09 苏州格瑞展泰再生能源有限公司 两段干化、热解的污泥处置、热能利用方法及装置系统
CN103979766A (zh) * 2014-05-26 2014-08-13 南京理工大学 污泥间接干燥尾气处理装置及其处理方法
CN104016564A (zh) * 2014-06-23 2014-09-03 王子国 污泥多效干化焚烧处理的系统及使用方法
CN104964588A (zh) * 2015-07-03 2015-10-07 中冶南方工程技术有限公司 非接触式换热器
KR20160097544A (ko) * 2015-02-09 2016-08-18 주식회사 마이크로에너지 슬러지 건조장치
CN206037782U (zh) * 2016-08-31 2017-03-22 浙江力聚热水机有限公司 一种真空非接触式换热系统
CN206073034U (zh) * 2016-08-26 2017-04-05 上海纸风节能环保科技有限公司 能源供应与利用集成优化系统
CN206385008U (zh) * 2016-12-26 2017-08-08 南昌航空大学 一种污泥两级干燥装置
CN107021603A (zh) * 2017-05-23 2017-08-08 北京首创污泥处置技术股份有限公司 一种低能耗的污泥热干化系统
CN107098562A (zh) * 2017-05-08 2017-08-29 苏州工业园区中法环境技术有限公司 两段式污泥干化工艺的新型热能梯级再利用系统
CN107382012A (zh) * 2017-08-02 2017-11-24 东莞市绿革环保科技有限公司 分段式污泥干燥系统
CN207210234U (zh) * 2017-08-02 2018-04-10 东莞市绿革环保科技有限公司 分段式污泥干燥系统
CN108426426A (zh) * 2018-05-15 2018-08-21 武汉都市环保工程技术股份有限公司 一种污泥除湿型多级热回收干化系统
CN108585428A (zh) * 2018-05-22 2018-09-28 北京国电龙源环保工程有限公司 具有主动排水结构的圆盘干化机
CN109574453A (zh) * 2018-12-28 2019-04-05 联合瑞升(北京)科技有限公司 一种污泥热干化的蒸发节能系统
CN109970310A (zh) * 2019-04-08 2019-07-05 苏州雨苏环境科技有限公司 一种节能污泥烘干系统
CN110040937A (zh) * 2019-04-22 2019-07-23 深圳瑞新达新能源科技有限公司 一种热泵低温污泥干化系统
CN209371726U (zh) * 2018-09-12 2019-09-10 常州博睿杰能环境技术有限公司 一种mvr带式干燥系统
CN209583949U (zh) * 2018-10-18 2019-11-05 北京国电龙源环保工程有限公司 市政污泥与脱硫废水的联合处理系统
CN209893904U (zh) * 2018-11-12 2020-01-03 北京国电龙源环保工程有限公司 一种基于蒸汽再压缩技术的褐煤干燥收水系统
KR102067699B1 (ko) * 2018-09-12 2020-01-17 박경만 건조슬러지의 악취제거와 수분 및 오일 분리회수 시스템
CN111099810A (zh) * 2020-01-22 2020-05-05 上海仁创环境科技有限公司 热泵回收废蒸汽能量的间接污泥干化装置和方法
CN210736511U (zh) * 2019-06-14 2020-06-12 同方节能装备有限公司 一种基于吸收式技术的污泥干燥系统
CN210832955U (zh) * 2019-11-20 2020-06-23 北京极限能源有限公司 一种通过热泵循环的余热利用烘干系统

Patent Citations (38)

* Cited by examiner, † Cited by third party
Publication number Priority date Publication date Assignee Title
EP1790619A1 (en) * 2004-09-16 2007-05-30 Yukuo Katayama Method for dewatering water-containing combustible solid
CN200986277Y (zh) * 2006-08-02 2007-12-05 李国强 复式多控单冷空调热水中心
CN101239773A (zh) * 2008-03-14 2008-08-13 清华大学 一种热泵和污泥干化集成方法及系统
CN101628779A (zh) * 2009-08-21 2010-01-20 北京大学 利用高温蒸汽对污泥干化的方法和设备
CN102741638A (zh) * 2009-12-30 2012-10-17 得利满公司 干燥浆状物质、尤其净化站泥浆及产生热能的方法和设备
CN101774743A (zh) * 2010-01-26 2010-07-14 沈阳航空工业学院 潜热回收式多相变污泥干化方法与设备
CN101774743B (zh) * 2010-01-26 2012-10-03 沈阳航空工业学院 潜热回收式多相变污泥干化方法与设备
CN202133185U (zh) * 2011-06-01 2012-02-01 西安交通大学 一种高温蒸汽热泵系统
CN102261768A (zh) * 2011-06-02 2011-11-30 杨贻方 发电厂专用热泵
CN102874999A (zh) * 2011-07-12 2013-01-16 北大工学院绍兴技术研究院 一种利用余热的污泥干燥系统
CN102311216A (zh) * 2011-08-23 2012-01-11 郭少仪 隔离式热循环污泥干化方法及装置
US20130098750A1 (en) * 2011-10-21 2013-04-25 Robert Nickerson Gasifying system and method
CN102435016A (zh) * 2011-11-04 2012-05-02 石家庄工大化工设备有限公司 一种利用压缩式热泵直接回收干燥器废气废热的方法
CN103775140A (zh) * 2012-12-18 2014-05-07 苟仲武 改进型热泵辅助凝汽冷却发电系统及其发电方法
CN103910478A (zh) * 2012-12-29 2014-07-09 苏州格瑞展泰再生能源有限公司 两段干化、热解的污泥处置、热能利用方法及装置系统
CN103979766A (zh) * 2014-05-26 2014-08-13 南京理工大学 污泥间接干燥尾气处理装置及其处理方法
CN104016564A (zh) * 2014-06-23 2014-09-03 王子国 污泥多效干化焚烧处理的系统及使用方法
KR20160097544A (ko) * 2015-02-09 2016-08-18 주식회사 마이크로에너지 슬러지 건조장치
CN104964588A (zh) * 2015-07-03 2015-10-07 中冶南方工程技术有限公司 非接触式换热器
CN206073034U (zh) * 2016-08-26 2017-04-05 上海纸风节能环保科技有限公司 能源供应与利用集成优化系统
CN206037782U (zh) * 2016-08-31 2017-03-22 浙江力聚热水机有限公司 一种真空非接触式换热系统
CN206385008U (zh) * 2016-12-26 2017-08-08 南昌航空大学 一种污泥两级干燥装置
CN107098562A (zh) * 2017-05-08 2017-08-29 苏州工业园区中法环境技术有限公司 两段式污泥干化工艺的新型热能梯级再利用系统
CN107021603A (zh) * 2017-05-23 2017-08-08 北京首创污泥处置技术股份有限公司 一种低能耗的污泥热干化系统
CN107382012A (zh) * 2017-08-02 2017-11-24 东莞市绿革环保科技有限公司 分段式污泥干燥系统
CN207210234U (zh) * 2017-08-02 2018-04-10 东莞市绿革环保科技有限公司 分段式污泥干燥系统
CN108426426A (zh) * 2018-05-15 2018-08-21 武汉都市环保工程技术股份有限公司 一种污泥除湿型多级热回收干化系统
CN108585428A (zh) * 2018-05-22 2018-09-28 北京国电龙源环保工程有限公司 具有主动排水结构的圆盘干化机
KR102067699B1 (ko) * 2018-09-12 2020-01-17 박경만 건조슬러지의 악취제거와 수분 및 오일 분리회수 시스템
CN209371726U (zh) * 2018-09-12 2019-09-10 常州博睿杰能环境技术有限公司 一种mvr带式干燥系统
CN209583949U (zh) * 2018-10-18 2019-11-05 北京国电龙源环保工程有限公司 市政污泥与脱硫废水的联合处理系统
CN209893904U (zh) * 2018-11-12 2020-01-03 北京国电龙源环保工程有限公司 一种基于蒸汽再压缩技术的褐煤干燥收水系统
CN109574453A (zh) * 2018-12-28 2019-04-05 联合瑞升(北京)科技有限公司 一种污泥热干化的蒸发节能系统
CN109970310A (zh) * 2019-04-08 2019-07-05 苏州雨苏环境科技有限公司 一种节能污泥烘干系统
CN110040937A (zh) * 2019-04-22 2019-07-23 深圳瑞新达新能源科技有限公司 一种热泵低温污泥干化系统
CN210736511U (zh) * 2019-06-14 2020-06-12 同方节能装备有限公司 一种基于吸收式技术的污泥干燥系统
CN210832955U (zh) * 2019-11-20 2020-06-23 北京极限能源有限公司 一种通过热泵循环的余热利用烘干系统
CN111099810A (zh) * 2020-01-22 2020-05-05 上海仁创环境科技有限公司 热泵回收废蒸汽能量的间接污泥干化装置和方法

Non-Patent Citations (2)

* Cited by examiner, † Cited by third party
Title
RAINIO,AKU: "FLUIDIZED BED TECHNOLOGIES FOR BIOMASS COMBUSTION", 《ASME POWER CONFERENCE 2009 》 *
贺伟等: "结合热管技术的热泵污泥干化设备的研发及应用", 《节能》 *

Cited By (10)

* Cited by examiner, † Cited by third party
Publication number Priority date Publication date Assignee Title
CN113087358A (zh) * 2021-04-29 2021-07-09 日照广源热动有限公司 一种高效节能污泥干化系统
CN115521039A (zh) * 2021-06-26 2022-12-27 北京金隅北水环保科技有限公司 一种半固态废物干化处置装置及干化方法
CN114576688A (zh) * 2021-12-28 2022-06-03 温州宏泽热电股份有限公司 一种热电厂废热综合梯级利用系统
CN114576688B (zh) * 2021-12-28 2023-12-05 温州宏泽热电股份有限公司 一种热电厂废热综合梯级利用系统
CN114230131A (zh) * 2022-01-19 2022-03-25 北京首创污泥处置技术有限公司 一种污泥分段热干化系统
CN114671588A (zh) * 2022-03-09 2022-06-28 广州晟启能源设备有限公司 一种污泥处理系统及污泥处理方法
CN116217040A (zh) * 2023-02-13 2023-06-06 广东新环环保产业集团有限公司 一种污泥烘干系统
CN118307174A (zh) * 2024-06-06 2024-07-09 南通爱可普环保设备有限公司 Ekoduplex多效节能带式污泥干化系统及干化工艺
CN119430609A (zh) * 2024-11-08 2025-02-14 昆山德沃特水工业系统设备有限公司 两段式热能回收污泥间接热干化系统及其干化方法
CN120313246A (zh) * 2025-06-16 2025-07-15 上海环保(集团)有限公司 一种污泥带式干化耦合高温水源热泵的系统

Also Published As

Publication number Publication date
CN112028442B (zh) 2021-09-21

Similar Documents

Publication Publication Date Title
CN112028442B (zh) 多段式热能阶梯利用的污泥干化系统及干化方法
CN213037653U (zh) 低能耗的污泥干化系统
CN113735409A (zh) 热泵回收废蒸汽能量的间接污泥干化装置和方法
CN111099809A (zh) 一种真空低温回收能量间接污泥干化装置和方法
CN116177832A (zh) 一种污泥制备生物炭系统
CN119100559A (zh) 一种污泥干化系统余热资源梯级利用方法和系统
CN115286208A (zh) 水泥窑余热烘干及协同处置污泥的系统及方法
CN111099810A (zh) 热泵回收废蒸汽能量的间接污泥干化装置和方法
CN107162102A (zh) 一种煤气化系统细渣浆液的脱水干燥方法及其使用的脱水干燥系统
CN108444304B (zh) 一种焦炉荒煤气余热回收利用系统
CN215951440U (zh) 一种污泥干化焚烧设备余热利用系统
CN112028443B (zh) 热能利用集成装置、物料干化系统及干化方法
CN216918987U (zh) 一种污水作为热源的低温带式干化装置
CN222961307U (zh) 一种环保型市政污泥干化系统
CN212451137U (zh) 节能型淤泥干化装置
CN218545230U (zh) 热泵式间接干化装置
CN113105093A (zh) 一种污泥低温线性干化输送方法及装置
CN117303706A (zh) 一种污泥干化焚烧系统及污泥干化焚烧方法
CN212806690U (zh) 热能综合利用装置及物料干化系统
CN201610380U (zh) 利用溶出余热加热蒸发二次合格水的系统
CN113683289B (zh) 一种低能耗污泥热力干化方法
CN117843213A (zh) 一种污泥的过热蒸汽干燥工艺
CN115540578A (zh) 热泵式间接干化装置
CN111439909B (zh) 污泥脱水干化焚烧热电联产处理系统
CN115899716A (zh) 一种火电厂烟气-污泥-太阳能综合梯级利用系统及方法

Legal Events

Date Code Title Description
PB01 Publication
PB01 Publication
SE01 Entry into force of request for substantive examination
SE01 Entry into force of request for substantive examination
CB02 Change of applicant information
CB02 Change of applicant information

Address after: 100039 room 901, 9 / F, building 1, yard 16, West Fourth Ring Middle Road, Haidian District, Beijing

Applicant after: Guoneng Longyuan environmental protection Co.,Ltd.

Address before: 100039 room 911, 1 building, 16 West Fourth Ring Road, Haidian District, Beijing.

Applicant before: BEIJING GUODIAN LONGYUAN ENVIRONMENTAL ENGINEERING Co.,Ltd.

GR01 Patent grant
GR01 Patent grant
EE01 Entry into force of recordation of patent licensing contract
EE01 Entry into force of recordation of patent licensing contract

Application publication date: 20201204

Assignee: Guoneng (Shandong) energy environment Co.,Ltd.

Assignor: Guoneng Longyuan environmental protection Co.,Ltd.

Contract record no.: X2023110000119

Denomination of invention: Sludge Drying System and Drying Method for Multi stage Thermal Energy Step Utilization

Granted publication date: 20210921

License type: Common License

Record date: 20230913