CN111889262A - Wheel set painting method - Google Patents

Wheel set painting method Download PDF

Info

Publication number
CN111889262A
CN111889262A CN202010773610.0A CN202010773610A CN111889262A CN 111889262 A CN111889262 A CN 111889262A CN 202010773610 A CN202010773610 A CN 202010773610A CN 111889262 A CN111889262 A CN 111889262A
Authority
CN
China
Prior art keywords
wheel
plate
wheel pair
roller
varnish
Prior art date
Legal status (The legal status is an assumption and is not a legal conclusion. Google has not performed a legal analysis and makes no representation as to the accuracy of the status listed.)
Pending
Application number
CN202010773610.0A
Other languages
Chinese (zh)
Inventor
李金海
朱正虎
姚宝同
杨卫兵
李建业
朱君
孙浩
Current Assignee (The listed assignees may be inaccurate. Google has not performed a legal analysis and makes no representation or warranty as to the accuracy of the list.)
Huainan Mining Group Co Ltd
Original Assignee
Huainan Mining Group Co Ltd
Priority date (The priority date is an assumption and is not a legal conclusion. Google has not performed a legal analysis and makes no representation as to the accuracy of the date listed.)
Filing date
Publication date
Application filed by Huainan Mining Group Co Ltd filed Critical Huainan Mining Group Co Ltd
Priority to CN202010773610.0A priority Critical patent/CN111889262A/en
Publication of CN111889262A publication Critical patent/CN111889262A/en
Pending legal-status Critical Current

Links

Images

Classifications

    • BPERFORMING OPERATIONS; TRANSPORTING
    • B05SPRAYING OR ATOMISING IN GENERAL; APPLYING FLUENT MATERIALS TO SURFACES, IN GENERAL
    • B05BSPRAYING APPARATUS; ATOMISING APPARATUS; NOZZLES
    • B05B13/00Machines or plants for applying liquids or other fluent materials to surfaces of objects or other work by spraying, not covered by groups B05B1/00 - B05B11/00
    • B05B13/02Means for supporting work; Arrangement or mounting of spray heads; Adaptation or arrangement of means for feeding work
    • B05B13/0221Means for supporting work; Arrangement or mounting of spray heads; Adaptation or arrangement of means for feeding work characterised by the means for moving or conveying the objects or other work, e.g. conveyor belts
    • B05B13/0228Means for supporting work; Arrangement or mounting of spray heads; Adaptation or arrangement of means for feeding work characterised by the means for moving or conveying the objects or other work, e.g. conveyor belts the movement of the objects being rotative
    • BPERFORMING OPERATIONS; TRANSPORTING
    • B05SPRAYING OR ATOMISING IN GENERAL; APPLYING FLUENT MATERIALS TO SURFACES, IN GENERAL
    • B05BSPRAYING APPARATUS; ATOMISING APPARATUS; NOZZLES
    • B05B12/00Arrangements for controlling delivery; Arrangements for controlling the spray area
    • BPERFORMING OPERATIONS; TRANSPORTING
    • B05SPRAYING OR ATOMISING IN GENERAL; APPLYING FLUENT MATERIALS TO SURFACES, IN GENERAL
    • B05BSPRAYING APPARATUS; ATOMISING APPARATUS; NOZZLES
    • B05B14/00Arrangements for collecting, re-using or eliminating excess spraying material
    • BPERFORMING OPERATIONS; TRANSPORTING
    • B05SPRAYING OR ATOMISING IN GENERAL; APPLYING FLUENT MATERIALS TO SURFACES, IN GENERAL
    • B05BSPRAYING APPARATUS; ATOMISING APPARATUS; NOZZLES
    • B05B15/00Details of spraying plant or spraying apparatus not otherwise provided for; Accessories

Landscapes

  • Spray Control Apparatus (AREA)

Abstract

The invention relates to a wheel set painting method, which comprises the following steps: s1, placing the wheel pair on the top of a frame structure of the wheel pair painting device; s2, starting a rotating mechanism, wherein the rotating mechanism works to drive a first roller to roll, a first roller driving wheel pair rotates, a gap is reserved between the first roller and a second roller to prevent the roller pair from deviating, and the rolling mechanism works to drive the first roller to rotate; and S3, starting a painting device, wherein the painting device is located below the wheel pair at the moment, and the painting device is used for painting the wheel pair. In the invention, the rolling mechanism works, the first roller wheel pair drives the wheel pair to rotate, and a gap is reserved between the first roller wheel pair and the second roller wheel pair to prevent the wheel pair from deviating; the painting device is located below the wheel pair at the moment, and the wheel pair rotates continuously in the original position, so that the painting device can paint accurately and uniformly by the wheel pair, the problem that the wheel pair is manually pushed and painted is solved, and the painting efficiency is improved.

Description

Wheel set painting method
Technical Field
The invention relates to the technical field of wheel pair painting, in particular to a wheel pair painting method.
Background
The wheel set is the part of the rolling stock contacting with the rail and consists of left and right wheels firmly pressed on the same axle, and has the functions of ensuring the running and steering of the rolling stock on the rail, bearing all static and dynamic loads from the rolling stock, transmitting the static and dynamic loads to the rail and transmitting the loads generated by the unsmooth lines to the parts of the rolling stock.
Referring to fig. 1, fig. 1 is a schematic structural diagram of a conventional wheel pair, which generally includes a wheel pair connecting shaft 1011 and a wheel hub 1012, wherein both ends of the wheel pair connecting shaft 1011 penetrate through the wheel hub 1012 and extend to the other side of the wheel hub 1012, the wheel pair connecting shaft 1011 and the wheel hub 1012 are fixedly connected into a whole, and one side of the two wheel hubs 1012 close to each other is provided with a wheel hub flange 10121.
And the tool car room in the colliery does not have the professional equipment who is used for painting for the wheel pair, adopt artifical handheld cotton and brush to dip in the lacquer completely and carry out the japanning operation, need the operating personnel to promote the wheel pair on one side at the japanning in-process, carry out the japanning to whole wheel pair on one side, intensity of labour is very big when the operation like this, and ten minutes are no less than in the time spent, and according to the production progress in current tool car room, the japanning operation of twenty wheel pairs will be accomplished at least every day, single completion this task, it is extremely long consuming time, inefficiency.
In addition, the worker wears thick and heavy breathing mask and paint for a long time to contact, causes very big harm to worker's health, still needs the paint in clearance operation place at any time, and the possibility of rubbing simultaneously still has certain potential safety hazard.
The utility model discloses a utility model patent that application number is "CN 201520802516.8" discloses a steel pipe alignment rust cleaning brush lacquer purifier, including alignment device one, upper wheel, lower wheel, control screw, switch, motor, brush section of thick bamboo bearing frame, brush section of thick bamboo, wire brush, alignment device two, mopping device, fuel sprayer, oil pump, oil tank, oil-out, entry flange, coating cloud filter, equipment box, access door and export flange, steel pipe alignment rust cleaning brush lacquer machine is divided by alignment device, rust cleaning device, mopping device and coating cloud purifier four bibliographic categories and divides to constitute, and this patent scheme mainly carries out the mopping to the steel pipe to need artifical its pivoted problem that promotes when unable solution wheel pair mopping.
Also, as the utility model with the application number "CN 200720092195.2", a full-automatic vehicle wheel pair paint spraying machine is disclosed, which comprises a PLC programming controller and a motor, wherein electrical connection terminals and pneumatic control devices are installed in the left and right upright posts of a gantry type frame, a main paint spraying device is installed in a cross beam, end paint spraying devices are hung on both sides of the gantry, wind and electric pipelines are installed on the inner side of the frame, and a turning wheel mechanism and a wheel feeding and discharging device are installed on a base; however, in the patent scheme, the rotating wheel mechanism rotates to drive the wheel pair to rotate, and the problem of wheel pair deviation is caused.
Disclosure of Invention
The invention aims to solve the technical problem of accurately brushing paint on wheel pairs.
The invention solves the technical problems through the following technical means:
a wheel set painting method, comprising the steps of:
s1, placing the wheel pair on the top of a frame structure of the wheel pair painting device; the wheel pair painting device also comprises a wheel pair painting device;
the wheel pair automatic painting device also comprises a first driving mechanism, a rotating mechanism, a wheel pair rolling mechanism and a painting device; wherein:
the bottom of the rack structure is fixedly provided with a first driving mechanism, and the first driving mechanism is connected with a rotating mechanism fixed on the side wall of the rack structure and drives the rotating mechanism to rotate; the wheel pair rolling mechanisms are symmetrically arranged on two sides of the rack structure, and the rotating mechanisms rotate to drive the wheel pair rolling mechanisms to rotate; the wheel set rolling mechanism is in contact with the wheel set and drives the wheel set to rotate at the original position;
the bottom of the rack structure is provided with a painting device which is arranged between the wheel pair rolling mechanisms which are symmetrical left and right;
the wheel pair rolling mechanism comprises a rotating roller, the rotating roller consists of a first roller and a second roller, the first roller drives a wheel pair to rotate, and a gap is reserved between the first roller and the second roller to prevent the wheel pair from deviating;
s2, starting a rotating mechanism, wherein the rotating mechanism works to drive a first roller to roll, a first roller driving wheel pair rotates, a gap is reserved between the first roller and a second roller to prevent the roller pair from deviating, and the rolling mechanism works to drive the first roller to rotate;
and S3, starting a painting device, wherein the painting device is located below the wheel pair at the moment, and the painting device is used for painting the wheel pair.
The rolling mechanism works to drive the wheel pair to rotate; the painting device is located below the wheel set at the moment, the painting device works to paint the wheel set, the problem that manpower pushes the wheel set and the painting is carried out manually is avoided, and the safety of workers is effectively guaranteed while the painting efficiency is improved.
The invention also comprises a fixing component, a rocker arm component, a chute and a second driving mechanism;
chutes for accommodating wheel pairs are symmetrically arranged on two sides of the top of the rack structure; the fixed assembly is fixed on the side surface of the frame structure and supports the wheel pair rolling mechanism;
a plurality of second driving mechanisms are symmetrically arranged on one side of the bottom of the rack structure, which is far away from the first driving mechanism, and are hinged with a rocker arm assembly which is rotatably connected with the side wall of the rack structure;
the second driving mechanism works to drive the rocker arm assembly to rotate around the rotating connection part of the rocker arm assembly and the rack structure, and the rocker arm assembly rotates and pushes.
As a further scheme of the invention: the first driving mechanism comprises a speed reducing motor, a mounting plate and a first chain wheel, wherein the speed reducing motor is fixed on the mounting plate, and an output shaft of the speed reducing motor is fixedly connected with a mounting hole of the first chain wheel.
As a further scheme of the invention: the rotating mechanism comprises a second chain wheel, a first rotating shaft, a first bearing and a third chain wheel; the second sprocket passes through the chain and links to each other with first sprocket, the second sprocket is fixed to be set up on first axis of rotation, the both ends of first axis of rotation run through first bearing and with first bearing rotation connection, just first axis of rotation extends to the outside of rack construction, the both ends of first axis of rotation still respectively with the mounting hole fixed connection of third sprocket.
As a further scheme of the invention: the fixing assembly comprises first fixing structures, and the first fixing structures are symmetrically arranged on two sides of the rack structure; the first fixing structure comprises a transverse plate, a first longitudinal plate and a second longitudinal plate, and the top of the transverse plate is symmetrically and fixedly provided with the first longitudinal plate and the second longitudinal plate.
As a further scheme of the invention: the wheel pair rolling mechanism comprises a second bearing, a fourth chain wheel, a main rotating shaft and a secondary rotating shaft, wherein one end of the main rotating shaft is fixedly connected with a mounting hole of the fourth chain wheel, the other end of the main rotating shaft is rotatably connected with the second bearing, the second bearing is fixedly mounted on a first fixing structure, two ends of the secondary rotating shaft penetrate through the first longitudinal plate and the second longitudinal plate and rotate relative to the first longitudinal plate and the second longitudinal plate, one end of the secondary rotating shaft penetrating through the first longitudinal plate and the second longitudinal plate is fixedly connected with the main rotating shaft through the second bearing, and the other end of the secondary rotating shaft is fixedly connected with a mounting hole of the rotating roller and drives the rotating roller to rotate;
the first idler wheel is fixedly connected with the driven rotating shaft, a gap is reserved between the first idler wheel and the second idler wheel as well as between the second idler wheel and the second idler wheel, the second idler wheel is fixedly connected with the fourth rotating shaft, the fourth rotating shaft is rotatably connected with the third bearing, and the third bearing is fixed on the second longitudinal plate.
As a further scheme of the invention: the rocker arm assembly comprises a disc, a limiting rod and a slide rail, the limiting rod is fixedly arranged at two ends of the slide rail, the disc is fixedly arranged at the other end of the limiting rod, and the middle position of the slide rail is rotatably connected with the side wall of the rack structure;
the sliding rail comprises a first connecting plate, a supporting plate, a second connecting plate, a third rotating shaft and a first connecting lug, wherein the first connecting plate and the second connecting plate are fixedly connected and form an included angle, the supporting plate is fixedly arranged on one side surface of the first connecting plate and the second connecting plate, which is far away from the rack structure, and the supporting plate is used for supporting a wheel pair to roll on the surface of the supporting plate;
the side of the joint of the first connecting plate and the second connecting plate is fixedly provided with a third rotating shaft, and one end of the first connecting plate, which is far away from the second connecting plate, is fixedly provided with a first connecting lug.
The speed reducing motor is fixed on the mounting plate through a bolt, an output shaft of the speed reducing motor is fixedly connected with the mounting hole of the first chain wheel, and when the output shaft of the speed reducing motor rotates, the first chain wheel is driven to rotate; the first chain wheel drives the second chain wheel to rotate; the second chain wheel drives the first rotating shaft to rotate, and the first rotating shaft drives the fourth chain wheel to rotate through the third chain wheel; the fourth chain wheel drives the first roller and the second roller to rotate, so that the wheel set can roll on the first roller and the second roller, paint brushing can be performed while the wheel set rotates, the paint brushing is relatively uniform, and the product quality is improved.
As a further scheme of the invention: the frame structure comprises a first frame enclosing plate, frame supporting legs, second frame enclosing plates and a frame connecting plate, wherein the number of the first frame enclosing plate and the second frame enclosing plate is two, the inner surfaces of two ends of the first frame enclosing plate are fixedly connected with the two second frame enclosing plates respectively, and the other ends of the two second frame enclosing plates are fixedly connected with the other first frame enclosing plate to form a frame structure;
a plurality of frame connecting plates are symmetrically arranged at the top and the bottom between the two symmetrical first frame enclosing plates;
the bottom parts of the first frame enclosing plates on the two sides are respectively fixedly connected with a plurality of frame supporting legs, sliding grooves are formed in the top parts of the two first frame enclosing plates, hubs at the two ends of the wheel set roll on the top parts of the first frame enclosing plates, and simultaneously, the hub convex edges roll in the sliding grooves;
a second longitudinal plate is fixedly arranged on the outer side face of the first frame enclosing plate close to the second frame enclosing plate, a groove for accommodating a first roller and a second roller is further formed in the first frame enclosing plate, the groove is located above the first fixing structure, a second fixing structure is further fixed on the side wall of the first frame enclosing plate below the first fixing structure, and the second fixing structure is the same as the first fixing structure in structure; the side wall of the second fixing structure is fixedly connected with the first bearing;
a fourth bearing is fixedly arranged on the inner side surface of the first frame enclosing plate and is rotatably connected with a third rotating shaft; the rack connecting plate is fixedly connected with a mounting plate for fixing the speed reduction motor.
As a further scheme of the invention: the second driving mechanism comprises a push wheel cylinder, a second connecting lug and a fixed seat, the fixed seat is fixedly arranged on a rack connecting plate far away from the speed reducing motor, the fixed seat is hinged with the bottom of the push wheel cylinder, the telescopic end of the push wheel cylinder is fixedly provided with the second connecting lug, and the second connecting lug is connected with the first connecting lug through a pin shaft;
when the wheel pushing cylinder is in an initial state, the first connecting plate is positioned below the wheel pair;
then the wheel pushing cylinder extends to drive the sliding rail to do circular motion around the third rotating shaft, the first connecting plate can upwards drive the wheel pair to roll forwards, and the wheel pushing cylinder stops working when the wheel pair rolls to the first roller and the second roller;
after the painting work is finished, the wheel pushing cylinder is shortened, the sliding rail reversely makes circular motion around the third rotating shaft, and the second connecting plate drives the wheel pair to roll backwards so as to recover the wheel pair finished with painting.
As a further scheme of the invention: the paint brushing device comprises a lifting cylinder, a connecting hole, a varnish pool, a supporting plate, a brush and a brush supporting mechanism, wherein the telescopic end of the lifting cylinder penetrates through the connecting hole and is fixedly connected with the supporting plate;
the hairbrush supporting mechanism comprises a positioning pin, an expansion spring and a spring fixing pipe, wherein the positioning pin is inserted into the positioning hole and extends to the position above the connecting hole, the part of the positioning pin, which is higher than the supporting plate, is sleeved with the positioning pin, one end of the expansion spring is fixedly connected with the hairbrush, the other end of the expansion spring is fixedly connected with the top of the supporting plate, the spring fixing pipe is further arranged on the outer side of the expansion spring, the bottom of the spring fixing pipe is fixedly connected with the supporting plate, the inner diameter of the spring fixing pipe is matched with the expansion spring to accommodate the expansion spring, and an interval is reserved between the top of the spring fixing pipe and the bottom of;
the paint brushing device further comprises a varnish power system, wherein the varnish power system comprises a varnish cylinder, a water pump and a first pipeline, the varnish cylinder is of a shell structure with a top without a cover, the water pump is fixedly arranged in the varnish cylinder, the water pump is communicated with one end of the first pipeline, and the other end of the first pipeline is connected to the inside of the varnish pool and is connected with the spray head assembly;
the shower nozzle subassembly includes varnish storage cavity, shower nozzle, bracing piece, wherein, the bottom of bracing piece is fixed to be set up in the middle of the layer board top, can dismantle when not using like this, the top and the varnish storage cavity fixed connection of bracing piece, varnish storage cavity is the shell structure of a cavity, varnish storage cavity's top is provided with the shower nozzle of a plurality of intercommunication, the open setting of one end that varnish storage cavity was kept away from to the shower nozzle.
The work of control water pump, the varnish can be in getting into varnish storage cavity through first pipeline, then spouts the varnish to the wheel pair on under the effect of water pump, shower nozzle, because wheel pair self is pivoted, can guarantee like this that the wheel pair contacts the varnish to a greater extent, and the brush contacts with the wheel pair simultaneously, can paint especially evenly on the wheel pair like this, uses manpower sparingly.
As a further scheme of the invention: the bottom of the varnish pool also comprises a varnish outlet, a second pipeline and a plurality of fluid valves, wherein the varnish outlet is connected with one end of the second pipeline, and the other end of the second pipeline is connected into the varnish cylinder;
the first pipeline is provided with a fluid valve to control the on-off of the first pipeline; and the second pipeline is also provided with a fluid valve to control the on-off of the second pipeline.
Varnish pond bottom still includes the varnish export, the second pipeline, the varnish export is connected with the one end of second pipeline, the other end of second pipeline is connected to in a varnish section of thick bamboo, and first pipeline, all be provided with the fluid valve on the second pipeline, just so can control first pipeline, the break-make of second pipeline through controlling the fluid valve, it is very convenient, and the second pipeline can be with the varnish recovery in the varnish pond to a varnish section of thick bamboo, realize cyclic utilization, the problem of wasting of resources has been avoided.
The invention has the advantages that:
1. in the invention, the rolling mechanism works, the first roller wheel pair drives the wheel pair to rotate, and a gap is reserved between the first roller wheel pair and the second roller wheel pair to prevent the wheel pair from deviating; the painting device is located below the wheel pair at the moment, and the wheel pair rotates continuously in the original position, so that the painting device can paint accurately and uniformly by the wheel pair, the problem that the wheel pair is manually pushed and painted is solved, and the painting efficiency is improved.
2. According to the invention, the second driving mechanism works to drive the rocker arm assembly to rotate around the rotating connection part of the rocker arm assembly and the rack structure, the rocker arm assembly rotates to push the wheel pair to roll to the wheel pair rolling mechanism, the wheel pair is pushed through the rocker arm assembly, and the paint brushing device brushes paint, so that a worker does not need to brush paint nearby, and the safety of the worker is effectively ensured.
3. According to the invention, when the wheel pushing cylinder is in an initial state, the first connecting plate is positioned below the wheel pair, then the wheel pushing cylinder extends in operation, the sliding rail makes circular motion around the third rotating shaft, the first connecting plate can upwards drive the wheel pair to roll forwards, and stops when the first connecting plate rolls to the upper part of the first roller and the second roller, and then paint brushing operation is carried out; meanwhile, a disc and a limiting rod which are arranged at one end of the second connecting plate, which is far away from the first connecting plate, can be higher than the top of the first frame enclosing plate, so that the disc and the limiting rod can play a certain limiting role, and the wheel pair is prevented from rolling towards the front side in the painting process;
after the mopping work is finished, the wheel pushing cylinder is shortened, the sliding rail reversely makes circular motion around the third rotating shaft, the second connecting plate drives the wheel pair to roll backwards, the wheel pair finished by mopping is conveniently recycled, the problem that the wheel pair is manually pushed is avoided, and the working efficiency is improved.
4. According to the invention, the speed reducing motor is fixed on the mounting plate through a bolt, an output shaft of the speed reducing motor is fixedly connected with the mounting hole of the first chain wheel, and when the output shaft of the speed reducing motor rotates, the first chain wheel is driven to rotate; the first chain wheel drives the second chain wheel to rotate; the second chain wheel drives the first rotating shaft to rotate, and the first rotating shaft drives the fourth chain wheel to rotate through the third chain wheel; the fourth chain wheel drives the first roller and the second roller to rotate, so that the wheel set can roll on the first roller and the second roller, paint brushing can be performed while the wheel set rotates, the paint brushing is relatively uniform, and the product quality is improved.
5. According to the invention, the water pump is controlled to work, the varnish can enter the varnish storage cavity through the first pipeline, and then the varnish is sprayed onto the wheel pair under the action of the varnish power system, because the wheel pair rotates, the wheel pair can be ensured to contact the varnish in a larger range, and meanwhile, the brush is in contact with the wheel pair, so that the wheel pair can be uniformly coated, and the labor is saved.
6. According to the invention, the bottom of the varnish pool also comprises a varnish outlet and a second pipeline, the varnish outlet is connected with one end of the second pipeline, the other end of the second pipeline is connected into the varnish cylinder, and the first pipeline and the second pipeline are both provided with the fluid valves, so that the on-off of the first pipeline and the second pipeline can be controlled by controlling the fluid valves, the operation is very convenient, and the second pipeline can recycle varnish in the varnish pool into the varnish cylinder, so that the recycling is realized, and the problem of resource waste is avoided.
Drawings
Fig. 1 is a schematic structural diagram of a conventional wheel pair.
Fig. 2 is a schematic structural diagram of an automatic wheel set painting device provided in embodiment 1 of the present invention.
Fig. 3 is a left side view of an automatic wheel set painting device provided in embodiment 1 of the present invention.
Fig. 4 is a schematic view of a connection between a painting device and a frame structure in an automatic wheel set painting device according to embodiment 1 of the present invention.
Fig. 5 is a partial perspective view of a frame structure in an automatic wheel set painting device according to embodiment 1 of the present invention.
Fig. 6 is an enlarged view of the part a in fig. 5.
Fig. 7 is a schematic view of a state of a slide rail in an automatic wheel set painting device according to an embodiment of the present invention.
Fig. 8 is a schematic view of another state of a slide rail in an automatic wheel set painting device according to an embodiment of the present invention.
Fig. 9 is a schematic diagram of an operating state of the second driving mechanism in the automatic wheel set painting device according to the embodiment of the present invention.
Fig. 10 is a schematic view of another operating state of the second driving mechanism in the automatic wheel set painting device according to the embodiment of the present invention.
Fig. 11 is a schematic structural diagram of a painting device in an automatic wheel set painting device according to an embodiment of the present invention.
Fig. 12 is a pneumatic schematic diagram of an automatic wheel set painting device according to an embodiment of the present invention.
Fig. 13 is a schematic circuit diagram of an automatic wheel set painting device according to an embodiment of the present invention.
In the figure, 1, a first driving mechanism; 101. a reduction motor; 102. mounting a plate; 103. a first sprocket; 2. a rotating mechanism; 201. a second sprocket; 202. a first rotating shaft; 203. a first bearing; 204. A third sprocket; 3. a fixing assembly; 301. a first fixed structure; 3011. a transverse plate; 3012. a first longitudinal plate; 3013. a second longitudinal plate; 302. a second fixed structure; 4. a wheel set rolling mechanism; 401. A second bearing; 402. a fourth sprocket; 403 main rotating shaft; 404. a driven rotating shaft; 405. rotating the roller; 4051. a first roller; 4052. a second roller; 5. a rocker arm assembly; 501. a disc; 502. A limiting rod; 503. a slide rail; 5031. a first connecting plate; 5032. a support plate; 5033. a second connecting plate; 5034. a third rotating shaft; 5035. a first connecting lug; 5036. a fourth bearing; cylindrical connector 5037, cylindrical; 6. a chute; 7. a frame structure; 701. a first frame enclosure; 7011. a groove; 702. a frame support leg; 703. a second frame coaming plate; 704. a frame connecting plate; 8. a second drive mechanism; 801. a push wheel cylinder; 802. a second engaging lug; 803. a fixed seat 9 and a painting device; 901. a lifting cylinder; 902. connecting holes; 903. a varnish pool; 904. a support plate; 905. a brush; 906. a brush support mechanism; 9061. positioning pins; 9062. a tension spring; 9063. a spring fixing tube; 907. a varnish power system; 9071. a varnish cylinder; 9072. a water pump; 9073. a first conduit; 908. A showerhead assembly; 9081. a varnish storage cavity; 9082. a spray head; 9083. a support bar; 1011. a wheel set connecting shaft; 1012, a wheel hub; 10121. a hub flange.
Detailed Description
In order to make the objects, technical solutions and advantages of the embodiments of the present invention clearer, the technical solutions in the embodiments of the present invention will be clearly and completely described below with reference to the embodiments of the present invention, and it is obvious that the described embodiments are some embodiments of the present invention, but not all embodiments. All other embodiments, which can be derived by a person skilled in the art from the embodiments given herein without making any creative effort, shall fall within the protection scope of the present invention.
Example 1
Referring to fig. 2, fig. 2 is a schematic structural diagram of an automatic wheel set painting device according to embodiment 1 of the present invention; a painting method comprising the steps of:
s1, placing the wheel pair on the top of the frame structure 7 of the wheel pair painting device;
the wheel pair automatic painting device also comprises a first driving mechanism 1, a rotating mechanism 2, a fixing assembly 3 and a wheel pair rolling mechanism 4; the rocker arm assembly 5, the chute 6, the second driving mechanism 8 and the painting device 9; wherein:
sliding grooves 6 for accommodating wheel sets are symmetrically formed in two sides of the top of the rack structure 7; a first driving mechanism 1 is fixedly arranged at the bottom of the rack structure 7 through a bolt, and the first driving mechanism 1 is connected with a rotating mechanism 2 fixed on the rack structure 7 and drives the rotating mechanism 2 to rotate; the fixed assembly 3 is fixed on the side surface of the frame structure 7 and supports the wheel pair rolling mechanism 4; the wheel set rolling mechanism 4 is connected with the rotating mechanism 2, and the rotating mechanism 2 rotates to drive the wheel set rolling mechanism 4 to rotate; the wheel set rolling mechanisms 4 are symmetrically arranged on two sides of the rack structure 7, and the wheel set rolling mechanisms 4 are in contact with wheel sets and drive the wheel sets to rotate;
a plurality of second driving mechanisms 8 are symmetrically arranged on one side, far away from the first driving mechanism 1, of the bottom of the rack structure 7, the second driving mechanisms 8 are hinged to the rocker arm assembly 5, the rocker arm assembly 5 is rotatably connected with the side wall of the rack structure 7, the second driving mechanisms 8 work to drive the rocker arm assembly 5 to rotate around the rotating connection position of the rocker arm assembly and the rack structure 7, and the rocker arm assembly 5 rotates to push the wheel pair to roll to the position above the wheel pair rolling mechanism 4;
the bottom of the frame structure 7 is provided with a painting device 9, and the painting device 9 is arranged between the wheel pair rolling mechanisms 4 which are symmetrical left and right.
It should be noted that the painting device 9 of fig. 2 in this embodiment is shown as a part of the structure, since the rest is located at the bottom of the frame structure 7 (which, if shown, would make the frame structure 7 invisible), and is shown separately in fig. 11 for better ease of viewing.
Further, in this embodiment, in fig. 2, the first driving mechanism 1 includes a speed reduction motor 101, a mounting plate 102, and a first sprocket 103, wherein the speed reduction motor 101 is fixed on the mounting plate 102 by bolts, the mounting plate 102 is fixedly mounted at the bottom of the frame structure 7, an output shaft of the speed reduction motor 101 is fixedly connected with a mounting hole of the first sprocket 103, and when the output shaft of the speed reduction motor 101 rotates, the first sprocket 103 is driven to rotate.
Further, in this embodiment, referring to fig. 2 and fig. 3, fig. 3 is a left side view of an automatic wheel set painting device provided in embodiment 1 of the present invention, where the rotating mechanism 2 includes a second sprocket 201, a first rotating shaft 202, a first bearing 203, and a third sprocket 204; a gap is reserved between the second chain wheel 201 and the first chain wheel 103, the second chain wheel 201 is connected with the first chain wheel 103 through a chain, so that when the first chain wheel 103 rotates, the second chain wheel 201 can be driven to rotate, the second chain wheel 201 is fixedly arranged on the first rotating shaft 202, two ends of the first rotating shaft 202 penetrate through the first bearing 203 and are rotatably connected with the first bearing 203, the first rotating shaft 202 extends to the outside of the rack structure 7, and two ends of the first rotating shaft 202 are fixedly connected with mounting holes of the third chain wheel 204 respectively.
In fig. 2, the fixing assembly 3 includes a first fixing structure 301 symmetrically disposed on two sides of the frame structure 7; the first fixing structure 301 plays a role of supporting the wheel pair rolling mechanism 4; the first fixing structure 301 comprises a transverse plate 3011, a first longitudinal plate 3012 and a second longitudinal plate 3013, and the top of the transverse plate 3011 is symmetrically welded with the first longitudinal plate 3012 and the second longitudinal plate 3013.
Further, in fig. 2, the wheelset rolling mechanism 4 includes a second bearing 401, a fourth sprocket 402, a main rotating shaft 403, a secondary rotating shaft 404, a rolling roller 405, wherein, one end of the main rotating shaft 403 is fixedly connected with the mounting hole of the fourth chain wheel 402, the other end of the main rotating shaft 403 is rotatably connected with a second bearing 401, the second bearing 401 is fixedly installed on the first fixing structure 301 through bolts or welding, the first and second longitudinal plates 3012 and 3013 are penetrated from both ends of the rotating shaft 404 and rotated with respect to the first and second longitudinal plates 3012 and 3013, and one end of the secondary rotating shaft 404 penetrating through the first longitudinal plate 3012 and the second longitudinal plate 3013 passes through the second bearing 401 and is fixedly connected with the primary rotating shaft 403, the other end of the secondary rotating shaft 404 is fixedly connected with the mounting hole of the rotating roller 405 and drives the rotating roller 405 to rotate.
Further, the gyro wheel 405 includes first gyro wheel 4051, second gyro wheel 4052, wherein, first gyro wheel 4051 with from axis of rotation 404 fixed connection, leave the clearance between first gyro wheel 4051 and the second gyro wheel 4052, second gyro wheel 4052 and fourth axis of rotation fixed connection, fourth axis of rotation and third bearing rotation connection, the third bearing passes through the bolt fastening on the vertical board 3013 of second, when first gyro wheel 4051 is rolling like this, drives the wheel pair and rotates, and the wheel pair can drive second gyro wheel 4052 and rotate, can prevent the wheel pair antedisplacement like this, realizes that the wheel pair rolls in the original position.
The speed reducing motor 101 is fixed on the mounting plate 102 through bolts, an output shaft of the speed reducing motor 101 is fixedly connected with a mounting hole of the first chain wheel 103, and when the output shaft of the speed reducing motor 101 rotates, the first chain wheel 103 is driven to rotate; the first chain wheel 103 drives the second chain wheel 201 to rotate; the second chain wheel 201 drives the first rotating shaft 202 to rotate, and the first rotating shaft 202 drives the fourth chain wheel 402 to rotate through the third chain wheel 204; the fourth chain wheel 402 drives the first roller 4051, when the first roller 4051 rolls, the wheel pair is driven to rotate, and the wheel pair drives the second roller 4052 to rotate, so that the wheel pair can be prevented from moving forward, and the wheel pair rolls in the original position;
further, referring to fig. 5, fig. 6, and fig. 7, fig. 5 is a partial perspective schematic view of a rack structure in a wheel set automatic painting device provided in embodiment 1 of the present invention, fig. 6 is an enlarged schematic view of a part a in fig. 5, fig. 7 is a schematic view of a state of a slide rail in a wheel set automatic painting device provided in embodiment of the present invention, the rocker arm assembly 5 includes a disc 501, a limiting rod 502, and a slide rail 503, two ends of the slide rail 503 are welded with the limiting rod 502, the limiting rod 502 is preferably a cylindrical structure, the other end of the limiting rod 502 is welded with the disc 501, and a middle position of the slide rail 503 is rotatably connected with a side wall of the rack structure 7;
further, referring to fig. 7, the slide rail 503 includes a first connecting plate 5031, a supporting plate 5032, a second connecting plate 5033, a third rotating shaft 5034, and a first connecting lug 5035, wherein the first connecting plate 5031 and the second connecting plate 5033 are rectangular structures, the first connecting plate 5031 and the second connecting plate 5033 are connected by welding, the lengths of the first connecting plate 5031 and the second connecting plate 5033 may be the same, and an included angle between the first connecting plate 5031 and the second connecting plate 5033 is 45-75 degrees, preferably 60 degrees; a supporting plate 5032 is welded on one side of each of the first connecting plate 5031 and the second connecting plate 5033, which faces away from the rack structure 7, the supporting plate 5032 is used for supporting the wheel pair to roll on the surface of the supporting plate 5032, a third rotating shaft 5034 is welded on the side where the first connecting plate 5031 and the second connecting plate 5033 are connected, the third rotating shaft 5034 and the supporting plate 5032 are not in the same plane, so that the wheel pair can roll on the supporting plate 5032, a first connecting lug 5035 is welded on one end of the first connecting plate 5031, which is far away from the second connecting plate 5033, and a first connecting lug 5035 can also be welded on one end of the second connecting plate 5033, which is far away from the first connecting plate.
Further, for the sake of aesthetic appearance and better conformity to practical application, referring to fig. 8, fig. 8 is a schematic view of another state of the slide rail in the automatic wheel set painting device according to the embodiment of the present invention; cylindrical connectors 5037 are arranged at the ends of the second connecting plate 5033 and the first connecting plate 5031 away from each other, and the limiting rod 502 is connected with the cylindrical connectors 5037 by welding.
Referring to fig. 3, 6 and 7, the frame structure 7 includes a first frame enclosing plate 701, frame supporting legs 702, a second frame enclosing plate 703 and frame connecting plates 704, wherein the number of the first frame enclosing plate 701 and the second frame enclosing plate 703 is two, the inner surfaces of the two ends of the first frame enclosing plate 701 are respectively connected with the two second frame enclosing plates 703 in a welding manner, the other ends of the two second frame enclosing plates 703 are connected with the other first frame enclosing plate 701 in a welding manner, so as to form a frame structure, and a plurality of frame connecting plates 704 are symmetrically arranged between the top and the bottom of the two symmetrical first frame enclosing plates 701; in this embodiment, the number of the rack connecting plates 704 is six, and the upper and lower positions are three, and the upper and lower heights of each rack connecting plate 704 can be set according to actual conditions, for example, 5cm in this embodiment;
the bottoms of the first frame enclosing plates 701 on the two sides are respectively connected with the plurality of frame supporting legs 702 in a welding mode, preferably, sliding grooves 6 are formed in the tops of the two first frame enclosing plates 701 (of course, the sliding grooves 6 can be formed in the tops of the two symmetrically arranged second frame enclosing plates 703), hubs 1012 at the two ends of the wheel pair roll on the tops of the first frame enclosing plates 701, and meanwhile, hub convex edges 10121 roll in the sliding grooves 6; a second longitudinal plate 3013 is fixedly arranged on the outer side surface of the first rack enclosure plate 701 close to the second rack enclosure plate 703 through bolts, a groove 7011 for accommodating a first roller 4051 and a second roller 4052 is further arranged on the first rack enclosure plate 701, the groove 7011 is located above the first fixing structure 301, a second fixing structure 302 is further fixed on the side wall of the first rack enclosure plate 701 below the first fixing structure 301 through bolts, the second fixing structure 302 is the same as the first fixing structure 301 in structure, and detailed description is omitted here; the side wall of the second fixing structure 302 is fixedly connected with the first bearing 203 through bolts;
referring to fig. 5 and 6, a fourth bearing 5036 is further bolted on the inner side surface of the first frame enclosure 701, and the fourth bearing 5036 is rotatably connected to a third rotating shaft 5034; the mounting plate 102 may be fixedly connected to any one of the frame connection plates 704 at the bottom by bolts.
In order to ensure that the sliding rail 503 can rotate around the rotation connection, referring to fig. 6, the first frame enclosing plate 701 is further provided with a rotation cavity for accommodating the sliding rail 503, one end of the rotation cavity extends to one end of the sliding groove 6, and the other end of the rotation cavity is close to the front side of the first frame enclosing plate 701, so that when the sliding rail 503 rotates, the supporting plate 5032 abuts against the hub convex edge 10121 of the wheel pair, thereby pushing the wheel pair to roll forward.
Further, referring to fig. 9 and 10, fig. 9 is a schematic diagram illustrating an operating state of the second driving mechanism in the automatic wheel set painting device according to the embodiment of the present invention; FIG. 10 is a schematic view illustrating another operation state of a second driving mechanism in an automatic wheel set painting apparatus according to an embodiment of the present invention; the second driving mechanism 8 includes a push wheel cylinder 801, a second engaging lug 802, and a fixing seat 803, the number of the push wheel cylinders 801 is preferably one, the fixing seat 803 is fixed on a rack connecting plate 704 away from the reduction motor 101 by bolts, the fixing seat 803 is hinged to the bottom of the push wheel cylinder 801, the second engaging lug 802 is fixedly installed at the telescopic end of the push wheel cylinder 801, and the second engaging lug 802 is connected to the first engaging lug 5035 by a pin shaft, so that when the push wheel cylinder 801 extends or shortens in operation, the first engaging lug 5035 is pushed to drive the sliding rail 503 to move circumferentially around the third rotating shaft 5034; when the wheel pushing cylinder 801 is in an initial state, the first connecting plate 5031 is located below the wheel set, then the wheel pushing cylinder 801 operates, the sliding rail 503 moves circularly around the third rotating shaft 5034, the first connecting plate 5031 drives the wheel set to roll forward, the wheel set stops when rolling to the positions above the first roller 4051 and the second roller 4052, then the wheel pushing cylinder shortens, and the end of the wheel set 5033 far away from the 5031 is higher than the top of the wheel set 701, so that the disc 501 and the limiting rod 502 can play a certain limiting role, and the wheel set is prevented from rolling towards the front side when rolling.
Further, the thickness between the disc 501, the limiting rod 502 and the first connecting plate 5031 is smaller than the width of the sliding slot 6, so that the sliding rail 503 can rotate around the rotating connection.
Further, referring to fig. 11, fig. 11 is a schematic structural diagram of a painting device in an automatic wheel set painting device according to an embodiment of the present invention; the painting device 9 comprises a lifting cylinder 901, a connecting hole 902, a varnish pool 903, a supporting plate 904, a brush 905 and a brush supporting mechanism 906, wherein the bottom of the lifting cylinder 901 can be directly and symmetrically fixed on the ground through bolts or on a rack connecting plate 704 right below a wheel pair rolling on a first roller 4051 and a rotating roller 4053, and the lifting cylinder 901 and the speed reducing motor 101 are staggered (for example, the two lifting cylinders 901 are both arranged on the left side of the speed reducing motor 101); the telescopic end of each lifting cylinder 901 penetrates through a connecting hole 902 and is fixedly connected with a support plate 904 through a bolt, the connecting holes 902 are fixedly arranged on two sides of the bottom of the varnish pool 903, two positioning holes 9041 are symmetrically arranged on the support plate 904, the positioning holes 9041 are located between the two lifting cylinders 901, one end of the brush supporting mechanism 906 penetrates through the positioning holes 9041, and the other end of the brush supporting mechanism 906 is fixedly connected with the bottom of the brush 905 through a bolt or a screw.
Further, the brush supporting mechanism 906 comprises a positioning pin 9061, a telescopic spring 9062 and a spring fixing tube 9063, wherein the positioning pin 9061 is inserted into the positioning hole 9041 and extends to the position above the connecting hole 902, the part, higher than the supporting plate 904, of the positioning pin 9061 is sleeved with the positioning pin 9061, one end of the telescopic spring 9062 is fixedly connected with the brush 905, the other end of the telescopic spring 9062 is fixedly connected with the top of the supporting plate 904, the spring fixing tube 9063 is further arranged on the outer side of the telescopic spring 9062, the bottom of the spring fixing tube 9063 is fixedly connected with the supporting plate 904 in a welded mode through bolts or screws, the inner diameter of the spring fixing tube 9063 is matched with the telescopic spring 9062 to accommodate the telescopic spring 9062, and a distance is reserved between the top of the spring fixing tube 9063 and the bottom of the brush 905.
One end of the locating round pin 9061 is fixedly connected with the brush 905, the other end of the locating round pin 9061 penetrates through the telescopic spring 9062 and the locating hole 9041 of the supporting plate 904 to prevent the mechanism from inclining due to the fact that one side of the locating round pin is heavier, the telescopic spring 9062 is arranged in the spring fixing pipe 9063, a certain space is reserved, the requirement of wheel pair painting of different wheel diameter sizes is met, the brush 905 is used for painting sprayed varnish evenly, residual varnish on the wheel pair after painting is removed, and pollution to an operation field is avoided.
Further, in this embodiment, a sealing strip is further disposed at a position where the connecting hole 902 is connected to the telescopic end of the lifting cylinder 901, so that the varnish can be prevented from falling to the ground.
Further, the painting device 9 further includes a varnish power system 907, and the varnish power system 907 includes a varnish cylinder 9071, a water pump 9072, and a first pipeline 9073, where the varnish cylinder 9071 is a shell structure without a cover on the top, the shell structure may be a cuboid, a cylinder, a cube, or the like, and may be selected according to actual conditions, the varnish cylinder 9071 is placed at a short distance from the rack structure 7, the water pump 9072 is fixedly disposed in the varnish cylinder 9071 by bolts, the water pump 9072 is communicated with one end of the first pipeline 9073, and the other end of the first pipeline 9073 is connected to the varnish pool 903 and is connected to the spray head assembly 908.
It should be noted that the first pipe 9073 may penetrate through the bottom of the varnish pool 903 and communicate with the spray head assembly 908, and a sealing ring is also disposed at a position where the first pipe 9073 penetrates through the varnish pool 903, and similarly, the first pipe 9073 may also directly extend through the outside (not penetrating through the bottom of the varnish pool 903 at this time) to the inside of the varnish pool 903 and communicate with the spray head assembly 908;
the spray head assembly 908 comprises a varnish storage cavity 9081, spray heads 9082 and a support rod 9083, wherein the bottom of the support rod 9083 is fixedly arranged in the middle of the top of the supporting plate 904 through bolts, and can be detached when not used, the top of the support rod 9083 is fixedly connected with the varnish storage cavity 9081 through bolts or screws, the varnish storage cavity 9081 is of a hollow shell structure, a plurality of communicated spray heads 9082 are arranged at the top of the varnish storage cavity 9081, one end, far away from the varnish storage cavity 9081, of each spray head 9082 is arranged in an open mode, so that when the water pump 9072 works, varnish can enter the varnish storage cavity 9081 through a first pipeline 9073, and then is sprayed onto the wheel pair under the action of the spray heads 9082, and as the wheel pair rotates, the wheel pair can be enabled to contact with the varnish in a larger range, and meanwhile, the brush 905 is in contact with the wheel pair, therefore, the wheel pair can be particularly and uniformly coated, and labor is saved.
Further, in order to improve the working efficiency, in this embodiment, a plurality of spray holes are formed in the top of the spray head 9082, so that the sprayed varnish and the wheel pair can have a larger contact area, and the working efficiency is improved.
Meanwhile, in order to save varnish and prevent waste, in this embodiment, the bottom of the varnish pool 903 further includes a varnish outlet and a second pipeline, the varnish outlet is connected with one end of the second pipeline, and the other end of the second pipeline is connected into the varnish cylinder 9071, so that the varnish in the varnish pool 903 can be reused.
Further, the present embodiment further includes a plurality of fluid valves, preferably a group, where one of the fluid valves is disposed on the first conduit 9073 and is used to control on/off of the first conduit 9073; and the other fluid valve is arranged on the second pipeline and used for controlling the on-off of the second pipeline.
Also, in order to remotely operate the opening and closing of the fluid valves, a solenoid directional valve Y2 is further included in the embodiment, and the solenoid directional valve Y2 is communicated with the two fluid valves; and the battery valve is connected with the external control chip.
S2, starting the rotating mechanism 2, wherein the rotating mechanism 2 works to drive the first roller 4051 to roll, the first roller 4051 drives the wheel pair to rotate, a gap is reserved between the first roller 4051 and the second roller 4052 to prevent the wheel pair from deviating, and the rolling mechanism 4 works to drive the wheel pair to rotate;
the step S2 further includes:
when the wheel pushing cylinder 801 is in an initial state, the first connecting plate 5031 is located below the wheel set, then the wheel pushing cylinder 801 is started to operate, the sliding rail 503 makes a circular motion around the third rotating shaft 5034, the first connecting plate 5031 drives the wheel set to roll forward, the wheel set stops when rolling to the upper parts of the first roller 4051 and the second roller 4052, then the wheel pushing cylinder shortens, and the end of the wheel set 5033 far away from the 5031 is higher than the top of the wheel set 701, so that the disc 501 and the limiting rod 502 can play a certain limiting role to prevent the wheel set from rolling towards the front side when rolling;
then, the speed reducing motor 101 is started, and when an output shaft of the speed reducing motor 101 rotates, the first chain wheel 103 is driven to rotate; the first chain wheel 103 drives the second chain wheel 201 to rotate; the second chain wheel 201 drives the first rotating shaft 202 to rotate, and the first rotating shaft 202 drives the fourth chain wheel 402 to rotate through the third chain wheel 204; the fourth chain wheel 402 drives the first roller 4051, when the first roller 4051 rolls, the wheel pair is driven to rotate, and the wheel pair drives the second roller 4052 to rotate, so that the wheel pair can be prevented from moving forward, and the wheel pair rolls in the original position;
s3, starting the painting device 9, wherein the painting device 9 is located below the wheel pair at the moment, and the painting device 9 works to paint the wheel pair;
specifically, the step S3 specifically includes starting the lifting cylinder 901 to drive the varnish pool 903, the supporting plate 904 and the brush 905 to rise, and simultaneously starting the water pump 9072, the varnish enters the varnish storage cavity 9081 through the first pipeline 9073, and then the water pump 9072 and the spray head 9082 spray the varnish onto the wheel pair, because the wheel pair rotates, it can be ensured that the wheel pair contacts the varnish in a larger range, and simultaneously the brush 905 contacts the wheel pair.
The working principle is as follows: when the wheel pushing cylinder 801 is in an initial state, the first connecting plate 5031 is located below the wheel set, then the wheel pushing cylinder 801 extends to work, the sliding rail 503 moves circularly around the third rotating shaft 5034, the first connecting plate 5031 drives the wheel set to roll forward upwards, and stops when rolling to the positions above the first roller 4051 and the second roller 4052, and at this time, paint brushing is performed; meanwhile, the disc 501 and the limiting rod 502 arranged at one end of the second connecting plate 5033 far away from the first connecting plate 5031 can be higher than the top of the first frame enclosing plate 701, so that the disc 501 and the limiting rod 502 can play a certain limiting role to prevent the wheel pair from rolling towards the front side in the painting process;
after the painting operation is completed, the wheel pushing cylinder 801 is shortened, the sliding rail 503 reversely makes a circular motion around the third rotating shaft 5034, and the second connecting plate 5033 drives the wheel pair to roll backwards, so that the wheel pair after painting is conveniently recycled;
the speed reducing motor 101 is fixed on the mounting plate 102 through bolts, an output shaft of the speed reducing motor 101 is fixedly connected with a mounting hole of the first chain wheel 103, and when the output shaft of the speed reducing motor 101 rotates, the first chain wheel 103 is driven to rotate; the first chain wheel 103 drives the second chain wheel 201 to rotate; the second chain wheel 201 drives the first rotating shaft 202 to rotate, and the first rotating shaft 202 drives the fourth chain wheel 402 to rotate through the third chain wheel 204; the fourth chain wheel 402 drives the first roller 4051 to rotate, when the first roller 4051 rolls, the wheel pair is driven to rotate, and the wheel pair drives the second roller 4052 to rotate, so that the wheel pair can be prevented from moving forwards, and the wheel pair rolls in situ;
the water pump 9072 is controlled to work, varnish can enter the varnish storage cavity 9081 through the first pipeline 9073, and then the varnish is sprayed onto the wheel pair under the action of the water pump 9072 and the spray head 9082, the wheel pair rotates, so that the wheel pair can be guaranteed to be in contact with the varnish in a larger range, meanwhile, the brush 905 is in contact with the wheel pair, the wheel pair can be particularly uniformly coated, and manpower is saved.
Example 2
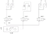
Referring to fig. 13, fig. 13 is a schematic circuit diagram of an automatic wheel set painting device according to an embodiment of the present invention; the invention also comprises a painting control circuit, wherein the painting control circuit comprises a chip control module and a motor control module, and the chip control module is electrically connected with the motor control module;
the model of the chip control module is CP1E-E40 SDR-A; an L1 pin of the chip control module is connected with a zero line N;
the motor control module comprises a push-button switch S0, a fuse FU1, a fuse FU2, a fuse FU3, an alternating current contactor KM0, an alternating current contactor KM1, an alternating current contactor KM2, a motor M1 and a motor M2, wherein the alternating current contactor KM0 comprises a coil KM01 and a normally open contact KM 02; the alternating current contactor KM1 comprises a coil KM11 and a normally open contact KM 12; the alternating current contactor KM2 comprises a coil KM21 and a normally open contact KM 22; the live wire L3 is electrically connected with one end of a fuse FU1, the other end of the fuse FU1 is electrically connected with one end of a coil KM01, and the other end of the coil KM01 is electrically connected with a push-button switch S0;
the normally open contact KM02 comprises an M1 contact, an M2 contact and an M3 contact, wherein the M1 contact, the M2 contact and the M3 contact are electrically connected with a live wire L1, a live wire L2 and a live wire L3 respectively, and the M3 contact is also electrically connected with an L2 pin of the chip control module;
one end of the fuse FU2 is electrically connected with the M3 contact; the other end of the fuse FU2 is electrically connected with one end of a coil KM12, the other end of the coil KM12 is electrically connected with a switch K1, and the other end of the switch K1 is electrically connected with a zero line N; one end of the normally open contact KM11 is electrically connected with the M1 contact, the M2 contact and the M3 contact of the normally open contact KM02, and the other end of the normally open contact KM11 is electrically connected with the motor M2;
one end of the fuse FU3 is electrically connected with the M3 contact, the other end of the fuse FU3 is electrically connected with one end of the coil KM22, the other end of the coil KM22 is electrically connected with one end of the switch K2, and the other end of the switch K2 is electrically connected with the zero line N; one end of the normally open contact KM21 is electrically connected with the M1 contact, the M2 contact and the M3 contact of the normally open contact KM02, and the other end of the normally open contact KM21 is electrically connected with the motor M1.
Preferably, in this embodiment, the motor M1 is a liquid spraying motor, and the motor M2 is a rolling motor.
Further, in this embodiment, a coil is disposed in the chip control module, and pins 004 and 005 of the chip control module are further connected to a switch K2, so as to remotely control the switch K2 to be turned on or off;
the 006 pin and 007 pin of the chip control module are also connected with the switch K2, so that the switch K2 is remotely controlled to be turned on or off.
Example 3
Referring to fig. 12, fig. 12 is a schematic pneumatic diagram of an automatic wheel set painting device according to an embodiment of the present invention; the pneumatic system comprises a pneumatic triple piece, an electromagnetic reversing valve Y1, an electromagnetic reversing valve Y2 and an electromagnetic reversing valve Y3; the pneumatic triple piece is respectively communicated with an air inlet P1 of an electromagnetic directional valve Y1, an air inlet P2 of an electromagnetic directional valve Y2 and an air inlet P3 of an electromagnetic directional valve Y3;
an air outlet A1 of the electromagnetic directional valve Y1 is communicated with air inlets of a group of lifting cylinders 901; the air outlet of the lifting cylinder and the air inlet B1 of the electromagnetic directional valve Y1 are electrically connected with the Lina Jie
The air outlet A2 of the electromagnetic directional valve Y2 is respectively communicated with the air inlets of a group of fluid valves, and the air outlet of the fluid valves is communicated with the air inlet B2 of the electromagnetic directional valve Y2;
an air outlet A3 of the electromagnetic directional valve Y3 is communicated with an air inlet of a group of push wheel cylinders, and an air outlet of the push wheel cylinders is communicated with an air inlet B3 of an electromagnetic directional valve Y3;
the electromagnetic reversing valve Y1, the electromagnetic reversing valve Y2 and the electromagnetic reversing valve Y3 are two-position five-way 4V210-08 pneumatic control electromagnetic reversing valves respectively.
Preferably, in this embodiment, an air pressure regulating valve is further installed on the first pipeline connected to the air inlet of the electromagnetic directional valve Y1.
After the air source is subjected to the purification and pressure regulation effects of the pneumatic triple piece, the air source is connected to air inlets P (namely air inlets P of the electromagnetic directional valve Y1, the electromagnetic directional valve Y2 and the electromagnetic directional valve Y3) of the three two-position five-way 4V210-08 pneumatic control electromagnetic directional valves through air pipes.
Furthermore, in this embodiment, the electromagnetic directional valve Y1, the electromagnetic directional valve Y2, and the electromagnetic directional valve Y3 are further electrically connected to pins 01000, 01001, and 01003 of the chip control module, so that the electromagnetic directional valve Y1, the electromagnetic directional valve Y2, and the electromagnetic directional valve Y3 can be remotely controlled;
when the electromagnetic directional valve Y1 is electrified, the valve core moves to the right valve position, the piston rod of the lifting cylinder 901 extends out to drive the brush 905 spray head component 908 to ascend, when the electromagnetic directional valve is electrified, the valve core moves to the left valve position, the piston rod of the lifting cylinder 901 retracts, and the brush 905 and the spray head component 908 descend; when the electromagnetic directional valve Y2 is electrified, the valve core moves to the right valve position, the fluid valve on the second pipeline is closed, and the fluid valve on the first pipeline is opened to spray liquid; when the electromagnetic directional valve Y3 is electrified, the valve core moves to the right valve position, the wheel outlet cylinder 801 extends out, the rotating arm 5 is driven to rotate, and the wheel pair is pushed out.
The above examples are only intended to illustrate the technical solution of the present invention, but not to limit it; although the present invention has been described in detail with reference to the foregoing embodiments, it will be understood by those of ordinary skill in the art that: the technical solutions described in the foregoing embodiments may still be modified, or some technical features may be equivalently replaced; and such modifications or substitutions do not depart from the spirit and scope of the corresponding technical solutions of the embodiments of the present invention.

Claims (10)

1. A wheel set painting method is characterized by comprising the following steps;
s1, placing the wheel pair on the top of a frame structure (7) of the wheel pair painting device; the wheel pair painting device also comprises a first driving mechanism (1), a rotating mechanism (2), a wheel pair rolling mechanism (4) and a painting device (9); wherein:
the bottom of the rack structure (7) is fixedly provided with a first driving mechanism (1), and the first driving mechanism (1) is connected with a rotating mechanism (2) fixed on the side wall of the rack structure (7) and drives the rotating mechanism (2) to rotate; the wheel pair rolling mechanisms (4) are symmetrically arranged on two sides of the rack structure (7), and the rotating mechanism (2) rotates to drive the wheel pair rolling mechanisms (4) to rotate; the wheel set rolling mechanism (4) is in contact with a wheel set and drives the wheel set to rotate at the original position;
the bottom of the rack structure (7) is provided with a painting device (9), and the painting device (9) is arranged between the wheel pair rolling mechanisms (4) which are bilaterally symmetrical;
the wheel pair rolling mechanism (4) comprises a rotating roller (405), the rotating roller (405) consists of a first roller (4051) and a second roller (4052), the first roller (4051) drives a wheel pair to rotate, and a gap is reserved between the first roller (4051) and the second roller (4052) to prevent the wheel pair from deviating;
s2, starting the rotating mechanism (2), wherein the rotating mechanism (2) works to drive a first roller (4051) to roll, a first roller (4051) driving wheel pair rotates, a gap is reserved between the first roller (4051) and a second roller (4052) to prevent the wheel pair from deviating, and a rolling mechanism (4) works to drive the driving wheel pair to rotate;
s3, starting the painting device (9), wherein the painting device (9) is located below the wheel pair at the moment, and the painting device (9) works to paint the wheel pair.
2. The wheel-set painting method according to claim 1, characterized in that the wheel-set painting device further comprises a fixing assembly (3), a rocker arm assembly (5), a chute (6), a second driving mechanism (8);
sliding grooves (6) for accommodating wheel sets are symmetrically formed in two sides of the top of the rack structure (7); the fixed assembly (3) is fixed on the side surface of the frame structure (7) and supports the wheel pair rolling mechanism (4); a plurality of second driving mechanisms (8) are symmetrically arranged on one side, away from the first driving mechanism (1), of the bottom of the rack structure (7), the second driving mechanisms (8) are hinged to the rocker arm assembly (5), and the rocker arm assembly (5) is rotatably connected with the side wall of the rack structure (7);
the second driving mechanism (8) works to drive the rocker arm assembly (5) to rotate around the rotating connection part of the rocker arm assembly and the rack structure (7), and the rocker arm assembly (5) rotates and pushes.
3. Wheel pair painting method according to claim 2, characterized in that the first driving mechanism (1) comprises a reduction motor (101), a mounting plate (102) and a first chain wheel (103), wherein the reduction motor (101) is fixed on the mounting plate (102), the mounting plate (102) is fixedly mounted at the bottom of the frame structure (7), and the output shaft of the reduction motor (101) is fixedly connected with the mounting hole of the first chain wheel (103).
4. Wheel-pair painting method according to claim 2, characterized in that said rotating mechanism (2) comprises a second sprocket (201), a first rotating shaft (202), a first bearing (203), a third sprocket (204); second sprocket (201) links to each other with first sprocket (103) through the chain, second sprocket (201) are fixed to be set up on first axis of rotation (202), first bearing (203) are run through and are connected with first bearing (203) rotation at the both ends of first axis of rotation (202), first bearing (203) fixed mounting is in the both sides of rack construction (7), just first axis of rotation (202) extend to the outside of rack construction (7), the both ends of first axis of rotation (202) still respectively with the mounting hole fixed connection of third sprocket (204).
5. Wheel-pair painting method according to claim 1, characterized in that said fixing assembly (3) comprises first fixing structures (301), the first fixing structures (301) being symmetrically arranged on both sides of the frame structure (7); the first fixing structure (301) comprises a transverse plate (3011), a first longitudinal plate (3012) and a second longitudinal plate (3013), and the top of the transverse plate (3011) is symmetrically and fixedly provided with the first longitudinal plate (3012) and the second longitudinal plate (3013).
6. The wheel-pair painting method according to claim 4, characterized in that the wheel-pair rolling mechanism (4) further comprises a second bearing (401), a fourth chain wheel (402), a main rotating shaft (403) and a secondary rotating shaft (404), wherein one end of the main rotating shaft (403) is fixedly connected with a mounting hole of the fourth chain wheel (402), the other end of the main rotating shaft (403) is rotatably connected with the second bearing (401), the second bearing (401) is fixedly mounted on the first fixed structure (301), the secondary rotating shaft (404) penetrates through the first longitudinal plate (3012) and the second longitudinal plate (3013) at two ends and rotates relative to the first longitudinal plate (3012) and the second longitudinal plate (3013), and the secondary rotating shaft (404) penetrates through the first longitudinal plate (3012) and one end of the second longitudinal plate (3013) passes through the second bearing (401) and is fixedly connected with the main rotating shaft (403), the other end of the secondary rotating shaft (404) is fixedly connected with a mounting hole of the rotating roller (405) and drives the rotating roller (405) to rotate;
first gyro wheel (4051) with from axis of rotation (404) fixed connection, first gyro wheel (4051) contacts and drives second gyro wheel (4052) and rotate and leave the clearance with second gyro wheel (4052), second gyro wheel (4052) and fourth axis of rotation fixed connection, the fourth axis of rotation rotates with the third bearing and is connected, the third bearing is fixed in on the vertical board of second (3013).
7. The wheel pair painting method according to claim 5, characterized in that the rocker arm assembly (5) comprises a disc (501), a limiting rod (502) and a sliding rail (503), wherein the limiting rod (502) is fixedly arranged at two ends of the sliding rail (503), the disc (501) is fixedly arranged at the other end of the limiting rod (502), and the middle position of the sliding rail (503) is rotatably connected with the side wall of the frame structure (7);
the sliding rail (503) comprises a first connecting plate (5031), a supporting plate (5032), a second connecting plate (5033), a third rotating shaft (5034) and a first connecting lug (5035), wherein the first connecting plate (5031) and the second connecting plate (5033) are fixedly connected and form an included angle, the supporting plate (5032) is fixed on one side of the first connecting plate (5031) and the second connecting plate (5033) opposite to the rack structure (7), and the supporting plate (5032) is used for supporting a wheel to roll on the surface of the supporting plate (5032);
a third rotating shaft (5034) is fixedly arranged on the side surface of the connection part of the first connecting plate (5031) and the second connecting plate (5033), and a first connecting lug (5035) is fixedly arranged at one end, far away from the second connecting plate (5033), of the first connecting plate (5031).
8. The wheel pair painting method according to claim 6, characterized in that the frame structure (7) comprises a first frame enclosing plate (701), frame supporting legs (702), a second frame enclosing plate (703) and a frame connecting plate (704), wherein the number of the first frame enclosing plate (701) and the second frame enclosing plate (703) is two, the inner surfaces of two ends of the first frame enclosing plate (701) are fixedly connected with the two second frame enclosing plates (703), respectively, and the other ends of the two second frame enclosing plates (703) are fixedly connected with the other first frame enclosing plate (701) to form a frame structure;
a plurality of frame connecting plates (704) are symmetrically arranged at the top and the bottom between the two symmetrical first frame enclosing plates (701);
the bottoms of the first frame enclosing plates (701) on the two sides are respectively fixedly connected with a plurality of frame supporting legs (702), sliding grooves (6) are formed in the tops of the two first frame enclosing plates (701), hubs (1012) at the two ends of the wheel pair roll on the tops of the first frame enclosing plates (701), and meanwhile, hub convex edges (10121) roll in the sliding grooves (6);
a second longitudinal plate (3013) is fixedly arranged on the outer side face of the first rack enclosing plate (701) close to the second rack enclosing plate (703), a groove (7011) for containing a first roller (4051) and a second roller (4052) is further formed in the first rack enclosing plate (701), the groove (7011) is located above the first fixing structure (301), a second fixing structure (302) is further fixed on the side wall of the first rack enclosing plate (701) below the first fixing structure (301), and the second fixing structure (302) is identical to the first fixing structure (301); the side wall of the second fixing structure (302) is fixedly connected with the first bearing (203);
a fourth bearing (5036) is further fixedly arranged on the inner side surface of the first frame enclosing plate (701), and the fourth bearing (5036) is rotatably connected with a third rotating shaft (5034); the rack connecting plate (704) is fixedly connected with a mounting plate (102) used for fixing the speed reducing motor (101).
9. The wheel pair painting method according to claim 6, wherein the second driving mechanism (8) comprises a wheel pushing cylinder (801), a second connecting lug (802) and a fixed seat (803), the fixed seat (803) is fixedly arranged on a rack connecting plate (704) far away from the speed reduction motor (101), the fixed seat (803) is hinged to the bottom of the wheel pushing cylinder (801), a second connecting lug (802) is fixedly arranged at the telescopic end of the wheel pushing cylinder (801), and the second connecting lug (802) is connected with the first connecting lug (5035) through a pin shaft;
when the wheel pushing cylinder (801) is in an initial state, the first connecting plate (5031) is positioned below the wheel pair;
then the wheel pushing cylinder (801) extends, the driving slide rail (503) makes circular motion around the third rotating shaft (5034), the first connecting plate (5031) drives the wheel pair to roll forwards upwards, and the wheel pair stops working when rolling to the first roller (4051) and the second roller (4052);
when the painting work is finished, the wheel pushing cylinder (801) is shortened, the sliding rail (503) reversely makes circular motion around the third rotating shaft (5034), and the second connecting plate (5033) drives the wheel pair to roll backwards so as to recover the painted wheel pair.
10. The wheel set painting method according to claim 1, wherein the painting device (9) comprises a lifting cylinder (901), a connecting hole (902), a varnish pool (903), a supporting plate (904), a brush (905) and a brush supporting mechanism (906), wherein the telescopic end of the lifting cylinder (901) penetrates through the connecting hole (902) and is fixedly connected with the supporting plate (904), the connecting hole (902) is fixedly arranged at the bottom of the varnish pool (903), two positioning holes (9041) are symmetrically arranged on the supporting plate (904), the positioning holes (9041) are located between the two lifting cylinders (901), one end of the brush supporting mechanism (906) penetrates through the positioning holes (9041), and the other end of the brush supporting mechanism (906) is fixedly connected with the bottom of the brush (905);
the brush supporting mechanism (906) comprises a positioning pin (9061), a telescopic spring (9062) and a spring fixing pipe (9063), wherein the positioning pin (9061) is inserted into the positioning hole (9041) and extends above the connecting hole (902), and the part of the positioning pin (9061) higher than the supporting plate (904) is sleeved with a positioning pin (9061), one end of the extension spring (9062) is fixedly connected with the brush (905), the other end of the extension spring (9062) is fixedly connected with the top of the supporting plate (904), a spring fixing pipe (9063) is also arranged on the outer side of the telescopic spring (9062), the bottom of the spring fixing pipe (9063) is fixedly connected with the supporting plate (904), the inner diameter of the spring fixing pipe (9063) is matched with the telescopic spring (9062) to accommodate the telescopic spring (9062), a space is reserved between the top of the spring fixing pipe (9063) and the bottom of the brush (905);
the paint brushing device (9) further comprises a varnish power system (907), wherein the varnish power system (907) comprises a varnish cylinder (9071), a water pump (9072) and a first pipeline (9073), the varnish cylinder (9071) is of a shell structure with an uncovered top, the water pump (9072) is fixedly arranged inside the varnish cylinder (9071), the water pump (9072) is communicated with one end of the first pipeline (9073), and the other end of the first pipeline (9073) is connected into a varnish pool (903) and connected with a sprayer assembly (908);
the spray head assembly (908) comprises a varnish storage cavity (9081), spray heads (9082) and a supporting rod (9083), wherein the bottom of the supporting rod (9083) is fixedly arranged in the middle of the top of the supporting plate (904), the top of the supporting rod (9083) is fixedly connected with the varnish storage cavity (9081), the varnish storage cavity (9081) is of a hollow shell structure, the top of the varnish storage cavity (9081) is provided with the spray heads (9082) which are communicated with one another, and one end, far away from the varnish storage cavity (9081), of each spray head (9082) is arranged in an open mode.
CN202010773610.0A 2020-08-04 2020-08-04 Wheel set painting method Pending CN111889262A (en)

Priority Applications (1)

Application Number Priority Date Filing Date Title
CN202010773610.0A CN111889262A (en) 2020-08-04 2020-08-04 Wheel set painting method

Applications Claiming Priority (1)

Application Number Priority Date Filing Date Title
CN202010773610.0A CN111889262A (en) 2020-08-04 2020-08-04 Wheel set painting method

Publications (1)

Publication Number Publication Date
CN111889262A true CN111889262A (en) 2020-11-06

Family

ID=73245430

Family Applications (1)

Application Number Title Priority Date Filing Date
CN202010773610.0A Pending CN111889262A (en) 2020-08-04 2020-08-04 Wheel set painting method

Country Status (1)

Country Link
CN (1) CN111889262A (en)

Cited By (2)

* Cited by examiner, † Cited by third party
Publication number Priority date Publication date Assignee Title
CN113976382A (en) * 2021-11-10 2022-01-28 北京京天威科技发展有限公司 Wheel set painting equipment and wheel set painting method
CN119608481A (en) * 2024-11-26 2025-03-14 昆山昆楚同创智能科技有限公司 Wheelset painting equipment and painting method

Citations (6)

* Cited by examiner, † Cited by third party
Publication number Priority date Publication date Assignee Title
CN206325749U (en) * 2016-11-18 2017-07-14 中车长春轨道客车股份有限公司 Many gauge wheels are to the wheel of paint line to whirligig
CN107030040A (en) * 2017-06-08 2017-08-11 湖北韩泰智能设备有限公司 A kind of igneous rock cracks laser cleaning machine and igneous rock cracks cleaning method
CN206716325U (en) * 2017-03-24 2017-12-08 盐城市明星涂装设备有限公司 A kind of igneous rock cracks automation spray painting apparatus
CN108176542A (en) * 2018-02-27 2018-06-19 戴荔枝 A kind of paint spraying apparatus of automatic turning
CN110841832A (en) * 2019-11-19 2020-02-28 皖西学院 An automatic oiling device for assembly of automobile brake parts
CN210701305U (en) * 2019-08-27 2020-06-09 天津市鑫金钰防腐保温钢管有限公司 Anticorrosive pipe conveying roller frame auxiliary device

Patent Citations (6)

* Cited by examiner, † Cited by third party
Publication number Priority date Publication date Assignee Title
CN206325749U (en) * 2016-11-18 2017-07-14 中车长春轨道客车股份有限公司 Many gauge wheels are to the wheel of paint line to whirligig
CN206716325U (en) * 2017-03-24 2017-12-08 盐城市明星涂装设备有限公司 A kind of igneous rock cracks automation spray painting apparatus
CN107030040A (en) * 2017-06-08 2017-08-11 湖北韩泰智能设备有限公司 A kind of igneous rock cracks laser cleaning machine and igneous rock cracks cleaning method
CN108176542A (en) * 2018-02-27 2018-06-19 戴荔枝 A kind of paint spraying apparatus of automatic turning
CN210701305U (en) * 2019-08-27 2020-06-09 天津市鑫金钰防腐保温钢管有限公司 Anticorrosive pipe conveying roller frame auxiliary device
CN110841832A (en) * 2019-11-19 2020-02-28 皖西学院 An automatic oiling device for assembly of automobile brake parts

Cited By (3)

* Cited by examiner, † Cited by third party
Publication number Priority date Publication date Assignee Title
CN113976382A (en) * 2021-11-10 2022-01-28 北京京天威科技发展有限公司 Wheel set painting equipment and wheel set painting method
CN119608481A (en) * 2024-11-26 2025-03-14 昆山昆楚同创智能科技有限公司 Wheelset painting equipment and painting method
CN119608481B (en) * 2024-11-26 2025-10-03 昆山昆楚同创智能科技有限公司 Wheelset painting equipment and painting method

Similar Documents

Publication Publication Date Title
CN111871642B (en) Automatic wheel set painting device
CN111889262A (en) Wheel set painting method
CN104056747A (en) Pneumatic lift type cylindrical workpiece inner wall-spraying rotating machine
CN213435246U (en) Protective equipment capable of painting wheel pair
CN210146317U (en) Paint spraying apparatus is used in production of environmental protection furniture
CN213644601U (en) Painting equipment
CN213435172U (en) Rocker arm equipment for driving wheel pair to roll forwards and backwards
CN212237890U (en) Environment-friendly metalwork processing is with paint spraying apparatus of turn-over of being convenient for
CN109382244A (en) It is a kind of for automating the automatic spray conveyor of foundry production line
CN203899818U (en) Inner wall spray finishing gyroscope of pneumatic-lifting-type cylinder workpiece
CN214515481U (en) Robot paint spraying system
CN207076597U (en) A kind of automatic paint-spraying machine
CN203972211U (en) Two dimension automatic paint spraying apparatus
CN206631834U (en) A kind of auto parts and components spraying equipment
CN205797589U (en) A kind of omnibearing cylindricality machining paint spraying apparatus
CN218854658U (en) Paint spraying device for railway passenger car
CN209156192U (en) A kind of conveyer automatic spraying conveying device
CN114405739B (en) Flush coater with cleaning function
CN210646964U (en) Three-dimensional quick paint spraying mechanism
CN208235397U (en) A road bridge guardrail cleaning device
CN218149552U (en) Indoor painting device
CN205966274U (en) Manual look device of repairing of furniture spare part
CN206009090U (en) A kind of efficient hardware spray-painting plant
CN215354182U (en) Building material's spraying device
CN201120331Y (en) Full-automatic vehicle wheel pair paint spraying machine

Legal Events

Date Code Title Description
PB01 Publication
PB01 Publication
SE01 Entry into force of request for substantive examination
SE01 Entry into force of request for substantive examination
RJ01 Rejection of invention patent application after publication

Application publication date: 20201106

RJ01 Rejection of invention patent application after publication