CN111865072A - 一种基于车载usb接口充电转换电路 - Google Patents
一种基于车载usb接口充电转换电路 Download PDFInfo
- Publication number
- CN111865072A CN111865072A CN202010843209.XA CN202010843209A CN111865072A CN 111865072 A CN111865072 A CN 111865072A CN 202010843209 A CN202010843209 A CN 202010843209A CN 111865072 A CN111865072 A CN 111865072A
- Authority
- CN
- China
- Prior art keywords
- circuit
- output
- conversion circuit
- energy storage
- capacitor
- Prior art date
- Legal status (The legal status is an assumption and is not a legal conclusion. Google has not performed a legal analysis and makes no representation as to the accuracy of the status listed.)
- Pending
Links
- 238000006243 chemical reaction Methods 0.000 title claims abstract description 36
- 239000003990 capacitor Substances 0.000 claims description 44
- 238000004146 energy storage Methods 0.000 claims description 40
- 230000002457 bidirectional effect Effects 0.000 claims description 6
- 238000010521 absorption reaction Methods 0.000 claims description 3
- XAGFODPZIPBFFR-UHFFFAOYSA-N aluminium Chemical compound [Al] XAGFODPZIPBFFR-UHFFFAOYSA-N 0.000 claims description 3
- 229910052782 aluminium Inorganic materials 0.000 claims description 3
- 239000003985 ceramic capacitor Substances 0.000 claims description 3
- 238000012937 correction Methods 0.000 claims description 3
- 230000003993 interaction Effects 0.000 claims description 3
- 239000000463 material Substances 0.000 claims description 3
- 230000001360 synchronised effect Effects 0.000 claims description 3
- 238000001514 detection method Methods 0.000 claims 1
- 238000004519 manufacturing process Methods 0.000 abstract description 9
- 238000010586 diagram Methods 0.000 description 3
- 238000000034 method Methods 0.000 description 3
- 230000008859 change Effects 0.000 description 2
- 238000012986 modification Methods 0.000 description 2
- 230000004048 modification Effects 0.000 description 2
- 230000008569 process Effects 0.000 description 2
- RYGMFSIKBFXOCR-UHFFFAOYSA-N Copper Chemical compound [Cu] RYGMFSIKBFXOCR-UHFFFAOYSA-N 0.000 description 1
- 230000009286 beneficial effect Effects 0.000 description 1
- 235000019504 cigarettes Nutrition 0.000 description 1
- 229910052802 copper Inorganic materials 0.000 description 1
- 239000010949 copper Substances 0.000 description 1
- 238000013461 design Methods 0.000 description 1
- 238000011161 development Methods 0.000 description 1
- 238000009826 distribution Methods 0.000 description 1
- 238000005516 engineering process Methods 0.000 description 1
- 230000005389 magnetism Effects 0.000 description 1
- 230000002093 peripheral effect Effects 0.000 description 1
- 238000012545 processing Methods 0.000 description 1
Images
Classifications
-
- H—ELECTRICITY
- H02—GENERATION; CONVERSION OR DISTRIBUTION OF ELECTRIC POWER
- H02M—APPARATUS FOR CONVERSION BETWEEN AC AND AC, BETWEEN AC AND DC, OR BETWEEN DC AND DC, AND FOR USE WITH MAINS OR SIMILAR POWER SUPPLY SYSTEMS; CONVERSION OF DC OR AC INPUT POWER INTO SURGE OUTPUT POWER; CONTROL OR REGULATION THEREOF
- H02M3/00—Conversion of DC power input into DC power output
- H02M3/02—Conversion of DC power input into DC power output without intermediate conversion into AC
- H02M3/04—Conversion of DC power input into DC power output without intermediate conversion into AC by static converters
-
- H—ELECTRICITY
- H02—GENERATION; CONVERSION OR DISTRIBUTION OF ELECTRIC POWER
- H02J—CIRCUIT ARRANGEMENTS OR SYSTEMS FOR SUPPLYING OR DISTRIBUTING ELECTRIC POWER; SYSTEMS FOR STORING ELECTRIC ENERGY
- H02J7/00—Circuit arrangements for charging or depolarising batteries or for supplying loads from batteries
- H02J7/0029—Circuit arrangements for charging or depolarising batteries or for supplying loads from batteries with safety or protection devices or circuits
- H02J7/00304—Overcurrent protection
-
- H—ELECTRICITY
- H02—GENERATION; CONVERSION OR DISTRIBUTION OF ELECTRIC POWER
- H02J—CIRCUIT ARRANGEMENTS OR SYSTEMS FOR SUPPLYING OR DISTRIBUTING ELECTRIC POWER; SYSTEMS FOR STORING ELECTRIC ENERGY
- H02J7/00—Circuit arrangements for charging or depolarising batteries or for supplying loads from batteries
- H02J7/0029—Circuit arrangements for charging or depolarising batteries or for supplying loads from batteries with safety or protection devices or circuits
- H02J7/00308—Overvoltage protection
-
- H—ELECTRICITY
- H02—GENERATION; CONVERSION OR DISTRIBUTION OF ELECTRIC POWER
- H02J—CIRCUIT ARRANGEMENTS OR SYSTEMS FOR SUPPLYING OR DISTRIBUTING ELECTRIC POWER; SYSTEMS FOR STORING ELECTRIC ENERGY
- H02J7/00—Circuit arrangements for charging or depolarising batteries or for supplying loads from batteries
- H02J7/0029—Circuit arrangements for charging or depolarising batteries or for supplying loads from batteries with safety or protection devices or circuits
- H02J7/0034—Circuit arrangements for charging or depolarising batteries or for supplying loads from batteries with safety or protection devices or circuits using reverse polarity correcting or protecting circuits
-
- H—ELECTRICITY
- H02—GENERATION; CONVERSION OR DISTRIBUTION OF ELECTRIC POWER
- H02J—CIRCUIT ARRANGEMENTS OR SYSTEMS FOR SUPPLYING OR DISTRIBUTING ELECTRIC POWER; SYSTEMS FOR STORING ELECTRIC ENERGY
- H02J2207/00—Indexing scheme relating to details of circuit arrangements for charging or depolarising batteries or for supplying loads from batteries
- H02J2207/20—Charging or discharging characterised by the power electronics converter
Landscapes
- Engineering & Computer Science (AREA)
- Power Engineering (AREA)
- Dc-Dc Converters (AREA)
Abstract
本发明公开了一种基于车载USB接口充电转换电路,包括包括外部电源输入口P1和USB输出接口,所述外部电源输入口P1和USB输出接口设置在PCB电路板上表面两端,且相对PCB电路板的中心轴线对称;所述外部电源输入口P1的输出端通过依次电连接的保护电路,滤波电路,降压转换电路与USB输出接口输入端相连。由外部电源输入口P1输入的直流电压Vi(可以为8V‑32V),经保护电路和滤波电路,再降压转换电路降压转换为5V的输出电压Vo,由USB输出接口连续稳定地输出,供手机、pad等电子设备充电。本发明简化电路电子元器件的使用,生产制造成本低,提高生产效率、电路故障率低,电路安全性高,稳定性好,电源转换效率高,实用性强。
Description
技术领域
本发明涉及一种基于车载USB接口充电转换电路,属于汽车制造控制技术领域。
背景技术
随着社会的进步与发展,各种便携式电子设备越来越多,对电子设备的充电需求也越来越多,然而目前市场上大部分汽车在配置上都没有配备专门的USB充电接口,很多用户都是选择另外购买采用点烟器接口取电的USB充电器,这些充电器很多都不符合汽车类产品的安全标准,给车辆以及电子设备造成很大的安全隐患。虽然也有个别厂家将USB充电口作为车辆的一种标配,但是涉及的车载USB接口充电转换电路比较复杂,电路上的电子元件较多,导致其生产效率低下,制造成本高,并且电路故障率高。
发明内容
鉴于此,本发明的目的是提供一种基于车载USB接口充电转换电路,可以克服现有技术的不足。
本发明的目的是通过以下技术方案实现的:
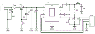
一种基于车载USB接口充电转换电路,包括外部电源输入口P1和USB输出接口,所述外部电源输入口P1和USB输出接口设置在PCB电路板上表面两端,且相对PCB电路板的中心轴线对称;所述外部电源输入口P1的输出端通过依次电连接的保护电路,滤波电路,降压转换电路与USB输出接口输入端相连;所述外部电源输入口P1用于向电路输入直流电压Vi;保护电路用于电路的浪涌保护和过载保护;滤波电路用于过滤低频和高频干扰;降压转换电路用于将输入直流电压降压转换为5V的输出电压Vo,并实现连续稳定供电;USB输出接口作为最终的输出接口,完成电源的输出以及USB数据口的数据交互。
前述保护电路包括依次串联的浪涌保护电路和反接保护电路。
前述浪涌保护电路包括与外部电源输入口P1输出端依次串联的双向TVS管和过流熔断保险丝Fuse,双向TVS管用于电路的浪涌保护,过流熔断保险丝Fuse用于电路的过流保护;所述反接保护电路包括PMOS管Q1,PMOS管Q1与相并联的电阻R4和二极管D2连接,用于电源输入极性的反接保护。
前述过流熔断保险丝Fuse为PCB双曲线覆铜段,其线宽为0.2-0.25mm。
前述滤波电路由两个不同材质、不同容量的电容C1、电容C4串联组成,电容C1采用大容量的铝电解电容用于过滤低频干扰,电容C4采用小容量的陶瓷电容用于过滤高频干扰。
前述降压转换电路包括降压转换器,所述降压转换器为集成有同步开关的集成电路芯片U1;集成电路芯片U1的输入脚1与所述滤波电路的输出端电连接,输出脚7通过储能电感L1与储能电容C电连接,用于降低输出的电压波动。
前述集成电路芯片U1的型号为IP6503S。
前述储能电感L1由线圈和磁芯组成;储能电容C包括相并联储能电容C2和储能电容C5,在二者的并联电路上还并联有负载电阻R1,所述负载电阻R1用于避免USB输出端空载造成电压波动;相并联的储能电容C2、储能电容C5和负载电阻R1的输入端耦合后分别与储能电感L1、集成电路芯片U1的输出脚5连接,用于电压连续检测并稳定输出电压Vo。
前述储能电感L1还与相串联的电阻R2和电容C6连接,相串联的电阻R2和电容C6用于波形校正和尖峰吸收。
还包括与前述储能电感L1并联的自举电容C3,自举电容C3一端与集成电路芯片U1的输出脚7电连接,另一端与与集成电路芯片U1的输出脚8相连,用于将集成电路芯片U1的输出脚8电压抬升至输入电压+输出电压的总和,供内部驱动电路使用。
与现有技术比较,本发明公开的一种基于车载USB接口充电转换电路,其包括外部电源输入口P1和USB输出接口,所述外部电源输入口P1和USB输出接口设置在PCB电路板上表面两端,且相对PCB电路板的中心轴线对称;所述外部电源输入口P1的输出端通过依次电连接的保护电路,滤波电路,降压转换电路与USB输出接口输入端相连。由外部电源输入口P1输入的直流电压Vi(可以为8V-32V),经保护电路和滤波电路,再降压转换电路降压转换为5V的输出电压Vo,由USB输出接口连续稳定地输出,供手机、pad等电子设备充电。
本发明的有益效果是:
(1)所述的外部电源输入口P1和USB输出接口设置在PCB电路板上表面两端,且相对PCB电路板的中心轴线对称,其布置简单,简化加工工艺,便于后续生产和装配,生产制造成本低,实用性强。
(2)所述的保护电路包括依次串联的浪涌保护电路和反接保护电路,不仅实现电路的浪涌保护、过载保护,安全性高,稳定性好,而且使用了PMOS管做防极性反接保护,由于PMOS管具有极低的内阻,电流流过时损耗极低,在实现极性反接保护的同时,还降低了功率消耗。
(3)本设计电路结构简单,所述的降压转换电路采用型号为IP6503S的集成电路芯片,在简化电路外围电子元器件、提高生产效率、降低故障率的同时,还保证电源转换效率高(可达到94%以上),静态电流低(小于3mA),输入电压范围宽(8V到32V),输出电流大(可达2.4A)。
本发明的其他优点、目标和特征在某种程度上将在随后的说明书中进行阐述,并且在某种程度上,基于对下文的考察研究对本领域技术人员而言将是显而易见的,或者可以从本发明的实践中得到教导。本发明的目标和其他优点可以通过下面的说明书来实现和获得。
附图说明
为了使本发明的目的、技术方案和优点更加清楚,下面将结合附图对本发明作进一步的详细描述,其中:
图1为本发明的结构原理示意图。
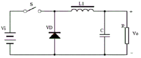
图2为降压转换电路的工作原理示意图。
图3为本发明的结构分布示意图。
具体实施方式
以下将参照附图,对本发明的优选实施例进行详细的描述。应当理解,优选实施例仅为了说明本发明,而不是为了限制本发明的保护范围。
如图1-图3所示,本发明公开的一种基于车载USB接口充电转换电路,包括外部电源输入口P1和USB输出接口,所述外部电源输入口P1和USB输出接口设置在PCB电路板上表面两端,且相对PCB电路板的中心轴线对称;所述外部电源输入口P1的输出端通过依次电连接的保护电路,滤波电路,降压转换电路与USB输出接口输入端相连;所述外部电源输入口P1用于向电路输入直流电压Vi;保护电路用于电路的浪涌保护和过载保护;滤波电路用于过滤低频和高频干扰;降压转换电路用于将输入直流电压降压转换为5V输出电压Vo,并实现连续稳定供电;USB输出接口作为最终的输出接口,完成电源的输出以及USB数据口的数据交互。
所述保护电路包括依次串联的浪涌保护电路和反接保护电路。所述浪涌保护电路包括与外部电源输入口P1输出端依次串联的双向TVS管和过流熔断保险丝Fuse;双向TVS管用于电路的浪涌保护;所述过流熔断保险丝Fuse为PCB双曲线覆铜段,其线宽为0.2-0.25mm,可作为本电路的最后一道过流保护防线。
所述反接保护电路包括PMOS管Q1,PMOS管Q1与相并联的电阻R4和二极管D2连接,用于电源输入极性的反接保护,可以避免因车辆蓄电池接反时对本电路损害。
所述滤波电路由两个不同材质、不同容量的电容C1、电容C4串联组成,电容C1采用大容量的铝电解电容用于过滤低频干扰,电容C4采用小容量的陶瓷电容用于过滤高频干扰。
所述降压转换电路包括降压转换器,所述降压转换器为集成有同步开关的集成电路芯片U1;集成电路芯片U1的输入脚1与所述滤波电路的输出端电连接,输出脚7通过储能电感L1与储能电容C电连接,由集成电路芯片U1负责将输入脚1的电源用电子开关的形式转换成占空比可调的高频脉动电源,由输出脚7通过储能电感L1向储能电容C充电,进而降低输出的电压波动。
所述集成电路芯片U1的型号为IP6503S;IP6503S支持 DCP(BC1.2、 Apple2.4A、三星)输出协议,为车载充电器、适配器、智能排插、行车记录仪提供完整的解决方案。
所述储能电感L1由线圈和磁芯组成;储能电容C包括相并联储能电容C2和储能电容C5,在二者的并联电路上还并联有负载电阻R1,所述负载电阻R1用于避免USB输出端空载造成电压波动;相并联的储能电容C2、储能电容C5和负载电阻R1的输入端耦合后分别与储能电感L1、集成电路芯片U1的输出脚5连接;不仅可以由输出脚7通过储能电感L1向储能电容C2和储能电容C5充电、降压,同时输出脚5会对输出端的电压进行连续检测,用来控制内部开关的占空比调节,保证输出电压的稳定。
所述储能电感L1还与相串联的电阻R2和电容C6连接,相串联的电阻R2和电容C6用于波形校正和尖峰吸收。
还包括与储能电感L1并联的自举电容C3,自举电容C3一端与集成电路芯片U1的输出脚7电连接,另一端与与集成电路芯片U1的输出脚8相连,用于将集成电路芯片U1的输出脚8电压抬升至输入电压+输出电压的总和,供内部驱动电路使用。
见图2,所述降压转换电路的工作原理是:在降压转换器U1内部集成有电子开关S和整流器VD;
当S接通时,整流器VD反向截止,电流通过储能电感L1给连接在USB输出接口的负载R提供能源,C作为储能器件,可以降低负载R两端的电压波动,同时,流过L线圈的电流也会转化成磁能给L磁芯充磁;
当S断开的时候,储能电感L1的线圈无法再获得外部提供的电能量,磁芯的磁场强度开始消退,磁场的变化过程又会在线圈中感生出电流,且电流流向相同,该电流通过整流器VD正向导通,最终与负载R形成回路,提供电能,储能电容C在整个过程中能够减小上述变化造成的输出电压Vo波动。
控制S的开闭时间,即占空比,就能控制在Vo端获得的电压值,也就完成了输入电压Vi至输出电压Vo的降压变化过程。
以上所述,仅是本发明的较佳实施例而已,并非对本发明作任何形式保密的限制,任何未脱离本发明技术方案内容、依据本发明的技术实质对以上实施例所作的任何简单修改、等同变化与修饰,均仍属于本发明技术方案的范围内。
Claims (10)
1.一种基于车载USB接口充电转换电路,包括外部电源输入口P1和USB输出接口,其特征在于:所述外部电源输入口P1和USB输出接口设置在PCB电路板上表面两端,且相对PCB电路板的中心轴线对称;所述外部电源输入口P1的输出端通过依次电连接的保护电路,滤波电路,降压转换电路与USB输出接口输入端相连;所述外部电源输入口P1用于向电路输入直流电压Vi;保护电路用于电路的浪涌保护和过载保护;滤波电路用于过滤低频和高频干扰;降压转换电路用于将输入直流电压降压转换为5V的输出电压Vo,并实现连续稳定供电;USB输出接口作为最终的输出接口,完成电源的输出以及USB数据口的数据交互。
2.根据权利要求1所述的基于车载USB接口充电转换电路,其特征在于:所述保护电路包括依次串联的浪涌保护电路和反接保护电路。
3.根据权利要求2所述的基于车载USB接口充电转换电路,其特征在于:所述浪涌保护电路包括与外部电源输入口P1输出端依次串联的双向TVS管和过流熔断保险丝Fuse,双向TVS管用于电路的浪涌保护,过流熔断保险丝Fuse用于电路的过流保护;所述反接保护电路包括PMOS管Q1,PMOS管Q1与相并联的电阻R4和二极管D2连接,用于电源输入极性的反接保护。
4.根据权利要求3所述的基于车载USB接口充电转换电路,其特征在于:所述过流熔断保险丝Fuse为PCB双曲线覆铜段,其线宽为0.2-0.25mm。
5.根据权利要求1所述的基于车载USB接口充电转换电路,其特征在于:所述滤波电路由两个不同材质、不同容量的电容C1、电容C4串联组成,电容C1采用大容量的铝电解电容用于过滤低频干扰,电容C4采用小容量的陶瓷电容用于过滤高频干扰。
6.根据权利要求1所述的基于车载USB接口充电转换电路,其特征在于:所述降压转换电路包括降压转换器,所述降压转换器为集成有同步开关的集成电路芯片U1;集成电路芯片U1的输入脚1与所述滤波电路的输出端电连接,输出脚7通过储能电感L1与储能电容C电连接,用于降低输出的电压波动。
7.根据权利要求6所述的基于车载USB接口充电转换电路,其特征在于:所述集成电路芯片U1的型号为IP6503S。
8.根据权利要求6所述的基于车载USB接口充电转换电路,其特征在于:所述储能电感L1由线圈和磁芯组成;储能电容C包括相并联储能电容C2和储能电容C5,在二者的并联电路上还并联有负载电阻R1,所述负载电阻R1用于避免USB输出端空载造成电压波动;相并联的储能电容C2、储能电容C5和负载电阻R1的输入端耦合后分别与储能电感L1、集成电路芯片U1的输出脚5连接,用于电压连续检测并稳定输出电压Vo。
9.根据权利要求6所述的基于车载USB接口充电转换电路,其特征在于:所述储能电感L1还与相串联的电阻R2和电容C6连接,相串联的电阻R2和电容C6用于波形校正和尖峰吸收。
10.根据权利要求6所述的基于车载USB接口充电转换电路,其特征在于:还包括与储能电感L1并联的自举电容C3,自举电容C3一端与集成电路芯片U1的输出脚7电连接,另一端与与集成电路芯片U1的输出脚8相连,用于将集成电路芯片U1的输出脚8电压抬升至输入电压+输出电压的总和,供内部驱动电路使用。
Priority Applications (1)
| Application Number | Priority Date | Filing Date | Title |
|---|---|---|---|
| CN202010843209.XA CN111865072A (zh) | 2020-08-20 | 2020-08-20 | 一种基于车载usb接口充电转换电路 |
Applications Claiming Priority (1)
| Application Number | Priority Date | Filing Date | Title |
|---|---|---|---|
| CN202010843209.XA CN111865072A (zh) | 2020-08-20 | 2020-08-20 | 一种基于车载usb接口充电转换电路 |
Publications (1)
| Publication Number | Publication Date |
|---|---|
| CN111865072A true CN111865072A (zh) | 2020-10-30 |
Family
ID=72970516
Family Applications (1)
| Application Number | Title | Priority Date | Filing Date |
|---|---|---|---|
| CN202010843209.XA Pending CN111865072A (zh) | 2020-08-20 | 2020-08-20 | 一种基于车载usb接口充电转换电路 |
Country Status (1)
| Country | Link |
|---|---|
| CN (1) | CN111865072A (zh) |
Cited By (1)
| Publication number | Priority date | Publication date | Assignee | Title |
|---|---|---|---|---|
| CN114931702A (zh) * | 2022-06-24 | 2022-08-23 | 上海健康医学院 | 除颤器 |
Citations (6)
| Publication number | Priority date | Publication date | Assignee | Title |
|---|---|---|---|---|
| CN102929167A (zh) * | 2012-09-26 | 2013-02-13 | 湖南大学 | 一种增程式电动汽车整车智能控制器 |
| CN204517388U (zh) * | 2015-01-13 | 2015-07-29 | 广州中海达卫星导航技术股份有限公司 | 汽车电子控制单元电源保护电路 |
| CN207967998U (zh) * | 2018-03-01 | 2018-10-12 | 深圳市天捷恒大科技发展有限公司 | 双usb车载充电器 |
| CN208971162U (zh) * | 2018-08-09 | 2019-06-11 | 一起红文化传媒(成都)有限公司 | 一种基于广告屏的车载充电装置 |
| CN210225431U (zh) * | 2019-06-05 | 2020-03-31 | 湖北亿咖通科技有限公司 | 一种车载usb通讯电路及车载电子设备 |
| CN210806803U (zh) * | 2019-11-29 | 2020-06-19 | 东莞市盈聚电源有限公司 | 一种双口输出车载充电器实现单口限流和双口总限流电路 |
-
2020
- 2020-08-20 CN CN202010843209.XA patent/CN111865072A/zh active Pending
Patent Citations (6)
| Publication number | Priority date | Publication date | Assignee | Title |
|---|---|---|---|---|
| CN102929167A (zh) * | 2012-09-26 | 2013-02-13 | 湖南大学 | 一种增程式电动汽车整车智能控制器 |
| CN204517388U (zh) * | 2015-01-13 | 2015-07-29 | 广州中海达卫星导航技术股份有限公司 | 汽车电子控制单元电源保护电路 |
| CN207967998U (zh) * | 2018-03-01 | 2018-10-12 | 深圳市天捷恒大科技发展有限公司 | 双usb车载充电器 |
| CN208971162U (zh) * | 2018-08-09 | 2019-06-11 | 一起红文化传媒(成都)有限公司 | 一种基于广告屏的车载充电装置 |
| CN210225431U (zh) * | 2019-06-05 | 2020-03-31 | 湖北亿咖通科技有限公司 | 一种车载usb通讯电路及车载电子设备 |
| CN210806803U (zh) * | 2019-11-29 | 2020-06-19 | 东莞市盈聚电源有限公司 | 一种双口输出车载充电器实现单口限流和双口总限流电路 |
Non-Patent Citations (1)
| Title |
|---|
| 韩国栋 主编: "《电子工艺技术基础与实训》", 31 March 2011, 国防工业出版社, pages: 270 * |
Cited By (2)
| Publication number | Priority date | Publication date | Assignee | Title |
|---|---|---|---|---|
| CN114931702A (zh) * | 2022-06-24 | 2022-08-23 | 上海健康医学院 | 除颤器 |
| CN114931702B (zh) * | 2022-06-24 | 2025-11-14 | 上海健康医学院 | 除颤器 |
Similar Documents
| Publication | Publication Date | Title |
|---|---|---|
| CN203312888U (zh) | 用于电动车辆动力电池充电的车载充电电路结构 | |
| CN201562997U (zh) | 电动自行车用快速充电装置 | |
| CN111865072A (zh) | 一种基于车载usb接口充电转换电路 | |
| CN210137195U (zh) | 一种智能手机无线充电器 | |
| CN107482698A (zh) | 用于电瓶车的车载充电器单片集成电路xl7036 | |
| CN212627185U (zh) | 无线耳机充电装置的充电电路及无线耳机充电装置 | |
| CN101350530B (zh) | 一种具有照明功能的充电器 | |
| CN201805354U (zh) | 用于便携式笔记本车载适配器的单片集成电路 | |
| CN201219205Y (zh) | 一种具有照明功能的充电器 | |
| CN205430061U (zh) | 带有功率因数校正功能的隔离电源适配器系统 | |
| CN204538965U (zh) | 一种dc-dc转换电路 | |
| CN211830573U (zh) | 功率因数校正装置 | |
| CN203457045U (zh) | 一种直流转直流转换器 | |
| CN211656024U (zh) | 一种小功率车载逆变电源 | |
| CN203608086U (zh) | 便携式光伏电源系统的电源转换电路 | |
| CN209805671U (zh) | 单三相输入电压兼容的磁集成无桥功率因数校正装置 | |
| CN110190742B (zh) | 单三相输入电压兼容的磁集成无桥功率因数校正装置 | |
| CN201966805U (zh) | 一种开关电源电路 | |
| CN206595900U (zh) | 一种电机控制器igbt驱动电压稳压电路 | |
| CN204928210U (zh) | 蓄电池充电器装置 | |
| CN206302187U (zh) | 新型车载充电器 | |
| CN204316319U (zh) | 车载电源适配器 | |
| CN201550033U (zh) | 基于pwm控制的开关电源以及带该开关电源的充电器 | |
| CN206099754U (zh) | 一种宽输入电压范围的辅助源电路 | |
| CN223285621U (zh) | 高能效快速充电电路及装置 |
Legal Events
| Date | Code | Title | Description |
|---|---|---|---|
| PB01 | Publication | ||
| PB01 | Publication | ||
| SE01 | Entry into force of request for substantive examination | ||
| SE01 | Entry into force of request for substantive examination | ||
| RJ01 | Rejection of invention patent application after publication | ||
| RJ01 | Rejection of invention patent application after publication |
Application publication date: 20201030 |