CN111854634A - Disc cam profile detection device and method based on laser measurement - Google Patents

Disc cam profile detection device and method based on laser measurement Download PDF

Info

Publication number
CN111854634A
CN111854634A CN202010620382.3A CN202010620382A CN111854634A CN 111854634 A CN111854634 A CN 111854634A CN 202010620382 A CN202010620382 A CN 202010620382A CN 111854634 A CN111854634 A CN 111854634A
Authority
CN
China
Prior art keywords
wall
cam
measuring instrument
laser measuring
rod
Prior art date
Legal status (The legal status is an assumption and is not a legal conclusion. Google has not performed a legal analysis and makes no representation as to the accuracy of the status listed.)
Withdrawn
Application number
CN202010620382.3A
Other languages
Chinese (zh)
Inventor
张鸿霄
Current Assignee (The listed assignees may be inaccurate. Google has not performed a legal analysis and makes no representation or warranty as to the accuracy of the list.)
Individual
Original Assignee
Individual
Priority date (The priority date is an assumption and is not a legal conclusion. Google has not performed a legal analysis and makes no representation as to the accuracy of the date listed.)
Filing date
Publication date
Application filed by Individual filed Critical Individual
Priority to CN202010620382.3A priority Critical patent/CN111854634A/en
Publication of CN111854634A publication Critical patent/CN111854634A/en
Withdrawn legal-status Critical Current

Links

Images

Classifications

    • GPHYSICS
    • G01MEASURING; TESTING
    • G01BMEASURING LENGTH, THICKNESS OR SIMILAR LINEAR DIMENSIONS; MEASURING ANGLES; MEASURING AREAS; MEASURING IRREGULARITIES OF SURFACES OR CONTOURS
    • G01B11/00Measuring arrangements characterised by the use of optical techniques
    • G01B11/24Measuring arrangements characterised by the use of optical techniques for measuring contours or curvatures

Landscapes

  • Physics & Mathematics (AREA)
  • General Physics & Mathematics (AREA)
  • Length Measuring Devices By Optical Means (AREA)

Abstract

The invention discloses a disc cam profile detection device based on laser measurement in the technical field of disc cam detection, which comprises a fixed bottom plate, wherein a fixed plate block is arranged at the right end of the top of the fixed bottom plate, the outer wall of the left side of the fixed plate block is connected with a supporting plate, the outer wall of the left side of the fixed plate block is connected with an electric push rod, the movable end of the electric push rod is connected with a limiting frame, the left end of the limiting frame is provided with a limiting clamping device, the limiting frame is connected with a laser measuring instrument through the limiting clamping device, the top of the fixed bottom plate is connected with a lifting adjusting mechanism, the outer wall of the lifting adjusting mechanism, which is close to the top, is connected with a fastening device, the laser measuring instrument can be conveniently disassembled and replaced, the cam profile can be rapidly measured, different positions on the cam profile can be measured, the accuracy of the measured data is ensured.

Description

Disc cam profile detection device and method based on laser measurement
Technical Field
The invention relates to the technical field of disc cam detection, in particular to a disc cam profile detection device and method based on laser measurement.
Background
The disc cam is at the in-process of production and processing, to the disc cam after the completion of production, need measure and detect the cam, when measuring and detecting the cam profile, there are not quick swift measuring device and method among the prior art, and originally when measuring the cam profile through the manual work, generally all carry out single measurement to the cam and detect, it is loaded down with trivial details and lower efficiency to measure the testing process, the result of measurement does not have the contrast simultaneously, make measuring result accurate inadequately. Therefore, the disc cam profile detection device and method based on laser measurement are provided.
Disclosure of Invention
The present invention is directed to a device and a method for detecting a profile of a disc cam based on laser measurement, so as to solve the problems mentioned in the background art.
In order to achieve the purpose, the invention provides the following technical scheme: a disc cam contour detection device based on laser measurement comprises a fixed bottom plate, wherein the right end of the top of the fixed bottom plate is provided with a fixed plate block, the left outer wall of the fixed plate block is connected with a supporting plate, the left outer wall of the fixed plate block is connected with an electric push rod, the movable end of the electric push rod is connected with a limiting frame, the bottom of the limiting frame is movably arranged at the top of the supporting plate, the left end of the limiting frame is provided with a limiting clamping device, the limiting frame is connected with a laser measuring instrument through the limiting clamping device, the inner wall of the top of the fixed bottom plate is provided with a stepping motor, the output end of the stepping motor is connected with a lifting adjusting mechanism through a speed reducer, the movable end of the lifting adjusting mechanism is close to the outer wall of the top and is connected with a fastening device, the right outer wall of the fastening device is movably connected with, the connecting rod and the opposite end face of the connecting bracket are both provided with positioning blocks.
Further, lift adjustment mechanism is including the fixed outer tube that sets up at the PMKD top, the inner chamber activity of outer tube sets up the spacing lantern ring, interior sleeve pipe of the inner wall connection of the spacing lantern ring, telescopic spring is connected to interior sheathed tube inner chamber bottom, the movable plate is connected at telescopic spring's top, the movable rod is connected at the top of movable plate, interior sheathed tube top left and right sides outer wall sets up the layer board, and fastener cup joints the outer wall at the movable rod.
Further, fastener cup joints the interior lantern ring at the movable rod outer wall including the activity, the outside of interior lantern ring sets up the outer lantern ring, set up the cavity body in the intermediate layer of outer lantern ring and interior lantern ring, the inner wall of cavity body sets up the slip plate, the terminal surface that the slip plate is close to the outer lantern ring inner wall connects reset spring, reset spring's the other end is connected at the inner wall of cavity body, the ejector pin is connected to the other end of slip plate, the inner wall at the interior lantern ring is connected to the other end of ejector pin.
Further, spacing latch device includes the fastening lantern ring of fixed connection at spacing frame left side outer wall, the equal activity of both sides inner wall sets up the locating lever around the fastening lantern ring, the locating lever is kept away from the terminal surface connection push pedal of the fastening lantern ring outer wall, the terminal surface that the push pedal is close to the fastening lantern ring sets up the spring, and the other end of spring is connected at the outer wall of the fastening lantern ring, the locating lever extends to the inboard terminal surface activity of the fastening lantern ring and sets up spacing cardboard.
Furthermore, the outer wall of the front end of the outer sleeve is provided with a mark size, the end face of the left side of the outer sleeve is provided with a through groove, the outer wall of the limiting sleeve ring is provided with a lug matched with the through groove, and the lug extends to the outer side of the outer sleeve.
Furthermore, the outer wall of the right side of the outer collar and the outer wall of the right side of the supporting plate are both provided with clamping grooves, and the outer wall of the left side of the clamping rod is provided with clamping blocks matched with the clamping grooves.
Furthermore, the positioning blocks arranged on the opposite end faces of the connecting support and the connecting rod are all diamond positioning blocks, and edges and corners on the left side and the right side of the two groups of diamond positioning blocks are located on the same horizontal plane.
Furthermore, the end face, close to the outer wall of the laser measuring instrument, of the positioning rod is provided with a sliding block, the outer walls of the front side and the rear side of the laser measuring instrument are respectively provided with a sliding groove matched with the sliding block, and the outer walls of the upper side and the lower side of the sliding groove are provided with a limiting clamping groove matched with a limiting clamping plate.
Further, a detection method of the disc cam profile detection device based on laser measurement comprises the following steps:
s1: firstly, mounting and fixing a cam through a lifting adjusting mechanism, when the cam is mounted on the lifting adjusting mechanism, firstly pulling out a movable rod from an inner sleeve to enable the movable rod to penetrate through a through hole in the cam, enabling the cam to fall on the top of a supporting plate, then sleeving a fastening device on the outer wall of the movable rod to enable the fastening device to press the cam on the top of the supporting plate, and then fixing the cam;
S2: when the fastening device is sleeved on the outer wall of the movable rod, the inner sleeve ring pushes the sliding plate to perform telescopic motion in the hollow pipe body through the reset spring, so that the ejector rod can push the inner sleeve ring to be tightly pressed on the outer wall of the movable rod, good stability when the fastening device is installed on the movable rod is guaranteed, after the cam is installed and fixed, the connecting support is firstly rotated on the outer wall of the limiting frame, a positioning block on the connecting support is aligned to a laser measuring instrument measuring datum, then the clamping rod and the connecting rod are installed on the outer walls of the outer sleeve ring and the supporting plate, the positioning block on the connecting rod is aligned to a central point of a cam profile, then the inner sleeve is adjusted in the outer sleeve in a lifting mode, two groups of positioning blocks are located on the;
s3: the laser measuring instrument can also be disassembled and replaced on the limiting frame through the limiting clamping device, when the laser measuring instrument is installed in the limiting frame, the sliding grooves on the front outer wall and the rear outer wall of the laser measuring instrument are in limiting connection with the positioning rod, the positioning rod is tightly pressed on the outer wall of the laser measuring instrument through the spring, and after the laser measuring instrument is installed on the limiting frame, the limiting clamping plate on the positioning rod can be pushed, so that the limiting clamping plate can be clamped in the limiting clamping grooves on the front outer wall and the rear outer wall of the laser measuring instrument, and the;
S4: when the cam is measured, the electric push rod and the stepping motor can be operated by connecting the control switch with a power supply, when the electric push rod is operated, the limiting frame provided with the laser measuring instrument can be driven to slide on the supporting plate, so that the two groups of positioning blocks are conveniently positioned, when the cam is measured, the two groups of positioning blocks are moved away, the laser measuring instrument is operated, and simultaneously, the stepping motor can be operated to slowly drive the cam to rotate;
s5: when the cam is further measured, the position of the cam can be further adjusted on the measured result data, the position of the laser measuring instrument is unchanged, then the position of the inner sleeve is adjusted upwards in the outer sleeve on the basis, the height of the cam can be accurately adjusted through the marking size at the front end of the outer sleeve, the cam is adjusted to a position away from the position and increased by one centimeter, and the profile of the cam is measured through the laser measuring instrument again;
S6: when the cam is further measured, the position of the cam can be further adjusted on the measured result data, the position of the laser measuring instrument is unchanged, then the position of the inner sleeve is adjusted upwards in the outer sleeve on the basis, the height of the cam can be accurately adjusted through the marking size of the front end of the outer sleeve, the cam is adjusted to a position away from the position and descended by one centimeter, and the profile of the cam is measured through the laser measuring instrument again;
s7: in summary, the three sets of measured data are compared, if the three sets of measured data are the same, the cam profile is qualified, otherwise, the data are different, and the cam is unqualified.
Compared with the prior art, the invention has the beneficial effects that:
1. according to the invention, the connecting bracket is rotationally connected on the outer wall of the limiting frame, so that the positioning blocks on the connecting bracket are aligned with the measuring datum of the laser measuring instrument, the positioning blocks on the connecting rod are aligned with the central point of the cam profile, the inner sleeve is adjusted in the outer sleeve in a lifting manner, so that the two groups of positioning blocks are positioned on the same horizontal datum, the positioning precision of the positioning blocks is ensured during primary measurement, and the accuracy of measured data is ensured;
2. according to the cam, the cam can be bound at the top of the supporting plate through the matching between the lifting adjusting mechanism and the fastening device, the stability is good, the lifting adjusting mechanism can lift and adjust the height of the cam, the laser measuring instrument can measure the base point of the profile of the cam in the rotating process of the cam, and can measure different positions on the profile of the cam to obtain multiple groups of data for comparison;
Drawings
FIG. 1 is a schematic structural view of the present invention;
FIG. 2 is a schematic structural view of a lift adjustment mechanism of the present invention;
FIG. 3 is a schematic view of the fastening device of the present invention;
FIG. 4 is a schematic structural view of the limit latch device of the present invention.
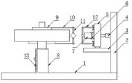
In the figure: 1. fixing the bottom plate; 2. fixing the plate; 3. a support plate; 4. an electric push rod; 5. a limiting frame; 6. a limiting clamping device; 61. fastening a collar; 62. positioning a rod; 63. pushing the plate; 64. a spring; 65. a limiting clamping plate; 7. a laser measuring instrument; 8. a lifting adjusting mechanism; 81. an outer sleeve; 82. a limiting lantern ring; 83. an inner sleeve; 84. a tension spring; 85. a movable plate; 86. a movable rod; 87. a support plate; 9. a fastening device; 91. an outer collar; 92. an inner collar; 93. a hollow tube body; 94. a slide plate; 95. a return spring; 96. a top rod; 10. a clamping rod; 11. a connecting rod; 12. connecting a bracket; 13. the size of the mark.
Detailed Description
The technical solutions in the embodiments of the present invention will be clearly and completely described below with reference to the drawings in the embodiments of the present invention, and it is obvious that the described embodiments are only a part of the embodiments of the present invention, and not all of the embodiments. All other embodiments, which can be derived by a person skilled in the art from the embodiments given herein without making any creative effort, shall fall within the protection scope of the present invention.
The invention provides a technical scheme that: a disc cam contour detection device based on laser measurement refers to a figure 1, and comprises a fixed bottom plate 1, wherein a fixed plate block 2 is arranged at the right end of the top of the fixed bottom plate 1, the fixed plate block 2 and the fixed bottom plate 1 are of an integral structure, the outer wall of the left side of the fixed plate block 2 is connected with a support plate 3, the outer wall of the left side of the fixed plate block 2 is connected with an electric push rod 4, the movable end of the electric push rod 4 is connected with a limit frame 5, the bottom of the limit frame 5 is movably arranged at the top of the support plate 3, the top of the support plate 3 is provided with a slide rail, the bottom of the limit frame 5 is provided with a slide rod matched with the slide rail, and the limit frame 5 can move;
referring to fig. 1 again, the left end of the limit frame 5 is provided with a limit latch device 6, the limit frame 5 is connected with a laser measuring instrument 7 through the limit latch device 6, the laser measuring instrument 7 is a common technical means in the prior art and can rapidly measure the cam profile, the inner wall of the top of the fixed base plate 1 is provided with a stepping motor, the top of the fixed base plate 1 is provided with an inner groove capable of preventing the stepping motor, the output end of the stepping motor is connected with a lifting adjusting mechanism 8 through a speed reducer, the bottom of the lifting adjusting mechanism 8 is movably arranged on the inner wall of the inner groove through a bearing, so that the stepping motor can drive the lifting adjusting mechanism 8 to rotate and ensure the overall stability of the lifting adjusting mechanism 8, the outer wall of the movable end of the lifting adjusting mechanism 8, which is close to the top, is connected with a fastening device 9, the outer wall of the right side, a connecting bracket 12 is movably arranged on the outer wall of the left side of the limiting frame 5, a movable shaft is arranged at the joint of the connecting bracket 12 and the limiting frame 5, the connecting bracket 12 can be turned over through the movable shaft, and positioning blocks are arranged on the opposite end faces of the connecting rod 11 and the connecting bracket 12;
Referring to fig. 2, the lifting adjusting mechanism 8 includes an outer sleeve 81 fixedly disposed on the top of the fixed base plate 1, a limiting collar 82 is movably disposed in an inner cavity of the outer sleeve 81, an inner sleeve 83 is connected to an inner wall of the limiting collar 82, limiting holes can be uniformly disposed on outer walls of the inner sleeve 83 and the outer sleeve 81, the inner sleeve 83 can be fixed in the outer sleeve 81 by inserting a limiting rod into the limiting hole, a telescopic spring 84 is connected to the bottom of the inner cavity of the inner sleeve 83, a movable plate 85 is connected to the top of the telescopic spring 84, a movable rod 86 is connected to the top of the movable plate 85, support plates 87 are disposed on outer walls on left and right sides of the top of the inner sleeve 83, and a fastening device 9 is sleeved on an outer wall of the movable rod 86, so that a cam can be supported by the support plates 87 during installation, and can, measuring different heights of the cam profile;
referring to fig. 3, the fastening device 9 includes an inner sleeve ring 92 movably sleeved on the outer wall of the movable rod 86, an outer sleeve ring 91 is disposed on the outer side of the inner sleeve ring 92, a hollow tube 93 is disposed in the interlayer between the outer sleeve ring 91 and the inner sleeve ring 92, a sliding plate 94 is disposed on the inner wall of the hollow tube 93, a return spring 95 is connected to the end surface of the sliding plate 94 close to the inner wall of the outer sleeve ring 91, the other end of the return spring 95 is connected to the inner wall of the hollow tube 93, the other end of the sliding plate 94 is connected to a push rod 96, the other end of the push rod, through the fastening device 9, the fastening device 9 is sleeved on the outer wall of the movable rod 86, the bottom of the fastening device 9 is pressed on the top of the cam, so that the outer collar 91 is attached to the cam, meanwhile, the inner lantern ring 92 can be pressed on the outer wall of the movable rod 86 through the ejector rod 96 through the return spring 95, so that the installation and the fixation are convenient;
Referring to fig. 4, the limiting and clamping device 6 includes a fastening sleeve ring 61 fixedly connected to the outer wall of the left side of the limiting frame 5, positioning rods 62 are movably arranged on the inner walls of the front side and the rear side of the fastening sleeve ring 61, the end surface of the positioning rod 62 far away from the outer wall of the fastening sleeve ring 61 is connected with a push plate 63, the end surface of the push plate 63 close to the fastening sleeve ring 61 is provided with a spring 64, the other end of the spring 64 is connected to the outer wall of the fastening sleeve ring 61, a limiting clamping plate 65 is movably arranged on the end surface of the positioning rod 62 extending to the inner side of the fastening sleeve ring 61, the laser measuring instrument 7 can be limited and mounted through the limiting and clamping device 6, so that the laser;
referring to fig. 1 and 2, the outer wall of the front end of the outer sleeve 81 is provided with a mark size 13, the left end face of the outer sleeve 81 is provided with a through groove, the outer wall of the limiting collar 82 is provided with a projection matched with the through groove, the projection extends to the outer side of the outer sleeve 81, and the mark size 13 facilitates observation of the adjusted size of the inner sleeve 83 directly during lifting adjustment;
referring to fig. 2 again, the right outer wall of the outer collar 91 and the right outer wall of the supporting plate 87 are both provided with a clamping groove, the left outer wall of the clamping rod 10 is provided with a clamping block matched with the clamping groove, the clamping block is movably clamped in the clamping groove, so that the clamping rod 10 is movably connected to the supporting plate 87 and the outer collar 91, and meanwhile, the clamping rod 10 and the connecting rod 11 can be replaced according to cams with different sizes;
Referring to fig. 1 again, the positioning blocks arranged on the opposite end faces of the connecting bracket 12 and the connecting rod 11 are all diamond-shaped positioning blocks, and the edges and corners on the left and right sides of the two groups of diamond-shaped positioning blocks are located on the same horizontal plane, so that the two groups of positioning blocks can be conveniently positioned, and the measurement accuracy is ensured;
referring to fig. 4 again, the end face of the positioning rod 62 close to the outer wall of the laser measuring instrument 7 is provided with a sliding block, the outer walls of the front side and the rear side of the laser measuring instrument 7 are provided with sliding grooves matched with the sliding block, the outer walls of the upper side and the lower side of the sliding grooves are provided with limiting clamping grooves matched with the limiting clamping plates 65, the sliding block slides in the sliding grooves, so that the laser measuring instrument 7 is installed in a limiting mode, and the limiting clamping plates 65 are movably clamped in the limiting clamping grooves to facilitate.
A detection method of a disc cam profile detection device based on laser measurement comprises the following steps:
s1: firstly, the cam is installed and fixed through the lifting adjusting mechanism 8, when the cam is installed on the lifting adjusting mechanism 8, the movable rod 86 is pulled out of the inner sleeve 83, the movable rod 86 penetrates through a through hole in the cam, the cam can fall on the top of the supporting plate 87, then the fastening device 9 is sleeved on the outer wall of the movable rod 86, the cam can be pressed on the top of the supporting plate 87 through the fastening device 9, and then the cam is fixed;
S2: when the fastening device 9 is sleeved on the outer wall of the movable rod 86, the inner sleeve ring 92 pushes the sliding plate block 94 to move telescopically in the hollow tube body 93 through the return spring 95, so that the ejector rod 96 can push the inner sleeve ring 92 to be tightly pressed on the outer wall of the movable rod 86, and good stability of the fastening device 9 is ensured when the fastening device is installed on the movable rod 86, after the cam is installed and fixed, the connecting bracket 12 is rotated and rotated on the outer wall of the limiting frame 5, so that the positioning block on the connecting bracket 12 aligns with the measurement reference of the laser measuring instrument 7, then the clamping rod 10 and the connecting rod 11 are installed on the outer walls of the outer sleeve ring 91 and the supporting plate 87, so that the positioning block on the connecting rod 11 aligns with the central point of the cam profile, and then the inner sleeve 83 is adjusted, then the inner sleeve 83 is fixed in the outer sleeve 81;
s3: the laser measuring instrument 7 can also be disassembled and replaced on the limiting frame 5 through the limiting clamping device 6, when the laser measuring instrument 7 is installed in the limiting frame 5, the sliding grooves on the front outer wall and the rear outer wall of the laser measuring instrument 7 are in limiting connection with the positioning rod 62, the positioning rod 62 is tightly pressed on the outer wall of the laser measuring instrument 7 through the spring 64, and after the laser measuring instrument 7 is installed on the limiting frame 5, the limiting clamping plate 65 on the positioning rod 62 can be pushed, so that the limiting clamping plate 65 can be clamped in the limiting clamping grooves on the front outer wall and the rear outer wall of the laser measuring instrument 7, and the laser;
S4: when the cam is measured, the electric push rod 4 and the stepping motor can be operated by connecting the control switch with a power supply, when the electric push rod 4 is operated, the limiting frame 5 provided with the laser measuring instrument 7 can be driven to slide on the supporting plate 3, so that the two groups of positioning blocks are conveniently positioned, when in measurement, the two groups of positioning blocks are moved away, the laser measuring instrument 7 is operated, and simultaneously, the stepping motor can be operated to slowly drive the cam to rotate, and when the cam rotates, the laser measuring instrument 7 measures the outline of the cam at a base point;
s5: when the cam is further measured, the position of the cam can be further adjusted on the measured result data, the position of the laser measuring instrument 7 is unchanged, then the position of the inner sleeve 83 is adjusted upwards in the outer sleeve 81 on the basis, the height of the cam can be accurately adjusted through the mark size 13 at the front end of the outer sleeve 81, the cam is adjusted to a position away from the position and increased by one centimeter, and the profile of the cam is measured through the laser measuring instrument 7 again;
S6: when the cam is further measured, the position of the cam can be further adjusted on the measured result data, the position of the laser measuring instrument 7 is unchanged, then the position of the inner sleeve 83 is adjusted upwards in the outer sleeve 81 on the basis, the height of the cam can be accurately adjusted through the mark size 13 at the front end of the outer sleeve 81, the cam is adjusted to a position away from the position and descended by one centimeter, and the profile of the cam is measured again through the laser measuring instrument 7;
s7: in conclusion, three groups of measured data are compared, if the three groups of measured data are the same, the cam profile is qualified, otherwise, the data are different, and the cam is unqualified.
Although embodiments of the present invention have been shown and described, it will be appreciated by those skilled in the art that changes, modifications, substitutions and alterations can be made in these embodiments without departing from the principles and spirit of the invention, the scope of which is defined in the appended claims and their equivalents.

Claims (9)

1. A disc cam profile detection device based on laser measurement comprises a fixed bottom plate (1), and is characterized in that: the laser measuring device is characterized in that a fixed plate block (2) is arranged at the right end of the top of the fixed base plate (1), the outer wall of the left side of the fixed plate block (2) is connected with a supporting plate (3), the outer wall of the left side of the fixed plate block (2) is connected with an electric push rod (4), the movable end of the electric push rod (4) is connected with a limiting frame (5), the bottom of the limiting frame (5) is movably arranged at the top of the supporting plate (3), the left end of the limiting frame (5) is provided with a limiting clamping device (6), the limiting frame (5) is connected with a laser measuring instrument (7) through the limiting clamping device (6), the inner wall of the top of the fixed base plate (1) is provided with a stepping motor, the output end of the stepping motor is connected with a lifting adjusting mechanism (8) through a speed reducer, the movable end of the lifting adjusting mechanism (8) is close to, the inner wall activity of kelly (10) sets up connecting rod (11), the left side outer wall activity of spacing frame (5) sets up linking bridge (12), connecting rod (11) all set up the locating piece with linking bridge (12) relative terminal surface.
2. A laser measurement based disc cam profile detection apparatus as claimed in claim 1, wherein: lifting adjusting mechanism (8) is including fixed outer tube (81) that sets up at PMKD (1) top, the inner chamber activity of outer tube (81) sets up spacing lantern ring (82), interior wall connection interior sleeve pipe (83) of spacing lantern ring (82), expanding spring (84) are connected to the inner chamber bottom of interior sleeve pipe (83), movable plate (85) are connected at the top of expanding spring (84), movable rod (86) are connected at the top of movable plate (85), the top left and right sides outer wall of interior sleeve pipe (83) sets up layer board (87), and fastener (9) cup joint the outer wall at movable rod (86).
3. A laser measurement based disc cam profile detection apparatus as claimed in claim 2, wherein: fastener (9) including activity cup joint at the interior lantern ring (92) of movable rod (86) outer wall, the outside of interior lantern ring (92) sets up outer lantern ring (91), set up cavity body (93) in the intermediate layer of outer lantern ring (91) and interior lantern ring (92), the inner wall of cavity body (93) sets up sliding plate (94), reset spring (95) is connected to the terminal surface that sliding plate (94) are close to outer lantern ring (91) inner wall, the inner wall at cavity body (93) is connected to the other end of reset spring (95), ejector pin (96) is connected to the other end of sliding plate (94), the inner wall at interior lantern ring (92) is connected to the other end of ejector pin (96).
4. A laser measurement based disc cam profile detection apparatus as claimed in claim 1, wherein: spacing latch device (6) are including the fastening lantern ring (61) of fixed connection at spacing frame (5) left side outer wall, the equal activity in both sides inner wall sets up locating lever (62) around fastening lantern ring (61), push pedal (63) are connected to the terminal surface that fastening lantern ring (61) outer wall was kept away from in locating lever (62), the terminal surface that push pedal (63) are close to fastening lantern ring (61) sets up spring (64), and the other end of spring (64) is connected at the outer wall of fastening lantern ring (61), the terminal surface activity that locating lever (62) extend to fastening lantern ring (61) inboard sets up spacing cardboard (65).
5. A laser measurement based disc cam profile detection apparatus as claimed in claim 2, wherein: the outer wall of the front end of the outer sleeve (81) is provided with a mark size (13), the left end face of the outer sleeve (81) is provided with a through groove, the outer wall of the limiting sleeve ring (82) is provided with a convex block matched with the through groove, and the convex block extends to the outer side of the outer sleeve (81).
6. A laser measurement based disc cam profile detection apparatus as claimed in claim 3, wherein: the outer wall of the right side of the outer sleeve (91) and the outer wall of the right side of the supporting plate (87) are both provided with clamping grooves, and the outer wall of the left side of the clamping rod (10) is provided with clamping blocks matched with the clamping grooves.
7. A laser measurement based disc cam profile detection apparatus as claimed in claim 1, wherein: the positioning blocks arranged on the opposite end faces of the connecting support (12) and the connecting rod (11) are all diamond-shaped positioning blocks, and edges and corners of the left side and the right side of the two groups of diamond-shaped positioning blocks are located on the same horizontal plane.
8. A laser measurement based disc cam profile detection apparatus as claimed in claim 4, wherein: the end face, close to the outer wall of the laser measuring instrument (7), of the positioning rod (62) is provided with a sliding block, the outer walls of the front side and the rear side of the laser measuring instrument (7) are provided with sliding grooves matched with the sliding block, and the outer walls of the upper side and the lower side of each sliding groove are provided with limiting clamping grooves matched with a limiting clamping plate (65).
9. The detection method of the disc cam profile detection device based on the laser measurement according to any one of claims 1 to 8, characterized in that: the method comprises the following steps:
s1: firstly, the cam is installed and fixed through the lifting adjusting mechanism (8), when the cam is installed on the lifting adjusting mechanism (8), the movable rod (86) is pulled out of the inner sleeve (83) at first, so that the movable rod (86) penetrates through a through hole in the cam, the cam can fall on the top of the supporting plate (87), then the fastening device (9) is sleeved on the outer wall of the movable rod (86), so that the fastening device (9) can press the cam on the top of the supporting plate (87), and then the cam is fixed;
S2: when the fastening device (9) is sleeved on the outer wall of the movable rod (86), the inner sleeve ring (92) pushes the sliding plate block (94) to move in the hollow pipe body (93) in a telescopic mode through the reset spring (95), so that the ejector rod (96) can push the inner sleeve ring (92) to be tightly pressed on the outer wall of the movable rod (86), good stability when the fastening device (9) is installed on the movable rod (86) is guaranteed, after the cam is installed and fixed, the connecting support (12) is rotated and rotated on the outer wall of the limiting frame (5) first, a positioning block on the connecting support (12) is aligned to a measurement reference of the laser measuring instrument (7), then the clamping rod (10) and the connecting rod (11) are installed on the outer walls of the outer sleeve ring (91) and the supporting plate (87), so that the positioning block on the connecting rod (11) is aligned to a central, then, the inner sleeve (83) is adjusted in the outer sleeve (81) in a lifting mode, so that the two groups of positioning blocks are located on the same datum line, and then the inner sleeve (83) is fixed in the outer sleeve (81);
s3: the laser measuring instrument (7) can be disassembled and replaced on the limiting frame (5) through the limiting clamping device (6), when the laser measuring instrument (7) is installed in the limiting frame (5), the sliding grooves on the front outer wall and the rear outer wall of the laser measuring instrument (7) are in limiting connection with the positioning rod (62), the positioning rod (62) is tightly pressed on the outer wall of the laser measuring instrument (7) through the spring (64), and after the laser measuring instrument (7) is installed on the limiting frame (5), the limiting clamping plate (65) on the positioning rod (62) can be pushed, so that the limiting clamping plate (65) can be clamped in the limiting clamping grooves on the front outer wall and the rear outer wall of the laser measuring instrument (7), and the laser measuring instrument (7) is fixed;
S4: when the cam is measured, the electric push rod (4) and the stepping motor can be operated by connecting the control switch with a power supply, when the electric push rod (4) operates, the limiting frame (5) provided with the laser measuring instrument (7) can be driven to slide on the supporting plate (3), so that the two groups of positioning blocks can be conveniently positioned, when in measurement, the two groups of positioning blocks are moved away, the laser measuring instrument (7) is operated, and simultaneously the stepping motor can be operated to slowly drive the cam to rotate, and when the cam rotates, the laser measuring instrument (7) performs base point measurement on the profile of the cam, because the profile of the cam is irregular and smooth, the laser measuring instrument (7) obtains different data when measuring the cam, and when the cam rotates for a circle, the numerical value of the profile of the cam can be obtained through the laser measuring instrument (7);
s5: when the cam is further measured, the position of the cam can be further adjusted on the measured result data, the position of the laser measuring instrument (7) is unchanged, then the position of the inner sleeve (83) is adjusted upwards in the outer sleeve (81) on the basis, the height of the cam can be accurately adjusted through the mark size (13) at the front end of the outer sleeve (81), the cam is adjusted to a position away from the position and increased by one centimeter, and the profile of the cam is measured again through the laser measuring instrument (7);
S6: when the cam is further measured, the position of the cam can be further adjusted on the measured result data, the position of the laser measuring instrument (7) is unchanged, then the position of the inner sleeve (83) is adjusted upwards in the outer sleeve (81) on the basis, the height of the cam can be accurately adjusted through the mark size (13) at the front end of the outer sleeve (81), the cam is adjusted to a position which is away from the position and descends by one centimeter, and the profile of the cam is measured again through the laser measuring instrument (7);
s7: in summary, the three sets of measured data are compared, if the three sets of measured data are the same, the cam profile is qualified, otherwise, the data are different, and the cam is unqualified.
CN202010620382.3A 2020-06-30 2020-06-30 Disc cam profile detection device and method based on laser measurement Withdrawn CN111854634A (en)

Priority Applications (1)

Application Number Priority Date Filing Date Title
CN202010620382.3A CN111854634A (en) 2020-06-30 2020-06-30 Disc cam profile detection device and method based on laser measurement

Applications Claiming Priority (1)

Application Number Priority Date Filing Date Title
CN202010620382.3A CN111854634A (en) 2020-06-30 2020-06-30 Disc cam profile detection device and method based on laser measurement

Publications (1)

Publication Number Publication Date
CN111854634A true CN111854634A (en) 2020-10-30

Family

ID=72989680

Family Applications (1)

Application Number Title Priority Date Filing Date
CN202010620382.3A Withdrawn CN111854634A (en) 2020-06-30 2020-06-30 Disc cam profile detection device and method based on laser measurement

Country Status (1)

Country Link
CN (1) CN111854634A (en)

Cited By (3)

* Cited by examiner, † Cited by third party
Publication number Priority date Publication date Assignee Title
CN113310377A (en) * 2021-04-13 2021-08-27 江苏地质矿产设计研究院(中国煤炭地质总局检测中心) Fixing device for detecting timber structure beam frame of historic building
CN118067030A (en) * 2024-02-28 2024-05-24 绍兴格洛博动力总成有限公司 Laser quality inspection device for disc-shaped workpiece
CN120734154A (en) * 2025-08-28 2025-10-03 太原大豪益达电控有限公司 Stamping device for processing electrical equipment accessories

Cited By (3)

* Cited by examiner, † Cited by third party
Publication number Priority date Publication date Assignee Title
CN113310377A (en) * 2021-04-13 2021-08-27 江苏地质矿产设计研究院(中国煤炭地质总局检测中心) Fixing device for detecting timber structure beam frame of historic building
CN118067030A (en) * 2024-02-28 2024-05-24 绍兴格洛博动力总成有限公司 Laser quality inspection device for disc-shaped workpiece
CN120734154A (en) * 2025-08-28 2025-10-03 太原大豪益达电控有限公司 Stamping device for processing electrical equipment accessories

Similar Documents

Publication Publication Date Title
CN111854634A (en) Disc cam profile detection device and method based on laser measurement
CN213337374U (en) High-precision optical precision detector
CN214010218U (en) A high-precision automotive sheet metal verification fixture
CN213239285U (en) A Drilling Device Based on Drilling Method for Rapid Calibration of Residual Stress Testing
CN119413087B (en) A rapid multi-point measurement system and method for acrylic sheet thickness
CN214584825U (en) Quartz crucible microbubble measuring and positioning device
CN206132648U (en) Test table is examined in illumination of work piece quality
CN108772438A (en) Automatic intelligent line slide rail is straightened assembly line
CN220367241U (en) Heat conduction test equipment
CN114111629B (en) A visual inspection device and method for outer wall surface of a cylindrical part
CN214856697U (en) Electronic spine measuring instrument convenient to adjust
CN114593661A (en) Accurate detection device for tilting pad axle gap of steam turbine generator unit of power station and use method thereof
CN211012812U (en) Injection mold surface flatness verifying attachment
CN223192300U (en) A component measuring device for automobile design
CN223332360U (en) Sensor gauge for hole site detection
CN221037288U (en) Three-coordinate dimension inspection equipment for automobile electrical accessories
CN222895703U (en) A tool for three-coordinate measurement of the profile dimensions of a double-journal rectifier blade
CN223435595U (en) Auxiliary tooling for flatness detection of thin-walled parts
CN108020502A (en) Workpiece quality illumination monitor station
CN219301470U (en) Bearing outer ring measuring mechanism
CN222560827U (en) Quick detection device of work piece
CN221404245U (en) Three-coordinate detecting machine with quick positioning function
CN223005494U (en) A casting mold detection device
CN219817644U (en) An engineering rolling groove pressing device with adjustable groove pitch
CN219589641U (en) A detection tool for thin-walled parts

Legal Events

Date Code Title Description
PB01 Publication
PB01 Publication
SE01 Entry into force of request for substantive examination
SE01 Entry into force of request for substantive examination
WW01 Invention patent application withdrawn after publication

Application publication date: 20201030

WW01 Invention patent application withdrawn after publication