CN111811163A - Waste heat utilization device of phenol ammonia recovery system - Google Patents
Waste heat utilization device of phenol ammonia recovery system Download PDFInfo
- Publication number
- CN111811163A CN111811163A CN202010525321.9A CN202010525321A CN111811163A CN 111811163 A CN111811163 A CN 111811163A CN 202010525321 A CN202010525321 A CN 202010525321A CN 111811163 A CN111811163 A CN 111811163A
- Authority
- CN
- China
- Prior art keywords
- heat exchanger
- tower
- ammonia recovery
- phenol
- waste heat
- Prior art date
- Legal status (The legal status is an assumption and is not a legal conclusion. Google has not performed a legal analysis and makes no representation as to the accuracy of the status listed.)
- Granted
Links
- 238000011084 recovery Methods 0.000 title claims abstract description 33
- 239000002918 waste heat Substances 0.000 title claims abstract description 22
- XABJJJZIQNZSIM-UHFFFAOYSA-N azane;phenol Chemical compound [NH4+].[O-]C1=CC=CC=C1 XABJJJZIQNZSIM-UHFFFAOYSA-N 0.000 title claims abstract description 20
- XLYOFNOQVPJJNP-UHFFFAOYSA-N water Substances O XLYOFNOQVPJJNP-UHFFFAOYSA-N 0.000 claims abstract description 39
- QGZKDVFQNNGYKY-UHFFFAOYSA-N Ammonia Chemical compound N QGZKDVFQNNGYKY-UHFFFAOYSA-N 0.000 claims abstract description 30
- ISWSIDIOOBJBQZ-UHFFFAOYSA-N Phenol Chemical compound OC1=CC=CC=C1 ISWSIDIOOBJBQZ-UHFFFAOYSA-N 0.000 claims abstract description 28
- 239000002904 solvent Substances 0.000 claims abstract description 18
- 229910021529 ammonia Inorganic materials 0.000 claims abstract description 15
- 239000002253 acid Substances 0.000 claims abstract description 14
- 238000000605 extraction Methods 0.000 claims abstract description 13
- 238000005057 refrigeration Methods 0.000 claims abstract description 6
- 230000002378 acidificating effect Effects 0.000 claims description 7
- 239000007789 gas Substances 0.000 claims description 6
- 239000000463 material Substances 0.000 claims description 2
- 238000000034 method Methods 0.000 abstract description 5
- 230000008901 benefit Effects 0.000 abstract description 4
- 230000008569 process Effects 0.000 abstract description 4
- 230000009466 transformation Effects 0.000 abstract 1
- 239000003245 coal Substances 0.000 description 3
- 239000000571 coke Substances 0.000 description 3
- 238000009833 condensation Methods 0.000 description 3
- 230000005494 condensation Effects 0.000 description 3
- CURLTUGMZLYLDI-UHFFFAOYSA-N Carbon dioxide Chemical compound O=C=O CURLTUGMZLYLDI-UHFFFAOYSA-N 0.000 description 2
- 230000008878 coupling Effects 0.000 description 2
- 238000010168 coupling process Methods 0.000 description 2
- 238000005859 coupling reaction Methods 0.000 description 2
- 238000005265 energy consumption Methods 0.000 description 2
- 230000004048 modification Effects 0.000 description 2
- 238000012986 modification Methods 0.000 description 2
- 238000000197 pyrolysis Methods 0.000 description 2
- 238000000926 separation method Methods 0.000 description 2
- 239000000126 substance Substances 0.000 description 2
- 238000006467 substitution reaction Methods 0.000 description 2
- RWSOTUBLDIXVET-UHFFFAOYSA-N Dihydrogen sulfide Chemical compound S RWSOTUBLDIXVET-UHFFFAOYSA-N 0.000 description 1
- 230000009286 beneficial effect Effects 0.000 description 1
- 229910002092 carbon dioxide Inorganic materials 0.000 description 1
- 239000001569 carbon dioxide Substances 0.000 description 1
- 230000000694 effects Effects 0.000 description 1
- 238000004134 energy conservation Methods 0.000 description 1
- 239000003344 environmental pollutant Substances 0.000 description 1
- 229910000037 hydrogen sulfide Inorganic materials 0.000 description 1
- 230000006872 improvement Effects 0.000 description 1
- 239000000203 mixture Substances 0.000 description 1
- 231100000719 pollutant Toxicity 0.000 description 1
- 230000009467 reduction Effects 0.000 description 1
- 239000003507 refrigerant Substances 0.000 description 1
Images
Classifications
-
- F—MECHANICAL ENGINEERING; LIGHTING; HEATING; WEAPONS; BLASTING
- F25—REFRIGERATION OR COOLING; COMBINED HEATING AND REFRIGERATION SYSTEMS; HEAT PUMP SYSTEMS; MANUFACTURE OR STORAGE OF ICE; LIQUEFACTION SOLIDIFICATION OF GASES
- F25B—REFRIGERATION MACHINES, PLANTS OR SYSTEMS; COMBINED HEATING AND REFRIGERATION SYSTEMS; HEAT PUMP SYSTEMS
- F25B27/00—Machines, plants or systems, using particular sources of energy
- F25B27/02—Machines, plants or systems, using particular sources of energy using waste heat, e.g. from internal-combustion engines
-
- C—CHEMISTRY; METALLURGY
- C10—PETROLEUM, GAS OR COKE INDUSTRIES; TECHNICAL GASES CONTAINING CARBON MONOXIDE; FUELS; LUBRICANTS; PEAT
- C10B—DESTRUCTIVE DISTILLATION OF CARBONACEOUS MATERIALS FOR PRODUCTION OF GAS, COKE, TAR, OR SIMILAR MATERIALS
- C10B53/00—Destructive distillation, specially adapted for particular solid raw materials or solid raw materials in special form
-
- C—CHEMISTRY; METALLURGY
- C10—PETROLEUM, GAS OR COKE INDUSTRIES; TECHNICAL GASES CONTAINING CARBON MONOXIDE; FUELS; LUBRICANTS; PEAT
- C10B—DESTRUCTIVE DISTILLATION OF CARBONACEOUS MATERIALS FOR PRODUCTION OF GAS, COKE, TAR, OR SIMILAR MATERIALS
- C10B57/00—Other carbonising or coking processes; Features of destructive distillation processes in general
-
- Y—GENERAL TAGGING OF NEW TECHNOLOGICAL DEVELOPMENTS; GENERAL TAGGING OF CROSS-SECTIONAL TECHNOLOGIES SPANNING OVER SEVERAL SECTIONS OF THE IPC; TECHNICAL SUBJECTS COVERED BY FORMER USPC CROSS-REFERENCE ART COLLECTIONS [XRACs] AND DIGESTS
- Y02—TECHNOLOGIES OR APPLICATIONS FOR MITIGATION OR ADAPTATION AGAINST CLIMATE CHANGE
- Y02A—TECHNOLOGIES FOR ADAPTATION TO CLIMATE CHANGE
- Y02A30/00—Adapting or protecting infrastructure or their operation
- Y02A30/27—Relating to heating, ventilation or air conditioning [HVAC] technologies
- Y02A30/274—Relating to heating, ventilation or air conditioning [HVAC] technologies using waste energy, e.g. from internal combustion engine
-
- Y—GENERAL TAGGING OF NEW TECHNOLOGICAL DEVELOPMENTS; GENERAL TAGGING OF CROSS-SECTIONAL TECHNOLOGIES SPANNING OVER SEVERAL SECTIONS OF THE IPC; TECHNICAL SUBJECTS COVERED BY FORMER USPC CROSS-REFERENCE ART COLLECTIONS [XRACs] AND DIGESTS
- Y02—TECHNOLOGIES OR APPLICATIONS FOR MITIGATION OR ADAPTATION AGAINST CLIMATE CHANGE
- Y02P—CLIMATE CHANGE MITIGATION TECHNOLOGIES IN THE PRODUCTION OR PROCESSING OF GOODS
- Y02P20/00—Technologies relating to chemical industry
- Y02P20/10—Process efficiency
- Y02P20/129—Energy recovery, e.g. by cogeneration, H2recovery or pressure recovery turbines
Landscapes
- Chemical & Material Sciences (AREA)
- Engineering & Computer Science (AREA)
- Oil, Petroleum & Natural Gas (AREA)
- Materials Engineering (AREA)
- Organic Chemistry (AREA)
- Combustion & Propulsion (AREA)
- Physics & Mathematics (AREA)
- Mechanical Engineering (AREA)
- Thermal Sciences (AREA)
- General Engineering & Computer Science (AREA)
- Organic Low-Molecular-Weight Compounds And Preparation Thereof (AREA)
Abstract
The waste heat utilization device of the phenol ammonia recovery system comprises the phenol ammonia recovery device and the waste heat utilization device, wherein the phenol ammonia recovery device comprises a transverse pipe cooler, an acid water stripping tower, an ammonia recovery system, a crude phenol extraction tower, a solvent circulation system, a crude phenol product tower and a raffinate treatment tower; the waste heat utilization device comprises a hot water circulation system, a first heat exchanger, a second heat exchanger, a third heat exchanger, a fourth heat exchanger and a refrigeration system, and the waste heat utilization device has the advantages of compact structure, reasonable process and full waste heat utilization, can achieve the purpose of saving energy and improving efficiency, and can realize the transformation on similar devices, reduce the operation cost of the devices and improve the economic benefit.
Description
Technical Field
The invention belongs to the field of energy conservation and consumption reduction, and particularly relates to a waste heat utilization device of a phenol ammonia recovery system.
Background
The coal dry distillation is a common method for quality improvement and comprehensive utilization of low-rank coal, the raw coke oven gas formed by coal dry distillation has complex components and contains pollutants such as ammonia, carbon dioxide, phenol mixture, hydrogen sulfide and the like, and after condensation and separation, the quality of the raw coke oven gas is improved, and the comprehensive utilization has higher economic value. The phenol ammonia recovery device usually uses coupling to reduce energy consumption, but only a single set of device is considered during coupling, so that the heat is not fully utilized, and the redundant heat is taken away by circulating water, thereby wasting heat and cold.
Disclosure of Invention
The invention aims to achieve the aim and provides the waste heat utilization device of the phenol ammonia recovery system, which has the advantages of reasonable process, full waste heat utilization and safe and stable operation.
The purpose of the invention is realized as follows:
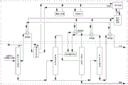
the waste heat utilization device of the phenol ammonia recovery system comprises the phenol ammonia recovery device and the waste heat utilization device, wherein the phenol ammonia recovery device comprises a transverse pipe cooler, an acid water stripping tower, an ammonia recovery system, a crude phenol extraction tower, a solvent circulation system, a crude phenol product tower and a raffinate treatment tower; the waste heat utilization device comprises a hot water circulating system, a first heat exchanger, a second heat exchanger, a third heat exchanger, a fourth heat exchanger and a refrigerating system;
the horizontal pipe cooler is connected with an acid water stripping tower through a pipeline, the bottom of the acid water stripping tower is connected with an extraction tower through a pipeline, the top of the acid water stripping tower is connected with an acid gas discharge pipeline, the side wall of the acid water stripping tower is connected with an ammonia recovery system through a pipeline, the top of the crude phenol extraction tower is connected with a crude phenol product tower through a pipeline, the bottom of the crude phenol extraction tower is connected with a raffinate treatment tower through a pipeline, the tops of the crude phenol product tower and the raffinate treatment tower are both connected with a solvent circulation system through pipelines, and the solvent circulation system is connected with the crude phenol extraction tower through a pipeline;
the first heat exchanger is arranged between the acidic water stripping tower and the ammonia recovery system, the acidic water stripping tower and the ammonia recovery system are connected with the first heat exchanger through pipelines, the second heat exchanger is connected with the top of the crude phenol product tower and the solvent circulation system through pipelines, the third heat exchanger is connected with the top of the raffinate treatment tower and the solvent circulation system through pipelines, and the bottom of the raffinate treatment tower is connected with the fourth heat exchanger through a pipeline;
the hot water circulating system is connected with the first heat exchanger, the second heat exchanger, the third heat exchanger, the fourth heat exchanger and the refrigerating system through pipelines;
the refrigeration system is respectively connected with the ammonia recovery system, the transverse pipe cooler and the external system through pipelines;
further, the material temperatures of the middle part of the acidic water stripping tower, the top of the crude phenol product tower and the bottom of the raffinate treatment tower, which are connected with the first heat exchanger, the second heat exchanger, the third heat exchanger and the fourth heat exchanger, are all higher than 60 ℃;
furthermore, the hot water circulation system, the first heat exchanger, the second heat exchanger, the third heat exchanger, the fourth heat exchanger, the refrigeration system and any one of the external systems can form an independent circulation pipeline.
Compared with the prior art, the invention has the beneficial effects that:
the invention has compact structure, reasonable process and full utilization of waste heat, can achieve the purpose of saving energy and improving efficiency, and can realize the reconstruction on similar devices, reduce the operation cost of the devices and improve the economic benefit.
Drawings
FIG. 1 is a schematic flow chart of the present invention.
Detailed Description
The technical solutions in the embodiments of the present invention will be clearly and completely described below with reference to the drawings in the embodiments of the present invention, and it is obvious that the described embodiments are only a part of the embodiments of the present invention, and not all of the embodiments. All other embodiments, which can be derived by a person skilled in the art from the embodiments given herein without making any creative effort, shall fall within the protection scope of the present invention.
The waste heat utilization device of the phenol ammonia recovery system comprises the phenol ammonia recovery device and the waste heat utilization device, wherein the phenol ammonia recovery device comprises a transverse pipe cooler, an acid water stripping tower, an ammonia recovery system, a crude phenol extraction tower, a solvent circulation system, a crude phenol product tower and a raffinate treatment tower; the waste heat utilization device comprises a hot water circulation system, a first heat exchanger, a second heat exchanger, a third heat exchanger, a fourth heat exchanger and a refrigerating system.
The horizontal pipe cooler is used for condensing phenol, oil, water and other substances in the raw gas, sending the condensed phenol, oil, water and other substances into the acidic water stripping tower after oil-water separation, recovering heat of crude ammonia (140-. The removed solvent is cooled to a proper temperature according to actual needs after the heat of the solvent is recovered by the second heat exchanger, and then enters a solvent circulating system. And the raffinate of the crude phenol extraction tower enters a raffinate treatment tower, the operation temperature of the top of the raffinate treatment tower is about 100 ℃, the heat of the solvent recovered from the top of the raffinate treatment tower is recovered by a third heat exchanger and then is sent to a solvent circulation system, the operation temperature of the bottom of the raffinate treatment tower is about 160 ℃, and the heat of the solvent recovered from the top of the raffinate treatment tower is sent to the subsequent process after being recovered by a fourth heat exchanger.
The first heat exchanger, the second heat exchanger, the third heat exchanger and the fourth heat exchanger use water as a refrigerant to recover heat, the obtained hot water is sent to the refrigerating system for utilization through the hot water circulating system, and then is sent to the first heat exchanger, the second heat exchanger, the third heat exchanger and the fourth heat exchanger through the hot water circulating system to continue to recover heat. The refrigeration system can generate low-temperature water with the temperature of 12-15 ℃, and one part of the low-temperature water is sent to the horizontal pipe cooler to improve the condensation effect, improve the quality of the raw coke oven gas and simultaneously improve the load of phenol ammonia recovery, further improve the available residual heat and improve the economy; part of low-temperature water is used for fractional condensation of ammonia recovery, so that the consumption of public works is reduced; the low temperature water surplus portion may be made available to external systems, such as staff dormitories.
The present invention is not limited to the above embodiments, and based on the technical solutions disclosed in the present invention, those skilled in the art can make some substitutions and modifications to some technical features without creative efforts based on the disclosed technical contents, and these substitutions and modifications are all in the present application.
Claims (3)
1. The waste heat utilization device of the phenol ammonia recovery system is characterized by comprising a phenol ammonia recovery device and a waste heat utilization device, wherein the phenol ammonia recovery device comprises a horizontal pipe cooler, an acid water stripping tower, an ammonia recovery system, a crude phenol extraction tower, a solvent circulation system, a crude phenol product tower and a raffinate treatment tower; the waste heat utilization device comprises a hot water circulating system, a first heat exchanger, a second heat exchanger, a third heat exchanger, a fourth heat exchanger and a refrigerating system;
the horizontal pipe cooler is connected with an acid water stripping tower through a pipeline, the bottom of the acid water stripping tower is connected with a crude phenol extraction tower through a pipeline, the top of the acid water stripping tower is connected with an acid gas discharge pipeline, the side wall of the acid water stripping tower is connected with an ammonia recovery system through a pipeline, the top of the crude phenol extraction tower is connected with a crude phenol product tower through a pipeline, the bottom of the crude phenol extraction tower is connected with a raffinate treatment tower through a pipeline, the tops of the crude phenol product tower and the raffinate treatment tower are both connected with a solvent circulation system through pipelines, and the solvent circulation system is connected with the crude phenol extraction tower through a pipeline;
the first heat exchanger is arranged between the acidic water stripping tower and the ammonia recovery system, the acidic water stripping tower and the ammonia recovery system are connected with the first heat exchanger through pipelines, the second heat exchanger is connected with the top of the crude phenol product tower and the solvent circulation system through pipelines, the third heat exchanger is connected with the top of the raffinate treatment tower and the solvent circulation system through pipelines, and the bottom of the raffinate treatment tower is connected with the fourth heat exchanger through a pipeline;
the hot water circulating system is connected with the first heat exchanger, the second heat exchanger, the third heat exchanger, the fourth heat exchanger and the refrigerating system through pipelines;
the refrigeration system is respectively connected with the ammonia recovery system, the transverse pipe cooler and the external system through pipelines.
2. The waste heat utilization device of the phenol ammonia recovery system according to claim 1, characterized in that: the temperature of the materials in the middle of the acidic water stripping tower, at the top of the crude phenol product tower and at the bottom of the raffinate treatment tower, which are connected with the first heat exchanger, the second heat exchanger, the third heat exchanger and the fourth heat exchanger, is higher than 60 ℃.
3. The waste heat utilization device of the phenol ammonia recovery system according to claim 1, characterized in that: the hot water circulation system and any one of the first heat exchanger, the second heat exchanger, the third heat exchanger, the fourth heat exchanger, the refrigeration system and the external system can form an independent circulation pipeline.
Priority Applications (1)
| Application Number | Priority Date | Filing Date | Title |
|---|---|---|---|
| CN202010525321.9A CN111811163B (en) | 2020-06-10 | 2020-06-10 | A waste heat utilization device for phenol-ammonia recovery system |
Applications Claiming Priority (1)
| Application Number | Priority Date | Filing Date | Title |
|---|---|---|---|
| CN202010525321.9A CN111811163B (en) | 2020-06-10 | 2020-06-10 | A waste heat utilization device for phenol-ammonia recovery system |
Publications (2)
| Publication Number | Publication Date |
|---|---|
| CN111811163A true CN111811163A (en) | 2020-10-23 |
| CN111811163B CN111811163B (en) | 2024-06-07 |
Family
ID=72845856
Family Applications (1)
| Application Number | Title | Priority Date | Filing Date |
|---|---|---|---|
| CN202010525321.9A Active CN111811163B (en) | 2020-06-10 | 2020-06-10 | A waste heat utilization device for phenol-ammonia recovery system |
Country Status (1)
| Country | Link |
|---|---|
| CN (1) | CN111811163B (en) |
Citations (4)
| Publication number | Priority date | Publication date | Assignee | Title |
|---|---|---|---|---|
| CN102351358A (en) * | 2011-06-30 | 2012-02-15 | 神华集团有限责任公司 | Method and system for treating phenol-containing acidic water by direct liquefaction with coal |
| CN103570172A (en) * | 2013-10-24 | 2014-02-12 | 天华化工机械及自动化研究设计院有限公司 | Phenol-ammonia coal gasification sewage treatment method |
| CN106698785A (en) * | 2016-12-19 | 2017-05-24 | 青岛科技大学 | Coal gasification wastewater phenol and ammonia recovery process |
| CN212299543U (en) * | 2020-06-10 | 2021-01-05 | 查都(上海)科技有限公司 | Waste heat utilization device of phenol ammonia recovery system |
-
2020
- 2020-06-10 CN CN202010525321.9A patent/CN111811163B/en active Active
Patent Citations (4)
| Publication number | Priority date | Publication date | Assignee | Title |
|---|---|---|---|---|
| CN102351358A (en) * | 2011-06-30 | 2012-02-15 | 神华集团有限责任公司 | Method and system for treating phenol-containing acidic water by direct liquefaction with coal |
| CN103570172A (en) * | 2013-10-24 | 2014-02-12 | 天华化工机械及自动化研究设计院有限公司 | Phenol-ammonia coal gasification sewage treatment method |
| CN106698785A (en) * | 2016-12-19 | 2017-05-24 | 青岛科技大学 | Coal gasification wastewater phenol and ammonia recovery process |
| CN212299543U (en) * | 2020-06-10 | 2021-01-05 | 查都(上海)科技有限公司 | Waste heat utilization device of phenol ammonia recovery system |
Also Published As
| Publication number | Publication date |
|---|---|
| CN111811163B (en) | 2024-06-07 |
Similar Documents
| Publication | Publication Date | Title |
|---|---|---|
| CN102070128B (en) | A high-efficiency waste heat recovery process for producing sulfuric acid from pyrite | |
| CN109749780B (en) | Device and method for recovering carbon dioxide in refinery dry gas by oil absorption and compression condensation method | |
| CN103254931B (en) | Absorbing-stabilizing system and realize the method for desorption tower reduced pressure operation | |
| CN103194274B (en) | A coke oven gas waste heat recovery method and device | |
| CN104031692B (en) | The device and method of a kind of coking raw gas high temperature direct chilling reparation technology heat medium water | |
| CN214693386U (en) | Device for graded utilization of coal chemical industry gasified black water heat | |
| CN116751613A (en) | An energy-saving negative pressure benzene removal process and system | |
| CN108211671B (en) | Energy-saving carbon dioxide regeneration and compression system and method | |
| CN106244248B (en) | Coke oven gas cooling-waste heat recovery device and process | |
| CN105154144B (en) | A kind of negative pressure benzene removal device and de- benzene method | |
| CN106542965B (en) | Method for separating methanol by flash distillation in low-carbon mixed alcohol tower | |
| CN102269509B (en) | CO2 compression and liquefaction system combined with waste heat driven refrigeration | |
| CN212299543U (en) | Waste heat utilization device of phenol ammonia recovery system | |
| CN104403700A (en) | Device and method for coke oven gas cooling and residual heat recycling | |
| CN103509571B (en) | A kind of fine coal carbonization and delayed coking combination sub-prime utilize technology | |
| CN107084401B (en) | A system and method for pretreatment and upgrading of high-sodium and high-calcium coal in oxygen/carbon dioxide combustion | |
| CN111811163A (en) | Waste heat utilization device of phenol ammonia recovery system | |
| CN219709430U (en) | Energy-saving negative pressure benzene removal system | |
| CN103666585A (en) | Coupling method and system of low-temperature methanol washing process and CO2 compression process | |
| CN104056462A (en) | Heat pump distillation energy-saving device | |
| CN204251571U (en) | Coke-oven gas cooling and waste heat recovery device | |
| CN110108091B (en) | Cryogenic liquefaction system with improved hydrogen separation membrane insertion for STAR propane dehydrogenation | |
| CN218106766U (en) | Energy recovery system for gasification black water four-stage flash evaporation | |
| CN105482861A (en) | Method for preparing LNG by utilizing low-pressure tower refluxing liquid as high-pressure tower washing liquid | |
| CN105936562A (en) | Energy-saving method and device for treating coal chemical industry phenol ammonia wastewater by thermal coupling |
Legal Events
| Date | Code | Title | Description |
|---|---|---|---|
| PB01 | Publication | ||
| PB01 | Publication | ||
| SE01 | Entry into force of request for substantive examination | ||
| SE01 | Entry into force of request for substantive examination | ||
| CB02 | Change of applicant information | ||
| CB02 | Change of applicant information |
Address after: 570000 No. a5002-323, A1 area, Fuxing City, 32 Binhai Avenue, Longhua District, Haikou City, Hainan Province Applicant after: Chadu (Hainan) Technology Co.,Ltd. Address before: Part 541, 5A / F, building B, 155 Fute West 1st Road, China (Shanghai) pilot Free Trade Zone, Pudong New Area, Shanghai Applicant before: CHADU (SHANGHAI) TECHNOLOGY Co.,Ltd. |
|
| GR01 | Patent grant | ||
| GR01 | Patent grant |