CN111805430A - 一种针对化学实验台被腐蚀后的修补装置 - Google Patents
一种针对化学实验台被腐蚀后的修补装置 Download PDFInfo
- Publication number
- CN111805430A CN111805430A CN202010692529.XA CN202010692529A CN111805430A CN 111805430 A CN111805430 A CN 111805430A CN 202010692529 A CN202010692529 A CN 202010692529A CN 111805430 A CN111805430 A CN 111805430A
- Authority
- CN
- China
- Prior art keywords
- belt
- belt pulley
- chamber
- cavity
- wall
- Prior art date
- Legal status (The legal status is an assumption and is not a legal conclusion. Google has not performed a legal analysis and makes no representation as to the accuracy of the status listed.)
- Withdrawn
Links
- 239000000126 substance Substances 0.000 title claims abstract description 16
- 238000002474 experimental method Methods 0.000 title claims abstract description 11
- 239000007788 liquid Substances 0.000 claims abstract description 37
- 238000005498 polishing Methods 0.000 claims abstract description 8
- 238000002347 injection Methods 0.000 claims description 25
- 239000007924 injection Substances 0.000 claims description 25
- 239000000428 dust Substances 0.000 claims description 20
- 230000008878 coupling Effects 0.000 claims description 10
- 238000010168 coupling process Methods 0.000 claims description 10
- 238000005859 coupling reaction Methods 0.000 claims description 10
- 238000010438 heat treatment Methods 0.000 claims description 10
- 238000001514 detection method Methods 0.000 claims description 7
- 230000005540 biological transmission Effects 0.000 claims description 6
- 238000001179 sorption measurement Methods 0.000 claims description 4
- 230000002146 bilateral effect Effects 0.000 claims description 3
- 238000007789 sealing Methods 0.000 claims description 3
- 230000001174 ascending effect Effects 0.000 claims description 2
- 238000000605 extraction Methods 0.000 claims description 2
- 238000004140 cleaning Methods 0.000 claims 1
- 239000011550 stock solution Substances 0.000 description 5
- 238000009825 accumulation Methods 0.000 description 2
- 230000009286 beneficial effect Effects 0.000 description 2
- 238000010586 diagram Methods 0.000 description 1
- 230000000694 effects Effects 0.000 description 1
- 230000007774 longterm Effects 0.000 description 1
- 230000001915 proofreading effect Effects 0.000 description 1
Images
Classifications
-
- B—PERFORMING OPERATIONS; TRANSPORTING
- B24—GRINDING; POLISHING
- B24B—MACHINES, DEVICES, OR PROCESSES FOR GRINDING OR POLISHING; DRESSING OR CONDITIONING OF ABRADING SURFACES; FEEDING OF GRINDING, POLISHING, OR LAPPING AGENTS
- B24B19/00—Single-purpose machines or devices for particular grinding operations not covered by any other main group
-
- B—PERFORMING OPERATIONS; TRANSPORTING
- B05—SPRAYING OR ATOMISING IN GENERAL; APPLYING FLUENT MATERIALS TO SURFACES, IN GENERAL
- B05C—APPARATUS FOR APPLYING FLUENT MATERIALS TO SURFACES, IN GENERAL
- B05C1/00—Apparatus in which liquid or other fluent material is applied to the surface of the work by contact with a member carrying the liquid or other fluent material, e.g. a porous member loaded with a liquid to be applied as a coating
- B05C1/003—Apparatus in which liquid or other fluent material is applied to the surface of the work by contact with a member carrying the liquid or other fluent material, e.g. a porous member loaded with a liquid to be applied as a coating incorporating means for heating or cooling the liquid or other fluent material
-
- B—PERFORMING OPERATIONS; TRANSPORTING
- B05—SPRAYING OR ATOMISING IN GENERAL; APPLYING FLUENT MATERIALS TO SURFACES, IN GENERAL
- B05C—APPARATUS FOR APPLYING FLUENT MATERIALS TO SURFACES, IN GENERAL
- B05C1/00—Apparatus in which liquid or other fluent material is applied to the surface of the work by contact with a member carrying the liquid or other fluent material, e.g. a porous member loaded with a liquid to be applied as a coating
- B05C1/04—Apparatus in which liquid or other fluent material is applied to the surface of the work by contact with a member carrying the liquid or other fluent material, e.g. a porous member loaded with a liquid to be applied as a coating for applying liquid or other fluent material to work of indefinite length
- B05C1/06—Apparatus in which liquid or other fluent material is applied to the surface of the work by contact with a member carrying the liquid or other fluent material, e.g. a porous member loaded with a liquid to be applied as a coating for applying liquid or other fluent material to work of indefinite length by rubbing contact, e.g. by brushes, by pads
-
- B—PERFORMING OPERATIONS; TRANSPORTING
- B24—GRINDING; POLISHING
- B24B—MACHINES, DEVICES, OR PROCESSES FOR GRINDING OR POLISHING; DRESSING OR CONDITIONING OF ABRADING SURFACES; FEEDING OF GRINDING, POLISHING, OR LAPPING AGENTS
- B24B47/00—Drives or gearings; Equipment therefor
- B24B47/10—Drives or gearings; Equipment therefor for rotating or reciprocating working-spindles carrying grinding wheels or workpieces
- B24B47/16—Drives or gearings; Equipment therefor for rotating or reciprocating working-spindles carrying grinding wheels or workpieces performing a reciprocating movement, e.g. during which the sense of rotation of the working-spindle is reversed
-
- B—PERFORMING OPERATIONS; TRANSPORTING
- B24—GRINDING; POLISHING
- B24B—MACHINES, DEVICES, OR PROCESSES FOR GRINDING OR POLISHING; DRESSING OR CONDITIONING OF ABRADING SURFACES; FEEDING OF GRINDING, POLISHING, OR LAPPING AGENTS
- B24B55/00—Safety devices for grinding or polishing machines; Accessories fitted to grinding or polishing machines for keeping tools or parts of the machine in good working condition
- B24B55/06—Dust extraction equipment on grinding or polishing machines
Landscapes
- Engineering & Computer Science (AREA)
- Mechanical Engineering (AREA)
- Finish Polishing, Edge Sharpening, And Grinding By Specific Grinding Devices (AREA)
Abstract
本发明公开的一种针对化学实验台被腐蚀后的修补装置,包括修补机,所述修补机内设有打磨腔,所述修补机上端面固定设有固定杆,所述固定杆上端面固定设有手柄,所述修补机左端面固定设有前后对称的两个连接板,前后两个所述连接板之间转动连接有转轴,所述转轴后侧固定设有第一电机,所述转轴外圆面固定设有动力连接于所述第一电机的棘轮,所述棘轮外圆面固定设有滚筒,本发明通过手推修补机的方式,先通过手推修补机进行检测,检测到坑洼后,再通过电机将修补机带回,并均匀涂抹修补液,待修补液凝固后进行打磨,同时本装置可将打磨后的碎屑及时排出,避免碎屑堆积而影响使用。
Description
技术领域
本发明涉及实验台修补技术领域,具体为一种针对化学实验台被腐蚀后的修补装置。
背景技术
在我们日常生活中,会进行大量实验,而实验台是进行试验的主要装置,实验台在长期使用后,桌面会不可避免的出现一些坑洼,大量的坑洼会使实验桌面不够平整,而产生实验失败等现象,进而实验效果,影响实验数据。现有的实验台无法自主修补,大多需要人工检测再修补,而人工检测再修补无法保证修补完的平整性,需要反复校对。本发明阐明的一种能解决上述问题的装置。
发明内容
技术问题:实验台无法进行自动修补,一些人工检测再修补的方式需要反复校对才能保证修补后桌面平整。
为解决上述问题,本例设计了一种针对化学实验台被腐蚀后的修补装置,本例的一种针对化学实验台被腐蚀后的修补装置,包括修补机,所述修补机内设有打磨腔,所述修补机上端面固定设有固定杆,所述固定杆上端面固定设有手柄,所述修补机左端面固定设有前后对称的两个连接板,前后两个所述连接板之间转动连接有转轴,所述转轴后侧固定设有第一电机,所述转轴外圆面固定设有动力连接于所述第一电机的棘轮,所述棘轮外圆面固定设有滚筒,所述滚筒外圆面套设有检测套筒,所述修补机左壁上侧设有开口向左的第二皮带轮腔,所述转轴与所述第二皮带轮腔左壁之间设有皮带传动装置,所述打磨腔左壁内设有位于所述第二皮带轮腔下侧且开口向下的注射腔,所述注射腔内设有注射装置,所述注射装置动力来源于所述皮带传动装置,所述打磨腔左右壁分别固定设有左右对称的两个连接块,左右两个所述连接块之间设有能前后滑动的滑块,所述滑块上端面固定设有凸轮壳,所述凸轮壳内连通设有开口向右的凸轮腔,所述凸轮腔内设有转动连接于所述打磨腔右壁的第一凸轮,所述打磨腔右壁内固定设有第二电机,所述第二电机动力连接所述第一凸轮,所述滑块下端面左右两侧固定设有左右对称的两个加热板,左右两个所述加热板下端面固定设有校正块,左右两个所述加热板之间设有固定连接于所述滑块下端面的连接块,所述连接块下端面固定设有磨块,左侧所述校正块左端面固定设有第一推杆,所述第一推杆左端面固定设有第一推板,所述打磨腔左壁下侧固定设有上下对称的两个支撑板,上下两个所述之间转动连接有刷子转轴,上下两个所述支撑板之间设有转动轴心固定于所述刷子转轴的翻板,所述翻板远离所述刷子转轴一侧下端面固定设有刷子,上侧所述支撑板下端面与所述翻板上端面之间固定设有环绕于所述刷子转轴的扭转弹簧,所述打磨腔右壁内设有位于右侧的所述校正块右侧的吸尘装置,所述打磨腔前后壁内分别分别左右对称且连通设有第二皮带腔,四个所述第二皮带腔内与所述第二皮带腔下侧共同设有同步装置。
可优选地,所述皮带传动装置包括固定设于所述转轴外圆面且位于所述滚筒与后侧所述连接板之间的第一皮带轮,所述第二皮带轮腔前后壁之间转动连接有第二皮带轮,所述第二皮带轮与所述第一皮带轮之间绕设有第一皮带,所述第二皮带轮后侧轴心固定设有第三皮带轮,所述注射腔前后壁之间转动连接有第四皮带轮,所述第三皮带轮与所述第四皮带轮之间绕设有第二皮带。
可优选地,所述注射装置包括轴心固定设有所述第四皮带轮后侧的联轴器,所述联轴器后侧轴心固定设有垂直于所述注射腔前后壁之间且等距阵列的前中后三个第二凸轮,所述注射腔左右壁分别固定设有位于所述第四皮带轮下侧的左右两个储液腔,所述储液腔下侧连通设有开口向下的出液口,所述储液腔内固定设有固定板,所述储液腔与所述固定板之间设有修补液,所述固定板上侧设有能在所述储液腔内上下滑动的第二推板,所述第二推板下端面固定设有第二推杆,所述第二推杆下端面贯穿所述固定板与所述出液口,所述固定板上端面与所述第二推板下端面之间固定设有环绕于所述第二推杆的推料弹簧,所述第二推杆下端面固定设有封闭板,所述封闭板能有效地将出液口密封并隔热。
可优选地,所述第四皮带轮正视情况逆时针转动时,能通过所述联轴器带动所述第二凸轮,所述第四皮带轮正视情况顺时针转动时,无法通过所述联轴器带动所述第二凸轮。
可优选地,所述吸尘装置包括固定设有所述打磨腔右壁内的第三电机,所述打磨腔右壁内连通设有开口向左的风扇腔,所述第三电机动力连接有位于所述风扇腔内的转子,所述转子外圆面固定设有风扇叶片,所述风扇腔右侧连通设有上下对称的上下两个出尘口,所述出尘口右侧贯穿所述打磨腔右壁,所述修补机右端面固定设有位于所述第三电机右侧的,所述右端面固定设有过滤网,所述过滤网内设有开口向左且连通所述出尘口的储尘腔,所述过滤网能将抽出的碎屑收集在所述储尘腔内并将抽出的空气排出。
可优选地,所述同步装置包括转动连接所述第二皮带腔54内上下壁之间的第五皮带轮79,左侧前后两个所述第五皮带轮之间以及右侧前后两个所述第五皮带轮之间分别绕设有第三皮带,右后侧所述第二皮带腔上壁内固定设有第四电机,所述第四电机动力连接右后所述第二皮带腔内的所述第五皮带轮,后侧左右两个所述第二皮带腔下侧共同设有第四皮带腔,后侧左右两个所述下侧轴心分别固定设有位于所述第四皮带腔内的第六皮带轮,左右两侧所述第六皮带轮之间绕设有第四皮带。
可优选地,所述吸附装置包括设于所述第四皮带腔下侧的左右两个吸盘腔,左右两个所述吸盘腔内设有能上下滑动的推块,左右两个所述推块下端面固定设有吸盘连杆,所述吸盘连杆下端面固定设有吸盘,所述吸盘上侧设有开口向上的出气孔,所述出气孔上侧连通设有位于所述推块内的螺纹腔,所述螺纹腔连通设有位于所述吸盘腔后壁内且开口向后的出气口,左右两个所述第六皮带轮下侧轴心固定设有推块连杆,所述推块连杆贯穿所述第四皮带腔下壁与所述螺纹腔上壁且轴心固定设有抽风风扇,所述推块连杆与所述螺纹腔上壁通过螺纹连接。
可优选地,所述抽风风扇62能将所述吸盘64内侧的空气抽出并通过所述出气口排出。
本发明的有益效果是:本发明通过手推修补机的方式,先通过手推修补机进行检测,检测到坑洼后,再通过电机将修补机带回,并均匀涂抹修补液,待修补液凝固后进行打磨,同时本装置可将打磨后的碎屑及时排出,避免碎屑堆积而影响使用。
附图说明
为了易于说明,本发明由下述的具体实施例及附图作以详细描述。
图1为本发明的一种针对化学实验台被腐蚀后的修补装置的整体结构示意图;
图2为图1的“A-A”方向的结构示意图;
图3为图2的“B-B”方向的结构示意图;
图4为图1的“C-C”方向的结构示意图;
图5为图1的“D-D”方向的结构示意图;
图6为图1的“E-E”方向的结构示意图;
图7为图1的“F”的结构放大示意图;
图8为图1的“G”的结构放大示意图;
图9为图1的“H”的结构放大示意图。
具体实施方式
下面结合图1-图9对本发明进行详细说明,为叙述方便,现对下文所说的方位规定如下:下文所说的上下左右前后方向与图1本身投影关系的上下左右前后方向一致。
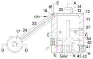
本发明所述的一种针对化学实验台被腐蚀后的修补装置,包括修补机11,所述修补机11内设有打磨腔12,所述修补机11上端面固定设有固定杆13,所述固定杆13上端面固定设有手柄14,所述修补机11左端面固定设有前后对称的两个连接板24,前后两个所述连接板24之间转动连接有转轴17,所述转轴17后侧固定设有第一电机19,所述转轴17外圆面固定设有动力连接于所述第一电机19的棘轮18,所述棘轮18外圆面固定设有滚筒20,所述滚筒20外圆面套设有检测套筒22,所述修补机11左壁上侧设有开口向左的第二皮带轮腔15,所述转轴17与所述第二皮带轮腔15左壁之间设有皮带传动装置101,所述打磨腔12左壁内设有位于所述第二皮带轮腔15下侧且开口向下的注射腔26,所述注射腔26内设有注射装置102,所述注射装置102动力来源于所述皮带传动装置101,所述打磨腔12左右壁分别固定设有左右对称的两个连接块40,左右两个所述连接块40之间设有能前后滑动的滑块41,所述滑块41上端面固定设有凸轮壳39,所述凸轮壳39内连通设有开口向右的凸轮腔75,所述凸轮腔75内设有转动连接于所述打磨腔12右壁的第一凸轮38,所述打磨腔12右壁内固定设有第二电机37,所述第二电机37动力连接所述第一凸轮38,所述滑块41下端面左右两侧固定设有左右对称的两个加热板42,左右两个所述加热板42下端面固定设有校正块44,左右两个所述加热板42之间设有固定连接于所述滑块41下端面的连接块76,所述连接块76下端面固定设有磨块43,左侧所述校正块44左端面固定设有第一推杆45,所述第一推杆45左端面固定设有第一推板46,所述打磨腔12左壁下侧固定设有上下对称的两个支撑板47,上下两个所述之间转动连接有刷子转轴48,上下两个所述支撑板47之间设有转动轴心固定于所述刷子转轴48的翻板50,所述翻板50远离所述刷子转轴48一侧下端面固定设有刷子51,上侧所述支撑板47下端面与所述翻板50上端面之间固定设有环绕于所述刷子转轴48的扭转弹簧49,所述打磨腔12右壁内设有位于右侧的所述校正块44右侧的吸尘装置103,所述打磨腔12前后壁内分别分别左右对称且连通设有第二皮带腔54,四个所述第二皮带腔54内与所述第二皮带腔54下侧共同设有同步装置104,所述同步装置104下侧设有吸附装置105,所述吸附装置105动力来源于所述同步装置104。
有益地,所述皮带传动装置101包括固定设于所述转轴17外圆面且位于所述滚筒20与后侧所述连接板24之间的第一皮带轮21,所述第二皮带轮腔15前后壁之间转动连接有第二皮带轮16,所述第二皮带轮16与所述第一皮带轮21之间绕设有第一皮带23,所述第二皮带轮16后侧轴心固定设有第三皮带轮52,所述注射腔26前后壁之间转动连接有第四皮带轮27,所述第三皮带轮52与所述第四皮带轮27之间绕设有第二皮带25。
有益地,所述注射装置102包括轴心固定设有所述第四皮带轮27后侧的联轴器53,所述联轴器53后侧轴心固定设有垂直于所述注射腔26前后壁之间且等距阵列的前中后三个第二凸轮28,所述注射腔26左右壁分别固定设有位于所述第四皮带轮27下侧的左右两个储液腔29,所述储液腔29下侧连通设有开口向下的出液口35,所述储液腔29内固定设有固定板31,所述储液腔29与所述固定板31之间设有修补液36,所述固定板31上侧设有能在所述储液腔29内上下滑动的第二推板30,所述第二推板30下端面固定设有第二推杆32,所述第二推杆32下端面贯穿所述固定板31与所述出液口35,所述固定板31上端面与所述第二推板30下端面之间固定设有环绕于所述第二推杆32的推料弹簧33,所述第二推杆32下端面固定设有封闭板34,所述封闭板34能有效地将出液口35密封并隔热。
有益地,所述第四皮带轮27正视情况逆时针转动时,能通过所述联轴器53带动所述第二凸轮28,所述第四皮带轮27正视情况顺时针转动时,无法通过所述联轴器53带动所述第二凸轮28。
有益地,所述吸尘装置103包括固定设有所述打磨腔12右壁内的第三电机68,所述打磨腔12右壁内连通设有开口向左的风扇腔67,所述第三电机68动力连接有位于所述风扇腔67内的转子69,所述转子69外圆面固定设有风扇叶片70,所述风扇腔67右侧连通设有上下对称的上下两个出尘口71,所述出尘口71右侧贯穿所述打磨腔12右壁,所述修补机11右端面固定设有位于所述第三电机68右侧的72,所述72右端面固定设有过滤网74,所述过滤网74内设有开口向左且连通所述出尘口71的储尘腔73,所述过滤网74能将抽出的碎屑收集在所述储尘腔73内并将抽出的空气排出。
有益地,所述同步装置104包括转动连接所述第二皮带腔54内上下壁之间的第五皮带轮79,左侧前后两个所述第五皮带轮79之间以及右侧前后两个所述第五皮带轮79之间分别绕设有第三皮带77,右后侧所述第二皮带腔54上壁内固定设有第四电机56,所述第四电机56动力连接右后所述第二皮带腔54内的所述第五皮带轮79,后侧左右两个所述第二皮带腔54下侧共同设有第四皮带腔55,后侧左右两个所述79下侧轴心分别固定设有位于所述第四皮带腔55内的第六皮带轮57,左右两侧所述第六皮带轮57之间绕设有第四皮带78。
有益地,所述吸附装置105包括设于所述第四皮带腔55下侧的左右两个吸盘腔58,左右两个所述吸盘腔58内设有能上下滑动的推块59,左右两个所述推块59下端面固定设有吸盘连杆63,所述吸盘连杆63下端面固定设有吸盘64,所述吸盘64上侧设有开口向上的出气孔66,所述出气孔66上侧连通设有位于所述推块59内的螺纹腔61,所述螺纹腔61连通设有位于所述吸盘腔58后壁内且开口向后的出气口65,左右两个所述第六皮带轮57下侧轴心固定设有推块连杆60,所述推块连杆60贯穿所述第四皮带腔55下壁与所述螺纹腔61上壁且轴心固定设有抽风风扇62,所述推块连杆60与所述螺纹腔61上壁通过螺纹连接。
有益地,所述抽风风扇62能将所述吸盘64内侧的空气抽出并通过所述出气口65排出。
以下结合图1至图9对本文中的一种针对化学实验台被腐蚀后的修补装置的使用步骤进行详细说明:初始状态时,第二凸轮28与第一凸轮38突出一端朝上,推料弹簧33将第二推板30推至上极限位置,修补液36填满固定板31下侧的注射腔26,扭转弹簧49通过翻板50使刷子51与第一推板46后端面相抵,推块59处于上极限位置,储尘腔73内无碎屑。
工作时,手握手柄14通过固定杆13推动修补机11向右水平移动,修补机11通过连接板24带动转轴17向水平移动,转轴17与棘轮18相对转动,摩擦力使滚筒20正视情况顺时针转动,检测套筒22开始识别桌面上被腐蚀的细微坑洼,当识别到坑洼时,第一电机19与第四电机56启动,第一电机19带动棘轮18正视情况逆时针转动,棘轮18带动转轴17逆时针转动,转轴17带动修补机11水平向左移动,此时第一皮带轮21通过第一皮带23带动第二皮带轮16逆时针转动,第二皮带轮16通过第二皮带25带动第二凸轮28转动,第二凸轮28突出一端下抵第二推板30,第二推板30带动第二推杆32向下移动进而使封闭板34向下移动,封闭板34上端面与储液腔29下端面分离,修补液36向下流出,此时,第一推板46将流下的修补液36均匀的涂抹在途经的坑洼内,当磨块43水平移动至坑洼上方时,第一电机19停止,同时第四电机56带动四个推块连杆60转动,进而使推块连杆60下降,当吸盘64下端与桌面相抵时,抽风风扇62将吸盘64内的空气抽出,使修补机11吸附在桌面上,停止第四电机56使抽风风扇62内保持真空,此时加热板42散发出的热量使修补液36凝固,启动第二电机37,第二电机37使第一凸轮38转动进而使凸轮壳39前后移动,凸轮壳39带动磨块43前后移动,进而对凝固修补液36进行打磨,打磨完成后,停止第二电机37使凸轮壳39回到初始位置,并启动第三电机68,第三电机68通过转子69带动风扇叶片70转动,将打磨下的碎屑吸出,并收集在储尘腔73内,反转第四电机56,吸盘64内无吸力,修补机11不再吸附在桌面上,推块59回到上极限位置,手握手柄14继续使之水平向右移动。
本发明的有益效果是:本发明通过手推修补机的方式,先通过手推修补机进行检测,检测到坑洼后,再通过电机将修补机带回,并均匀涂抹修补液,待修补液凝固后进行打磨,同时本装置可将打磨后的碎屑及时排出,避免碎屑堆积而影响使用。
通过以上方式,本领域的技术人员可以在本发明的范围内根据工作模式做出各种改变。
Claims (8)
1.一种针对化学实验台被腐蚀后的修补装置,包括修补机,所述修补机内设有打磨腔,所述修补机上端面固定设有固定杆,所述固定杆上端面固定设有手柄,所述修补机左端面固定设有前后对称的两个连接板,前后两个所述连接板之间转动连接有转轴,所述转轴后侧固定设有第一电机,所述转轴外圆面固定设有动力连接于所述第一电机的棘轮,所述棘轮外圆面固定设有滚筒,所述滚筒外圆面套设有检测套筒,所述修补机左壁上侧设有开口向左的第二皮带轮腔,所述转轴与所述第二皮带轮腔左壁之间设有皮带传动装置,所述打磨腔左壁内设有位于所述第二皮带轮腔下侧且开口向下的注射腔,所述注射腔内设有注射装置,所述注射装置动力来源于所述皮带传动装置,所述打磨腔左右壁分别固定设有左右对称的两个连接块,左右两个所述连接块之间设有能前后滑动的滑块,所述滑块上端面固定设有凸轮壳,所述凸轮壳内连通设有开口向右的凸轮腔,所述凸轮腔内设有转动连接于所述打磨腔右壁的第一凸轮,所述打磨腔右壁内固定设有第二电机,所述第二电机动力连接所述第一凸轮,所述滑块下端面左右两侧固定设有左右对称的两个加热板,左右两个所述加热板下端面固定设有校正块,左右两个所述加热板之间设有固定连接于所述滑块下端面的连接块,所述连接块下端面固定设有磨块,左侧所述校正块左端面固定设有第一推杆,所述第一推杆左端面固定设有第一推板,所述打磨腔左壁下侧固定设有上下对称的两个支撑板,上下两个所述之间转动连接有刷子转轴,上下两个所述支撑板之间设有转动轴心固定于所述刷子转轴的翻板,所述翻板远离所述刷子转轴一侧下端面固定设有刷子,上侧所述支撑板下端面与所述翻板上端面之间固定设有环绕于所述刷子转轴的扭转弹簧,所述打磨腔右壁内设有位于右侧的所述校正块右侧的吸尘装置,所述打磨腔前后壁内分别分别左右对称且连通设有第二皮带腔,四个所述第二皮带腔内与所述第二皮带腔下侧共同设有同步装置。
2.如权利要求1所述的一种针对化学实验台被腐蚀后的修补装置,其特征在于:所述皮带传动装置包括固定设于所述转轴外圆面且位于所述滚筒与后侧所述连接板之间的第一皮带轮,所述第二皮带轮腔前后壁之间转动连接有第二皮带轮,所述第二皮带轮与所述第一皮带轮之间绕设有第一皮带,所述第二皮带轮后侧轴心固定设有第三皮带轮,所述注射腔前后壁之间转动连接有第四皮带轮,所述第三皮带轮与所述第四皮带轮之间绕设有第二皮带。
3.如权利要求2所述的一种针对化学实验台被腐蚀后的修补装置,其特征在于:所述注射装置包括轴心固定设有所述第四皮带轮后侧的联轴器,所述联轴器后侧轴心固定设有垂直于所述注射腔前后壁之间且等距阵列的前中后三个第二凸轮,所述注射腔左右壁分别固定设有位于所述第四皮带轮下侧的左右两个储液腔,所述储液腔下侧连通设有开口向下的出液口,所述储液腔内固定设有固定板,所述储液腔与所述固定板之间设有修补液,所述固定板上侧设有能在所述储液腔内上下滑动的第二推板,所述第二推板下端面固定设有第二推杆,所述第二推杆下端面贯穿所述固定板与所述出液口,所述固定板上端面与所述第二推板下端面之间固定设有环绕于所述第二推杆的推料弹簧,所述第二推杆下端面固定设有封闭板,所述封闭板能有效地将出液口密封并隔热。
4.如权利要求3所述的一种针对化学实验台被腐蚀后的修补装置,其特征在于:所述第四皮带轮正视情况逆时针转动时,能通过所述联轴器带动所述第二凸轮,所述第四皮带轮正视情况顺时针转动时,无法通过所述联轴器带动所述第二凸轮。
5.如权利要求4所述的一种针对化学实验台被腐蚀后的修补装置,其特征在于:所述吸尘装置包括固定设有所述打磨腔右壁内的第三电机,所述打磨腔右壁内连通设有开口向左的风扇腔,所述第三电机动力连接有位于所述风扇腔内的转子,所述转子外圆面固定设有风扇叶片,所述风扇腔右侧连通设有上下对称的上下两个出尘口,所述出尘口右侧贯穿所述打磨腔右壁,所述修补机右端面固定设有位于所述第三电机右侧的,所述右端面固定设有过滤网,所述过滤网内设有开口向左且连通所述出尘口的储尘腔,所述过滤网能将抽出的碎屑收集在所述储尘腔内并将抽出的空气排出。
6.如权利要求4所述的一种具有清洗功能的垃圾焚烧炉,其特征在于:所述同步装置包括转动连接所述第二皮带腔54内上下壁之间的第五皮带轮79,左侧前后两个所述第五皮带轮之间以及右侧前后两个所述第五皮带轮之间分别绕设有第三皮带,右后侧所述第二皮带腔上壁内固定设有第四电机,所述第四电机动力连接右后所述第二皮带腔内的所述第五皮带轮,后侧左右两个所述第二皮带腔下侧共同设有第四皮带腔,后侧左右两个所述下侧轴心分别固定设有位于所述第四皮带腔内的第六皮带轮,左右两侧所述第六皮带轮之间绕设有第四皮带。
7.如权利要求6所述的一种针对化学实验台被腐蚀后的修补装置,其特征在于:所述吸附装置包括设于所述第四皮带腔下侧的左右两个吸盘腔,左右两个所述吸盘腔内设有能上下滑动的推块,左右两个所述推块下端面固定设有吸盘连杆,所述吸盘连杆下端面固定设有吸盘,所述吸盘上侧设有开口向上的出气孔,所述出气孔上侧连通设有位于所述推块内的螺纹腔,所述螺纹腔连通设有位于所述吸盘腔后壁内且开口向后的出气口,左右两个所述第六皮带轮下侧轴心固定设有推块连杆,所述推块连杆贯穿所述第四皮带腔下壁与所述螺纹腔上壁且轴心固定设有抽风风扇,所述推块连杆与所述螺纹腔上壁通过螺纹连接。
8.如权利要求7所述的一种针对化学实验台被腐蚀后的修补装置,其特征在于:所述抽风风扇能将所述吸盘内侧的空气抽出并通过所述出气口排出。
Priority Applications (1)
| Application Number | Priority Date | Filing Date | Title |
|---|---|---|---|
| CN202010692529.XA CN111805430A (zh) | 2020-07-17 | 2020-07-17 | 一种针对化学实验台被腐蚀后的修补装置 |
Applications Claiming Priority (1)
| Application Number | Priority Date | Filing Date | Title |
|---|---|---|---|
| CN202010692529.XA CN111805430A (zh) | 2020-07-17 | 2020-07-17 | 一种针对化学实验台被腐蚀后的修补装置 |
Publications (1)
| Publication Number | Publication Date |
|---|---|
| CN111805430A true CN111805430A (zh) | 2020-10-23 |
Family
ID=72865577
Family Applications (1)
| Application Number | Title | Priority Date | Filing Date |
|---|---|---|---|
| CN202010692529.XA Withdrawn CN111805430A (zh) | 2020-07-17 | 2020-07-17 | 一种针对化学实验台被腐蚀后的修补装置 |
Country Status (1)
| Country | Link |
|---|---|
| CN (1) | CN111805430A (zh) |
Cited By (1)
| Publication number | Priority date | Publication date | Assignee | Title |
|---|---|---|---|---|
| CN117718266A (zh) * | 2023-12-28 | 2024-03-19 | 苏州铜盟电气有限公司 | 一种铜加工废料处理装置 |
-
2020
- 2020-07-17 CN CN202010692529.XA patent/CN111805430A/zh not_active Withdrawn
Cited By (1)
| Publication number | Priority date | Publication date | Assignee | Title |
|---|---|---|---|---|
| CN117718266A (zh) * | 2023-12-28 | 2024-03-19 | 苏州铜盟电气有限公司 | 一种铜加工废料处理装置 |
Similar Documents
| Publication | Publication Date | Title |
|---|---|---|
| CN111266958A (zh) | 一种麻将桌圆形玻璃打磨装置 | |
| CN212192454U (zh) | 一种双金属复合钢管切口打磨设备 | |
| CN115139188A (zh) | 一种带有自旋转功能的球形抛光机 | |
| CN111805430A (zh) | 一种针对化学实验台被腐蚀后的修补装置 | |
| CN115284100A (zh) | 一种制动刹车盘开孔部位打磨装置 | |
| CN114083626B (zh) | 一种建筑用家具木质板材去毛刺装置 | |
| CN218504195U (zh) | 一种轧机圆柱滚子轴承用抛光装置 | |
| CN113103084A (zh) | 一种用于车辆的油缸内壁打磨装置 | |
| CN113245921A (zh) | 一种用于车辆的油缸内壁打磨装置 | |
| CN112338764A (zh) | 一种机械配件抛光装置 | |
| CN112378801A (zh) | 一种高强度陶瓷薄板的耐磨性能检测设备 | |
| CN116160346B (zh) | 磨砂抛光机 | |
| CN117207021A (zh) | 一种五金电动工具制造装置 | |
| CN213795837U (zh) | 一种便于固定的陶瓷球打磨装置 | |
| CN214802784U (zh) | 一种全自动鞋底修边机 | |
| CN111421410B (zh) | 一种自动打磨墙面的设备 | |
| CN210414032U (zh) | 一种联轴器抛光装置 | |
| CN115709308A (zh) | 一种五轴智能精密锯切设备 | |
| CN209174423U (zh) | 一种用于硅抛光片擦片清洗机的擦片刷装置 | |
| CN220145572U (zh) | 一种钢结构除锈装置 | |
| CN117086764A (zh) | 一种铝材成型抛光机 | |
| CN116180521B (zh) | 一种钢轨打磨装置 | |
| CN222676098U (zh) | 一种管座加工车间用干湿两用吸尘器 | |
| CN222179019U (zh) | 一种便于调节的印刷辊清洁装置 | |
| CN219767822U (zh) | 一种用于半轴工件用抛光装置 |
Legal Events
| Date | Code | Title | Description |
|---|---|---|---|
| PB01 | Publication | ||
| PB01 | Publication | ||
| SE01 | Entry into force of request for substantive examination | ||
| SE01 | Entry into force of request for substantive examination | ||
| WW01 | Invention patent application withdrawn after publication | ||
| WW01 | Invention patent application withdrawn after publication |
Application publication date: 20201023 |