CN111804380A - Coal fine crushing mechanism for coal-fired power generation system - Google Patents
Coal fine crushing mechanism for coal-fired power generation system Download PDFInfo
- Publication number
- CN111804380A CN111804380A CN202010670051.0A CN202010670051A CN111804380A CN 111804380 A CN111804380 A CN 111804380A CN 202010670051 A CN202010670051 A CN 202010670051A CN 111804380 A CN111804380 A CN 111804380A
- Authority
- CN
- China
- Prior art keywords
- transmission
- coal
- belt pulley
- transmission shaft
- fixedly connected
- Prior art date
- Legal status (The legal status is an assumption and is not a legal conclusion. Google has not performed a legal analysis and makes no representation as to the accuracy of the status listed.)
- Pending
Links
- 239000003245 coal Substances 0.000 title claims abstract description 38
- 238000010248 power generation Methods 0.000 title claims abstract description 19
- 230000005540 biological transmission Effects 0.000 claims abstract description 150
- 230000000694 effects Effects 0.000 claims description 18
- 230000001681 protective effect Effects 0.000 claims description 5
- 230000009286 beneficial effect Effects 0.000 abstract description 2
- 239000004744 fabric Substances 0.000 description 6
- 238000005457 optimization Methods 0.000 description 6
- 238000012216 screening Methods 0.000 description 6
- 230000002337 anti-port Effects 0.000 description 2
- 238000002485 combustion reaction Methods 0.000 description 2
- 238000007599 discharging Methods 0.000 description 2
- 238000010298 pulverizing process Methods 0.000 description 2
- 238000010276 construction Methods 0.000 description 1
- 238000005065 mining Methods 0.000 description 1
Images
Classifications
-
- B—PERFORMING OPERATIONS; TRANSPORTING
- B02—CRUSHING, PULVERISING, OR DISINTEGRATING; PREPARATORY TREATMENT OF GRAIN FOR MILLING
- B02C—CRUSHING, PULVERISING, OR DISINTEGRATING IN GENERAL; MILLING GRAIN
- B02C4/00—Crushing or disintegrating by roller mills
- B02C4/02—Crushing or disintegrating by roller mills with two or more rollers
- B02C4/08—Crushing or disintegrating by roller mills with two or more rollers with co-operating corrugated or toothed crushing-rollers
-
- B—PERFORMING OPERATIONS; TRANSPORTING
- B02—CRUSHING, PULVERISING, OR DISINTEGRATING; PREPARATORY TREATMENT OF GRAIN FOR MILLING
- B02C—CRUSHING, PULVERISING, OR DISINTEGRATING IN GENERAL; MILLING GRAIN
- B02C23/00—Auxiliary methods or auxiliary devices or accessories specially adapted for crushing or disintegrating not provided for in preceding groups or not specially adapted to apparatus covered by a single preceding group
- B02C23/08—Separating or sorting of material, associated with crushing or disintegrating
- B02C23/10—Separating or sorting of material, associated with crushing or disintegrating with separator arranged in discharge path of crushing or disintegrating zone
-
- B—PERFORMING OPERATIONS; TRANSPORTING
- B02—CRUSHING, PULVERISING, OR DISINTEGRATING; PREPARATORY TREATMENT OF GRAIN FOR MILLING
- B02C—CRUSHING, PULVERISING, OR DISINTEGRATING IN GENERAL; MILLING GRAIN
- B02C4/00—Crushing or disintegrating by roller mills
- B02C4/28—Details
-
- B—PERFORMING OPERATIONS; TRANSPORTING
- B02—CRUSHING, PULVERISING, OR DISINTEGRATING; PREPARATORY TREATMENT OF GRAIN FOR MILLING
- B02C—CRUSHING, PULVERISING, OR DISINTEGRATING IN GENERAL; MILLING GRAIN
- B02C4/00—Crushing or disintegrating by roller mills
- B02C4/28—Details
- B02C4/42—Driving mechanisms; Roller speed control
-
- B—PERFORMING OPERATIONS; TRANSPORTING
- B07—SEPARATING SOLIDS FROM SOLIDS; SORTING
- B07B—SEPARATING SOLIDS FROM SOLIDS BY SIEVING, SCREENING, SIFTING OR BY USING GAS CURRENTS; SEPARATING BY OTHER DRY METHODS APPLICABLE TO BULK MATERIAL, e.g. LOOSE ARTICLES FIT TO BE HANDLED LIKE BULK MATERIAL
- B07B1/00—Sieving, screening, sifting, or sorting solid materials using networks, gratings, grids, or the like
- B07B1/28—Moving screens not otherwise provided for, e.g. swinging, reciprocating, rocking, tilting or wobbling screens
- B07B1/34—Moving screens not otherwise provided for, e.g. swinging, reciprocating, rocking, tilting or wobbling screens jigging or moving to-and-fro perpendicularly or approximately perpendiculary to the plane of the screen
- B07B1/343—Moving screens not otherwise provided for, e.g. swinging, reciprocating, rocking, tilting or wobbling screens jigging or moving to-and-fro perpendicularly or approximately perpendiculary to the plane of the screen with mechanical drive elements other than electromagnets
-
- B—PERFORMING OPERATIONS; TRANSPORTING
- B07—SEPARATING SOLIDS FROM SOLIDS; SORTING
- B07B—SEPARATING SOLIDS FROM SOLIDS BY SIEVING, SCREENING, SIFTING OR BY USING GAS CURRENTS; SEPARATING BY OTHER DRY METHODS APPLICABLE TO BULK MATERIAL, e.g. LOOSE ARTICLES FIT TO BE HANDLED LIKE BULK MATERIAL
- B07B1/00—Sieving, screening, sifting, or sorting solid materials using networks, gratings, grids, or the like
- B07B1/42—Drive mechanisms, regulating or controlling devices, or balancing devices, specially adapted for screens
-
- B—PERFORMING OPERATIONS; TRANSPORTING
- B07—SEPARATING SOLIDS FROM SOLIDS; SORTING
- B07B—SEPARATING SOLIDS FROM SOLIDS BY SIEVING, SCREENING, SIFTING OR BY USING GAS CURRENTS; SEPARATING BY OTHER DRY METHODS APPLICABLE TO BULK MATERIAL, e.g. LOOSE ARTICLES FIT TO BE HANDLED LIKE BULK MATERIAL
- B07B1/00—Sieving, screening, sifting, or sorting solid materials using networks, gratings, grids, or the like
- B07B1/46—Constructional details of screens in general; Cleaning or heating of screens
Landscapes
- Engineering & Computer Science (AREA)
- Food Science & Technology (AREA)
- Mechanical Engineering (AREA)
- Crushing And Grinding (AREA)
Abstract
The invention discloses a coal fine crushing mechanism for a coal-fired power generation system, which comprises a box body, wherein a feed inlet is formed in the top of the box body, a supporting plate is welded on the side wall of the box body, a motor is fixedly connected to the top of the supporting plate, the output end of the motor is fixedly connected with a main shaft, a first crushing roller and a second crushing roller are respectively and fixedly connected to the outer surfaces of a first transmission shaft and a second transmission shaft, a first discharge outlet is formed in the front of the box body, a fixed frame is obliquely arranged in the box body, a screen is fixedly connected to the inner wall of the fixed frame, a third transmission assembly is arranged on the outer surface of the main shaft, two vibrating blocks are connected through the transmission of the. The invention has the beneficial effects that: the vibrating block is driven to move up and down through the arranged third transmission assembly, the screen is driven to vibrate up and down, and the condition that coal is accumulated on the upper surface of the screen is avoided.
Description
Technical Field
The invention relates to a coal fine crushing mechanism, in particular to a coal fine crushing mechanism for a coal-fired power generation system, and belongs to the technical field of mining industry.
Background
The working principle of the coal-fired generator set is as follows: the coal-fired power generation device is characterized in that heat energy generated by coal combustion is converted into electric energy through a power generation power device (a power plant boiler, a steam turbine, a generator, an auxiliary device thereof and the like), and the coal-fired power generation device has a long history and is also an important one.
Coal is firstly needed to be crushed in coal-fired power generation, the contact area of the crushed coal with air is increased, combustion is more convenient, the coal is crushed by using a crushing roller in the conventional coal crushing mechanism, screening is carried out after crushing, and massive coal is crushed again.
Disclosure of Invention
The invention aims to solve the problems and provide a coal fine crushing mechanism for a coal-fired power generation system, which drives a first crushing roller and a second crushing roller to rotate reversely, so that coal entering between the first crushing roller and the second crushing roller is more effectively crushed, and a vibrating block is driven to move up and down through a third transmission assembly, so that a screen mesh is driven to vibrate up and down, the screening effect of the screen mesh is increased, and meanwhile, the situation that coal is accumulated on the upper surface of the screen mesh is avoided.
The invention achieves the aim through the following technical scheme, and the coal fine crushing mechanism for the coal-fired power generation system comprises a box body, wherein a feeding hole is formed in the top of the box body, a supporting plate is welded on the side wall of the box body, the top of the supporting plate is fixedly connected with a motor, and the output end of the motor is fixedly connected with a main shaft;
the main shaft is connected with a first transmission assembly and is in transmission connection with a first transmission shaft through the first transmission assembly, the first transmission shaft is connected with a second transmission assembly and is in transmission connection with a second transmission shaft through the second transmission assembly, the rotating directions of the first transmission shaft and the second transmission shaft are opposite, the end parts of the first transmission shaft and the second transmission shaft penetrate through the side wall of the box body and are rotatably connected to the inner wall of the other side of the box body, and the outer surfaces of the first transmission shaft and the second transmission shaft are respectively and fixedly connected with a first crushing roller and a second crushing roller;
the front surface of the box body is provided with a first discharge hole, a fixed frame is obliquely arranged in the box body, and the inner wall of the fixed frame is fixedly connected with a screen;
the outer surface of the main shaft is provided with a third transmission assembly and is in transmission connection with two vibrating blocks through the third transmission assembly, two fixed blocks are welded on the inner walls of two sides of the box body, the vibrating blocks are connected to the inner walls of the fixed blocks in a sliding manner, and the tops of the vibrating blocks are attached to the lower surface of the fixed frame;
fixedly connected with slide on the diapire of box, the second discharge gate has been seted up at the back of box.
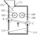
Preferably, the movable groove has been seted up on the inner wall of box, equal a plurality of telescopic shafts of fixedly connected with and a plurality of elastic component on the diapire of movable groove and first discharge gate, the elastic component activity cup joints the surface at the telescopic shaft, and fixed frame fixed connection is at the top of telescopic shaft and elastic component.
Preferably, the top of the inner wall of the box body is fixedly connected with a fixing plate, and the bottom of the fixing plate is arranged above the first crushing roller.
Preferably, first transmission assembly includes first belt pulley and second belt pulley, first belt pulley and second belt pulley fixed connection respectively are on the surface of main shaft and the surface of first transmission shaft, the transmission is connected with first drive belt between first belt pulley and the second belt pulley.
Preferably, the second transmission assembly includes first gear, first gear fixed connection is at the surface of first transmission shaft, first gear engagement is connected with the second gear, the inner wall fixedly connected with axis of rotation of second gear, the axis of rotation rotates to be connected on the outer wall of box, fixedly connected with third belt pulley and fourth belt pulley respectively on the surface of axis of rotation and second transmission shaft, the transmission is connected with second driving belt between third belt pulley and the fourth belt pulley.
Preferably, the third transmission assembly includes the third transmission shaft, the third transmission shaft rotates to be connected on the inner wall of box, and the tip of third transmission shaft passes the outer wall of box and extends to the external world, the surface of main shaft and the tip of third transmission shaft fixedly connected with fifth belt pulley and sixth belt pulley respectively, just the transmission is connected with third driving belt between fifth belt pulley and the sixth belt pulley.
Preferably, the third transmission shaft is provided with two eccentric sections, the lantern ring is sleeved on the outer surface of each eccentric section in a movable mode, the top of the lantern ring is fixedly connected with a connecting rod, and the top end of the connecting rod is rotatably connected with the bottom end of the vibrating block through a pin shaft.
Preferably, a protective rubber pad is arranged at the top of the vibrating block.
The invention has the beneficial effects that:
1. the motor during operation, the rotation of main shaft has been driven, through the fifth belt pulley, sixth belt pulley and third driving belt, the rotation of third transmission shaft has been driven, make its two eccentric sections rotate as the centre of a circle about the third transmission shaft simultaneously, and driven vibrating mass up-and-down reciprocating motion through the lantern ring and connecting rod, fixed frame and screen cloth rebound have been promoted when the vibrating mass rebound, fixed frame and screen cloth rebound under the effect of elastic component, thereby make fixed frame and screen cloth rebound, reach the effect of vibration, thereby the screening effect of screen cloth has been increased, the accumulational condition has appeared in the upper surface of screen cloth to the coal has been avoided simultaneously.
2. The rotation of main shaft, simultaneously through first belt pulley, second belt pulley and first driving belt, the rotation of first transmission shaft has been driven, and through the first gear that sets up, the second gear, the axis of rotation, the third belt pulley, fourth belt pulley and second driving belt, the rotation of second transmission shaft has been driven, and because of first gear and second gear mesh mutually, thereby make the antiport of first transmission shaft and second transmission shaft, thereby the antiport of first crushing roller and second crushing roller has been driven, make the coal that enters into between first crushing roller and the second crushing roller carry out more effectual crushing effect.
Drawings
FIG. 1 is a schematic structural view of the present invention;
FIG. 2 is a side cross-sectional view of the present invention;
FIG. 3 is an enlarged view of portion A of FIG. 1 according to the present invention;
FIG. 4 is an enlarged view of portion B of FIG. 2 according to the present invention;
FIG. 5 is an enlarged view of portion C of FIG. 2 according to the present invention;
FIG. 6 is a schematic view of the construction of the screen and the third drive shaft of the present invention;
fig. 7 is an enlarged view of the portion D of fig. 6 according to the present invention.
In the figure: 1. the device comprises a box body, 101, a feeding port, 102, a supporting plate, 103, a motor, 104, a main shaft, 105, a first transmission shaft, 106, a second transmission shaft, 107, a first crushing roller, 108, a second crushing roller, 109, a movable groove, 110, a first discharging port, 111, a fixing plate, 112, a telescopic shaft, 113, an elastic part, 114, a sliding plate, 115, a second discharging port, 2, a fixing frame, 201, a screen, 3, a third transmission shaft, 301, an eccentric section, 302, a lantern ring, 303, a connecting rod, 304, a vibrating block, 305, a fixing block, 306, a protective rubber pad, 4, a first belt pulley, 401, a second belt pulley, 5, a first gear, 501, a second gear, 502, a rotating shaft, 503, a third belt pulley, 504, a fourth belt pulley, 6, a fifth belt pulley, 601 and a sixth belt pulley.
Detailed Description
The technical solutions in the embodiments of the present invention will be clearly and completely described below with reference to the drawings in the embodiments of the present invention, and it is obvious that the described embodiments are only a part of the embodiments of the present invention, and not all of the embodiments. All other embodiments, which can be derived by a person skilled in the art from the embodiments given herein without making any creative effort, shall fall within the protection scope of the present invention.
Referring to fig. 1-7, a coal fine crushing mechanism for a coal-fired power generation system comprises a box body 1, a feeding hole 101 is formed in the top of the box body 1, a supporting plate 102 is welded on the side wall of the box body 1, a motor 103 is fixedly connected to the top of the supporting plate 102, and a main shaft 104 is fixedly connected to the output end of the motor 103;
the main shaft 104 is connected with a first transmission component and is in transmission connection with a first transmission shaft 105 through the first transmission component, the first transmission shaft 105 is connected with a second transmission component and is in transmission connection with a second transmission shaft 106 through the second transmission component, the rotation directions of the first transmission shaft 105 and the second transmission shaft 106 are opposite, the end parts of the first transmission shaft 105 and the second transmission shaft 106 penetrate through the side wall of the box body 1 and are rotatably connected on the inner wall of the other side of the box body 1, the outer surfaces of the first transmission shaft 105 and the second transmission shaft 106 are respectively and fixedly connected with a first crushing roller 107 and a second crushing roller 108, the main shaft 104 rotates, the first transmission shaft 105 is driven to rotate through the arranged first transmission component, the second transmission shaft 106 is driven to rotate through the arranged second transmission component, the first transmission shaft 105 and the second transmission shaft 106 rotate in opposite directions, and therefore the first crushing roller 107 and the second crushing roller 108 are driven to rotate in opposite directions, the coal entering between the first crushing roller 107 and the second crushing roller 108 is subjected to more effective crushing effect;
the front surface of the box body 1 is provided with a first discharge port 110, the inside of the box body 1 is obliquely provided with a fixed frame 2, the inner wall of the fixed frame 2 is fixedly connected with a screen 201, and large coal is not discharged from the first discharge port 110 through the screen 201;
the outer surface of the main shaft 104 is provided with a third transmission assembly and is connected with two vibrating blocks 304 through the third transmission assembly in a transmission manner, two fixed blocks 305 are welded on the inner walls of two sides of the box body 1, the vibrating blocks 304 are connected to the inner walls of the fixed blocks 305 in a sliding manner, the tops of the vibrating blocks 304 are attached to the lower surface of the fixed frame 2, when the motor 103 works, the main shaft 104 is driven to rotate, the vibrating blocks 304 are driven to reciprocate up and down through the arranged third transmission assembly, the fixed frame 2 and the screen 201 are pushed to move up when the vibrating blocks 304 move up, so that the fixed frame 2 and the screen 201 reciprocate up and down, the vibrating effect is achieved, the screening effect of the screen 201 is increased, and meanwhile, the condition that coal is accumulated on the upper surface of the screen 201 is;
fixedly connected with slide 114 on the diapire of box 1, second discharge gate 115 has been seted up at the back of box 1, and the coal through screen cloth 201 falls to slide 114 and goes up the back and discharge from second discharge gate 115.
As a technical optimization scheme of the invention, the inner wall of the box body 1 is provided with a movable groove 109, the bottom walls of the movable groove 109 and the first discharge hole 110 are fixedly connected with a plurality of telescopic shafts 112 and a plurality of elastic members 113, the elastic members 113 are movably sleeved on the outer surfaces of the telescopic shafts 112, the fixed frame 2 is fixedly connected with the tops of the telescopic shafts 112 and the elastic members 113, the screen 201 is effectively supported and positioned by the aid of the arranged telescopic shafts 112 and the elastic members 113, and when the vibrating block 304 moves downwards, the fixed frame 2 and the screen 201 move downwards under the action of the elastic members 113.
As a technical optimization scheme of the present invention, a fixing plate 111 is fixedly connected to the top of the inner wall of the box 1, and the bottom of the fixing plate 111 is disposed above the first crushing roller 107, so that coal entering from the feed inlet 101 enters between the first crushing roller 107 and the second crushing roller 108.
As a technical optimization scheme of the present invention, the first transmission assembly includes a first belt pulley 4 and a second belt pulley 401, the first belt pulley 4 and the second belt pulley 401 are respectively and fixedly connected to an outer surface of the main shaft 104 and an outer surface of the first transmission shaft 105, a first transmission belt is connected between the first belt pulley 4 and the second belt pulley 401 in a transmission manner, and the rotation of the main shaft 104 drives the rotation of the first transmission shaft 105 through the first belt pulley 4, the second belt pulley 401 and the first transmission belt.
As a technical optimization scheme of the present invention, the second transmission assembly includes a first gear 5, the first gear 5 is fixedly connected to an outer surface of the first transmission shaft 105, the first gear 5 is connected to a second gear 501 in a meshing manner, a rotation shaft 502 is fixedly connected to an inner wall of the second gear 501, the rotation shaft 502 is rotatably connected to an outer wall of the housing 1, a third belt pulley 503 and a fourth belt pulley 504 are respectively fixedly connected to outer surfaces of the rotation shaft 502 and the second transmission shaft 106, a second transmission belt is connected between the third belt pulley 503 and the fourth belt pulley 504 in a transmission manner, the first gear 5, the second gear 501, the rotation shaft 502, the third belt pulley 503, the fourth belt pulley 504 and the second transmission belt are arranged to drive the second transmission shaft 106 to rotate, and the first gear 5 and the second gear 501 are meshed with each other to enable the first transmission shaft 105 and the second transmission shaft 106 to rotate in opposite directions, thereby carrying the first and second crushing rollers 107 and 108 in opposite directions.
As a technical optimization scheme of the invention, the third transmission assembly comprises a third transmission shaft 3, the third transmission shaft 3 is rotatably connected on the inner wall of the box body 1, the end part of the third transmission shaft 3 penetrates through the outer wall of the box body 1 and extends to the outside, the outer surface of the main shaft 104 and the end part of the third transmission shaft 3 are respectively and fixedly connected with a fifth belt pulley 6 and a sixth belt pulley 601, a third transmission belt is connected between the fifth belt pulley 6 and the sixth belt pulley 601 in a transmission manner, the third transmission shaft 3 is provided with two eccentric sections 301, the outer surface of the eccentric sections 301 is movably sleeved with a lantern ring 302, the top of the lantern ring 302 is fixedly connected with a connecting rod 303, the top end of the connecting rod 303 is rotatably connected with the bottom end of the vibration block 304 through a pin shaft, when the motor 103 works, the main shaft 104 is driven to rotate, the third transmission shaft 3 is driven to rotate through the fifth belt pulley 6, the sixth, meanwhile, the two eccentric sections 301 rotate around the third transmission shaft 3 as the circle center, the vibrating block 304 is driven to reciprocate up and down through the lantern ring 302 and the connecting rod 303, and the fixed frame 2 and the screen 201 are pushed to move upwards when the vibrating block 304 moves upwards.
As a technical optimization scheme of the invention, the top of the vibrating block 304 is provided with the protective rubber pad 306, and the protective rubber pad 306 is arranged, so that a certain protection effect is achieved on the fixing frame 2.
When the belt conveyor is used, firstly, the motor 103 is started, the main shaft 104 is driven to rotate, and the first belt pulley 4 and the fifth belt pulley 6 on the outer surfaces of the main shaft are driven to rotate;
when the first belt pulley 4 rotates, the first transmission belt drives the second belt pulley 401 to rotate, so as to drive the first transmission shaft 105 to rotate, the first gear 5 on the outer surface of the first transmission shaft 105 is meshed with the second gear 501 on the outer surface of the rotation shaft 502, so as to drive the rotation shaft 502 to rotate reversely relative to the first transmission shaft 105, and the third belt pulley 503 and the second transmission belt on the outer surface of the rotation shaft 502 drive the fourth belt pulley 504 and the second transmission shaft 106 to rotate, so that the first transmission shaft 105 and the second transmission shaft 106 rotate simultaneously and reversely, so as to drive the first crushing roller 107 and the second crushing roller 108 to rotate reversely;
when the fifth belt pulley 6 rotates, the third transmission belt drives the sixth belt pulley 601 to rotate, the third transmission shaft 3 to rotate, simultaneously, two eccentric sections 301 of the transmission mechanism rotate around the third transmission shaft 3 as the center of a circle, and during the rotation of the eccentric sections 301, the collar 302 on the outer surface rotates along with the rotation of the eccentric section 301, and the top end of the connecting rod 303 is rotatably connected with the vibrating block 304, so that the vibrating block 304 is driven to slide up and down in the fixed block 305 in a reciprocating manner, when the vibrating mass 304 moves upward, the fixed frame 2 and the screen 201 are pushed to move upward, the telescopic shaft 112 and the elastic member 113 are stretched, and the elastic member 113 is in a state of being stretched by accumulating force, when the vibrating block 304 moves downwards, the fixed frame 2 and the screen 201 move downwards under the action of the elastic member 113, so that the fixed frame 2 and the screen 201 move up and down in a reciprocating manner to achieve a vibrating effect;
at this time, coal is fed from the feed port 101, and the coal slides between the first pulverizing roller 107 and the second pulverizing roller 108 through the fixing plate 111 to be pulverized, and falls down to the upper surface of the screen 201, and after the vibration screening, large coal is not discharged from the first discharge port 110 through the screen 201, and the coal passing through the screen 201 falls down to the slide plate 114 and is discharged from the second discharge port 115.
As will be apparent to those skilled in the art,
1. when the motor 103 works, the rotation of the main shaft 104 is driven, the fifth belt pulley 6, the sixth belt pulley 601 and the third transmission belt drive the rotation of the third transmission shaft 3, and simultaneously, two eccentric sections 301 of the third transmission shaft are rotated around the third transmission shaft 3 as the circle center, and the vibrating block 304 is driven to reciprocate up and down through the lantern ring 302 and the connecting rod 303, the fixed frame 2 and the screen 201 are pushed to move up when the vibrating block 304 moves up, the fixed frame 2 and the screen 201 move down under the action of the elastic part 113 when the vibrating block 304 moves down, so that the fixed frame 2 and the screen 201 reciprocate up and down, the vibrating effect is achieved, the screening effect of the screen 201 is increased, and meanwhile, the condition that coal is piled up on the upper surface of the screen 201 is avoided.
2. The rotation of main shaft 104, simultaneously through first belt pulley 4, second belt pulley 401 and first drive belt, the rotation of first transmission shaft 105 has been driven, and through the first gear 5 that sets up, second gear 501, axis of rotation 502, third belt pulley 503, fourth belt pulley 504 and second drive belt, the rotation of second transmission shaft 106 has been driven, and because of first gear 5 and the meshing of second gear 501 mutually, thereby make the counter rotation of first transmission shaft 105 and second transmission shaft 106, thereby the counter rotation of first crushing roller 107 and second crushing roller 108 has been driven, make the coal that enters into between first crushing roller 107 and the second crushing roller 108 carry out more effectual crushing effect.
Furthermore, it should be understood that although the present description refers to embodiments, not every embodiment may contain only a single embodiment, and such description is for clarity only, and those skilled in the art should integrate the description, and the embodiments may be combined as appropriate to form other embodiments understood by those skilled in the art.
Claims (8)
1. The utility model provides a coal fine crushing mechanism for coal-fired power generation system, includes box (1), its characterized in that: a feeding hole (101) is formed in the top of the box body (1), a supporting plate (102) is welded on the side wall of the box body (1), a motor (103) is fixedly connected to the top of the supporting plate (102), and a main shaft (104) is fixedly connected to the output end of the motor (103);
the main shaft (104) is connected with a first transmission assembly and is in transmission connection with a first transmission shaft (105) through the first transmission assembly, the first transmission shaft (105) is connected with a second transmission assembly and is in transmission connection with a second transmission shaft (106) through the second transmission assembly, the rotating directions of the first transmission shaft (105) and the second transmission shaft (106) are opposite, the end parts of the first transmission shaft (105) and the second transmission shaft (106) penetrate through the side wall of the box body (1) and are in rotating connection with the inner wall of the other side of the box body (1), and the outer surfaces of the first transmission shaft (105) and the second transmission shaft (106) are respectively and fixedly connected with a first crushing roller (107) and a second crushing roller (108);
a first discharge hole (110) is formed in the front face of the box body (1), a fixed frame (2) is obliquely arranged in the box body (1), and a screen (201) is fixedly connected to the inner wall of the fixed frame (2);
the outer surface of the main shaft (104) is provided with a third transmission assembly, the third transmission assembly is in transmission connection with two vibrating blocks (304), two fixing blocks (305) are welded on the inner walls of the two sides of the box body (1), the vibrating blocks (304) are connected to the inner walls of the fixing blocks (305) in a sliding mode, and the tops of the vibrating blocks (304) are attached to the lower surface of the fixing frame (2);
fixedly connected with slide (114) on the diapire of box (1), second discharge gate (115) has been seted up to the back of box (1).
2. The coal fine crushing mechanism for the coal-fired power generation system according to claim 1, characterized in that: the utility model discloses a box, including box (1), activity groove (109), equal a plurality of telescopic shafts (112) of fixedly connected with and a plurality of elastic component (113) on the diapire of activity groove (109) and first discharge gate (110), elastic component (113) activity cup joints the surface at telescopic shaft (112), and fixed frame (2) fixed connection is at the top of telescopic shaft (112) and elastic component (113).
3. The coal fine crushing mechanism for the coal-fired power generation system according to claim 1, characterized in that: the top fixedly connected with fixed plate (111) on box (1) inner wall, just the bottom setting of fixed plate (111) is in the top of first crushing roller (107).
4. The coal fine crushing mechanism for the coal-fired power generation system according to claim 1, characterized in that: first drive assembly includes first belt pulley (4) and second belt pulley (401), first belt pulley (4) and second belt pulley (401) fixed connection respectively are on the surface of main shaft (104) and the surface of first transmission shaft (105), the transmission is connected with first drive belt between first belt pulley (4) and second belt pulley (401).
5. The coal fine crushing mechanism for the coal-fired power generation system according to claim 1, characterized in that: the second transmission assembly comprises a first gear (5), the first gear (5) is fixedly connected to the outer surface of the first transmission shaft (105), the first gear (5) is meshed with a second gear (501), the inner wall of the second gear (501) is fixedly connected with a rotation shaft (502), the rotation shaft (502) is rotatably connected to the outer wall of the box body (1), a third belt pulley (503) and a fourth belt pulley (504) are fixedly connected to the outer surfaces of the rotation shaft (502) and the second transmission shaft (106) respectively, and a second transmission belt is connected between the third belt pulley (503) and the fourth belt pulley (504) in a transmission mode.
6. The coal fine crushing mechanism for the coal-fired power generation system according to claim 1, characterized in that: the third transmission assembly comprises a third transmission shaft (3), the third transmission shaft (3) is rotatably connected to the inner wall of the box body (1), the end part of the third transmission shaft (3) penetrates through the outer wall of the box body (1) and extends outwards, the outer surface of the main shaft (104) and the end part of the third transmission shaft (3) are fixedly connected with a fifth belt pulley (6) and a sixth belt pulley (601) respectively, and a third transmission belt is connected between the fifth belt pulley (6) and the sixth belt pulley (601) in a transmission mode.
7. The coal fine crushing mechanism for the coal-fired power generation system according to claim 6, characterized in that: third transmission shaft (3) are provided with two eccentric sections (301), the lantern ring (302) has been cup jointed in the surface activity of eccentric section (301), the top fixedly connected with connecting rod (303) of lantern ring (302), just the top of connecting rod (303) is passed through the round pin hub rotation with the bottom of vibrating mass (304) and is connected.
8. The coal fine crushing mechanism for the coal-fired power generation system according to claim 1, characterized in that: and a protective rubber pad (306) is arranged at the top of the vibrating block (304).
Priority Applications (1)
| Application Number | Priority Date | Filing Date | Title |
|---|---|---|---|
| CN202010670051.0A CN111804380A (en) | 2020-07-13 | 2020-07-13 | Coal fine crushing mechanism for coal-fired power generation system |
Applications Claiming Priority (1)
| Application Number | Priority Date | Filing Date | Title |
|---|---|---|---|
| CN202010670051.0A CN111804380A (en) | 2020-07-13 | 2020-07-13 | Coal fine crushing mechanism for coal-fired power generation system |
Publications (1)
| Publication Number | Publication Date |
|---|---|
| CN111804380A true CN111804380A (en) | 2020-10-23 |
Family
ID=72843052
Family Applications (1)
| Application Number | Title | Priority Date | Filing Date |
|---|---|---|---|
| CN202010670051.0A Pending CN111804380A (en) | 2020-07-13 | 2020-07-13 | Coal fine crushing mechanism for coal-fired power generation system |
Country Status (1)
| Country | Link |
|---|---|
| CN (1) | CN111804380A (en) |
Cited By (1)
| Publication number | Priority date | Publication date | Assignee | Title |
|---|---|---|---|---|
| CN115415284A (en) * | 2022-08-19 | 2022-12-02 | 陈秋梅 | Mobile organic solid waste treatment equipment |
Citations (6)
| Publication number | Priority date | Publication date | Assignee | Title |
|---|---|---|---|---|
| US20030146318A1 (en) * | 2002-02-04 | 2003-08-07 | Condon Gary J. | Roll crusher teeth having hard compact material inserts |
| CN203155283U (en) * | 2013-03-20 | 2013-08-28 | 浙江农林大学 | Coal mine crushing and screening machine |
| CN209406421U (en) * | 2018-12-30 | 2019-09-20 | 绍兴上虞华伦化工有限公司 | A crushing device for bulk chemical materials |
| CN209549586U (en) * | 2018-12-18 | 2019-10-29 | 安徽盘景水泥有限公司 | Vibration device for ore discharge port |
| CN111167550A (en) * | 2020-02-14 | 2020-05-19 | 郭爱秀 | Fertilizer triturating device for agricultural use |
| CN210935170U (en) * | 2019-11-08 | 2020-07-07 | 济宁市技师学院 | Stone crushing device for mining |
-
2020
- 2020-07-13 CN CN202010670051.0A patent/CN111804380A/en active Pending
Patent Citations (6)
| Publication number | Priority date | Publication date | Assignee | Title |
|---|---|---|---|---|
| US20030146318A1 (en) * | 2002-02-04 | 2003-08-07 | Condon Gary J. | Roll crusher teeth having hard compact material inserts |
| CN203155283U (en) * | 2013-03-20 | 2013-08-28 | 浙江农林大学 | Coal mine crushing and screening machine |
| CN209549586U (en) * | 2018-12-18 | 2019-10-29 | 安徽盘景水泥有限公司 | Vibration device for ore discharge port |
| CN209406421U (en) * | 2018-12-30 | 2019-09-20 | 绍兴上虞华伦化工有限公司 | A crushing device for bulk chemical materials |
| CN210935170U (en) * | 2019-11-08 | 2020-07-07 | 济宁市技师学院 | Stone crushing device for mining |
| CN111167550A (en) * | 2020-02-14 | 2020-05-19 | 郭爱秀 | Fertilizer triturating device for agricultural use |
Cited By (2)
| Publication number | Priority date | Publication date | Assignee | Title |
|---|---|---|---|---|
| CN115415284A (en) * | 2022-08-19 | 2022-12-02 | 陈秋梅 | Mobile organic solid waste treatment equipment |
| CN115415284B (en) * | 2022-08-19 | 2024-05-03 | 龙泉市绿宝木业有限公司 | Portable organic solid waste treatment equipment |
Similar Documents
| Publication | Publication Date | Title |
|---|---|---|
| CN204620079U (en) | A kind of Highefficientpulverizer of pulverizing capable of circulation | |
| CN207056654U (en) | A kind of agricultural uses soil crushing and screening device | |
| CN109304247A (en) | A new energy biomass processing device | |
| CN113798010A (en) | Crushing and screening device for biomass steam generator | |
| CN109365103A (en) | A high-efficient coal pulverizer for thermal power | |
| CN109093885B (en) | Processing equipment for waste plastics | |
| CN215087633U (en) | High-efficient rubbing crusher is used in biological medicine production | |
| CN202700563U (en) | Screening four-tooth roller crushing integrated machine | |
| CN101816969B (en) | Hammer type crusher internally provided with feeding fan and rotary screen | |
| CN209520026U (en) | A kind of four axis vibration excitor of hydraulic motor | |
| CN111804380A (en) | Coal fine crushing mechanism for coal-fired power generation system | |
| CN109174395A (en) | A kind of production coal mine grinder | |
| CN206587711U (en) | A kind of efficient biomass granulator | |
| CN203737349U (en) | Efficient biomass energy pulverizer | |
| CN207857047U (en) | A kind of refuse grinder of hydraulic-driven | |
| CN213557308U (en) | Coal-fired power plant is with coal-fired high-efficient breaker of raise dust control | |
| CN205731506U (en) | Bulky refuse disintegrating machine | |
| CN108579909A (en) | A kind of medicinal material pulverizer of noise reduction | |
| CN107670804A (en) | A kind of paper easy to use gives up pulverizer | |
| CN108554535A (en) | Spectrum graphite electrode grinding device | |
| CN211913889U (en) | Double-rotor pulverizer | |
| CN108160256A (en) | A kind of refuse grinder of hydraulic-driven | |
| CN217646516U (en) | Feed production is with breaking up reducing mechanism | |
| CN218486066U (en) | Efficient Raymond pendulum grinding and crushing device for comprehensive utilization of mineral resources | |
| CN217963463U (en) | Coal mine coal preparation vibration machinery |
Legal Events
| Date | Code | Title | Description |
|---|---|---|---|
| PB01 | Publication | ||
| PB01 | Publication | ||
| SE01 | Entry into force of request for substantive examination | ||
| SE01 | Entry into force of request for substantive examination | ||
| RJ01 | Rejection of invention patent application after publication |
Application publication date: 20201023 |
|
| RJ01 | Rejection of invention patent application after publication |