CN111791331A - 一种圆木自动刮平打磨设备 - Google Patents
一种圆木自动刮平打磨设备 Download PDFInfo
- Publication number
- CN111791331A CN111791331A CN202010706000.9A CN202010706000A CN111791331A CN 111791331 A CN111791331 A CN 111791331A CN 202010706000 A CN202010706000 A CN 202010706000A CN 111791331 A CN111791331 A CN 111791331A
- Authority
- CN
- China
- Prior art keywords
- fixedly arranged
- cavity
- polishing
- fixing body
- bevel gear
- Prior art date
- Legal status (The legal status is an assumption and is not a legal conclusion. Google has not performed a legal analysis and makes no representation as to the accuracy of the status listed.)
- Withdrawn
Links
- 238000005498 polishing Methods 0.000 title claims abstract description 41
- 238000007790 scraping Methods 0.000 claims abstract description 22
- 230000005540 biological transmission Effects 0.000 claims abstract description 16
- 239000002023 wood Substances 0.000 claims abstract description 11
- 230000000694 effects Effects 0.000 claims description 12
- 230000006835 compression Effects 0.000 claims description 6
- 238000007906 compression Methods 0.000 claims description 6
- 238000009826 distribution Methods 0.000 claims description 4
- 238000003825 pressing Methods 0.000 description 4
- 238000000034 method Methods 0.000 description 3
- 238000005056 compaction Methods 0.000 description 2
- 230000007547 defect Effects 0.000 description 2
- 238000003754 machining Methods 0.000 description 2
- 238000004519 manufacturing process Methods 0.000 description 2
- 230000009286 beneficial effect Effects 0.000 description 1
- 238000007493 shaping process Methods 0.000 description 1
- 238000006467 substitution reaction Methods 0.000 description 1
Images
Classifications
-
- B—PERFORMING OPERATIONS; TRANSPORTING
- B27—WORKING OR PRESERVING WOOD OR SIMILAR MATERIAL; NAILING OR STAPLING MACHINES IN GENERAL
- B27M—WORKING OF WOOD NOT PROVIDED FOR IN SUBCLASSES B27B - B27L; MANUFACTURE OF SPECIFIC WOODEN ARTICLES
- B27M1/00—Working of wood not provided for in subclasses B27B - B27L, e.g. by stretching
- B27M1/08—Working of wood not provided for in subclasses B27B - B27L, e.g. by stretching by multi-step processes
-
- B—PERFORMING OPERATIONS; TRANSPORTING
- B24—GRINDING; POLISHING
- B24B—MACHINES, DEVICES, OR PROCESSES FOR GRINDING OR POLISHING; DRESSING OR CONDITIONING OF ABRADING SURFACES; FEEDING OF GRINDING, POLISHING, OR LAPPING AGENTS
- B24B47/00—Drives or gearings; Equipment therefor
- B24B47/10—Drives or gearings; Equipment therefor for rotating or reciprocating working-spindles carrying grinding wheels or workpieces
- B24B47/12—Drives or gearings; Equipment therefor for rotating or reciprocating working-spindles carrying grinding wheels or workpieces by mechanical gearing or electric power
-
- B—PERFORMING OPERATIONS; TRANSPORTING
- B24—GRINDING; POLISHING
- B24B—MACHINES, DEVICES, OR PROCESSES FOR GRINDING OR POLISHING; DRESSING OR CONDITIONING OF ABRADING SURFACES; FEEDING OF GRINDING, POLISHING, OR LAPPING AGENTS
- B24B5/00—Machines or devices designed for grinding surfaces of revolution on work, including those which also grind adjacent plane surfaces; Accessories therefor
- B24B5/02—Machines or devices designed for grinding surfaces of revolution on work, including those which also grind adjacent plane surfaces; Accessories therefor involving centres or chucks for holding work
- B24B5/04—Machines or devices designed for grinding surfaces of revolution on work, including those which also grind adjacent plane surfaces; Accessories therefor involving centres or chucks for holding work for grinding cylindrical surfaces externally
-
- B—PERFORMING OPERATIONS; TRANSPORTING
- B24—GRINDING; POLISHING
- B24B—MACHINES, DEVICES, OR PROCESSES FOR GRINDING OR POLISHING; DRESSING OR CONDITIONING OF ABRADING SURFACES; FEEDING OF GRINDING, POLISHING, OR LAPPING AGENTS
- B24B5/00—Machines or devices designed for grinding surfaces of revolution on work, including those which also grind adjacent plane surfaces; Accessories therefor
- B24B5/35—Accessories
- B24B5/355—Feeding means
-
- B—PERFORMING OPERATIONS; TRANSPORTING
- B24—GRINDING; POLISHING
- B24B—MACHINES, DEVICES, OR PROCESSES FOR GRINDING OR POLISHING; DRESSING OR CONDITIONING OF ABRADING SURFACES; FEEDING OF GRINDING, POLISHING, OR LAPPING AGENTS
- B24B5/00—Machines or devices designed for grinding surfaces of revolution on work, including those which also grind adjacent plane surfaces; Accessories therefor
- B24B5/50—Machines or devices designed for grinding surfaces of revolution on work, including those which also grind adjacent plane surfaces; Accessories therefor characterised by a special design with respect to properties of the material of non-metallic articles to be ground, e.g. strings
-
- B—PERFORMING OPERATIONS; TRANSPORTING
- B27—WORKING OR PRESERVING WOOD OR SIMILAR MATERIAL; NAILING OR STAPLING MACHINES IN GENERAL
- B27C—PLANING, DRILLING, MILLING, TURNING OR UNIVERSAL MACHINES FOR WOOD OR SIMILAR MATERIAL
- B27C5/00—Machines designed for producing special profiles or shaped work, e.g. by rotary cutters; Equipment therefor
- B27C5/02—Machines with table
-
- B—PERFORMING OPERATIONS; TRANSPORTING
- B27—WORKING OR PRESERVING WOOD OR SIMILAR MATERIAL; NAILING OR STAPLING MACHINES IN GENERAL
- B27C—PLANING, DRILLING, MILLING, TURNING OR UNIVERSAL MACHINES FOR WOOD OR SIMILAR MATERIAL
- B27C5/00—Machines designed for producing special profiles or shaped work, e.g. by rotary cutters; Equipment therefor
- B27C5/02—Machines with table
- B27C5/06—Arrangements for clamping or feeding work
Landscapes
- Engineering & Computer Science (AREA)
- Mechanical Engineering (AREA)
- Life Sciences & Earth Sciences (AREA)
- Wood Science & Technology (AREA)
- Forests & Forestry (AREA)
- Finish Polishing, Edge Sharpening, And Grinding By Specific Grinding Devices (AREA)
Abstract
本发明公开了一种圆木自动刮平打磨设备,包括机体,机体下侧面固设有两个支撑柱,支撑柱支撑机体,机体下侧面固设有第四固定体,机体上侧面固设有第一固定体、第二固定体和第三固定体,机体和第四固定体中设有传动腔,第四固定体右侧设有动力腔,传动腔右侧设有反转腔,反转腔右侧设有带轮腔,第三固定体中设有输送腔,第三固定体上设有运输移动树木的输送装置,第二固定体中设有刮削木材的刮削装置,第一固定体中设有磨削木材的打磨装置,此设备能够自动对树木进行粗加工,使树木平整光滑,以便后续木材加工,而且加工速度块效率高,省时省力,减少人力成本消耗。
Description
技术领域
本发明涉及木材加工相关领域,具体地说是一种圆木自动刮平打磨设备。
背景技术
目前,随着社会的发展,人们对木材的使用消耗不断增加,需要对木材进行加工生产,而木材生产需要对树木进行加工成型,树木首先需要去除枝干,将树木表面加工平整,方便后续加工,但是一般的树木加工使用刨削,有些还是人工操作,加工速度慢,效率低,消耗大量人力成本,而且需要不断进行刨削,加工步骤繁琐,加工效果无法保证。
发明内容
针对上述技术的不足,本发明提出了一种圆木自动刮平打磨设备,能够克服上述缺陷。
本发明的一种圆木自动刮平打磨设备,包括机体,所述机体下侧面固设有两个支撑柱,所述支撑柱支撑所述机体,所述机体下侧面固设有第四固定体,所述机体上侧面固设有第一固定体、第二固定体和第三固定体,所述机体和所述第四固定体中设有传动腔,所述第四固定体右侧设有动力腔,所述传动腔右侧设有反转腔,所述反转腔右侧设有带轮腔,所述第三固定体中设有输送腔,所述第三固定体上设有运输移动树木的输送装置;所述输送装置包括固定安装在所述动力腔下侧壁的主电机,所述主电机动力连接有在所述动力腔和所述反转腔之间转动连接的电机轴,所述电机轴下侧固设有主动带轮,所述电机轴上侧固设有主动锥齿轮,所述传动腔下侧壁转动连接有从动转轴,所述从动转轴下侧固设有从动带轮,所述从动带轮与所述主动带轮之间连接有动力皮带,所述从动转轴上侧固设有从动锥齿轮,所述传动腔左右侧壁转动连接有连接转轴,所述连接转轴上固设有与所述从动锥齿轮啮合的连接锥齿轮,所述连接转轴左侧固设有连接带轮,所述传动腔与所述反转腔之间转动连接有反转转轴,所述反转转轴左侧固设有反转齿轮,所述反转转轴右侧固设有与所述主动锥齿轮啮合的反转锥齿轮,所述反转腔与所述带轮腔之间转动连接有正转转轴,所述正转转轴左侧固设有与所述主动锥齿轮啮合的正转锥齿轮,所述正转转轴右侧固设有正转带轮;所述第二固定体中设有刮削木材的刮削装置,所述第一固定体中设有磨削木材的打磨装置。
优选地,所述第三固定体中滑动连接有两个前后对称的升降连杆,所述升降连杆上固设有活动体,所述活动体与所述第三固定体之间连接有升降弹簧,所述活动体中设有压紧腔,所述压紧腔上侧壁滑动连接有两个接触滑杆,每个所述接触滑杆上固设有接触弹簧,所述接触滑杆下侧固设有转轴套,所述转轴套中转动连接有在所述压紧腔侧壁转动连接的接触转轴,所述接触转轴上固设有两个接触滚轮,所述输送腔侧壁转动连接有输送转轴,所述输送转轴右侧固设有输送带轮,所述输送带轮与所述连接带轮之间连接有连接皮带,所述输送转轴上固设有输送轮,所述输送轮上设有螺旋条纹。
优选地,所述刮削装置包括转动安装在所述第二固定体中的齿轮环,所述齿轮环与所述反转齿轮啮合,所述齿轮环左右两侧分别固设有四个圆周分布的连接块,每个所述连接块中固设有固定销轴,所述固定销轴上滑动连接与活动滑块,一排的两个所述活动滑块上固设有斜刮刀,每个所述斜刮刀与所述齿轮环之间连接有两个定位弹簧,所述第二固定体左右两侧分别设有四个圆周分布的调节腔,所述调节腔中转动连接有调节杆,所述调节杆上固设有调节锥齿轮,所述第二固定体中固设有固定螺母,所述调节腔侧壁转动连接有与所述固定螺母螺纹连接的丝杆,所述丝杆上固设有与所述调节锥齿轮啮合的丝杆锥齿轮。
优选地,所述输送装置包括转动安装在所述第一固定体中的定位环,所述定位环上固设有带轮环,所述带轮环中滑动连接有六个圆周分布的伸缩杆,每个所述伸缩杆上连接有压缩弹簧,所述伸缩杆下侧转动连接有紧固轮,所述带轮环中滑动连接有五个圆周分布的打磨杆,每个所述打磨杆上连接有打磨弹簧,所述打磨杆上固设有固定打磨板,每个所述固定打磨板两侧转动连接有活动弹簧,所述活动弹簧与所述固定打磨板之间连接有活动打磨板,所述固定打磨板和所述活动弹簧打磨树木表面。
有益效果为:一种圆木自动刮平打磨设备,其中输送装置能够将树木自动送入设备之中,并使树木旋转,刮削装置能够将装订的树木表面刮平削平,使树木平整,打磨装置能够阿静刮削的树木打磨,使树木表面更加平整,此设备能够自动对树木进行粗加工,使树木平整光滑,以便后续木材加工,而且加工速度块效率高,省时省力,减少人力成本消耗。
附图说明
为了更清楚地说明发明实施例或现有技术中的技术方案,下面将对实施例或现有技术描述中所需要使用的附图作简单地介绍,显而易见地,下面描述中的附图仅仅是发明的一些实施例,对于本领域普通技术人员来讲,在不付出创造性劳动的前提下,还可以根据这些附图获得其他的附图。
图1为本发明的一种圆木自动刮平打磨设备整体全剖是主视结构示意图;
图2为本发明图1中A-A方向的剖视图;
图3为本发明图1中B-B方向的剖视图;
图4为本发明图1中C处的局部放大图。
具体实施方式
本说明书中公开的所有特征,或公开的所有方法或过程中的步骤,除了互相排斥的特征和或步骤以外,均可以以任何方式组合。
下面结合图1-4对本发明进行详细说明,为叙述方便,现对下文所说的方位规定如下:下文所说的上下左右前后方向与图1本身投影关系的上下左右前后方向一致。
本发明装置的一种圆木自动刮平打磨设备,包括机体10,所述机体10下侧面固设有两个支撑柱68,所述支撑柱68支撑所述机体10,所述机体10下侧面固设有第四固定体69,所述机体10上侧面固设有第一固定体63、第二固定体64和第三固定体66,所述机体10和所述第四固定体69中设有传动腔70,所述第四固定体69右侧设有动力腔71,所述传动腔70右侧设有反转腔72,所述反转腔72右侧设有带轮腔73,所述第三固定体66中设有输送腔74,所述第三固定体66上设有运输移动树木的输送装置79,所述输送装置79包括固定安装在所述动力腔71下侧壁的主电机11,所述主电机11动力连接有在所述动力腔71和所述反转腔72之间转动连接的电机轴12,所述电机轴12下侧固设有主动带轮13,所述电机轴12上侧固设有主动锥齿轮14,所述传动腔70下侧壁转动连接有从动转轴23,所述从动转轴23下侧固设有从动带轮24,所述从动带轮24与所述主动带轮13之间连接有动力皮带22,所述从动转轴23上侧固设有从动锥齿轮25,所述传动腔70左右侧壁转动连接有连接转轴26,所述连接转轴26上固设有与所述从动锥齿轮25啮合的连接锥齿轮27,所述连接转轴26左侧固设有连接带轮31,所述传动腔70与所述反转腔72之间转动连接有反转转轴20,所述反转转轴20左侧固设有反转齿轮21,所述反转转轴20右侧固设有与所述主动锥齿轮14啮合的反转锥齿轮16,所述反转腔72与所述带轮腔73之间转动连接有正转转轴17,所述正转转轴17左侧固设有与所述主动锥齿轮14啮合的正转锥齿轮15,所述正转转轴17右侧固设有正转带轮18,所述第二固定体64中设有刮削木材的刮削装置77,所述第一固定体63中设有磨削木材的打磨装置78。
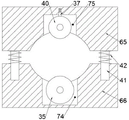
有益地,所述第三固定体66中滑动连接有两个前后对称的升降连杆41,所述升降连杆41上固设有活动体65,所述活动体65与所述第三固定体66之间连接有升降弹簧42,所述活动体65中设有压紧腔75,所述压紧腔75上侧壁滑动连接有两个接触滑杆37,每个所述接触滑杆37上固设有接触弹簧36,所述接触滑杆37下侧固设有转轴套38,所述转轴套38中转动连接有在所述压紧腔75侧壁转动连接的接触转轴39,所述接触转轴39上固设有两个接触滚轮40,所述输送腔74侧壁转动连接有输送转轴34,所述输送转轴34右侧固设有输送带轮33,所述输送带轮33与所述连接带轮31之间连接有连接皮带32,所述输送转轴34上固设有输送轮35,所述输送轮35上设有螺旋条纹,从而将树木放入所述活动体65和所述第三固定体66之间,启动所述主电机11,所述电机轴12转动,带动所述主动带轮13和所述主动锥齿轮14转动,所述主动带轮13通过所述动力皮带22带动所述从动带轮24和所述从动锥齿轮25转动,所述从动锥齿轮25带动所述连接锥齿轮27和所述连接带轮31转动,通过所述连接皮带32带动所述输送带轮33和所述输送轮35转动,所述输送轮35使树木移动并转动,将树木送入设备中,所述升降弹簧42使所述活动体65贴紧树木,所述接触弹簧36使所述接触滚轮40压紧树木,当树木移动时,所述接触滚轮40转动。
有益地,所述刮削装置77包括转动安装在所述第二固定体64中的齿轮环43,所述齿轮环43与所述反转齿轮21啮合,所述齿轮环43左右两侧分别固设有四个圆周分布的连接块44,每个所述连接块44中固设有固定销轴45,所述固定销轴45上滑动连接与活动滑块46,一排的两个所述活动滑块46上固设有斜刮刀47,每个所述斜刮刀47与所述齿轮环43之间连接有两个定位弹簧67,所述第二固定体64左右两侧分别设有四个圆周分布的调节腔76,所述调节腔76中转动连接有调节杆52,所述调节杆52上固设有调节锥齿轮51,所述第二固定体64中固设有固定螺母49,所述调节腔76侧壁转动连接有与所述固定螺母49螺纹连接的丝杆48,所述丝杆48上固设有与所述调节锥齿轮51啮合的丝杆锥齿轮50,从而转动右侧的四个所述调节杆52,所述调节锥齿轮51转动带动所述丝杆锥齿轮50和所述丝杆48转动,所述丝杆48在所述固定螺母49中转动并移动,所述丝杆48推动所述斜刮刀47,使所述斜刮刀47往右侧倾斜,四个所述斜刮刀47形成锥形,根据树木大小调节所述斜刮刀47间距,当树木进入所述第二固定体64中时,所述主动锥齿轮14转动带动所述反转锥齿轮16和所述反转齿轮21转动,所述反转齿轮21带动所述齿轮环43旋转,使所述斜刮刀47旋转刮削树木表面,倾斜的所述斜刮刀47能够将树木一次性削到所需直径。
有益地,所述输送装置79包括转动安装在所述第一固定体63中的定位环57,所述定位环57上固设有带轮环53,所述带轮环53中滑动连接有六个圆周分布的伸缩杆55,每个所述伸缩杆55上连接有压缩弹簧54,所述伸缩杆55下侧转动连接有紧固轮56,所述带轮环53中滑动连接有五个圆周分布的打磨杆59,每个所述打磨杆59上连接有打磨弹簧58,所述打磨杆59上固设有固定打磨板60,每个所述固定打磨板60两侧转动连接有活动弹簧62,所述活动弹簧62与所述固定打磨板60之间连接有活动打磨板61,所述固定打磨板60和所述活动弹簧62打磨树木表面,从而当树木继续向右移动进入所述第一固定体63中时,所述主动锥齿轮14带动所述正转锥齿轮15和所述正转带轮18转动,所述正转带轮18带动所述带轮环53转动,所述紧固轮56旋转,所述压缩弹簧54使所述紧固轮56紧贴夹紧树木,所述紧固轮56带动树木一起旋转,所述带轮环53和所述齿轮环43转动方向相反,所述打磨弹簧58使所述固定打磨板60紧贴树木,所述活动打磨板61使所述活动弹簧62紧贴树木,所述固定打磨板60和所述活动弹簧62相对树木转动,并磨削树木表面,使树木表面光滑。
初始状态下,主电机11未启动,接触弹簧36、压缩弹簧54和打磨弹簧58松弛。
开始工作时,将树木放入活动体65和第三固定体66之间,启动主电机11,电机轴12转动,带动主动带轮13和主动锥齿轮14转动,主动带轮13通过动力皮带22带动从动带轮24和从动锥齿轮25转动,从动锥齿轮25带动连接锥齿轮27和连接带轮31转动,通过连接皮带32带动输送带轮33和输送轮35转动,输送轮35使树木移动并转动,将树木送入设备中,升降弹簧42使活动体65贴紧树木,接触弹簧36使接触滚轮40压紧树木,当树木移动时,接触滚轮40转动,转动右侧的四个调节杆52,调节锥齿轮51转动带动丝杆锥齿轮50和丝杆48转动,丝杆48在固定螺母49中转动并移动,丝杆48推动斜刮刀47,使斜刮刀47往右侧倾斜,四个斜刮刀47形成锥形,根据树木大小调节斜刮刀47间距,当树木进入第二固定体64中时,主动锥齿轮14转动带动反转锥齿轮16和反转齿轮21转动,反转齿轮21带动齿轮环43旋转,使斜刮刀47旋转刮削树木表面,倾斜的斜刮刀47能够将树木一次性削到所需直径,当树木继续向右移动进入第一固定体63中时,主动锥齿轮14带动正转锥齿轮15和正转带轮18转动,正转带轮18带动带轮环53转动,紧固轮56旋转,压缩弹簧54使紧固轮56紧贴夹紧树木,紧固轮56带动树木一起旋转,带轮环53和齿轮环43转动方向相反,打磨弹簧58使固定打磨板60紧贴树木,活动打磨板61使活动弹簧62紧贴树木,固定打磨板60和活动弹簧62相对树木转动,并磨削树木表面,使树木表面光滑。
以上所述,仅为发明的具体实施方式,但发明的保护范围并不局限于此,任何不经过创造性劳动想到的变化或替换,都应涵盖在发明的保护范围之内。因此,发明的保护范围应该以权利要求书所限定的保护范围为准。
Claims (4)
1.一种圆木自动刮平打磨设备,包括机体,其特征在于:所述机体下侧面固设有两个支撑柱,所述支撑柱支撑所述机体,所述机体下侧面固设有第四固定体,所述机体上侧面固设有第一固定体、第二固定体和第三固定体,所述机体和所述第四固定体中设有传动腔,所述第四固定体右侧设有动力腔,所述传动腔右侧设有反转腔,所述反转腔右侧设有带轮腔,所述第三固定体中设有输送腔,所述第三固定体上设有运输移动树木的输送装置;所述输送装置包括固定安装在所述动力腔下侧壁的主电机,所述主电机动力连接有在所述动力腔和所述反转腔之间转动连接的电机轴,所述电机轴下侧固设有主动带轮,所述电机轴上侧固设有主动锥齿轮,所述传动腔下侧壁转动连接有从动转轴,所述从动转轴下侧固设有从动带轮,所述从动带轮与所述主动带轮之间连接有动力皮带,所述从动转轴上侧固设有从动锥齿轮,所述传动腔左右侧壁转动连接有连接转轴,所述连接转轴上固设有与所述从动锥齿轮啮合的连接锥齿轮,所述连接转轴左侧固设有连接带轮,所述传动腔与所述反转腔之间转动连接有反转转轴,所述反转转轴左侧固设有反转齿轮,所述反转转轴右侧固设有与所述主动锥齿轮啮合的反转锥齿轮,所述反转腔与所述带轮腔之间转动连接有正转转轴,所述正转转轴左侧固设有与所述主动锥齿轮啮合的正转锥齿轮,所述正转转轴右侧固设有正转带轮;所述第二固定体中设有刮削木材的刮削装置,所述第一固定体中设有磨削木材的打磨装置。
2.根据权利要求1所述一种圆木自动刮平打磨设备,其特征在于:所述第三固定体中滑动连接有两个前后对称的升降连杆,所述升降连杆上固设有活动体,所述活动体与所述第三固定体之间连接有升降弹簧,所述活动体中设有压紧腔,所述压紧腔上侧壁滑动连接有两个接触滑杆,每个所述接触滑杆上固设有接触弹簧,所述接触滑杆下侧固设有转轴套,所述转轴套中转动连接有在所述压紧腔侧壁转动连接的接触转轴,所述接触转轴上固设有两个接触滚轮,所述输送腔侧壁转动连接有输送转轴,所述输送转轴右侧固设有输送带轮,所述输送带轮与所述连接带轮之间连接有连接皮带,所述输送转轴上固设有输送轮,所述输送轮上设有螺旋条纹。
3.根据权利要求1所述一种圆木自动刮平打磨设备,其特征在于:所述刮削装置包括转动安装在所述第二固定体中的齿轮环,所述齿轮环与所述反转齿轮啮合,所述齿轮环左右两侧分别固设有四个圆周分布的连接块,每个所述连接块中固设有固定销轴,所述固定销轴上滑动连接与活动滑块,一排的两个所述活动滑块上固设有斜刮刀,每个所述斜刮刀与所述齿轮环之间连接有两个定位弹簧,所述第二固定体左右两侧分别设有四个圆周分布的调节腔,所述调节腔中转动连接有调节杆,所述调节杆上固设有调节锥齿轮,所述第二固定体中固设有固定螺母,所述调节腔侧壁转动连接有与所述固定螺母螺纹连接的丝杆,所述丝杆上固设有与所述调节锥齿轮啮合的丝杆锥齿轮。
4.根据权利要求1所述一种圆木自动刮平打磨设备,其特征在于:所述输送装置包括转动安装在所述第一固定体中的定位环,所述定位环上固设有带轮环,所述带轮环中滑动连接有六个圆周分布的伸缩杆,每个所述伸缩杆上连接有压缩弹簧,所述伸缩杆下侧转动连接有紧固轮,所述带轮环中滑动连接有五个圆周分布的打磨杆,每个所述打磨杆上连接有打磨弹簧,所述打磨杆上固设有固定打磨板,每个所述固定打磨板两侧转动连接有活动弹簧,所述活动弹簧与所述固定打磨板之间连接有活动打磨板,所述固定打磨板和所述活动弹簧打磨树木表面。
Priority Applications (1)
| Application Number | Priority Date | Filing Date | Title |
|---|---|---|---|
| CN202010706000.9A CN111791331A (zh) | 2020-07-21 | 2020-07-21 | 一种圆木自动刮平打磨设备 |
Applications Claiming Priority (1)
| Application Number | Priority Date | Filing Date | Title |
|---|---|---|---|
| CN202010706000.9A CN111791331A (zh) | 2020-07-21 | 2020-07-21 | 一种圆木自动刮平打磨设备 |
Publications (1)
| Publication Number | Publication Date |
|---|---|
| CN111791331A true CN111791331A (zh) | 2020-10-20 |
Family
ID=72807933
Family Applications (1)
| Application Number | Title | Priority Date | Filing Date |
|---|---|---|---|
| CN202010706000.9A Withdrawn CN111791331A (zh) | 2020-07-21 | 2020-07-21 | 一种圆木自动刮平打磨设备 |
Country Status (1)
| Country | Link |
|---|---|
| CN (1) | CN111791331A (zh) |
Cited By (4)
| Publication number | Priority date | Publication date | Assignee | Title |
|---|---|---|---|---|
| CN112757402A (zh) * | 2020-12-08 | 2021-05-07 | 陈朝朝 | 一种高尔夫球木钉的加工设备 |
| CN112757406A (zh) * | 2021-01-15 | 2021-05-07 | 付野 | 一种圆木剖光装置 |
| CN113290645A (zh) * | 2021-06-18 | 2021-08-24 | 石强 | 一种节能型建筑材料加工装置 |
| CN117020873A (zh) * | 2023-08-28 | 2023-11-10 | 四川嘉灿城市家具科技有限公司 | 一种球面路灯罩便携式打磨装置 |
-
2020
- 2020-07-21 CN CN202010706000.9A patent/CN111791331A/zh not_active Withdrawn
Cited By (5)
| Publication number | Priority date | Publication date | Assignee | Title |
|---|---|---|---|---|
| CN112757402A (zh) * | 2020-12-08 | 2021-05-07 | 陈朝朝 | 一种高尔夫球木钉的加工设备 |
| CN112757406A (zh) * | 2021-01-15 | 2021-05-07 | 付野 | 一种圆木剖光装置 |
| CN113290645A (zh) * | 2021-06-18 | 2021-08-24 | 石强 | 一种节能型建筑材料加工装置 |
| CN113290645B (zh) * | 2021-06-18 | 2022-06-21 | 石强 | 一种节能型建筑材料加工装置 |
| CN117020873A (zh) * | 2023-08-28 | 2023-11-10 | 四川嘉灿城市家具科技有限公司 | 一种球面路灯罩便携式打磨装置 |
Similar Documents
| Publication | Publication Date | Title |
|---|---|---|
| CN111791331A (zh) | 一种圆木自动刮平打磨设备 | |
| CN214771016U (zh) | 一种板材加工用毛边清除装置 | |
| CN205166634U (zh) | 一种新型异型抛光机 | |
| CN110172533B (zh) | 一种皮革钱包材料处理设备 | |
| CN101804598A (zh) | 筷子磨光机 | |
| CN212264759U (zh) | 一种数控滚齿机 | |
| CN209240212U (zh) | 一种生态免漆实木板自动化加工装置 | |
| CN112405269A (zh) | 一种打磨抛光装置 | |
| CN216298897U (zh) | 石材岩板磨边机 | |
| CN112454148B (zh) | 多维精密钨钻旋转挤压式无损手镯亮光机 | |
| CN111546182B (zh) | 一种智能制造等边三角形工件打磨装置 | |
| CN107378685A (zh) | 一种弧形砖边角打磨装置 | |
| CN209477934U (zh) | 一种新型辊轴抛光机 | |
| CN211306601U (zh) | 一种实木床床板切割打磨装置 | |
| CN207480290U (zh) | 一种用于木板加工磨边装置 | |
| CN113070966B (zh) | 一种智能家居用餐椅加工设备及餐椅加工方法 | |
| CN210756778U (zh) | 一种高效率的铲刀磨具 | |
| CN211490849U (zh) | 一种木质胶合板的打磨设备 | |
| CN218312789U (zh) | 一种研磨丸生产加工用抛光装置 | |
| CN113001267A (zh) | 一种电机转子轴成型加工工艺 | |
| CN114850564A (zh) | 一种滚珠丝杠加工用坯料切割装置 | |
| CN209175496U (zh) | 一种五金件加工用的表面抛光装置 | |
| CN218518821U (zh) | 一种家具加工用自动出料切板机 | |
| CN113040471A (zh) | 一种基于齿轮传动的皮鞋固定抛光装置 | |
| CN219599035U (zh) | 一种竹签打磨设备 |
Legal Events
| Date | Code | Title | Description |
|---|---|---|---|
| PB01 | Publication | ||
| PB01 | Publication | ||
| SE01 | Entry into force of request for substantive examination | ||
| SE01 | Entry into force of request for substantive examination | ||
| WW01 | Invention patent application withdrawn after publication | ||
| WW01 | Invention patent application withdrawn after publication |
Application publication date: 20201020 |