CN111789727A - A special foot washing device for long-term bedridden patients and control method thereof - Google Patents
A special foot washing device for long-term bedridden patients and control method thereof Download PDFInfo
- Publication number
- CN111789727A CN111789727A CN202010812290.5A CN202010812290A CN111789727A CN 111789727 A CN111789727 A CN 111789727A CN 202010812290 A CN202010812290 A CN 202010812290A CN 111789727 A CN111789727 A CN 111789727A
- Authority
- CN
- China
- Prior art keywords
- foot
- massage
- telescopic
- long
- main body
- Prior art date
- Legal status (The legal status is an assumption and is not a legal conclusion. Google has not performed a legal analysis and makes no representation as to the accuracy of the status listed.)
- Granted
Links
Images
Classifications
-
- A—HUMAN NECESSITIES
- A61—MEDICAL OR VETERINARY SCIENCE; HYGIENE
- A61G—TRANSPORT, PERSONAL CONVEYANCES, OR ACCOMMODATION SPECIALLY ADAPTED FOR PATIENTS OR DISABLED PERSONS; OPERATING TABLES OR CHAIRS; CHAIRS FOR DENTISTRY; FUNERAL DEVICES
- A61G9/00—Bed-pans, urinals or other sanitary devices for bed-ridden persons; Cleaning devices therefor, e.g. combined with toilet-urinals
-
- A—HUMAN NECESSITIES
- A61—MEDICAL OR VETERINARY SCIENCE; HYGIENE
- A61H—PHYSICAL THERAPY APPARATUS, e.g. DEVICES FOR LOCATING OR STIMULATING REFLEX POINTS IN THE BODY; ARTIFICIAL RESPIRATION; MASSAGE; BATHING DEVICES FOR SPECIAL THERAPEUTIC OR HYGIENIC PURPOSES OR SPECIFIC PARTS OF THE BODY
- A61H15/00—Massage by means of rollers, balls, e.g. inflatable, chains, or roller chains
- A61H15/0078—Massage by means of rollers, balls, e.g. inflatable, chains, or roller chains power-driven
-
- A—HUMAN NECESSITIES
- A61—MEDICAL OR VETERINARY SCIENCE; HYGIENE
- A61H—PHYSICAL THERAPY APPARATUS, e.g. DEVICES FOR LOCATING OR STIMULATING REFLEX POINTS IN THE BODY; ARTIFICIAL RESPIRATION; MASSAGE; BATHING DEVICES FOR SPECIAL THERAPEUTIC OR HYGIENIC PURPOSES OR SPECIFIC PARTS OF THE BODY
- A61H35/00—Baths for specific parts of the body
- A61H35/006—Baths for specific parts of the body for the feet
-
- A—HUMAN NECESSITIES
- A61—MEDICAL OR VETERINARY SCIENCE; HYGIENE
- A61H—PHYSICAL THERAPY APPARATUS, e.g. DEVICES FOR LOCATING OR STIMULATING REFLEX POINTS IN THE BODY; ARTIFICIAL RESPIRATION; MASSAGE; BATHING DEVICES FOR SPECIAL THERAPEUTIC OR HYGIENIC PURPOSES OR SPECIFIC PARTS OF THE BODY
- A61H39/00—Devices for locating or stimulating specific reflex points of the body for physical therapy, e.g. acupuncture
- A61H39/04—Devices for pressing such points, e.g. Shiatsu or Acupressure
-
- A—HUMAN NECESSITIES
- A61—MEDICAL OR VETERINARY SCIENCE; HYGIENE
- A61H—PHYSICAL THERAPY APPARATUS, e.g. DEVICES FOR LOCATING OR STIMULATING REFLEX POINTS IN THE BODY; ARTIFICIAL RESPIRATION; MASSAGE; BATHING DEVICES FOR SPECIAL THERAPEUTIC OR HYGIENIC PURPOSES OR SPECIFIC PARTS OF THE BODY
- A61H15/00—Massage by means of rollers, balls, e.g. inflatable, chains, or roller chains
- A61H2015/0007—Massage by means of rollers, balls, e.g. inflatable, chains, or roller chains with balls or rollers rotating about their own axis
- A61H2015/0014—Massage by means of rollers, balls, e.g. inflatable, chains, or roller chains with balls or rollers rotating about their own axis cylinder-like, i.e. rollers
-
- A—HUMAN NECESSITIES
- A61—MEDICAL OR VETERINARY SCIENCE; HYGIENE
- A61H—PHYSICAL THERAPY APPARATUS, e.g. DEVICES FOR LOCATING OR STIMULATING REFLEX POINTS IN THE BODY; ARTIFICIAL RESPIRATION; MASSAGE; BATHING DEVICES FOR SPECIAL THERAPEUTIC OR HYGIENIC PURPOSES OR SPECIFIC PARTS OF THE BODY
- A61H2201/00—Characteristics of apparatus not provided for in the preceding codes
- A61H2201/02—Characteristics of apparatus not provided for in the preceding codes heated or cooled
- A61H2201/0207—Characteristics of apparatus not provided for in the preceding codes heated or cooled heated
-
- A—HUMAN NECESSITIES
- A61—MEDICAL OR VETERINARY SCIENCE; HYGIENE
- A61H—PHYSICAL THERAPY APPARATUS, e.g. DEVICES FOR LOCATING OR STIMULATING REFLEX POINTS IN THE BODY; ARTIFICIAL RESPIRATION; MASSAGE; BATHING DEVICES FOR SPECIAL THERAPEUTIC OR HYGIENIC PURPOSES OR SPECIFIC PARTS OF THE BODY
- A61H2201/00—Characteristics of apparatus not provided for in the preceding codes
- A61H2201/50—Control means thereof
- A61H2201/5058—Sensors or detectors
- A61H2201/5082—Temperature sensors
Landscapes
- Health & Medical Sciences (AREA)
- Epidemiology (AREA)
- Life Sciences & Earth Sciences (AREA)
- Animal Behavior & Ethology (AREA)
- General Health & Medical Sciences (AREA)
- Public Health (AREA)
- Veterinary Medicine (AREA)
- Rehabilitation Therapy (AREA)
- Pain & Pain Management (AREA)
- Physical Education & Sports Medicine (AREA)
- Devices For Medical Bathing And Washing (AREA)
Abstract
本发明公开了一种长期卧床患者专用洗脚装置及其控制方法,包括主体,主体的上部分向内凹陷形成足浴池,其下部分作为回收水箱通过回收管路与足浴池的池底连通,足浴池上方对应回收水箱设置有烘干装置,其内部还设置有用于按摩装置以及温度采集装置,靠近足浴池还设置有加热腔,加热腔内设置有循环加热装置,循环加热装置的入口和出口分别与足浴池的侧壁连通,主体的侧壁上还设置有用于将其固定在病床上的固定装置,对应固定装置还设置用于支撑患者腿部的支撑装置,洗脚装置还包括控制装置以及配电装置。本发明的其中一个目的在于提供一种可调节水温,按摩患者脚部,在完成洗脚后还可以回收洗脚水的一种长期卧床患者专用洗脚装置。
The invention discloses a special foot washing device for long-term bedridden patients and a control method thereof, comprising a main body, the upper part of the main body is recessed inward to form a foot bath, and the lower part is used as a recovery water tank to communicate with the bottom of the foot bath through a recovery pipeline. There is a drying device corresponding to the recovery water tank above the foot bath, a massage device and a temperature collection device are also arranged inside, a heating chamber is also arranged near the foot bath, a circulating heating device is arranged in the heating chamber, and the inlet and outlet of the circulating heating device They are respectively communicated with the side walls of the foot bath. The side walls of the main body are also provided with a fixing device for fixing it on the sickbed. The corresponding fixing device is also provided with a supporting device for supporting the patient's legs. The foot washing device also includes a control device. and power distribution devices. One of the objectives of the present invention is to provide a dedicated foot washing device for long-term bedridden patients, which can adjust the water temperature, massage the patient's feet, and recover the foot washing water after the foot washing is completed.
Description
技术领域technical field
本发明涉及临床护理的技术领域,尤其涉及一种长期卧床患者专用洗脚装置及其控制方法。The invention relates to the technical field of clinical nursing, in particular to a special foot washing device for long-term bedridden patients and a control method thereof.
背景技术Background technique
对于长期卧床患者,使用热水洗脚不仅能清除汗垢油污、舒筋活血、改善睡眠、提高皮肤的代谢功能和抗病力,而且还能够治疗和预防某些疾病。For long-term bedridden patients, using hot water to wash feet can not only remove sweat and oil, relax tendons and activate blood, improve sleep, improve the skin's metabolic function and disease resistance, but also treat and prevent certain diseases.
目前,医护人员对长期卧床患者的洗脚护理通常采用两种形式,一种形式为使用毛巾蘸水后进行擦洗,另一种形式是把普通的水盆装水在病床上为患者洗脚,在临床实践中发现,前者的洗脚方式不能使患者的脚在温水中浸泡,后者虽然能使患者的脚得以浸泡,但是一个人操作时,要么一次只能洗一只脚,否则另外一只脚不便于固定,容易导致洗脚盆倾斜或者侧翻打湿病床,要么两名医护人员同时操作,一人固定患者脚部,一人进行洗脚护理。At present, medical staff usually use two forms of foot-washing care for long-term bedridden patients. One form is to scrub with a towel dipped in water, and the other form is to wash the feet of the patient by filling the ordinary basin with water on the hospital bed. In clinical practice, it has been found that the former method of washing feet cannot make the patient's feet soak in warm water, while the latter method can make the patient's feet soak, but when a person operates, he can only wash one foot at a time, otherwise the other It is inconvenient to fix only one foot, and it is easy to cause the foot basin to tilt or roll over to wet the hospital bed. Or two medical staff operate at the same time, one to fix the patient's feet, and the other to wash the feet.
有鉴于此,市面上出现了一些专门针对长期卧床患者设计的洗脚装置,如实用新型专利CN202179655U公开的一种卧床患者用床上洗脚盆,包括盆体,盆体靠近边缘处平行设有两腿托,两腿托上方的盆体内部平行设有两脚托,脚托的高度低于腿托的高度;以及中国实用新型专利CN206151741U公开的一种卧床患者足部清洗盆,它由盆体、后脚跟支架组成。In view of this, some foot-washing devices specially designed for long-term bedridden patients have appeared on the market, such as a bed footwashing basin for bedridden patients disclosed in utility model patent CN202179655U, including a basin body, and the basin body is provided with two parallel devices near the edge. Leg rests, two foot rests are arranged in parallel inside the basin body above the two leg rests, and the height of the foot rests is lower than the height of the leg rests; , The rear heel bracket is composed.
然而,使用上述洗脚装置对长期卧床患者进行临床护理时存在以下问题。However, there are the following problems when using the above-mentioned foot washing device for clinical care of long-term bedridden patients.
1、上述洗脚装置虽然能够对患者的腿部和脚部起到一定的托举和固定作用,但是由于其直接搁置在床上,为了防止洗脚装置侧翻,在对长期卧床患者进行洗脚护理时,仍然需要一名医护人员对洗脚装置进行固定。1. Although the above-mentioned foot washing device can lift and fix the patient's legs and feet to a certain extent, because it is directly placed on the bed, in order to prevent the foot washing device from rolling over, it is necessary to wash the feet of long-term bedridden patients. During nursing, a medical staff is still required to fix the foot washing device.
2、为了保持上述洗脚装置中洗脚水的温度,医护人员需要不断向洗脚装置内添加热水,同时,洗脚水水温也难以控制,有烫伤患者脚部的风险。2. In order to maintain the temperature of the foot-washing water in the above-mentioned foot-washing device, the medical staff needs to continuously add hot water to the foot-washing device, and at the same time, the water temperature of the foot-washing water is also difficult to control, and there is a risk of scalding the patient's feet.
3、在使用上述洗脚装置为长期卧床患者洗脚时,需要医护人员手动对患者的脚部进行擦洗,洗脚后也需要医护人员擦干,增加了医护人员的工作负担。3. When using the above foot washing device to wash the feet of a long-term bedridden patient, the medical staff needs to scrub the patient's feet manually, and the medical staff also needs to dry the feet after washing, which increases the workload of the medical staff.
发明内容SUMMARY OF THE INVENTION
本发明的其中一个目的在于提供一种可固定于病床,并能支撑患者腿部,同时可调节水温,按摩患者脚部,在完成洗脚后还可以回收洗脚水的一种长期卧床患者专用洗脚装置;本发明的另一个目的在于提供一种基于前述长期卧床患者专用洗脚装置的控制方法,旨在解决背景技术中所阐述的技术问题。One of the objectives of the present invention is to provide a special bed-ridden patient that can be fixed on a hospital bed, can support the patient's legs, can adjust the water temperature, massage the patient's feet, and can also recover the foot-washing water after the foot-washing is completed. Foot washing device; another object of the present invention is to provide a control method based on the aforementioned dedicated foot washing device for long-term bedridden patients, aiming to solve the technical problems described in the background art.
为实现上述目的,本发明首先提供了一种长期卧床患者专用洗脚装置,其关键在于,包括主体,所述主体的上部分向内凹陷形成用于容纳患者脚部的足浴池,其下部分作为回收水箱通过回收管路与所述足浴池的池底连通,所述足浴池上方对应所述回收水箱设置有烘干装置,其内部还设置有用于按摩患者足底的按摩装置以及用于检测水温的温度采集装置,靠近所述足浴池还设置有加热腔,所述加热腔内设置有循环加热装置,所述循环加热装置的入口和出口分别与所述足浴池的侧壁连通,所述主体的侧壁上还设置有用于将其固定在病床上的固定装置,对应所述固定装置还设置用于支撑患者腿部的支撑装置,所述洗脚装置还包括用于接收信息和发出指令的控制装置以及用于供电的配电装置。In order to achieve the above object, the present invention first provides a special foot washing device for long-term bedridden patients. As a recovery water tank, it is communicated with the bottom of the foot bath through a recovery pipeline. A drying device is provided above the foot bath corresponding to the recovery water tank, and a massage device for massaging the soles of patients' feet and for detecting A temperature collection device for water temperature, a heating cavity is also provided near the foot bath, a circulating heating device is arranged in the heating cavity, the inlet and the outlet of the circulating heating device are respectively communicated with the side wall of the foot bath, and the The side wall of the main body is also provided with a fixing device for fixing it on the hospital bed, corresponding to the fixing device is also provided with a supporting device for supporting the patient's legs, and the foot washing device also includes a device for receiving information and issuing instructions. control devices and distribution devices for power supply.
更进一步地,所述回收管路包括设置在所述回收水箱内的进水支管和潜水泵,所述进水支管的进水端连接在所述足浴池底部,其出水端通过一带开关阀的进水主管与所述潜水泵连通,所述回收水箱的一侧还设置有排水管路,所述排水管路上设置有排水阀。Further, the recovery pipeline includes a water inlet branch pipe and a submersible pump arranged in the recovery water tank, the water inlet end of the water inlet branch pipe is connected to the bottom of the foot bath, and the water outlet end passes through a valve with an on-off valve. The water inlet main pipe is communicated with the submersible pump, a drainage pipeline is also arranged on one side of the recovery water tank, and a drainage valve is arranged on the drainage pipeline.
更进一步地,所述循环加热装置包括循环管路,在所述循环管路上设置有循环泵和加热器。Further, the circulating heating device includes a circulating pipeline, and a circulating pump and a heater are arranged on the circulating pipeline.
更进一步地,所述按摩装置包括设置在所述足浴池中间位置的安装箱,所述安装箱的左右两侧分别作为患者的左脚容置区和右脚容置区,所述左脚容置区和右脚容置区分别设置有多个沿所述安装箱长度方向均匀分布的第一按摩辊和第二按摩辊,所述第一按摩辊和第二按摩辊均通过设置在所述安装箱内的按摩电机驱动其转动。Further, the massage device includes an installation box arranged in the middle of the foot bath, and the left and right sides of the installation box are respectively used as the patient's left foot accommodation area and the right foot accommodation area, the left foot accommodation area. The storage area and the right foot storage area are respectively provided with a plurality of first massage rollers and second massage rollers evenly distributed along the length direction of the installation box. The massage motor in the installation box drives it to rotate.
更进一步地,所述第一按摩辊和第二按摩辊均通过一带轴封的第一转轴与所述安装箱转动连接,且各个第一转轴的末端分别对应第一按摩辊和第二按摩辊设置有第一链轮和第二链轮,所述第一链轮和第二链轮间分别通过链条传动连接,所述按摩电机为双轴蜗轮蜗杆电机,所述双轴蜗轮蜗杆电机的其中一个输出轴连接在任一所述第一链轮上,其另一个输出轴连接在任一所述第二链轮上。Furthermore, the first massage roller and the second massage roller are both rotatably connected to the installation box through a first rotating shaft with a shaft seal, and the ends of each first rotating shaft correspond to the first massage roller and the second massage roller respectively. A first sprocket and a second sprocket are provided, and the first sprocket and the second sprocket are respectively connected by chain transmission. The massage motor is a biaxial worm gear motor. One output shaft is connected to any one of the first sprockets, and the other output shaft is connected to any of the second sprockets.
更进一步地,所述固定装置包括相对设置在所述主体左右两侧的滑台,所述滑台沿所述主体的高度方向延伸,并滑动连接有滑块,所述滑块上成型有支耳,所述支耳上铰接有一弹性伸缩臂,所述弹性伸缩臂的末端设置有用于连接床栏的夹具,其中:所述伸缩臂包括若干个首尾套接的套管,首个所述套管内通过带扭簧的第二转轴转动连接有一绕绳辊,所述绕绳辊上盘绕有拉索,所述拉索的末端延伸至尾部的所述套管内,并与尾部的所述套管固定连接。Further, the fixing device includes sliding tables oppositely arranged on the left and right sides of the main body, the sliding tables extend along the height direction of the main body, and are slidably connected with a slider, and the slider is formed with a support. There is an elastic telescopic arm hinged on the support ear, and the end of the elastic telescopic arm is provided with a clamp for connecting the bed rail, wherein: the telescopic arm includes a plurality of sleeves that are sleeved end to end, the first sleeve A rope winding roller is rotatably connected in the tube through a second rotating shaft with a torsion spring, a cable is coiled on the rope winding roller, and the end of the cable extends into the sleeve at the tail, and is connected with the sleeve at the tail. Fixed connection.
更进一步地,所述支撑装置包括通过第三转轴转动连接在所述主体左右两侧的升降臂,所述升降臂的末端设置有腿托,所述第三转轴上还设置有用于调节升降臂倾斜角度的角度调节机构,其中:所述升降臂包括设置在所述转轴上的安装座,所述安装座上设置有套筒,所述套筒的内腔通过隔板上下隔断为第一安装腔和第二安装腔,所述第一安装腔内设置有驱动组件,所述驱动组件的输出端设置有丝杆,所述丝杆穿过所述隔板,并沿所述套筒的长度方向延伸,所述第一安装腔内设置有与所述丝杆配合的连接块,所述连接块上相对设置有一对伸缩杆,所述伸缩杆穿过所述套筒的顶壁向外延伸,且其末端设置有腿托,当所述丝杆转动时,所述连接块可沿所述套筒的长度方向滑动。Further, the support device includes a lifting arm rotatably connected to the left and right sides of the main body through a third rotating shaft, the end of the lifting arm is provided with a leg rest, and the third rotating shaft is also provided with a lifting arm for adjusting the lifting arm. The angle adjustment mechanism of the inclination angle, wherein: the lifting arm includes a mounting seat arranged on the rotating shaft, the mounting seat is provided with a sleeve, and the inner cavity of the sleeve is divided up and down by the partition plate to form the first installation cavity and a second installation cavity, the first installation cavity is provided with a drive assembly, the output end of the drive assembly is provided with a screw rod, the screw rod passes through the baffle and along the length of the sleeve The first installation cavity is provided with a connecting block matched with the screw rod, and a pair of telescopic rods are oppositely arranged on the connecting block, and the telescopic rods extend outward through the top wall of the sleeve , and its end is provided with a leg rest, when the screw rod rotates, the connecting block can slide along the length direction of the sleeve.
更进一步地,所述驱动组件包括连接在丝杆末端,并位于第一安装腔内的第一螺旋锥齿轮,靠近所述第一螺旋锥齿轮设置有与其啮合的第二螺旋锥齿轮,所述第二螺旋锥齿轮与第一螺旋锥齿轮的轴线相互垂直,且其远离所述第一螺旋锥齿轮的一侧设置有第四转轴,所述第四转轴的末端穿过所述套筒的侧壁向外延伸,并连接有摇杆。Further, the drive assembly includes a first spiral bevel gear connected to the end of the screw and located in the first installation cavity, and a second spiral bevel gear meshing with the first spiral bevel gear is arranged near the first spiral bevel gear. The axes of the second spiral bevel gear and the first spiral bevel gear are perpendicular to each other, and a fourth rotating shaft is disposed on the side away from the first spiral bevel gear, and the end of the fourth rotating shaft passes through the side of the sleeve The wall extends outward and is connected to a rocker.
更进一步地,所述调节机构包括与所述第三转轴同轴设置,并可随升降臂同步转动的棘轮,对应所述棘轮还设置有制动开关,其中,所述制动开关包括固定连接在所述主题侧壁上的圆形壳腔,所述壳腔位于所述棘轮与所述主体之间,且其轴心开设有供第三转轴穿过的通孔,靠近所述棘轮设置有与其配合的制动棘爪,所述制动棘爪通过带有扭簧的第五转轴与所述壳腔的内腔壁铰接,其末端还设置有拨片,所述壳腔的侧壁还开设有限位槽,所述拨片穿过所述限位槽向外延伸,在自然状态下,所述制动棘爪与所述棘轮相互抵持。Further, the adjustment mechanism includes a ratchet wheel coaxially arranged with the third rotating shaft and can rotate synchronously with the lifting arm, and a brake switch is also provided corresponding to the ratchet wheel, wherein the brake switch includes a fixed connection. A circular shell cavity on the side wall of the subject, the shell cavity is located between the ratchet wheel and the main body, and its axis is provided with a through hole for the third rotating shaft to pass through, and a through hole is provided near the ratchet wheel A braking pawl matched with it, the braking pawl is hinged with the inner cavity wall of the housing cavity through a fifth rotating shaft with a torsion spring, and a paddle is also provided at the end thereof, and the side wall of the housing cavity is also A limiting slot is provided, and the paddle extends outward through the limiting slot. In a natural state, the braking pawl and the ratchet abut against each other.
本发明还公开了一种基于上述长期卧床患者专用洗脚装置的控制方法,包括以下步骤:The invention also discloses a control method based on the above-mentioned special foot washing device for long-term bedridden patients, comprising the following steps:
S1:启动控制装置,控制装置控制双轴蜗轮蜗杆电机转动,并接收温度采集装置采集到的足浴池实时水温W1;S1: start the control device, the control device controls the rotation of the biaxial worm gear motor, and receives the real-time water temperature W1 of the foot bath collected by the temperature acquisition device;
S2:控制装置将实时水温W1与水温阀值W进行比对,并判断W1是否小于W,如是,则进入步骤S3;S2: The control device compares the real-time water temperature W 1 with the water temperature threshold W, and judges whether W 1 is less than W, if so, enter step S3;
S3:控制装置控制循环泵与加热器工作,并将实时水温W1与水温阀值W进行比对,并判断W1是否等于或大于W,如是,则关闭循环泵和加热器,并返回步骤S2;S3: The control device controls the circulating pump and the heater to work, compares the real-time water temperature W 1 with the water temperature threshold W, and judges whether W 1 is equal to or greater than W, if so, close the circulating pump and the heater, and return to the step S2;
S4:控制装置判断洗脚时间T1是否到达预设的时间阀值T,如是,进入步骤S5;S4: the control device determines whether the foot washing time T1 reaches the preset time threshold T, if so, go to step S5;
S5:控制装置启动潜水泵,并判断潜水泵工作时间T3是否到达预设的时间阀值T2,如是,则关闭潜水泵,并进入步骤S6;S5: the control device starts the submersible pump, and judges whether the working time T3 of the submersible pump reaches the preset time threshold value T2 , if so, closes the submersible pump, and goes to step S6;
S6:控制装置启动烘干装置工作,并判断烘干装置工作时间T5是否到达预设的时间阀值T4,如是,则关闭烘干装置及双轴蜗轮蜗杆电机,完成洗脚。S6: The control device starts the drying device to work, and judges whether the drying device working time T5 reaches the preset time threshold T4, if so, shuts down the drying device and the dual - shaft worm gear motor to complete the foot washing.
与现有技术相比,本发明的显著效果为:Compared with the prior art, the significant effects of the present invention are:
(1)温度采集装置可以实时检测足浴池中的洗脚水水温,当水温小于控制装置中预设的水温阀值时,控制装置可触发循环加热装置对洗脚水进行循环加热,从而避免洗脚水热量的不断散失,使足浴池中的洗脚水始终处于适宜的水温范围,延长了泡脚时间,起到了更好的理疗保健效果,同时,由于在洗脚过程中无需医护人员反复添置热水,因此不仅减少了医护人员的工作负担,而且也降低了患者烫伤的风险;(1) The temperature acquisition device can detect the water temperature of the foot-washing water in the foot bath in real time. When the water temperature is lower than the preset water temperature threshold in the control device, the control device can trigger the circulating heating device to circulate and heat the foot-washing water, so as to avoid washing the feet. The constant dissipation of the heat of the foot water keeps the foot water in the foot bath always in a suitable water temperature range, prolonging the foot soaking time and achieving better physical therapy and health care effects. hot water, thus not only reducing the workload of medical staff, but also reducing the risk of scalding patients;
(2)由于设置回收水箱,当洗脚时间到达控制装置中预设的时间阀值时,在回流管路的作用下,可以将足浴池中的洗脚水回收至回收水箱中存储,配合烘干装置,可快速烘干卧床患者的脚部,因此在洗脚完成后,无需医护人员抬起患者的脚部手动擦干,增加了使用的便捷性,同时,由于使用后的洗脚水封闭在回收水箱中,因此在搬运洗脚装置的过程中,可避免洗脚水污染床铺和衣物;(2) Due to the setting of the recovery water tank, when the foot washing time reaches the preset time threshold in the control device, under the action of the return pipeline, the foot washing water in the foot bath can be recovered into the recovery water tank for storage, and cooperate with drying The drying device can quickly dry the feet of bedridden patients, so after the foot washing is completed, there is no need for medical staff to lift the patient's feet to dry manually, which increases the convenience of use. At the same time, because the foot washing water after use is closed In the recycling water tank, so that the footwashing water can be prevented from contaminating the bed and clothing during the process of transporting the footwashing device;
(3)通过设置按摩装置,不仅可以代替医护人员手工擦洗,起到清除汗垢油污的作用,而且能够按摩患者的穴位,使长期卧床患者的血管扩张,局部的血流速度加快,增加下肢营养的供应,从而提高皮肤的代谢功能和抗病力,缩短患者的康复周期;(3) By setting the massage device, it can not only replace the manual scrubbing of medical staff to remove sweat and oil, but also massage the patient's acupuncture points, so that the blood vessels of the long-term bedridden patients can expand, the local blood flow speed is accelerated, and the nutrition of the lower limbs can be increased. supply, thereby improving the metabolic function and disease resistance of the skin, and shortening the recovery period of patients;
(4)通过设置固定装置,在对患者洗脚前医护人员可以预先将主体固定在病床上,使得患者洗脚过程中全程无需医护人员手动进行固定,从而在提高便捷性的同时避免了洗脚装置侧翻;(4) By setting the fixing device, the medical staff can pre-fix the main body on the hospital bed before washing the patient's feet, so that the medical staff does not need to fix the patient's feet manually during the whole process of washing the patient's feet, thus improving the convenience and avoiding the need to wash the feet. The device rolls over;
(5)通过设置支撑装置,在对患者洗脚时,可对患者腿部形成支撑,从而使患者在卧床洗脚的过程中保持正确的姿势,减少患者的劳累感,使患者感觉更加舒适。(5) By setting the support device, when washing the patient's feet, it can form a support for the patient's leg, so that the patient can maintain a correct posture during the process of washing the feet in bed, reduce the patient's fatigue, and make the patient feel more comfortable.
附图说明Description of drawings
为了更清楚地说明本发明实施例或现有技术中的技术方案,下面将对实施例或现有技术描述中所需要使用的附图作简单地介绍,显而易见地,下面描述中的附图仅仅是本发明的一些实施例,对于本领域普通技术人员来讲,在不付出创造性劳动的前提下,还可以根据这些附图获得其他的附图。In order to explain the embodiments of the present invention or the technical solutions in the prior art more clearly, the following briefly introduces the accompanying drawings that need to be used in the description of the embodiments or the prior art. Obviously, the accompanying drawings in the following description are only These are some embodiments of the present invention. For those of ordinary skill in the art, other drawings can also be obtained according to these drawings without creative efforts.
图1是本发明长期卧床患者专用洗脚装置的整体结构示意图;Fig. 1 is the overall structure schematic diagram of the special foot washing device for long-term bedridden patients of the present invention;
图2是本发明长期卧床患者专用洗脚装置的立体图;2 is a perspective view of the special foot washing device for long-term bedridden patients of the present invention;
图3是本发明长期卧床患者专用洗脚装置的收纳状态示意图;3 is a schematic diagram of the storage state of the special foot washing device for long-term bedridden patients according to the present invention;
图4为图2中A部的局部放大图;Fig. 4 is a partial enlarged view of part A in Fig. 2;
图5为本发明中回收水箱的内部结构示意图;5 is a schematic diagram of the internal structure of the recovery water tank in the present invention;
图6为本发明中按摩装置的结构示意图;6 is a schematic structural diagram of a massage device in the present invention;
图7为图6中B部的局部放大图;Fig. 7 is a partial enlarged view of part B in Fig. 6;
图8为本发明中弹性伸缩臂的结构示意图;8 is a schematic structural diagram of an elastic telescopic arm in the present invention;
图9为本发明中升降臂的结构示意图;Fig. 9 is the structural representation of the lifting arm in the present invention;
图10为本发明长期卧床患者专用洗脚装置的使用状态示意图;10 is a schematic diagram of the use state of the special foot washing device for long-term bedridden patients according to the present invention;
图11为中各部件的功能流程图;Fig. 11 is the functional flow chart of each component in;
图12是本发明长期卧床患者专用洗脚装置控制方法的流程示意图;12 is a schematic flowchart of the control method of the special foot washing device for long-term bedridden patients of the present invention;
1-主体、2-足浴池、3-回收管路、4-回收水箱、5-烘干装置、6-按摩装置、7-温度采集装置、8-加热腔、9-循环加热装置、10-固定装置、11-支撑装置、12-控制装置、13-配电装置、301-进水支管、302-潜水泵、303-开关阀、304-进水主管、14-排水管路、15-排水阀、901-循环管路、902-循环泵、903-加热器、601-安装箱、602-第一按摩辊、603-第二按摩辊、604-按摩电机、605-轴封、606-第一链轮、607-第二链轮、608-链条、101-滑台、102-滑块、103-支耳、104-弹性伸缩臂、105-夹具、106-套管、107-绕绳辊、108-拉索、111-升降臂、112-腿托、113-角度调节机构、114-安装座、115-套筒、116-隔板、117-驱动组件、118-丝杆、119-连接块、120-伸缩杆、121-第一螺旋锥齿轮、122-第二螺旋锥齿轮、123-摇杆、124-棘轮、125-制动开关、126-壳腔、127-制动棘爪、128-拨片、129-限位槽、20-病床、21-床栏。1-Main body, 2-Foot bath, 3-Recycling pipeline, 4-Recycling water tank, 5-Drying device, 6-Massage device, 7-Temperature acquisition device, 8-Heating chamber, 9-Circulating heating device, 10- Fixing device, 11-support device, 12-control device, 13-power distribution device, 301-water inlet branch pipe, 302-submersible pump, 303-on-off valve, 304-water inlet main pipe, 14-drainage pipeline, 15-drainage Valve, 901-circulation pipeline, 902-circulation pump, 903-heater, 601-installation box, 602-first massage roller, 603-second massage roller, 604-massage motor, 605-shaft seal, 606-first One sprocket, 607-second sprocket, 608-chain, 101-slide, 102-slider, 103-lug, 104-elastic telescopic arm, 105-clamp, 106-sleeve, 107-rope roller , 108-cable, 111-lifting arm, 112-leg rest, 113-angle adjustment mechanism, 114-mounting seat, 115-sleeve, 116-partition, 117-drive assembly, 118-screw rod, 119-connection Block, 120- telescopic rod, 121- first spiral bevel gear, 122- second spiral bevel gear, 123- rocker, 124- ratchet, 125- brake switch, 126- shell cavity, 127- brake pawl, 128-pick, 129-limit slot, 20-patient bed, 21-bed rail.
具体实施方式Detailed ways
下面详细描述本发明的实施例,所述实施例的示例在附图中示出,其中自始至终相同或类似的标号表示相同或类似的元件或具有相同或类似功能的元件。下面通过参考附图描述的实施例是示例性的,旨在用于解释本发明,而不能理解为对本发明的限制。The following describes in detail the embodiments of the present invention, examples of which are illustrated in the accompanying drawings, wherein the same or similar reference numerals refer to the same or similar elements or elements having the same or similar functions throughout. The embodiments described below with reference to the accompanying drawings are exemplary, and are intended to explain the present invention and should not be construed as limiting the present invention.
在本发明的描述中,需要理解的是,术语“长度”、“宽度”、“上”、“下”、“前”、“后”、“左”、“右”、“竖直”、“水平”、“顶”、“底”“内”、“外”等指示的方位或位置关系为基于附图所示的方位或位置关系,仅是为了便于描述本发明和简化描述,而不是指示或暗示所指的装置或元件必须具有特定的方位、以特定的方位构造和操作,因此不能理解为对本发明的限制。此外,在本发明的描述中,“多个”的含义是两个或两个以上,除非另有明确具体的限定。In the description of the present invention, it should be understood that the terms "length", "width", "upper", "lower", "front", "rear", "left", "right", "vertical", The orientations or positional relationships indicated by "horizontal", "top", "bottom", "inside", "outside", etc. are based on the orientations or positional relationships shown in the accompanying drawings, which are only for the convenience of describing the present invention and simplifying the description, rather than An indication or implication that the referred device or element must have a particular orientation, be constructed and operate in a particular orientation, is not to be construed as a limitation of the invention. In addition, in the description of the present invention, "plurality" means two or more, unless otherwise expressly and specifically defined.
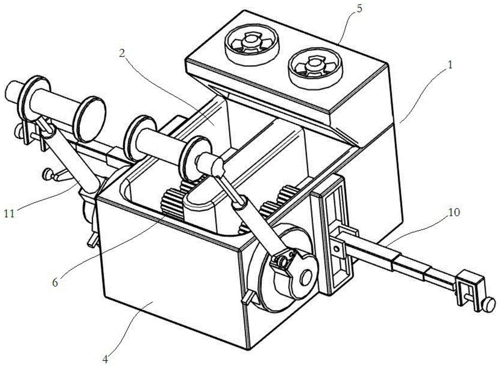
请参阅1至图11,本发明首先提供一种技术方案:一种长期卧床患者专用洗脚装置,其关键在于,包括主体1,所述主体1的上部分向内凹陷形成用于容纳患者脚部的足浴池2,其下部分作为回收水箱4通过回收管路3与所述足浴池2的池底连通,所述足浴池2上方对应所述回收水箱4设置有烘干装置5,其内部还设置有用于按摩患者足底的按摩装置6以及用于检测水温的温度采集装置7,靠近所述足浴池2还设置有加热腔8,所述加热腔8内设置有循环加热装置9,所述循环加热装置9的入口和出口分别与所述足浴池2的侧壁连通,所述主体1的侧壁上还设置有用于将其固定在病床20上的固定装置10,对应所述固定装置10还设置用于支撑患者腿部的支撑装置11,所述洗脚装置还包括用于接收信息和发出指令的控制装置12以及用于供电的配电装置13。Please refer to FIG. 1 to FIG. 11 , the present invention first provides a technical solution: a special foot washing device for long-term bedridden patients, the key point of which is that it includes a main body 1, and the upper part of the main body 1 is recessed inwardly to accommodate the patient's feet. The bottom part of the
在本实施方式中,温度采集装置7可以实时检测足浴池2中的洗脚水水温,当水温小于控制装置12中预设的水温阀值时,控制装置12可触发循环加热装置9对洗脚水进行循环加热,从而避免洗脚水热量的不断散失,使足浴池2中的洗脚水始终处于适宜的水温范围,延长了泡脚时间,起到了更好的理疗保健效果,同时,由于在洗脚过程中无需医护人员反复添置热水,因此不仅减少了医护人员的工作负担,而且也降低了患者烫伤的风险;由于设置回收水箱4,当洗脚时间到达控制装置12中预设的时间阀值时,在回流管路的作用下,可以将足浴池2中的洗脚水回收至回收水箱4中存储,配合烘干装置5,可快速烘干卧床患者的脚部,因此在洗脚完成后,无需医护人员抬起患者的脚部手动擦干,增加了使用的便捷性,同时,由于使用后的洗脚水封闭在回收水箱4中,因此在搬运洗脚装置的过程中,可避免洗脚水污染床铺和衣物;通过设置按摩装置6,不仅可以代替医护人员手工擦洗,起到清除汗垢油污的作用,而且能够按摩患者的穴位,使长期卧床患者的血管扩张,局部的血流速度加快,增加下肢营养的供应,从而提高皮肤的代谢功能和抗病力,缩短患者的康复周期;通过设置固定装置10,在对患者洗脚前医护人员可以预先将主体1固定在病床20上,使得患者洗脚过程中全程无需医护人员手动进行固定,从而在提高便捷性的同时避免了洗脚装置侧翻;通过设置支撑装置11,在对患者洗脚时,可对患者腿部形成支撑,从而使患者在卧床洗脚的过程中保持正确的姿势,减少患者的劳累感,使患者感觉更加舒适。In this embodiment, the temperature collection device 7 can detect the water temperature of the foot-washing water in the
具体地,所述回收管路3包括设置在所述回收水箱4内的进水支管301和潜水泵302,所述进水支管301的进水端连接在所述足浴池2底部,其出水端通过一带开关阀303的进水主管304与所述潜水泵302连通,所述回收水箱4的一侧还设置有排水管路14,所述排水管路14上设置有排水阀15。Specifically, the recovery pipeline 3 includes a water
在本实施方式中,当控制装置12打开潜水泵302和开关阀303时,足浴池2中的洗脚水可被快速抽入回收水箱4中。In this embodiment, when the
具体地,所述循环加热装置9包括循环管路901,在所述循环管路901上设置有循环泵902和加热器903。Specifically, the circulating heating device 9 includes a circulating
在本实施方式中,当控制装置12打开循环泵902时,足浴池2中的洗脚水可从循环管路901的入口经循环泵902进入加热器903中,在通过加热器903加热后经循环管路901的出口回流至足浴池2中,从而实现对洗脚水的循环加热。In this embodiment, when the
具体地,所述按摩装置6包括设置在所述足浴池2中间位置的安装箱601,所述安装箱601的左右两侧分别作为患者的左脚容置区和右脚容置区,所述左脚容置区和右脚容置区分别设置有多个沿所述安装箱601长度方向均匀分布的第一按摩辊602和第二按摩辊603,所述第一按摩辊602和第二按摩辊603均通过设置在所述安装箱601内的按摩电机604驱动其转动。Specifically, the
在本实施方式中,通过转动的第一按摩辊602和第二按摩辊603分别对患者的左右脚足底进行按摩,可充分刺激患者足底穴位,起到更好的擦洗和按摩作用。In this embodiment, the rotating
具体地,所述第一按摩辊602和第二按摩辊603均通过一带轴封605的第一转轴与所述安装箱601转动连接,且各个第一转轴的末端分别对应第一按摩辊602和第二按摩辊603设置有第一链轮606和第二链轮607,所述第一链轮606和第二链轮607间分别通过链条608传动连接,所述按摩电机604为双轴蜗轮蜗杆电机,所述双轴蜗轮蜗杆电机的其中一个输出轴连接在任一所述第一链轮606上,其另一个输出轴连接在任一所述第二链轮607上。Specifically, both the
在本实施方式中,由于按摩电机604为双轴涡轮蜗杆电机,因此其两个输出轴可分别通过第一链轮606和第二链轮607带动第一按摩辊602和第二按摩辊603转动,结构简单紧凑,降低了生产成本。In this embodiment, since the
具体地,所述固定装置10包括相对设置在所述主体1左右两侧的滑台101,所述滑台101沿所述主体1的高度方向延伸,并滑动连接有滑块102,所述滑块102上成型有支耳103,所述支耳103上铰接有一弹性伸缩臂104,所述弹性伸缩臂104的末端设置有用于连接床栏21的夹具105,其中:所述伸缩臂包括若干个首尾套接的套管106,首个所述套管106内通过带扭簧的第二转轴转动连接有一绕绳辊107,所述绕绳辊107上盘绕有拉索108,所述拉索108的末端延伸至尾部的所述套管106内,并与尾部的所述套管106固定连接。Specifically, the fixing
在本实施方式中,设置滑台101,使弹性伸缩臂104可适应病床20上床栏21的高度,当两侧的弹性伸缩臂104分别通过夹具105连接在病床20两侧的床栏21上时,主体1即被牢固的固定在病床20上,同时,由于弹性伸缩臂104与滑块102上的支耳103转动连接,因此在不使用洗脚装置时,可将弹性伸缩臂104收纳在主体1两侧。In this embodiment, the sliding table 101 is provided so that the elastic
具体地,所述支撑装置11包括通过第三转轴转动连接在所述主体1左右两侧的升降臂111,所述升降臂111的末端设置有腿托112,所述第三转轴上还设置有用于调节升降臂111倾斜角度的角度调节机构113,其中:所述升降臂111包括设置在所述转轴上的安装座114,所述安装座114上设置有套筒115,所述套筒115的内腔通过隔板116上下隔断为第一安装腔和第二安装腔,所述第一安装腔内设置有驱动组件117,所述驱动组件117的输出端设置有丝杆118,所述丝杆118穿过所述隔板116,并沿所述套筒115的长度方向延伸,所述第一安装腔内设置有与所述丝杆118配合的连接块119,所述连接块119上相对设置有一对伸缩杆120,所述伸缩杆120穿过所述套筒115的顶壁向外延伸,且其末端设置有腿托112,当所述丝杆118转动时,所述连接块119可沿所述套筒115的长度方向滑动。Specifically, the
具体地,所述驱动组件117包括连接在丝杆118末端,并位于第一安装腔内的第一螺旋锥齿轮121,靠近所述第一螺旋锥齿轮121设置有与其啮合的第二螺旋锥齿轮122,所述第二螺旋锥齿轮122与第一螺旋锥齿轮121的轴线相互垂直,且其远离所述第一螺旋锥齿轮121的一侧设置有第四转轴,所述第四转轴的末端穿过所述套筒115的侧壁向外延伸,并连接有摇杆123。Specifically, the
在本实施方式中,在角度调节机构113和升降臂111的作用下,可使腿托112适应各个患者的体型和姿势,使用的效果更好。其中,升降臂111的具体工作原理为:当医护人员转动摇杆123,在摇杆123的作用下,第二螺旋锥齿轮122转动,从而带动与其啮合的第一螺旋锥齿轮121转动,此时第一螺旋锥齿轮121上端连接的丝杆118转动,从而驱动连接块119沿套筒115的长度方向滑动,在连接块119的作用下,其两侧连接的伸缩杆120可伸出或回收至第二安装腔内,从而调节升降臂111的长度。In this embodiment, under the action of the angle adjustment mechanism 113 and the
具体地,所述调节机构包括与所述第三转轴同轴设置,并可随升降臂111同步转动的棘轮124,对应所述棘轮124还设置有制动开关125,其中,所述制动开关125包括固定连接在所述主题侧壁上的圆形壳腔126,所述壳腔126位于所述棘轮124与所述主体1之间,且其轴心开设有供第三转轴穿过的通孔,靠近所述棘轮124设置有与其配合的制动棘爪127,所述制动棘爪127通过带有扭簧的第五转轴与所述壳腔126的内腔壁铰接,其末端还设置有拨片128,所述壳腔126的侧壁还开设有限位槽129,所述拨片128穿过所述限位槽129向外延伸,在自然状态下,所述制动棘爪127与所述棘轮124相互抵持。Specifically, the adjusting mechanism includes a
在本实施中,当医护人员转动升降臂111使其与病床20床面之间的夹角增大时,在第三转轴的作用下,棘轮124随之同步转动,此时制动棘爪127沿着棘轮124边缘分布的棘爪背部移动,因此在无需拨动拨片128的情况下,即可增大升降臂111与床面之间的夹角,当患者的腘窝放置在腿托112上时,由于此时制动棘爪127抵持在棘轮124边缘的相邻两个棘爪之间,拨片128与限位槽129的槽壁相互抵持,因此棘轮124仅可以沿升降臂111与床面夹角增大的方向转动,而不能沿升降臂111与床面夹角减小的方向转动,所以即使在腿托112受到患者腿部实际的压力,升降臂111与床面之间的夹角也不会增大,从而将患者的腘窝支撑在一个合适的功能位置,而当医护人员需要减小升降臂111与床面之间的夹角时,可通过拨动拨片128使制动棘爪127脱离棘轮124,此时棘轮124即可沿任意方向转动。In this implementation, when the medical staff rotates the
请参阅图12,基于上述结构,本发明还提供了一种长期卧床患者专用洗脚装置的控制方法,包括以下步骤:Please refer to FIG. 12, based on the above structure, the present invention also provides a control method of a special foot washing device for long-term bedridden patients, including the following steps:
S1:启动控制装置12,控制装置12控制双轴蜗轮蜗杆电机转动,并接收温度采集装置7采集到的足浴池2实时水温W1;S1: start the
S2:控制装置12将实时水温W1与水温阀值W进行比对,并判断W1是否小于W,如是,则进入步骤S3;S2: The
S3:控制装置12控制循环泵902与加热器903工作,并将实时水温W1与水温阀值W进行比对,并判断W1是否等于或大于W,如是,则关闭循环泵902和加热器903,并返回步骤S2;S3: The
S4:控制装置12判断洗脚时间T1是否到达预设的时间阀值T,如是,进入步骤S5;S4: the control device 12 determines whether the foot washing time T1 reaches the preset time threshold T, if so, go to step S5;
S5:控制装置12启动潜水泵302,并判断潜水泵302工作时间T3是否到达预设的时间阀值T2,如是,则关闭潜水泵302,并进入步骤S6;S5: the control device 12 starts the
S6:控制装置12启动烘干装置5工作,并判断烘干装置5工作时间T5是否到达预设的时间阀值T4,如是,则关闭烘干装置5及双轴蜗轮蜗杆电机,完成洗脚。S6: The
以上所揭露的仅为本发明一种较佳实施例而已,当然不能以此来限定本发明之权利范围,本领域普通技术人员可以理解实现上述实施例的全部或部分流程,并依本发明权利要求所作的等同变化,仍属于发明所涵盖的范围。The above disclosure is only a preferred embodiment of the present invention, and of course, it cannot limit the scope of rights of the present invention. Those of ordinary skill in the art can understand that all or part of the process for realizing the above-mentioned embodiment can be realized according to the rights of the present invention. The equivalent changes required to be made still belong to the scope covered by the invention.
Claims (10)
Priority Applications (1)
| Application Number | Priority Date | Filing Date | Title |
|---|---|---|---|
| CN202010812290.5A CN111789727B (en) | 2020-08-13 | 2020-08-13 | A special foot washing device for long-term bedridden patients and its control method |
Applications Claiming Priority (1)
| Application Number | Priority Date | Filing Date | Title |
|---|---|---|---|
| CN202010812290.5A CN111789727B (en) | 2020-08-13 | 2020-08-13 | A special foot washing device for long-term bedridden patients and its control method |
Publications (2)
| Publication Number | Publication Date |
|---|---|
| CN111789727A true CN111789727A (en) | 2020-10-20 |
| CN111789727B CN111789727B (en) | 2024-09-13 |
Family
ID=72834376
Family Applications (1)
| Application Number | Title | Priority Date | Filing Date |
|---|---|---|---|
| CN202010812290.5A Active CN111789727B (en) | 2020-08-13 | 2020-08-13 | A special foot washing device for long-term bedridden patients and its control method |
Country Status (1)
| Country | Link |
|---|---|
| CN (1) | CN111789727B (en) |
Cited By (3)
| Publication number | Priority date | Publication date | Assignee | Title |
|---|---|---|---|---|
| CN115381650A (en) * | 2022-07-29 | 2022-11-25 | 穆玉仙 | A daily auxiliary nursing device for bedridden patients |
| CN116747132A (en) * | 2023-08-18 | 2023-09-15 | 山东艾琳智能科技有限公司 | Massage foot washing device and implementation method thereof |
| CN117653538A (en) * | 2024-01-19 | 2024-03-08 | 吉林大学 | A joint pain relief device based on drug injection |
Citations (6)
| Publication number | Priority date | Publication date | Assignee | Title |
|---|---|---|---|---|
| KR100632828B1 (en) * | 2005-10-12 | 2006-10-16 | 주식회사 엔젤전자산업 | Footbath with massage function |
| CN202179655U (en) * | 2011-08-05 | 2012-04-04 | 三峡大学第一临床医学院 | Bedridden patient uses bed washbasin |
| CN108852095A (en) * | 2018-06-13 | 2018-11-23 | 安徽省龙凤科技有限公司 | A kind of water circulation system about foot-bathing bucket |
| CN210932410U (en) * | 2019-08-28 | 2020-07-07 | 华中科技大学同济医学院附属协和医院 | Bed head washing instrument for bedridden patient |
| CN211095749U (en) * | 2019-05-15 | 2020-07-28 | 华中科技大学同济医学院附属协和医院 | A passive motion rehabilitation instrument for lower limbs of bedridden patients |
| CN212326824U (en) * | 2020-08-13 | 2021-01-12 | 华中科技大学同济医学院附属协和医院 | A special foot washing device for long-term bedridden patients |
-
2020
- 2020-08-13 CN CN202010812290.5A patent/CN111789727B/en active Active
Patent Citations (6)
| Publication number | Priority date | Publication date | Assignee | Title |
|---|---|---|---|---|
| KR100632828B1 (en) * | 2005-10-12 | 2006-10-16 | 주식회사 엔젤전자산업 | Footbath with massage function |
| CN202179655U (en) * | 2011-08-05 | 2012-04-04 | 三峡大学第一临床医学院 | Bedridden patient uses bed washbasin |
| CN108852095A (en) * | 2018-06-13 | 2018-11-23 | 安徽省龙凤科技有限公司 | A kind of water circulation system about foot-bathing bucket |
| CN211095749U (en) * | 2019-05-15 | 2020-07-28 | 华中科技大学同济医学院附属协和医院 | A passive motion rehabilitation instrument for lower limbs of bedridden patients |
| CN210932410U (en) * | 2019-08-28 | 2020-07-07 | 华中科技大学同济医学院附属协和医院 | Bed head washing instrument for bedridden patient |
| CN212326824U (en) * | 2020-08-13 | 2021-01-12 | 华中科技大学同济医学院附属协和医院 | A special foot washing device for long-term bedridden patients |
Cited By (6)
| Publication number | Priority date | Publication date | Assignee | Title |
|---|---|---|---|---|
| CN115381650A (en) * | 2022-07-29 | 2022-11-25 | 穆玉仙 | A daily auxiliary nursing device for bedridden patients |
| CN115381650B (en) * | 2022-07-29 | 2023-08-08 | 穆玉仙 | A daily auxiliary nursing device for bedridden patients |
| CN116747132A (en) * | 2023-08-18 | 2023-09-15 | 山东艾琳智能科技有限公司 | Massage foot washing device and implementation method thereof |
| CN116747132B (en) * | 2023-08-18 | 2024-03-08 | 山东艾琳智能科技有限公司 | Massage foot washing device and implementation method thereof |
| CN117653538A (en) * | 2024-01-19 | 2024-03-08 | 吉林大学 | A joint pain relief device based on drug injection |
| CN117653538B (en) * | 2024-01-19 | 2025-11-21 | 吉林大学 | Joint pain relieving device based on medicine injection |
Also Published As
| Publication number | Publication date |
|---|---|
| CN111789727B (en) | 2024-09-13 |
Similar Documents
| Publication | Publication Date | Title |
|---|---|---|
| CN212326824U (en) | A special foot washing device for long-term bedridden patients | |
| CN111789727A (en) | A special foot washing device for long-term bedridden patients and control method thereof | |
| KR101254198B1 (en) | Technical Bed for Patient | |
| CN111494118A (en) | Bathtub suitable for nursing bed and nursing bed | |
| KR20050091148A (en) | A bathtub system | |
| CN107496104A (en) | A kind of Multi-functional health-care patient bed | |
| CN109124932A (en) | A kind of multifunctional rehabilitation physical therapy bed for helping to leave the bed and its application method | |
| KR200351391Y1 (en) | a bathtub system | |
| CN209575245U (en) | A footbath for psychiatric nursing | |
| CN109124929A (en) | A kind of multifunctional rehabilitation physical therapy bed massaged and its application method | |
| CN218338302U (en) | Foot bath barrel for bedridden patient | |
| JP2764003B2 (en) | Nursing care equipment for bedridden patients | |
| CN216535051U (en) | Foot bath device suitable for bedridden patients | |
| CN218738590U (en) | Semi-automatic bathing-assisting and monitoring device for old people | |
| CN213076517U (en) | A fully automatic constant temperature sitz bath device with both foot soaking function | |
| CN217162545U (en) | Pediatric examination diagnosis and treatment bed | |
| JP3150311B2 (en) | Bathing equipment | |
| CN222955681U (en) | A sitz bath treatment chair for patients with varicocele | |
| CN219000836U (en) | Warming device | |
| CN217960677U (en) | Foot sole massage device | |
| CN222172000U (en) | Bath assisting equipment | |
| CN210384163U (en) | Knee curing means | |
| CN216932909U (en) | Self-service bathing device | |
| CN212438401U (en) | A foot soaker for long-term bedridden patients | |
| CN213607724U (en) | Medical care is with device of washing hair on bed |
Legal Events
| Date | Code | Title | Description |
|---|---|---|---|
| PB01 | Publication | ||
| PB01 | Publication | ||
| SE01 | Entry into force of request for substantive examination | ||
| SE01 | Entry into force of request for substantive examination | ||
| GR01 | Patent grant | ||
| GR01 | Patent grant |
