CN111725781B - 一种基于热风枪的保护电路及方法 - Google Patents
一种基于热风枪的保护电路及方法 Download PDFInfo
- Publication number
- CN111725781B CN111725781B CN202010568513.8A CN202010568513A CN111725781B CN 111725781 B CN111725781 B CN 111725781B CN 202010568513 A CN202010568513 A CN 202010568513A CN 111725781 B CN111725781 B CN 111725781B
- Authority
- CN
- China
- Prior art keywords
- resistor
- pin
- mos transistor
- control chip
- capacitor
- Prior art date
- Legal status (The legal status is an assumption and is not a legal conclusion. Google has not performed a legal analysis and makes no representation as to the accuracy of the status listed.)
- Active
Links
- 238000000034 method Methods 0.000 title claims abstract description 19
- 238000010438 heat treatment Methods 0.000 claims abstract description 34
- 239000003990 capacitor Substances 0.000 claims description 64
- 230000000087 stabilizing effect Effects 0.000 claims description 11
- 229910044991 metal oxide Inorganic materials 0.000 claims 1
- 150000004706 metal oxides Chemical class 0.000 claims 1
- 239000004065 semiconductor Substances 0.000 claims 1
- 230000001960 triggered effect Effects 0.000 abstract description 5
- 238000010586 diagram Methods 0.000 description 7
- 230000009977 dual effect Effects 0.000 description 7
- 230000002159 abnormal effect Effects 0.000 description 5
- 230000005856 abnormality Effects 0.000 description 2
- 238000005476 soldering Methods 0.000 description 2
- 230000001052 transient effect Effects 0.000 description 2
- ATJFFYVFTNAWJD-UHFFFAOYSA-N Tin Chemical compound [Sn] ATJFFYVFTNAWJD-UHFFFAOYSA-N 0.000 description 1
- 230000009286 beneficial effect Effects 0.000 description 1
- 230000007547 defect Effects 0.000 description 1
- 238000001514 detection method Methods 0.000 description 1
- 230000007774 longterm Effects 0.000 description 1
- 238000012986 modification Methods 0.000 description 1
- 230000004048 modification Effects 0.000 description 1
- 238000012544 monitoring process Methods 0.000 description 1
- 230000002035 prolonged effect Effects 0.000 description 1
Images
Classifications
-
- H—ELECTRICITY
- H02—GENERATION; CONVERSION OR DISTRIBUTION OF ELECTRIC POWER
- H02H—EMERGENCY PROTECTIVE CIRCUIT ARRANGEMENTS
- H02H3/00—Emergency protective circuit arrangements for automatic disconnection directly responsive to an undesired change from normal electric working condition with or without subsequent reconnection ; integrated protection
- H02H3/38—Emergency protective circuit arrangements for automatic disconnection directly responsive to an undesired change from normal electric working condition with or without subsequent reconnection ; integrated protection responsive to both voltage and current; responsive to phase angle between voltage and current
-
- B—PERFORMING OPERATIONS; TRANSPORTING
- B23—MACHINE TOOLS; METAL-WORKING NOT OTHERWISE PROVIDED FOR
- B23K—SOLDERING OR UNSOLDERING; WELDING; CLADDING OR PLATING BY SOLDERING OR WELDING; CUTTING BY APPLYING HEAT LOCALLY, e.g. FLAME CUTTING; WORKING BY LASER BEAM
- B23K3/00—Tools, devices, or special appurtenances for soldering, e.g. brazing, or unsoldering, not specially adapted for particular methods
- B23K3/04—Heating appliances
-
- H—ELECTRICITY
- H02—GENERATION; CONVERSION OR DISTRIBUTION OF ELECTRIC POWER
- H02H—EMERGENCY PROTECTIVE CIRCUIT ARRANGEMENTS
- H02H3/00—Emergency protective circuit arrangements for automatic disconnection directly responsive to an undesired change from normal electric working condition with or without subsequent reconnection ; integrated protection
- H02H3/08—Emergency protective circuit arrangements for automatic disconnection directly responsive to an undesired change from normal electric working condition with or without subsequent reconnection ; integrated protection responsive to excess current
- H02H3/087—Emergency protective circuit arrangements for automatic disconnection directly responsive to an undesired change from normal electric working condition with or without subsequent reconnection ; integrated protection responsive to excess current for DC applications
-
- H—ELECTRICITY
- H02—GENERATION; CONVERSION OR DISTRIBUTION OF ELECTRIC POWER
- H02H—EMERGENCY PROTECTIVE CIRCUIT ARRANGEMENTS
- H02H3/00—Emergency protective circuit arrangements for automatic disconnection directly responsive to an undesired change from normal electric working condition with or without subsequent reconnection ; integrated protection
- H02H3/08—Emergency protective circuit arrangements for automatic disconnection directly responsive to an undesired change from normal electric working condition with or without subsequent reconnection ; integrated protection responsive to excess current
- H02H3/093—Emergency protective circuit arrangements for automatic disconnection directly responsive to an undesired change from normal electric working condition with or without subsequent reconnection ; integrated protection responsive to excess current with timing means
-
- H—ELECTRICITY
- H02—GENERATION; CONVERSION OR DISTRIBUTION OF ELECTRIC POWER
- H02H—EMERGENCY PROTECTIVE CIRCUIT ARRANGEMENTS
- H02H3/00—Emergency protective circuit arrangements for automatic disconnection directly responsive to an undesired change from normal electric working condition with or without subsequent reconnection ; integrated protection
- H02H3/08—Emergency protective circuit arrangements for automatic disconnection directly responsive to an undesired change from normal electric working condition with or without subsequent reconnection ; integrated protection responsive to excess current
- H02H3/10—Emergency protective circuit arrangements for automatic disconnection directly responsive to an undesired change from normal electric working condition with or without subsequent reconnection ; integrated protection responsive to excess current additionally responsive to some other abnormal electrical conditions
-
- H—ELECTRICITY
- H02—GENERATION; CONVERSION OR DISTRIBUTION OF ELECTRIC POWER
- H02H—EMERGENCY PROTECTIVE CIRCUIT ARRANGEMENTS
- H02H3/00—Emergency protective circuit arrangements for automatic disconnection directly responsive to an undesired change from normal electric working condition with or without subsequent reconnection ; integrated protection
- H02H3/24—Emergency protective circuit arrangements for automatic disconnection directly responsive to an undesired change from normal electric working condition with or without subsequent reconnection ; integrated protection responsive to undervoltage or no-voltage
- H02H3/243—Emergency protective circuit arrangements for automatic disconnection directly responsive to an undesired change from normal electric working condition with or without subsequent reconnection ; integrated protection responsive to undervoltage or no-voltage for DC systems
-
- H—ELECTRICITY
- H02—GENERATION; CONVERSION OR DISTRIBUTION OF ELECTRIC POWER
- H02H—EMERGENCY PROTECTIVE CIRCUIT ARRANGEMENTS
- H02H3/00—Emergency protective circuit arrangements for automatic disconnection directly responsive to an undesired change from normal electric working condition with or without subsequent reconnection ; integrated protection
- H02H3/24—Emergency protective circuit arrangements for automatic disconnection directly responsive to an undesired change from normal electric working condition with or without subsequent reconnection ; integrated protection responsive to undervoltage or no-voltage
- H02H3/247—Emergency protective circuit arrangements for automatic disconnection directly responsive to an undesired change from normal electric working condition with or without subsequent reconnection ; integrated protection responsive to undervoltage or no-voltage having timing means
-
- H—ELECTRICITY
- H02—GENERATION; CONVERSION OR DISTRIBUTION OF ELECTRIC POWER
- H02J—CIRCUIT ARRANGEMENTS OR SYSTEMS FOR SUPPLYING OR DISTRIBUTING ELECTRIC POWER; SYSTEMS FOR STORING ELECTRIC ENERGY
- H02J7/00—Circuit arrangements for charging or depolarising batteries or for supplying loads from batteries
- H02J7/0029—Circuit arrangements for charging or depolarising batteries or for supplying loads from batteries with safety or protection devices or circuits
- H02J7/00304—Overcurrent protection
-
- H—ELECTRICITY
- H02—GENERATION; CONVERSION OR DISTRIBUTION OF ELECTRIC POWER
- H02J—CIRCUIT ARRANGEMENTS OR SYSTEMS FOR SUPPLYING OR DISTRIBUTING ELECTRIC POWER; SYSTEMS FOR STORING ELECTRIC ENERGY
- H02J7/00—Circuit arrangements for charging or depolarising batteries or for supplying loads from batteries
- H02J7/0029—Circuit arrangements for charging or depolarising batteries or for supplying loads from batteries with safety or protection devices or circuits
- H02J7/0031—Circuit arrangements for charging or depolarising batteries or for supplying loads from batteries with safety or protection devices or circuits using battery or load disconnect circuits
Landscapes
- Engineering & Computer Science (AREA)
- Power Engineering (AREA)
- Mechanical Engineering (AREA)
- Protection Of Static Devices (AREA)
- Emergency Protection Circuit Devices (AREA)
Abstract
本发明提出了一种基于热风枪的保护电路,包括电池包模块、控制模块、第一负载模块和第二负载模块,还基于同样的思路提出了一种基于热风枪的保护方法,包括:通过控制模块采集热风枪的输入电压和输出电流,根据输入电压和输出电流分析热风枪的功率状态,根据分析结果控制第一负载模块中电机和第二负载模块中发热芯的工作状态。通过将热风枪的输入电压和输出电流分别与对应的预设阈值进行比较的方式,监控热风枪工作时的功率状态。无论功率过高还是过低都能触发对应的保护机制,达到了保护热风枪使用的目的。
Description
技术领域
本发明属于热风枪控制电路领域,尤其涉及一种基于热风枪的保护电路及方法。
背景技术
在对印刷电路板进行调试时,通常需要用到热风枪溶解印刷电路板的焊锡,从而进行元件的摘取和焊接操作。现有技术中,当温度出现异常时,热风枪通常通过可熔断的装置使热风枪断电,从而避免功率过高导致损坏热风枪,然而不仅功率过高会影响热风枪的使用,长期功率过低同样会损坏热风枪的电池包,进而影响热风枪的使用寿命,而传统的保护手段只有在热风枪的功率过高时才有效,无法在功率过低时保护热风枪的使用。
发明内容
为了解决现有技术中存在的缺点和不足,本发明提出了一种基于热风枪的保护电路,包括用于接入电池包为热风枪保护电路供电的电池包模块,所述电路包括:
控制模块,用于采集热风枪的输入电压和输出电流,并根据输入电压和输出电流分析热风枪的功率状态,根据分析结果通过控制芯片U1的引脚6和引脚10输出控制信号;
第一负载模块,用于根据控制芯片U1的引脚6输出的控制信号,通过控制MOS管Q7的通断控制热风枪中电机的工作状态;
第二负载模块,用于根据控制芯片U1的引脚10输出的控制信号,通过控制MOS管Q8的通断控制热风枪中发热芯的工作状态。
可选的,所述电池包模块包括单刀双掷开关S1、MOS管Q1、MOS管Q2、MOS管Q3、三极管Q5、稳压二极管D1、稳压二极管D2、稳压芯片VR1、电容C1、电容C2、电容C3、电阻R1、电阻R2、电阻R3、电阻R4、电阻R5、电阻R6、电阻R7、电阻R8、电阻R10、电阻R12、电阻R15、电阻R18、电阻R19、电阻R27、电阻R28和电阻R29;
第一电池包的B1-极接地,所述单刀双掷开关S1的引脚1连接所述MOS管Q1的源极,所述单刀双掷开关S1的引脚2同时连接第一电池包的B1+极和第二电池包的B2-极,所述单刀双掷开关S1的引脚3连接所述MOS管Q3的漏极;
所述MOS管Q1的源极连接所述电阻R3的第一端,所述MOS管Q1的栅极分别连接所述电阻R3的第二端和所述电阻R4的第一端,所述MOS管Q1的漏极连接所述电阻R1的第一端;所述MOS管Q2的源极连接GND,所述MOS管Q2的漏极连接所述电阻R4的第二端,所述MOS管Q2的栅极连接所述电阻R6的第一端;所述MOS管Q3的源极连接所述电阻R7的第一端,所述MOS管Q3的漏极连接所述稳压二极管D1的第一端,所述MOS管Q3的栅极连接所述电阻R10的第一端;所述三极管Q5的集电极连接所述电阻R10的第二端,所述三极管Q5的发射极连接GND,所述三极管Q5的基极连接所述电阻R19的第一端;
所述稳压二极管D1的第一端同时连接BAT+和第二电池包的B2+极,所述稳压二极管D1的第二端连接所述电阻R10的第一端;所述稳压二极管D2的第一端连接B+,所述稳压二极管D2的第二端连接所述稳压芯片VR1的GND引脚;
所述稳压芯片VR1的Vin引脚连接所述电容C1的第一端,所述稳压芯片VR1的Vout引脚连接VDD,所述稳压芯片VR1的GND引脚连接GND;
所述电容C1并联在所述稳压芯片VR1的Vin引脚和GND引脚之间,所述电容C2并联在所述稳压芯片VR1的Vout引脚和GND引脚之间,所述电容C3的第一端连接所述电阻R15的第二端,所述电容C3的第二端连接所述三极管Q5的基极;
所述电阻R1的第二端连接所述控制芯片U1的引脚5,所述电阻R2的第一端连接所述电阻R1的第二端,所述电阻R2的第二端连接所述MOS管Q2的源极,所述电阻R5并联在所述MOS管Q2的源极和栅极之间,所述电阻R6的第二端连接所述控制芯片U1的引脚7,所述电阻R7的第一端连接B+,所述电阻R7的第二端连接所述电容C1的第一端,所述电阻R8的第一端连接所述稳压二极管D1的第一端,所述电阻R8的第二端连接所述MOS管Q3的栅极,所述电阻R12的第一端连接所述控制芯片U1的引脚9,所述电阻R12的第二端连接所述三极管Q5的基极,所述电阻R15的第一端连接p-端,所述电阻R18的第一端连接p-端,所述电阻R18的第二端连接所述三极管Q5的发射极,所述电阻R19的第二端连接所述三极管Q5的发射极;所述电阻R27的第一端连接B+,所述电阻R27的第二端连接所述电阻R28的第一端,所述电阻R28的第二端连接所述控制芯片U1的引脚3,所述电阻R29的第一端连接所述电阻R27的第二端,所述电阻R29的第二端连接GND。
可选的,所述控制模块包括控制芯片U1和电容C4;
所述控制芯片U1的引脚1连接VDD,所述控制芯片U1的引脚2连接GND,所述电容C4的第一端连接VDD,所述电容C4的第二端连接GND。
可选的,所述第一负载模块包括MOS管Q7、电机M、电容C6、电阻R16、电阻R20、电阻R24和电阻R26;
所述MOS管Q7的栅极连接所述电阻R20的第一端,所述MOS管Q7的源极连接所述电阻R20的第二端,所述MOS管Q7的漏极连接所述电机M的第二端,所述电机M的第一端连接BAT+;
所述电容C6的第一端连接所述控制芯片U1的引脚8,所述电容C6的第二端连接所述电阻R26的第二端;
所述电阻R16的第一端连接所述控制芯片U1的引脚6,所述电阻R16的第二端连接所述MOS管Q7的栅极,所述电阻R24的第一端连接所述电容C6的第一端,所述电阻R24的第二端连接所述MOS管Q7的源极,所述电阻R26的第一端连接所述MOS管Q7的源极,所述电阻R26的第二端连接GND。
可选的,所述第二负载模块包括MOS管Q4、MOS管Q6、MOS管Q8、发热芯R9、电容C5、电阻R11、电阻R13、电阻R14、电阻R17、电阻R21、电阻R22、电阻R23和电阻R25;
所述MOS管Q4的源极连接BAT+,所述MOS管Q4的漏极连接所述电阻R14的第一端,所述MOS管Q4的栅极连接所述电阻R13的第一端;所述MOS管Q6的漏极连接发热芯R9的第二端,所述MOS管Q6的源极连接所述电阻R25的第一端,所述MOS管Q6的栅极连接所述电阻R14的第二端;所述MOS管Q8的漏极连接所述电阻R13的第二端,所述MOS管Q8的源极连接GND,所述MOS管Q8的栅极连接所述电阻R23的第一端;
所述发热芯R9的第一端连接BAT+,所述发热芯R9的第二端连接所述MOS管Q6的漏极;
所述电容C5的第一端连接所述控制芯片U1的引脚12,所述电容C5的第二端连接所述R25的第二端;
所述电阻R11的第一端连接BAT+,所述电阻R11的第二端连接所述MOS管Q4的栅极,所述电阻R17的第一端连接所述MOS管Q6的栅极,所述电阻R17的第二端连接所述MOS管Q6的源极,所述电阻R21的第一端连接所述控制芯片U1的引脚10,所述电阻R21的第二端连接所述MOS管Q8的栅极,所述电阻R22的第一端连接所述电容C5的第一端,所述电阻R22的第二端连接所述电阻R25的第一端,所述电阻R23的第二端连接所述MOS管Q8的源极,所述电阻R25的第二端连接GND。
本发明还基于同样的思路提出了一种基于热风枪的保护方法,所述保护方法基于上述的保护电路实现,包括:
通过控制模块采集热风枪的输入电压和输出电流;
根据输入电压和输出电流分析热风枪的功率状态,根据分析结果通过控制模块中控制芯片U1的引脚6和引脚10输出控制信号;
根据控制芯片U1的引脚10输出的控制信号,通过控制第二负载模块中MOS管Q8的通断控制发热芯的工作状态;
根据控制芯片U1的引脚6输出的控制信号,通过控制第一负载模块中MOS管Q7的通断控制电机的工作状态。
可选的,所述通过控制模块采集热风枪的输入电压和输出电流,包括:
通过采集电池包模块中电阻R28处的分压,得到热风枪的输入电压;
通过分别采集控制模块中控制芯片U1的引脚8和引脚12处的电流,依次得到热风枪的第一输出电流和第二输出电流。
可选的,所述根据输入电压和输出电流分析热风枪的功率状态,根据分析结果通过控制模块中控制芯片U1的引脚6和引脚10输出控制信号,包括:
当控制模块采集到的输入电压不大于预设电压阈值时,获取输入电压不大于预设电压阈值的持续时间,若持续时间超过设定时间,则通过控制芯片U1的引脚6和引脚10生成用于停止热风枪工作的控制信号;
当控制模块采集到的第一输出电流和第二输出电流中的任意一项不小于预设电流阈值时,获取输出电流不小于预设电流阈值的持续时间,若持续时间超过设定时间,则通过控制芯片U1的引脚6和引脚10生成用于停止热风枪工作的控制信号。
可选的,所述根据控制芯片U1的引脚10输出的控制信号,通过控制第二负载模块中MOS管Q8的通断控制发热芯的工作状态,包括:
根据来自控制芯片U1的引脚10输出的控制信号,控制第二负载模块中MOS管Q8关断,停止第二负载模块中的发热芯工作。
可选的,所述根据控制芯片U1的引脚6输出的控制信号,通过控制第一负载模块中MOS管Q7的通断控制电机的工作状态,包括:
根据来自控制芯片U1的引脚6输出的控制信号,控制第一负载模块中MOS管Q7关断,停止第一负载模块中的电机工作。
本发明提供的技术方案带来的有益效果是:
采集热风枪的输入电压和输出电流,通过将热风枪的输入电压和输出电流分别与对应的预设阈值进行比较的方式,监控热风枪工作时的功率状态。无论功率过高还是过低都能触发对应的保护机制,控制热风枪的发热芯和电机停止工作,避免因功率异常损坏电池包的情况发生,同时达到了保护热风枪使用的目的。
附图说明
为了更清楚地说明本发明的技术方案,下面将对实施例描述中所需要使用的附图作简单地介绍,显而易见地,下面描述中的附图仅仅是本发明的一些实施例,对于本领域普通技术人员来讲,在不付出创造性劳动的前提下,还可以根据这些附图获得其他的附图。
图1为本发明提出的一种基于热风枪的保护电路的结构框图;
图2为热风枪保护电路中的电池包模块电路图;
图3为热风枪保护电路中的控制模块电路图;
图4为热风枪保护电路中的第一负载模块和第二负载电路图;
图5为本发明提出的一种基于热风枪的保护方法的流程示意图
图6为判断热风枪保护机制的流程图。
具体实施方式
为使本发明的结构和优点更加清楚,下面将结合附图对本发明的结构作进一步地描述。
实施例一
如图1所示,本发明提出了一种基于热风枪的保护电路100,所述保护电路100包括:
电池包模块101,用于接入电池包为热风枪保护电路供电;
控制模块102,用于采集热风枪的输入电压和输出电流,并根据输入电压和输出电流分析热风枪的功率状态,根据分析结果通过控制芯片U1的引脚6和引脚10输出控制信号;
第一负载模块103,用于根据控制芯片U1的引脚6输出的控制信号,通过控制MOS管Q7的通断控制热风枪中电机的工作状态;
第二负载模块104,用于根据控制芯片U1的引脚10输出的控制信号,通过控制MOS管Q8的通断控制热风枪中发热芯的工作状态。
通过控制模块102分析热风枪工作时的功率是否有异常情况,既可以分析到功率过高的情况,也可以分析到功率过低的情况,并根据出现的异常情况控制热风枪停止工作,达到保护热风枪的目的。
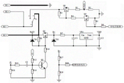
所述电池包模块101的电路图如图2所示,包括单刀双掷开关S1、MOS管Q1、MOS管Q2、MOS管Q3、三极管Q5、稳压二极管D1、稳压二极管D2、稳压芯片VR1、电容C1、电容C2、电容C3、电阻R1、电阻R2、电阻R3、电阻R4、电阻R5、电阻R6、电阻R7、电阻R8、电阻R10、电阻R12、电阻R15、电阻R18、电阻R19、电阻R27、电阻R28和电阻R29;
第一电池包的B1-极接地,所述单刀双掷开关S1的引脚1连接所述MOS管Q1的源极,所述单刀双掷开关S1的引脚2同时连接第一电池包的B1+极和第二电池包的B2-极,所述单刀双掷开关S1的引脚3连接所述MOS管Q3的漏极;
所述MOS管Q1的源极连接所述电阻R3的第一端,所述MOS管Q1的栅极分别连接所述电阻R3的第二端和所述电阻R4的第一端,所述MOS管Q1的漏极连接所述电阻R1的第一端;所述MOS管Q2的源极连接GND,所述MOS管Q2的漏极连接所述电阻R4的第二端,所述MOS管Q2的栅极连接所述电阻R6的第一端;所述MOS管Q3的源极连接所述电阻R7的第一端,所述MOS管Q3的漏极连接所述稳压二极管D1的第一端,所述MOS管Q3的栅极连接所述电阻R10的第一端;所述三极管Q5的集电极连接所述电阻R10的第二端,所述三极管Q5的发射极连接GND,所述三极管Q5的基极连接所述电阻R19的第一端;
所述稳压二极管D1的第一端同时连接BAT+和第二电池包的B2+极,所述稳压二极管D1的第二端连接所述电阻R10的第一端;所述稳压二极管D2的第一端连接B+,所述稳压二极管D2的第二端连接所述稳压芯片VR1的GND引脚;
所述稳压芯片VR1的Vin引脚连接所述电容C1的第一端,所述稳压芯片VR1的Vout引脚连接VDD,所述稳压芯片VR1的GND引脚连接GND;
所述电容C1并联在所述稳压芯片VR1的Vin引脚和GND引脚之间,所述电容C2并联在所述稳压芯片VR1的Vout引脚和GND引脚之间,所述电容C3的第一端连接所述电阻R15的第二端,所述电容C3的第二端连接所述三极管Q5的基极;
所述电阻R1的第二端连接所述控制芯片U1的引脚5,所述电阻R2的第一端连接所述电阻R1的第二端,所述电阻R2的第二端连接所述MOS管Q2的源极,所述电阻R5并联在所述MOS管Q2的源极和栅极之间,所述电阻R6的第二端连接所述控制芯片U1的引脚7,所述电阻R7的第一端连接B+,所述电阻R7的第二端连接所述电容C1的第一端,所述电阻R8的第一端连接所述稳压二极管D1的第一端,所述电阻R8的第二端连接所述MOS管Q3的栅极,所述电阻R12的第一端连接所述控制芯片U1的引脚9,所述电阻R12的第二端连接所述三极管Q5的基极,所述电阻R15的第一端连接p-,所述电阻R18的第一端连接p-,所述电阻R18的第二端连接所述三极管Q5的发射极,所述电阻R19的第二端连接所述三极管Q5的发射极;所述电阻R27的第一端连接B+,所述电阻R27的第二端连接所述电阻R28的第一端,所述电阻R28的第二端连接所述控制芯片U1的引脚3,所述电阻R29的第一端连接所述电阻R27的第二端,所述电阻R29的第二端连接GND。
电池包模块101中的电阻R1和R2之间引出双电压端连接到控制芯片U1的引脚5,引脚5接收到的电压用于检测电池包的数量。当电池包为单包时,单刀双掷开关S1的引脚2和引脚3相连,P-端瞬间得到高电平,经电阻R15、电容C3使三极管Q5导通,进而MOS管Q3也导通。此时电阻R1和电阻R2所在的电路未接入电池包,因此控制芯片U1的引脚5处未检测到电压,判定电池包为单包使用,在本实施例中,一个电池包的电压为18V,经稳压芯片VR1将一个电池包的电压转换为供电电压输出。当电池包为双包时,单刀双掷开关S1的引脚2和引脚1相连,P-端瞬间得到高电平,经电阻R15、电容C3使三极管Q5导通,进而MOS管Q3也导通。此时电阻R1和电阻R2所在的电路接入电池包,因此控制芯片U1的引脚7处检测到电压,判定电池包为双包使用,在本实施例中,双电池包的电压为36V,经稳压芯片VR1将双电池包的电压转换为供电电压输出。
传统的热风枪只支持一个电池包供电使用,而本实施例中可以使用双电池包为热风枪供电,通过本发明提出的一种基于双电池包的热风枪保护电路,使热风枪无论使用单电池包还是双电池包供电都能以恒定的功率工作,同时增加了电池容量,进而提高了热风枪的续航能力。
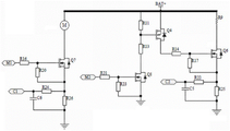
所述控制模块102的电路图如图3所示,包括控制芯片U1和电容C4;所述控制芯片U1的引脚1连接VDD,所述控制芯片U1的引脚2连接GND,所述电容C4的第一端连接VDD,所述电容C4的第二端连接GND。
控制芯片U1的引脚3作为检测电池电压端与电池包模块101中的电阻R28第二端连接,用于检测热风枪的输入电压是否处于欠压状态;控制芯片U1的引脚5作为双电压端连接在电池包模块101中的电阻R1和电阻R2之间,用于使控制芯片U1控制热风枪的以额定功率的50%工作;控制芯片U1的引脚6作为M1端连接负载模块103中的电阻R16的第一端,用于控制热风枪中电机的工作功率以及当热风枪的输入电压处于欠压状态时关断电机;控制芯片U1的引脚7作为双电压检测端连接电池包模块101中的电阻R6的第二端,用于检测电池包数量;控制芯片U1的引脚8作为C1端连接负载模块103中的电阻R24的第一端,用于检测当热风枪的输出电流处于过流状态时关断电机;控制芯片U1的引脚9作为D端连接电池包模块101中的电阻R12的第一端;控制芯片U1的引脚10作为M2端连接负载模块103中的电阻R21的第一端,用于控制热风枪中发热芯的工作功率以及当热风枪的输入电压处于欠压状态时关断发热芯;控制芯片U1的引脚12作为C2端连接负载模块103中的电阻R22的第一端,用于检测当热风枪的输出电流处于过流状态时关断发热芯。
由控制模块102根据采集到的热风枪的输入电压和输出电流,判断热风枪是否处于欠压状态或过流状态,并根据判断结果控制热风枪中的电机和发热芯的工作状态,从而实现在热风枪功率过高和过低的情况下都能触发相应的保护机制,为热风枪的正常使用提供保障的同时避免了电池包因功率异常而损坏的情况发生。
所述负载模块103的电路图如图4所示,包括以电机作为负载的第一负载模块和以发热芯作为负载的第二负载模块。
所述第一负载模块包括MOS管Q7、电机M、电容C6、电阻R16、电阻R20、电阻R24和电阻R26;
所述MOS管Q7的栅极连接所述电阻R20的第一端,所述MOS管Q7的源极连接所述电阻R20的第二端,所述MOS管Q7的漏极连接所述电机M的第二端,所述电机M的第一端连接BAT+;
所述电容C6的第一端连接所述处理器U1的引脚8,所述电容C6的第二端连接所述电阻R26的第二端;
所述电阻R16的第一端连接所述处理器U1的引脚6,所述电阻R16的第二端连接所述MOS管Q7的栅极,所述电阻R24的第一端连接所述电容C6的第一端,所述电阻R24的第二端连接所述MOS管Q7的源极,所述电阻R26的第一端连接所述MOS管Q7的源极,所述电阻R26的第二端连接GND。
所述第一负载模块用于根据控制芯片U1的控制信号控制热风枪中电机的工作功率和工作状态,当热风枪的输入电压处于欠压状态时,来自控制芯片U1的M1端电压小于MOS管Q7的导通电压门槛值,MOS管Q7关断,进而控制电机M停止工作;当热风枪的输出电流处于过流状态时,来自控制芯片U1的C1端电压大于MOS管Q7的栅极电压,MOS管Q7关断,进而控制电机M停止工作。
通过负载模块103接收控制模块102的控制信号,进而根据控制信号控制热风枪中电机的工作状态,从而实现功率异常时对热风枪的保护。
所述第二负载模块包括MOS管Q4、MOS管Q6、MOS管Q8、发热芯R9、电容C5、电阻R11、电阻R13、电阻R14、电阻R17、电阻R21、电阻R22、电阻R23和电阻R25;
所述MOS管Q4的源极连接BAT+,所述MOS管Q4的漏极连接所述电阻R14的第一端,所述MOS管Q4的栅极连接所述电阻R13的第一端;所述MOS管Q6的漏极连接所述发热芯R9的第二端,所述MOS管Q6的源极连接所述电阻R25的第一端,所述MOS管Q6的栅极连接所述电阻R14的第二端;所述MOS管Q8的漏极连接所述电阻R13的第二端,所述MOS管Q8的源极连接GND,所述MOS管Q8的栅极连接所述电阻R23的第一端;
所述发热芯R9的第一端连接BAT+,所述发热芯R9的第二端连接所述MOS管Q6的漏极;
所述电容C5的第一端连接所述处理器U1的引脚12,所述电容C5的第二端连接所述R25的第二端;
所述电阻R11的第一端连接BAT+,所述电阻R11的第二端连接所述MOS管Q4的栅极,所述电阻R17的第一端连接所述MOS管Q6的栅极,所述电阻R17的第二端连接所述MOS管Q6的源极,所述电阻R21的第一端连接所述处理器U1的引脚10,所述电阻R21的第二端连接所述MOS管Q8的栅极,所述电阻R22的第一端连接所述电容C5的第一端,所述电阻R22的第二端连接所述电阻R25的第一端,所述电阻R23的第二端连接所述MOS管Q8的源极,所述电阻R25的第二端连接GND。
所述第二负载模块用于根据控制芯片U1的控制信号控制热风枪中发热芯的工作功率和工作状态,来自控制芯片U1的M2端电压小于MOS管Q8的导通电压门槛值,MOS管Q8关断,进而控制发热芯R9停止工作;来自控制芯片U1的C2端电压大于MOS管Q6的栅极电压,MOS管Q6关断,进而控制发热芯R9停止工作。
通过负载模块103接收控制模块102的控制信号,进而根据控制信号控制热风枪中发热芯的工作状态,从而实现功率异常时对热风枪的保护
另外,本实施例中的M1端和M2端还用于分别控制电机M和发热芯R9的工作功率,当电池包模块101检测到电池包为单包时,M1端和M2端的信号分别控制电机M和发热芯R9以额定功率工作,当电池包模块101检测到电池包为双包时,M1端和M2端的信号分别控制电机M和发热芯R9以额定功率的50%工作。通过M1端和M2端控制电机M和发热芯R9的工作功率,使热风枪在电池包为单包和双包时都能够以固定的功率工作。
实施例二
如图5所示,本发明基于上述热风枪保护电路,提出了一种基于热风枪的保护方法,包括:
S201:通过控制模块采集热风枪的输入电压和输出电流;
S202:根据输入电压和输出电流分析热风枪的功率状态,根据分析结果通过控制模块中控制芯片U1的引脚6和引脚10输出控制信号;
S203:根据控制芯片U1的引脚10输出的控制信号,通过控制第二负载模块中MOS管Q8的通断控制发热芯的工作状态;
S204:根据控制芯片U1的引脚6输出的控制信号,通过控制第一负载模块中MOS管Q7的通断控制电机的工作状态。
将热风枪的输入电压与预设的电压阈值进行比较,判断热风枪是否出现功率过低的情况,将热风枪工作的输出电流与预设的电流阈值进行比较,判断热风枪是否出现功率过高的情况。再根据功率异常的持续时间触发保护电路控制热风枪的发热芯和电机停止工作,从而保障热风枪以正常的功率工作,并通过保护电路避免因功率异常损坏电池包的情况发生,延长了热风枪的使用寿命。
在本实施例中,所述热风枪同时支持单电池包和双电池包工作,具体通过保护电路100中的电池包模块101和控制模块102实现,包括:当电池包为单包时,单刀双掷开关S1的引脚2和引脚3相连,P-端瞬间得到高电平,经电阻R15、电容C3使三极管Q5导通,进而MOS管Q3也导通。此时由于电阻R1和电阻R2所在的电路未接入电池包,因此控制芯片U1的引脚5处未检测到电压,此时判定电池包为单包使用。控制芯片U1的引脚6和引脚10输出控制信号,使电机和发热芯以额定功率工作。
当电池包为双包时,单刀双掷开关S1的引脚2和引脚1相连,P-端瞬间得到高电平,经电阻R15、电容C3使三极管Q5导通,进而MOS管Q3也导通。此时电阻R1和电阻R2所在的电路接入电池包,因此控制芯片U1的引脚5处检测到电压,此时判定电池包为双包使用。控制芯片U1的引脚6和引脚10输出控制信号,使电机和发热芯以额定功率的50%工作。
传统的热风枪只支持一个电池包供电使用,而本实施例中可以使用双电池包为热风枪供电,通过本发明提出的一种基于双电池包的热风枪保护电路,使热风枪无论使用单电池包还是双电池包供电都能以恒定的功率工作,同时增加了电池容量,进而提高了热风枪的续航能力。
所述通过控制模块采集热风枪的输入电压和输出电流,包括:通过采集电池包模块中电阻R28处的分压,得到热风枪的输入电压;通过分别采集控制模块中控制芯片U1的引脚8和引脚12处的电流,得到热风枪的第一输出电流和第二输出电流。在本实施例中,第一输出电流为第一负载模块中的电机工作时的电流,第二输出电流为第二负载模块中发热芯工作时的电流,两者可能相等,也可能不相等。只要第一输出电流和第二输出电流中有任意一者超过预设电流阈值,即判定热风枪处于过流状态。
所述根据输入电压和输出电流分析热风枪的功率状态,根据分析结果通过控制模块中控制芯片U1的引脚6和引脚10输出控制信号,包括:
当控制模块采集到的输入电压不大于预设电压阈值时,获取输入电压不大于预设电压阈值的持续时间,若持续时间超过设定时间,则通过控制芯片U1的引脚6和引脚10生成用于停止热风枪工作的控制信号;
当控制模块采集到的第一输出电流和第二输出电流中的任意一项不小于预设电流阈值时,获取输出电流不小于预设电流阈值的持续时间,若持续时间超过设定时间,则通过控制芯片U1的引脚6和引脚10生成用于停止热风枪工作的控制信号。
在本实施例中,热风枪在单电池包工作时,控制芯片U1采集电池包模块中的电阻R28的第二端的电压,热风枪在双电池包工作时,控制芯片U1采集电池包模块中的电阻R1的第二端的电压,此时控制芯片U1采集到的电压即为热风枪的输入电压。若控制芯片U1采集到的电压不大于预设的电压阈值,说明此时热风枪的输入电压为欠压状态,由于热风枪在实际工作中的波动,短暂的欠压状态对实际使用的影响不大,但如果长时间处于欠压状态不仅会导致热风枪功率过低而影响使用,还会对电池包造成损坏,因此需要通过控制芯片U1统计输入电压在欠压状态的持续时间,以判断是否需要触发欠压保护机制,控制热风枪停止工作。
所述欠压保护机制如图6所示,欠压保护机制开始后,控制芯片U1采集热风枪的输入电压并判断输入电压是否不大于电压阈值,若输入电压小于电压阈值,则热风枪正常工作并对输入电压继续监控。当首次采集到输入电压不大于电压阈值,生成一个欠压计时标志,控制芯片U1将持续将采集到的输入电压与预设的电压阈值进行比较,判断输入电压是否继续不大于电压阈值,若判断结果为否,控制芯片U1清除欠压计时标志,否则控制芯片U1将记录输入电压不大于电压阈值的持续时间,并判断记录的持续时间是否超过设定时间,若输入电压在未超过设定时间时就恢复正常,即输入电压的持续时间未超过设定时间,控制芯片U1清除欠压计时标志,否则触发欠压保护机制,控制芯片U1的引脚6和引脚10将输出控制信号,使热风枪停止工作。在本实施例中,热风枪先停止发热芯工作,再停止电机工作。
在本实施例中,控制芯片U1的引脚8出的电流为第一输出电流,控制芯片U1的引脚12处的电流为第二输出电流,只要第一输出电流和第二输出电流中有任意一者超过预设电流阈值,即判定热风枪处于过流状态。若控制芯片U1的引脚8或引脚12处的电流不小于预设的电流阈值,说明此时热风枪的输出电流为过流状态,使控制芯片U1的引脚12的电压升高。由于热风枪在实际工作中的波动,短暂的过流状态对实际使用的影响不大,但如果长时间处于过流状态不仅会导致热风枪功率过大而影响使用,还会对电池包造成损坏,因此需要通过控制芯片U1统计输出电流在过流状态的持续时间,以判断是否需要触发过流保护机制,控制热风枪停止工作。
所述过流保护机制如图6所示,过流保护机制开始后,控制芯片U1采集热风枪的输出电流并判断输出电流是否不小于电流阈值,若输出电流大于电流阈值,则热风枪正常工作并对输出电流继续监控。首次采集到输出电流不小于电流阈值时,会生成一个过流计时标志,随后持续将采集到的输出电流与预设的电流阈值进行比较,判断输出电流是否继续不小于电流阈值,若判断结果为否,控制芯片U1清除过流计时标志,否则控制芯片U1将记录输出电流不小于电流阈值的持续时间,并判断记录的持续时间是否超过设定时间,若输出电流在未超过设定时间时就恢复正常,即输出电流的持续时间未超过设定时间,控制芯片U1清除过流计时标志,否则触发过流保护机制,控制芯片U1的引脚8和引脚12将输出控制信号,使热风枪停止工作。
所述根据控制芯片U1的引脚10输出的控制信号,通过控制第二负载模块中MOS管Q8的通断控制发热芯的工作状态,包括:根据来自控制芯片U1的引脚10输出的控制信号,控制第二负载模块中MOS管Q8关断,停止第二负载模块中的发热芯工作。当热风枪的输入电压处于欠压状态时,第二负载模块接收到来自控制芯片U1的引脚10处的电压小于MOS管Q8的导通电压门槛值,MOS管Q8关断,进而控制发热芯R9停止工作;当热风枪的输出电流处于过流状态时,来自控制芯片U1的引脚12处的电压大于MOS管Q8的栅极电压,MOS管Q8关断,进而发热芯R9停止工作。
所述根据控制芯片U1的引脚6输出的控制信号,通过控制第一负载模块中MOS管Q7的通断控制电机的工作状态,包括:
根据来自控制芯片U1的引脚6输出的控制信号,控制第一负载模块中MOS管Q7关断,停止第一负载模块中的电机工作。当热风枪的输入电压处于欠压状态时,第一负载模块接收到来自控制芯片U1的引脚6电压小于MOS管Q7的导通电压门槛值,MOS管Q7关断,进而控制电机M停止工作;当热风枪的输出电流处于过流状态时,来自控制芯片U1的引脚8处的电压大于MOS管Q7的栅极电压,MOS管Q关断,进而控制电机M停止工作。
在本实施例中,热风枪在单电池包工作和双电池包工作时,均采用上述包含欠压保护机制和过流保护机制的热风枪保护机制,既避免功率过高的情况,又能避免功率过低的情况,为热风枪的正常工作提供保障。
上述实施例中的各个序号仅仅为了描述,不代表各部件的组装或使用过程中的先后顺序。
以上所述仅为本发明的实施例,并不用以限制本发明,凡在本发明的精神和原则之内,所作的任何修改、等同替换、改进等,均应包含在本发明的保护范围之内。
Claims (9)
1.一种基于热风枪的保护电路,包括用于接入电池包为热风枪保护电路供电的电池包模块,其特征在于,所述电路包括:
控制模块,用于采集热风枪的输入电压和输出电流,并根据输入电压和输出电流分析热风枪的功率状态,根据分析结果通过控制芯片U1的引脚6和引脚10输出控制信号;
第一负载模块,用于根据控制芯片U1的引脚6输出的控制信号,通过控制MOS管Q7的通断控制热风枪中电机的工作状态;
第二负载模块,用于根据控制芯片U1的引脚10输出的控制信号,通过控制MOS管Q8的通断控制热风枪中发热芯的工作状态;
所述电池包模块包括单刀双掷开关S1、MOS管Q1、MOS管Q2、MOS管Q3、三极管Q5、稳压二极管D1、稳压二极管D2、稳压芯片VR1、电容C1、电容C2、电容C3、电阻R1、电阻R2、电阻R3、电阻R4、电阻R5、电阻R6、电阻R7、电阻R8、电阻R10、电阻R12、电阻R15、电阻R18、电阻R19、电阻R27、电阻R28和电阻R29;
第一电池包的B1-极接地,所述单刀双掷开关S1的引脚1连接所述MOS管Q1的源极,所述单刀双掷开关S1的引脚2同时连接第一电池包的B1+极和第二电池包的B2-极,所述单刀双掷开关S1的引脚3连接所述MOS管Q3的漏极;
所述MOS管Q1的源极连接所述电阻R3的第一端,所述MOS管Q1的栅极分别连接所述电阻R3的第二端和所述电阻R4的第一端,所述MOS管Q1的漏极连接所述电阻R1的第一端;所述MOS管Q2的源极连接GND,所述MOS管Q2的漏极连接所述电阻R4的第二端,所述MOS管Q2的栅极连接所述电阻R6的第一端;所述MOS管Q3的源极连接所述电阻R7的第一端,所述MOS管Q3的漏极连接所述稳压二极管D1的第一端,所述MOS管Q3的栅极连接所述电阻R10的第一端;所述三极管Q5的集电极连接所述电阻R10的第二端,所述三极管Q5的发射极连接GND,所述三极管Q5的基极连接所述电阻R19的第一端;
所述稳压二极管D1的第一端同时连接BAT+和第二电池包的B2+极,所述稳压二极管D1的第二端连接所述电阻R10的第一端;所述稳压二极管D2的第一端连接B+,所述稳压二极管D2的第二端连接所述稳压芯片VR1的GND引脚;
所述稳压芯片VR1的Vin引脚连接所述电容C1的第一端,所述稳压芯片VR1的Vout引脚连接VDD,所述稳压芯片VR1的GND引脚连接GND;
所述电容C1并联在所述稳压芯片 VR1的Vin引脚和GND引脚之间,所述电容C2并联在所述稳压芯片 VR1得到Vout引脚和GND引脚之间,所述电容C3的第一端连接所述电阻R15的第二端,所述电容C3的第二端连接所述三极管Q5的基极;
所述电池包的B1-端接地,所述电阻R1的第二端连接所述控制芯片U1的引脚5,所述电阻R2的第一端连接所述电阻R1的第二端,所述电阻R2的第二端连接所述MOS管Q2的源极,所述电阻R5并联在所述MOS管Q2的源极和栅极之间,所述电阻R6的第二端连接所述控制芯片U1的引脚7,所述电阻R7的第一端连接B+,所述电阻R7的第二端连接所述电容C1的第一端,所述电阻R8的第一端连接所述稳压二极管D1的第一端,所述电阻R8的第二端连接所述MOS管Q3的栅极,所述电阻R12的第一端连接所述控制芯片U1的引脚9,所述电阻R12的第二端连接所述三极管Q5的基极,所述电阻R15的第一端连接p-端,所述电阻R18的第一端连接p-端,所述电阻R18的第二端连接所述三极管Q5的发射极,所述电阻R19的第二端连接所述三极管Q5的发射极;所述电阻R27的第一端连接B+,所述电阻R27的第二端连接所述电阻R28的第一端,所述电阻R28的第二端连接所述控制芯片U1的引脚3,所述电阻R29的第一端连接所述电阻R27的第二端,所述电阻R29的第二端连接GND。
2.根据权利要求1所述的一种基于热风枪的保护电路,其特征在于,所述控制模块包括控制芯片U1和电容C4;
所述控制芯片U1的引脚1连接VDD,所述控制芯片U1的引脚2连接GND,所述电容C4的第一端连接VDD,所述电容C4的第二端连接GND。
3.根据权利要求1所述的一种基于热风枪的保护电路,其特征在于,所述第一负载模块包括MOS管Q7、电机M、电容C6、电阻R16、电阻R20、电阻R24和电阻R26;
所述MOS管Q7的栅极连接所述电阻R20的第一端,所述MOS管Q7的源极连接所述电阻R20的第二端,所述MOS管Q7的漏极连接所述电机M的第二端,所述电机M的第一端连接BAT+;
所述电容C6的第一端连接所述控制芯片U1的引脚8,所述电容C6的第二端连接所述电阻R26的第二端;
所述电阻R16的第一端连接所述控制芯片U1的引脚6,所述电阻R16的第二端连接所述MOS管Q7的栅极,所述电阻R24的第一端连接所述电容C6的第一端,所述电阻R24的第二端连接所述MOS管Q7的源极,所述电阻R26的第一端连接所述MOS管Q7的源极,所述电阻R26的第二端连接GND。
4.根据权利要求1所述的一种基于热风枪的保护电路,其特征在于,所述第二负载模块包括MOS管Q4、MOS管Q6、MOS管Q8、发热芯R9、电容C5、电阻R11、电阻R13、电阻R14、电阻R17、电阻R21、电阻R22、电阻R23和电阻R25;
所述MOS管Q4的源极连接BAT+,所述MOS管Q4的漏极连接所述电阻R14的第一端,所述MOS管Q4的栅极连接所述电阻R13的第一端;所述MOS管Q6的漏极连接发热芯R9的第二端,所述MOS管Q6的源极连接所述电阻R25的第一端,所述MOS管Q6的栅极连接所述电阻R14的第二端;所述MOS管Q8的漏极连接所述电阻R13的第二端,所述MOS管Q8的源极连接GND,所述MOS管Q8的栅极连接所述电阻R23的第一端;
所述发热芯R9的第一端连接BAT+,所述发热芯R9的第二端连接MOS管Q6的漏极;
所述电容C5的第一端连接所述控制芯片U1的引脚12,所述电容C5的第二端连接所述R25的第二端;
所述电阻R11的第一端连接BAT+,所述电阻R11的第二端连接所述MOS管Q4的栅极,所述电阻R17的第一端连接所述MOS管Q6的栅极,所述电阻R17的第二端连接所述MOS管Q6的源极,所述电阻R21的第一端连接所述控制芯片U1的引脚10,所述电阻R21的第二端连接所述MOS管Q8的栅极,所述电阻R22的第一端连接所述电容C5的第一端,所述电阻R22的第二端连接所述电阻R25的第一端,所述电阻R23的第二端连接所述MOS管Q8的源极,所述电阻R25的第二端连接GND。
5.一种基于热风枪的保护方法,所述方法基于上述权利要求 1-4中的任意一项所述的保护电路实现,其特征在于,所述保护方法包括:
通过控制模块采集热风枪的输入电压和输出电流;
根据输入电压和输出电流分析热风枪的功率状态,根据分析结果通过控制模块中控制芯片U1的引脚6和引脚10输出控制信号;
根据控制芯片U1的引脚10输出的控制信号,通过控制第二负载模块中MOS管Q8的通断控制发热芯的工作状态;
根据控制芯片U1的引脚6输出的控制信号,通过控制第一负载模块中MOS管Q7的通断控制电机的工作状态。
6.根据权利要求5所述的一种基于热风枪的保护方法,其特征在于,所述通过控制模块采集热风枪的输入电压和输出电流,包括:
通过采集电池包模块中电阻R28处的分压,得到热风枪的输入电压;
通过分别采集控制模块中控制芯片U1的引脚8和引脚12处的电流,依次得到热风枪的第一输出电流和第二输出电流。
7.根据权利要求6所述的一种基于热风枪的保护方法,其特征在于,所述根据输入电压和输出电流分析热风枪的功率状态,根据分析结果通过控制模块中控制芯片U1的引脚6和引脚10输出控制信号,包括:
当控制模块采集到的输入电压不大于预设电压阈值时,获取输入电压不大于预设电压阈值的持续时间,若持续时间超过设定时间,则通过控制芯片U1的引脚6和引脚10生成用于停止热风枪工作的控制信号;
当控制模块采集到的第一输出电流和第二输出电流中的任意一项不小于预设电流阈值时,获取输出电流不小于预设电流阈值的持续时间,若持续时间超过设定时间,则通过控制芯片U1的引脚6和引脚10生成用于停止热风枪工作的控制信号。
8.根据权利要求5所述的一种基于热风枪的保护方法,其特征在于,所述根据控制芯片U1的引脚10输出的控制信号,通过控制第二负载模块中MOS管Q8的通断控制发热芯的工作状态,包括:
根据来自控制芯片U1的引脚10输出的控制信号,控制第二负载模块中MOS管Q8关断,停止第二负载模块中的发热芯工作。
9.根据权利要求5所述的一种基于热风枪的保护方法,其特征在于,所述根据控制芯片U1的引脚6输出的控制信号,通过控制第一负载模块中MOS管Q7的通断控制电机的工作状态,包括:
根据来自控制芯片U1的引脚6输出的控制信号,控制第一负载模块中MOS管Q7关断,停止第一负载模块中的电机工作。
Priority Applications (1)
| Application Number | Priority Date | Filing Date | Title |
|---|---|---|---|
| CN202010568513.8A CN111725781B (zh) | 2020-06-19 | 2020-06-19 | 一种基于热风枪的保护电路及方法 |
Applications Claiming Priority (1)
| Application Number | Priority Date | Filing Date | Title |
|---|---|---|---|
| CN202010568513.8A CN111725781B (zh) | 2020-06-19 | 2020-06-19 | 一种基于热风枪的保护电路及方法 |
Publications (2)
| Publication Number | Publication Date |
|---|---|
| CN111725781A CN111725781A (zh) | 2020-09-29 |
| CN111725781B true CN111725781B (zh) | 2022-09-13 |
Family
ID=72568401
Family Applications (1)
| Application Number | Title | Priority Date | Filing Date |
|---|---|---|---|
| CN202010568513.8A Active CN111725781B (zh) | 2020-06-19 | 2020-06-19 | 一种基于热风枪的保护电路及方法 |
Country Status (1)
| Country | Link |
|---|---|
| CN (1) | CN111725781B (zh) |
Families Citing this family (1)
| Publication number | Priority date | Publication date | Assignee | Title |
|---|---|---|---|---|
| CN115561650B (zh) * | 2022-08-24 | 2025-01-07 | 山西中科智能控制技术研究院有限公司 | 一种电池电量采集电路、电池电量监控系统及方法 |
Citations (6)
| Publication number | Priority date | Publication date | Assignee | Title |
|---|---|---|---|---|
| CN101026906A (zh) * | 2006-02-21 | 2007-08-29 | 常州市英杰工具有限公司 | 热风枪的电路装置及其工作方法 |
| CN101157154A (zh) * | 2007-11-15 | 2008-04-09 | 华南理工大学 | 基于arm的嵌入式数字化多功能逆变式软开关弧焊电源 |
| CN103220856A (zh) * | 2013-04-10 | 2013-07-24 | 浙江大学城市学院 | 一种自适应led驱动电源电路 |
| JP2013169613A (ja) * | 2012-02-20 | 2013-09-02 | Disco Corp | エアガン装置 |
| CN105846400A (zh) * | 2015-01-16 | 2016-08-10 | 海洋王照明科技股份有限公司 | 单级开环应急供电电路 |
| CN207289254U (zh) * | 2017-10-19 | 2018-05-01 | 伏能士智能设备(上海)有限公司 | 一种依靠磁力保护焊枪的防撞设备 |
Family Cites Families (5)
| Publication number | Priority date | Publication date | Assignee | Title |
|---|---|---|---|---|
| CN205986614U (zh) * | 2016-06-01 | 2017-02-22 | 浙江普莱得电器有限公司 | 设控制电路的有刷热风枪 |
| CN108637434B (zh) * | 2018-05-15 | 2021-01-19 | 深圳市瑞凌实业股份有限公司 | 气保焊机智能低飞溅fasw控制系统及方法 |
| CN208384441U (zh) * | 2018-07-19 | 2019-01-15 | 深圳市通用现代科技有限公司 | 一种热风枪控制保护电路 |
| CN209433266U (zh) * | 2018-12-31 | 2019-09-24 | 常州武进长城工具有限公司 | 具有热敏电阻保护功能的热风枪控制电路 |
| CN210377077U (zh) * | 2019-09-10 | 2020-04-21 | 深圳绿米联创科技有限公司 | 控制电路、发光设备以及电子设备 |
-
2020
- 2020-06-19 CN CN202010568513.8A patent/CN111725781B/zh active Active
Patent Citations (6)
| Publication number | Priority date | Publication date | Assignee | Title |
|---|---|---|---|---|
| CN101026906A (zh) * | 2006-02-21 | 2007-08-29 | 常州市英杰工具有限公司 | 热风枪的电路装置及其工作方法 |
| CN101157154A (zh) * | 2007-11-15 | 2008-04-09 | 华南理工大学 | 基于arm的嵌入式数字化多功能逆变式软开关弧焊电源 |
| JP2013169613A (ja) * | 2012-02-20 | 2013-09-02 | Disco Corp | エアガン装置 |
| CN103220856A (zh) * | 2013-04-10 | 2013-07-24 | 浙江大学城市学院 | 一种自适应led驱动电源电路 |
| CN105846400A (zh) * | 2015-01-16 | 2016-08-10 | 海洋王照明科技股份有限公司 | 单级开环应急供电电路 |
| CN207289254U (zh) * | 2017-10-19 | 2018-05-01 | 伏能士智能设备(上海)有限公司 | 一种依靠磁力保护焊枪的防撞设备 |
Also Published As
| Publication number | Publication date |
|---|---|
| CN111725781A (zh) | 2020-09-29 |
Similar Documents
| Publication | Publication Date | Title |
|---|---|---|
| CN104377402B (zh) | 一种电池加热器控制与故障诊断系统 | |
| WO2017020782A1 (zh) | 一种电池充放电控制电路及电池充放电系统 | |
| CN114963409B (zh) | 通信供电电路、控制方法、装置、存储介质和空调设备 | |
| CN114156996A (zh) | 点火夹、启动电源及启动装置 | |
| CN110445102B (zh) | 一种电子继电器装置及保护方法 | |
| CN111725781B (zh) | 一种基于热风枪的保护电路及方法 | |
| CN202435330U (zh) | 永磁同步电机控制器功率模块驱动保护系统 | |
| CN113782396B (zh) | 断路器系统 | |
| CN113690845A (zh) | 电源输出保护控制装置 | |
| CN110557058B (zh) | 一种直流无刷电机启动保护电路 | |
| CN204008929U (zh) | 一种电磁线圈故障诊断装置 | |
| CN215986425U (zh) | 一种短路检测电路及电子装置 | |
| CN214848415U (zh) | 框架断路器储能控制装置和系统 | |
| CN116364490A (zh) | 具备自检功能的断路器系统及断路器系统的开关检测方法 | |
| CN215343943U (zh) | 一种电池充电保护电路以及机器人 | |
| CN211790740U (zh) | 一种保护电路 | |
| CN218526123U (zh) | 一种锂电池输出短路保护的加速电路及锂电池充放电电路 | |
| CN211556842U (zh) | 一种带过流和短路保护功能的风扇控制电路 | |
| CN210957837U (zh) | 检测控制电路、电池包及电动工具 | |
| CN115236552A (zh) | 一种储能电池温控系统检测电路及方法 | |
| CN210201753U (zh) | 一种电动工具控制器及电动工具 | |
| CN201188595Y (zh) | 电动汽车空压机电机的启动控制及运行保护系统 | |
| CN219372007U (zh) | 断路器系统 | |
| CN223378944U (zh) | 一种用于ups的冲击瞬态电流软启动装置 | |
| CN222928305U (zh) | 电源管理电路及冲牙器 |
Legal Events
| Date | Code | Title | Description |
|---|---|---|---|
| PB01 | Publication | ||
| PB01 | Publication | ||
| SE01 | Entry into force of request for substantive examination | ||
| SE01 | Entry into force of request for substantive examination | ||
| CB02 | Change of applicant information | ||
| CB02 | Change of applicant information |
Address after: 321035 Industrial Development Zone, Xiaoshun Town, Jindong District, Jinhua City, Zhejiang Province Applicant after: Zhejiang Prade Electric Co.,Ltd. Address before: 321035 Zhejiang Prade Electric Appliance Co., Ltd., Xiaoshun Town Industrial Development Zone, Jindong District, Jinhua City, Zhejiang Province Applicant before: Zhejiang Prulde Electric Appliance Co.,Ltd. |
|
| GR01 | Patent grant | ||
| GR01 | Patent grant |