CN111702657B - A kind of transfer equipment for faucet production line - Google Patents

A kind of transfer equipment for faucet production line Download PDF

Info

Publication number
CN111702657B
CN111702657B CN202010626923.3A CN202010626923A CN111702657B CN 111702657 B CN111702657 B CN 111702657B CN 202010626923 A CN202010626923 A CN 202010626923A CN 111702657 B CN111702657 B CN 111702657B
Authority
CN
China
Prior art keywords
vertical
groove
horizontal
fixed
pair
Prior art date
Legal status (The legal status is an assumption and is not a legal conclusion. Google has not performed a legal analysis and makes no representation as to the accuracy of the status listed.)
Active
Application number
CN202010626923.3A
Other languages
Chinese (zh)
Other versions
CN111702657A (en
Inventor
梁丽琴
Current Assignee (The listed assignees may be inaccurate. Google has not performed a legal analysis and makes no representation or warranty as to the accuracy of the list.)
Taizhou Luqiao Sanyangtai Sanitary Ware Co Ltd
Original Assignee
Taizhou Luqiao Sanyangtai Sanitary Ware Co Ltd
Priority date (The priority date is an assumption and is not a legal conclusion. Google has not performed a legal analysis and makes no representation as to the accuracy of the date listed.)
Filing date
Publication date
Application filed by Taizhou Luqiao Sanyangtai Sanitary Ware Co Ltd filed Critical Taizhou Luqiao Sanyangtai Sanitary Ware Co Ltd
Priority to CN202010626923.3A priority Critical patent/CN111702657B/en
Publication of CN111702657A publication Critical patent/CN111702657A/en
Application granted granted Critical
Publication of CN111702657B publication Critical patent/CN111702657B/en
Active legal-status Critical Current
Anticipated expiration legal-status Critical

Links

Images

Classifications

    • BPERFORMING OPERATIONS; TRANSPORTING
    • B24GRINDING; POLISHING
    • B24BMACHINES, DEVICES, OR PROCESSES FOR GRINDING OR POLISHING; DRESSING OR CONDITIONING OF ABRADING SURFACES; FEEDING OF GRINDING, POLISHING, OR LAPPING AGENTS
    • B24B41/00Component parts such as frames, beds, carriages, headstocks
    • BPERFORMING OPERATIONS; TRANSPORTING
    • B24GRINDING; POLISHING
    • B24BMACHINES, DEVICES, OR PROCESSES FOR GRINDING OR POLISHING; DRESSING OR CONDITIONING OF ABRADING SURFACES; FEEDING OF GRINDING, POLISHING, OR LAPPING AGENTS
    • B24B41/00Component parts such as frames, beds, carriages, headstocks
    • B24B41/005Feeding or manipulating devices specially adapted to grinding machines
    • BPERFORMING OPERATIONS; TRANSPORTING
    • B24GRINDING; POLISHING
    • B24BMACHINES, DEVICES, OR PROCESSES FOR GRINDING OR POLISHING; DRESSING OR CONDITIONING OF ABRADING SURFACES; FEEDING OF GRINDING, POLISHING, OR LAPPING AGENTS
    • B24B41/00Component parts such as frames, beds, carriages, headstocks
    • B24B41/06Work supports, e.g. adjustable steadies

Landscapes

  • Engineering & Computer Science (AREA)
  • Mechanical Engineering (AREA)
  • Domestic Plumbing Installations (AREA)

Abstract

本发明公开了一种水龙头生产线的中转设备,包括底座、定位限位装置和间歇等角度旋转设置在底座上的圆形板状的支撑台;支撑台的圆柱面上成型有若干圆周均匀分布的上下贯穿的竖直限位槽;定位限位装置包括若干升降设置在竖直限位槽内的底部支撑板;底部支撑板的上端面上移动设置有一对圆柱状的下限位柱;竖直限位槽相对的侧壁上垂直移动设置有移动支撑板。

Figure 202010626923

The invention discloses a transfer equipment for a faucet production line, which comprises a base, a positioning limiting device and a circular plate-shaped support platform arranged on the base by intermittent equiangular rotation; a vertical limit slot that penetrates up and down; the positioning and limit device includes a plurality of bottom support plates that are arranged up and down in the vertical limit slot; a pair of cylindrical lower limit columns are moved on the upper end surface of the bottom support plate; the vertical limit A moving support plate is vertically moved on the opposite side wall of the position slot.

Figure 202010626923

Description

Transfer equipment of tap production line
Technical Field
The invention relates to the technical field of faucets, in particular to transfer equipment of a faucet production line.
Background
In the multi-robot faucet polishing production line, the clamping position of the faucet is unique. When the robot is connected with the robot, the faucet needs to be put down firstly, and the subsequent robot can clamp the faucet to carry out the next operation. Therefore, the faucet after the polishing of the previous process is placed by the transfer table, the transfer table needs to play a role in positioning, and the subsequent robot can accurately clamp the faucet to polish the next process.
Disclosure of Invention
The invention aims to provide transfer equipment for a faucet production line, aiming at the technical problem that workpieces are inconvenient to transfer between robots on the existing faucet polishing production line.
The technical scheme for solving the technical problems is as follows: a transfer device of a faucet production line comprises a base, a positioning and limiting device and a circular plate-shaped supporting platform which is arranged on the base in an intermittent equal-angle rotating manner; a plurality of vertical limiting grooves which are uniformly distributed in the circumference and penetrate through the supporting table from top to bottom are formed on the cylindrical surface of the supporting table; the positioning and limiting device comprises a plurality of bottom supporting plates which are arranged in the vertical limiting groove in a lifting way; a pair of cylindrical lower limiting columns is movably arranged on the upper end surface of the bottom supporting plate; and a movable support plate is vertically movably arranged on the side wall opposite to the vertical limit groove.
Preferably, a rotating motor is fixed at the center of the upper end face of the base; the support table is fixed at the upper end of an output shaft of the rotating motor; the rotation center axis of the rotating motor and the rotation center axis of the support table are arranged in a collinear manner.
Preferably, a vertical moving groove is formed on the inner side wall of the vertical limiting groove; the vertical moving groove is arranged downwards in a penetrating way; a plurality of cylindrical vertical guide rods which are uniformly distributed are formed on the upper side wall of the vertical moving groove; a lower stop plate is formed at the bottom of the vertical guide rod; the inner side of the bottom supporting plate is vertically sleeved on the vertical guide rod; a pressure spring is sleeved on the vertical guide rod; the upper end of the pressure spring is fixed on the upper side wall of the vertical moving groove, and the lower end of the pressure spring is fixed on the upper end face of the bottom supporting plate; the left upper side and the right upper side of the base are respectively provided with a lifting drive plate in a vertical lifting way; the pair of lifting driving plates are positioned right below the pair of bottom supporting plates on the left side and the right side.
Preferably, a pair of lifting electric cylinders is fixed on the upper end surface of the base; the lifting driving plate is fixed at the upper end of a piston rod of the lifting electric cylinder.
Preferably, the electric cylinder placing groove is formed on the opposite side wall of the vertical limiting groove; a horizontal electric cylinder is fixed in the electric cylinder placing groove; the movable supporting plate is fixed on a piston rod of the horizontal electric cylinder.
Preferably, the bottom support plate is internally formed with a horizontal moving groove; the horizontal moving groove is vertical to the length direction of the bottom supporting plate; a long hole-shaped horizontal guide groove which penetrates upwards is formed on the upper side wall of the horizontal moving groove; a pair of cuboid-shaped movable bases are arranged in the horizontal movable groove in a movable mode; a pair of moving bases synchronously move away from or close to each other; the lower limiting column is fixed on the upper end surface of the movable base on the corresponding side; the lower limiting column vertically penetrates through the horizontal guide groove and is movably arranged in the horizontal guide groove.
Preferably, a horizontal driving threaded rod is pivoted between the opposite side walls of the horizontal moving groove; two ends of the horizontal driving threaded rod are formed with external threads with opposite rotation directions; the pair of movable bases are screwed on different external threads of the horizontal driving threaded rod; one end of the horizontal driving threaded rod is formed with a regular hexagonal driving block.
The invention has the beneficial effects that: the workpiece transmission between the two robots is completed through rotation, and the positioning device is suitable for positioning water faucets with different sizes.
Drawings
FIG. 1 is a schematic structural view of a cross section of the present invention;
FIG. 2 is a schematic structural view of a cross section A-A of FIG. 1 according to the present invention.
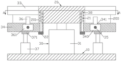
In the figure, 10, the base; 20. a support table; 200. a vertical limiting groove; 201. a vertical moving groove; 202. an electric cylinder placing groove; 21. a vertical guide rod; 22. a lower stop plate; 30. positioning a limiting device; 31. a rotating electric machine; 32. a horizontal electric cylinder; 33. moving the support plate; 34. a bottom support plate; 340. a horizontal moving tank; 341. a horizontal guide groove; 35. horizontally driving the threaded rod; 36. a lower restraint post; 361. moving the base; 37. a lifting electric cylinder; 371. lifting the driving plate; 38. and (5) pressing a spring.
Detailed Description
As shown in fig. 1 and 2, a transfer apparatus for a faucet production line includes a base 10, a positioning and limiting device 30, and a circular plate-shaped support table 20 intermittently and angularly rotatably disposed on the base 10; a plurality of vertical limiting grooves 200 which are uniformly distributed in the circumference and penetrate through the supporting table 20 from top to bottom are formed on the cylindrical surface of the supporting table; the positioning and limiting device 30 comprises a plurality of bottom supporting plates 34 which are arranged in the vertical limiting groove 200 in a lifting way; a pair of lower cylindrical limiting columns 36 are movably arranged on the upper end surface of the bottom supporting plate 34; the movable support plate 33 is vertically movably disposed on the opposite side walls of the vertical spacing groove 200.
As shown in fig. 1 and 2, a rotating motor 31 is fixed at the center of the upper end surface of the base 10; the support table 20 is fixed on the upper end of the output shaft of the rotating motor 31; the rotation center axis of the rotation motor 31 is arranged in line with the rotation center axis of the support table 20.
As shown in fig. 1 and 2, a vertical moving groove 201 is formed on the inner side wall of the vertical limiting groove 200; the vertical moving groove 201 is arranged downwards in a penetrating way; a plurality of cylindrical vertical guide rods 21 which are uniformly distributed are formed on the upper side wall of the vertical moving groove 201; a lower stop plate 22 is formed at the bottom of the vertical guide rod 21; the inner side of the bottom support plate 34 is vertically sleeved on the vertical guide rod 21; a pressure spring 38 is sleeved on the vertical guide rod 21; the upper end of the pressure spring 38 is fixed on the upper side wall of the vertical moving groove 201, and the lower end is fixed on the upper end face of the bottom support plate 34; the left upper side and the right upper side of the base 10 are respectively provided with a lifting drive plate 371 in a vertical lifting way; the pair of lift drive plates 371 are located directly below the pair of bottom support plates 34 on the left and right sides.
As shown in fig. 1, a pair of electric lifting cylinders 37 are fixed to the upper end surface of the base 10; the elevating drive plate 371 is fixed to the upper end of the piston rod of the elevating electric cylinder 37.
As shown in fig. 2, electric cylinder placing grooves 202 are formed on opposite side walls of the vertical limiting groove 200; a horizontal electric cylinder 32 is fixed in the electric cylinder placing groove 202; a moving support plate 33 is fixed to the piston rod of the horizontal electric cylinder 32.
As shown in fig. 1 and 2, the bottom support plate 34 is internally formed with a horizontal moving groove 340; the horizontal movement groove 340 is perpendicular to the length direction of the bottom support plate 34; a horizontal guide groove 341 in the shape of a long hole penetrating upward is formed on the upper side wall of the horizontal moving groove 340; a pair of rectangular parallelepiped moving bases 361 are provided in the horizontal moving groove 340; a pair of moving bases 361 move away from or close to each other in synchronization; the lower limiting column 36 is fixed on the upper end surface of the movable base 361 on the corresponding side; the lower restricting post 36 vertically passes through the horizontal guide groove 341 and is movably disposed in the horizontal guide groove 341.
As shown in fig. 1 and 2, a horizontal driving screw rod 35 is pivoted between opposite side walls of the horizontal moving groove 340; two ends of the horizontal driving threaded rod 35 are formed with external threads with opposite rotation directions; a pair of movable bases 361 are screwed on different external threads of the horizontal driving threaded rod 35; a driving block having a regular hexagonal shape is formed at one end of the horizontal driving threaded rod 35.
The working principle of transfer equipment of a faucet production line;
firstly, adjusting the distance between a pair of lower limiting columns 36 according to the diameter of the bottom opening of the water faucet, so that the cylindrical surfaces of the pair of lower limiting columns 36 are internally tangent with the inner side walls of the bottom opening of the water faucet;
then the left lifting drive plate 371 rises to drive the upper bottom support plate 34 to rise, then the robot sleeves the water faucet on a pair of lower limit posts 36 from top to bottom, then the left lifting drive plate 371 returns, the bottom support plate 34 descends and returns under the action of a pressure spring 38, then the pair of movable support plates 33 are close to and clamp the upper part of the water faucet, so that the water faucet is positioned, then the support table 20 rotates intermittently at equal angles to enable the water faucet to be positioned on the right side, then the pair of movable support plates 33 are far away from the upper part of the water faucet, then the right lifting drive plate 371 rises to drive the upper bottom support plate 34 to rise, then the robot pulls out the water faucet from the pair of lower limit posts 36 from bottom to top, and therefore the transfer of the water faucet is completed; while the process accommodates faucets of different sizes.
The above description is only a preferred embodiment of the present invention, and for those skilled in the art, there are variations on the embodiment and the application scope according to the idea of the present invention, and the content of the present description should not be construed as a limitation to the present invention.

Claims (6)

1. The utility model provides a transfer equipment of tap production line which characterized in that: comprises a base (10), a positioning and limiting device (30) and a circular plate-shaped supporting platform (20) which is arranged on the base (10) in an intermittent equal-angle rotation manner; a plurality of vertical limiting grooves (200) which are uniformly distributed on the circumference and penetrate through the cylindrical surface of the supporting table (20) up and down are formed on the cylindrical surface; the positioning and limiting device (30) comprises a plurality of bottom supporting plates (34) which are arranged in the vertical limiting groove (200) in a lifting way; a pair of cylindrical lower limiting columns (36) is movably arranged on the upper end surface of the bottom supporting plate (34); a movable support plate (33) is vertically movably arranged on the opposite side wall of the vertical limit groove (200);
a vertical moving groove (201) is formed on the inner side wall of the vertical limiting groove (200); the vertical moving groove (201) penetrates downwards; a plurality of cylindrical vertical guide rods (21) which are uniformly distributed are formed on the upper side wall of the vertical moving groove (201); a lower stop plate (22) is formed at the bottom of the vertical guide rod (21); the inner side of the bottom support plate (34) is vertically sleeved on the vertical guide rod (21); a pressure spring (38) is sleeved on the vertical guide rod (21); the upper end of the pressure spring (38) is fixed on the upper side wall of the vertical moving groove (201), and the lower end is fixed on the upper end face of the bottom supporting plate (34); a lifting drive plate (371) is vertically arranged on the left upper side and the right upper side of the base (10) in a lifting way respectively; the pair of lifting drive plates (371) are positioned right below the pair of bottom support plates (34) on the left and right sides.
2. The transit apparatus of a faucet production line according to claim 1, wherein: a rotating motor (31) is fixed at the center of the upper end face of the base (10); the support table (20) is fixed at the upper end of an output shaft of the rotating motor (31); the rotation center axis of the rotating motor (31) is arranged in line with the rotation center axis of the support table (20).
3. The transit apparatus of a faucet production line according to claim 1, wherein: a pair of lifting electric cylinders (37) is fixed on the upper end surface of the base (10); the lifting driving plate (371) is fixed at the upper end of the piston rod of the lifting electric cylinder (37).
4. The transit apparatus of a faucet production line according to claim 1, wherein: an electric cylinder placing groove (202) is formed on the opposite side wall of the vertical limiting groove (200); a horizontal electric cylinder (32) is fixed in the electric cylinder placing groove (202); the movable support plate (33) is fixed on the piston rod of the horizontal electric cylinder (32).
5. The transit apparatus of a faucet production line according to claim 1, wherein: a horizontal moving groove (340) is formed in the bottom support plate (34); the horizontal moving groove (340) is vertical to the length direction of the bottom support plate (34); a long hole-shaped horizontal guide groove (341) which penetrates upwards is formed on the upper side wall of the horizontal moving groove (340); a pair of cuboid-shaped moving bases (361) are arranged in the horizontal moving groove (340) in a moving way; a pair of moving bases (361) synchronously move away from or close to each other; the lower limiting column (36) is fixed on the upper end surface of the movable base (361) on the corresponding side; the lower limiting column (36) vertically penetrates through the horizontal guide groove (341) and is movably arranged in the horizontal guide groove (341).
6. The transfer apparatus of a faucet production line according to claim 1, wherein; a horizontal driving threaded rod (35) is pivoted between the opposite side walls of the horizontal moving groove (340); two ends of the horizontal driving threaded rod (35) are formed with external threads with opposite rotation directions; a pair of movable bases (361) are screwed on different external threads of the horizontal driving threaded rod (35); one end of the horizontal driving threaded rod (35) is formed with a regular hexagon-shaped driving block.
CN202010626923.3A 2020-07-01 2020-07-01 A kind of transfer equipment for faucet production line Active CN111702657B (en)

Priority Applications (1)

Application Number Priority Date Filing Date Title
CN202010626923.3A CN111702657B (en) 2020-07-01 2020-07-01 A kind of transfer equipment for faucet production line

Applications Claiming Priority (1)

Application Number Priority Date Filing Date Title
CN202010626923.3A CN111702657B (en) 2020-07-01 2020-07-01 A kind of transfer equipment for faucet production line

Publications (2)

Publication Number Publication Date
CN111702657A CN111702657A (en) 2020-09-25
CN111702657B true CN111702657B (en) 2021-10-08

Family

ID=72544926

Family Applications (1)

Application Number Title Priority Date Filing Date
CN202010626923.3A Active CN111702657B (en) 2020-07-01 2020-07-01 A kind of transfer equipment for faucet production line

Country Status (1)

Country Link
CN (1) CN111702657B (en)

Citations (8)

* Cited by examiner, † Cited by third party
Publication number Priority date Publication date Assignee Title
US5199158A (en) * 1992-07-28 1993-04-06 Litton Industrial Automation Systems, Inc. Multiple station flexible boring machine
JPH0891739A (en) * 1994-05-23 1996-04-09 Shigezo Tatsumi Elevator device utilizing screw fitting type set between single body magnet and magnet rail
CN104551465A (en) * 2014-12-26 2015-04-29 东莞埃欧热能技术有限公司 Manipulator welding equipment for welding heat exchanger plate
CN209049563U (en) * 2018-09-05 2019-07-02 武汉帕肽生物医药有限责任公司 A kind of centrifuge with clamping device
CN209592207U (en) * 2019-05-15 2019-11-05 浙江兜兰智能设备股份有限公司 A kind of automatic whole ear enters slot multistation all-in-one machine
CN209986625U (en) * 2019-12-19 2020-01-24 佛山恒泰信科技有限公司 Machining center's carousel clamping structure
CN210632973U (en) * 2019-07-31 2020-05-29 深圳市鑫顺康精密机械有限公司 Drilling device for taper head mounting plate
CN210789326U (en) * 2019-09-27 2020-06-19 四川三艺航空设备有限公司 Top drive brake drum perforating device

Patent Citations (8)

* Cited by examiner, † Cited by third party
Publication number Priority date Publication date Assignee Title
US5199158A (en) * 1992-07-28 1993-04-06 Litton Industrial Automation Systems, Inc. Multiple station flexible boring machine
JPH0891739A (en) * 1994-05-23 1996-04-09 Shigezo Tatsumi Elevator device utilizing screw fitting type set between single body magnet and magnet rail
CN104551465A (en) * 2014-12-26 2015-04-29 东莞埃欧热能技术有限公司 Manipulator welding equipment for welding heat exchanger plate
CN209049563U (en) * 2018-09-05 2019-07-02 武汉帕肽生物医药有限责任公司 A kind of centrifuge with clamping device
CN209592207U (en) * 2019-05-15 2019-11-05 浙江兜兰智能设备股份有限公司 A kind of automatic whole ear enters slot multistation all-in-one machine
CN210632973U (en) * 2019-07-31 2020-05-29 深圳市鑫顺康精密机械有限公司 Drilling device for taper head mounting plate
CN210789326U (en) * 2019-09-27 2020-06-19 四川三艺航空设备有限公司 Top drive brake drum perforating device
CN209986625U (en) * 2019-12-19 2020-01-24 佛山恒泰信科技有限公司 Machining center's carousel clamping structure

Also Published As

Publication number Publication date
CN111702657A (en) 2020-09-25

Similar Documents

Publication Publication Date Title
CN105932112B (en) Tubular type PECVD graphite boat process point erecting devices
CN103769823B (en) PXE piston automatic assembly line
CN111730459B (en) Rotary transfer table applied to faucet production line
CN104476281A (en) Automatic turning fixture
CN105563092A (en) An automatic assembly robot for the liquid hole plug of the battery cover
CN111702657B (en) A kind of transfer equipment for faucet production line
CN203495503U (en) Automatic production line for PXE piston
CN106435708B (en) A kind of frock clamp for laser template polishing
CN204639258U (en) Double Milling Digit Control Machine Tool
CN206597930U (en) A kind of wave filter perforating device
CN211275989U (en) Bending mechanism of bending machine
CN210816893U (en) Stamping device for machining
CN207593288U (en) The clamp for machining with taper hole workpiece is used on a kind of numerically-controlled machine tool
CN220094308U (en) Cylinder clamping device
CN104492859A (en) Mobile self-pressing straightening machine
CN212762259U (en) Clamp for machining automobile mold parts
CN219767991U (en) A kind of mechanical equipment to produce clamps
CN218697913U (en) Adjustable universal device for thin-wall special-shaped parts
CN214602044U (en) Parallel steel sheet round pin axle drilling facility
CN222609351U (en) Multi-specification workpiece clamp for machining
CN221289289U (en) Bending machine positioning device for metal product processing
CN219337481U (en) Clamp for machining mold part
CN217858416U (en) Various steel tile equipment is with adjustment interval mould location structure of being convenient for
CN221018771U (en) Positioning drilling device for stainless steel plate
CN220971257U (en) Welding jig for mould manufacturing

Legal Events

Date Code Title Description
PB01 Publication
PB01 Publication
SE01 Entry into force of request for substantive examination
SE01 Entry into force of request for substantive examination
GR01 Patent grant
GR01 Patent grant
PE01 Entry into force of the registration of the contract for pledge of patent right
PE01 Entry into force of the registration of the contract for pledge of patent right

Denomination of invention: A transfer equipment for a faucet production line

Granted publication date: 20211008

Pledgee: Zhejiang Luqiao Taizhou rural commercial bank Limited by Share Ltd.

Pledgor: Taizhou Luqiao sanyangtai Sanitary Ware Co.,Ltd.

Registration number: Y2025330000417