CN111692779A - 一种用于海苔烘干的湿冷双效回收型高效热泵机组 - Google Patents

一种用于海苔烘干的湿冷双效回收型高效热泵机组 Download PDF

Info

Publication number
CN111692779A
CN111692779A CN202010396362.2A CN202010396362A CN111692779A CN 111692779 A CN111692779 A CN 111692779A CN 202010396362 A CN202010396362 A CN 202010396362A CN 111692779 A CN111692779 A CN 111692779A
Authority
CN
China
Prior art keywords
air
passage
refrigerant
return
evaporator
Prior art date
Legal status (The legal status is an assumption and is not a legal conclusion. Google has not performed a legal analysis and makes no representation as to the accuracy of the status listed.)
Pending
Application number
CN202010396362.2A
Other languages
English (en)
Inventor
成家豪
曹祥
张春路
Current Assignee (The listed assignees may be inaccurate. Google has not performed a legal analysis and makes no representation or warranty as to the accuracy of the list.)
Tongji University
Original Assignee
Tongji University
Priority date (The priority date is an assumption and is not a legal conclusion. Google has not performed a legal analysis and makes no representation as to the accuracy of the date listed.)
Filing date
Publication date
Application filed by Tongji University filed Critical Tongji University
Priority to CN202010396362.2A priority Critical patent/CN111692779A/zh
Publication of CN111692779A publication Critical patent/CN111692779A/zh
Pending legal-status Critical Current

Links

Images

Classifications

    • FMECHANICAL ENGINEERING; LIGHTING; HEATING; WEAPONS; BLASTING
    • F25REFRIGERATION OR COOLING; COMBINED HEATING AND REFRIGERATION SYSTEMS; HEAT PUMP SYSTEMS; MANUFACTURE OR STORAGE OF ICE; LIQUEFACTION SOLIDIFICATION OF GASES
    • F25BREFRIGERATION MACHINES, PLANTS OR SYSTEMS; COMBINED HEATING AND REFRIGERATION SYSTEMS; HEAT PUMP SYSTEMS
    • F25B30/00Heat pumps
    • F25B30/02Heat pumps of the compression type
    • FMECHANICAL ENGINEERING; LIGHTING; HEATING; WEAPONS; BLASTING
    • F26DRYING
    • F26BDRYING SOLID MATERIALS OR OBJECTS BY REMOVING LIQUID THEREFROM
    • F26B21/00Arrangements or duct systems, e.g. in combination with pallet boxes, for supplying and controlling air or gases for drying solid materials or objects
    • F26B21/001Drying-air generating units, e.g. movable, independent of drying enclosure
    • F26B21/002Drying-air generating units, e.g. movable, independent of drying enclosure heating the drying air indirectly, i.e. using a heat exchanger
    • F26B21/25
    • F26B21/333
    • FMECHANICAL ENGINEERING; LIGHTING; HEATING; WEAPONS; BLASTING
    • F26DRYING
    • F26BDRYING SOLID MATERIALS OR OBJECTS BY REMOVING LIQUID THEREFROM
    • F26B25/00Details of general application not covered by group F26B21/00 or F26B23/00
    • F26B25/005Treatment of dryer exhaust gases
    • YGENERAL TAGGING OF NEW TECHNOLOGICAL DEVELOPMENTS; GENERAL TAGGING OF CROSS-SECTIONAL TECHNOLOGIES SPANNING OVER SEVERAL SECTIONS OF THE IPC; TECHNICAL SUBJECTS COVERED BY FORMER USPC CROSS-REFERENCE ART COLLECTIONS [XRACs] AND DIGESTS
    • Y02TECHNOLOGIES OR APPLICATIONS FOR MITIGATION OR ADAPTATION AGAINST CLIMATE CHANGE
    • Y02BCLIMATE CHANGE MITIGATION TECHNOLOGIES RELATED TO BUILDINGS, e.g. HOUSING, HOUSE APPLIANCES OR RELATED END-USER APPLICATIONS
    • Y02B30/00Energy efficient heating, ventilation or air conditioning [HVAC]
    • Y02B30/52Heat recovery pumps, i.e. heat pump based systems or units able to transfer the thermal energy from one area of the premises or part of the facilities to a different one, improving the overall efficiency

Landscapes

  • Engineering & Computer Science (AREA)
  • Mechanical Engineering (AREA)
  • General Engineering & Computer Science (AREA)
  • Physics & Mathematics (AREA)
  • Thermal Sciences (AREA)
  • Drying Of Solid Materials (AREA)

Abstract

本发明涉及一种用于海苔烘干的湿冷双效回收型高效热泵机组,包括制冷剂循环和空气循环;制冷剂循环包括依次连接的蒸发器的制冷剂通道、压缩机、冷凝器的制冷剂通道、过冷再热盘管的制冷剂通道、节流装置;空气循环包括依次连接的海苔烘箱、蒸发器的空气通道、过冷再热盘管的空气通道、风机、冷凝器的空气通道。与现有技术相比,本发明采取对部分回风除湿后混风的方式,对水蒸气的湿效潜热进行充分回收的同时减小无用显热的占比,并保证冷凝器的风量,减小了换热器所需面积,可以选配合适的压缩机。同时,设置过冷再热盘管,充分回收流经蒸发器降温后回风中的冷能,增大系统过冷度和单位能耗除湿量,提升系统能效的同时还可进一步降低机组成本。

Description

一种用于海苔烘干的湿冷双效回收型高效热泵机组
技术领域
本发明涉及一种热泵干燥机组,尤其是涉及一种用于海苔烘干的湿冷双效回收型高效热泵机组。
背景技术
海苔、紫菜类产品常需干制后售卖。现代化工业生产中采用热风干燥的方式,将干燥的热风吹过海苔带出其中的水分。以往采取的电加热开式系统,吹过海苔的热风直接排出,再重新引入干燥的低温新风加热,热量损失大、耗电量高。相比之下,闭式的热泵干燥系统,对吹过海苔的热风先除湿再升温,吸收水蒸气潜热进行热回收,大大降低了耗功。
目前最常见的一类热泵除湿干燥系统为单风道的闭式热泵系统,例如CN101695404A公开的一种用于蔬菜脱水干燥的内循环式热泵、CN201254664Y公开的一种用于干燥衣物的热泵式机组等,这类系统的特点在于只有一条风道流路,所有回风会依次流经蒸发器除湿和冷凝器再热。流经蒸发器的回风,会同时进行显热和潜热的交换(同时降温和减湿)。吸收的潜热来自于除湿,而显热会在冷凝器中被重新用于加热空气。
然而,和一般的干燥应用相比,海苔除湿有其独特的工艺特点:海苔只有表面一层胶质需要干燥,很薄、易碎,为保证烘制后海苔的平整,需要大量热风(温度50℃,相对湿度30%左右)进入烘箱。在这种大风量的情形下,如果仍然采用传统的单风道闭式热泵系统,将面临以下问题:一方面,蒸发器将承担大量无用的显热,需要很大的换热面积;另一方面,蒸发温度很高,难以选配合适的压缩机。
一种改进思路是采用混风,即只引少部分回风经过蒸发器除湿降温,另一部分回风不经处理直接混合。混风式的除湿热泵有两种常见形式:(1)部分回风完整流经整个热泵系统后,再和另一部分回风充分混合(参见CN209893835U)。这种形式下流经蒸发器和冷凝器的风量还是相同的,和单风道系统相比在于减小了热泵机组处理的回风风量。但是该系统同样不适合海苔除湿类的大风量情况:采用此类装置,虽然减小了流经蒸发器的风量,但流经冷凝器的风量同样也很小,抬高了冷凝温度,系统能效低,且压缩机不易选配。(2)部分回风流经蒸发器后,就直接同其余未经处理的回风混合,混合后再一同流经冷凝器被加热(参见CN107642925B)。这种蒸发器和冷凝器风量不同的形式既使得蒸发器风量较小,蒸发温度降低(优于单风道系统);又保证冷凝器有较大的风量,冷凝温度不会偏高(优于上述第一类混风方式)。但是,这种形式下流经蒸发器的部分回风会被处理到较低温度,其所携带的冷能(冷效显热)未能充分利用,而是在和未经处理的回风混合时损失掉了。此外,冷凝器的进风温度和直接回风温度相近,所需冷凝器换热面积和压缩机容量大,机组成本很高。
综上,现有的热泵烘干系统,要么构造形式不适用于海苔烘干的大风量工艺条件(例如单风道形式和第一类混风形式);要么未能同时对烘干过程中的水蒸气潜热(湿效潜热)和机械除湿过程产生的冷能(冷效显热)充分回收(例如第二类混风形式),因而机组成本过高,难以推广应用。
发明内容
本发明的目的就是为了克服上述现有技术存在的缺陷而提供一种用于海苔烘干的湿冷双效回收型高效热泵机组,解决了目前海苔烘干装置在大风量工艺条件下蒸发器/冷凝器的换热面积难以满足、压缩机难于适配的问题。
本发明中的湿冷双效回收,是指既回收干燥物料后的回风中的水蒸气潜热(湿效潜热),又回收回风流经蒸发器降温后的大量冷能(冷效显热)。
本发明的目的可以通过以下技术方案来实现:
本发明中用于海苔烘干的湿冷双效回收型高效热泵机组,包括制冷剂循环和空气循环;
所述制冷剂循环包括依次连接的蒸发器的制冷剂通道、压缩机、冷凝器的制冷剂通道、过冷再热盘管的制冷剂通道、节流装置,所述节流装置与蒸发器的制冷剂通道连接,构成循环;
所述空气循环包括依次连接的海苔烘箱、蒸发器的空气通道、过冷再热盘管的空气通道、风机、冷凝器的空气通道,所述冷凝器的空气通道与所述海苔烘箱连接,构成循环。
进一步地,所述海苔烘箱的空气输出端与所述风机的空气输入端连接,构成第二回风通道。
进一步地,所述蒸发器的空气通道和过冷再热盘管的空气通道构成第一回风通道。
进一步,所述的制冷剂循环中,过冷再热盘管布置在冷凝器流路的出口,用于制冷剂的进一步冷凝及过冷。
进一步,所述的空气循环中,回风从海苔烘箱吹出后,分成流经蒸发器和过冷再热盘管的第一回风通道和直接回风的第二回风通道,第一、第二回风通道中的回风在过冷再热盘管后完成均匀混合。
进一步,所述的第一回风通道中的回风依次流经蒸发器和过冷再热盘管,先被蒸发器除湿降温(回收水蒸气潜热),再被过冷再热盘管加热到与直接回风相近的温度(回收冷能)。
进一步地,所述第一回风通道的回风从过冷再热盘管的空气通道流出后与第二回风通道中流出的未经处理的回风均匀混合,再由风机驱动至流经冷凝器的空气通道,升温变成高温低湿的热空气,从冷凝器的空气通道流出后再被送入海苔烘箱中,对海苔除湿后重新成为低温高湿的空气,完成空气循环。
进一步地,所述第二回风通道的入口处设有流阻调节组件,以此改变第二回风通道的进风阻力,从而调节第一回风通道和第二回风通道的混风比例。
进一步地,所述蒸发器的制冷剂通道流出低温低压的制冷剂气体进入压缩机,在压缩机中压缩得到高温高压的制冷剂气体,再依次流经冷凝器和过冷再热盘管的制冷剂通道中进行冷凝、过冷,变为低温高压的制冷剂液体。
进一步地,由过冷再热盘管的制冷剂通道流出的低温高压的制冷剂液体经过节流装置的节流作用后,进入蒸发器的制冷剂通道中蒸发,从流经的空气中吸热,重新变为低温低压的制冷剂气体,完成制冷剂循环。
进一步地,还包括机组外壳,所述机组外壳包括滤网、背板、顶板和底板;
所述滤网和背板分别设于蒸发器一侧与冷凝器一侧,滤网和背板相互平行且垂直于底板。
进一步地,所述滤网和背板之间设有中间挡板,所述风机设于中间挡板上,通过中间挡板的阻隔形成第二回风通道和出风通道;
第一回风通道的进风方向与滤网垂直,第二回风通道的进风方向与第一回风通道的进风方向垂直,出风通道的出风方向与所述第二回风通道的进风方向平行且相反。
进一步地,所述风机为无蜗壳离心风机,所述第二回风通道为对称的双侧进风结构,所述出风通道为对称的双侧出风结构。
进一步地,所述流阻调节组件设于机组侧面的第二回风通道的入口,为可活动导流板,通过调整导流板的角度改变第二回风通道的进风阻力,调节第一回风通道和第二回风通道的混风比例。
进一步地,第一回风通道、第二回风通道回风的均匀混合通过特定的系统构造实现。作为本发明提供的一种方式,是在机组侧面直接引入回风,与正面经过蒸发器和过冷再热盘管除湿的回风混合后,再经由中间的风机通过两片对称布置的冷凝器升温后吹出。
面向海苔烘干类大风量下的除湿需求,本发明对物料中带出的水蒸气的潜热(湿效潜热)和回风流经蒸发器产生的冷能(冷效显热)都能充分回收,在提高系统能效的同时还进一步降低了成本。与现有技术相比,具有以下优点:
1)与单风道热泵干燥机组相比,本发明采取对部分回风除湿后混风的方式,在回收等量潜热的同时减少无用显热的占比,减小了换热器所需面积,降低了系统的蒸发温度,可以选配合适的压缩机。
2)与部分回风流经整个热泵系统后再混风的热泵干燥机组相比,本发明在部分回风除湿再热后即采取混风的方式,增大了流经冷凝器的风量,降低了热泵系统的冷凝温度,提升了系统能效。
3)与部分回风流经蒸发器后即采取混风的热泵干燥机组相比,本发明增设了过冷再热盘管,具有以下优势:①将蒸发器除湿冷却后的回风再热至正常回风温度后再混风,减少了混风时的能量损失,提升了能效。②回收的这部分冷能用于过冷再热盘管中制冷剂的过冷,增大了系统过冷度,提升了单位质量除湿量,可以匹配更小的压缩机容量,机组整体成本下降10%~15%。
4)采用特定的系统构造,由机组侧面直接引入部分回风,另一部分回风由机组正面经过蒸发器和过冷再热盘管引入,混合后经由中间的风机通过两片对称布置的冷凝器吹出。保证了混风的均匀性,避免了风道短路,干燥效果进一步提高。
附图说明
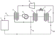
图1为本发明中热泵干燥机组的原理示意图。
图2为本发明中热泵干燥机组的系统布置图(俯视图,无顶板)。
图3为本发明中热泵干燥机组的系统布置图。
图4为本发明中热泵干燥机组的系统布置图(无顶板和背板)。
图中:0、机组外壳,0-1、滤网,0-2、中间挡板,0-3、背板,0-4、顶板,0-5、底板,1、蒸发器,2、节流装置,3、过冷再热盘管,4、风机,5、冷凝器,6、压缩机,7、海苔烘箱,8、出风通道,9、第二回风通道,10、第一回风通道。
具体实施方式
下面结合附图和具体实施例对本发明进行详细说明。
实施例1
本实施例中一种用于海苔烘干的湿冷双效回收型高效热泵机组(参见图1),包括制冷剂循环和空气循环。
制冷剂循环包括依次连接的蒸发器1的制冷剂通道、压缩机6、冷凝器5的制冷剂通道、过冷再热盘管3的制冷剂通道、节流装置2,所述节流装置2与蒸发器1的制冷剂通道连接,构成循环。制冷剂循环中,过冷再热盘管3布置在冷凝器5的出口,用于制冷剂的进一步冷凝及过冷。蒸发器1的制冷剂通道流出低温低压的制冷剂气体进入压缩机6,在压缩机6中压缩得到高温高压的制冷剂气体,再依次流经冷凝器5和过冷再热盘管3的制冷剂通道中进行冷凝、过冷,变为低温高压的制冷剂液体。由过冷再热盘管3的制冷剂通道流出的低温高压的制冷剂液体经过节流装置2的节流作用后,进入蒸发器1的制冷剂通道中蒸发,从流经的空气中吸热,重新变为低温低压的制冷剂气体,完成制冷剂循环。
空气循环包括依次连接的海苔烘箱7、蒸发器1的空气通道、过冷再热盘管3的空气通道、风机4、冷凝器5的空气通道,冷凝器5的空气通道与所述海苔烘箱7连接,构成循环。蒸发器1的空气通道和过冷再热盘管3的空气通道构成第一回风通道10。海苔烘箱7的空气输出端与所述风机4的空气输入端连接,构成第二回风通道9。空气循环中,回风从海苔烘箱7吹出后,分成流经蒸发器1和过冷再热盘管3的第一回风通道10和直接回风的第二回风通道9,第一、第二回风通道中的回风在过冷再热盘管3后完成均匀混合。
第一回风通道10中的回风依次流经蒸发器1和过冷再热盘管3,先被蒸发器1除湿降温,再被过冷再热盘管3加热到与直接回风相近的温度。第一回风通道10的回风从过冷再热盘管3的空气通道流出后与第二回风通道9中流出的未经处理的回风均匀混合,再由风机4驱动至流经冷凝器5的空气通道,升温变成高温低湿的热空气,从冷凝器5的空气通道流出后再被送入海苔烘箱7中,对海苔除湿后重新成为低温高湿的空气,完成空气循环。第二回风通道9的入口处设有流阻调节组件,以此改变第二回风通道9的进风阻力,从而调节第一回风通道10和第二回风通道9的混风比例。
机组外壳0包括滤网0-1、背板0-3、顶板0-4和底板0-5。滤网0-1和背板0-3分别设于蒸发器1一侧与冷凝器5一侧,滤网0-1和背板0-3相互平行且垂直于底板0-5。滤网0-1和背板0-3之间设有中间挡板0-2,所述风机4设于中间挡板0-2上,通过中间挡板0-2的阻隔形成第二回风通道9和出风通道8。第一回风通道10的进风方向与滤网0-1垂直,第二回风通道9的进风方向与第一回风通道10的进风方向垂直,出风通道8的出风方向与所述第二回风通道9的进风方向平行且相反。风机4为无蜗壳离心风机,所述第二回风通道9为对称的双侧进风结构,所述出风通道8为对称的双侧出风结构。流阻调节组件为设于机组侧面的第二回风通道9入口的可活动导流板,通过调整导流板的角度改变第二回风通道9的进风阻力,调节第一回风通道10和第二回风通道9的混风比例。
本实施例中热泵干燥机组的工作流程为:
从海苔烘箱7流出的低温高湿的回风分别流经第一回风通道10和第二回风通道9,第一回风通道10中的回风先经过蒸发器1的空气通道,降温除湿变成低温低湿的空气,再流经过冷再热盘管3的空气通道被再热到接近直接回风的温度。第一回风通道10的回风从过冷再热盘管3的空气通道流出后与第二回风通道9的未经处理的回风均匀混合,再由风机4驱动,流经冷凝器5的空气通道升温变成高温低湿的热空气,从冷凝器5的空气通道流出后再被送入海苔烘箱7中,对海苔除湿重新成为低温高湿的空气,完成空气循环。
从蒸发器1的制冷剂通道流出的低温低压的制冷剂气体进入压缩机6,在压缩机6中被压缩成高温高压的制冷剂气体,再依次流经冷凝器5和过冷再热盘管3的制冷剂通道中冷凝及过冷,对流经的空气放热变为低温高压的制冷剂液体,从过冷再热盘管3的制冷剂通道流出的低温高压的制冷剂液体经过节流装置2的节流作用后,进入蒸发器1的制冷剂通道中蒸发,从流经的空气中吸热,重新变为低温低压的制冷剂气体,完成制冷剂循环。
图2~图4展示了本实施例中用于海苔烘干的湿冷双效回收型高效热泵机组的具体布置形式,包括空气流路的分布和制冷剂管路的连接情况。机组外壳为方形结构,设有背板0-3、顶板0-4和底板0-5。正面设置滤网0-1过滤回风中的杂质,设置中间挡板0-2支撑风机4。侧面不设挡板,通过中间挡板0-2的阻隔形成第二回风通道9和出风通道8。该布置形式的特点在于第一回风通道10由正面引入,第二回风通道9由侧面引入,回风混合后经由中部的风机4驱动,通过两侧对称分布的冷凝器5吹出,从而实现两股回风较好的均匀混风效果。
实施中优选的,风机4采用无蜗壳离心风机,实现风场的对称均匀分布。
实施中优选的,机组侧面的第二回风通道9的入口设置可活动导流板,通过调整导流板的角度改变第二回风通道9的进风阻力,调节第一回风通道10和第二回风通道9的混风比例。
上述实施例中未完整展示制冷剂循环和风道的所有部件,实施过程中,在制冷剂回路设置高压储液器、气液分离器、油分离、过滤器、干燥器等常见制冷辅件,在烘箱的风道设置消声器,加湿器,加热器,杀菌装置等空气处理附件,选用不同的送风喷口和回风格栅,改变风机位置,或不脱离本发明技术方案的精神增加热交换器,风机和风阀等,均不能视为对本发明进行了实质性改进,应属于本发明保护范围。
上述的对实施例的描述是为便于该技术领域的普通技术人员能理解和使用发明。熟悉本领域技术的人员显然可以容易地对这些实施例做出各种修改,并把在此说明的一般原理应用到其他实施例中而不必经过创造性的劳动。因此,本发明不限于上述实施例,本领域技术人员根据本发明的揭示,不脱离本发明范畴所做出的改进和修改都应该在本发明的保护范围之内。

Claims (10)

1.一种用于海苔烘干的湿冷双效回收型高效热泵机组,其特征在于,包括制冷剂循环和空气循环;
所述制冷剂循环包括依次连接的蒸发器(1)的制冷剂通道、压缩机(6)、冷凝器(5)的制冷剂通道、过冷再热盘管(3)的制冷剂通道、节流装置(2),所述节流装置(2)与蒸发器(1)的制冷剂通道连接,构成循环;
所述空气循环包括依次连接的海苔烘箱(7)、蒸发器(1)的空气通道、过冷再热盘管(3)的空气通道、风机(4)、冷凝器(5)的空气通道,所述冷凝器(5)的空气通道与所述海苔烘箱(7)连接,构成循环。
2.根据权利要求1所述的一种用于海苔烘干的湿冷双效回收型高效热泵机组,其特征在于,所述海苔烘箱(7)的空气输出端与所述风机(4)的空气输入端连接,构成第二回风通道(9)。
3.根据权利要求2所述的一种用于海苔烘干的湿冷双效回收型高效热泵机组,其特征在于,所述蒸发器(1)的空气通道和过冷再热盘管(3)的空气通道构成第一回风通道(10)。
4.根据权利要求3所述的一种用于海苔烘干的湿冷双效回收型高效热泵机组,其特征在于,所述第一回风通道(10)的回风从过冷再热盘管(3)的空气通道流出后与第二回风通道(9)中流出的回风均匀混合,再由风机(4)驱动至流经冷凝器(5)的空气通道,升温变成高温低湿的热空气,从冷凝器(5)的空气通道流出后再被送入海苔烘箱(7)中,对海苔除湿后重新成为低温高湿的空气,完成空气循环。
5.根据权利要求3所述的一种用于海苔烘干的湿冷双效回收型高效热泵机组,其特征在于,所述第二回风通道(9)的入口处设有流阻调节组件,以此改变第二回风通道(9)的进风阻力,从而调节第一回风通道(10)和第二回风通道(9)的混风比例。
6.根据权利要求1所述的一种用于海苔烘干的湿冷双效回收型高效热泵机组,其特征在于,所述蒸发器(1)的制冷剂通道流出低温低压的制冷剂气体进入压缩机(6),在压缩机(6)中压缩得到高温高压的制冷剂气体,再依次流经冷凝器(5)和过冷再热盘管(3)的制冷剂通道中进行冷凝、过冷,变为低温高压的制冷剂液体。
7.根据权利要求6所述的一种用于海苔烘干的湿冷双效回收型高效热泵机组,其特征在于,由过冷再热盘管(3)的制冷剂通道流出的低温高压的制冷剂液体经过节流装置(2)的节流作用后,进入蒸发器(1)的制冷剂通道中蒸发,从流经的空气中吸热,重新变为低温低压的制冷剂气体,完成制冷剂循环。
8.根据权利要求3所述的一种用于海苔烘干的湿冷双效回收型高效热泵机组,其特征在于,还包括机组外壳(0),所述机组外壳(0)包括滤网(0-1)、背板(0-3)、顶板(0-4)和底板(0-5);
所述滤网(0-1)和背板(0-3)分别设于蒸发器(1)一侧与冷凝器(5)一侧,滤网(0-1)和背板(0-3)相互平行且垂直于底板(0-5)。
9.根据权利要求8所述的一种用于海苔烘干的湿冷双效回收型高效热泵机组,其特征在于,所述滤网(0-1)和背板(0-3)之间设有中间挡板(0-2),所述风机(4)设于中间挡板(0-2)上,通过中间挡板(0-2)的阻隔形成第二回风通道(9)和出风通道(8);
第一回风通道(10)的进风方向与滤网(0-1)垂直,第二回风通道(9)的进风方向与第一回风通道(10)的进风方向垂直,出风通道(8)的出风方向与所述第二回风通道(9)的进风方向平行且相反。
10.根据权利要求9所述的一种用于海苔烘干的湿冷双效回收型高效热泵机组,其特征在于,所述风机(4)为无蜗壳离心风机,所述第二回风通道(9)为对称的双侧进风结构,所述出风通道(8)为对称的双侧出风结构。
CN202010396362.2A 2020-05-12 2020-05-12 一种用于海苔烘干的湿冷双效回收型高效热泵机组 Pending CN111692779A (zh)

Priority Applications (1)

Application Number Priority Date Filing Date Title
CN202010396362.2A CN111692779A (zh) 2020-05-12 2020-05-12 一种用于海苔烘干的湿冷双效回收型高效热泵机组

Applications Claiming Priority (1)

Application Number Priority Date Filing Date Title
CN202010396362.2A CN111692779A (zh) 2020-05-12 2020-05-12 一种用于海苔烘干的湿冷双效回收型高效热泵机组

Publications (1)

Publication Number Publication Date
CN111692779A true CN111692779A (zh) 2020-09-22

Family

ID=72477616

Family Applications (1)

Application Number Title Priority Date Filing Date
CN202010396362.2A Pending CN111692779A (zh) 2020-05-12 2020-05-12 一种用于海苔烘干的湿冷双效回收型高效热泵机组

Country Status (1)

Country Link
CN (1) CN111692779A (zh)

Cited By (3)

* Cited by examiner, † Cited by third party
Publication number Priority date Publication date Assignee Title
CN114103592A (zh) * 2021-11-22 2022-03-01 泉州装备制造研究所 一种可移动集装箱式的热泵烘干系统、运输车及烘干方法
CN114111313A (zh) * 2021-11-25 2022-03-01 同济大学 融合压缩机驱动型拟环路热管的除湿烘干热泵系统
CN117606202A (zh) * 2023-10-27 2024-02-27 广东省双冷冷链设备有限公司 一种烘干机及烘干机的运转方法

Citations (6)

* Cited by examiner, † Cited by third party
Publication number Priority date Publication date Assignee Title
JP2012159272A (ja) * 2011-02-02 2012-08-23 Azbil Corp 超低露点温度の乾燥空気を供給するデシカント空調機
CN205048939U (zh) * 2015-09-21 2016-02-24 刘晓明 一种除湿热泵烘干机组
CN205843311U (zh) * 2016-07-26 2016-12-28 上海筑能环境科技有限公司 一种新型多能热泵干燥一体机
CN106766837A (zh) * 2016-12-16 2017-05-31 江苏天舒电器股份有限公司 一种变频变容量热泵热风烘干系统控制方法及其控制装置
CN106895698A (zh) * 2017-04-01 2017-06-27 苏州末尘节能科技有限公司 高效闭环除湿烘干机
CN108168147A (zh) * 2018-02-02 2018-06-15 珠海格力电器股份有限公司 一种热泵干燥机组的电控箱冷却结构及热泵干燥机组

Patent Citations (6)

* Cited by examiner, † Cited by third party
Publication number Priority date Publication date Assignee Title
JP2012159272A (ja) * 2011-02-02 2012-08-23 Azbil Corp 超低露点温度の乾燥空気を供給するデシカント空調機
CN205048939U (zh) * 2015-09-21 2016-02-24 刘晓明 一种除湿热泵烘干机组
CN205843311U (zh) * 2016-07-26 2016-12-28 上海筑能环境科技有限公司 一种新型多能热泵干燥一体机
CN106766837A (zh) * 2016-12-16 2017-05-31 江苏天舒电器股份有限公司 一种变频变容量热泵热风烘干系统控制方法及其控制装置
CN106895698A (zh) * 2017-04-01 2017-06-27 苏州末尘节能科技有限公司 高效闭环除湿烘干机
CN108168147A (zh) * 2018-02-02 2018-06-15 珠海格力电器股份有限公司 一种热泵干燥机组的电控箱冷却结构及热泵干燥机组

Cited By (4)

* Cited by examiner, † Cited by third party
Publication number Priority date Publication date Assignee Title
CN114103592A (zh) * 2021-11-22 2022-03-01 泉州装备制造研究所 一种可移动集装箱式的热泵烘干系统、运输车及烘干方法
CN114103592B (zh) * 2021-11-22 2023-11-21 泉州装备制造研究所 一种可移动集装箱式的热泵烘干系统、运输车及烘干方法
CN114111313A (zh) * 2021-11-25 2022-03-01 同济大学 融合压缩机驱动型拟环路热管的除湿烘干热泵系统
CN117606202A (zh) * 2023-10-27 2024-02-27 广东省双冷冷链设备有限公司 一种烘干机及烘干机的运转方法

Similar Documents

Publication Publication Date Title
CN209689295U (zh) 一种采用进风预冷高效除湿组合模块的除湿烘干机组及烘干装置
CN107314483B (zh) 两级双除湿蒸发器双除湿冷凝器除湿热泵系统及方法
CN103900289A (zh) 固体除湿预防空气源热泵热水器结霜的系统及方法
CN107036405B (zh) 一种适用于大温差的热回收型风冷热泵烘干系统
WO2020097831A1 (zh) 闭式热泵干衣机系统
CN108826508B (zh) 一种风路并联进风预冷立式除湿机
CN214581894U (zh) 温度调节系统和温度调节装置
CN111692779A (zh) 一种用于海苔烘干的湿冷双效回收型高效热泵机组
CN107869812A (zh) 一体式膜法溶液热泵系统
CN106524581B (zh) 一种单压缩机双蒸发温度的无霜型热回收式新风热泵机组
CN105937847A (zh) 一种带逆流式换热器的高效热泵干燥装置
CN108955219A (zh) 热泵烘干系统
CN107130415A (zh) 一种热泵热管复合式干衣机
CN106895698A (zh) 高效闭环除湿烘干机
CN201152668Y (zh) 一种热泵干燥装置
CN108895823A (zh) 一种热泵烘干系统
CN208458305U (zh) 一种低温干化六效热能利用系统
CN112050618B (zh) 三效热回收型混风式热泵烘干系统及其应用
CN107270456B (zh) 一种节能型供冷供热除湿一体化装置
CN209726659U (zh) 一种具有恒温功能的污泥烘干热泵系统
CN207990944U (zh) 一种移动除湿烘干冷暖空调机
CN215909269U (zh) 一种辐射空调用热泵型低温再生转轮新风变频除湿系统
EP3457038B1 (en) Self-contained air conditioning system and use method
CN205860341U (zh) 一种多冷凝器并联的除湿新风机组
CN201764648U (zh) 一种恒温恒湿机

Legal Events

Date Code Title Description
PB01 Publication
PB01 Publication
SE01 Entry into force of request for substantive examination
SE01 Entry into force of request for substantive examination
RJ01 Rejection of invention patent application after publication
RJ01 Rejection of invention patent application after publication

Application publication date: 20200922