CN111681923A - 断路器 - Google Patents

断路器 Download PDF

Info

Publication number
CN111681923A
CN111681923A CN202010505461.XA CN202010505461A CN111681923A CN 111681923 A CN111681923 A CN 111681923A CN 202010505461 A CN202010505461 A CN 202010505461A CN 111681923 A CN111681923 A CN 111681923A
Authority
CN
China
Prior art keywords
circuit breaker
driven gear
circuit
gear
spring
Prior art date
Legal status (The legal status is an assumption and is not a legal conclusion. Google has not performed a legal analysis and makes no representation as to the accuracy of the status listed.)
Granted
Application number
CN202010505461.XA
Other languages
English (en)
Other versions
CN111681923B (zh
Inventor
卢科军
杨安
Current Assignee (The listed assignees may be inaccurate. Google has not performed a legal analysis and makes no representation or warranty as to the accuracy of the list.)
Zhejiang Chint Electrics Co Ltd
Original Assignee
Zhejiang Chint Electrics Co Ltd
Priority date (The priority date is an assumption and is not a legal conclusion. Google has not performed a legal analysis and makes no representation as to the accuracy of the date listed.)
Filing date
Publication date
Application filed by Zhejiang Chint Electrics Co Ltd filed Critical Zhejiang Chint Electrics Co Ltd
Priority to CN202010505461.XA priority Critical patent/CN111681923B/zh
Publication of CN111681923A publication Critical patent/CN111681923A/zh
Application granted granted Critical
Publication of CN111681923B publication Critical patent/CN111681923B/zh
Active legal-status Critical Current
Anticipated expiration legal-status Critical

Links

Images

Classifications

    • HELECTRICITY
    • H01ELECTRIC ELEMENTS
    • H01HELECTRIC SWITCHES; RELAYS; SELECTORS; EMERGENCY PROTECTIVE DEVICES
    • H01H71/00Details of the protective switches or relays covered by groups H01H73/00 - H01H83/00
    • H01H71/10Operating or release mechanisms
    • H01H71/1009Interconnected mechanisms
    • HELECTRICITY
    • H01ELECTRIC ELEMENTS
    • H01HELECTRIC SWITCHES; RELAYS; SELECTORS; EMERGENCY PROTECTIVE DEVICES
    • H01H71/00Details of the protective switches or relays covered by groups H01H73/00 - H01H83/00
    • H01H71/10Operating or release mechanisms
    • H01H71/66Power reset mechanisms
    • H01H71/70Power reset mechanisms actuated by electric motor

Landscapes

  • Breakers (AREA)

Abstract

本发明涉及低压电器领域,具体涉及一种断路器,其包括断路器外壳,以及分别设置在断路器外壳内的电动机构、操作机构、与操作机构相连的动触头、与动触头配合使用的静触头;所述电动机构包括分别枢转设置在断路器外壳上的驱动齿轮件和受动齿轮,所述操作机构包括枢转设置在断路器外壳上的传动件,受动齿轮与传动件同轴设置且驱动配合;所述驱动齿轮件与受动齿轮驱动配合,受动齿轮驱动传动件转动使断路器合闸,在受动齿轮和传动件之间设有储能弹簧;本发明断路器,其储能弹簧保证了断路器合闸的有效性,断路器的使用寿命更长。

Description

断路器
技术领域
本发明涉及低压电器领域,具体涉及一种断路器。
背景技术
现有插入式断路器多存在以下问题:
一、现有断路器电动机构通过驱动手柄机构实现自动合闸,通过驱动手柄机构或者通过驱动操作机构的锁扣,使断路器跳闸实现自动分闸,相应的配合机构易于磨损,且为了实现自动分合闸和手动分合闸的互不干扰导致结构较为复杂。而且,现有断路器的电动机构,其电动机控制通过位置传感器和芯片进行处理,位置传感器将断路器的合闸、分闸位置传递给芯片,芯片控制电机正转或翻转实现合闸、分闸以及返回初始位置(即不影响断路器手动分合闸位置),芯片容易受外部干扰,导致位置检测不可靠,影响断路器动作可靠性。
二、现有断路器,其电动机构靠齿轮硬传动,长时间使用后,容易出现结构件磨损,往往会导致传动不到位的情况,表现为断路器合闸或分闸不到位。
三、现有断路器,其进行手动工作模式和自动工作模式切换时,操作不方便,而且手自动切换装置的工作可靠性不高。
四、现有断路器,其整体空间尺寸规格太大,不符合断路器小型化发展的趋势和要求。
五、现有断路器,其电动机构的电动机的控制往往需要复杂的物理结构和电路实现,导致断路器整体结构复杂且可靠性较差。
发明内容
本发明的目的在于克服现有技术的缺陷,提供一种断路器,其储能弹簧保证了断路器合闸的有效性,断路器的使用寿命更长。
为实现上述目的,本发明采用了如下技术方案:
一种断路器,其包括断路器外壳1,以及分别设置在断路器外壳1内的电动机构3、操作机构5、与操作机构5相连的动触头1a、与动触头1a配合使用的静触头1b;所述电动机构3包括分别枢转设置在断路器外壳1上的驱动齿轮件305和受动齿轮306,所述操作机构5包括枢转设置在断路器外壳1上的传动件501,受动齿轮306与传动件501同轴设置且驱动配合;
所述驱动齿轮件305与受动齿轮306驱动配合,受动齿轮306驱动传动件501转动使断路器合闸,在受动齿轮306和传动件501之间设有储能弹簧3-5。
优选的,所述储能弹簧3-5为扭簧,包括弹簧主体3-50、第一弹簧臂3-51和第二弹簧臂3-52;所述弹簧主体3-50设置在受动齿轮306和传动件501之间,第一弹簧臂3-51与传动件501限位配合,第二弹簧臂3-52与受动齿轮306限位配合。
优选的,所述传动件51包括设置在其一侧的受动齿轮限位槽501-306,受动齿轮306包括受动齿轮本体306-2和设置在受动齿轮本体306-2一侧的第一扇形齿轮部306-1,受动齿轮本体306-2与传动件501同轴枢转设置在断路器外壳1上,第一扇形齿轮部306-1设置在受动齿轮限位槽501-306内,所述储能弹簧3-5的弹簧主体3-50位于受动齿轮本体306-2和传动件51之间。
优选的,所述第一扇形齿轮部306-1包括分别设置在其两端的第一扇形齿轮部首端面306-10和第一扇形齿轮部尾端面306-11,传动件501还包括设置在受动齿轮限位槽501-306两端的受动齿轮限位槽首端面501-6和受动齿轮限位槽尾端面501-4,第一扇形齿轮部首端面306-10与受动齿轮限位槽首端面501-6相抵,第一扇形齿轮部尾端面306-11与受动齿轮限位槽尾端面501-4之间设有第一运动间隙。
优选的,所述受动齿轮306还包括设置在受动齿轮本体306-2上的受动齿轮弹簧限位孔306-3,传动件501还包括设置在受动齿轮限位槽501-306一端的传动件弹簧限位槽501-5,传动件弹簧限位槽501-5和受动齿轮限位槽尾端面501-4位于传动齿轮限位槽501-306同一端;所述第一弹簧臂3-51与传动件弹簧限位槽501-5限位配合,第二弹簧臂3-52与受动齿轮弹簧限位孔306-3限位配合。
优选的,所述传动件501还包括传动件主体501-0以及设置在传动件主体501-0一侧的传动件弹簧装配槽501-7,受动齿轮限位槽501-306设置在传动件弹簧装配槽501-7一侧;所述受动齿轮本体306-2与第一扇形齿轮部306-1错层设置,第一扇形齿轮部306-1相对于受动齿轮本体306-2向传动件501所在侧偏移;所述弹簧主体3-50设置在传动件弹簧装配槽501-7内且限位于受动齿轮本体306-2和传动件主体501-0之间。
优选的,所述断路器还包括设置在断路器外壳1内的按钮机构2,按钮机构2包括滑动设置在断路器外壳1上的按钮件201,按钮机构2与传动件501驱动相连;按压/拉拔所述按钮件201,驱动操作机构5动作,使断路器合闸/分闸。
优选的,所述按钮机构2还包括滑动设置在断路器外壳1上的连接件204、两端分别与按钮件201和连接件204相连的第一连杆202,以及两端分别与连接件204和传动件501相连的第二连杆203;所述驱动齿轮件305与连接件204驱动配合。
优选的,所述操作机构5还包括枢转设置在断路器外壳1上的转动板505,分别枢转设置在转动板505上且锁扣配合的跳扣503和锁扣504,两端分别与传动件501和跳扣503相连的第三连杆502,以及用于驱动转动板504的第二复位弹簧506;所述动触头1a一端与转动板505相连。
优选的,所述传动件501为圆柱体结构,包括传动件本体501-0,设置在传动件本体501-0一侧的传动件弹簧装配槽501-7和受动齿轮限位槽501-306,以及分别设置在传动件本体501-0上的传动件轴孔501-3、第一传动件连接孔501-1和第二传动件连接孔501-2;所述传动件弹簧装配槽501-7和受动齿轮限位槽501-306位于传动件本体501-0同一侧,受动齿轮限位槽501-306设置在传动件弹簧装配槽501-7一侧;所述传动件轴孔501-3、第一传动件连接孔501-1和第二传动件连接孔501-2位于一个三角形的三个顶点处,第一传动件连接孔501-1靠近受动齿轮限位槽501-306设置,传动件501通过传动件轴孔501-3枢转设置,第一传动件连接孔501-1与按钮机构2的第二连杆203相连,第二传动件连接孔501-2与操作机构5的第三连杆502相连。
优选的,所述受动齿轮306包括受动齿轮本体306-2、第一扇形齿轮部306-1,以及分别设置在受动齿轮本体306-2上的受动齿轮轴孔306-4和受动齿轮弹簧限位孔306-3;所述受动齿轮本体306-2包括依次同轴设置且直径依次减小的本体基板306-20、本体限位台306-21和本体弹簧限位台306-22,本体基板306-20与传动件501的传动件本体501-0一侧相抵,本体限位台306-21插置在传动件501的传动件弹簧装配槽501-7内,本体弹簧限位台306-22插置在储能弹簧3-5的弹簧主体3-50中部;所述第一扇形齿轮部306-1一端分别与本体基板306-20的与本体限位台306-21相连的一侧、本体限位台306-21的外周边沿相连。
优选的,所述传动件501还包括行程限位槽501-8,所述断路器外壳1还包括设置在传动件501一侧的到位挡台102;所述断路器处于分闸状态时,行程限位槽510-8一端侧壁与到位挡台102限位配合,断路器处于合闸状态时,行程限位槽510-8另一端侧壁与到位挡台102限位配合。
优选的,所述驱动齿轮件305从第一初始位置向第一方向转动至与受动齿轮306啮合,驱动齿轮件305继续转动并驱动受动齿轮306向第二方向转动,受动齿轮306通过储能弹簧3-5驱动传动件501向第二方向转动,断路器合闸后,驱动齿轮件305继续向第一方向转动并驱动受动齿轮306相对于传动件501向第二方向转动,使储能弹簧3-5储能,直至传动齿轮件305转动至中间位置并与受动齿轮306脱离啮合。
本发明断路器,其电动机构的受动齿轮和操作机构传动件之间设置储能弹簧,在断路器完成合闸后,电动机构的驱动齿轮件会驱动受动齿轮相对于传动件向第二方向转动,使储能弹簧储能,从而保证了断路器合闸到位,即保证断路器有效合闸,提高用户的用电安全性,尤其是电动机构在长期使用后,各齿轮会因为磨损相互之间出现配合误差或者出现线路板位置检测的误差,造成断路器自动合闸不到位的问题,本发明的储能弹簧则能可靠解决上述问题。
附图说明
图1是本发明断路器的结构示意图,至少示出了按钮机构、电动机构和操作机构的具体结构;
图2是本发明连接件的结构示意图;
图3是本发明驱动齿轮件的结构示意图;
图4是本发明受动齿轮、储能弹簧和传动件装配关系示意图;
图5是本发明受动齿轮的结构示意图;
图6是本发明传动件的结构示意图,至少示出了第一传动件连接孔、第二传动件连接孔和传动件轴孔的位置关系;
图7是本发明传动件的结构示意图,至少示出了储能弹簧装配槽、受动齿轮限位槽和传动件弹簧限位槽的位置关系;
图8是本发明储能弹簧的结构示意图;
图9是本发明断路器的结构示意图,断路器处于分闸状态,驱动齿轮件处于第一初始位置;
图10是本发明断路器的结构示意图,断路器处于分闸状态,驱动齿轮件从第一初始位置转动至与受动齿轮啮合;
图11是本发明断路器的结构示意图,断路器处于合闸过程中状态,动触头和静触头已闭合;
图12是本发明断路器的结构示意图,断路器处于合闸状态,驱动齿轮件处于中间位置;
图13是本发明驱动齿轮件与合闸到位挡台的配合关系示意图;
图14是本发明手自动切换装置的装配结构示意图;
图15是本发明断路器外壳的断路器操作界面的结构示意图;
图16是本发明手自动切换装置的结构示意图,示出了手自动切换装置与切换开关元件的配合关系;
图17是本发明断路器的结构示意图,至少示出了断路器的各组成部分的在断路器外壳内的分布关系;
图18是本发明断路器的结构示意图,至少示出了线路板与断路器的其他组成部分的位置关系;
图19是本发明线路板、进线端子和线路板插槽的位置关系示意图;
图20是本发明进线端子和线路板插槽的位置关系示意图;
图21是本发明断路器的结构示意图,至少示出了驱动齿轮件与第一开关件的位置关系和配合关系;
图22是本发明断路器的结构示意图,至少示出了连接件与第二开关件的位置关系和配合关系;
图23a是本发明电动机的控制电路的第一实施例的示意图,此时断路器处于分闸状态,合闸电压信号加载于第一开关件和合闸电路两端;
图23b是本发明电动机的控制电路的第一实施例的示意图,此时断路器处于合闸状态,分闸电压信号加载于第一开关件和分闸电路两端;
图24a是本发明电动机的控制电路的第二实施例的示意图,此时断路器处于分闸状态,第一开关件接通合闸电路,第二开关件接通合闸辅助电路,合闸电压信号加载于第一开关件和合闸电路两端;
图24b是本发明电动机的控制电路的第二实施例的示意图,此时断路器处于合闸状态,第一开关件接通分闸电路,第二开关件接通分闸辅助电路,分闸电压信号加载于第一开关件和分闸电路两端;
图24c是本发明电动机的控制电路的第二实施例的示意图,此时已通过手动操作组件驱动断路器切换为分闸状态,第一开关件接通分闸电路,第二开关件接通合闸辅助电路,合闸电压信号加载于第一开关件和合闸电路两端;
图24d是本发明电动机的控制电路的第二实施例的示意图,此时已通过手动操作组件驱动断路器切换为合闸状态,第一开关件接通合闸电路,第二开关件接通分闸辅助电路,分闸电压信号加载于第一开关件和分闸电路两端;
图25a是本发明电动机的控制电路的第三实施例的示意图,此时断路器处于分闸状态,合闸电压信号加载于第一开关件和合闸电路两端;
图25b是本发明电动机的控制电路的第三实施例的示意图,此时断路器处于合闸状态,分闸电压信号加载于第一开关件和分闸电路两端;
图26a是本发明电动机的控制电路的第四实施例的示意图,此时断路器处于分闸状态,第一开关件接通合闸电路,第二开关件接通合闸辅助电路,合闸电压信号加载于第一开关件和合闸电路两端;
图26b是本发明电动机的控制电路的第四实施例的示意图,此时断路器处于合闸状态,第一开关件接通分闸电路,第二开关件接通分闸辅助电路,分闸电压信号加载于第一开关件和分闸电路两端;
图26c是本发明电动机的控制电路的第四实施例的示意图,此时已通过手动操作组件驱动断路器切换为分闸状态,第一开关件接通分闸电路,第二开关件接通合闸辅助电路,合闸电压信号加载于第一开关件和合闸电路两端;
图26d是本发明电动机的控制电路的第四实施例的示意图,此时已通过手动操作组件驱动断路器切换为合闸状态,第一开关件接通合闸电路,第二开关件接通分闸辅助电路,分闸电压信号加载于第一开关件和分闸电路两端。
具体实施方式
以下结合附图1-26d给出的实施例,进一步说明本发明的断路器的具体实施方式。本发明的断路器不限于以下实施例的描述。
本发明公开一种断路器,其包括断路器外壳1以及设置在断路器外壳1内的按钮机构2、电动机构3、操作机构5;与操作机构5相连的动触头1a、与动触头1a配合使用的静触头1b;操作所述按钮机构2能通过操作机构5驱动断路器合闸/分闸,实现手动分合闸;电动机构3与按钮机构2和或操作机构5驱动配合,驱动断路器合闸/分闸(电动分闸/合闸),实现自动分合闸。进一步,本发明的断路器还包括短路保护机构6、灭弧系统7、过载保护机构110、进线端子880和出线端子881;所述短路保护机构6和过载保护机构110分别与操作机构5驱动配合,断路器出现短路或过载故障时,短路保护机构6和过载保护机构110驱动操作机构5脱扣,能使断路器的动触头1a和静触头1b分断。
以下为本发明公开的第一种断路器:
如图1、9-12所示,本发明公开一种断路器,其包括断路器外壳1以及设置在断路器外壳1内的按钮机构2、电动机构3、操作机构5;操作所述按钮机构2能通过操作机构5驱动断路器合闸/分闸;电动机构3与按钮机构2和操作机构5驱动配合,所述电动机构3通过操作机构5驱动断路器合闸,电动机构3通过按钮机构2驱动断路器分闸。所述操作机构5包括枢转设置在断路器外壳1上且与按钮机构2驱动相连的传动件501,按压按钮机构2驱动传动件501向合闸方向转动实现手动合闸,拉拔按钮机构2驱动传动件501反向转动实现手动分闸;所述电动机构3驱动传动件5转动使断路器合闸(电动合闸),电动机构3通过按钮机构2驱动传动件501反向转动使断路器分闸(电动分闸)。进一步的,如图1、9-12所示,所述电动机构3包括分别枢转设置在断路器外壳1上的驱动齿轮件305和受动齿轮306,驱动齿轮件305与受动齿轮306驱动配合,受动齿轮306与传动件501同轴设置且驱动配合;驱动齿轮件305与受动齿轮306驱动配合,受动齿轮306驱动传动件501向合闸方向转动使断路器合闸,驱动齿轮件305与按钮机构2驱动配合,按钮机构2驱动传动件501反向转动使断路器分闸,实现自动分合闸。本发明的断路器,包括用于实现断路器自动分合闸的电动机构,其合闸操作通过电动机构与操作机构的配合实现,分闸操作通过电动机构与按钮机构的配合实现,简化了电动分合闸的结构,延长断路器的使用寿命。
进一步,作为本发明的改进点之一,所述驱动齿轮件305驱动受动齿轮306实现断路器合闸时的转动方向,与驱动按钮机构2实现分闸时的转动方向一致,即在自动分合闸过程中,电动机构3的电动机始终向一个方向转动,有利于简化电动机构3的控制过程。具体的一种实施例为,合闸时,所述驱动齿轮件305从第一初始位置向第一方向转动至与受动齿轮306啮合,驱动齿轮件306继续转动并通过受动齿轮306驱动传动件501向第二方向转动,使断路器合闸后,驱动齿轮件305继续转动至中间位置(中间位置指的是齿轮件305与受动齿轮306脱离啮合且齿轮件305未驱动按钮机构2中连接件204的位置)且与受动齿轮306脱离啮合;分闸时,所述驱动齿轮件305从中间位置向第一方向转动并驱动按钮机构2动作,按钮机构2驱动传动件501向第一方向转动,使断路器分闸后,驱动齿轮件305继续转动至第一初始位置(即不影响断路器手动分合闸功能位置)。本发明的断路器,其合闸操作通过电动机构3与操作机构5的配合实现,分闸操作通过电动机构3与按钮机构2的配合实现,一则与现有技术合闸/分闸操作均通过电动机构3和操作机构5配合的断路器相比,有效减缓了操作机构5的磨损进度,从而有利于延长断路器的使用寿命;二来在合闸/分闸过程中,电动机构3的驱动齿轮件305始终向第一方向转动,也即是在合闸/分闸过程中,电动机构3的电动机301无需改变转向,有利于简化电动机构3的控制过程;第三,所述电动机构3的电动机301无需经常在正转/反转之间切换,从而降低了电动机301损坏的几率,有利于延长电动机构3的使用寿命。
优选的,如图1所示,所述按钮机构2包括分别滑动设置在断路器外壳1上的按钮件201和连接件204,两端分别与按钮件2和连接件204相连的第一连杆202,以及两端分别与连接件204和传动件501相连的第二连接件203。需要指出的,所述按钮机构2的按钮件201、第一连杆202、连接件204也可以设计为一体式构件,从而减少零部件数量。为便于按钮机构2与其它机构配合的便利性,且不影响与电动机构3的配合,本发明的按钮机构2优选为按钮件201、第一连杆202、连接件204和第二连杆203的组合件。进一步,在按钮件201内还设有用于指示分合闸状态的指示件(图中未示出),按钮件201上设有指示窗口,按钮件201在分合闸动作时带动指示件摆动或滑动显示断路器的分合闸状态。
进一步的,如图17所示,所述断路器还包括锁定机构4,锁定机构4一端为锁定机构受动端,突出在断路器外壳1外部,另一端为锁定机构配合端,与按钮机构2配合。本发明的一个改进点在于,锁定机构4的锁定机构配合端与按钮件201或第一连杆202配合,电动机构3的驱动齿轮件305与连接件204配合;按钮机构2采用按钮件201、第一连杆202、连接件204的组合件方式,便于实现按钮机构2同时与锁定机构4和电动机构3的配合。需要说明的是,本实施例的断路器为插入式断路器,插入安装到机柜的断路器装配位内,锁定机构4与按钮机构2和断路器装配位的壳体配合,实现断路器安装到断路器装配位后的锁定,和或解锁,和或防止断路器安装不到位,和或防止断路器在合闸状态下安装到断路器装配位或从断路器装配位拔出,和或防止断路器未安装至断路器装配位时合闸,本发明的按钮机构2适于与各锁定机构4配合,这均属于本发明的保护范围。
例如一种锁定机构的实施方式为,在机柜的断路器装配位上对应设有与锁定机构受动端配合的锁定孔,所述断路器安装到位后,锁定机构4的锁定机构受动端突出在断路器外壳1外部且突出到机柜的锁定孔内,防止断路器被随意从机柜中拔出,拉动按钮件201,按钮件201或第一连杆202或连接件204或指示件能驱动锁定机构配合端使锁定机构受动端缩回断路器外壳1内部,使得断路器能从断路器装配位中拔出。另一种锁定机构的实施方式为,所述断路器未安装至断路器装配位时,锁定机构受动端被机柜壁挤压至缩入断路器外壳1内部,锁定机构配合端与按钮件201或第一连杆202或连接件204或指示件限位配合,阻止按钮件201向合闸方向移动,无法在未安装至断路器装配位时合闸;所述断路器安装至断路器装配位内时,锁定机构受动端不再受断路器装配位的壳体挤压向断路器外壳1外部移动,使锁定机构配合端与按钮件201或第一连杆202或连接件204解除限位配合,按钮件201能向合闸方向移动并通过操作机构5使断路器合闸。
优选的,如图4、9-12所示,本发明断路器还包括设置在受动齿轮306和传动件501之间的储能弹簧3-5;用于实现自动合闸不到位的补偿,提高自动合闸的可靠性。设置储能弹簧3-5的作用一是使得驱动齿轮件305和受动齿轮306的扇形齿轮配合行程能够预留有一定的富余,二是即使各齿轮、结构件因为磨损相互之间出现配合误差也能通过上述提到的这段富余的行程可靠合闸。具体的,所述驱动齿轮件305从第一初始位置向第一方向转动至与受动齿轮306啮合,驱动齿轮件305继续转动并驱动受动齿轮306向第二方向转动,受动齿轮306通过储能弹簧3-5驱动传动件501向第二方向转动,断路器合闸后,驱动齿轮件305继续向第一方向转动并驱动受动齿轮306相对于传动件501向第二方向转动,使储能弹簧3-5储能,直至驱动齿轮件305转动至中间位置并与受动齿轮306脱离啮合。本发明断路器,其电动机构3的受动齿轮306和操作机构5传动件501之间设置储能弹簧3-5,在断路器完成合闸后,电动机构3的驱动齿轮件305会驱动受动齿轮306相对于传动件501向第二方向转动,使储能弹簧储能,从而保证了断路器合闸到位,即保证断路器有效合闸,提高用户的用电安全性,尤其是电动机构3在长期使用后,各齿轮会因为磨损相互之间出现配合误差或者出现线路板位置检测的误差,造成断路器自动合闸不到位的问题,本发明的储能弹簧则能可靠解决上述问题。进一步的,如图9和12所示,所述断路器处于合闸状态时,驱动齿轮件305从中间位置向第一方向转动并驱动按钮机构2动作,按钮机构2驱动传动件501向第一方向转动,使断路器分闸后,驱动齿轮件305继续转动至第一初始位置。
以下为本发明公开的第二种断路器:
如图21、23a、23b、25a和25b所示,本发明断路器,其包括用于实现自动分合闸的电动机构3和操作机构5,电动机构3和操作机构5驱动配合(包括直接和间接的驱动配合),电动机构3包括电动机301和齿轮组,齿轮组与电动机301驱动相连,齿轮组包括触发齿轮;所述断路器还包括开关装置、合闸电路、分闸电路;所述开关装置包括与触发齿轮驱动配合的第一开关件9B,第一开关件9B的输出端分别与合闸路、分闸电路相连,电动机301分别串接在合闸电路和分闸电路中;所述断路器处于分闸状态、第一开关件9B接通合闸电路同时断开分闸电路时,在第一开关件9B和合闸电路两端加载合闸电压信号,电动机构3驱动断路器合闸后,触发齿轮驱动第一开关件9B断开合闸电路并接通分闸电路;所述断路器处于合闸状态、第一开关件9B接通分闸电路同时断开合闸电路,在第一开关件9B和分闸电路两端加载分闸电压信号,电动机构3驱动断路器分闸后,触发齿轮驱动第一开关件9B断开分闸电路并接通合闸电路。本发明断路器,其完成合闸/分闸操作后,均由触发齿轮驱动第一开关件9B实现合闸电路/分闸电路的切换,其控制原理简单,给电动机构3加载电压信号,电动机构3就会动作,完成合闸/分闸操作后,触发齿轮驱动第一开关件9B切换合闸电路和分闸电路,就能使电动机停转,无需现有技术的用于检测齿轮具体位置的复杂电路结构和控制原理,从而简化了断路器的整体结构和电动机构3的控制电路,也使得本发明断路器的工作性能更可靠。需要指出的,上述的本发明电动机适用于纯电动分合闸操作。
以下为本发明公开的第三种断路器:
优选的,如图21、22、24a-24d、26a-26d所示,本发明断路器还包括手动操作组件、合闸辅助电路和分闸辅助电路,手动操作组件通过操作机构5驱动断路器合闸/分闸;所述开关装置还包括与手动操作组件或操作机构5驱动配合的第二开关件9C,第二开关件9C的输出端分别与合闸辅助电路和分闸辅助电路相连;所述手动操作组件与操作机构5驱动相连;所述合闸辅助电路和分闸辅助电路分别与电动机301的两个输入端相连;所述第二开关件9C的输入端与第一开关件9B的输入端相连;
所述断路器处于分闸状态、第一开关件9B接通合闸电路且第二开关件9C接通合闸辅助电路时,在第一开关件9B和合闸电路两端加载合闸电压信号,电动机构3驱动断路器合闸后,触发齿轮驱动第一开关件9B断开合闸电路并接通分闸电路,同时手动操作组件或操作机构5合闸时的动作驱动第二开关件9C断开合闸辅助电路并接通分闸辅助电路;
所述断路器处于合闸状态、第一开关件9B接通分闸电路且第二开关件9C接通分闸辅助电路时,在第一开关件9B和分闸电路两端加载分闸电压信号,电动机构3驱动断路器分闸后,触发齿轮驱动第一开关件9B断开分闸电路并接通合闸电路,同时手动操作组件或操作机构5分闸时的动作驱动第二开关件9C断开分闸辅助电路并接通合闸辅助电路;
所述断路器处于合闸状态时,第一开关件9B接通分闸电路、第二开关件9C接通分闸辅助电路,通过手动操作组件驱动断路器分闸后,手动操作组件或操作机构5分闸时的动作驱动第二开关件9C断开分闸辅助电路并接通合闸辅助电路;在第一开关件9B和分闸电路两端加载合闸电压信号,电动机301驱动触发齿轮转动,触发齿轮驱动第一开关件9B断开分闸电路并接通合闸电路,然后电动机构3驱动断路器合闸,触发齿轮驱动第一开关件9B断开合闸电路并接通分闸电路,同时手动操作组件或操作机构5驱动第二开关件9C断开合闸辅助电路并接通分闸辅助电路;
所述断路器处于分闸状态时,第一开关件9B接通合闸电路、第二开关件9C接通合闸辅助电路,通过手动操作组件驱动断路器合闸后,手动操作组件或操作机构5合闸时的动作驱动第二开关件9C断开合闸辅助电路并接通分闸辅助电路;在第一开关件9B和合闸电路两端加载分闸电压信号,电动机301驱动触发齿轮转动,触发齿轮驱动第一开关件9B断开合闸电路并接通分闸电路,然后电动机构3驱动断路器分闸,触发齿轮驱动第一开关件9B断开分闸电路并接通合闸电路,同时手动操作组件或操作机构5驱动第二开关件9C断开分闸辅助电路并接通合闸辅助电路。
本发明断路器,在断路器当前状态(即分闸或合闸状态)与触发齿轮所处位置对应一致、不一致,均能够通过加载合闸电压信号、分闸电压信号,使断路器正常合闸、分闸。需要指出的是,“断路器当前状态与触发齿轮所处位置不一致”的情况是由于电动机构3通过操作机构5驱动断路器合闸或分闸后,又通过手动操作组件使断路器分闸或合闸造成的;若仅由电动机构3通过操作机构5驱动断路器合闸或分闸,则断路器当前状态和触发齿轮所处位置始终是对应一致的。因此,通过触发齿轮、第一开关件9B、合闸电路、分闸电路、第二开关件9C、合闸辅助电路、分闸辅助电路的配合,使得本发明断路器能够同时兼容手动/自动分合闸操作。
需要指出的是,第二种和第三种断路器,均可以在第一种断路器的基础上实现,具体的:第二种断路器可以在第一种断路器上加装第一开关件9B、合闸电路、分闸电路,并且第一开关件9B与电动机构3的触发齿轮驱动配合;第三种断路器则可以在第二种断路器的基础上加装第二开关件9C、合闸辅助电路、分闸辅助电路,并且第二开关件9C与手动操作组件或操作机构5驱动配合。
如图1-20所示,为本发明断路器的第一实施例,为第一种断路器的第1实施例。
如图1、9-12所示,本发明断路器包括断路器外壳1以及设置在断路器外壳1内的按钮机构2、电动机构3和操作机构5,按钮机构2与操作机构5驱动相连,能通过操作机构5驱动断路器合闸/分闸,实现手动分合闸;电动机构3与按钮机构2和或操作机构5驱动配合,通过操作机构5驱动断路器合闸/分闸,实现自动分合闸。
优选的,如图1所示,所述电动机构3与操作机构5的传动件501驱动配合实现断路器的合闸,与按钮机构2驱动配合实现断路器的分闸。所述电动机构3包括分别枢转设置在断路器外壳1上的驱动齿轮件305和受动齿轮306,驱动齿轮件305分别与受动齿轮306、按钮机构2驱动配合;所述操作机构5包括枢转设置在断路器外壳1上且与按钮机构2驱动相连的传动件501,受动齿轮306与传动件501同轴设置且驱动配合;所述驱动齿轮件305从第一初始位置(如图9所示)向第一方向转动至与受动齿轮306啮合(如图10所示),驱动齿轮件305继续转动并通过受动齿轮306驱动传动件501向第二方向转动,使断路器合闸后,驱动齿轮件305继续转动至中间位置(如图12所示)且与受动齿轮306脱离啮合;所述驱动齿轮件305从中间位置向第一方向转动并驱动按钮机构2动作,按钮机构2驱动传动件5向第一方向转动,使断路器分闸后,驱动齿轮件305继续转动至第一初始位置。
所述驱动齿轮件305驱动受动齿轮306实现断路器合闸时的转动方向,与驱动按钮机构2实现分闸时的转动方向一致,有利于简化电动机构3的控制过程。具体的,如图1、9-12所示方向,所述第一方向为逆时针方向,第二方向为顺时针方向,驱动齿轮件305在驱动断路器合闸和分闸过程中,始终保持逆时针方向转动(即始终向同一方向转动);所述驱动齿轮件305位于第一初始位置或中间位置时,均与受动齿轮306脱离啮合。在驱动齿轮件305转动到第一初始位置或中间位置时,所述驱动齿轮件305或者受动齿轮306触发断开电动机构3的供电电路,使电动机301断电、驱动齿轮件305停止转动,能够大大简化电动机构3的控制过程。当然,在驱动齿轮件305转动到第一初始位置或中间位置时所述驱动齿轮件305或者受动齿轮306触发位置传感器,传递位置信息给控制芯片,再由控制芯片控制电动机停止转动也是可以的,只是实现相对复杂。
优选的,所述受动齿轮306和传动件501为一体式构件或分体式构件。
优选的,所述电动机构3包括依次驱动连接的电动机301和齿轮组,所述齿轮组包括传动齿轮组、驱动齿轮件305和受动齿轮306。如图1所示,为所述电动机构3的一个实施例。所述电动机构3包括依次驱动配合的电动机301、蜗杆302、第一传动齿轮件303、第二传动齿轮件304和驱动齿轮件305,以及与驱动齿轮件305驱动配合的受动齿轮306;所述传动齿轮组包括所述的第一传动齿轮件303、第二传动齿轮件304,所述第一传动齿轮件303、第二传动齿轮件304、驱动齿轮件305分别枢转设置在断路器外壳1上。显然,根据需要可以减少或增加传动齿轮组的传动齿轮件的数量。
优选的,如图3所示,所述驱动齿轮件305包括分别与受动齿轮306和按钮机构2驱动配合的第一驱动齿轮305-1和驱动齿305-20。具体的,所述驱动齿轮件305包括同轴联动且依次设置的第一驱动齿轮305-1、第二驱动齿轮305-2和第三驱动齿轮305-3,第三传动齿轮305-3与传动齿轮组的第二传动齿轮件304驱动配合,第一驱动齿轮305-1和第二驱动齿轮305-2分别与受动齿轮306和按钮机构2驱动配合;进一步的,如图1、4所示,所述第一驱动齿轮305-1和受动齿轮306均为扇形齿轮;所述第二驱动齿轮305-2设有与按钮机构2驱动配合的驱动齿305-20。合闸时驱动齿轮件305向第一方向转动,第一驱动齿轮305-1与受动齿轮306啮合,驱动齿305-20与按钮机构2避让,合闸后第一驱动齿轮305-1与受动齿轮306脱离啮合;分闸时,驱动齿轮件305继续向第一方向转动,驱动齿305-20与按钮机构2驱动配合实现分闸,此时第一驱动齿轮305-1与受动齿轮306保持脱离啮合状态。显然,驱动齿305-20可以为图3所示的仅包括一个驱动齿305-20,也可以根据需要设置为多个驱动齿的扇形齿轮,按钮机构2上的连接件204可以设置成带有齿状,与所述具有多个驱动齿的第二驱动齿轮305-2配合。另外,驱动齿305-20也可以设置在第一驱动齿轮305-1上。
优选的,如图1所示,所述按钮机构2包括分别滑动设置在断路器外壳1上的按钮件201和连接件204,两端分别与按钮件201和连接件204相连的第一连杆202,以及两端分别与连接件204和传动件501相连的第二连杆203;按压/拉拔所述按钮件201,通过依次相连的第一连杆202、连接件204、第二连杆203驱动传动件501向第二方向/第一方向转动,使断路器合闸/分闸。进一步的,如图1所示,所述驱动齿轮件305的第二驱动齿轮305-2与连接件204驱动配合。
具体的,如图1、9-12所示方向,所述按钮机构2的按钮件201、第一连杆202、连接件204和第二连杆203由上而下依次沿直线设置,向上拉拔/向下按压按钮件201,按钮件201通过依次连接的第一连杆202、连接件204、第二连杆203驱动传动件501逆时针/顺时针转动,使断路器合闸/分闸;所述断路器处于合闸状态时,第二驱动齿轮305-2驱动连接件204向上移动,连接件204通过第二连杆203驱动传动件501顺时针转动,使断路器分闸。
优选的,如图17所示,本发明断路器还包括锁定机构4,锁定机构4一端为锁定机构受动端,突出在断路器外壳1外部,另一端为锁定机构配合端,与按钮机构2限位配合。所述锁定机构4包括中部枢转设置在断路器外壳1上的锁定件,锁定件两端分别为锁定机构受动端和锁定机构配合端。具体的,如图17所示方向,所述锁定机构4的锁定件上端、下端分别为锁定机构受动端和锁定机构配合端,按钮件201或第一连杆202与锁定机构配合端限位配合时,按钮件201不能向下(合闸方向)移动,断路器无法合闸。
优选的,所述第一连杆202和第二连杆203均为U形连杆。
优选的,如图1所示,所述按钮机构2还包括用于驱动连接件204复位的第一复位弹簧205,用于在断路器脱扣后驱动按钮机构2复位;所述断路器外壳1还包括连接件轨道槽,连接件204沿着连接件轨道槽直线的滑动。
优选的,如图2所示,为所述连接件204的一个实施例。
如图2所示,所述连接件204为一条形件,包括连接件主体204-0,分别设置在连接件主体204-0两端且分别与第一连杆202和第二连杆203配合的连接件第一孔204-1和连接件第二孔204-3,与驱动齿轮件305的驱动齿305-20驱动配合的连接件受动台面204-4,设置在连接件主体204-0一侧的连接件弹簧限位凸台204-2,以及设置在连接件主体204-0上的连接件轨道凸台204-5。进一步的,如图2所示,所述连接件轨道凸台204-5和连接件第一孔204-1设置在连接件主体204-0同一端,连接件轨道凸台204-5设置在连接件主体204-0面向断路器外壳1的底板的一侧;所述连接件受动台面204-4和连接件第二孔204-3设置在连接件主体204-0的同一端,连接件受动台面204-4面向操作机构5的传动件501设置;所述连接件弹簧限位凸台204-2设置在连接件主体204-0的远离电动机构3的一侧。
具体的,如图2所示方向,所述连接件第一孔204-1和连接件轨道凸台204-5位于连接件主体204-0的左端,连接件轨道凸台204-5设置在连接件主体204-0下侧;所述连接件第二孔204-3和连接件受动台面204-4位于连接件主体204-0的右端,连接件受动台面204-4面向右侧设置;所述连接件弹簧限位凸台204-2设置在连接件主体204-0的后侧。
如图1所示,第一复位弹簧205设置在连接件弹簧限位凸台204-2和断路器外壳1之间;所述连接件轨道凸台204-5滑动设置在连接件轨道槽内。所述连接件204和断路器外壳1之间通过连接件轨道凸台204-5和连接件轨道槽的配合形成有效限位,保证了连接件204滑动过程的稳定性,从而提高了断路器性能的稳定性。进一步的,如图17所示,所述锁定件4和第一复位弹簧205均位于按钮件201和连接件204的同一侧。具体的,如图17所示方向,所述锁定件4和第一复位弹簧205均位于按钮件201和连接件204右侧。
优选的,如图1所示,所述按钮件201一端为位于断路器外壳1外的操作端,另一端伸入断路器外壳1内,另一端上设有用于安装第一连杆202的按钮件连接孔,所述按钮件连接孔为长条形腰型孔,使得按压按钮件201使有一端空行程,用于当需要将分闸后的断路器从安装机柜内拉出时,拉动按钮机构2的按钮件201,使得锁定机构4全部缩入断路器外壳内部,以接触锁定机构4与断路器装配位的壳体的限位配合,将断路器从断路器装配位拉出。
优选的,如图1所示,为所述操作机构5的一个实施例。
如图1所示,所述操作机构5包括分别枢转设置在断路器外壳1上的传动件501和转动板505,分别枢转设置在转动板505上且锁扣配合的跳扣503和锁扣504,两端分别与传动件501和跳扣503相连的第三连杆502,以及以及用于驱动转动板504的第二复位弹簧506,第二复位弹簧50设置在锁扣504和断路器外壳1之间。所述断路器还包括静触头1b和与操作机构5连接的动触头1a,所述动触头1a一端与转动板505相连,静触头1b固定设置在断路器外壳1上。本实施例的操作机构5的结构、原理和工作过程与现有技术相近,在此不再赘述。当然,本发明的断路器的操作机构5还可以采用其它结构。
优选的,如图4-8所示,为本发明断路器的第二实施例,为第一种断路器的第2实施例。
如图4所示,本实施例与第一实施例的断路器的区别在于:还包括设置在受动齿轮306和传动件501之间的储能弹簧3-5;用于实现自动合闸不到位的补偿,提高自动合闸的可靠性。设置储能弹簧3-5的作用一是使得驱动齿轮件305和受动齿轮306的扇形齿轮配合行程能够预留有一定的富余,二是即使各齿轮因为磨损相互之间出现配合误差也能可靠合闸。具体的,所述驱动齿轮件305从第一初始位置向第一方向转动至与受动齿轮306啮合,驱动齿轮件305继续转动并驱动受动齿轮306向第二方向转动,受动齿轮306通过储能弹簧3-5驱动传动件501向第二方向转动,断路器合闸后,驱动齿轮件305继续向第一方向转动并驱动受动齿轮306相对于传动件501向第二方向转动,使储能弹簧3-5储能且使动静触头可靠接触,直至传动齿轮件305转动至中间位置并与受动齿轮306脱离啮合,受动齿轮306在储能弹簧3-5释能(储能弹簧3-5释能,会给与受动齿轮306一个使其相对于传动件501向第一方向转动的力)作用下相对于传动件501复位。
优选的,如图4和8所示,所述储能弹簧3-5为扭簧,包括弹簧主体3-50、第一弹簧臂3-51和第二弹簧臂3-52;所述弹簧主体3-50设置在受动齿轮306和传动件501之间且与受动齿轮306和传动件501同轴设置,第一弹簧臂3-51与传动件501限位配合,第二弹簧臂3-52与受动齿轮306限位配合。进一步的,如图4-7所示,所述传动件51包括设置在其一侧的受动齿轮限位槽501-306,受动齿轮306包括受动齿轮本体306-2和设置在受动齿轮本体306-2一侧的第一扇形齿轮部306-1,受动齿轮本体306-2与传动件501同轴枢转设置在断路器外壳1上,第一扇形齿轮部306-1设置在受动齿轮限位槽501-306内,第一扇形齿轮部306-1一端与受动齿轮限位槽501-306一端的侧壁相抵,第一扇形齿轮部306-1另一端与受动齿轮限位槽501-306另一端的侧壁之间设有第一运动间隙;所述弹簧主体3-50位于受动齿轮本体306-2和传动件51之间。
优选的,如图4-7所示,所述第一扇形齿轮部306-1包括分别设置在其两端的第一扇形齿轮部首端面306-10和第一扇形齿轮部尾端面306-11,传动件501还包括设置在受动齿轮限位槽501-306两端的受动齿轮限位槽首端面501-6和受动齿轮限位槽尾端面501-4,第一扇形齿轮部首端面306-10与受动齿轮限位槽首端面501-6相抵,第一扇形齿轮部尾端面306-11与受动齿轮限位槽尾端面501-4之间设有第一运动间隙。
具体的,如图4所示,所述断路器处于合闸状态或分闸状态下时,储能弹簧3-5使受动齿轮306的第一扇形齿轮部首端面306-10抵在受动齿轮槽首端面501-6上,第一扇形齿轮部尾端面306-11与受动齿轮限位槽尾端面501-4之间形成第一运动间隙;如图9-12所示,所述驱动齿轮件305向第一方向(逆时针方向)转动至与受动齿轮306的第一扇形齿轮部306-1啮合(如图10所示),驱动齿轮件305继续转动并通过第一扇形齿轮部306-1驱动受动齿轮306向第二方向(顺时针方向)转动,受动齿轮306则通过储能弹簧3-5驱动传动件501向第二方向(顺时针方向)转动,待操作机构5带动动触头1a与静触头1b闭合(如图11所示),断路器合闸后,传动件501则位置固定不再转动,如图11所示,此时驱动齿轮件305仍与第一扇形齿轮部306-1啮合,优选设置为差1个不规则齿就脱离啮合,则驱动齿轮件305继续转动并通过第一扇形齿轮部306-1驱动受动齿轮306相对于传动件501向第二方向(顺时针方向)转动,使储能弹簧3-5储能,储能弹簧3-5则将所储能量施加于传动件501(也就是向传动件501施加使其向第一方向转动的推力),确保断路器因为结构件尺寸偏差或者因为电机机构的齿轮磨损仍能够有效合闸,如图12所示,断路器完成合闸后,驱动齿轮件305继续转动至中间位置并与第一扇形齿轮部306-1脱离啮合,则受动齿轮306会在储能弹簧3-5的释能作用下复位(即第一扇形齿轮部首端面306-10恢复至与受动齿轮限位槽首端面501-6相抵的状态)。
优选的,如图4所示,所述受动齿轮306还包括设置在受动齿轮本体306-2上的受动齿轮弹簧限位孔306-3,传动件501还包括设置在受动齿轮限位槽501-306一端的传动件弹簧限位槽501-5,传动件弹簧限位槽501-5和受动齿轮限位槽尾端面501-4位于传动齿轮限位槽501-306同一端;所述第一弹簧臂3-51与传动件弹簧限位槽501-5限位配合,第二弹簧臂3-52与受动齿轮弹簧限位孔306-3限位配合。
优选的,如图4-7所示,所述传动件501还包括传动件主体501-0以及设置在传动件主体501-0一侧的传动件弹簧装配槽501-7,受动齿轮限位槽501-306设置在传动件弹簧装配槽501-7一侧;所述受动齿轮本体306-2与第一扇形齿轮部306-1错层设置,第一扇形齿轮部306-1相对于受动齿轮本体306-2向传动件501所在侧偏移;所述弹簧主体3-50设置在传动件弹簧装配槽501-7内且限位于受动齿轮本体306-2和传动件主体501-0之间。
优选的,如图6和7所示,为所述传动件501的一个实施例。
如图6和7所示,所述传动件501为圆柱体结构,包括传动件本体501-0,设置在传动件本体501-0一侧的传动件弹簧装配槽501-7和受动齿轮限位槽501-306,以及分别设置在传动件本体501-0上的传动件轴孔501-3、第一传动件连接孔501-1和第二传动件连接孔501-2;所述传动件弹簧装配槽501-7和受动齿轮限位槽501-306位于传动件本体501-0同一侧,受动齿轮限位槽501-306设置在传动件弹簧装配槽501-7一侧;所述传动件轴孔501-3、第一传动件连接孔501-1和第二传动件连接孔501-2位于一个三角形的三个顶点处,第一传动件连接孔501-1靠近受动齿轮限位槽501-306设置,传动件501通过传动件轴孔501-3枢转设置,第一传动件连接孔501-1与按钮机构2的第二连杆203相连,第二传动件连接孔501-2与操作机构5的第三连杆502相连。
优选的,如图7和13所示,所述传动件501还包括行程限位槽501-8,行程限位槽501-8和受动齿轮限位槽501-306分别设置在传动件弹簧装配槽501-7两侧;所述断路器外壳1还包括设置在传动件501一侧的到位挡台102;所述断路器处于分闸状态时,行程限位槽510-8一端侧壁与到位挡台102限位配合,断路器处于合闸状态时,行程限位槽510-8另一端侧壁与到位挡台102限位配合。进一步的,如图13所示,所述断路器合闸时,行程限位槽501-8的一端(如图13所示方向,为行程限位槽501-8的下端)与到位挡台102限位配合,断路器分闸时,行程限位槽501-8的另一端(如图13所示方向,为行程限位槽501-8的上端)与到位挡台102限位配合。所述行程限位槽510-8和到位挡台102限位配合,对传动件501的转动行程形成了有效限位,避免传动件501发生过度转动,损坏操作机构5的情况发生。
优选的,如图4和5所示,为所述受动齿轮306的一个实施例。
如图4和5所示,所述受动齿轮306包括受动齿轮本体306-2、第一扇形齿轮部306-1,以及分别设置在受动齿轮本体306-2上的受动齿轮轴孔306-4和受动齿轮弹簧限位孔306-3;所述受动齿轮本体306-2包括依次同轴设置且直径依次减小的本体基板306-20、本体限位台306-21和本体弹簧限位台306-22,本体基板306-20与传动件501的传动件本体501-0一侧相抵,本体限位台306-21插置在传动件501的传动件弹簧装配槽501-7内,本体弹簧限位台306-22插置在储能弹簧3-5的弹簧主体3-50中部;所述第一扇形齿轮部306-1一端分别与本体基板306-20的与本体限位台306-21相连的一侧、本体限位台306-21的外周边沿相连。进一步的,如图4和5所示,所述受动齿轮弹簧限位孔306-3位于受动齿轮轴孔306-4和第一扇形齿轮部306-1之间。
优选的,如图14-16所示,为本发明断路器的第三实施例,为第一种断路器的第3实施例。
如图14-16所示,本实施例与第一实施例的断路器的区别在于:所述断路器还包括设置在断路器外壳1内的手自动切换装置。所述断路器为插入式断路器,所述断路器外壳1基本为平行六面体结构,包括设置在其一端的断路器操作界面1i以及设置在断路器操作界面1i上的按钮装配孔和出线端子881,按钮机构2一端插置在按钮装配孔内,在断路器外壳1的另一端设有进线端子880;所述断路器还包括设置在断路器外壳1内的手自动切换装置,手自动切换装置包括切换操作元件7a和切换开关元件9A,切换操作元件7a与切换开关元件9A驱动配合,切换开关元件9A用于实现断路器在手动工作模式和自动工作模式的切换,通过控制电动机构3的工作状态,使断路器的自动工作模式启用或关闭;所述切换操作元件7a设置在断路器操作界面1i上、位于按钮装配孔一侧且与断路器外壳1活动相连。本发明的断路器,其手自动切换装置包括驱动配合的切换操作元件7a和切换开关元件9A,结构简单,操作简便;所述切换操作元件7a、按钮机构2一端和出线端子881均位于断路器操作界面1i上,操作空间大,便于用户对断路器进行操作,而且易于观察。
进一步的,如图14-16所示,所述手自动切换装置还包括切换传动元件8a,切换操作元件7a通过切换传动元件8a驱动切换开关元件9A动作;所述切换操作元件7a为转动设置在断路器外壳1上的旋钮,包括旋钮连接部70a以及分别设置在旋钮连接部70a两侧的旋钮操作端71a、旋钮驱动部72a;所述切换开关元件9A为微动开关,切换传动元件8a一端与旋钮驱动部72a驱动相连,另一端与切换开关元件9A驱动配合;旋拧所述旋钮,驱动切换传动元件8a朝向或远离切换开关元件9A所在方向移动,抵压或释放微动开关的驱动杆。
进一步的,如图16所示,所述旋钮驱动部720a包括与切换传动元件8a驱动配合的旋钮驱动斜面720a,旋钮驱动斜面720从其靠近旋钮连接部70a的一端向另一端,逐渐向切换传动元件8a偏移。所述手自动切换装置的各部件之间均采用机械传动方式,传动可靠,而且结构简单便于装配。
需要指出的是,所述电动机构3的工作状态有两种,分别是:正常工作状态和脱离工作状态;自动工作模式下电动机构3处于正常工作状态,电动机构3的供电电路连续,和/或电动机构3能正常接收合闸/分闸信号,能够进行手动分合闸和自动分合闸;手动工作模式下电动机构3处于脱离工作状态,电动机构3供电电路被切断,和/或电动机构3无法接收合闸/分闸信号,只能手动分合闸。
优选的,所述切换开关元件9a串接在电动机构3的供电电路中,通过切断或接通切换开关元件9a,即可以实现电动机构3的供电电路的切断或接通,从而实现断路器在手动工作模式即只有手动分合闸,不能自动分合闸(电动机构3的供电电路被切断)和自动工作模式即自动工作模式启用,同时可以手动分合闸和自动分合闸(电动机构3的供电电路被接通)之间的切换。
优选的,所述断路器还包括与电动机构3相连的线路板111,切换开关元件9a设置在线路板111上,并通过线路板111与电动机构3的电源控制系统相连,电源控制系统通过切换开关元件9a切断或接通电动机构3的工作电源,从而实现断路器在手动工作模式和自动工作模式之间的切换。
此外,所述的切换开关元件9A还能用于与控制芯片连接,用于传递切换控制信号,控制芯片根据切换控制信号的高低电平等方式实现断路器在手动工作模式和自动工作模式之间的切换,当断路器为手动工作模式时,控制芯片即使接收到自动合闸的控制信号,也不控制电动机构进行自动合闸操作。
优选的,如图15所示,所述出线端子881为插线式接线端子,所述断路器外壳1还包括设置在断路器操作界面1i上的出线端子881的出线孔1o和拆线孔1d,出线孔1o和拆线孔1d一对一配合使用,导线通过出线孔1o插入与出线端子881连接,被出线端子881内的弹性件卡住固定,出线孔1o用于驱动弹性件使导线能够被拔出,所述出线孔1o、拆线孔1d和切换操作元件7a均位于按钮装配孔的同一侧,切换操作元件7a位于一个拆线孔1d和按钮装配孔之间。进一步的,如图15所示,所述断路器外壳1包括两个出线孔1o和两个拆线孔1d,分别是配合使用的第一出线孔和第一拆线孔、配合使用的第二出线孔和第二拆线孔,第一拆线孔和第二出线孔靠近按钮装配孔设置,切换操作元件7a位于第一拆线孔、第二出线孔和按钮装配孔围成的空间中。进一步的,如图15所示,所述第一出线孔、第一拆线孔、切换操作元件7a依次并排设置在断路器操作界面1i一侧,第二拆线孔和第二出线孔依次并排设置在断路器操作界面1i的另一侧。
具体的,如图14和16所示方向,所述切换传动元件8a上端与切换操作元件7a驱动配合,下端与切换开关元件9a驱动配合;旋拧所述切换操作元件7a,驱动切换传动元件8a向下移动,切换传动元件8a抵压微动开关(切换开关元件9a)的驱动杆,实现信号切换,从而驱动断路器在手动工作模式和自动工作模式之间的切换;所述第一出线孔、第一拆线孔、切换操作元件7a由左到右依次并排设置在断路器操作界面1i的上侧,第二拆线孔和第二出线孔由左至右依次并配设置在断路器操作界面1i的下侧。
需要指出的是,所述切换操作元件7a并不仅限于旋钮,还可以是按钮或者滑动拨片。具体的,所述切换操作元件7a为按钮,则通过按压/拉拔按钮,驱动切换传动元件8a朝向或背向切换开关元件9a移动,切换开关元件8a触发或释放切换开关元件9a;或者,所述切换操作元件7a为滑动拨片,滑动设置在断路器外壳1的断路器操作界面1i上,通过滑动滑动拨片,驱动切换传动元件8a朝向或背向切换开关元件9a移动,切换开关元件8a触发或释放切换开关元件9a。
优选的,如图16所示,所述旋钮驱动部72a包括与切换传动元件8a驱动配合的旋钮驱动斜面720a,旋钮驱动斜面720a由其与旋钮连接部70a相连一端逐渐向旋钮驱动斜面720a靠近切换开关元件9a的一端倾斜。进一步的,所述旋钮驱动斜面720a为一螺旋斜面,由上端向下端倾斜。
需要指出的,所述旋钮驱动部72a也可以不设置旋钮驱动斜面720a,而是与切换传动元件8a螺纹连接,切换传动元件8a不能转动,旋拧所述旋钮,也可以驱动切换传动元件8a朝向或背向切换开关元件9a移动。当然,所述切换操作元件7a还存在其他多种实现方式,只要能驱动切换传动元件8a朝向或背向切换开关元件9a移动即可,在此不再一一赘述。
优选的,如图14和16所示,所述手自动切换装置还包括用于驱动切换传动元件8a复位的传动元件复位弹簧10。
优选的,如图16所示,为所述切换传动元件8a的一个实施例。
如图16所示,所述切换传动元件8a为一杆状件,包括依次相连的传动元件受动部80a、传动元件弹簧限位台82a和传动元件传动部81a,传动元件受动部80a与旋钮驱动部720a驱动配合,传动元件传动部81a与切换开关元件9A驱动配合。进一步的,如图14和16所示,所述传动元件复位弹簧10套设在传动元件传动部81a上,一端与传动元件弹簧限位台82a限位配合,另一端与断路器外壳1限位配合。
优选的,如图14所示,所述断路器外壳1还包括设置在按钮机构2一侧的传动元件装配槽,传动元件装配槽包括依次相连的装配槽上段103-1、装配槽下段103-2和装配槽尾段,装配槽下段103-2的宽度大于装配槽上段103-1的宽度且装配槽下段103-2的宽度大于装配槽尾段的宽度,装配槽下段103-2和装配槽上段103-1的连接处形成第一台阶结构,装配槽下段103-2和装配槽尾段的连接处形成第二台阶结构,传动元件受动部80a设置在装配槽上段103-1中部,传动元件传动部81a设置在装配槽下段103-2中部,传动元件弹簧限位台82a与第一台阶结构限位配合,传动元件复位弹簧10设置在装配槽下段103-2中部,一端与传动元件弹簧限位台82a限位配合,另一端与第二台阶结构限位配合,传动元件传动部81a的自由端穿过装配槽尾段后与切换开关元件9A限位配合。
具体的,如图14所示,所述装配槽上段103-1、装配槽下段103-2和装配槽尾段由上而下依次设置且依次相连;所述传动元件装配槽整体位于按钮机构2和出线端子881之间。
需要说明的是,本实施例中,电动机构3通过操作机构直接驱动断路器合闸,通过按钮机构2驱动断路器分闸,作为其他的实施例,电动机构3也可以直接通过操作机构驱动断路器分闸和或合闸,通过按钮机构2驱动断路器分闸和或合闸,均适用于本发明的手自动切换装置。
优选的,如图1、17-20所示,为本发明断路器的第四实施例,为第一种断路器的第4实施例。
优选的,如图1、17和18所示,断路器包括断路器外壳1,以及设置在断路器外壳1内的按钮机构2、电动机构3、操作机构5、保护机构、灭弧系统7、电流采样装置112、进线端子880和出线端子881;所述按钮机构2通过操作机构5驱动断路器合闸/分闸;所述电动机构3通过按钮机构2和或操作机构5驱动断路器合闸/分闸;所述保护机构与操作机构5配合触发断路器脱扣;所述进线端子880和出线端子881分别设置在断路器外壳1的两端;所述操作机构5设置在断路器外壳1中部;所述灭弧系统7与保护机构并排设置在操作机构5和进线端子880之间;所述电动机构3设置在出线端子881和操作机构5之间,电动机构3和出线端子881设置在按钮机构2的同一侧;所述按钮机构2一端突出在断路器外壳1的设有出线端子881的一端外部;所述电流采样装置112设置在保护机构与进线端子880之间,且采样装置112两端分别与保护机构和进线端子880电连接。本发明断路器,其内部布局设计合理,各部件之间的布局紧凑,能有效减小断路器的整体规格,符合断路器小型化发展趋势;而且,所述电流采样装置112设置在与灭弧系统7并排设置的过载保护机构110或短路保护机构6,与进线端子880之间,显著提高了电流采样装置112的安全性,而且便于电流采样装置112的信号的导出。
优选的,所述的保护机构为短路保护机构6或过载保护机构110;所述的断路器同时包括短路保护机构6和过载保护机构110时,所述保护机构为短路保护机构6,灭弧系统7和短路保护机构6并排设置,操作机构5和过载保护机构110并排设置在断路器外壳1中部,采样装置112设置在短路保护机构6和进线端子880之间;或者,所述保护机构为过载保护机构110,灭弧系统7和过载保护机构110并排设置,操作机构5和短路保护机构6并排设置在断路器外壳1中部,采样装置112设置在过载保护机构110和进线端子880之间。
优选的,如图17所示的优选实施例,所述操作机构5和过载保护机构110并排设置在断路器外壳1中部,灭弧系统7和短路保护机构6并排设置,过载保护机构110和灭弧系统7位于断路器外壳1一侧,操作机构5和短路保护机构6位于断路器外壳1的另一侧;所述电流采样装置112设置在短路保护机构6和进线端子880之间,进线端子880包括L极进线端子,电流采样装置112串接在短路保护机构6和L极进线端子之间。进一步的,如图17所示,所述断路器外壳1还包括采样装置装配槽112a,采样装置装配槽112a两端分别与L极进线端子、短路保护机构6相对。
特别的本发明短路保护机构6包括电磁脱扣机构,当出现短路大电路时电磁力增大触发操作机构5脱扣,所述过载保护机构110包括双金属片,当过载时双金属片弯曲触发操作机构5的锁扣解除锁扣和跳扣的搭扣配合,使操作机构5脱扣,无需芯片进行检测参与,避免芯片受外部干扰,实现可靠保护。但为实现对电流的监控,设置相应的电流采样装置112,可以输出到外部监控设备,本发明将电流采样装置112设置在远离断路器核心部件的区域,不仅避免对断路器核心部件的影响,而且显著提高了电流采样装置112的安全可靠性。
进一步的,如图17和18所示,本发明断路器还包括与电动机构3相连的线路板111,按钮机构2、电动机构3、操作机构5、过载保护机构110、灭弧系统7和电流采样装置112设置在线路板111一侧,断路器外壳1的底板位于线路板111的另一侧。本发明断路器,采用上述布局布置线路板111,可显著增大线路板111的安装空间,降低了对于线路板111的尺寸要求,一则线路板111的设计、安装更加方便,二来线路板111也可以承载更多种功能。
优选的,如图19和20所示,所述断路器还包括与线路板111相连的线路板插槽113,线路板插槽113与进线端子880设置在断路器外壳1的同一端,进线端子880包括并排间隔设置的L极进线端子和N极进线端子,线路板插槽113设置在两个进线端子880之间,线路板111通过线路板插槽113获取工作电源和控制信号。
具体的,如图17所示方向,所述进线端子880和出线端子881分别设置在断路器外壳1的上端和下端,两个进线端子880分别为左右并排设置的N极进线端子和L极进线端子;所述出线端子881和按钮机构2左右并排设置,电动机构3设置在出线端子881下方且位于操作机构5上方,电动机构3与按钮机构2左右并排设置;所述过载保护机构110和操作机构5左右并排设置在断路器外壳1中;所述灭弧系统7和短路保护机构6左右并排设置在过载保护机构110和操作机构5下方;所述电流采样装置112设置在短路保护机构6和进线端子880之间,位于断路器外壳1右侧;所述采样装置装配槽112设置在短路保护机构6和L极进线端子之间,上端与短路保护机构6相对,下端与L极进线端子相对。需要指出的,作为另一种实施例所述过载保护机构110和短路保护机构6可以互换位置,则电流采样装置112即设置在过载保护机构110和进线端子880之间。
需要说明的是,本实施例中,电动机构3通过操作机构直接驱动断路器合闸,通过按钮机构2驱动断路器分闸,作为其他的实施例,电动机构3也可以直接通过操作机构驱动断路器分闸和或合闸,通过按钮机构2驱动断路器分闸和或合闸,均适用于本实施例的布局结构。此外,本发明的第五实施例中的电动机构3通过控制电动机301的电源的方式实现对电机的控制,其它的通过控制芯片对电动机301进行控制,通过多个位置传感器(微动开关)来获取触发齿轮的合闸位置、分闸位置和位于合闸位置、分闸位置之间的初始位置的类似方案,均适用于本实施例的布局结构。
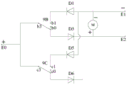
优选的,如图21、23a、23b所示,为本发明断路器的第五实施例,为第二种断路器的第1实施例。
如图21、23a、23b所示,本发明断路器包括电动机构3和操作机构5,电动机构3和操作机构5驱动配合;所述电动机构3包括电动机301和齿轮组,齿轮组与电动机301驱动相连,齿轮组包括触发齿轮;所述断路器还包括开关装置、合闸电路、分闸电路,开关装置包括与触发齿轮驱动配合的第一开关件9B,第一开关件9B的输出端分别与合闸电路、分闸电路相连,用于接通合闸电路同时断开分闸电路,或者断开合闸电路同时接通分闸电路,电动机301分别串接在合闸电路和分闸电路中;所述断路器处于分闸状态、第一开关件9B接通合闸电路同时断开分闸电路时,无法触发自动分闸,断路器外部或者内部在合闸电路两端加载合闸电压信号触发自动合闸,电动机301得电转动,电动机构3通过操作机构5驱动断路器合闸后,触发齿轮驱动第一开关件9B断开合闸电路并接通分闸电路,此时合闸电路两端加载合闸电源也不能再使电动机301转动,断路器处于合闸状态;
断路器处于合闸状态、第一开关件9B断开合闸电路并接通分闸电路时,无法触发自动合闸,断路器外部或者内部在分闸电路两端加载分闸电压信号触发自动分闸,驱动电动机301,电动机构3通过操作机构5驱动断路器分闸后,触发齿轮驱动第一开关件9B断开分闸电路并接通合闸电路,电动机301停止转动。
进一步的,如图23a和23b所示,所述第一开关件9B包括公共触点b3、常闭触点b0和常开触点b1,常闭触点b0和常开触点b1分别连接在合闸电路和分闸电路,或者常闭触点b0和常开触点b1分别连接在分闸电路和合闸电路。如图23a和23b所示的实施例,所述常闭触点b0与合闸电路串联,常开触点b1与分闸电路串联;所述公共触点b3与常闭触点b0导通则合闸电路被接通,公共触点b3与常开触点b1导通则分闸电路被接通。
进一步的,如图23a和23b所示,所述电动机301为直流电动机,所述合闸电路包括二极管D3和二极管D2,常闭触点b0与二极管D3的阳极相连,二极管D3的阴极与电动机301的正极端子相连,电动机301的负极端子与二极管D2的阳极相连;所述分闸电路包括二极管D1和二极管D4,常开触点b1与二极管D1的阴极相连,二极管D1的阳极与负极端子相连,正极端子与二极管D4的阴极相连;所述公共触点b3与电源端子E0相连,二极管D2的阴极和二极管D4的阳极均与电源端子E1相连。
优选的,如图23a和23b所示,所述合闸电压信号和分闸电压信号为方向相反的电源电压信号,为给电动机301供电的工作电源。进一步的,所述断路器合闸或分闸时,电动机301始终向同一方向转动。
优选的,如图21所示,所述第一开关件9B为微动开关,包括与触发齿轮驱动配合的第一驱动杆。进一步的,如图21所示,所述触发齿轮为驱动齿轮件305的第三驱动齿轮305-3,包括设置在第三驱动齿轮305-3一侧的开关驱动台305-4;所述电动机构3通过操作机构5驱动断路器合闸后,第三驱动齿轮305-3也转动并带动开关驱动台305-4抵压第一驱动杆,从而使第一开关件9B断开合闸电路并接通分闸电路;所述电动机构3通过操作机构5驱动断路器分闸后,第三驱动齿轮305-3也转动并带动开关驱动台305-4释放第一驱动杆,从而使第一开关件9B断开分闸电路并接通合闸电路。显然,触发齿轮不限于驱动齿轮件305,也可以是第一传动齿轮件303或第二传动齿轮件304或其它齿轮。
进一步的,如图17、18和21所示,所述第一开关元件9B设置在第一驱动齿轮305-3和线路板111之间,且与线路板111相连。
优选的,如图21所示,所述断路器还包括手动操作组件,手动操作组件和电动机构3分别与操作机构5驱动相连,手动操作组件通过操作机构5驱动断路器合闸/分闸;所述电动机构3还包括分别枢转设置的驱动齿轮件305和受动齿轮306,驱动齿轮件305为触发齿轮,驱动齿轮件305与手动齿轮306驱动配合,受动齿轮306与传动件501同轴设置且驱动配合;所述驱动齿轮件305从第一初始位置向第一方向转动至与受动齿轮306啮合,驱动齿轮件305继续转动并通过受动齿轮306驱动传动件501向第二方向转动,使断路器合闸后,驱动齿轮件305继续转动至中间位置驱动第一开关件9B断开合闸电路并接通分闸电路且与受动齿轮306脱离啮合;所述驱动齿轮件305从中间位置向第一方向转动并驱动手动操作组件动作,手动操作组件驱动传动件501向第一方向转动,使断路器分闸后,驱动齿轮件305继续转动至第一初始位置驱动第一开关件9B断开分闸电路并接通合闸电路。进一步的,如图21所示,本实施例中所述手动操作组件为按钮机构2,所述的断路器为插入式断路器。
作为其他的实施例,所述的手动操作组件也可以为手柄,所述的断路器可以为普通的小型断路器。当所述的断路器不设置手动操作组件,仅具有自动合闸的电动机构3时,电动机构3通过操作机构驱动断路器自动分合闸;当断路器同时具有电动机构3时,电动机构3可以直接通过操作机构驱动断路器自动分合闸,也可以通过驱动手动操作组件来实现自动分合闸。
具体的,如图23a所示,所述断路器处于分闸状态、第一开关元件9B接通合闸电路同时断开分闸电路,自动合闸时断路器外部或者内部的合闸电压信号(电源端子E0接正极,电源端子E1接负极)加载于第一开关元件9B和合闸电路两端(电流依次流过电源端子E0、公共触点b3、常闭触点b0、二极管D3、电动机301、二极管D2、电源端子E1),电动机301正转并驱动驱动齿轮件305从第一初始位置转动至中间位置,断路器完成合闸,同时第三驱动齿轮305-3的开关驱动台305-4抵压第一开关元件9B的第一驱动杆,使第一开关元件9B断开合闸电路并接通分闸电路(如图23b所示),此时合闸电压信号不能通过分闸电路(由于二极管D1和D4的单向导通功能),因此电动机301停止转动;如图23b所示,所述断路器处于合闸状态、第一开关元件9B接通分闸电路同时断开合闸电路,自动分闸时断路器外部或者内部的分闸电压信号(电源端子E0接负极,电源端子E1接正极)加载于第一开关元件9B和分闸电路两端(电流依次流过电源端子E1、二极管D4、电动机301、二极管D1、常开触点b1、公共触点b0、电源端子E0),电动机301正转并驱动驱动齿轮件305从中间位置转动至第一初始位置,断路器完成分闸,同时第三驱动齿轮305-3的开关驱动台305-4释放第一开关元件9B的第一驱动杆,使第一开关元件9B断开分闸电路并接通合闸电路(如图23a所示),此时分闸电压信号不能通过合闸电路(由于二极管D2和D3的单相导通功能),因此电动机301停止转动。因此,本发明的断路器,需要对其进行合闸/分闸操作时,仅需切换电动机301的工作电源的电流方向或电压方向即可,通过对电动机301的供电电源进行控制简单方便,无需芯片控制,避免芯片在特定环境下受到干扰和影响。
进一步本实施例可以结合本发明的第三实施例,断路器还包括设置在断路器外壳1内的手自动切换装置,手自动切换装置包括切换操作元件7a和切换开关元件9A,所述切换操作元件7a设置在断路器操作界面1i上、位于按钮装配孔一侧且与断路器外壳1活动相连,所述的切换开关元件9A串接在合闸电路和分闸电路中,切换开关元件9A断开则为手动工作模式,电动机301无法得电,不能自动分合闸,切换开关元件9A闭合,则为自动工作模式,同时可以手动分合闸和自动分合闸,所述切换开关元件9A为微动开关。
优选的,如图21、25a、25b所示,为本发明断路器的第六实施例,为第二种断路器的第2实施例。
如图25a和25b所示,本实施例与第五实施例的断路器的区别在于:所述合闸电路包括电源端子E1,常闭触点b0与电动机301的正极端子相连,电动机301的负极端子与电源端子E1相连;所述分闸电路包括电源端子E2,常开触点b1与电动机301的负极端子相连,电动机301的正极端子与电源端子E2相连;所述公共触点b0与电源端子E0相连。
具体的,如图25a所示,所述断路器处于分闸状态、第一开关元件9B接通合闸电路,合闸电压信号(电源端子E0接正极,电源端子E1接负极)加载于第一开关元件9B和合闸电路两端(电流依次流过电源端子E0、公共触点b3、常闭触点b0、电动机301、电源端子E1),电动机301正转并驱动驱动齿轮件305从第一初始位置转动至中间位置,断路器完成合闸,同时第三驱动齿轮305-3的开关驱动台305-4抵压第一开关元件9B的第一驱动杆,使第一开关元件9B断开合闸电路并接通分闸电路(如图25b所示),则合闸电压信号不能通过分闸电路(由于电源端子E2未导通,而且即使导通,电动机301也会被短路),因此电动机301停止转动;如图25b所示,所述断路器处于合闸状态、第一开关元件9B接通分闸电路,分闸电压信号(电源端子E0接负极,电源端子E2接正极)加载于第一开关元件9B和分闸电路两端(电流依次流过电源端子E2、电动机301、常开触点b1、公共触点b3、电源端子E0),电动机301正转并驱动驱动齿轮件305从中间位置转动至第一初始位置,断路器完成分闸,同时第三驱动齿轮305-3的开关驱动台305-4释放第一开关元件9B的第一驱动杆,使第一开关元件9B断开分闸电路并接通合闸电路(如图25a所示),则分闸电压信号不能通过合闸电路(由于电源端子E1未导通,而且即使电源端子E1导通,电动机301也会被短路),因此电动机301停止转动。
优选的,如图21、22、24a-24d所示,为本发明断路器的第七实施例,为第三种断路器的第1实施例。
如图21、22、24a-24d所示,本实施例与第五实施例的断路器的区别在于:本发明断路器还包括手动操作组件、合闸辅助电路和分闸辅助电路;所述开关装置还包括与手动操作组件或操作机构5驱动配合的第二开关件9C,第二开关件9C的输出端分别与合闸辅助电路和分闸辅助电路相连,用于接通合闸辅助电路同时断开分闸辅助电路,或者断开合闸辅助电路同时接通分闸辅助电路;所述手动操作组件与操作机构5驱动相连;所述合闸辅助电路和分闸辅助电路分别与电动机301的两个输入端相连;所述第二开关件9C的输入端与第一开关件9B的输入端相连。
如图24a所示,所述断路器处于分闸状态、第一开关件9B接通合闸电路且第二开关件9C接通合闸辅助电路时,自动合闸时在第一开关件9B和合闸电路两端加载合闸电压信号,电动机构3通过操作机构5驱动断路器合闸后,如图24b所示,触发齿轮驱动第一开关件9B断开合闸电路并接通分闸电路,合闸时手动操作组件和操作机构5相应动作到合闸位置,同时手动操作组件或操作机构5合闸时的动作驱动第二开关件9C断开合闸辅助电路并接通分闸辅助电路。
如图24b所示,所述断路器处于合闸状态、第一开关件9B接通分闸电路且第二开关件9C接通分闸辅助电路时,自动分闸时在第一开关件9B和分闸电路两端加载分闸电压信号,电动机构3通过操作机构5驱动断路器分闸后,如图24a所示,触发齿轮驱动第一开关件9B断开分闸电路并接通合闸电路,分闸时手动操作组件和操作机构5相应动作到分闸位置,同时手动操作组件或操作机构5分闸时的动作驱动第二开关件9C断开分闸辅助电路并接通合闸辅助电路。
所述断路器处于合闸状态时,第一开关件9B接通分闸电路且第二开关件9C接通分闸辅助电路时,通过手动操作组件驱动断路器分闸,手动操作组件或操作机构5分闸时的动作驱动第二开关件9C断开分闸辅助电路并接通合闸辅助电路,进入如图24c所示状态;此时进行自动合闸,在第一开关件9B和分闸电路两端加载合闸电压信号,电动机301驱动触发齿轮转动,触发齿轮驱动第一开关件9B断开分闸电路并接通合闸电路,进入如图24a所示状态,然后电动机构3通过操作机构5驱动断路器合闸,触发齿轮驱动第一开关件9B断开合闸电路并接通分闸电路,同时手动操作组件或操作机构5驱动第二开关件9C断开合闸辅助电路并接通分闸辅助电路,进入如图24b所示状态。
所述断路器处于分闸状态时,第一开关件9B接通合闸电路、第二开关件9C接通合闸辅助电路,通过手动操作组件驱动断路器合闸后,手动操作组件或操作机构5合闸时的动作驱动第二开关件9C断开合闸辅助电路并接通分闸辅助电路,进入如图24d所示状态;在第一开关件9B和合闸电路两端加载分闸电压信号,电动机301驱动触发齿轮转动,触发齿轮驱动第一开关件9B断开合闸电路并接通分闸电路,进入如图24b所示状态,然后电动机构3通过操作机构5驱动断路器分闸,触发齿轮驱动第一开关件9B断开分闸电路并接通合闸电路,同时手动操作组件或操作机构5驱动第二开关件9C断开分闸辅助电路并接通合闸辅助电路,进入如图24a所示状态。
本实施例中所述手动操作组件为按钮机构2,所述的断路器为插入式断路器。作为其他的实施例,所述的手动操作组件也可以为手柄,所述的断路器可以为普通的小型断路器。
所述第一开关件9B包括公共触点b3、常闭触点b0和常开触点b1,常闭触点b0和常开触点b1分别连接在合闸电路和分闸电路中,或者常闭触点b0和常开触点b1分别连接在分闸电路和合闸电路中;
所述第二开关件9C包括公共触点c3、常闭触点c0和常开触点c1,常闭触点c0和常开触点c1分别连接在合闸辅助电路和分闸辅助电路中,或者常闭触点c0和常开触点c1分别连接在分闸辅助电路和合闸辅助电路中。如图24a-24d所示的具体实施例,常闭触点c0与合闸辅助电路相连,常开触点c1与分闸辅助电路相连,公共触点c3与公共触点b3相连;所述公共触点c3与常闭触点c0导通则合闸辅助电路被接通,公共触点c3与常开触点导通则分闸辅助电路被接通。
优选的,如图24a-24d所示,所述电动机301为直流电动机,所述合闸电路包括二极管D3和电源端子E1,常闭触点b0与二极管D3的阳极相连,二极管D3的阴极与电动机301的正极端子相连,电动机301的负极端子与电源端子E1相连;所述分闸电路包括二极管D1和电源端子E2,常开触点b1与二极管D1的阴极相连,二极管D1的阴极与电动机301的负极端子相连,电动机301的正极端子与电源端子E2相连;所述合闸辅助电路包括二极管D6,常闭触点c0与二极管D6的阳极相连,二极管D6的阴极与正极端子相连;所述分闸辅助电路包括二极管D5,常开触点c1与二极管D5的阴极相连,二极管D5的阳极与负极端子相连;所述公共触点b3与公共触点c3相连。
优选的,如图22所示,所述第二开关件9C设置在按钮机构2的连接件204一侧,与其驱动配合。进一步的,如图22所示,所述第二开关件9C为微动开关,与线路板111相连。
具体的,如图24a所示,所述断路器处于分闸状态、第一开关件9B接通合闸电路且第二开关件9C接通合闸辅助电路,合闸电压信号(电源端子E0接正极,电源端子E1接负极)加载于第一开关件9B和合闸电路两端(电流通过依次相连的电源端子E0、公共触点b3、常闭触点b0、二极管D3,以及依次相连的电源端子E0、公共触点c3、常闭触点c0,流入电动机301,通过依次相连的二极管D2、电源端子E1流出电动机301),电动机301正转并驱动驱动齿轮件305从第一初始位置转动至中间位置,断路器完成合闸,同时第三驱动齿轮305-3的开关驱动台305-4抵压第一开关元件9B的第一驱动杆,使第一开关元件9B断开合闸电路并接通分闸电路;与此同时,所述断路器完成合闸时,操作机构5的传动件501通过第二连杆203驱动连接件204动作,连接件204抵压第二开关元件9C的第二驱动杆,使第二开关元件9C断开合闸辅助电路并接通分闸辅助电路,进入如图24b所示状态。
如图24b所示,所述断路器处于合闸状态、第一开关件9B接通分闸电路且第二开关件9C接通分闸辅助电路,分闸电压信号(电源端子E0接负极,电源端子E1接正极)加载于第一开关件9B和合闸电路两端(电流通过依次相连的电源端子E1、二极管D4流入电动机301,通过从依次相连的二极管D1、常开触点b1、公共触点b3、电源端子E0,以及依次相连的二极管D5、常开触点c1、常闭触点c3、电源端子E0,流出电动机301),电动机301正转并驱动驱动齿轮件305从中间位置转动至第一初始位置,断路器完成分闸,同时第三驱动齿轮305-3的开关驱动台305-4释放第一开关元件9B的第一驱动杆,使第一开关元件9B断开分闸电路并接通合闸电路;与此同时,所述断路器完成分闸时,操作机构5的传动件501通过第二连杆203驱动连接件204动作,连接件204释放第二开关元件9C的第二驱动杆,使第二开关元件9C断开分闸辅助电路并接通合闸辅助电路,进入如图24a所示状态。
参照图24b,所述断路器处于合闸状态时,第一开关件9B接通分闸电路且第二开关件9C接通分闸辅助电路,通过手动操作组件使断路器分闸后,第二开关件9C断开分闸辅助电路并接通合闸辅助电路,进入如图24c所示状态,合闸电压信号(电源端子E0接正极,电源端子E1接负极)加载于第一开关件9B和合闸电路两端(电流通过依次相连的电源端子E0、公共触点c3、常闭触点c0、二极管D6流入电动机301,通过从依次相连的二极管D2、电源端子E1流出电动机301),电动机301正转并驱动驱动齿轮件305从中间位置转动至第一初始位置,同时第三驱动齿轮305-3的开关驱动台305-4释放第一开关元件9B的第一驱动杆,使第一开关元件9B断开分闸电路并接通合闸电路,进入如图24a所示状态;所述电动机301继续正转,驱动齿轮件305从第一初始位置转动至中间位置,断路器合闸后,驱动齿轮件305的第三驱动齿轮305驱动第一开关件9B断开合闸电路并接通分闸电路;与此同时,所述断路器合闸时,操作机构5的传动件501通过第二连杆203驱动连接件204动作,连接件204驱动第二开关件9C断开合闸辅助电路并接通分闸辅助电路,进入如图24b所示状态。
参照图24a,所述断路器处于分闸状态时,第一开关件9B接通合闸电路且第二开关件9C接通合闸辅助电路,通过手动操作组件使断路器合闸后,第二开关件9C断开合闸辅助电路并接通分闸辅助电路,进入如图24所示状态,分闸电压信号(电源端子E0接负极,电源端子E1接正极)加载于第一开关件9B和合闸电路两端(电流通过依次相连的电源端子E1、二极管D4流入电动机301,通过从依次相连的二极管D5、常开触点c1、公共触点c3、电源端子E1流出电动机301),电动机301正转并驱动驱动齿轮件305从第一初始位置转动至中间位置,同时第三驱动齿轮305-3的开关驱动台305-4释放第一开关元件9B的第一驱动杆,使第一开关元件9B断开合闸电路并接通分闸电路,进入如图24b所示状态;所述电动机301继续正转,驱动齿轮件305从中间位置转动至第一初始位置,断路器分闸后,驱动齿轮件305的第三驱动齿轮305驱动第一开关件9B断开分闸电路并接通合闸电路;与此同时,所述断路器分闸时,操作机构5的传动件501通过第二连杆203驱动连接件204动作,连接件204驱动第二开关件9C断开分闸辅助电路并接通合闸辅助电路,进入如图24a所示状态。
优选的,如图21、22、26a-26d所示,为本发明断路器的第八实施例,为第三种断路器的第2实施例。
如图26a-26d所示,本实施例与第七实施例的断路器的区别在于:所述合闸电路包括二极管D3和电源端子E1,常闭触点b0与二极管D3的阳极相连,二极管D3的阴极与电动机301的正极端子相连,电动机301的负极端子与电源端子E1相连;所述分闸电路包括二极管D1和电源端子E2,常开触点b1与二极管D1的阴极相连,二极管D1的阴极与电动机301的负极端子相连,电动机301的正极端子与电源端子E2相连;
所述合闸辅助电路包括二极管D6,常闭触点c0与二极管D6的阳极相连,二极管D6的阴极与正极端子相连;所述分闸辅助电路包括二极管D5,常开触点c1与二极管D5的阴极相连,二极管D5的阳极与负极端子相连。
本实施例的工作原理与第七实施例的断路器相同,只是由于合闸电路和分闸电路的结构有所改变,因此合闸电压信号、分闸电压信号的加载位置以及电流路径有所变化,这些是本领域技术人员可推导的,因此在此对于本实施例的断路器的工作原理不再赘述。
以上内容是结合具体的优选实施方式对本发明所作的进一步详细说明,不能认定本发明的具体实施只局限于这些说明。对于本发明所属技术领域的普通技术人员来说,在不脱离本发明构思的前提下,还可以做出若干简单推演或替换,都应当视为属于本发明的保护范围。

Claims (10)

1.一种断路器,其包括断路器外壳(1),以及分别设置在断路器外壳(1)内的电动机构(3)、操作机构(5)、与操作机构(5)相连的动触头(1a)、与动触头(1a)配合使用的静触头(1b);其特征在于:
所述电动机构(3)包括分别枢转设置在断路器外壳(1)上的驱动齿轮件(305)和受动齿轮(306),所述操作机构(5)包括枢转设置在断路器外壳(1)上的传动件(501),受动齿轮(306)与传动件(501)同轴设置且驱动配合;
所述驱动齿轮件(305)与受动齿轮(306)驱动配合,受动齿轮(306)驱动传动件(501)转动使断路器合闸,在受动齿轮(306)和传动件(501)之间设有储能弹簧(3-5)。
2.根据权利要求1所述的断路器,其特征在于:所述储能弹簧(3-5)为扭簧,包括弹簧主体(3-50)、第一弹簧臂(3-51)和第二弹簧臂(3-52);所述弹簧主体(3-50)设置在受动齿轮(306)和传动件(501)之间,第一弹簧臂(3-51)与传动件(501)限位配合,第二弹簧臂(3-52)与受动齿轮(306)限位配合。
3.根据权利要求1所述的断路器,其特征在于:所述传动件(51)包括设置在其一侧的受动齿轮限位槽(501-306),受动齿轮(306)包括受动齿轮本体(306-2)和设置在受动齿轮本体(306-2)一侧的第一扇形齿轮部(306-1),受动齿轮本体(306-2)与传动件(501)同轴枢转设置在断路器外壳(1)上,第一扇形齿轮部(306-1)设置在受动齿轮限位槽(501-306)内,所述储能弹簧(3-5)的弹簧主体(3-50)位于受动齿轮本体(306-2)和传动件(51)之间。
4.根据权利要求3所述的断路器,其特征在于:所述第一扇形齿轮部(306-1)包括分别设置在其两端的第一扇形齿轮部首端面(306-10)和第一扇形齿轮部尾端面(306-11),传动件(501)还包括设置在受动齿轮限位槽(501-306)两端的受动齿轮限位槽首端面(501-6)和受动齿轮限位槽尾端面(501-4),第一扇形齿轮部首端面(306-10)与受动齿轮限位槽首端面(501-6)相抵,第一扇形齿轮部尾端面(306-11)与受动齿轮限位槽尾端面(501-4)之间设有第一运动间隙。
5.根据权利要求4所述的断路器,其特征在于:
所述受动齿轮(306)还包括设置在受动齿轮本体(306-2)上的受动齿轮弹簧限位孔(306-3),传动件(501)还包括设置在受动齿轮限位槽(501-306)一端的传动件弹簧限位槽(501-5),传动件弹簧限位槽(501-5)和受动齿轮限位槽尾端面(501-4)位于传动齿轮限位槽(501-306)同一端;所述第一弹簧臂(3-51)与传动件弹簧限位槽(501-5)限位配合,第二弹簧臂(3-52)与受动齿轮弹簧限位孔(306-3)限位配合。
6.根据权利要求3所述的断路器,其特征在于:所述传动件(501)还包括传动件主体(501-0)以及设置在传动件主体(501-0)一侧的传动件弹簧装配槽(501-7),受动齿轮限位槽(501-306)设置在传动件弹簧装配槽(501-7)一侧;所述受动齿轮本体(306-2)与第一扇形齿轮部(306-1)错层设置,第一扇形齿轮部(306-1)相对于受动齿轮本体(306-2)向传动件(501)所在侧偏移;所述弹簧主体(3-50)设置在传动件弹簧装配槽(501-7)内且限位于受动齿轮本体(306-2)和传动件主体(501-0)之间。
7.根据权利要求1所述的断路器,其特征在于:所述断路器还包括设置在断路器外壳(1)内的按钮机构(2),按钮机构(2)包括滑动设置在断路器外壳(1)上的按钮件(201),按钮机构(2)与传动件(501)驱动相连;按压/拉拔所述按钮件(201),驱动操作机构(5)动作,使断路器合闸/分闸。
8.根据权利要求7所述的断路器,其特征在于:所述按钮机构(2)还包括滑动设置在断路器外壳(1)上的连接件(204)、两端分别与按钮件(201)和连接件(204)相连的第一连杆(202),以及两端分别与连接件(204)和传动件(501)相连的第二连杆(203);所述驱动齿轮件(305)与连接件(204)驱动配合。
9.根据权利要求1所述的断路器,其特征在于:所述操作机构(5)还包括枢转设置在断路器外壳(1)上的转动板(505),分别枢转设置在转动板(505)上且锁扣配合的跳扣(503)和锁扣(504),两端分别与传动件(501)和跳扣(503)相连的第三连杆(502),以及用于驱动转动板(504)的第二复位弹簧(506);所述动触头(1a)一端与转动板(505)相连。
10.根据权利要求7所述的断路器,其特征在于:所述传动件(501)为圆柱体结构,包括传动件本体(501-0),设置在传动件本体(501-0)一侧的传动件弹簧装配槽(501-7)和受动齿轮限位槽(501-306),以及分别设置在传动件本体(501-0)上的传动件轴孔(501-3)、第一传动件连接孔(501-1)和第二传动件连接孔(501-2);所述传动件弹簧装配槽(501-7)和受动齿轮限位槽(501-306)位于传动件本体(501-0)同一侧,受动齿轮限位槽(501-306)设置在传动件弹簧装配槽(501-7)一侧;所述传动件轴孔(501-3)、第一传动件连接孔(501-1)和第二传动件连接孔(501-2)位于一个三角形的三个顶点处,第一传动件连接孔(501-1)靠近受动齿轮限位槽(501-306)设置,传动件(501)通过传动件轴孔(501-3)枢转设置,第一传动件连接孔(501-1)与按钮机构(2)的第二连杆(203)相连,第二传动件连接孔(501-2)与操作机构(5)的第三连杆(502)相连;
所述受动齿轮(306)包括受动齿轮本体(306-2)、第一扇形齿轮部(306-1),以及分别设置在受动齿轮本体(306-2)上的受动齿轮轴孔(306-4)和受动齿轮弹簧限位孔(306-3);所述受动齿轮本体(306-2)包括依次同轴设置且直径依次减小的本体基板(306-20)、本体限位台(306-21)和本体弹簧限位台(306-22),本体基板(306-20)与传动件(501)的传动件本体(501-0)一侧相抵,本体限位台(306-21)插置在传动件(501)的传动件弹簧装配槽(501-7)内,本体弹簧限位台(306-22)插置在储能弹簧(3-5)的弹簧主体(3-50)中部;所述第一扇形齿轮部(306-1)一端分别与本体基板(306-20)的与本体限位台(306-21)相连的一侧、本体限位台(306-21)的外周边沿相连;
所述传动件(501)还包括行程限位槽(501-8),所述断路器外壳(1)还包括设置在传动件(501)一侧的到位挡台(102);所述断路器处于分闸状态时,行程限位槽(510-8)一端侧壁与到位挡台(102)限位配合,断路器处于合闸状态时,行程限位槽(510-8)另一端侧壁与到位挡台(102)限位配合;
所述驱动齿轮件(305)从第一初始位置向第一方向转动至与受动齿轮(306)啮合,驱动齿轮件(305)继续转动并驱动受动齿轮(306)向第二方向转动,受动齿轮(306)通过储能弹簧(3-5)驱动传动件(501)向第二方向转动,断路器合闸后,驱动齿轮件(305)继续向第一方向转动并驱动受动齿轮(306)相对于传动件(501)向第二方向转动,使储能弹簧(3-5)储能,直至传动齿轮件(305)转动至中间位置并与受动齿轮(306)脱离啮合。
CN202010505461.XA 2020-06-05 2020-06-05 断路器 Active CN111681923B (zh)

Priority Applications (1)

Application Number Priority Date Filing Date Title
CN202010505461.XA CN111681923B (zh) 2020-06-05 2020-06-05 断路器

Applications Claiming Priority (1)

Application Number Priority Date Filing Date Title
CN202010505461.XA CN111681923B (zh) 2020-06-05 2020-06-05 断路器

Publications (2)

Publication Number Publication Date
CN111681923A true CN111681923A (zh) 2020-09-18
CN111681923B CN111681923B (zh) 2025-09-02

Family

ID=72453926

Family Applications (1)

Application Number Title Priority Date Filing Date
CN202010505461.XA Active CN111681923B (zh) 2020-06-05 2020-06-05 断路器

Country Status (1)

Country Link
CN (1) CN111681923B (zh)

Cited By (5)

* Cited by examiner, † Cited by third party
Publication number Priority date Publication date Assignee Title
CN112151336A (zh) * 2020-10-13 2020-12-29 上海良信电器股份有限公司 一种操作机构及断路器
WO2021208492A1 (zh) * 2020-04-13 2021-10-21 浙江正泰电器股份有限公司 断路器
WO2023029911A1 (zh) * 2021-08-31 2023-03-09 上海正泰智能科技有限公司 操作机构及开关电器
CN115775711A (zh) * 2022-12-14 2023-03-10 上海正泰智能科技有限公司 分合闸机构及断路器
CN119361345A (zh) * 2024-12-25 2025-01-24 上图电气有限公司 一种用于三相不平衡断路器的换相结构

Citations (4)

* Cited by examiner, † Cited by third party
Publication number Priority date Publication date Assignee Title
CN105006389A (zh) * 2015-07-14 2015-10-28 温州奥然电气科技有限公司 开关操作机构及断路器
CN204927098U (zh) * 2015-07-14 2015-12-30 温州奥然电气科技有限公司 开关操作机构及断路器
CN107068503A (zh) * 2017-04-25 2017-08-18 浙江智美电气有限公司 一种自动分合闸控制装置及其一种断路器
CN109686625A (zh) * 2018-12-28 2019-04-26 浙江正泰电器股份有限公司 小型断路器

Patent Citations (4)

* Cited by examiner, † Cited by third party
Publication number Priority date Publication date Assignee Title
CN105006389A (zh) * 2015-07-14 2015-10-28 温州奥然电气科技有限公司 开关操作机构及断路器
CN204927098U (zh) * 2015-07-14 2015-12-30 温州奥然电气科技有限公司 开关操作机构及断路器
CN107068503A (zh) * 2017-04-25 2017-08-18 浙江智美电气有限公司 一种自动分合闸控制装置及其一种断路器
CN109686625A (zh) * 2018-12-28 2019-04-26 浙江正泰电器股份有限公司 小型断路器

Cited By (8)

* Cited by examiner, † Cited by third party
Publication number Priority date Publication date Assignee Title
WO2021208492A1 (zh) * 2020-04-13 2021-10-21 浙江正泰电器股份有限公司 断路器
US12278072B2 (en) 2020-04-13 2025-04-15 Zhejiang Chint Electrics Co., Ltd. Circuit breaker
CN112151336A (zh) * 2020-10-13 2020-12-29 上海良信电器股份有限公司 一种操作机构及断路器
WO2023029911A1 (zh) * 2021-08-31 2023-03-09 上海正泰智能科技有限公司 操作机构及开关电器
CN115775711A (zh) * 2022-12-14 2023-03-10 上海正泰智能科技有限公司 分合闸机构及断路器
CN115775711B (zh) * 2022-12-14 2023-11-14 上海正泰智能科技有限公司 分合闸机构及断路器
CN119361345A (zh) * 2024-12-25 2025-01-24 上图电气有限公司 一种用于三相不平衡断路器的换相结构
CN119361345B (zh) * 2024-12-25 2025-03-11 上图电气有限公司 一种用于三相不平衡断路器的换相结构

Also Published As

Publication number Publication date
CN111681923B (zh) 2025-09-02

Similar Documents

Publication Publication Date Title
CN111681923A (zh) 断路器
CN111477509B (zh) 断路器
CN106057600B (zh) 断路器的重合闸装置
CN105185668B (zh) 微型断路器控制结构及包含该结构的微型断路器控制装置
CN111681922A (zh) 断路器
CN111681925A (zh) 断路器
CN111799135A (zh) 断路器
CN111916317B (zh) 断路器
CN111681930B (zh) 断路器
CN111986960A (zh) 断路器
CN111489933A (zh) 断路器
CN212783313U (zh) 断路器
CN215869241U (zh) 一种断路器
CN216698245U (zh) 一种漏电断路器
CN111477517A (zh) 插入式断路器
CN108695119B (zh) 一种小型断路器的电动操作机构
CN212750769U (zh) 一种断路器操作机构分合闸联锁机构
CN212783311U (zh) 断路器
CN212277118U (zh) 断路器
CN115810518A (zh) 一种断路器
CN219163308U (zh) 一种断路器
CN112289651A (zh) 一种应用于微型断路器的新型触头系统及其使用方法
CN212783310U (zh) 断路器
CN118448227A (zh) 一种单相独立通断的电子式开关
CN216902751U (zh) 断路器

Legal Events

Date Code Title Description
PB01 Publication
PB01 Publication
SE01 Entry into force of request for substantive examination
SE01 Entry into force of request for substantive examination
GR01 Patent grant