CN111636607A - A new type of ceramic panel curtain wall pendant system - Google Patents
A new type of ceramic panel curtain wall pendant system Download PDFInfo
- Publication number
- CN111636607A CN111636607A CN202010562825.8A CN202010562825A CN111636607A CN 111636607 A CN111636607 A CN 111636607A CN 202010562825 A CN202010562825 A CN 202010562825A CN 111636607 A CN111636607 A CN 111636607A
- Authority
- CN
- China
- Prior art keywords
- pendant
- base
- decorative
- angle steel
- curtain wall
- Prior art date
- Legal status (The legal status is an assumption and is not a legal conclusion. Google has not performed a legal analysis and makes no representation as to the accuracy of the status listed.)
- Pending
Links
Images
Classifications
-
- E—FIXED CONSTRUCTIONS
- E04—BUILDING
- E04B—GENERAL BUILDING CONSTRUCTIONS; WALLS, e.g. PARTITIONS; ROOFS; FLOORS; CEILINGS; INSULATION OR OTHER PROTECTION OF BUILDINGS
- E04B2/00—Walls, e.g. partitions, for buildings; Wall construction with regard to insulation; Connections specially adapted to walls
- E04B2/88—Curtain walls
- E04B2/96—Curtain walls comprising panels attached to the structure through mullions or transoms
Landscapes
- Engineering & Computer Science (AREA)
- Architecture (AREA)
- Physics & Mathematics (AREA)
- Electromagnetism (AREA)
- Civil Engineering (AREA)
- Structural Engineering (AREA)
- Finishing Walls (AREA)
Abstract
本发明公开了一种新型陶板幕墙挂件系统,包括:所述角钢连接件通过横向布置的角钢底座与方钢立柱连接,且挂件底座与角钢连接件通过固定螺栓连接;所述挂件底座的上下两端分别设有挂钩,且装饰挂件内侧设有相适配的卡槽,通过上下两侧对应卡槽与挂钩的配合实现装饰挂件和挂件底座的挂接安装;所述装饰挂件的上部卡槽内侧设有调节座,通过分布于调节座上的限位螺钉和调节螺栓实现装饰挂件在挂件底座上的高度调节。本发明可实现陶板完成面有进出效果,同时可增加横向的装饰线条及灯带,构造简单,施工方便,不仅节约了成本,且便于安装,节省工期。
The invention discloses a novel ceramic panel curtain wall pendant system, comprising: the angle steel connecting piece is connected with a square steel column through a horizontally arranged angle steel base, and the pendant base and the angle steel connecting piece are connected by fixing bolts; The ends are respectively provided with hooks, and the inner side of the decorative pendant is provided with a matching card slot, and the hanging installation of the decorative pendant and the pendant base is realized through the cooperation of the corresponding card grooves and hooks on the upper and lower sides; the inner side of the upper card slot of the decorative pendant is An adjustment seat is provided, and the height adjustment of the decorative pendant on the pendant base is realized through the limit screws and adjustment bolts distributed on the adjustment seat. The invention can realize the effect of entering and exiting the finished surface of the ceramic plate, and at the same time can increase the horizontal decorative lines and light strips.
Description
技术领域technical field
本发明涉及一种新型陶板幕墙挂件系统,属于建筑幕墙技术领域。The invention relates to a novel ceramic panel curtain wall pendant system, which belongs to the technical field of building curtain walls.
背景技术Background technique
陶土板幕墙的原材料为天然陶土,不添加任何其它成分,不会对空气造成任何污染。陶板的颜色完全是陶土的天然颜色,绿色环保,无辐射,色泽温和,不会带来光污染。而且陶板的可选之色多达14种,能够满足建筑设计师和业主对颜色的选择要求,在现有工程中运用十分广泛。陶板幕墙由面板和支撑结构组成,支撑结构可为铝型材或钢型材,也就是陶板通过金属挂件连接在横梁或立柱上。The raw material of the terracotta panel curtain wall is natural terracotta, no other ingredients are added, and it will not cause any pollution to the air. The color of the ceramic plate is completely the natural color of the clay, which is green, environmentally friendly, non-radiation, mild in color, and will not bring light pollution. In addition, there are as many as 14 colors of ceramic panels, which can meet the color selection requirements of architectural designers and owners, and are widely used in existing projects. The ceramic panel curtain wall is composed of panels and supporting structures. The supporting structures can be aluminum profiles or steel profiles, that is, the ceramic panels are connected to beams or columns through metal pendants.
现有陶板幕墙系统通过陶板上下边设启口,专用的铝合金挂件与陶板启口互相配合,实现板块的挂接安装,如图1所示(图中陶板左侧为室外)。此技术只用于大面平整的陶板幕墙,无法满足设计师在建筑造型上的其他要求,例如:设计师需要陶板完成面有进出的效果,并且陶板外侧需要做横向的装饰线条及灯带。现有的挂件技术无法同时满足这些要求。The existing ceramic panel curtain wall system has openings on the upper and lower sides of the ceramic panels, and the special aluminum alloy pendants cooperate with the openings of the ceramic panels to realize the installation of the panels, as shown in Figure 1 (the left side of the ceramic panels in the figure is outdoor). This technology is only used for large and flat ceramic panel curtain walls, and cannot meet the designer's other requirements on architectural modeling. For example, the designer needs the finished surface of the ceramic panel to have the effect of in and out, and the outer side of the ceramic panel needs to make horizontal decorative lines and light strips. Existing pendant technologies cannot meet these requirements simultaneously.
为解决现有挂件系统在幕墙造型上的局限性,本领域技术人员致力于开发一种新型陶板幕墙挂件系统,将装饰挂件直接挂在挂件底座上,并通过调节螺栓调节板块竖向位置,限位螺钉保证挂件不会水平移动,且装饰挂件的特有造型,既可保证陶板安全的挂装,也可以保证横向灯带的安装,同时也具有横向装饰的效果。In order to solve the limitations of the existing pendant system in the curtain wall modeling, those skilled in the art are committed to developing a new type of ceramic panel curtain wall pendant system, which directly hangs the decorative pendant on the pendant base, and adjusts the vertical position of the plate by adjusting the bolt. The positioning screws ensure that the pendant will not move horizontally, and the unique shape of the decorative pendant can not only ensure the safe hanging of the ceramic plate, but also ensure the installation of the horizontal light strip, and also has the effect of horizontal decoration.
发明内容SUMMARY OF THE INVENTION
发明目的:为了克服现有技术中存在的不足,本发明提供一种新型陶板幕墙挂件系统,一方面装饰挂件可满足陶板全截面受力,使得陶土板的受力形式更优,传统技术陶板自重仅空腔一侧的截面承担其自身重力;另一方面可实现陶板完成面有进出效果,并增加横向的装饰线条及灯带,构造简单,施工方便,成本较低,便于安装。Purpose of the invention: In order to overcome the deficiencies in the prior art, the present invention provides a new type of ceramic panel curtain wall pendant system. On the one hand, the decorative pendant can meet the stress of the whole section of the ceramic panel, so that the force form of the ceramic panel is better, and the weight of the traditional technology ceramic panel is better. Only the section on one side of the cavity bears its own gravity; on the other hand, the finished surface of the ceramic board can be in and out, and horizontal decorative lines and light strips can be added. The structure is simple, the construction is convenient, the cost is low, and it is easy to install.
技术方案:为实现上述目的,本发明采用的技术方案为:Technical scheme: In order to realize the above-mentioned purpose, the technical scheme adopted in the present invention is:
一种新型陶板幕墙挂件系统,包括方钢立柱、角钢底座、角钢连接件、挂件底座、装饰挂件及安装于装饰挂件上下两侧的陶土板;A new type of ceramic panel curtain wall pendant system, comprising a square steel column, an angle steel base, an angle steel connecting piece, a pendant base, a decorative pendant and a ceramic plate installed on the upper and lower sides of the decorative pendant;
其中,所述角钢连接件通过横向布置的角钢底座与方钢立柱连接,且挂件底座与角钢连接件通过固定螺栓连接;所述挂件底座的上下两端分别设有上板和下板,且上板和下板端部均设有挂钩;所述装饰挂件内侧设有相适配的卡槽,通过上下两侧对应卡槽与挂钩的配合实现装饰挂件和挂件底座的挂接安装;Wherein, the angle steel connector is connected with the square steel column through the horizontally arranged angle steel base, and the pendant base and the angle steel connector are connected by fixing bolts; the upper and lower ends of the pendant base are respectively provided with an upper plate and a lower plate, and the upper The ends of the plate and the lower plate are provided with hooks; the inner side of the decorative pendant is provided with a matching card slot, and the hanging installation of the decorative pendant and the pendant base is realized through the cooperation of the corresponding card grooves and hooks on the upper and lower sides;
所述装饰挂件的上部卡槽内侧设有调节座,且调节座上间隔分布有调节螺栓和限位螺钉,通过贯穿调节座并抵住上板的调节螺栓实现装饰挂件与挂件底座之间的纵向调节,并通过贯穿调节座与上板的限位螺钉实现装饰挂件在挂件底座上的水平限位。The inner side of the upper slot of the decorative pendant is provided with an adjustment seat, and adjustment bolts and limit screws are distributed at intervals on the adjustment seat. Adjustment, and the horizontal limit of the decorative pendant on the pendant base is realized through the limit screw running through the adjustment seat and the upper plate.
进一步的,所述挂件底座中部设有长圆孔,通过固定螺栓在长圆孔内的滑移实现挂件底座相对于角钢连接件的纵向调节;所述挂件底座与角钢连接件相背的一面设有围绕长圆孔四周布置的齿纹和具有相同齿纹的安装板,且安装板与角钢连接件上设有用于贯穿固定螺栓的圆孔;所述固定螺栓的另一端套接有锁紧螺母,通过锁紧螺母的锁紧以及安装板与挂件底座的齿纹配合实现固定螺栓在长圆孔内的滑移固定。Further, an oblong hole is provided in the middle of the base of the pendant, and the longitudinal adjustment of the base of the pendant relative to the angle steel connecting piece is realized through the sliding movement of the fixing bolt in the oblong hole; The tooth pattern arranged around the oblong hole and the mounting plate with the same tooth pattern, and the mounting plate and the angle steel connecting piece are provided with a circular hole for penetrating the fixing bolt; the other end of the fixing bolt is sleeved with a locking nut, which is locked The locking of the tightening nut and the cooperation of the tooth pattern between the mounting plate and the base of the pendant realize the sliding and fixing of the fixing bolt in the oblong hole.
由于安装板与角钢连接件上都是圆孔,固定螺栓装进去竖向不能相对移动,而挂件底座上是长圆孔,竖向可以相对移动,这样可以先进行挂件底座与角钢连接件之间的竖向调节;调节好了,装上安装板,由于安装板与挂件底座之间是有齿纹咬合在一起的,也不能竖向相对移动,最后通过锁紧螺母进行锁紧固定。这样通过安装板与角钢连接件、安装板与挂件底座的互相配合,实现最终定位。Since there are round holes on the mounting plate and the angle steel connector, the fixing bolts cannot move vertically relative to each other, while the base of the pendant is an oblong hole, which can be moved relatively vertically. Vertical adjustment; after adjustment, install the mounting plate. Since the mounting plate and the base of the pendant are engaged with teeth, they cannot move relative to each other vertically. Finally, they are locked and fixed by the locking nut. In this way, the final positioning is achieved through the mutual cooperation between the mounting plate and the angle steel connecting piece, and the mounting plate and the base of the pendant.
进一步的,所述挂件底座与角钢连接件之间设有柔性垫片,以减少挂件底座与角钢连接件之间的摩擦,降低损耗。Further, a flexible gasket is provided between the base of the pendant and the connecting piece of the angle steel, so as to reduce the friction between the base of the pendant and the connecting piece of the angle steel and reduce the loss.
进一步的,所述调节螺栓上套接有固定螺母,在通过调节螺栓完成纵向调节后用于实现调节螺栓的锁紧固定。Further, a fixing nut is sleeved on the adjusting bolt, which is used to realize the locking and fixing of the adjusting bolt after the longitudinal adjustment is completed by the adjusting bolt.
进一步的,所述装饰挂件的上下两端分别设有与陶土板端部相配合的安装部,根据上下陶土板之间的进出效果(包括上下对齐、上进下出或上出下进)设计上下安装部之间的相对位置。Further, the upper and lower ends of the decorative pendant are respectively provided with mounting parts matched with the ends of the clay plates, and the upper and lower sides are designed according to the entry and exit effects between the upper and lower clay plates (including up and down alignment, top in and bottom out, or top out and bottom in). The relative position between the mounting parts.
进一步的,所述安装部与陶土板呈相配合的台阶状,且台阶状安装部与陶土板端部的中间分别设有相配合的凸起与启口,用于实现安装部与陶土板端部的水平限位。Further, the mounting portion and the clay plate are in a matching step shape, and the middle of the step-shaped mounting portion and the end of the clay plate are respectively provided with matching protrusions and openings, which are used to realize the mounting portion and the end of the clay plate. The horizontal limit of the part.
进一步的,所述陶土板内侧与装饰挂件或挂件底座之间设有密封胶条,以提高陶土板安装的密封性。Further, a sealing strip is arranged between the inner side of the terracotta board and the decorative pendant or the base of the pendant, so as to improve the sealing performance of the terracotta board installation.
进一步的,所述挂钩上覆有柔性垫片,以减少挂钩与卡槽内壁摩擦,同时起到减震的作用。Further, the hook is covered with a flexible gasket to reduce the friction between the hook and the inner wall of the slot, and at the same time play a role of shock absorption.
进一步的,所述装饰挂件外侧中部设有装饰件和灯带,以提高装饰性。Further, a decorative piece and a light strip are arranged in the outer middle of the decorative pendant to improve decorativeness.
进一步的,所述装饰挂件中部设有空腔,且空腔内设有支撑件,以提高装饰挂件的内部支撑稳定性。Further, a cavity is provided in the middle of the decoration pendant, and a support member is arranged in the cavity, so as to improve the internal support stability of the decoration pendant.
有益效果:本发明提供的一种新型陶板幕墙挂件系统,相对于现有技术,具有以下优点:1、相对于无法实现竖向调节的传统技术板块,本发明一方面可通过挂件底座上的长圆孔和齿纹配合进行粗调,另一方面可通过调节螺栓进行精调,能更好的保证板块的安装精度。Beneficial effects: a new type of ceramic panel curtain wall pendant system provided by the present invention has the following advantages compared with the prior art: 1. Compared with the traditional technical plate that cannot realize vertical adjustment, the present invention can pass the long circle on the pendant base on the one hand. The hole and the tooth pattern are matched for rough adjustment, and on the other hand, the fine adjustment can be carried out by adjusting the bolt, which can better ensure the installation accuracy of the plate.
2、相对于传统技术陶板自重仅空腔一侧的截面承担其自身重力,本发明由于装饰挂件可满足陶板全截面受力,板块的受力形式更好。2. Compared with the self-weight of the traditional technology ceramic plate, only the section on one side of the cavity bears its own gravity, because the decorative pendant of the present invention can meet the force of the entire section of the ceramic plate, and the force-bearing form of the plate is better.
3、本发明可实现陶板完成面的进出效果,也可提高挂件的设计感,增加横向的装饰线条及灯带,构造简单,施工方便,不仅节约了成本,且便于安装,节省工期。3. The invention can realize the effect of entering and exiting the finished surface of the ceramic plate, and can also improve the design sense of the pendant, increase the horizontal decorative lines and light strips, the structure is simple, the construction is convenient, not only saves the cost, but also facilitates the installation and saves the construction period.
附图说明Description of drawings
图1为现有陶板幕墙系统中陶板的安装结构图;Fig. 1 is the installation structure diagram of the ceramic plate in the existing ceramic plate curtain wall system;
图中包括:1-1、陶板,1-2、不锈钢螺栓,1-3、方垫片,1-4、柔性垫片,1-5、铝合金挂件,1-6、绝缘垫片,1-7、角钢连接件,1-8、方钢立柱;The picture includes: 1-1, ceramic plate, 1-2, stainless steel bolt, 1-3, square gasket, 1-4, flexible gasket, 1-5, aluminum alloy pendant, 1-6, insulating gasket, 1 -7, angle steel connector, 1-8, square steel column;
图2为本发明实施例一的结构示意图;2 is a schematic structural diagram of Embodiment 1 of the present invention;
图3为本发明实施例一中安装板、挂件底座、角钢连接件的配合结构示意图;3 is a schematic diagram of the matching structure of the mounting plate, the base of the pendant, and the angle-steel connector in Embodiment 1 of the present invention;
图4为本发明实施例二的结构示意图;4 is a schematic structural diagram of Embodiment 2 of the present invention;
图5为本发明实施例三的结构示意图;5 is a schematic structural diagram of Embodiment 3 of the present invention;
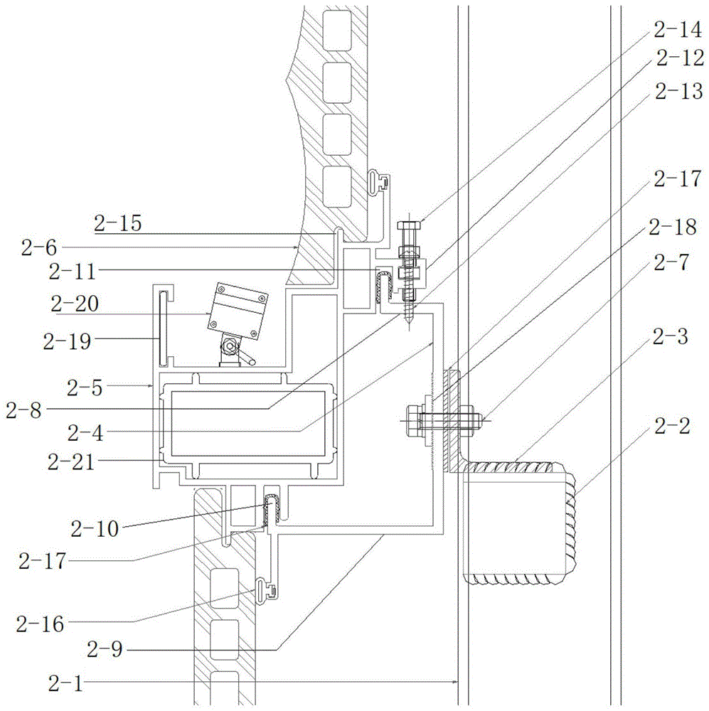
图中包括:2-1、方钢立柱,2-2、角钢底座,2-3、角钢连接件,2-4、挂件底座,2-5、装饰挂件,2-6、陶土板,2-7、固定螺栓,2-8、上板,2-9、下板,2-10、挂钩,2-11、卡槽,2-12、调节座,2-13、限位螺钉,2-14、调节螺栓,2-15、启口,2-16、密封胶条,2-17、柔性垫片,2-18、安装板,2-19、装饰件,2-20、灯带,2-21、支撑件,2-22、锁紧螺母,2-23、固定螺母,3-1、长圆孔,3-2、齿纹,3-3、圆孔。The picture includes: 2-1, square steel column, 2-2, angle steel base, 2-3, angle steel connecting piece, 2-4, pendant base, 2-5, decorative pendant, 2-6, clay plate, 2- 7. Fixing bolt, 2-8, upper plate, 2-9, lower plate, 2-10, hook, 2-11, card slot, 2-12, adjusting seat, 2-13, limit screw, 2-14 , Adjusting bolt, 2-15, Opening, 2-16, Sealing strip, 2-17, Flexible gasket, 2-18, Mounting plate, 2-19, Decorative parts, 2-20, Light strip, 2- 21. Support, 2-22, Lock nut, 2-23, Fixing nut, 3-1, oblong hole, 3-2, tooth pattern, 3-3, round hole.
具体实施方式Detailed ways
下面结合附图及实施例对本发明作更进一步的说明。The present invention will be further described below in conjunction with the accompanying drawings and embodiments.
实施例一Example 1
如图2所示为一种新型陶板幕墙挂件系统,包括方钢立柱2-1、角钢底座2-2、角钢连接件2-3、挂件底座2-4、装饰挂件2-5及安装于装饰挂件2-5上下两侧的陶土板2-6;As shown in Figure 2, a new type of ceramic panel curtain wall pendant system includes square steel column 2-1, angle steel base 2-2, angle steel connecting piece 2-3, pendant base 2-4, decorative pendant 2-5 and a Pendant 2-5, clay plates 2-6 on the upper and lower sides;
其中,所述角钢连接件2-3通过横向布置的角钢底座2-2与方钢立柱2-1连接,且挂件底座2-4与角钢连接件2-3通过固定螺栓2-7连接;所述挂件底座2-4的上下两端分别设有上板2-8和下板2-9,且上板2-8和下板2-9端部均设有挂钩2-10;所述装饰挂件2-5内侧设有相适配的卡槽2-11,通过上下两侧对应卡槽2-11与挂钩2-10的配合实现装饰挂件2-5和挂件底座2-4的挂接安装;Wherein, the angle steel connecting piece 2-3 is connected with the square steel column 2-1 through the horizontally arranged angle steel base 2-2, and the pendant base 2-4 and the angle steel connecting piece 2-3 are connected by fixing bolts 2-7; The upper and lower ends of the pendant base 2-4 are respectively provided with an upper plate 2-8 and a lower plate 2-9, and the ends of the upper plate 2-8 and the lower plate 2-9 are provided with hooks 2-10; The inner side of the pendant 2-5 is provided with a corresponding card slot 2-11, and the hanging installation of the decorative pendant 2-5 and the pendant base 2-4 is realized by the cooperation of the corresponding card slot 2-11 on the upper and lower sides and the hook 2-10 ;
所述装饰挂件2-5的上部卡槽2-11内侧设有调节座2-12,且调节座2-12上间隔分布有调节螺栓2-14和限位螺钉2-13,通过贯穿调节座2-12并抵住上板2-8的调节螺栓2-14实现装饰挂件2-5与挂件底座2-4之间的纵向调节,并通过贯穿调节座2-12与上板2-8的限位螺钉2-13实现装饰挂件2-5在挂件底座2-4上的水平限位。The inner side of the upper slot 2-11 of the decorative pendant 2-5 is provided with an adjustment seat 2-12, and adjustment bolts 2-14 and limit screws 2-13 are distributed on the adjustment seat 2-12 at intervals. 2-12 and the adjusting bolt 2-14 of the upper plate 2-8 realizes the longitudinal adjustment between the decorative pendant 2-5 and the pendant base 2-4, The limit screw 2-13 realizes the horizontal limit of the decorative pendant 2-5 on the pendant base 2-4.
如图3所示,所述挂件底座2-4中部设有长圆孔3-1,通过固定螺栓2-7在长圆孔3-1内的滑移实现挂件底座2-4相对于角钢连接件2-3的纵向调节;所述挂件底座2-4与角钢连接件2-3相背的一面设有围绕长圆孔3-1四周布置的齿纹3-2和具有相同齿纹的安装板2-18,且安装板2-18与角钢连接件2-3上设有用于贯穿固定螺栓2-7的圆孔3-3;所述固定螺栓2-7的另一端套接有锁紧螺母2-22,通过锁紧螺母2-22的锁紧以及安装板2-18与挂件底座2-4的齿纹配合实现固定螺栓2-7在长圆孔3-1内的滑移固定。As shown in FIG. 3 , an oblong hole 3-1 is provided in the middle of the pendant base 2-4. The sliding of the fixing bolt 2-7 in the oblong hole 3-1 can realize the relative relationship between the pendant base 2-4 and the angle steel connecting piece 2. -3 longitudinal adjustment; the side of the pendant base 2-4 opposite to the angle steel connecting piece 2-3 is provided with tooth patterns 3-2 arranged around the oblong hole 3-1 and a mounting plate 2- 18, and the mounting plate 2-18 and the angle steel connecting piece 2-3 are provided with a circular hole 3-3 for penetrating the fixing bolt 2-7; the other end of the fixing bolt 2-7 is sleeved with a locking nut 2- 22. The sliding and fixing of the fixing bolt 2-7 in the oblong hole 3-1 is realized by the locking of the locking nut 2-22 and the cooperating of the tooth pattern between the mounting plate 2-18 and the pendant base 2-4.
本实施例中,所述装饰挂件2-5上下两端的安装部之间呈上进下出结构,此时装饰挂件2-5整体呈L型,挂件底座2-4的下板2-9长于上板2-8;所述装饰挂件2-5外侧中部设有装饰件2-19和灯带2-20,且装饰挂件2-5中部设有空腔,空腔内设有支撑件2-21。In this embodiment, the mounting parts at the upper and lower ends of the decorative pendant 2-5 are in an up-in and down-out structure. At this time, the decorative pendant 2-5 is L-shaped as a whole, and the lower plate 2-9 of the pendant base 2-4 is longer than the upper part. Plate 2-8; the decoration pendant 2-5 is provided with a decoration piece 2-19 and a light strip 2-20 in the middle of the outer side, and a cavity is arranged in the middle of the decoration pendant 2-5, and a support piece 2-21 is arranged in the cavity .
进一步的,所述挂件底座2-4与角钢连接件2-3之间设有柔性垫片2-17,以减少挂件底座2-4与角钢连接件2-3之间的摩擦,降低损耗。Further, a flexible gasket 2-17 is provided between the pendant base 2-4 and the angle steel connecting piece 2-3 to reduce friction between the pendant base 2-4 and the angle steel connecting piece 2-3 and reduce loss.
进一步的,所述调节螺栓2-14上套接有固定螺母2-23,在通过调节螺栓2-14完成纵向调节后用于实现调节螺栓2-14的锁紧固定。Further, the adjusting bolt 2-14 is sleeved with a fixing nut 2-23, which is used to realize the locking and fixing of the adjusting bolt 2-14 after the longitudinal adjustment is completed by the adjusting bolt 2-14.
进一步的,所述安装部与陶土板2-6呈相配合的台阶状,且台阶状安装部与陶土板2-6端部的中间分别设有相配合的凸起与启口2-15,用于实现安装部与陶土板2-6端部的水平限位;所述陶土板2-6内侧与装饰挂件2-5或挂件底座2-4之间设有密封胶条2-16,以提高陶土板2-6安装的密封性。Further, the mounting portion and the clay plate 2-6 are in a stepped shape, and the middle of the stepped mounting portion and the end of the clay plate 2-6 is respectively provided with a matching protrusion and an opening 2-15, It is used to realize the horizontal limit between the installation part and the end of the clay plate 2-6; between the inner side of the clay plate 2-6 and the decorative pendant 2-5 or the pendant base 2-4, there is a sealing strip 2-16 to prevent Improve the airtightness of the installation of terracotta panels 2-6.
进一步的,所述挂钩2-10上覆有柔性垫片2-17,以减少挂钩2-10与卡槽2-11内壁摩擦,同时起到减震的作用。Further, the hook 2-10 is covered with a flexible gasket 2-17, so as to reduce the friction between the hook 2-10 and the inner wall of the slot 2-11, and at the same time play the role of shock absorption.
实施例二Embodiment 2
如图4所示,与实施例一明显不同的是,所述装饰挂件2-5上下两端的安装部之间呈上出下进结构,此时装饰挂件2-5整体呈倒L型,挂件底座2-4的上板2-8、下板2-9长度基本一致;所述装饰挂件2-5中部设有空腔,且空腔内设有支撑件2-21。As shown in FIG. 4 , the obvious difference from the first embodiment is that the mounting parts at the upper and lower ends of the decorative pendant 2-5 are in a top-out and bottom-in structure. The lengths of the upper plate 2-8 and the lower plate 2-9 of the base 2-4 are basically the same; a cavity is formed in the middle of the decorative pendant 2-5, and a support member 2-21 is arranged in the cavity.
实施例三Embodiment 3
如图5所示,与实施例一、二明显不同的是,所述装饰挂件2-5上下两端的安装部之间呈平出平进结构,此时装饰挂件2-5整体呈I型,挂件底座2-4的上板2-8、下板2-9长度基本一致;所述装饰挂件2-5中部设有装饰件2-19。As shown in FIG. 5 , the obvious difference from the first and second embodiments is that the mounting parts at the upper and lower ends of the decorative pendant 2-5 are in a flat-out and level-in structure. The lengths of the upper plate 2-8 and the lower plate 2-9 of the pendant base 2-4 are basically the same; the decoration pendant 2-5 is provided with a decoration piece 2-19 in the middle.
综上所述,传统技术板块无法实现竖向调节,本发明有两处可实现,一处是挂件底座2-4的齿纹进行粗调,一处是调节螺栓2-14进行精调,能更好的保证板块的安装精度。传统技术陶板自重仅空腔一侧的截面承担其自身重力,本发明由于装饰挂件2-5可满足陶板全截面受力,受力形式更好。本发明可实现陶板完成面有进出效果,同时可增加横向的装饰线条及灯带2-20,构造简单,施工方便,不仅节约了成本,且便于安装,节省工期。To sum up, the vertical adjustment of the traditional technical plate cannot be realized. The present invention can achieve two ways: one is to make rough adjustment of the tooth pattern of the pendant base 2-4, and the other is to adjust the adjustment bolts 2-14 for fine adjustment. To better ensure the installation accuracy of the plate. According to the traditional technology, only the section on one side of the cavity bears its own gravity. In the present invention, since the decorative pendants 2-5 can satisfy the stress on the entire section of the ceramic board, the stress form is better. The invention can realize the effect of entering and exiting the finished surface of the ceramic plate, and at the same time can add 2-20 horizontal decorative lines and light strips.
以上所述仅是本发明的优选实施方式,应当指出:对于本技术领域的普通技术人员来说,在不脱离本发明原理的前提下,还可以做出若干改进和润饰,这些改进和润饰也应视为本发明的保护范围。The above is only the preferred embodiment of the present invention, it should be pointed out that: for those skilled in the art, without departing from the principle of the present invention, several improvements and modifications can also be made, and these improvements and modifications are also It should be regarded as the protection scope of the present invention.
Claims (10)
Priority Applications (1)
| Application Number | Priority Date | Filing Date | Title |
|---|---|---|---|
| CN202010562825.8A CN111636607A (en) | 2020-06-19 | 2020-06-19 | A new type of ceramic panel curtain wall pendant system |
Applications Claiming Priority (1)
| Application Number | Priority Date | Filing Date | Title |
|---|---|---|---|
| CN202010562825.8A CN111636607A (en) | 2020-06-19 | 2020-06-19 | A new type of ceramic panel curtain wall pendant system |
Publications (1)
| Publication Number | Publication Date |
|---|---|
| CN111636607A true CN111636607A (en) | 2020-09-08 |
Family
ID=72327532
Family Applications (1)
| Application Number | Title | Priority Date | Filing Date |
|---|---|---|---|
| CN202010562825.8A Pending CN111636607A (en) | 2020-06-19 | 2020-06-19 | A new type of ceramic panel curtain wall pendant system |
Country Status (1)
| Country | Link |
|---|---|
| CN (1) | CN111636607A (en) |
Cited By (1)
| Publication number | Priority date | Publication date | Assignee | Title |
|---|---|---|---|---|
| CN114000678A (en) * | 2021-11-29 | 2022-02-01 | 金刚幕墙集团有限公司 | A unit decorative strip installation device |
Citations (8)
| Publication number | Priority date | Publication date | Assignee | Title |
|---|---|---|---|---|
| CN201169849Y (en) * | 2008-01-28 | 2008-12-24 | 深圳中航幕墙工程有限公司 | Unit type curtain wall structure for complicated space curved surface |
| JP2010013808A (en) * | 2008-07-01 | 2010-01-21 | Kawamoku Construction Co Ltd | Display panel |
| CN202731026U (en) * | 2012-05-30 | 2013-02-13 | 沈阳远大铝业工程有限公司 | Curtain wall hanging piece |
| CN104153494A (en) * | 2014-07-14 | 2014-11-19 | 苏州金螳螂幕墙有限公司 | Energy-saving stone curtain wall |
| CN204983511U (en) * | 2015-09-11 | 2016-01-20 | 苏州苏明装饰股份有限公司 | Wall tile structure of mating formation |
| KR20190127334A (en) * | 2018-05-04 | 2019-11-13 | 현대건설주식회사 | Installation structure of exterior ornament for curtain wall |
| CN212802173U (en) * | 2020-06-19 | 2021-03-26 | 无锡金城幕墙装饰工程有限公司 | Novel pottery board curtain wall pendant system |
| JP2022178386A (en) * | 2021-05-20 | 2022-12-02 | Ykk Ap株式会社 | Decorative materials and curtain walls |
-
2020
- 2020-06-19 CN CN202010562825.8A patent/CN111636607A/en active Pending
Patent Citations (8)
| Publication number | Priority date | Publication date | Assignee | Title |
|---|---|---|---|---|
| CN201169849Y (en) * | 2008-01-28 | 2008-12-24 | 深圳中航幕墙工程有限公司 | Unit type curtain wall structure for complicated space curved surface |
| JP2010013808A (en) * | 2008-07-01 | 2010-01-21 | Kawamoku Construction Co Ltd | Display panel |
| CN202731026U (en) * | 2012-05-30 | 2013-02-13 | 沈阳远大铝业工程有限公司 | Curtain wall hanging piece |
| CN104153494A (en) * | 2014-07-14 | 2014-11-19 | 苏州金螳螂幕墙有限公司 | Energy-saving stone curtain wall |
| CN204983511U (en) * | 2015-09-11 | 2016-01-20 | 苏州苏明装饰股份有限公司 | Wall tile structure of mating formation |
| KR20190127334A (en) * | 2018-05-04 | 2019-11-13 | 현대건설주식회사 | Installation structure of exterior ornament for curtain wall |
| CN212802173U (en) * | 2020-06-19 | 2021-03-26 | 无锡金城幕墙装饰工程有限公司 | Novel pottery board curtain wall pendant system |
| JP2022178386A (en) * | 2021-05-20 | 2022-12-02 | Ykk Ap株式会社 | Decorative materials and curtain walls |
Non-Patent Citations (1)
| Title |
|---|
| 韩伟;高云飞;: "开放式陶土板外墙装饰体系设计与施工", 陕西建筑, no. 03, 15 March 2015 (2015-03-15) * |
Cited By (2)
| Publication number | Priority date | Publication date | Assignee | Title |
|---|---|---|---|---|
| CN114000678A (en) * | 2021-11-29 | 2022-02-01 | 金刚幕墙集团有限公司 | A unit decorative strip installation device |
| CN114000678B (en) * | 2021-11-29 | 2023-10-03 | 金刚幕墙集团有限公司 | A unit decorative strip installation device |
Similar Documents
| Publication | Publication Date | Title |
|---|---|---|
| CN112443070B (en) | Finished suspended ceiling grade-falling installation structure and installation method | |
| CN206016146U (en) | Dry-hang body of wall mounting structure | |
| CN205012519U (en) | Horizontal moulding braced system of curtain | |
| CN205531161U (en) | Ultra -thin decoration heat preservation intergral template | |
| CN201232280Y (en) | General suspended ceiling type panel | |
| CN108894372B (en) | Modeling plate curtain wall assembly structure | |
| CN111636607A (en) | A new type of ceramic panel curtain wall pendant system | |
| CN203160475U (en) | Dismountable back bolt stone curtain wall | |
| CN212802173U (en) | Novel pottery board curtain wall pendant system | |
| CN216276347U (en) | Curtain wall grille decoration system suitable for building facade variable angle | |
| CN214402378U (en) | Grating pipe decorative structure and decorative grating | |
| CN204185990U (en) | A kind of ventilation and penetrating light furred ceiling | |
| CN113502970A (en) | Adjustable design aluminum square tube fixing structure capable of preventing installation looseness | |
| CN217680284U (en) | Curved surface unit type decorative moulding structure | |
| CN216552631U (en) | Combined metal flap modeling suspended ceiling | |
| CN204804126U (en) | Curtain stone material ornamental strip fixing system | |
| CN211396153U (en) | Wooden tripe curtain decorative structure that parametric cutting was arranged | |
| CN214006147U (en) | A large-section special-shaped section pottery stick that is easy to install | |
| CN214696385U (en) | A hanging point combined suspended ceiling | |
| CN201962880U (en) | Aluminum wall panels with specific specifications | |
| CN211949107U (en) | Stone curtain wall decoration grid structure | |
| CN210857712U (en) | A prefabricated aluminum ceiling | |
| CN114182906A (en) | Keel-free square column stone decorative plate system | |
| CN213741675U (en) | Assembled easily-adjusted double-sided ventilation modeling wall | |
| CN214696336U (en) | Prefabricated frame exterior wall cladding |
Legal Events
| Date | Code | Title | Description |
|---|---|---|---|
| PB01 | Publication | ||
| PB01 | Publication | ||
| SE01 | Entry into force of request for substantive examination | ||
| SE01 | Entry into force of request for substantive examination | ||
| AD01 | Patent right deemed abandoned | ||
| AD01 | Patent right deemed abandoned |
Effective date of abandoning: 20250613 |
