CN111619900A - 应用于晶圆盒自动封装设备中的封口模组 - Google Patents

应用于晶圆盒自动封装设备中的封口模组 Download PDF

Info

Publication number
CN111619900A
CN111619900A CN202010595070.1A CN202010595070A CN111619900A CN 111619900 A CN111619900 A CN 111619900A CN 202010595070 A CN202010595070 A CN 202010595070A CN 111619900 A CN111619900 A CN 111619900A
Authority
CN
China
Prior art keywords
sealing
pair
guide rail
moving frame
module
Prior art date
Legal status (The legal status is an assumption and is not a legal conclusion. Google has not performed a legal analysis and makes no representation as to the accuracy of the status listed.)
Pending
Application number
CN202010595070.1A
Other languages
English (en)
Inventor
周芸福
许所昌
王新征
龚炳建
黎微明
胡彬
Current Assignee (The listed assignees may be inaccurate. Google has not performed a legal analysis and makes no representation or warranty as to the accuracy of the list.)
Jiangsu Leadmicro Nano Technology Co Ltd
Original Assignee
Jiangsu Leadmicro Nano Technology Co Ltd
Priority date (The priority date is an assumption and is not a legal conclusion. Google has not performed a legal analysis and makes no representation as to the accuracy of the date listed.)
Filing date
Publication date
Application filed by Jiangsu Leadmicro Nano Technology Co Ltd filed Critical Jiangsu Leadmicro Nano Technology Co Ltd
Priority to CN202010595070.1A priority Critical patent/CN111619900A/zh
Publication of CN111619900A publication Critical patent/CN111619900A/zh
Pending legal-status Critical Current

Links

Images

Classifications

    • BPERFORMING OPERATIONS; TRANSPORTING
    • B65CONVEYING; PACKING; STORING; HANDLING THIN OR FILAMENTARY MATERIAL
    • B65BMACHINES, APPARATUS OR DEVICES FOR, OR METHODS OF, PACKAGING ARTICLES OR MATERIALS; UNPACKING
    • B65B57/00Automatic control, checking, warning, or safety devices
    • BPERFORMING OPERATIONS; TRANSPORTING
    • B65CONVEYING; PACKING; STORING; HANDLING THIN OR FILAMENTARY MATERIAL
    • B65BMACHINES, APPARATUS OR DEVICES FOR, OR METHODS OF, PACKAGING ARTICLES OR MATERIALS; UNPACKING
    • B65B11/00Wrapping, e.g. partially or wholly enclosing, articles or quantities of material, in strips, sheets or blanks, of flexible material
    • B65B11/04Wrapping, e.g. partially or wholly enclosing, articles or quantities of material, in strips, sheets or blanks, of flexible material the articles being rotated
    • B65B11/045Wrapping, e.g. partially or wholly enclosing, articles or quantities of material, in strips, sheets or blanks, of flexible material the articles being rotated by rotating platforms supporting the articles
    • BPERFORMING OPERATIONS; TRANSPORTING
    • B65CONVEYING; PACKING; STORING; HANDLING THIN OR FILAMENTARY MATERIAL
    • B65BMACHINES, APPARATUS OR DEVICES FOR, OR METHODS OF, PACKAGING ARTICLES OR MATERIALS; UNPACKING
    • B65B31/00Packaging articles or materials under special atmospheric or gaseous conditions; Adding propellants to aerosol containers
    • BPERFORMING OPERATIONS; TRANSPORTING
    • B65CONVEYING; PACKING; STORING; HANDLING THIN OR FILAMENTARY MATERIAL
    • B65BMACHINES, APPARATUS OR DEVICES FOR, OR METHODS OF, PACKAGING ARTICLES OR MATERIALS; UNPACKING
    • B65B31/00Packaging articles or materials under special atmospheric or gaseous conditions; Adding propellants to aerosol containers
    • B65B31/04Evacuating, pressurising or gasifying filled containers or wrappers by means of nozzles through which air or other gas, e.g. an inert gas, is withdrawn or supplied
    • B65B31/06Evacuating, pressurising or gasifying filled containers or wrappers by means of nozzles through which air or other gas, e.g. an inert gas, is withdrawn or supplied the nozzle being arranged for insertion into, and withdrawal from, the mouth of a filled container and operating in conjunction with means for sealing the container mouth
    • BPERFORMING OPERATIONS; TRANSPORTING
    • B65CONVEYING; PACKING; STORING; HANDLING THIN OR FILAMENTARY MATERIAL
    • B65BMACHINES, APPARATUS OR DEVICES FOR, OR METHODS OF, PACKAGING ARTICLES OR MATERIALS; UNPACKING
    • B65B35/00Supplying, feeding, arranging or orientating articles to be packaged
    • B65B35/10Feeding, e.g. conveying, single articles
    • B65B35/16Feeding, e.g. conveying, single articles by grippers
    • BPERFORMING OPERATIONS; TRANSPORTING
    • B65CONVEYING; PACKING; STORING; HANDLING THIN OR FILAMENTARY MATERIAL
    • B65BMACHINES, APPARATUS OR DEVICES FOR, OR METHODS OF, PACKAGING ARTICLES OR MATERIALS; UNPACKING
    • B65B35/00Supplying, feeding, arranging or orientating articles to be packaged
    • B65B35/10Feeding, e.g. conveying, single articles
    • B65B35/20Feeding, e.g. conveying, single articles by reciprocating or oscillatory pushers
    • BPERFORMING OPERATIONS; TRANSPORTING
    • B65CONVEYING; PACKING; STORING; HANDLING THIN OR FILAMENTARY MATERIAL
    • B65BMACHINES, APPARATUS OR DEVICES FOR, OR METHODS OF, PACKAGING ARTICLES OR MATERIALS; UNPACKING
    • B65B43/00Forming, feeding, opening or setting-up containers or receptacles in association with packaging
    • B65B43/12Feeding flexible bags or carton blanks in flat or collapsed state; Feeding flat bags connected to form a series or chain
    • B65B43/14Feeding individual bags or carton blanks from piles or magazines
    • B65B43/16Feeding individual bags or carton blanks from piles or magazines by grippers
    • B65B43/18Feeding individual bags or carton blanks from piles or magazines by grippers by suction-operated grippers
    • BPERFORMING OPERATIONS; TRANSPORTING
    • B65CONVEYING; PACKING; STORING; HANDLING THIN OR FILAMENTARY MATERIAL
    • B65BMACHINES, APPARATUS OR DEVICES FOR, OR METHODS OF, PACKAGING ARTICLES OR MATERIALS; UNPACKING
    • B65B43/00Forming, feeding, opening or setting-up containers or receptacles in association with packaging
    • B65B43/26Opening or distending bags; Opening, erecting, or setting-up boxes, cartons, or carton blanks
    • B65B43/30Opening or distending bags; Opening, erecting, or setting-up boxes, cartons, or carton blanks by grippers engaging opposed walls, e.g. suction-operated
    • BPERFORMING OPERATIONS; TRANSPORTING
    • B65CONVEYING; PACKING; STORING; HANDLING THIN OR FILAMENTARY MATERIAL
    • B65BMACHINES, APPARATUS OR DEVICES FOR, OR METHODS OF, PACKAGING ARTICLES OR MATERIALS; UNPACKING
    • B65B51/00Devices for, or methods of, sealing or securing package folds or closures; Devices for gathering or twisting wrappers, or necks of bags
    • B65B51/10Applying or generating heat or pressure or combinations thereof
    • B65B51/14Applying or generating heat or pressure or combinations thereof by reciprocating or oscillating members
    • B65B51/146Closing bags
    • BPERFORMING OPERATIONS; TRANSPORTING
    • B65CONVEYING; PACKING; STORING; HANDLING THIN OR FILAMENTARY MATERIAL
    • B65BMACHINES, APPARATUS OR DEVICES FOR, OR METHODS OF, PACKAGING ARTICLES OR MATERIALS; UNPACKING
    • B65B61/00Auxiliary devices, not otherwise provided for, for operating on sheets, blanks, webs, binding material, containers or packages
    • B65B61/28Auxiliary devices, not otherwise provided for, for operating on sheets, blanks, webs, binding material, containers or packages for discharging completed packages from machines
    • BPERFORMING OPERATIONS; TRANSPORTING
    • B65CONVEYING; PACKING; STORING; HANDLING THIN OR FILAMENTARY MATERIAL
    • B65CLABELLING OR TAGGING MACHINES, APPARATUS, OR PROCESSES
    • B65C9/00Details of labelling machines or apparatus
    • B65C9/02Devices for moving articles, e.g. containers, past labelling station
    • BPERFORMING OPERATIONS; TRANSPORTING
    • B65CONVEYING; PACKING; STORING; HANDLING THIN OR FILAMENTARY MATERIAL
    • B65CLABELLING OR TAGGING MACHINES, APPARATUS, OR PROCESSES
    • B65C9/00Details of labelling machines or apparatus
    • B65C9/06Devices for presenting articles in predetermined attitude or position at labelling station
    • BPERFORMING OPERATIONS; TRANSPORTING
    • B65CONVEYING; PACKING; STORING; HANDLING THIN OR FILAMENTARY MATERIAL
    • B65CLABELLING OR TAGGING MACHINES, APPARATUS, OR PROCESSES
    • B65C9/00Details of labelling machines or apparatus
    • B65C9/26Devices for applying labels
    • BPERFORMING OPERATIONS; TRANSPORTING
    • B65CONVEYING; PACKING; STORING; HANDLING THIN OR FILAMENTARY MATERIAL
    • B65CLABELLING OR TAGGING MACHINES, APPARATUS, OR PROCESSES
    • B65C9/00Details of labelling machines or apparatus
    • B65C9/46Applying date marks, code marks, or the like, to the label during labelling
    • BPERFORMING OPERATIONS; TRANSPORTING
    • B65CONVEYING; PACKING; STORING; HANDLING THIN OR FILAMENTARY MATERIAL
    • B65BMACHINES, APPARATUS OR DEVICES FOR, OR METHODS OF, PACKAGING ARTICLES OR MATERIALS; UNPACKING
    • B65B2220/00Specific aspects of the packaging operation
    • B65B2220/16Packaging contents into primary and secondary packaging

Landscapes

  • Engineering & Computer Science (AREA)
  • Mechanical Engineering (AREA)
  • Chemical & Material Sciences (AREA)
  • Dispersion Chemistry (AREA)
  • Container, Conveyance, Adherence, Positioning, Of Wafer (AREA)

Abstract

一种应用于晶圆盒自动封装设备中的封口模组,包括抽气机构、能够驱动所述抽气机构滑行的驱动装置以及与所述抽气机构配合的封口装置。所述抽气机构设有用以抽气的吸嘴,所述封口装置包括用以限位的压条以及用以封口的封刀。本发明实现了包装袋的自动化封口、解放了人力、提高了生产效率。

Description

应用于晶圆盒自动封装设备中的封口模组
技术领域
本发明涉及自动化领域,尤其是一种应用于晶圆盒自动封装设备中的封口模组。
背景技术
前开式出货盒/全透明晶圆盒,可保护、运送、并储存晶圆,防止晶圆碰撞、摩擦,在运输传载及储存时提供安全防护,气密度佳,能预防微粒物质的产生。晶圆盒的具体结构一般包括收纳晶圆且尺寸较大的主体部以及凸露连接于主体部上方且尺寸较小的头部。晶圆在不同制造工厂间转移时,需要装入晶圆盒内并将晶圆盒用铝箔袋进行封装,以保证运输过程中的洁净度和湿度要求;同时还需要在晶圆盒上张贴标签进行标识,并需要将干燥剂、湿度卡等物料固定于晶圆盒上,保证晶圆存储、运输环境要求。目前主要是通过人工方式来完成上述操作,但是人工操作效率低,并且容易发生误贴漏贴、误放漏放等问题。其中,晶圆盒入袋后包装袋如何封口至关重要。
因此,有必要提供一种新的应用于晶圆盒自动封装设备中的封口模组以解决上述问题。
发明内容
本发明的目的在于提供一种应用于晶圆盒自动封装设备中的封口模组,其具有晶圆盒入袋后自动化封口、解放人力、提高生产效率等优点。
为实现上述目的,本发明采用如下技术方案:一种应用于晶圆盒自动封装设备中的封口模组,包括抽气机构、能够驱动所述抽气机构滑行的驱动装置以及与所述抽气机构配合的封口装置,所述抽气机构设有用以抽气的吸嘴,所述封口装置包括用以限位的压条以及用以封口的封刀。
作为本发明进一步改进的技术方案,还设有第二框架,所述驱动装置包括固定于所述第二框架上的移动框架导轨副以及移动框架丝杠副,所述移动框架导轨副以及移动框架丝杠副能够带动所述抽气机构滑动。
作为本发明进一步改进的技术方案,还包括第二移动框架,所述抽气机构固定于所述第二移动框架上,所述移动框架导轨副以及移动框架丝杠副能够带动所述第二移动框架滑动。
作为本发明进一步改进的技术方案,还包括压条驱动单元,所述压条为一对,且一对所述压条能够在所述压条驱动单元的驱动下彼此相向移动和反向移动。
作为本发明进一步改进的技术方案,还包括压条导轨副,所述压条滑动连接于压条导轨副上。
作为本发明进一步改进的技术方案,还包括封刀驱动单元,所述封刀为一对,且一对所述封刀能够在所述封刀驱动单元的驱动下彼此相向移动和反向移动。
作为本发明进一步改进的技术方案,还包括封刀导轨副,所述封刀滑动连接于封刀导轨副上。
作为本发明进一步改进的技术方案,还包括抽气机构导轨副,所述抽气机构滑动连接于所述抽气机构导轨副上。
作为本发明进一步改进的技术方案,还包括封边撸平机构,所述封边撸平机构位于包装平台上,所述封边撸平机构能够被驱动而将封边上折。
相较于现有技术,本发明应用于晶圆盒自动封装设备中的封口模组,通过吸嘴、封刀以及压条三者的相互配合,所述吸嘴伸入装了盒的包装袋内,所述压条压住吸嘴和包装袋的靠近开口处使得吸嘴能够将包装袋内的空气抽走,所述封刀在吸嘴退出包装袋后将开口密封,从而实现了包装袋的自动化封口、解放了人力、提高了生产效率。
附图说明
图1为本发明应用在晶圆盒自动封装设备上的俯视图。
图2为图1中进料平台的立体组合图。
图3为图2的部分放大图。
图4为图1中包装袋储放盒的立体组合图。
图5为图1中取袋装置的立体组合图。
图6为取袋装置的侧视图。
图7为图1中包装平台的立体组合图。
图8为晶圆盒放置于包装平台上的俯视图。
图9为图1中入袋模组的立体组合图。
图10为入袋模组的侧视图。
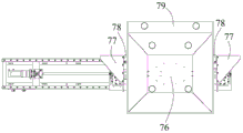
图11为图1中封口模组的立体组合图。
图12为封口模组的剖视图。
图13为图1中整形旋转平台的立体组合图。
图14为晶圆盒放置于整形旋转平台上的侧视图。
图15为图1中放胶带卷机构组装在整形模组上的立体组合图。
图16为图1中出料平台的立体组合图。
图17为出料平台的俯视图。
图18为第一搬运装置和第二搬运装置共用一套支撑框架和支撑导轨的示意图。
图19为第一搬运装置的部分立体组合图。
图20为第二搬运装置的部分立体组合图。
图21为第三搬运装置的立体组合图。
图22为第四搬运装置的立体组合图。
具体实施方式
请参考图1至图22,一种晶圆盒自动封装设备100,包括整机机架(未图示)以及安装于整机机架上的进料平台2、第一搬运装置3、包装袋储放盒4、入袋模组5、取袋装置6、包装平台7、封口模组8、第三搬运装置9、整形旋转平台10、整形模组11、标签打印机12、标签卷筒13、撕标签模组14、贴标机器人15、放胶带卷机构16、第二搬运装置17、出料平台18。
请具体参考图2,所述进料平台2在晶圆盒200放置至准确位置后定位住晶圆盒200。所述进料平台2的结构是:包括底板21、轨道22、第一直线模组23、第一放置平台24、位置检测传感器25、产品信息识别传感器26以及限位机构27。所述底板21固定连接于整机机架上,所述轨道22和第一直线模组23固定于底板21上,所述第一放置平台24滑动连接支撑在轨道22和第一直线模组23上,所述位置检测传感器25、产品信息识别传感器26和限位机构27设置在第一放置平台24上。所述第一直线模组23与第一放置平台24连接从而驱动第一放置平台24运动,所述轨道22在相对于第一直线模组23的另一侧给与第一放置平台24以支撑导向作用。所述晶圆盒200的底部设有一个凹槽,所述限位机构27伸入晶圆盒200底部的凹槽后再旋转,用于将晶圆盒200定位在第一放置平台24上。本实施方式中,所述位置检测传感器25为三个、环设于限位机构27的周围且与电控中心电连接,用于检测晶圆盒200是否放置于正确的位置;所述产品信息识别传感器26为一个,设置于限位机构27的一侧且与电控中心电连接,用于检测晶圆盒200是否需要充氮气。
请具体参考图18至20,所述第一搬运装置3(具体实施方式中为机械手)的底端设有第一夹爪机构31,所述第二搬运装置17(具体实施方式中为机械手)的底端设有第一托底机构171。第一夹爪机构31抓住晶圆盒200的头部,用于抓取晶圆盒200,即,所述第一搬运装置3是以抓住晶圆盒200头部的方式从进料平台2上将晶圆盒200搬运到入袋模组5上。第一托底机构171为左右对向设置的两个,即,所述第二搬运装置17是以托住晶圆盒200主体部的方式(类似我们用两只手抱一个盒子的样子)将晶圆盒200从封口模组8或整形旋转平台10搬运到出料平台18。
在本发明的实施方式一中,如图18,所述第一搬运装置3和第二搬运装置17共用一套支撑框架201和支撑导轨202;在本发明未图示的实施方式二中,所述第一搬运装置3和第二搬运装置17也可以有各自独立的支撑框架201和支撑导轨202。请具体参考图4至图8,所述取袋装置6将包装袋储放盒4上的包装袋抓取至包装平台7上,所述包装平台7和所述取袋装置6一起将包装袋的上下两层拉开形成一个开口。
所述取袋装置6包括第一抓取装置64(具体实施方式中为与真空系统相连的吸盘),所述包装平台7包括第二抓取装置79(具体实施方式中亦为与真空系统相连的吸盘),所述第一抓取装置64吸住包装袋的上层且所述第二抓取装置79吸住包装袋的下层而将包装袋上下两层拉开形成一个开口。
所述取袋装置6包括横向单元61,所述横向单元61包括第一驱动件611(具体实施方式中为电机)、第一皮带轮副612、第一皮带613、第一皮带夹板614、第一导轨副615、第一滑块616以及第一移动框架617。所述第一移动框架617通过第一皮带夹板614连接于第一皮带轮副612之间的第一皮带613上,所述第一驱动件611驱动第一皮带轮副612从而第一皮带613带动第一移动框架617做第一方向(具体实施方式中,所述第一方向是图6中的横向方向)上的移动。因为第一导轨副615是固定不动的,所述第一驱动件611通过第一皮带轮副612和第一皮带613驱动第一移动框架617在第一方向上运动,第一驱动件611提供的是第一方向驱动力,因此,所述第一移动框架617能够在第一方向上移动,在不同于第一方向的其他方向上却是不动的。所述第一皮带夹板614与在第一导轨副615上限位滑动的第一滑块616固定连接。即,所述第一导轨副615和第一滑块616之间的配合对第一移动框架617的第一方向运动起到限位作用。
所述取袋装置6包括竖向单元62,所述竖向单元62包括第二驱动件621(具体实施方式中为气缸)、第二皮带轮副(未标号)、第二皮带(未标号)、第二皮带夹板(未标号)、第二导轨副625、第二滑块626以及升降机构627。所述第二滑块626连接于第一移动框架617上,所述第二导轨副625与升降机构627连接,所述第二滑块626在所述第二导轨副625上限位滑动。所述升降机构627通过第二皮带夹板连接于第二皮带轮副之间的第二皮带上,所述第二驱动件621驱动第二皮带轮副从而第二皮带带动升降机构627在与第一方向不同的第二方向(具体实施方式中,所述第二方向是图6中的竖向方向)上移动。所述第一驱动件611驱动第一移动框架617在第一方向上移动,所述升降机构627位于第一移动框架617上从而能够随第一移动框架617一起在第一方向上移动;所述第二驱动件621驱动升降机构627相对于第一移动框架617在第二方向上移动,所述第一抓取装置64固定于升降机构627上。即,所述取袋装置6上的第一抓取装置64既能在第一方向上移动又能在第二方向上移动。因为第二滑块626是固定连接在第一移动框架617上的,所以,第二滑块626随着第一移动框架617在第一方向上可以移动但是在第二方向上是不动的;所述第二驱动件621驱动升降机构627在第二方向上运动,也会带动第二导轨副625相对于第二滑块626也就是相对于第一移动框架617在第二方向上运动。所述第二驱动件621提供的是第二方向驱动力,第二导轨副625和第二滑块626之间的配合对升降机构627的第二方向运动起到限位作用。
请具体参考图7和图8,所述包装平台7包括第三驱动件71(具体实施方式中为电机)、移动底板72、包装导轨副74、包装丝杠副75、支撑平台76、夹板机构77和封边撸平机构78。所述第三驱动件71驱动移动底板72在第一方向上移动,所述第二抓取装置79固定在移动底板72上,所述第一移动框架617能够移动位于移动底板72的上方。所述第一移动框架617能够在第一方向上水平移动,一方面是移动到包装袋储存盒的位置而抓取晶圆盒200,另一方面就是移动到移动底板72的上方,从而使得第一抓取装置64和第二抓取装置79位于正对向的位置上,即,保证了第一抓取装置64吸住包装袋上层的同时所述第二抓取装置79能够吸住包装袋的下层。所述移动底板72与包装导轨副74之间滑动配合,所述第三驱动件71通过包装丝杠副75与移动底板72相连。所述支撑平台76和夹板机构77固定在移动底板72上。所述夹板机构77位于支撑平台76的两侧且能够彼此靠近而将入了袋的晶圆盒200夹住并保持在支撑平台76的位置。所述支撑平台76位于移动底板72上,能够随着移动底板72移动至封口模组8对装了盒的包装袋进行封口。所述封边撸平机构78固定在移动底板72上,所述封边撸平机构78能够向上运动,它的作用是在热封完成后推动包装袋的封边相对于晶圆盒200向上走,从而封边的部分能够90度弯折而贴合于晶圆盒200的一侧,而不会直直地向前伸而占据晶圆盒200第一方向上的宽度,如此也便于后续第三搬运装置9搬运入了袋的晶圆盒200。
具体的撕开过程是,所述第一抓取装置64面朝下吸住包装袋的上层,所述第二抓取装置79面朝上吸住包装袋的下层后,所述第二抓取装置79不动且第一抓取装置64向上运动,即,取袋装置6协同包装平台7一起将包装袋上下两层拉开形成一个开口。但是,仅仅靠吸力将包装袋吸附住明显不够,因为晶圆盒200进入时极易对包装袋开口处的边缘部分造成刮蹭而使得包装袋的上层脱离所述第一抓取装置64和/或包装袋的下层脱离所述第二抓取装置79。故,需要借助入袋模组5上的零部件将包装袋的上层向上定位在第一抓取装置64且将包装袋的下层向下定位在第二抓取装置79上,以避免刮擦。
请参考图9和图10,所述入袋模组5包括第一框架51、支撑机构52以及撑袋机构53。所述撑袋机构53包括撑袋框架531、前进后退气缸532、上下打开气缸533以及撑袋压板534。所述第一框架51固定在整机机架上,所述撑袋框架531固定在第一框架51上,所述前进后退气缸532、上下打开气缸533以及撑袋压板534固定在撑袋框架531上。所述撑袋压板534包括上压板5341和位于上压板5341下方的下压板5342,所述前进后退气缸532在第三方向(具体实施方式中,所述第三方向是图10中所示的横向方向)上驱动上压板5341和下压板5342做同向运动,即,所述前进后退气缸532先同向驱动上压板5341和下压板5342使得上压板5341和下压板5342伸入到第一抓取装置64和第二抓取装置79撕开的所述开口内;接着,所述上下打开气缸533在与第三方向相垂直的第二方向上驱动上压板5341和下压板5342做背离运动,即,所述上压板5341和下压板5342伸入开口后,所述上压板5341将包装袋的上层向上定位在第一抓取装置64上且所述下压板5342将包装袋的下层向下定位在第二抓取装置79上。
所述入袋模组5还包括纵向移动导轨副541、第一驱动机构542(具体实施方式中为电机)、第三皮带轮副543以及第一丝杠副544。所述支撑机构52滑动连接在纵向移动导轨副541上且与第一丝杠副544的螺母相连,所述第一驱动机构542通过第三皮带轮副543驱动第一丝杠副544进而驱动支撑机构52沿着纵向移动导轨副541在第三方向上朝着撑袋机构53运动从而能够把晶圆盒200送入到包装袋内。
本发明的优选实施方式中,在晶圆盒200送入包装袋前先对晶圆盒200贴标签,故,本发明的入袋模组5还包括贴标辅助机构55。所述贴标辅助机构55包括输送电机551、输送电机551驱动的两条并行排列的输送线552和四个夹持机构553。即,所述输送线552在第三方向上延伸且输送晶圆盒200。所述夹持机构553两两一组地分布于输送线552延伸方向的两外侧,包括前端的第一组夹持机构5531和后端的第二组夹持机构5532。第一组夹持机构5531先夹住晶圆盒200,给晶圆盒200的前面贴标签,然后,输送线552输送晶圆盒200至第二组夹持机构5532的位置,第二组夹持机构5532再夹住晶圆盒200,给晶圆盒200的后面贴标签。贴完标签后,晶圆盒200被输送到靠近撑袋机构53的输送线552的末端。本发明还设有阻挡气缸57及阻挡气缸57驱动的第一挡板58,所述第一挡板58在第二方向上向上伸出至抵挡住该输送线552的末端,为了防止输送线552传送过来的晶圆盒200掉落。
本发明的优选实施方式中,支撑机构52的初始位置位于输送线552末端的下方。本发明的入袋模组5还包括上下移动导轨副561、上下移动板562、顶升板563和第二驱动机构564(具体实施方式中为气缸)。所述纵向移动导轨副541和第一丝杠副544固定在顶升板563上,顶升板563的中间与第二驱动机构564相连,顶升板563两端固定在上下移动板562上,上下移动板562滑动连接在上下移动导轨副561上。从而,当晶圆盒200贴完标签到达输送线552的末端位置时,第二驱动机构564能够在第二方向上驱动顶升板563进而向上顶起支撑机构52,从而支撑机构52具有高出于输送线552上方的顶起位置,支撑机构52在所述顶起位置被第一驱动机构542驱动而将晶圆盒200送入包装袋内。由于夹板机构77在支撑平台76的位置将入了袋的晶圆盒200夹住,这时,驱动支撑机构52的力撤回从而支撑机构52退出包装袋,然后,所述支撑平台76随着移动底板72将入了袋的晶圆盒200运走至封口模组8进行下一步的抽气热封操作。
请具体参考图11和图12,所述封口模组8的结构是:包括第二框架81、第二移动框架82、移动框架导轨副821、移动框架丝杠副822、抽气机构83、抽气机构导轨副831、抽气机构丝杠副832、一对封刀84、一组封刀驱动单元85、一对压条86、一组压条驱动单元87、封刀导轨副88以及压条导轨副89。所述第二框架81固定在整机机架上,所述移动框架导轨副821固定在第二框架81上,所述第二移动框架82滑动连接在移动框架导轨副821上并与移动框架丝杠副822相连从而第二移动框架82能够在第三方向移动。移动框架导轨副821与移动框架丝杠副822共同组成抽气机构83的驱动装置。所述抽气机构导轨副831固定在第二移动框架82上,所述抽气机构83滑动连接在抽气机构导轨副831上固定并与抽气机构丝杠副832相连从而抽气机构83亦能够在第三方向移动。所述压条86用以限位,所述封刀84用以封口,压条86和封刀84共同组成封口装置。所述压条86包括在第二方向上对向设置的上压条861和下压条862,所述上压条861和下压条862通过压条导轨副89与第二移动框架82相连。具体实施方式中,先是所述上压条861和下压条862在压条驱动单元87的驱动下彼此靠近,用于压住包装袋的上、下层以及伸入到包装袋上、下层之间的抽气机构83前端的吸嘴830,抽气机构83对包装袋进行抽真空。抽完包装袋内的空气后,抽气机构83反向运动,吸嘴830退出包装袋,压条86继续保持压住包装袋的上、下层,然后由封刀84进行热封。所述封刀84包括在第二方向上对向设置的上封刀841和下封刀842,上封刀841和下封刀842通过封刀导轨副88与第二移动框架82相连,所述上封刀841和下封刀842在封刀驱动单元85的驱动下能够彼此靠近,用于热封。热封完成后,压条86和封刀84反向撤回。
本发明采用的优选实施方式中,装了盒且热封后的包装袋由第三搬运装置9搬运至整形旋转平台10处进行整形后再由第二搬运装置17搬运到出料平台18,在其他实施方式中,装了盒且热封后的包装袋也可以不整形而直接由第二搬运装置17搬运至出料平台18出料。
请具体参考图21,所述第三搬运装置9(具体实施方式中为机械手)的底端设有第二托底机构91。从而,所述第三搬运装置9和第二搬运装置17一样,是以托住晶圆盒200主体部的方式从封口模组8搬运到整形旋转平台10的。
请参考图13至图15,所述整形旋转平台10和所述整形模组11、放胶带卷机构16一起配合实现对装了盒的包装袋缠胶带的进一步整形动作。
请具体参考图13和图14,所述整形旋转平台10的结构是:包括底座101、第一旋转机构102、旋转台103以及夹紧机构104。所述底座101固定在整机机架上,所述第一旋转机构102固定在底座101上,所述旋转台103固定在第一旋转机构102上,所述夹紧机构104固定在旋转台103上。优选实施方式中,夹紧机构104包括从左、右、前、后四个方位对装了盒的包装袋200进行夹紧定位的至少四个,具体实施方式中为六个。藉由第一旋转机构102的旋转作用和夹紧机构104的夹紧作用,装了盒的包装袋得以固定在旋转台103随着旋转台103一起旋转,旋转的作用是为了胶带能够缠绕在装了盒的包装袋上。请具体参考图15,所述整形模组11的结构是:包括第二丝杠副111、连接于第二丝杠副111上的第二直线模组112以及连接于第二直线模组112上的滑块副113。所述放胶带卷机构16设置于滑块副113的上方。所述第二丝杠副111、第二直线模组112、滑块副113分别由三个电机驱动实现三轴(X轴、Y轴、Z轴)定位移动放胶带卷机构16从而放胶带卷机构16能够在三维空间内移动到整形旋转平台10处,放胶带卷机构16上的胶带贴在装了盒的包装袋上以后,整形旋转平台10旋转从而开始对装了盒的包装袋缠绕胶带。
优选实施方式中,请参考图1、图9和图10,本发明具有两次贴标签的动作。具体是:所述标签打印机12将产品的信息标签(晶圆盒200内的产品不同,信息标签上的内容就不同)打印出来,可以称为是信息标签出料装置;所述标签卷筒13和撕标签模组14是配合使用的,所述标签卷筒13上卷绕的警示标签(警示标签都是相同的)由撕标签模组14撕下来,标签卷筒13和撕标签模组14的组合可以称为是警示标签出料装置。所述撕标签模组14的结构是现有技术,因此,本发明不再赘述。所述贴标机器人15将标签出料装置处的信息标签和/或警示标签分别取走并移位至入袋模组5处对晶圆盒200贴标签;在晶圆盒200入袋、热封、整形后,所述贴标机器人15还将标签出料装置处的信息标签和/或警示标签分别取走并移位至整形旋转平台10处在装了盒且缠胶带后的包装袋上贴标签。当然了,在可选的其他实施方式中,也可以只有一次的贴标签过程,即,所述贴标机器人15自标签出料装置处取了标签后,只对入袋前的晶圆盒200贴至少一种标签或者只对入袋后的晶圆盒200贴至少一种标签。
请具体参考图16和图17,所述出料平台18的结构是:包括货叉181、第二伺服电机182、第二挡板183、第二放置平台184以及检测光电模块185。所述货叉181固定在整机机架上,第二伺服电机182与货叉181相连而驱动货叉181移动。所述第二放置平台184滑动定位在货叉181上,检测光电模块185及第二挡板183固定在第二放置平台184上,分别用于检测和固定装了盒的包装袋。在本实施方式中,所述货叉181包括前段货叉1811、中段货叉1812和后段货叉1813共三段,所述前段货叉1811能够向内收缩至中段货叉1812且中段货叉1812能够进一步向内收缩至后段货叉1813;当然,在其他可替代的实施方式中,所述货叉181包括前段货叉1811和后段货叉1813共两段,所述前段货叉1811能够向内收缩至后段货叉1813。即,货叉181是可收缩式的。请参考图1,所述进料平台2和出料平台18在晶圆盒自动封装设备100中为左右毗邻的并排设置,当晶圆盒自动封装设备100的内部发生故障时,维修人员先是弯腰爬过进料平台2的下方而到达出料平台18的货叉181下,此时,将货叉181置于收缩状态。在货叉181的收缩状态下,能够提供给维修人员一个容身的空间,方便对设备内部进行维修。
优选实施方式中,请参考图1和图22,本发明晶圆盒自动封装设备100还包括第四搬运装置19(具体实施方式中为机械手)和充气平台20,即,本发明在将进料平台2上的晶圆盒200抓取至入袋模组5之前,根据进料平台2上产品信息识别传感器26读取晶圆盒200内的晶圆信息,决定是否抓取晶圆盒200到充气平台20上去充氮气,并将充完氮气的晶圆盒200从充气平台20上抓回到进料平台2上。所述充气平台20是氮气充气口,第四搬运装置19抓取晶圆盒200到充气平台20上去充氮气,是为了给高端设备上用的晶圆产品镀一层保护膜,此步骤是非必须的;低端产品用晶圆,可以不用充氮气。所述充气平台20的结构是现有技术,因此,本发明不再赘述。
所述第四搬运装置19的下端设有第二夹爪机构191。即,所述第四搬运装置19和第一搬运装置3一样,是以抓住晶圆盒200头部的方式将晶圆盒200从进料平台2搬运到充气平台20的。所述第四搬运装置9的作用也是搬运。
请参考图18、图19和图22,所述第一搬运装置3和第四搬运装置19的具体结构不同但是工作原理基本相同:即,第一夹爪机构31和第二夹爪机构191均能够既在第一方向上移动又在第二方向上移动,从而第一夹爪机构31和第二夹爪机构191能够移动到晶圆盒200所在的位置而与晶圆盒200头部侧方的V形凹口嵌合。
请参考图18、图20和图21,所述第二搬运装置17和第三搬运装置9的具体结构不同但是工作原理基本相同:即,第一托底机构171和第二托底机构91均能够既在第一方向上移动又在第二方向上移动,从而第一托底机构171和第二托底机构91能够向外张开给晶圆盒200头部以下的主体部让位且移动到晶圆盒200的主体部下方后向内复位从而托住晶圆盒200。
关于所述第一搬运装置3的第一夹爪机构31、第二搬运装置17的第一托底机构171、第三搬运装置9的第二托底机构91和第四搬运装置19的第二夹爪机构191究竟是怎样在第一方向上移动和在竖向上移动的,虽然具体结构会有所差别,但本质上都是在第一方向上和竖向上分别提供了驱动力的同时,还在第一方向上和竖向上分别提供了导轨,故,关于驱动和导向的部分,是本领域技术人员的习知技术,本发明不再赘述。
惟,所述第一夹爪机构31能够转动,是因为第一搬运装置3具有第二旋转机构32,所述第一夹爪机构31连接于第二旋转机构32的下方,第二旋转机构32旋转带动第一夹爪机构31转动,从而第一夹爪机构31能够将晶圆盒200旋转,以决定晶圆盒200进入包装袋时,哪一个面在前;所述第四搬运装置19不具有第一搬运装置3所述的旋转机构,因为第四搬运装置19是以晶圆面在前的特定方式将晶圆盒200搬运到充气平台20上的,所以第二夹爪机构191不需要旋转。
另,所述第一托底机构171先向外张开后又向内缩回,是由一个驱动机构控制的,驱动机构提供驱动力,第一托底机构171向外张开,驱动力撤回,第一托底机构171向内缩回;第二托底机构91的张开和缩回,同理。
可选的,所述第二搬运装置17还包括与第一托底机构171相正交的前后方向上设置的一对第一保持机构173,所述第一托底机构171从左右两侧托住晶圆盒200的同时,所述第一保持机构173在前后两侧夹持晶圆盒200的两个相对面;同理,所述第三搬运装置9还包括与第二托底机构91相正交的前后方向上设置的一对第二保持机构92,所述第二托底机构91从左右两侧托住晶圆盒200的同时,所述第二保持机构92在前后两侧夹持晶圆盒200的两个相对面。
特别的,所述第三搬运装置9与第二搬运装置17的区别在于:所述第三搬运装置9还包括一对夹持板机构93,所述夹持板机构93的作用是在封边撸平机构78将热封后的包装袋封边上折后夹持定位住所述封边。所述第二搬运装置17是在缠胶带整形后才进行搬运的,封边已被胶带缠绕固定好,因此无需设置如上所述的夹持板机构。
本发明晶圆盒自动封装设备100还具有与进料平台2、第一搬运装置3、包装袋储放盒4、入袋模组5、取袋装置6、包装平台7、封口模组8、第三搬运装置9、整形旋转平台10、整形模组11、标签打印机12、标签卷筒13、撕标签模组14、贴标机器人15、胶带卷机构16、第二搬运装置17、出料平台18甚至第四搬运装置19均电连接的电控中心,通过电控中心控制实现本发明的全自动化操作。
本发明晶圆盒自动封装设备100的工作原理是:首先,将晶圆盒200放到进料平台2上,进料平台2确认晶圆盒200放置位置准确后锁住晶圆盒200,再读取晶圆盒200的产品信息;第四搬运装置19根据进料平台2上读取的晶圆盒200内的产品信息,决定是否抓取晶圆盒200到充气平台20上去充氮气,并将充完氮气的晶圆盒200从充气平台20上抓回到进料平台2上;所述取袋装置6将包装袋抓取至包装平台7上,所述取袋装置6协同包装平台7一起将包装袋的上下两层拉开形成一个开口;所述第一搬运装置3将进料平台2上的晶圆盒200搬运到入袋模组5上,先将晶圆盒200送至入袋模组5的贴标工位,由贴标机器人15对晶圆盒200进行包括贴信息标签和/或警示标签的第一次贴标签动作,然后再将贴标后的晶圆盒200自所述开口送入到包装袋内;装袋后的晶圆盒200被送至所述封口模组8,封口模组8将装盒后包装袋内的空气抽走并将开口热封形成密封边;第三搬运装置9将装盒且热封后的包装袋搬运至整形旋转平台10处进行整形缠胶带;贴标机器人15在整形旋转平台10处对缠胶带后的包装袋进行包括贴信息标签和/或警示标签的第二次贴标签动作;第二搬运装置17将第二次贴标后的包装袋搬运到出料平台18送至机台外。
本发明晶圆盒自动封装设备100通过取袋装置6、包装平台7将包装袋上下两层拉开形成并完全撑开包装袋的口子,入袋模组5将晶圆盒200送入到包装袋内,封口模组8对装了盒的包装袋进行自动抽气和自动热封,电控中心控制所述元件的运行,实现了自动化入袋。本发明还通过进料平台2和出料平台18实现自动上下料以及通过若干个搬运装置3、17、19、9实现晶圆盒200在各个模组之间的搬运,实现了整个包装过程的全部自动化,解放了人力,提高了晶圆盒200打包的标准化水平,同时满足了智能制造、无人制造的工业4.0要求。同时,在本发明的优选实施方式中,通过第四搬运装置19抓取晶圆盒200到充气平台20上去充氮气,达到控制湿度的目的;封口模组8将装盒后包装袋内的空气抽走并将开口热封后,进一步进行整形缠胶带的动作,从而隔绝空气、阻止水、氧等,达成密封边无污染的效果;本发明还通过贴标机器人15对入袋前/或入袋后的晶圆盒200贴信息标签和/或警示标签,达成信息化处理的功能。
以上实施例仅用于说明本发明而并非限制本发明所描述的技术方案,对本说明书的理解应该以所属技术领域的技术人员为基础,例如对“前”、“后”、“左”、“右”、“上”、“下”等方向性的描述,尽管本说明书参照上述的实施例对本发明已进行了详细的说明,但是,本领域的普通技术人员应当理解,所属技术领域的技术人员仍然可以对本发明进行修改或者等同替换,而一切不脱离本发明的精神和范围的技术方案及其改进,均应涵盖在本发明的权利要求范围内。

Claims (9)

1.一种应用于晶圆盒自动封装设备(100)中的封口模组(8),其特征在于:包括抽气机构(83)、能够驱动所述抽气机构(83)滑行的驱动装置以及与所述抽气机构(83)配合的封口装置,所述抽气机构(83)设有用以抽气的吸嘴(830),所述封口装置包括用以限位的压条(861、862)以及用以封口的封刀(841、842)。
2.根据权利要求1所述的应用于晶圆盒自动封装设备(100)中的封口模组(8),其特征在于:还设有第二框架(81),所述驱动装置包括固定于所述第二框架(81)上的移动框架导轨副(821)以及移动框架丝杠副(822),所述移动框架导轨副(821)以及移动框架丝杠副(822)能够带动所述抽气机构(83)滑动。
3.根据权利要求2所述的应用于晶圆盒自动封装设备(100)中的封口模组(8),其特征在于:还包括第二移动框架(82),所述抽气机构(83)固定于所述第二移动框架(82)上,所述移动框架导轨副(821)以及移动框架丝杠副(822)能够带动所述第二移动框架(82)滑动。
4.根据权利要求1所述的应用于晶圆盒自动封装设备(100)中的封口模组(8),其特征在于:还包括压条驱动单元(87),所述压条(861、862)为一对,且一对所述压条(861、862)能够在所述压条驱动单元(87)的驱动下彼此相向移动和反向移动。
5.根据权利要求4所述的应用于晶圆盒自动封装设备(100)中的封口模组(8),其特征在于:还包括压条导轨副(89),所述压条(861、862)滑动连接于压条导轨副(89)上。
6.根据权利要求1所述的应用于晶圆盒自动封装设备(100)中的封口模组(8),其特征在于:还包括封刀驱动单元(85),所述封刀(841、842)为一对,且一对所述封刀(841、842)能够在所述封刀驱动单元(85)的驱动下彼此相向移动和反向移动。
7.根据权利要求6所述的应用于晶圆盒自动封装设备(100)中的封口模组(8),其特征在于:还包括封刀导轨副(88),所述封刀(841、842)滑动连接于封刀导轨副(88)上。
8.根据权利要求1所述的应用于晶圆盒自动封装设备(100)中的封口模组(8),其特征在于:还包括抽气机构导轨副(831),所述抽气机构(83)滑动连接于所述抽气机构导轨副(831)上。
9.根据权利要求1所述的应用于晶圆盒自动封装设备(100)中的封口模组(8),其特征在于:还包括封边撸平机构(78),所述封边撸平机构(78)位于包装平台(7)上,所述封边撸平机构(78)能够被驱动而将封边上折。
CN202010595070.1A 2020-06-24 2020-06-24 应用于晶圆盒自动封装设备中的封口模组 Pending CN111619900A (zh)

Priority Applications (1)

Application Number Priority Date Filing Date Title
CN202010595070.1A CN111619900A (zh) 2020-06-24 2020-06-24 应用于晶圆盒自动封装设备中的封口模组

Applications Claiming Priority (1)

Application Number Priority Date Filing Date Title
CN202010595070.1A CN111619900A (zh) 2020-06-24 2020-06-24 应用于晶圆盒自动封装设备中的封口模组

Publications (1)

Publication Number Publication Date
CN111619900A true CN111619900A (zh) 2020-09-04

Family

ID=72256598

Family Applications (1)

Application Number Title Priority Date Filing Date
CN202010595070.1A Pending CN111619900A (zh) 2020-06-24 2020-06-24 应用于晶圆盒自动封装设备中的封口模组

Country Status (1)

Country Link
CN (1) CN111619900A (zh)

Cited By (7)

* Cited by examiner, † Cited by third party
Publication number Priority date Publication date Assignee Title
CN112429295A (zh) * 2020-12-10 2021-03-02 无锡迪渊特科技有限公司 一种fosb流水线的自动胶带包装方法
CN112455780A (zh) * 2020-12-10 2021-03-09 无锡迪渊特科技有限公司 充氮二层包装的fosb全自动包装方法
CN112455783A (zh) * 2020-12-10 2021-03-09 无锡迪渊特科技有限公司 晶圆运输盒全自动充氮包装方法
CN112455781A (zh) * 2020-12-10 2021-03-09 无锡迪渊特科技有限公司 晶圆运输盒的节拍式包装方法
CN112455782A (zh) * 2020-12-10 2021-03-09 无锡迪渊特科技有限公司 Fosb的节拍式全自动充氮包装方法
CN112498805A (zh) * 2020-12-10 2021-03-16 无锡迪渊特科技有限公司 节拍式fosb全自动包装方法
CN114379830A (zh) * 2022-03-23 2022-04-22 南京伟测半导体科技有限公司 一种晶舟盒内晶圆位置检测装置

Citations (9)

* Cited by examiner, † Cited by third party
Publication number Priority date Publication date Assignee Title
GB903278A (en) * 1959-06-02 1962-08-15 Habra Werk Ott Kg Improvements in or relating to block bottom bags
CN201369344Y (zh) * 2009-02-27 2009-12-23 深圳市中天平步科技有限公司 一种软包装锂电芯的折边结构
CN102931368A (zh) * 2012-10-23 2013-02-13 东莞新能源科技有限公司 一种软包装锂离子电芯加宽结构及其制作方法
CN202758935U (zh) * 2012-07-24 2013-02-27 东莞新能源科技有限公司 一种锂离子电池封装结构
CN205004361U (zh) * 2015-09-16 2016-01-27 深圳市言九电子科技有限公司 一种软包装锂离子电池的折边装置
CN107310801A (zh) * 2017-07-27 2017-11-03 广东溢达纺织有限公司 包装封口装置
CN207267565U (zh) * 2017-07-31 2018-04-24 大族激光科技产业集团股份有限公司 一种铝箔袋封装设备
CN208134771U (zh) * 2017-11-30 2018-11-23 上海紫江彩印包装有限公司 一种热封刀具以及热封装置
CN212530322U (zh) * 2020-06-24 2021-02-12 江苏微导纳米科技股份有限公司 应用于晶圆盒自动封装设备中的封口模组

Patent Citations (9)

* Cited by examiner, † Cited by third party
Publication number Priority date Publication date Assignee Title
GB903278A (en) * 1959-06-02 1962-08-15 Habra Werk Ott Kg Improvements in or relating to block bottom bags
CN201369344Y (zh) * 2009-02-27 2009-12-23 深圳市中天平步科技有限公司 一种软包装锂电芯的折边结构
CN202758935U (zh) * 2012-07-24 2013-02-27 东莞新能源科技有限公司 一种锂离子电池封装结构
CN102931368A (zh) * 2012-10-23 2013-02-13 东莞新能源科技有限公司 一种软包装锂离子电芯加宽结构及其制作方法
CN205004361U (zh) * 2015-09-16 2016-01-27 深圳市言九电子科技有限公司 一种软包装锂离子电池的折边装置
CN107310801A (zh) * 2017-07-27 2017-11-03 广东溢达纺织有限公司 包装封口装置
CN207267565U (zh) * 2017-07-31 2018-04-24 大族激光科技产业集团股份有限公司 一种铝箔袋封装设备
CN208134771U (zh) * 2017-11-30 2018-11-23 上海紫江彩印包装有限公司 一种热封刀具以及热封装置
CN212530322U (zh) * 2020-06-24 2021-02-12 江苏微导纳米科技股份有限公司 应用于晶圆盒自动封装设备中的封口模组

Cited By (8)

* Cited by examiner, † Cited by third party
Publication number Priority date Publication date Assignee Title
CN112429295A (zh) * 2020-12-10 2021-03-02 无锡迪渊特科技有限公司 一种fosb流水线的自动胶带包装方法
CN112455780A (zh) * 2020-12-10 2021-03-09 无锡迪渊特科技有限公司 充氮二层包装的fosb全自动包装方法
CN112455783A (zh) * 2020-12-10 2021-03-09 无锡迪渊特科技有限公司 晶圆运输盒全自动充氮包装方法
CN112455781A (zh) * 2020-12-10 2021-03-09 无锡迪渊特科技有限公司 晶圆运输盒的节拍式包装方法
CN112455782A (zh) * 2020-12-10 2021-03-09 无锡迪渊特科技有限公司 Fosb的节拍式全自动充氮包装方法
CN112498805A (zh) * 2020-12-10 2021-03-16 无锡迪渊特科技有限公司 节拍式fosb全自动包装方法
CN114379830A (zh) * 2022-03-23 2022-04-22 南京伟测半导体科技有限公司 一种晶舟盒内晶圆位置检测装置
CN114379830B (zh) * 2022-03-23 2022-06-10 南京伟测半导体科技有限公司 一种晶舟盒内晶圆位置检测装置

Similar Documents

Publication Publication Date Title
CN111619899A (zh) 晶圆盒自动封装设备
CN111619900A (zh) 应用于晶圆盒自动封装设备中的封口模组
CN111619897A (zh) 应用于晶圆盒自动封装设备中的开口模组
CN113928614B (zh) 一种自动包装设备
CN115367233B (zh) 一种产品包装生产线及其包装方法
CN111619898A (zh) 应用于晶圆盒自动封装设备中的进出料装置
CN114030691A (zh) 自动包装机
CN113734544A (zh) 一种试剂盒包装设备
CN114313494A (zh) 一种锂电池自动包装生产线
CN111645973A (zh) 应用于晶圆盒自动封装设备中的入袋模组
CN117022758B (zh) 一种产品贴标流水线
CN117246614A (zh) 一种光伏组件打包系统
CN111619901A (zh) 应用于晶圆盒自动封装设备中的搬运装置
CN212530321U (zh) 应用于晶圆盒自动封装设备中的进出料装置
CN212530355U (zh) 应用于晶圆盒自动封装设备中的入袋模组
CN212530319U (zh) 晶圆盒自动封装设备
CN212530320U (zh) 应用于晶圆盒自动封装设备中的开口模组
CN212530322U (zh) 应用于晶圆盒自动封装设备中的封口模组
CN212530323U (zh) 应用于晶圆盒自动封装设备中的搬运装置
CN115258664A (zh) 一种Tray盘自动包装线及其带捆扎的tray盘上料机构
CN113734505A (zh) 一种真空包装设备及真空包装设备的使用方法
CN117262340B (zh) 一种盒体产品的膜纸自动包裹生产线
CN112498876A (zh) 一种射孔弹包装系统
JP6125951B2 (ja) 外装フィルム挿入装置
CN216070673U (zh) 一种真空包装设备

Legal Events

Date Code Title Description
PB01 Publication
PB01 Publication
SE01 Entry into force of request for substantive examination
SE01 Entry into force of request for substantive examination
CB02 Change of applicant information
CB02 Change of applicant information

Address after: No. 27 Changjiang South Road, Xinwu District, Wuxi City, Jiangsu Province, China

Applicant after: Jiangsu micro nano technology Co.,Ltd.

Address before: 9-6-2 Xinshuo Road, Xinwu District, Wuxi City, Jiangsu Province

Applicant before: Jiangsu micro nano technology Co.,Ltd.