CN111590444A - Burnishing machine with unloading function in automation - Google Patents
Burnishing machine with unloading function in automation Download PDFInfo
- Publication number
- CN111590444A CN111590444A CN202010470811.3A CN202010470811A CN111590444A CN 111590444 A CN111590444 A CN 111590444A CN 202010470811 A CN202010470811 A CN 202010470811A CN 111590444 A CN111590444 A CN 111590444A
- Authority
- CN
- China
- Prior art keywords
- polishing
- frame
- unloading
- polishing machine
- storage
- Prior art date
- Legal status (The legal status is an assumption and is not a legal conclusion. Google has not performed a legal analysis and makes no representation as to the accuracy of the status listed.)
- Granted
Links
- 238000005498 polishing Methods 0.000 claims abstract description 170
- 230000007246 mechanism Effects 0.000 claims abstract description 132
- 238000007790 scraping Methods 0.000 claims abstract description 34
- 238000003860 storage Methods 0.000 claims description 56
- 239000000463 material Substances 0.000 claims description 48
- 238000009434 installation Methods 0.000 claims description 16
- 230000000903 blocking effect Effects 0.000 claims description 6
- 238000007599 discharging Methods 0.000 claims 6
- 238000003780 insertion Methods 0.000 description 6
- 230000037431 insertion Effects 0.000 description 6
- 238000000034 method Methods 0.000 description 4
- 230000009471 action Effects 0.000 description 3
- 238000010586 diagram Methods 0.000 description 3
- 238000004519 manufacturing process Methods 0.000 description 3
- 238000012986 modification Methods 0.000 description 3
- 230000004048 modification Effects 0.000 description 3
- 230000008569 process Effects 0.000 description 2
- 230000007812 deficiency Effects 0.000 description 1
- 230000006872 improvement Effects 0.000 description 1
- 230000001939 inductive effect Effects 0.000 description 1
- 238000003754 machining Methods 0.000 description 1
- 239000011159 matrix material Substances 0.000 description 1
- 230000000149 penetrating effect Effects 0.000 description 1
- 235000012431 wafers Nutrition 0.000 description 1
Images
Classifications
-
- B—PERFORMING OPERATIONS; TRANSPORTING
- B24—GRINDING; POLISHING
- B24B—MACHINES, DEVICES, OR PROCESSES FOR GRINDING OR POLISHING; DRESSING OR CONDITIONING OF ABRADING SURFACES; FEEDING OF GRINDING, POLISHING, OR LAPPING AGENTS
- B24B29/00—Machines or devices for polishing surfaces on work by means of tools made of soft or flexible material with or without the application of solid or liquid polishing agents
-
- B—PERFORMING OPERATIONS; TRANSPORTING
- B24—GRINDING; POLISHING
- B24B—MACHINES, DEVICES, OR PROCESSES FOR GRINDING OR POLISHING; DRESSING OR CONDITIONING OF ABRADING SURFACES; FEEDING OF GRINDING, POLISHING, OR LAPPING AGENTS
- B24B27/00—Other grinding machines or devices
- B24B27/0061—Other grinding machines or devices having several tools on a revolving tools box
-
- B—PERFORMING OPERATIONS; TRANSPORTING
- B24—GRINDING; POLISHING
- B24B—MACHINES, DEVICES, OR PROCESSES FOR GRINDING OR POLISHING; DRESSING OR CONDITIONING OF ABRADING SURFACES; FEEDING OF GRINDING, POLISHING, OR LAPPING AGENTS
- B24B27/00—Other grinding machines or devices
- B24B27/0076—Other grinding machines or devices grinding machines comprising two or more grinding tools
-
- B—PERFORMING OPERATIONS; TRANSPORTING
- B24—GRINDING; POLISHING
- B24B—MACHINES, DEVICES, OR PROCESSES FOR GRINDING OR POLISHING; DRESSING OR CONDITIONING OF ABRADING SURFACES; FEEDING OF GRINDING, POLISHING, OR LAPPING AGENTS
- B24B41/00—Component parts such as frames, beds, carriages, headstocks
- B24B41/005—Feeding or manipulating devices specially adapted to grinding machines
-
- B—PERFORMING OPERATIONS; TRANSPORTING
- B24—GRINDING; POLISHING
- B24B—MACHINES, DEVICES, OR PROCESSES FOR GRINDING OR POLISHING; DRESSING OR CONDITIONING OF ABRADING SURFACES; FEEDING OF GRINDING, POLISHING, OR LAPPING AGENTS
- B24B41/00—Component parts such as frames, beds, carriages, headstocks
- B24B41/02—Frames; Beds; Carriages
-
- B—PERFORMING OPERATIONS; TRANSPORTING
- B24—GRINDING; POLISHING
- B24B—MACHINES, DEVICES, OR PROCESSES FOR GRINDING OR POLISHING; DRESSING OR CONDITIONING OF ABRADING SURFACES; FEEDING OF GRINDING, POLISHING, OR LAPPING AGENTS
- B24B41/00—Component parts such as frames, beds, carriages, headstocks
- B24B41/06—Work supports, e.g. adjustable steadies
-
- B—PERFORMING OPERATIONS; TRANSPORTING
- B24—GRINDING; POLISHING
- B24B—MACHINES, DEVICES, OR PROCESSES FOR GRINDING OR POLISHING; DRESSING OR CONDITIONING OF ABRADING SURFACES; FEEDING OF GRINDING, POLISHING, OR LAPPING AGENTS
- B24B45/00—Means for securing grinding wheels on rotary arbors
- B24B45/003—Accessories therefor
-
- B—PERFORMING OPERATIONS; TRANSPORTING
- B24—GRINDING; POLISHING
- B24B—MACHINES, DEVICES, OR PROCESSES FOR GRINDING OR POLISHING; DRESSING OR CONDITIONING OF ABRADING SURFACES; FEEDING OF GRINDING, POLISHING, OR LAPPING AGENTS
- B24B49/00—Measuring or gauging equipment for controlling the feed movement of the grinding tool or work; Arrangements of indicating or measuring equipment, e.g. for indicating the start of the grinding operation
Landscapes
- Engineering & Computer Science (AREA)
- Mechanical Engineering (AREA)
- Finish Polishing, Edge Sharpening, And Grinding By Specific Grinding Devices (AREA)
- Constituent Portions Of Griding Lathes, Driving, Sensing And Control (AREA)
Abstract
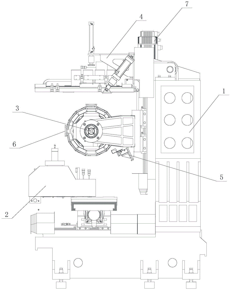
本发明公开了一种具有自动上下料功能的抛光机,包括机架、装夹机构、抛光转轴、上料机构和下料机构,装夹机构、下料机构、抛光转轴和上料机构由下至上安装在机架上,抛光转轴上沿周向和轴向方向安装有多个抛光头,下料机构包括下料架、固定座、和多列用于铲刮抛光头上的抛光片的铲刮机构,下料架安装在机架上,固定座安装在下料架上,各铲刮机构安装在固定座上并与相应的抛光头位置对应。该抛光机具有结构简单、省时省力、能保证装片和取片准确性、可提高产能和效率的优点。
The invention discloses a polishing machine with automatic loading and unloading functions, comprising a frame, a clamping mechanism, a polishing rotary shaft, a feeding mechanism and a feeding mechanism. The top is installed on the frame, and a plurality of polishing heads are installed on the polishing rotating shaft along the circumferential and axial directions. Scraping mechanism, the unloading frame is installed on the frame, the fixed seat is installed on the unloading frame, and each scraping mechanism is installed on the fixed seat and corresponds to the position of the corresponding polishing head. The polishing machine has the advantages of simple structure, saving time and labor, ensuring the accuracy of loading and unloading, and improving productivity and efficiency.
Description
技术领域technical field
本发明主要涉及抛光机技术领域,尤其涉及一种具有自动上下料功能的抛光机。The invention mainly relates to the technical field of polishing machines, in particular to a polishing machine with automatic loading and unloading functions.
背景技术Background technique
现代制造业对数控装备提出了越来越多的要求,要求设备能够实现高速、高效、高精和实现复杂零件的加工,五轴加工机床越来越广泛应用于加工复杂零件的现代化装备行列,由于其精度高、编程灵活、可加工各种复杂曲面、一次装夹可加工五个面等诸多优点,大大提升了工业制造水平和效率。Modern manufacturing has put forward more and more requirements for CNC equipment, requiring equipment to achieve high-speed, high-efficiency, high-precision and complex parts processing. Five-axis machining machines are more and more widely used in the ranks of modern equipment for processing complex parts. Due to its high precision, flexible programming, processing of various complex surfaces, and processing of five surfaces in one clamping, it has greatly improved the level and efficiency of industrial manufacturing.
现有技术中的五轴或多轴抛光机,其抛光机构上设置有多个抛光头,抛光头上装载抛光片,抛光片一般是与抛光头粘接。由于抛光片是一种耗材,需要频繁更换,以保证抛光效率和质量。现有方法均是采用人工将抛光片逐片地与抛光头粘接,一方面,耗时耗力,严重影响了产能;另一方面,经常会出现未取片或未装片的误操作,给后续的抛光带来了极大的麻烦和不确定性。In a five-axis or multi-axis polishing machine in the prior art, the polishing mechanism is provided with a plurality of polishing heads, and a polishing sheet is loaded on the polishing head, and the polishing sheet is generally bonded to the polishing head. Since polishing pads are consumables, they need to be replaced frequently to ensure polishing efficiency and quality. Existing methods all use manual bonding of polishing wafers to the polishing head piece by piece. On the one hand, it is time-consuming and labor-intensive, which seriously affects the production capacity; It brings great trouble and uncertainty to the subsequent polishing.
发明内容SUMMARY OF THE INVENTION
本发明要解决的技术问题是克服现有技术的不足,提供一种结构简单、省时省力、能保证装片和取片准确性、可提高产能和效率的具有自动上下料功能的抛光机。The technical problem to be solved by the present invention is to overcome the deficiencies of the prior art and provide a polishing machine with automatic loading and unloading functions that is simple in structure, saves time and effort, can ensure the accuracy of loading and unloading, and can improve productivity and efficiency.
为解决上述技术问题,本发明采用以下技术方案:In order to solve the above-mentioned technical problems, the present invention adopts the following technical solutions:
一种具有自动上下料功能的抛光机,包括机架、装夹机构、抛光转轴、上料机构和下料机构,所述装夹机构、下料机构、抛光转轴和上料机构由下至上安装在机架上,所述抛光转轴上沿周向和轴向方向安装有多个抛光头,所述下料机构包括下料架、固定座、和多列用于铲刮抛光头上的抛光片的铲刮机构,所述下料架安装在机架上,所述固定座安装在下料架上,各铲刮机构安装在固定座上并与相应的抛光头位置对应。A polishing machine with automatic loading and unloading functions, comprising a frame, a clamping mechanism, a polishing rotating shaft, a feeding mechanism and a feeding mechanism, and the clamping mechanism, the feeding mechanism, the polishing rotating shaft and the feeding mechanism are installed from bottom to top On the frame, a plurality of polishing heads are installed on the polishing shaft along the circumferential and axial directions, and the feeding mechanism includes a feeding frame, a fixing seat, and a plurality of rows of polishing sheets for scraping the polishing heads. The shovel scraping mechanism is installed on the frame, the fixed seat is installed on the unloading rack, and each scraping mechanism is installed on the fixed seat and corresponds to the position of the corresponding polishing head.
作为上述技术方案的进一步改进:As a further improvement of the above technical solution:
所述铲刮机构包括铲刮驱动件和铲刮台,所述铲刮驱动件安装在固定座上,所述铲刮台与铲刮驱动件连接。The scraping mechanism includes a scraping driving member and a scraping table, the scraping driving member is mounted on the fixed seat, and the scraping table is connected with the scraping driving member.
所述铲刮驱动件的输出端设置有安装台,所述铲刮台固接在安装台上。The output end of the scraper driving member is provided with a mounting table, and the scraper table is fixed on the mounting table.
所述固定座上安装有用于防止抛光片粘结在铲刮台的挡片机构。A blocking mechanism for preventing the polishing sheet from adhering to the scraper table is installed on the fixed seat.
所述挡片机构包括支撑座和挡板,所述支撑座固定在固定座上,所述挡板安装在支撑座并延伸至铲刮台处。The blocking mechanism includes a support base and a baffle, the support base is fixed on the fixed base, and the baffle is installed on the support base and extends to the scraper table.
所述挡板上开设有用于避让铲刮台的避让槽。The baffle is provided with an avoidance groove for avoiding the scraper table.
所述上料机构包括上料架、滑移平台、滑移驱动件、多列用于放置抛光片的储料机构以及与储料机构列数匹配的推料机构,所述上料架安装在机架上,所述滑移平台滑装在上料架上,各列储料机构安装在滑移平台上,各列推料机构安装在上料架上并位于储料机构上方,所述滑移驱动件安装在滑移平台上并驱使滑移平台带动储料机构与下方的抛光头以及上方推料机构位置对应,所述推料机构推动储料机构内的抛光片至抛光头上形成粘接。The feeding mechanism includes a feeding rack, a sliding platform, a sliding drive, multiple rows of storage mechanisms for placing polishing sheets, and a pushing mechanism that matches the number of rows of the storage mechanism. On the frame, the sliding platform is slidably mounted on the feeding rack, each row of storage mechanisms is installed on the sliding platform, and each row of pushing mechanisms is installed on the feeding rack and located above the storage mechanism, the sliding The moving driver is installed on the sliding platform and drives the sliding platform to drive the storage mechanism to correspond to the position of the lower polishing head and the upper pushing mechanism, and the pushing mechanism pushes the polishing sheet in the storage mechanism to the polishing head to form a stick. catch.
所述储料机构包括安装架和多个用于放置抛光片的储料筒,每一列的储料筒固装在安装架上并呈多排布置,所述安装架安装在滑移平台上。The storage mechanism includes an installation frame and a plurality of storage cylinders for placing polishing sheets, the storage cylinders in each row are fixedly mounted on the installation frame and arranged in multiple rows, and the installation frame is installed on the sliding platform.
所述储料筒上下贯穿,储料筒底部内沿设有卡料弹片。The material storage cylinder penetrates up and down, and the inner edge of the bottom of the material storage cylinder is provided with clipping elastic pieces.
所述储料筒于远离安装架的一侧开设有便于放置抛光片的开口。The storage cylinder is provided with an opening on the side away from the mounting frame for placing the polishing sheet.
所述安装架包括固定板和插接台,所述滑移平台上设置有插接柱,每一列的储料筒固装固定板上,所述插接台固装在固定板上并与插接柱插接。The mounting frame includes a fixed plate and a plug-in table, the sliding platform is provided with a plug-in column, the material storage cylinders in each column are fixed on the fixed plate, and the plug-in table is fixed on the fixed plate and is connected with the plug-in plate. Post insertion.
所述插接台侧部装设有锁定插销,所述插接柱上设有插槽,所述锁定插销与插槽配合锁定。A locking pin is installed on the side of the plug-in table, a slot is provided on the plug-in column, and the locking pin is matched and locked with the slot.
所述滑移平台设有用于检测抛光头有无抛光片的上料传感器,所述滑移平台上还设有弹簧插销,在弹簧插销被抛光头的抛光片顶起时、所述上料传感器感应弹簧插销。The sliding platform is provided with a feeding sensor for detecting whether the polishing head has a polishing sheet or not, and a spring latch is also provided on the sliding platform. When the spring latch is lifted by the polishing sheet of the polishing head, the feeding sensor Inductive spring latch.
所述上料架包括固定架、翻转架和翻转驱动件,所述固定架安装在机架上,所述翻转驱动件与固定架铰接,所述翻转架与翻转驱动件铰接,所述滑移平台滑装在翻转架上,所述推料机构安装在固定架上。The feeding rack includes a fixing frame, a turning frame and a turning driving part, the fixing frame is installed on the frame, the turning driving member is hinged with the fixing frame, the turning frame is hinged with the turning driving member, and the sliding The platform is slidably mounted on the turning frame, and the pushing mechanism is mounted on the fixing frame.
所述固定架滑装在机架上,所述机架上安装在与固定架连接的升降电机,所述升降电机带动固定架到达低位时,所述储料机构与抛光头之间的间隙为一片抛光片的厚度。The fixing frame is slidably mounted on the frame, and the frame is mounted on a lifting motor connected to the fixing frame. When the lifting motor drives the fixing frame to a low position, the gap between the material storage mechanism and the polishing head is The thickness of a polishing pad.
所述翻转架上在滑移平台的行程方向安装有位于两端的限位传感器和位于限位传感器之间的原点传感器。Limit sensors located at both ends and an origin sensor located between the limit sensors are installed on the flip frame in the travel direction of the sliding platform.
所述推料机构包括推料气缸和推料头,所述推料气缸固装在上料架上,所述推料头与推料气缸连接。The material pushing mechanism includes a material pushing cylinder and a material pushing head, the material pushing cylinder is fixedly mounted on the feeding frame, and the material pushing head is connected with the material pushing cylinder.
与现有技术相比,本发明的优点在于:Compared with the prior art, the advantages of the present invention are:
本发明的具有自动上下料功能的抛光机,包括机架、装夹机构、抛光转轴、上料机构和下料机构,装夹机构、下料机构、抛光转轴和上料机构由下至上安装在机架上,抛光转轴上沿周向和轴向方向安装有多个抛光头,下料机构包括下料架、固定座、和多列用于铲刮抛光头上的抛光片的铲刮机构,下料架安装在机架上,固定座安装在下料架上,各铲刮机构安装在固定座上并与相应的抛光头位置对应。使用时,先将抛光片放置在上料机构内,当抛光头上的抛光片需要更换时,抛光机停机,铲刮机构与相应的抛光头位置对应,然后抛光转轴带动抛光头转动,抛光头上的抛光片被铲刮机构铲下与抛光头剥离,实现自动下料,然后启动上料机构,将抛光片送至与抛光头上粘接,完成抛光片的自动上料,将零件装夹在装夹机构上,抛光转轴上的抛光头对零件进行抛光处理。较传统结构而言,该抛光机通过上料机构和下料机构实现了抛光片的自动装片和取片,其结构简单,省时省力,提高了产能和效率;另外,避免了人工操作时的未装片和未取片误操作,保证了装片和取片的准确性。The polishing machine with automatic loading and unloading functions of the present invention includes a frame, a clamping mechanism, a polishing rotating shaft, a feeding mechanism and a feeding mechanism, and the clamping mechanism, the feeding mechanism, the polishing rotating shaft and the feeding mechanism are installed from bottom to top. On the frame, a plurality of polishing heads are installed on the polishing shaft along the circumferential and axial directions, and the blanking mechanism includes a blanking frame, a fixed seat, and multiple rows of scraping mechanisms for scraping the polishing sheets on the polishing head. The unloading frame is installed on the frame, the fixed seat is installed on the unloading frame, and each scraping mechanism is installed on the fixed seat and corresponds to the position of the corresponding polishing head. When using, first place the polishing sheet in the feeding mechanism. When the polishing sheet on the polishing head needs to be replaced, the polishing machine stops, and the scraping mechanism corresponds to the position of the corresponding polishing head, and then the polishing shaft drives the polishing head to rotate, and the polishing head rotates. The polishing sheet on the top is shoveled by the scraping mechanism and peeled off from the polishing head to realize automatic unloading, and then start the feeding mechanism to send the polishing sheet to the polishing head to bond, complete the automatic feeding of the polishing sheet, and clamp the parts. On the clamping mechanism, the polishing head on the polishing shaft polishes the parts. Compared with the traditional structure, the polishing machine realizes the automatic loading and unloading of polishing sheets through the feeding mechanism and the feeding mechanism. The structure is simple, time-saving and labor-saving, and improves the productivity and efficiency; The unloading and unloading misoperations ensure the accuracy of loading and unloading.
附图说明Description of drawings
图1是本发明的主视结构示意图。FIG. 1 is a schematic view of the front structure of the present invention.
图2是本发明的立体结构示意图。FIG. 2 is a schematic view of the three-dimensional structure of the present invention.
图3是本发明中上料机构的主视结构示意图。FIG. 3 is a schematic view of the front structure of the feeding mechanism in the present invention.
图4是本发明中上料机构的俯视结构示意图。FIG. 4 is a schematic top view of the structure of the feeding mechanism in the present invention.
图5是本发明中上料机构的立体结构示意图。FIG. 5 is a schematic three-dimensional structure diagram of the feeding mechanism in the present invention.
图6是图5的A处放大结构示意图。FIG. 6 is an enlarged schematic view of the structure at A of FIG. 5 .
图7是本发明中上料机构的立体结构示意图(另一视角)。FIG. 7 is a schematic three-dimensional structure diagram of the feeding mechanism in the present invention (another view).
图8是图7的B处放大结构示意图。FIG. 8 is an enlarged schematic view of the structure at B of FIG. 7 .
图9是本发明中储料筒的结构示意图。FIG. 9 is a schematic view of the structure of the storage cylinder in the present invention.
图10是本发明中下料机构的主视结构示意图。Figure 10 is a schematic view of the front structure of the feeding mechanism in the present invention.
图11是本发明中下料机构的立体结构示意图。FIG. 11 is a schematic three-dimensional structure diagram of the feeding mechanism in the present invention.
图12是图11的C处放大结构示意图。FIG. 12 is an enlarged schematic view of the structure at C in FIG. 11 .
图中各标号表示:The symbols in the figure represent:
1、机架;2、装夹机构;3、抛光转轴;4、上料机构;41、上料架;411、固定架;412、翻转架;413、翻转驱动件;42、滑移平台;421、插接柱;4211、插槽;43、滑移驱动件;44、储料机构;441、安装架;4411、固定板;4412、插接台;4413、锁定插销;442、储料筒;4421、卡料弹片;4422、开口;45、推料机构;451、推料气缸;452、推料头;46、上料传感器;47、弹簧插销;48、限位传感器;49、原点传感器;5、下料机构;51、下料架;52、固定座;53、铲刮机构;531、铲刮驱动件;5311、安装台;532、铲刮台;54、挡片机构;541、支撑座;542、挡板;5421、避让槽;6、抛光头;7、升降电机。1. Frame; 2. Clamping mechanism; 3. Polishing shaft; 4. Feeding mechanism; 41. Feeding frame; 411. Fixed frame; 421, plug-in column; 4211, slot; 43, sliding drive; 44, material storage mechanism; 441, mounting frame; 4411, fixing plate; 4412, plug-in table; 4413, locking bolt; ;4421, material clip; 4422, opening; 45, pushing mechanism; 451, pushing cylinder; 452, pushing head; 46, loading sensor; 47, spring latch; 48, limit sensor; 49, origin sensor ;5, unloading mechanism; 51, unloading rack; 52, fixed seat; 53, scraper mechanism; 531, scraper driving part; 5311, installation table; 532, scraper table; 54, blocking mechanism; 541, Support seat; 542, baffle plate; 5421, avoidance groove; 6, polishing head; 7, lift motor.
具体实施方式Detailed ways
以下将结合说明书附图和具体实施例对本发明做进一步详细说明。The present invention will be further described in detail below with reference to the accompanying drawings and specific embodiments.
图1至图12示出了本发明具有自动上下料功能的抛光机的一种实施例,包括机架1、装夹机构2、抛光转轴3、上料机构4和下料机构5,装夹机构2、下料机构5、抛光转轴3和上料机构4由下至上安装在机架1上,抛光转轴3上沿周向和轴向方向安装有多个抛光头6,下料机构5包括下料架51、固定座52、和多列用于铲刮抛光头6上的抛光片的铲刮机构53,下料架51安装在机架1上,固定座52安装在下料架51上,各铲刮机构53安装在固定座52上并与相应的抛光头6位置对应。使用时,先将抛光片放置在上料机构4内,当抛光头6上的抛光片需要更换时,抛光机停机,铲刮机构53与相应的抛光头6位置对应,然后抛光转轴3带动抛光头6转动,抛光头6上的抛光片被铲刮机构53铲下与抛光头6剥离,实现自动下料,然后启动上料机构4,将抛光片送至与抛光头6上粘接,完成抛光片的自动上料,将零件装夹在装夹机构2上,抛光转轴3上的抛光头6对零件进行抛光处理。较传统结构而言,该抛光机通过上料机构4和下料机构5实现了抛光片的自动装片和取片,其结构简单,省时省力,提高了产能和效率;另外,避免了人工操作时的未装片和未取片误操作,保证了装片和取片的准确性。1 to 12 show an embodiment of the polishing machine with automatic loading and unloading functions of the present invention, including a
本实施例中,铲刮机构53包括铲刮驱动件531和铲刮台532,铲刮驱动件531安装在固定座52上,铲刮台532与铲刮驱动件531连接。该结构中,铲刮驱动件531驱动铲刮台532伸至相应的抛光头6位置,然后转动抛光头6,抛光头6上的抛光片被铲刮台532铲下与抛光头6剥离,其结构简单可靠。In this embodiment, the
本实施例中,铲刮驱动件531设置为气缸。In this embodiment, the
本实施例中,铲刮驱动件531的输出端设置有安装台5311,铲刮台532固接在安装台5311上。该安装台5311为铲刮台532提供安装基础,保证铲刮台532的稳定性和可靠性。In this embodiment, the output end of the
本实施例中,固定座52上安装有用于防止抛光片粘结在铲刮台532的挡片机构54。该安装台5311为铲刮台532提供安装基础,保证铲刮台532的稳定性和可靠性。In this embodiment, a
本实施例中,挡片机构54包括支撑座541和挡板542,支撑座541固定在固定座52上,挡板542安装在支撑座541并延伸至铲刮台532处。支撑座541为挡板542提供安装基础,挡板542防止抛光片粘结在铲刮台532上。In this embodiment, the
本实施例中,挡板542上开设有用于避让铲刮台532的避让槽5421。该避让槽5421的设置能保证铲刮台532的伸缩动作,其结构简单可靠。In this embodiment, an
本实施例中,上料机构4包括上料架41、滑移平台42、滑移驱动件43、多列用于放置抛光片的储料机构44以及与储料机构44列数匹配的推料机构45,上料架41安装在机架1上,滑移平台42滑装在上料架41上,各列储料机构44安装在滑移平台42上,各列推料机构45安装在上料架41上并位于储料机构44上方,滑移驱动件43安装在滑移平台42上并驱使滑移平台42带动储料机构44与下方的抛光头6以及上方推料机构45位置对应,推料机构45推动储料机构44内的抛光片至抛光头6上形成粘接。启动滑移驱动件43,驱使滑移平台42带动储料机构44与下方的抛光头6以及上方推料机构45位置对应,再启动推料机构45推动储料机构44内的抛光片至抛光头6上形成粘接,完成抛光片的自动上料,将零件装夹在装夹机构2上,抛光转轴3上的抛光头6对零件进行抛光处理。较传统结构而言,该抛光机通过上料机构4实现了抛光片的自动装片,其结构简单,省时省力,提高了产能和效率;另外,避免了人工操作时的未装片误操作,保证了装片的准确性。In this embodiment, the
本实施例中,滑移驱动件43采用伺服电机。In this embodiment, the sliding driving
本实施例中,储料机构44包括安装架441和多个用于放置抛光片的储料筒442,每一列的储料筒442固装在安装架441上并呈多排布置,安装架441安装在滑移平台42上。该结构中,储料筒442形成矩阵式排列,具有存储量大,排列切换方便的优点。In this embodiment, the
本实施例中,储料筒442上下贯穿,储料筒442底部内沿设有卡料弹片4421。该卡料弹片4421在存储抛光片时起到定位抛光片的作用,防止抛光片自由落下,在装片时,受推料机构45的作用,可将卡料弹片4421挤开,解除约束,保证装片的顺畅性,其结构简单巧妙。In this embodiment, the
本实施例中,储料筒442于远离安装架441的一侧开设有便于放置抛光片的开口4422。该开口4422的设置,使得将抛光片放置储料筒442内存储时,具有一个贯穿的操作空间,便于抛光片放置,提高了方便性。In this embodiment, the
本实施例中,安装架441包括固定板4411和插接台4412,滑移平台42上设置有插接柱421,每一列的储料筒442固装固定板4411上,插接台4412固装在固定板4411上并与插接柱421插接。该结构中,固定板4411用于固定同一列的储料筒442,通过插接台4412与插接柱421的插接配合,实现储料筒442的快速安装和更换,进一步提高了效率。In this embodiment, the mounting
本实施例中,插接台4412侧部装设有锁定插销4413,插接柱421上设有插槽4211,锁定插销4413与插槽4211配合锁定。该锁定插销4413与插槽4211配合实现插接台4412和插接柱421的锁定,保证装片过程中的稳定性和可靠性。In this embodiment, a
本实施例中,滑移平台42设有用于检测抛光头6有无抛光片的上料传感器46,滑移平台42上还设有弹簧插销47,在弹簧插销47被抛光头6的抛光片顶起时、上料传感器46感应弹簧插销47。在更换抛光片时,若上料传感器46感应到弹簧插销47,则说明弹簧插销47被抛光头6的抛光片顶起,即抛光头6的抛光片未被取下,此时推料机构45不会动作,只有上料传感器46未感应到弹簧插销47,即抛光头6的抛光片被取下时,推料机构45才会动作实现装片,进一步避免了人工装片时的未装片误操作,保证了装片的准确性。In this embodiment, the sliding
本实施例中,上料架41包括固定架411、翻转架412和翻转驱动件413,固定架411安装在机架1上,翻转驱动件413与固定架411铰接,翻转架412与翻转驱动件413铰接,滑移平台42滑装在翻转架412上,推料机构45安装在固定架411上。该结构中,翻转驱动件413可实现翻转架412的摆动,在安装储料筒442时,可将翻转架412向下摆动,一方面降低了安装操作位置,方便安装,另一方面拓展了翻转架412与固定架411之间的操作空间,解决了抛光机狭小空间内安装储料筒442的难题。In this embodiment, the feeding
本实施例中,翻转驱动件413采用气缸。In this embodiment, the
本实施例中,固定架411滑装在机架1上,机架1上安装在与固定架411连接的升降电机7,升降电机7带动固定架411到达低位时,储料机构44与抛光头6之间的间隙为一片抛光片的厚度。能通过升降电机7可实现储料筒442与抛光头6之间的间隙为一片抛光片的厚度,保证推料机构45每次仅能推下一片抛光片,其结构简单巧妙。In this embodiment, the fixing
本实施例中,翻转架412上在滑移平台42的行程方向安装有位于两端的限位传感器48和位于限位传感器48之间的原点传感器49。通过限位传感器48和原点传感器49的作用,保证滑移平台42的行程和移动过程的精准性。In this embodiment,
本实施例中,推料机构45包括推料气缸451和推料头452,推料气缸451固装在上料架41上,推料头452与推料气缸451连接。该结构中,推料气缸451驱动推料头452将储料筒442内的抛光片推至抛光头6上形成粘接,其结构简单可靠。In this embodiment, the
虽然本发明已以较佳实施例揭示如上,然而并非用以限定本发明。任何熟悉本领域的技术人员,在不脱离本发明技术方案范围的情况下,都可利用上述揭示的技术内容对本发明技术方案做出许多可能的变动和修饰,或修改为等同变化的等效实施例。因此,凡是未脱离本发明技术方案的内容,依据本发明技术实质对以上实施例所做的任何简单修改、等同变化及修饰,均应落在本发明技术方案保护的范围内。Although the present invention has been disclosed above with preferred embodiments, it is not intended to limit the present invention. Any person skilled in the art, without departing from the scope of the technical solution of the present invention, can make many possible changes and modifications to the technical solution of the present invention by using the technical content disclosed above, or modify it into an equivalent implementation of equivalent changes. example. Therefore, any simple modifications, equivalent changes and modifications made to the above embodiments according to the technical essence of the present invention without departing from the content of the technical solutions of the present invention should fall within the protection scope of the technical solutions of the present invention.
Claims (17)
Priority Applications (1)
| Application Number | Priority Date | Filing Date | Title |
|---|---|---|---|
| CN202010470811.3A CN111590444B (en) | 2020-05-28 | 2020-05-28 | A polishing machine with automatic loading and unloading functions |
Applications Claiming Priority (1)
| Application Number | Priority Date | Filing Date | Title |
|---|---|---|---|
| CN202010470811.3A CN111590444B (en) | 2020-05-28 | 2020-05-28 | A polishing machine with automatic loading and unloading functions |
Publications (2)
| Publication Number | Publication Date |
|---|---|
| CN111590444A true CN111590444A (en) | 2020-08-28 |
| CN111590444B CN111590444B (en) | 2025-02-11 |
Family
ID=72181496
Family Applications (1)
| Application Number | Title | Priority Date | Filing Date |
|---|---|---|---|
| CN202010470811.3A Active CN111590444B (en) | 2020-05-28 | 2020-05-28 | A polishing machine with automatic loading and unloading functions |
Country Status (1)
| Country | Link |
|---|---|
| CN (1) | CN111590444B (en) |
Cited By (2)
| Publication number | Priority date | Publication date | Assignee | Title |
|---|---|---|---|---|
| CN114310622A (en) * | 2022-01-28 | 2022-04-12 | 湖南宇环精密制造有限公司 | Polishing machine and material changing control method thereof |
| CN115383620A (en) * | 2022-10-27 | 2022-11-25 | 湖南宇环智能装备有限公司 | Automatic unloader that goes up of burnishing machine consumptive material |
Citations (6)
| Publication number | Priority date | Publication date | Assignee | Title |
|---|---|---|---|---|
| JPH0584660A (en) * | 1991-06-28 | 1993-04-06 | Yamaha Corp | Automatic changer for sand paper |
| CN107199510A (en) * | 2017-07-25 | 2017-09-26 | 东莞市尚弘博实业有限公司 | A kind of automatic replacing sand paper device and replacing sand paper method |
| CN107283288A (en) * | 2017-07-03 | 2017-10-24 | 广州蓝圣智能科技有限公司 | Pneumatic sanding and polishing machine sand paper mechanism for automatically switching |
| CN108789090A (en) * | 2018-07-25 | 2018-11-13 | 珠海桑贝思精密科技有限公司 | A kind of sander of eccentric polishing |
| CN210388829U (en) * | 2019-07-24 | 2020-04-24 | 江苏汉格智能科技有限公司 | Mechanism for automatically replacing polishing sheet of robot |
| CN212351553U (en) * | 2020-05-28 | 2021-01-15 | 湖南宇环智能装备有限公司 | Burnishing machine with unloading function in automation |
-
2020
- 2020-05-28 CN CN202010470811.3A patent/CN111590444B/en active Active
Patent Citations (6)
| Publication number | Priority date | Publication date | Assignee | Title |
|---|---|---|---|---|
| JPH0584660A (en) * | 1991-06-28 | 1993-04-06 | Yamaha Corp | Automatic changer for sand paper |
| CN107283288A (en) * | 2017-07-03 | 2017-10-24 | 广州蓝圣智能科技有限公司 | Pneumatic sanding and polishing machine sand paper mechanism for automatically switching |
| CN107199510A (en) * | 2017-07-25 | 2017-09-26 | 东莞市尚弘博实业有限公司 | A kind of automatic replacing sand paper device and replacing sand paper method |
| CN108789090A (en) * | 2018-07-25 | 2018-11-13 | 珠海桑贝思精密科技有限公司 | A kind of sander of eccentric polishing |
| CN210388829U (en) * | 2019-07-24 | 2020-04-24 | 江苏汉格智能科技有限公司 | Mechanism for automatically replacing polishing sheet of robot |
| CN212351553U (en) * | 2020-05-28 | 2021-01-15 | 湖南宇环智能装备有限公司 | Burnishing machine with unloading function in automation |
Cited By (3)
| Publication number | Priority date | Publication date | Assignee | Title |
|---|---|---|---|---|
| CN114310622A (en) * | 2022-01-28 | 2022-04-12 | 湖南宇环精密制造有限公司 | Polishing machine and material changing control method thereof |
| CN115383620A (en) * | 2022-10-27 | 2022-11-25 | 湖南宇环智能装备有限公司 | Automatic unloader that goes up of burnishing machine consumptive material |
| CN115383620B (en) * | 2022-10-27 | 2023-02-07 | 湖南宇环智能装备有限公司 | Automatic unloader that goes up of burnishing machine consumptive material |
Also Published As
| Publication number | Publication date |
|---|---|
| CN111590444B (en) | 2025-02-11 |
Similar Documents
| Publication | Publication Date | Title |
|---|---|---|
| CN111739780B (en) | Automatic sheet feeding machine | |
| CN109352397B (en) | Bin type tool magazine of planer type milling machine | |
| CN111571409B (en) | Polishing machine with automatic feeding and discharging functions | |
| CN104741982A (en) | Fully automatic PCB drill pin grinder | |
| CN111590444A (en) | Burnishing machine with unloading function in automation | |
| CN204621709U (en) | Fully automatic PCB drill pin grinder | |
| CN206732523U (en) | A kind of automatic locking screw machine | |
| CN212351553U (en) | Burnishing machine with unloading function in automation | |
| CN212351650U (en) | Burnishing machine with automatic feeding function | |
| CN212351556U (en) | Automatic feeding device for polishing machine | |
| CN111571439A (en) | Burnishing machine with automatic feeding function | |
| CN209614448U (en) | An automatic chamfering machine | |
| CN105382670A (en) | Polishing and feeding device for aluminum panel workpiece and polishing method | |
| CN210546067U (en) | Feeding and discharging device of full-automatic dispensing machine | |
| CN111558888A (en) | Automatic feeding device for polishing machine | |
| CN221632513U (en) | Full-automatic wafer trimmer | |
| CN221363878U (en) | Off-line tool magazine and combined numerical control oil sleeve screw lathe | |
| CN208099649U (en) | Vehicle label welder | |
| CN111871890A (en) | Automatic machine of gluing that removes of cell-phone screen | |
| CN215315738U (en) | Automatic feeding and discharging device of numerical control lathe | |
| CN205238815U (en) | Be suitable for pad printing machine of curved surface processing | |
| CN212734186U (en) | Lathe live center device | |
| CN212351580U (en) | Polishing machine with scraping type automatic discharging function | |
| CN211768339U (en) | Component inserter | |
| CN111590448A (en) | Polishing machine with shovel-type automatic unloading function |
Legal Events
| Date | Code | Title | Description |
|---|---|---|---|
| PB01 | Publication | ||
| PB01 | Publication | ||
| SE01 | Entry into force of request for substantive examination | ||
| SE01 | Entry into force of request for substantive examination | ||
| GR01 | Patent grant | ||
| GR01 | Patent grant |
