CN111573971A - A system and method for reusing urban reclaimed water by using a full-membrane method - Google Patents
A system and method for reusing urban reclaimed water by using a full-membrane method Download PDFInfo
- Publication number
- CN111573971A CN111573971A CN202010374085.5A CN202010374085A CN111573971A CN 111573971 A CN111573971 A CN 111573971A CN 202010374085 A CN202010374085 A CN 202010374085A CN 111573971 A CN111573971 A CN 111573971A
- Authority
- CN
- China
- Prior art keywords
- reverse osmosis
- water
- ultrafiltration
- tank
- pump
- Prior art date
- Legal status (The legal status is an assumption and is not a legal conclusion. Google has not performed a legal analysis and makes no representation as to the accuracy of the status listed.)
- Pending
Links
Images
Classifications
-
- C—CHEMISTRY; METALLURGY
- C02—TREATMENT OF WATER, WASTE WATER, SEWAGE, OR SLUDGE
- C02F—TREATMENT OF WATER, WASTE WATER, SEWAGE, OR SLUDGE
- C02F9/00—Multistage treatment of water, waste water or sewage
-
- C—CHEMISTRY; METALLURGY
- C02—TREATMENT OF WATER, WASTE WATER, SEWAGE, OR SLUDGE
- C02F—TREATMENT OF WATER, WASTE WATER, SEWAGE, OR SLUDGE
- C02F1/00—Treatment of water, waste water, or sewage
- C02F1/001—Processes for the treatment of water whereby the filtration technique is of importance
-
- C—CHEMISTRY; METALLURGY
- C02—TREATMENT OF WATER, WASTE WATER, SEWAGE, OR SLUDGE
- C02F—TREATMENT OF WATER, WASTE WATER, SEWAGE, OR SLUDGE
- C02F1/00—Treatment of water, waste water, or sewage
- C02F1/44—Treatment of water, waste water, or sewage by dialysis, osmosis or reverse osmosis
- C02F1/441—Treatment of water, waste water, or sewage by dialysis, osmosis or reverse osmosis by reverse osmosis
-
- C—CHEMISTRY; METALLURGY
- C02—TREATMENT OF WATER, WASTE WATER, SEWAGE, OR SLUDGE
- C02F—TREATMENT OF WATER, WASTE WATER, SEWAGE, OR SLUDGE
- C02F1/00—Treatment of water, waste water, or sewage
- C02F1/44—Treatment of water, waste water, or sewage by dialysis, osmosis or reverse osmosis
- C02F1/444—Treatment of water, waste water, or sewage by dialysis, osmosis or reverse osmosis by ultrafiltration or microfiltration
-
- C—CHEMISTRY; METALLURGY
- C02—TREATMENT OF WATER, WASTE WATER, SEWAGE, OR SLUDGE
- C02F—TREATMENT OF WATER, WASTE WATER, SEWAGE, OR SLUDGE
- C02F1/00—Treatment of water, waste water, or sewage
- C02F1/46—Treatment of water, waste water, or sewage by electrochemical methods
- C02F1/469—Treatment of water, waste water, or sewage by electrochemical methods by electrochemical separation, e.g. by electro-osmosis, electrodialysis, electrophoresis
-
- C—CHEMISTRY; METALLURGY
- C02—TREATMENT OF WATER, WASTE WATER, SEWAGE, OR SLUDGE
- C02F—TREATMENT OF WATER, WASTE WATER, SEWAGE, OR SLUDGE
- C02F1/00—Treatment of water, waste water, or sewage
- C02F1/50—Treatment of water, waste water, or sewage by addition or application of a germicide or by oligodynamic treatment
-
- C—CHEMISTRY; METALLURGY
- C02—TREATMENT OF WATER, WASTE WATER, SEWAGE, OR SLUDGE
- C02F—TREATMENT OF WATER, WASTE WATER, SEWAGE, OR SLUDGE
- C02F1/00—Treatment of water, waste water, or sewage
- C02F1/70—Treatment of water, waste water, or sewage by reduction
-
- C—CHEMISTRY; METALLURGY
- C02—TREATMENT OF WATER, WASTE WATER, SEWAGE, OR SLUDGE
- C02F—TREATMENT OF WATER, WASTE WATER, SEWAGE, OR SLUDGE
- C02F2301/00—General aspects of water treatment
- C02F2301/08—Multistage treatments, e.g. repetition of the same process step under different conditions
-
- C—CHEMISTRY; METALLURGY
- C02—TREATMENT OF WATER, WASTE WATER, SEWAGE, OR SLUDGE
- C02F—TREATMENT OF WATER, WASTE WATER, SEWAGE, OR SLUDGE
- C02F2303/00—Specific treatment goals
- C02F2303/14—Maintenance of water treatment installations
-
- C—CHEMISTRY; METALLURGY
- C02—TREATMENT OF WATER, WASTE WATER, SEWAGE, OR SLUDGE
- C02F—TREATMENT OF WATER, WASTE WATER, SEWAGE, OR SLUDGE
- C02F2303/00—Specific treatment goals
- C02F2303/16—Regeneration of sorbents, filters
-
- C—CHEMISTRY; METALLURGY
- C02—TREATMENT OF WATER, WASTE WATER, SEWAGE, OR SLUDGE
- C02F—TREATMENT OF WATER, WASTE WATER, SEWAGE, OR SLUDGE
- C02F2303/00—Specific treatment goals
- C02F2303/20—Prevention of biofouling
-
- C—CHEMISTRY; METALLURGY
- C02—TREATMENT OF WATER, WASTE WATER, SEWAGE, OR SLUDGE
- C02F—TREATMENT OF WATER, WASTE WATER, SEWAGE, OR SLUDGE
- C02F3/00—Biological treatment of water, waste water, or sewage
-
- C—CHEMISTRY; METALLURGY
- C02—TREATMENT OF WATER, WASTE WATER, SEWAGE, OR SLUDGE
- C02F—TREATMENT OF WATER, WASTE WATER, SEWAGE, OR SLUDGE
- C02F5/00—Softening water; Preventing scale; Adding scale preventatives or scale removers to water, e.g. adding sequestering agents
- C02F5/08—Treatment of water with complexing chemicals or other solubilising agents for softening, scale prevention or scale removal, e.g. adding sequestering agents
-
- Y—GENERAL TAGGING OF NEW TECHNOLOGICAL DEVELOPMENTS; GENERAL TAGGING OF CROSS-SECTIONAL TECHNOLOGIES SPANNING OVER SEVERAL SECTIONS OF THE IPC; TECHNICAL SUBJECTS COVERED BY FORMER USPC CROSS-REFERENCE ART COLLECTIONS [XRACs] AND DIGESTS
- Y02—TECHNOLOGIES OR APPLICATIONS FOR MITIGATION OR ADAPTATION AGAINST CLIMATE CHANGE
- Y02A—TECHNOLOGIES FOR ADAPTATION TO CLIMATE CHANGE
- Y02A20/00—Water conservation; Efficient water supply; Efficient water use
- Y02A20/124—Water desalination
- Y02A20/131—Reverse-osmosis
Landscapes
- Life Sciences & Earth Sciences (AREA)
- Hydrology & Water Resources (AREA)
- Engineering & Computer Science (AREA)
- Environmental & Geological Engineering (AREA)
- Water Supply & Treatment (AREA)
- Chemical & Material Sciences (AREA)
- Organic Chemistry (AREA)
- Separation Using Semi-Permeable Membranes (AREA)
Abstract
本发明公开了一种利用全膜法对城市再生水进行回用系统,生水池通过生水提升泵连接PCF纤维过滤器,PCF纤维过滤器连接超滤装置;超滤装置连接超滤水箱,超滤水箱通过超滤反洗泵循环连接超滤装置;超滤装置通过反渗透提升泵连接反渗透保安过滤器,反渗透保安过滤器连接反渗透装置,反渗透装置连接反渗透产水箱,反渗透产水箱通过反渗透冲洗泵循环连接反渗透装置;反渗透产水箱通过电除盐EDI给水泵连接电除盐装置,电除盐装置连接除盐水箱。本发明具有对环境无污染;系统简单、占地面积少,安装、运行操作和维护工作量小;系统运行稳定,连续制水能力强,不需单独再生;水的回收率高。
The invention discloses a system for reusing urban regenerated water by using an all-membrane method. A raw water tank is connected to a PCF fiber filter through a raw water lifting pump, and the PCF fiber filter is connected to an ultrafiltration device; the ultrafiltration device is connected to an ultrafiltration water tank, and the ultrafiltration The water tank is cyclically connected to the ultrafiltration device through the ultrafiltration backwash pump; the ultrafiltration device is connected to the reverse osmosis security filter through the reverse osmosis lifting pump, the reverse osmosis security filter is connected to the reverse osmosis device, the reverse osmosis device is connected to the reverse osmosis production tank, and the reverse osmosis production tank is connected. The water tank is connected to the reverse osmosis device through the reverse osmosis flushing pump; the reverse osmosis production water tank is connected to the electric desalination device through the electric desalination EDI feed pump, and the electric desalination device is connected to the desalted water tank. The invention has the advantages of no pollution to the environment; simple system, small footprint, small installation, operation and maintenance workload; stable system operation, strong continuous water production capacity, no need for separate regeneration; and high water recovery rate.
Description
技术领域technical field
本发明涉及废水处理技术领域,具体为一种利用全膜法对城市再生水进行回用系统及其方法。The invention relates to the technical field of wastewater treatment, in particular to a system and a method for reusing urban reclaimed water by using an all-membrane method.
背景技术Background technique
城市再生水的水质介于城市污水和自来水之间,是城市污水经过净化处理后达到国家标准,能在一定范围内使用的非饮用水,可用于工业生产、百姓生活、城市景观等诸多方面。为了解决水资源短缺问题,城市再生水的开发与利用,与其他水源相比具有显著优势。The quality of urban reclaimed water is between urban sewage and tap water. It is non-drinking water that can be used within a certain range after urban sewage has been purified and treated to meet national standards. It can be used in industrial production, people's life, urban landscape and many other aspects. In order to solve the problem of water shortage, the development and utilization of urban reclaimed water has significant advantages compared with other water sources.
城市再生水的数量巨大、稳定,不受气候条件和其它自然条件的限制,因此可以作为可靠且可以重复利用的第二水源,是一种十分宝贵的水资源。城市再生水利用与其它水资源开发利用相比,在经济上具有如下优势:The amount of urban reclaimed water is huge and stable, and is not limited by climatic conditions and other natural conditions, so it can be used as a reliable and reusable second water source, and is a very valuable water resource. Compared with the development and utilization of other water resources, the utilization of urban reclaimed water has the following economic advantages:
(1)比远距离引水便宜(1) Cheaper than long-distance water diversion
城市再生水就是将城市污水进行二级处理后,再经过深度处理作为再生水资源回用到适宜的位置。基建投资成本比远距离引水经济。实践证明,污水处理技术的推广应用势在必行,城市再生水作为城市第二水源也是必然的发展趋势。Urban reclaimed water is the secondary treatment of urban sewage, which is then reused as reclaimed water resources to suitable locations after advanced treatment. Infrastructure investment costs are more economical than long-distance water diversion. Practice has proved that the popularization and application of sewage treatment technology is imperative, and urban reclaimed water as the second urban water source is also an inevitable development trend.
(2)比海水淡化经济(2) Economical than seawater desalination
城市污水中所含的杂质小于0.1%,而且可用深度处理方法加以去除,而海水中含有3.5%的溶盐和大量有机物,其杂质含量为污水二级处理出水的35倍以上,需要采用复杂的预处理和反渗透或闪蒸等昂贵的处理技术,因此无论基建投资成本或单位运行成本,海水淡化都高于城市再生水回用。The impurities contained in urban sewage are less than 0.1% and can be removed by advanced treatment methods, while seawater contains 3.5% dissolved salts and a large amount of organic matter, and its impurity content is more than 35 times that of the effluent of secondary sewage treatment. Pretreatment and expensive treatment technologies such as reverse osmosis or flash evaporation, so regardless of capital investment cost or unit operating cost, seawater desalination is higher than urban reclaimed water reuse.
(3)可取得显著的社会效益(3) Significant social benefits can be achieved
在水资源日益紧缺的今天,将处理后的城市再生水回用于工业生产和居民生活用水,减少了污染物排放量,从而减轻了对城市周围的水环境影响,这种改变有利于保护环境,加强水体自净,并且不会对整个区域的水文环境产生不良的影响,其应用前景广阔。In today's increasingly scarce water resources, the treated urban reclaimed water is reused for industrial production and residential water use, reducing pollutant emissions and thus reducing the impact on the water environment around the city. This change is conducive to protecting the environment. It can enhance the self-purification of water body without adversely affecting the hydrological environment of the whole region, and its application prospect is broad.
水是极其宝贵的自然资源,火电厂是用水大户,但决不能成为耗水大户,社会需要把火电厂建设成为节水型企业。面临严峻的水资源短缺的形势和严重恶化的水环境,开展利用全膜法对城市再生水进行回用,作为火电厂锅炉补给水的新工艺,符合国家环保政策要求,也符合国家对产业发展提升要求。具有良好的环保效益、经济效益和社会效益。Water is an extremely precious natural resource. Thermal power plants are large consumers of water, but they must not become large consumers of water. The society needs to build thermal power plants into water-saving enterprises. Faced with the severe water shortage situation and the seriously deteriorating water environment, the use of the full-membrane method to reuse urban reclaimed water as a new process for boiler supply water in thermal power plants is in line with the national environmental protection policy requirements and in line with the country's promotion of industrial development. Require. It has good environmental benefits, economic benefits and social benefits.
因此,城市再生水的回用为人们提供了一个非常经济的新水源,减少了社会对新鲜水资源的需求,这种水资源的优化配制是一项利国利民、实现水资源可持续发展的重要策略。推进污水深度处理,普及再生水利用是人类与自然协调发展、创造良好水环境、促进循环型城市发展进程的重要举措。Therefore, the reuse of urban reclaimed water provides a very economical new water source for people and reduces the social demand for fresh water resources. important strategy. Promoting advanced sewage treatment and popularizing the utilization of reclaimed water is an important measure for the coordinated development of human and nature, creating a good water environment, and promoting the development process of a circular city.
发明内容SUMMARY OF THE INVENTION
为解决上述问题,本发明公开了一种利用全膜法对城市再生水进行回用系统及其方法。In order to solve the above problems, the present invention discloses a system and method for reusing urban reclaimed water by using a full-membrane method.
为了达到以上目的,本发明提供如下技术方案:In order to achieve the above purpose, the present invention provides the following technical solutions:
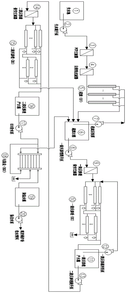
一种利用全膜法对城市再生水进行回用系统,包括生水池、PCF纤维过滤器、超滤装置、超滤水箱、反渗透保安过滤器、反渗透装置、反渗透产水箱、电除盐装置、除盐水箱;生水池通过生水提升泵连接PCF纤维过滤器,PCF纤维过滤器连接超滤装置;超滤装置连接超滤水箱,超滤水箱通过超滤反洗泵循环连接超滤装置;超滤装置通过反渗透提升泵连接反渗透保安过滤器,反渗透保安过滤器连接反渗透装置,反渗透装置连接反渗透产水箱,反渗透产水箱通过反渗透冲洗泵循环连接反渗透装置;反渗透产水箱通过电除盐EDI给水泵连接电除盐装置,电除盐装置连接除盐水箱。A system for reusing urban reclaimed water by a full-membrane method, including a raw water tank, a PCF fiber filter, an ultrafiltration device, an ultrafiltration water tank, a reverse osmosis security filter, a reverse osmosis device, a reverse osmosis production water tank, and an electric desalination device. , Demineralized water tank; the raw water tank is connected to the PCF fiber filter through the raw water lift pump, and the PCF fiber filter is connected to the ultrafiltration device; the ultrafiltration device is connected to the ultrafiltration water tank, and the ultrafiltration water tank is connected to the ultrafiltration device through the ultrafiltration backwash pump cycle; The ultrafiltration device is connected to the reverse osmosis security filter through the reverse osmosis lifting pump, the reverse osmosis security filter is connected to the reverse osmosis device, the reverse osmosis device is connected to the reverse osmosis production water tank, and the reverse osmosis production water tank is connected to the reverse osmosis device through the reverse osmosis flushing pump; The permeate production tank is connected to the electric desalination device through the electric desalination EDI feed pump, and the electric desalination device is connected to the desalted water tank.
进一步的,反渗透装置设置两级;反渗透装置包括一级反渗透装置、二级反渗透装置;超滤装置通过一级反渗透提升泵连接一级反渗透保安过滤器,一级反渗透保安过滤器连接一级反渗透装置,一级反渗透装置连接一级反渗透产水箱,一级反渗透产水箱通过一级反渗透冲洗泵循环连接一级反渗透装置;一级反渗透产水箱通过二级反渗透提升泵连接二级反渗透保安过滤器,二级反渗透保安过滤器连接二级反渗透装置;二级反渗透装置连接二级反渗透产水箱,二级反渗透产水箱通过EDI给水泵连接电除盐装置。Further, the reverse osmosis device is provided with two stages; the reverse osmosis device includes a first-level reverse osmosis device and a second-level reverse osmosis device; the ultrafiltration device is connected to the first-level reverse osmosis security filter through the first-level reverse osmosis lifting pump, and the first-level reverse osmosis security filter is used. The filter is connected to the primary reverse osmosis device, the primary reverse osmosis device is connected to the primary reverse osmosis water production tank, and the primary reverse osmosis production water tank is connected to the primary reverse osmosis device through the primary reverse osmosis flushing pump; The secondary reverse osmosis lift pump is connected to the secondary reverse osmosis security filter, and the secondary reverse osmosis security filter is connected to the secondary reverse osmosis device; the secondary reverse osmosis device is connected to the secondary reverse osmosis production water tank, and the secondary reverse osmosis production water tank passes through EDI The feed water pump is connected to the electric desalination device.
进一步的,二级反渗透产水箱、电除盐装置连接超滤水箱。Further, the secondary reverse osmosis production water tank and the electric desalination device are connected to the ultrafiltration water tank.
进一步的,除盐水箱通过除盐水泵连接锅炉水给水管网。Further, the demineralized water tank is connected to the boiler water supply pipe network through the demineralized water pump.
进一步的,PCF纤维过滤器与超滤装置之间还设有自清洗过滤器。Further, a self-cleaning filter is also provided between the PCF fiber filter and the ultrafiltration device.
进一步的,一级反渗透装置与一级反渗透产水箱(淡水箱)之间设有除碳器。Further, a carbon remover is arranged between the primary reverse osmosis device and the primary reverse osmosis production water tank (fresh water tank).
进一步的,电除盐装置包括淡水室、浓水室;淡水室的外侧设有浓水室,淡水室与浓水室之间设有阳膜,浓水室的外壁设有阴膜,淡水室内设有阴离子交换树脂和阳离子交换树脂。Further, the electric desalination device includes a fresh water chamber and a concentrated water chamber; a concentrated water chamber is arranged on the outer side of the fresh water chamber, a positive membrane is arranged between the fresh water chamber and the concentrated water chamber, an anion membrane is arranged on the outer wall of the concentrated water chamber, and the fresh water chamber is provided with a negative membrane. With anion exchange resin and cation exchange resin.
一种利用全膜法对城市再生水进行回用的方法,包括如下步骤:A method for reusing urban reclaimed water by a full-membrane method, comprising the following steps:
步骤1,经过换热器加热后的城市再生水通过提升泵输送至生水池;生化处理后,再生水进入纤维过滤器;
步骤2,然后通过PCF纤维过滤器进行过滤预处理,
步骤3,经过超滤装置系统进一步过滤,Step 3, further filter through the ultrafiltration device system,
步骤4,超滤产水先后进入一级反渗透装置和二级反渗透装置预除盐,In
步骤5,经过电除盐装置进一步脱盐处理;Step 5, further desalination treatment through electric desalination device;
步骤6,制成合格的回用水。
进一步的,根据水源分级分质使用的原则,二级反渗透装置浓水和电除盐装置浓水回流至超滤产水箱,作为一级反渗透装置的进水,充分回收可以利用的水源,将反渗透浓水、电除盐浓水等进行分级回收利用。Further, according to the principle of water source classification and quality use, the concentrated water of the secondary reverse osmosis device and the concentrated water of the electric desalination device are returned to the ultrafiltration water production tank, which is used as the influent of the primary reverse osmosis device to fully recover the usable water source. Reverse osmosis concentrated water, electric desalination concentrated water, etc. are classified and recycled.
进一步的,步骤1中,加热过程中加入杀菌剂对城市再生水杀菌处理。Further, in
进一步的,对超滤装置、一级反渗透装置、二级反渗透装置、电除盐装置进行化学清洗。Further, chemical cleaning is performed on the ultrafiltration device, the primary reverse osmosis device, the secondary reverse osmosis device, and the electric desalination device.
本发明采用上述全膜法对城市再生水进行回用,作为火电厂锅炉补给水,本发明与传统的离子交换法相比,具有以下优点:The present invention adopts the above-mentioned all-membrane method to reuse the urban reclaimed water as the make-up water for the boiler of the thermal power plant. Compared with the traditional ion exchange method, the present invention has the following advantages:
(1)无酸碱废液排放,对环境无污染。(2)系统简单、占地面积少,安装、运行操作和维护工作量小。(3)系统运行稳定,连续制水能力强,不需单独再生。(4)水的回收率高,当进水硬度小于0.02mmol/L时,回收率可达90%~95%。(1) No acid and alkali waste liquid discharge, no pollution to the environment. (2) The system is simple, occupies less floor space, and requires less installation, operation and maintenance. (3) The system runs stably, with strong continuous water production capacity, and does not require separate regeneration. (4) The recovery rate of water is high. When the hardness of the influent water is less than 0.02 mmol/L, the recovery rate can reach 90% to 95%.
与传统的离子交换法相比,全膜法初始投资略高,但由于省去了酸碱消耗、再生用水、废水处理和污水排放等费用,运行费用明显降低,约一年即可补偿一次性投资差额。此外,EDI装置占地面积较小。约为相同系统产水量的混床的1/3。综合对比可以看出,全膜法技术与混床技术相比优质显著。Compared with the traditional ion exchange method, the initial investment of the full-membrane method is slightly higher, but the operating cost is significantly reduced due to the elimination of acid-base consumption, regeneration water, wastewater treatment and sewage discharge, and the one-time investment can be compensated for about one year. difference. In addition, the EDI installation has a smaller footprint. About 1/3 of the mixed bed of the same system water yield. It can be seen from the comprehensive comparison that the whole membrane technology is of outstanding quality compared with the mixed bed technology.
附图说明Description of drawings
图1:工艺流程图;Figure 1: Process flow diagram;
图2、纤维过滤器运行原理;Figure 2. The operating principle of the fiber filter;
图3、电除盐(EDI)运行原理;Figure 3. The operation principle of Electrodemineralization (EDI);
图4、超滤(UF)运行记录;Figure 4. Ultrafiltration (UF) operation record;
图5、一级反渗透(RO)运行记录;Figure 5. First-stage reverse osmosis (RO) operation record;
图6、二级反渗透(RO)运行记录;Figure 6. Secondary reverse osmosis (RO) operation record;
图7、本发明的工艺流程图。Figure 7, the process flow diagram of the present invention.
其中:1、生水池;2、生水提升泵;3、PCF纤维过滤器;4、自清洗过滤器;5、超滤(UF);6、超滤水箱;7、超滤反洗泵;8、一级反渗透提升泵;9、一级反渗透保安过滤器;10、一级反渗透(RO);11一级反渗透产水箱;12、一级反渗透冲洗泵;13、二级反渗透提升泵;14、二级反渗透保安过滤器;15、二级反渗透(RO);16、二级反渗透产水箱;17、EDI给水泵;18、电除盐(EDI);19、除盐水箱;20、除盐水泵。Among them: 1. Raw water tank; 2. Raw water lifting pump; 3. PCF fiber filter; 4. Self-cleaning filter; 5. Ultrafiltration (UF); 6. Ultrafiltration water tank; 7. Ultrafiltration backwash pump; 8. First-level reverse osmosis lift pump; 9. First-level reverse osmosis security filter; 10. First-level reverse osmosis (RO); 11. First-level reverse osmosis production tank; 12. First-level reverse osmosis flushing pump; 13. Second-level Reverse osmosis lift pump; 14, secondary reverse osmosis security filter; 15, secondary reverse osmosis (RO); 16, secondary reverse osmosis production tank; 17, EDI feed pump; 18, electric desalination (EDI); 19 , Demineralized water tank; 20. Demineralized water pump.
具体实施方式Detailed ways
下面结合附图和具体实施方式,进一步阐明本发明,应理解下述具体实施方式仅用于说明本发明而不用于限制本发明的范围。The present invention will be further clarified below with reference to the accompanying drawings and specific embodiments. It should be understood that the following specific embodiments are only used to illustrate the present invention and not to limit the scope of the present invention.
如图7所示的一种利用全膜法对城市再生水进行回用系统,包括生水池、PCF纤维过滤器、超滤(UF)、超滤水箱、反渗透保安过滤器、反渗透(RO)、反渗透产水箱、电除盐(EDI)、除盐水箱;生水池通过生水提升泵连接PCF纤维过滤器,PCF纤维过滤器连接超滤(UF);超滤(UF)连接超滤水箱,超滤水箱通过超滤反洗泵循环连接超滤(UF);超滤(UF)通过反渗透提升泵连接反渗透保安过滤器,反渗透保安过滤器连接反渗透(RO),反渗透(RO)连接反渗透产水箱,反渗透产水箱通过反渗透冲洗泵循环连接反渗透(RO);反渗透产水箱通过电除盐EDI给水泵连接电除盐(EDI),电除盐(EDI)连接除盐水箱。As shown in Figure 7, a full-membrane method is used to reuse urban reclaimed water, including raw water pool, PCF fiber filter, ultrafiltration (UF), ultrafiltration water tank, reverse osmosis security filter, reverse osmosis (RO) , reverse osmosis production water tank, electric desalination (EDI), demineralized water tank; raw water tank is connected to PCF fiber filter through raw water lift pump, PCF fiber filter is connected to ultrafiltration (UF); ultrafiltration (UF) is connected to ultrafiltration water tank , the ultrafiltration water tank is connected to the ultrafiltration (UF) through the ultrafiltration backwash pump; the ultrafiltration (UF) is connected to the reverse osmosis security filter through the reverse osmosis lifting pump, and the reverse osmosis security filter is connected to the reverse osmosis (RO), and the reverse osmosis ( RO) is connected to the reverse osmosis production water tank, and the reverse osmosis production water tank is connected to the reverse osmosis (RO) through the reverse osmosis flushing pump; Connect the demineralized water tank.
反渗透(RO)设置两级;反渗透(RO)包括一级反渗透(RO)、二级反渗透(RO);超滤(UF)通过一级反渗透提升泵连接一级反渗透保安过滤器,一级反渗透保安过滤器连接一级反渗透(RO),一级反渗透(RO)连接一级反渗透产水箱,一级反渗透产水箱通过一级反渗透冲洗泵循环连接一级反渗透(RO);一级反渗透产水箱通过二级反渗透提升泵连接二级反渗透保安过滤器,二级反渗透保安过滤器连接二级反渗透(RO);二级反渗透(RO)连接二级反渗透产水箱,二级反渗透产水箱通过EDI给水泵连接电除盐(EDI)。Two-stage reverse osmosis (RO) is set up; reverse osmosis (RO) includes one-stage reverse osmosis (RO) and two-stage reverse osmosis (RO); ultrafiltration (UF) is connected to one-stage reverse osmosis security filtration through a first-stage reverse osmosis lift pump The first stage reverse osmosis security filter is connected to the first stage reverse osmosis (RO), the first stage reverse osmosis (RO) is connected to the first stage reverse osmosis production water tank, and the first stage reverse osmosis production water tank is connected to the first stage through the first stage reverse osmosis flushing pump. Reverse osmosis (RO); the primary reverse osmosis production tank is connected to the secondary reverse osmosis security filter through the secondary reverse osmosis lifting pump, and the secondary reverse osmosis security filter is connected to the secondary reverse osmosis (RO); the secondary reverse osmosis (RO) ) is connected to the secondary reverse osmosis production water tank, and the secondary reverse osmosis production water tank is connected to the electric desalination (EDI) through the EDI feed pump.
二级反渗透产水箱、电除盐(EDI)连接超滤水箱。The secondary reverse osmosis production water tank and electric desalination (EDI) are connected to the ultrafiltration water tank.
除盐水箱通过除盐水泵连接锅炉水给水管网。The demineralized water tank is connected to the boiler water supply pipe network through the demineralized water pump.
PCF纤维过滤器与超滤(UF)之间还设有自清洗过滤器。There is also a self-cleaning filter between the PCF fiber filter and the ultrafiltration (UF).
一级反渗透(RO)与一级反渗透产水箱(淡水箱)之间设有除碳器。A carbon remover is arranged between the primary reverse osmosis (RO) and the primary reverse osmosis production water tank (fresh water tank).
电除盐(EDI)包括淡水室、浓水室;淡水室的外侧设有浓水室,淡水室与浓水室之间设有阳膜,浓水室的外壁设有阴膜,淡水室内设有阴离子交换树脂和阳离子交换树脂。Electrodemineralization (EDI) includes fresh water chamber and concentrated water chamber; the outer side of the fresh water chamber is provided with a concentrated water chamber, a positive membrane is arranged between the fresh water chamber and the concentrated water chamber, the outer wall of the concentrated water chamber is provided with an anionic membrane, and the fresh water chamber is provided with a negative membrane. There are anion exchange resins and cation exchange resins.
同时还公开了上述一种利用全膜法对城市再生水进行回用系统的操作方法,包括如下步骤:At the same time, an operation method of the above-mentioned system for reusing urban reclaimed water by a full-membrane method is also disclosed, comprising the following steps:
步骤1,经过换热器加热后的城市再生水通过提升泵输送至生水池;生化处理后,再生水进入纤维过滤器;
步骤2,然后通过PCF纤维过滤器进行过滤预处理,
步骤3,经过超滤(UF)系统进一步过滤,Step 3, further filter through ultrafiltration (UF) system,
步骤4,超滤产水先后进入一级反渗透(RO)和二级反渗透(RO)预除盐,In
步骤5,经过电除盐(EDI)进一步脱盐处理;Step 5, further desalination treatment through Electrodemineralization (EDI);
步骤6,制成合格的回用水。
根据水源分级分质使用的原则,二级反渗透(RO)浓水和电除盐(EDI)浓水回流至超滤产水箱,作为一级反渗透(RO)的进水,充分回收可以利用的水源,将反渗透浓水、电除盐浓水等进行分级回收利用。According to the principle of water source classification and quality, secondary reverse osmosis (RO) concentrated water and electric desalination (EDI) concentrated water are returned to the ultrafiltration production water tank as the influent of primary reverse osmosis (RO), which can be fully recovered and used. Reverse osmosis concentrated water, electric desalination concentrated water, etc. are classified and recycled.
步骤1中,加热过程中加入杀菌剂对城市再生水杀菌处理。In
对超滤(UF)、一级反渗透(RO)、二级反渗透(RO)、电除盐(EDI)进行化学清洗。Chemical cleaning for Ultrafiltration (UF), Primary Reverse Osmosis (RO), Secondary Reverse Osmosis (RO), Electrodemineralization (EDI).
采用上述的实施例进行的具体实施方式如下:The specific implementation carried out by the above-mentioned embodiment is as follows:
1、全膜法工艺介绍1. Introduction to the whole film process
全膜法(Integrated Membrane Technology,IMT)水处理工艺,它将不同的膜工艺有机地组合在一起,以常规水源或经生化、过滤等常规处理后达标排放的市政污水为进水,采用“超滤(UF)→反渗透(RO)→电除盐(EDI)”的组合工艺,达到高效去除污染物以及深度脱盐的目的,满足各种用途的水质要求。Integrated Membrane Technology (IMT) water treatment process, which organically combines different membrane processes, takes conventional water source or municipal sewage discharged after conventional treatment such as biochemical and filtration as the influent, and adopts "superior" The combined process of filtration (UF) → reverse osmosis (RO) → electric desalination (EDI)” can achieve the purpose of efficient removal of pollutants and deep desalination, and meet the water quality requirements of various uses.
全膜法的工艺流程为:加热后的城市再生水→生水池→生水提升泵→PCF纤维过滤器→超滤(UF)→超滤水箱→超滤水泵→一级反渗透(RO)→除碳器→淡水箱→淡水泵→二级反渗透(RO)→EDI给水箱→EDI给水泵→电除盐(EDI)→除盐水箱→除盐水泵→火电厂锅炉补给水系统。The process flow of the all-membrane method is: heated urban reclaimed water → raw water tank → raw water lift pump → PCF fiber filter → ultrafiltration (UF) → ultrafiltration water tank → ultrafiltration water pump → primary reverse osmosis (RO) → removal Carbonizer → fresh water tank → fresh water pump → secondary reverse osmosis (RO) → EDI feed water tank → EDI feed water pump → electric desalination (EDI) → desalted water tank → desalted water pump → thermal power plant boiler make-up water system.
利用全膜法对城市再生水进行回用,作为火电厂锅炉补给水的新工艺拟采用以下技术:The whole membrane method is used to reuse urban reclaimed water as a new process for making up water for boilers in thermal power plants. The following technologies are proposed:
(1)全膜法(Integrated Membrane Technology,IMT)水处理工艺,它将不同的膜工艺有机地组合在一起,以常规水源或经生化、过滤等常规处理后达标排放的市政污水为进水,采用“超滤(UF)→反渗透(RO)→电除盐(EDI)”的组合工艺,达到高效去除污染物以及深度脱盐的目的,满足各种用途的水质要求。(1) Integrated Membrane Technology (IMT) water treatment process, which organically combines different membrane processes, using conventional water sources or municipal sewage that has been discharged up to the standard after conventional treatment such as biochemical and filtration as the influent, The combined process of "ultrafiltration (UF) → reverse osmosis (RO) → electric desalination (EDI)" is adopted to achieve the purpose of efficient removal of pollutants and deep desalination, and to meet the water quality requirements for various purposes.
(2)上述工艺中,超滤(UF)、反渗透(RO)、电除盐(EDI)三种膜分离的技术分别作为预处理、预脱盐和精脱盐,把原水制备成满足各种锅炉补给水要求的高纯水。超滤(UF)是利用物理截留的方式去除水中一定颗粒大小的杂质,超滤的产水水质要好于传统的多介质过滤,即使原水是水质很差的废水,超滤产水的SDI也可以稳定在3以下,这样就大大延长了下游反渗透膜的寿命。反渗透(RO)是在压力驱动下,选择性地去除98%以上的无机离子,但产水还不能满足中、高压锅炉的用水要求。电除盐EDI(Electrodeionization)技术则是依靠电场作用,去除水中的无机离子,是近年来出现的一项革新的超纯水制备技术。它把传统的电渗析技术和离子交换技术有机地结合起来,既克服了电渗析不能深度脱盐的缺点,又弥补了离子交换不能连续工作、需消耗酸碱再生的不足。其产水水质满足锅炉用水对电导率、硬度和硅等要求。(2) In the above process, the three membrane separation technologies of ultrafiltration (UF), reverse osmosis (RO) and electric desalination (EDI) are used as pretreatment, pre-desalination and fine desalination respectively, and the raw water is prepared to meet the requirements of various boilers. High-purity water required for makeup water. Ultrafiltration (UF) uses physical retention to remove impurities of a certain particle size in water. The water quality of ultrafiltration is better than that of traditional multi-media filtration. Even if the raw water is wastewater with poor water quality, the SDI of ultrafiltration water can also be used. Stable below 3, which greatly extends the life of the downstream reverse osmosis membrane. Reverse osmosis (RO) is driven by pressure to selectively remove more than 98% of inorganic ions, but the produced water cannot meet the water requirements of medium and high pressure boilers. Electrodeionization EDI (Electrodeionization) technology relies on the action of electric field to remove inorganic ions in water. It is an innovative ultrapure water preparation technology that has appeared in recent years. It organically combines traditional electrodialysis technology and ion exchange technology, which not only overcomes the shortcomings of electrodialysis that cannot be deeply desalinated, but also makes up for the shortcomings that ion exchange cannot work continuously and needs to consume acid and alkali for regeneration. The water quality of the product meets the requirements of boiler water for conductivity, hardness and silicon.
(3)全膜法工艺本着水源分级分质使用的原则,二级反渗透(RO)浓水和电除盐(EDI)浓水回流至超滤产水箱,作为一级反渗透(RO)的进水,充分回收可以利用的水源,大大提高系统水回收率的同时,又节省了系统投资。(3) The whole-membrane method is based on the principle of water source classification and quality, and the secondary reverse osmosis (RO) concentrated water and the electric desalination (EDI) concentrated water are returned to the ultrafiltration water production tank as the primary reverse osmosis (RO) It can fully recover the available water source, greatly improve the water recovery rate of the system, and save the system investment.
(4)相比传统离子交换工艺,能够在水质波动大的条件下保持系统的运行稳定性和可靠性,出水水质稳定;运行过程中无需消耗酸碱等化学药剂,可有效避免二次污染,且降低系统投加药剂所增加的运行费用;系统自动化程度较高,运行维护工作量小,减轻运行人员的劳动强度,具有很强的推广借鉴作用。(4) Compared with the traditional ion exchange process, it can maintain the operation stability and reliability of the system under the condition of large water quality fluctuation, and the effluent water quality is stable; during the operation process, it does not need to consume chemicals such as acid and alkali, which can effectively avoid secondary pollution. In addition, it reduces the operating cost increased by adding chemicals to the system; the system has a high degree of automation, the workload of operation and maintenance is small, and the labor intensity of the operating personnel is reduced, which has a strong promotion and reference effect.
2、全膜法对城市再生水进行回用新工艺的主体设备2. The main equipment of the new technology for the reuse of urban reclaimed water by the all-membrane method
3、全膜法工艺系统出水水质3. The effluent quality of the all-membrane process system
超滤系统出水水质:SDI≤3,浊度≤0.2NTU,TSS≤1mg/LUltrafiltration system effluent quality: SDI≤3, turbidity≤0.2NTU, TSS≤1mg/L
超滤系统平均水回收滤率:≥90%The average water recovery and filtration rate of ultrafiltration system: ≥90%
一级反渗透系统脱盐率:≥98%(运行一年后)Desalination rate of primary reverse osmosis system: ≥98% (after one year of operation)
一级反渗透系统脱盐率:≥97%(运行三年后)Desalination rate of primary reverse osmosis system: ≥97% (after three years of operation)
一级反渗透系统水回收率:≥75%(运行三年后)Water recovery rate of primary reverse osmosis system: ≥75% (after three years of operation)
二级RO系统产水导电度:≤5μS/cm(运行一年后)Conductivity of water produced by secondary RO system: ≤5μS/cm (after one year of operation)
二级RO系统产水导电度:≤8μS/cm(运行三年后)Conductivity of water produced by secondary RO system: ≤8μS/cm (after three years of operation)
二级反渗透系统水回收率:≥90%(运行三年后)Water recovery rate of secondary reverse osmosis system: ≥90% (after three years of operation)
经电除盐处理后的水质:二氧化硅(SiO2)≤20μg/L;电导率(25℃)≤0.2μS/cmWater quality after electric desalination treatment: silicon dioxide (SiO 2 )≤20μg/L; conductivity (25℃)≤0.2μS/cm
4、工艺流程4. Process flow
本发明的锅炉补给水处理系统主要工艺流程如图1:The main process flow of the boiler feed water treatment system of the present invention is shown in Figure 1:
其中,根据水源分级分质使用的原则,二级反渗透(RO)浓水和电除盐(EDI)浓水回流至超滤产水箱,作为一级反渗透(RO)的进水,充分回收可以利用的水源,将反渗透浓水、电除盐浓水等进行分级回收利用,大大提高系统水回收率的同时,又节省了系统投资。Among them, according to the principle of water source classification and quality, the secondary reverse osmosis (RO) concentrated water and the electric desalination (EDI) concentrated water are returned to the ultrafiltration production water tank, as the influent of the primary reverse osmosis (RO), and fully recovered Reverse osmosis concentrated water, electric desalination concentrated water, etc. can be used for graded recycling, which greatly improves the system water recovery rate and saves system investment.
经过换热器加热后的城市再生水通过提升泵输送至生水池,然后通过PCF纤维过滤器进行过滤预处理,产水经过超滤(UF)系统进一步过滤,超滤产水先后进入一级反渗透(RO)和二级反渗透(RO)预除盐,最终经过电除盐(EDI)进一步脱盐处理,制成合格的回用水。The urban reclaimed water heated by the heat exchanger is transported to the raw water tank by the lift pump, and then filtered and pretreated by the PCF fiber filter. (RO) and secondary reverse osmosis (RO) pre-desalination, and finally undergoes further desalination treatment by electric desalination (EDI) to make qualified reuse water.
5、运行步骤5. Operation steps
经过换热器加热后的城市再生水通过提升泵输送至生水池,然后通过PCF纤维过滤器进行过滤预处理,产水经过超滤(UF)系统进一步过滤,超滤产水先后进入一级反渗透(RO)和二级反渗透(RO)预除盐,最终经过电除盐(EDI)进一步脱盐处理,制成合格的回用水。The urban reclaimed water heated by the heat exchanger is transported to the raw water tank by the lift pump, and then filtered and pretreated by the PCF fiber filter. (RO) and secondary reverse osmosis (RO) pre-desalination, and finally undergoes further desalination treatment by electric desalination (EDI) to make qualified reuse water.
5.1PCF纤维过滤器:5.1PCF fiber filter:
纤维过滤器运行方式为程控自动运行,在过滤过程中对纤维丝施以回转机具压榨,使其纤维丝纵向之间孔隙变小,水中的悬浮物均被挡住留在纤维丝外,过滤后得到清洁的处理水。当过滤器内被截留的悬浮污物(杂质)增多,处理水量下降,压差达到设定值,自动进入反冲洗过程;反洗时让过滤器的压榨机具放松,使过滤纤维的孔隙在舒张的状态下,用罗茨风机来空气和反洗水合洗,将污物通过排放管排除,然后又自动进入过滤程序。工作原理如下图2所示。The operation mode of the fiber filter is program-controlled automatic operation. During the filtration process, the fiber is pressed by a rotary machine to make the pores between the longitudinal directions of the fiber become smaller, and the suspended matter in the water is blocked and left outside the fiber. Clean treated water. When the suspended dirt (impurities) trapped in the filter increases, the amount of treated water decreases, the pressure difference reaches the set value, and the backwashing process is automatically entered; during backwashing, the press of the filter is loosened, so that the pores of the filter fibers are relaxed. In the state of the Roots blower, the air and the backwash water are combined to wash, and the dirt is discharged through the discharge pipe, and then automatically enters the filtration process. The working principle is shown in Figure 2 below.
5.2超滤(UF)系统5.2 Ultrafiltration (UF) system
超滤系统的启动、运行、冲洗、停机备用等过程均由超滤PLC实现自动控制。原水在中空纤维的内部流动,而产水则是在原水流经膜的过程中逐渐由内壁向外壁透过(称为内压式),收集后,成为超滤产水从产水端排出。超滤运行过程中控制膜过滤压差(TMP)小于0.08MPa,TMP最大不能超过0.10MPa,否则会导致在膜的表面形成无法反洗掉的污垢。超滤运行一段时间后被截留的悬浮物、细菌、大分子有机物、胶体等就堆积在纤维内表面,此时膜的进水侧与产水侧的压差会逐渐增加,需要进行水力清洗。The process of starting, running, flushing, shutting down and standby of the ultrafiltration system is automatically controlled by the ultrafiltration PLC. The raw water flows inside the hollow fiber, and the produced water is gradually permeated from the inner wall to the outer wall during the process of the raw water flowing through the membrane (called internal pressure type). During the ultrafiltration operation, the membrane filtration pressure difference (TMP) should be controlled to be less than 0.08MPa, and the maximum TMP should not exceed 0.10MPa, otherwise it will cause the formation of dirt on the surface of the membrane that cannot be backwashed. After the ultrafiltration runs for a period of time, the retained suspended solids, bacteria, macromolecular organic matter, colloids, etc. will accumulate on the inner surface of the fiber. At this time, the pressure difference between the water inlet side and the water production side of the membrane will gradually increase, and hydraulic cleaning is required.
5.3反渗透(RO)系统:5.3 Reverse osmosis (RO) system:
反渗透脱盐系统的运行和监控由仪表、PLC实现自动控制。系统运行过程中高压泵启动时,为了防止高压水源直接冲击膜元件,造成膜元件的破裂,高压泵出口电动慢开门逐渐打开,使膜系统水压逐渐稳定升高,同时加药泵自动启动(一级反渗透入口加还原剂和阻垢剂,二级反渗透入口加NaOH),反渗透系统正常运行时,给水和浓水沿着反渗透膜表面以一定的流速流动,污染物很难沉积下来,但是如果反渗透系统停止运行,这些污染物就会立即沉积在膜的表面,对膜元件造成污染。所以在反渗透系统停运前设置了自动冲洗,利用干净产水对膜元件表面进行停运冲洗,以防止这些污染物的沉积。一级反渗透冲洗流量为80m3/h,二级反渗透冲洗流量为43m3/h,冲洗时间为10min。The operation and monitoring of the reverse osmosis desalination system are automatically controlled by instruments and PLCs. When the high-pressure pump is started during the operation of the system, in order to prevent the high-pressure water source from directly impacting the membrane element, causing the rupture of the membrane element, the electric slow-open door of the high-pressure pump outlet is gradually opened, so that the water pressure of the membrane system gradually increases steadily, and the dosing pump automatically starts ( When the reverse osmosis system is in normal operation, the feed water and concentrated water flow along the surface of the reverse osmosis membrane at a certain flow rate, and it is difficult for pollutants to deposit. down, but if the reverse osmosis system stops running, these pollutants will immediately deposit on the surface of the membrane, causing fouling of the membrane elements. Therefore, automatic flushing is set up before the shutdown of the reverse osmosis system, and the surface of the membrane element is flushed with clean water to prevent the deposition of these pollutants. The first-stage reverse osmosis flushing flow was 80 m 3 /h, the second-stage reverse osmosis flushing flow was 43 m 3 /h, and the flushing time was 10 min.
(1)运行过程中控制反渗透入口压力为1.0MPa,同时注意保安过滤器进出口压差小于0.2MPa,若大于0.2MPa需要更换滤芯。(1) Control the reverse osmosis inlet pressure to 1.0MPa during operation, and pay attention to the pressure difference between the inlet and outlet of the security filter is less than 0.2MPa, if it is greater than 0.2MPa, the filter element needs to be replaced.
(2)为了保证高压泵安全运行,高压泵运行过程中设置了入口压力低和出口压力高保护,当低压信号或高压信号触发保持3s后,高压泵自动停止,设置值为压力低≤0.1MPa,压力高≥1.8MPa。(2) In order to ensure the safe operation of the high-pressure pump, low inlet pressure and high outlet pressure protection are set during the operation of the high-pressure pump. When the low-pressure signal or the high-pressure signal is triggered and held for 3s, the high-pressure pump automatically stops, and the set value is low pressure ≤ 0.1MPa , high pressure ≥1.8MPa.
(3)反渗透膜虽然能够承受短期的氯和次氯酸根的攻击,但若连续接触将会破坏膜的分离能力,由于氧化性破坏引起膜性能的下降,反渗透膜入口余氯的含量一般要求控制<0.1mg/L,为了防止游离氯超标,在一级反渗透入口设置了还原剂加药管路,同时安装了ORP表,用于控制和调整加药量,还原剂采用NaHSO3,药剂质量分数为10%,通过加药装置控制加药量。当ORP表显示≤150mV时,停止加药泵;当150mV<ORP≤250mV时,加药泵频率自动控制25Hz;当250mV<ORP<300mV时,加药泵频率自动调整至50Hz;当ORP>300mV时,停止运行所有反渗透组件,以防引起膜的严重损坏。另外系统长时间连续运行时,水中钙镁等离子会不断析出并在反渗透膜表面附着,形成结垢堵塞膜孔,为延缓钙镁等离子的析出和膜面结垢,在一级反渗透入口水中投加了阻垢剂,阻垢剂质量分数为10%,加药量为2~4mg/L。(3) Although the reverse osmosis membrane can withstand short-term chlorine and hypochlorite attacks, continuous contact will destroy the separation ability of the membrane, and the membrane performance will decrease due to oxidative damage. The content of residual chlorine at the entrance of the reverse osmosis membrane is generally It is required to control less than 0.1mg/L. In order to prevent free chlorine from exceeding the standard, a reducing agent dosing pipeline is set at the inlet of the primary reverse osmosis, and an ORP table is installed to control and adjust the dosing amount. The reducing agent uses NaHSO 3 , The mass fraction of the drug is 10%, and the dosing amount is controlled by the dosing device. When the ORP meter shows ≤150mV, stop the dosing pump; when 150mV<ORP≤250mV, the dosing pump frequency is automatically controlled to 25Hz; when 250mV<ORP<300mV, the dosing pump frequency is automatically adjusted to 50Hz; when ORP>300mV , stop all reverse osmosis components in order to prevent serious damage to the membrane. In addition, when the system runs continuously for a long time, calcium and magnesium ions in the water will continue to precipitate and adhere to the surface of the reverse osmosis membrane, forming scaling and blocking the membrane pores. The scale inhibitor was added, the mass fraction of the scale inhibitor was 10%, and the dosage was 2-4 mg/L.
(4)在二级反渗透入口设置了加碱系统,投加的碱液为质量分数20%的NaOH,质量浓度过高pH不好调节,控制二级反渗透入口pH为8.3左右。主要有以下两个目的:第一,由于反渗透膜对水中CO2的透过率几乎为100%,而从碳酸的电离度与水中pH的关系中可见,当pH约为8.3时溶液中几乎只含有HCO3 -,这样HCO3 -通过反渗透系统全部去除,间接实现了去除CO2的目的,提高反渗透的脱盐率。第二,当pH<8时,溶解硅以硅酸的形式存在,如硅酸的浓度超过其溶解度,硅将沉积出来;当水的pH>8时,硅的溶解度增加,此时,硅酸电离为硅酸根SiO3 2-,为防止硅在膜表面沉积,需保证二级反渗透进水pH在8.0以上。5.4电除盐(EDI)系统:(4) An alkali addition system is set at the inlet of the secondary reverse osmosis. The alkali solution added is NaOH with a mass fraction of 20%. It is difficult to adjust the pH if the mass concentration is too high. The pH of the secondary reverse osmosis inlet is controlled to be about 8.3. There are two main purposes: First, since the permeability of the reverse osmosis membrane to CO2 in water is almost 100%, and it can be seen from the relationship between the ionization degree of carbonic acid and the pH of the water, when the pH is about 8.3, almost Only HCO 3 - is contained, so that HCO 3 - is completely removed by the reverse osmosis system, which indirectly achieves the purpose of removing CO 2 and improves the desalination rate of reverse osmosis. Second, when pH<8, the dissolved silicon exists in the form of silicic acid. If the concentration of silicic acid exceeds its solubility, silicon will be deposited; when the pH of water>8, the solubility of silicon increases. At this time, silicic acid The ionization is silicate radical SiO 3 2- . In order to prevent the deposition of silicon on the membrane surface, it is necessary to ensure that the pH of the secondary reverse osmosis influent water is above 8.0. 5.4 Electrodemineralization (EDI) system:
EDI运行采用自动控制,工作过程如图3所示。EDI operation adopts automatic control, and the working process is shown in Figure 3.
由图3可见,工作过程一般分为三个步骤:(1)淡水室中的离子交换树脂对水中电解质离子的交换作用,去除水中的离子;(2)在外电场作用下,水中电解质沿树脂颗粒构成的导电传递路径迁移到膜表面并透过离子交换膜进入浓水室;(3)树脂、膜与水相接触的扩散层中的极化作用使水解离为H+和OH-,除部分参与负载电流外大多数对树脂起再生作用。离子交换、离子迁移、电再生相伴发生、相互促进,实现了连续去除离子的过程。As can be seen from Figure 3, the working process is generally divided into three steps: (1) the exchange of the ion exchange resin in the fresh water chamber to the electrolyte ions in the water to remove the ions in the water; (2) under the action of an external electric field, the electrolyte in the water moves along the resin particles. The formed conductive transfer path migrates to the membrane surface and enters the concentrated water chamber through the ion exchange membrane; (3) The polarization in the diffusion layer where the resin and membrane are in contact with water dissociates water into H + and OH - , except for some Participating in the load current, most of them regenerate the resin. Ion exchange, ion migration, and electrical regeneration occur together and promote each other, realizing the process of continuous ion removal.
(1)EDI启动时,为了防止水锤导致的严重损坏,EDI给水泵设计为变频泵,给水压力和流量缓慢上升至运行压力和流量的时间为1.5min。(1) When the EDI is started, in order to prevent serious damage caused by water hammer, the EDI feed pump is designed as a variable frequency pump, and the time for the feed water pressure and flow to slowly rise to the operating pressure and flow is 1.5min.
(2)启动和运行过程中,每个EDI膜块设置了产品水、浓水和极水低流量保护,当3个流量低信号其中任何一个触发并保持3s,EDI模块自动断电,单个EDI膜块的保护值为产品水流量≤2.3m3/h,浓水流量≤150L/h,极水流量≤80L/h。(2) During startup and operation, each EDI membrane block is set with low flow protection for product water, concentrated water and extreme water. When any one of the three low flow signals is triggered and held for 3s, the EDI module will automatically power off, and a single EDI The protection value of the membrane block is the product water flow ≤ 2.3m 3 /h, the concentrated water flow ≤ 150L/h, and the extreme water flow ≤ 80L/h.
(3)运行过程中每个模块电压不超过400V,电流不超过5.2A。(3) The voltage of each module does not exceed 400V and the current does not exceed 5.2A during operation.
6、运行数据图表6. Run the data chart
如图4-图6所示,电除盐(EDI)系统处理效果:As shown in Figure 4-Figure 6, the treatment effect of the Electrodemineralization (EDI) system:
投产运行后,两套电除盐(EDI)进水量均为39m3/h,产水量平均为35m3/h,产水回收率为90%。进水压力平均为0.4MPa,产水电导率平均为0.15μS/cm,达到了设计要求。After being put into operation, the two sets of electric desalination (EDI) water inflow were both 39m 3 /h, the average water production was 35m 3 /h, and the recovery rate of produced water was 90%. The average inlet pressure is 0.4MPa, and the average conductivity of the produced water is 0.15μS/cm, which meets the design requirements.
7、结论7. Conclusion
(1)锅炉补给水的全膜法工艺是目前最先进,最环保的的工艺,不需使用酸碱进行再生即可连续制备锅炉补给水。而且全膜法工艺比以前的超滤、反渗透、离子交换工艺节省大量的占地面积,该工艺只需使用二级反渗透和电除盐(EDI)机架,可以取代之前工艺中的阳床,中间水箱,阴床、混床,酸碱再生系统和树脂储存罐等,从而降低工程投资和减少工程占地面积。(1) The all-membrane process for boiler make-up water is the most advanced and environmentally friendly process at present. It can continuously prepare boiler make-up water without using acid and alkali for regeneration. Moreover, the all-membrane process saves a lot of floor space compared to the previous ultrafiltration, reverse osmosis, and ion exchange processes. This process only needs to use secondary reverse osmosis and electric desalination (EDI) racks, which can replace the anode in the previous process. bed, intermediate water tank, shaded bed, mixed bed, acid-base regeneration system and resin storage tank, etc., thereby reducing project investment and reducing project floor space.
(2)全膜法工艺的技术关键是有效控制膜的污染,控制措施体现在三个方面:一方面通过投加药剂,防止污染产水水质;另一方面对膜的压差(包括超滤的TMP以及反渗透的段间压差)以及产水量进行上位机监控报警,以便掌握膜污染程度;第三个方面就是采用有效的化学清洗方式。(2) The technical key of the all-membrane process is to effectively control the pollution of the membrane. The control measures are reflected in three aspects: on the one hand, by adding chemicals to prevent pollution of the water quality; on the other hand, the pressure difference of the membrane (including ultrafiltration The TMP and reverse osmosis inter-stage pressure difference) and water production are monitored and alarmed by the upper computer, so as to grasp the degree of membrane pollution; the third aspect is to adopt an effective chemical cleaning method.
(3)火电厂将城市中水深度处理后回用于锅炉补给水系统,是污水资源化的一种重要方法,它既可减少对环境的污染,又可增加可利用的水资源,降低企业的用水成本,对于缺水的城市而言具有较好的经济效益、社会效益和环境效益。(3) The advanced treatment of urban reclaimed water by thermal power plants is an important method for recycling wastewater to the boiler feed water system. It can not only reduce environmental pollution, but also increase the available water resources and reduce corporate It has good economic, social and environmental benefits for the water-scarce cities.
本发明方案所公开的技术手段不仅限于上述实施方式所公开的技术手段,还包括由以上技术特征任意组合所组成的技术方案。应当指出,对于本技术领域的普通技术人员来说,在不脱离本发明原理的前提下,还可以做出若干改进和润饰,这些改进和润饰也视为本发明的保护范围。The technical means disclosed in the solution of the present invention are not limited to the technical means disclosed in the above embodiments, but also include technical solutions composed of any combination of the above technical features. It should be pointed out that for those skilled in the art, without departing from the principle of the present invention, several improvements and modifications can be made, and these improvements and modifications are also regarded as the protection scope of the present invention.
Claims (10)
Priority Applications (1)
| Application Number | Priority Date | Filing Date | Title |
|---|---|---|---|
| CN202010374085.5A CN111573971A (en) | 2020-05-06 | 2020-05-06 | A system and method for reusing urban reclaimed water by using a full-membrane method |
Applications Claiming Priority (1)
| Application Number | Priority Date | Filing Date | Title |
|---|---|---|---|
| CN202010374085.5A CN111573971A (en) | 2020-05-06 | 2020-05-06 | A system and method for reusing urban reclaimed water by using a full-membrane method |
Publications (1)
| Publication Number | Publication Date |
|---|---|
| CN111573971A true CN111573971A (en) | 2020-08-25 |
Family
ID=72116930
Family Applications (1)
| Application Number | Title | Priority Date | Filing Date |
|---|---|---|---|
| CN202010374085.5A Pending CN111573971A (en) | 2020-05-06 | 2020-05-06 | A system and method for reusing urban reclaimed water by using a full-membrane method |
Country Status (1)
| Country | Link |
|---|---|
| CN (1) | CN111573971A (en) |
Cited By (9)
| Publication number | Priority date | Publication date | Assignee | Title |
|---|---|---|---|---|
| CN112079495A (en) * | 2020-08-31 | 2020-12-15 | 华北电力科学研究院有限责任公司 | Automatic control system and method for combining reverse osmosis equipment and EDI device |
| CN112919693A (en) * | 2021-01-21 | 2021-06-08 | 倍杰特集团股份有限公司 | Full-membrane-process desalted water treatment system and treatment method thereof |
| CN113045059A (en) * | 2021-03-04 | 2021-06-29 | 中国电力工程顾问集团华北电力设计院有限公司 | Treatment system and treatment process for realizing zero discharge of wastewater by full-membrane method |
| CN113603281A (en) * | 2021-07-15 | 2021-11-05 | 华能荆门热电有限责任公司 | Operation method for fine control water treatment of power plant boiler feedwater system |
| CN115745263A (en) * | 2022-11-16 | 2023-03-07 | 北京德安源环境科技发展有限公司 | Reclaimed water recycling system for long-distance heat supply pipe network and treatment method |
| CN115849638A (en) * | 2023-01-12 | 2023-03-28 | 杭州英普环境技术股份有限公司 | Short-range pure water preparation system and method |
| CN115893776A (en) * | 2023-02-22 | 2023-04-04 | 北京中矿科技集团有限公司 | High-efficient desalination system |
| CN116495937A (en) * | 2023-05-25 | 2023-07-28 | 内蒙古京宁热电有限责任公司 | Urban reclaimed water treatment system based on immersed ultrafiltration |
| CN116621369A (en) * | 2023-05-09 | 2023-08-22 | 中国市政工程华北设计研究总院有限公司 | A system for the production, transmission, distribution and reuse of regenerated water into the heating network |
Citations (3)
| Publication number | Priority date | Publication date | Assignee | Title |
|---|---|---|---|---|
| CN102942265A (en) * | 2012-11-16 | 2013-02-27 | 南京中电环保工程有限公司 | Whole-membrane-process water treatment integration device |
| CN207313382U (en) * | 2017-10-12 | 2018-05-04 | 陕西延长中煤榆林能源化工有限公司 | A kind of coal chemical sewage recycling makees the combination unit of boiler feedwater |
| CN213416590U (en) * | 2020-05-06 | 2021-06-11 | 北京京西燃气热电有限公司 | System for recycling urban reclaimed water by using full membrane method |
-
2020
- 2020-05-06 CN CN202010374085.5A patent/CN111573971A/en active Pending
Patent Citations (3)
| Publication number | Priority date | Publication date | Assignee | Title |
|---|---|---|---|---|
| CN102942265A (en) * | 2012-11-16 | 2013-02-27 | 南京中电环保工程有限公司 | Whole-membrane-process water treatment integration device |
| CN207313382U (en) * | 2017-10-12 | 2018-05-04 | 陕西延长中煤榆林能源化工有限公司 | A kind of coal chemical sewage recycling makees the combination unit of boiler feedwater |
| CN213416590U (en) * | 2020-05-06 | 2021-06-11 | 北京京西燃气热电有限公司 | System for recycling urban reclaimed water by using full membrane method |
Cited By (10)
| Publication number | Priority date | Publication date | Assignee | Title |
|---|---|---|---|---|
| CN112079495A (en) * | 2020-08-31 | 2020-12-15 | 华北电力科学研究院有限责任公司 | Automatic control system and method for combining reverse osmosis equipment and EDI device |
| CN112079495B (en) * | 2020-08-31 | 2023-01-06 | 华北电力科学研究院有限责任公司 | Automatic control system and method for combination of reverse osmosis equipment and EDI device |
| CN112919693A (en) * | 2021-01-21 | 2021-06-08 | 倍杰特集团股份有限公司 | Full-membrane-process desalted water treatment system and treatment method thereof |
| CN113045059A (en) * | 2021-03-04 | 2021-06-29 | 中国电力工程顾问集团华北电力设计院有限公司 | Treatment system and treatment process for realizing zero discharge of wastewater by full-membrane method |
| CN113603281A (en) * | 2021-07-15 | 2021-11-05 | 华能荆门热电有限责任公司 | Operation method for fine control water treatment of power plant boiler feedwater system |
| CN115745263A (en) * | 2022-11-16 | 2023-03-07 | 北京德安源环境科技发展有限公司 | Reclaimed water recycling system for long-distance heat supply pipe network and treatment method |
| CN115849638A (en) * | 2023-01-12 | 2023-03-28 | 杭州英普环境技术股份有限公司 | Short-range pure water preparation system and method |
| CN115893776A (en) * | 2023-02-22 | 2023-04-04 | 北京中矿科技集团有限公司 | High-efficient desalination system |
| CN116621369A (en) * | 2023-05-09 | 2023-08-22 | 中国市政工程华北设计研究总院有限公司 | A system for the production, transmission, distribution and reuse of regenerated water into the heating network |
| CN116495937A (en) * | 2023-05-25 | 2023-07-28 | 内蒙古京宁热电有限责任公司 | Urban reclaimed water treatment system based on immersed ultrafiltration |
Similar Documents
| Publication | Publication Date | Title |
|---|---|---|
| CN111573971A (en) | A system and method for reusing urban reclaimed water by using a full-membrane method | |
| CN107481780B (en) | A kind of membrane treatment appts for uranium-bearing liquid waste processing | |
| CN214654101U (en) | Chemical water treatment recycling system of thermal power plant | |
| CN103601310A (en) | Water processing method and device thereof of seawater desalination system | |
| CN113045059A (en) | Treatment system and treatment process for realizing zero discharge of wastewater by full-membrane method | |
| CN106044948A (en) | Device and method for treating reverse osmosis strong brine by aid of nano-filtration membrane and reverse osmosis membrane combinations | |
| CN201424407Y (en) | Reverse osmosis and nanofiltration system used in treating high-density organic wastewater | |
| CN213416590U (en) | System for recycling urban reclaimed water by using full membrane method | |
| CN203373223U (en) | Water treatment device of seawater desalination system | |
| CN105347440A (en) | Backwashing system and process for cleaning filter membrane | |
| CN109987739A (en) | A kind of container-type seawater desalination system | |
| CN105399249A (en) | Advanced municipal sewage treatment device and method | |
| CN112028273B (en) | A high-recovery rate water reuse deep treatment system and treatment method | |
| CN213141592U (en) | High rate of recovery reuse of reclaimed water advanced treatment system | |
| CN207130053U (en) | A kind of RO concentrated waters and the water reuse (treatment processing system of recirculated water draining | |
| CN207108747U (en) | A kind of textile printing and dyeing wastewater processing system | |
| CN104986922A (en) | Sewage reuse system and sewage treatment method | |
| CN205575719U (en) | Electroplating effluent recycling system | |
| CN204265554U (en) | A kind of wiring board Cleaning Wastewater cleansing and recycling system | |
| CN112266121A (en) | Method and system for preparing desalted water by efficiently treating mixed surface water | |
| CN202139130U (en) | Concentrated water recycling system of reverse osmosis filter device | |
| CN102491454B (en) | Desized wastewater ultrafiltration pretreatment system based on jet aeration | |
| CN213924384U (en) | System for preparing demineralized water through high-efficiency treatment of mixed surface water | |
| CN106830451A (en) | The deionization integral treatment method and device of a kind of desalination water | |
| CN211111345U (en) | Energy-saving reverse osmosis equipment |
Legal Events
| Date | Code | Title | Description |
|---|---|---|---|
| PB01 | Publication | ||
| PB01 | Publication | ||
| SE01 | Entry into force of request for substantive examination | ||
| SE01 | Entry into force of request for substantive examination | ||
| RJ01 | Rejection of invention patent application after publication | ||
| RJ01 | Rejection of invention patent application after publication |
Application publication date: 20200825 |
