CN111572408A - 利用电驱动系统对动力电池加热的方法及电动汽车 - Google Patents
利用电驱动系统对动力电池加热的方法及电动汽车 Download PDFInfo
- Publication number
- CN111572408A CN111572408A CN202010477539.1A CN202010477539A CN111572408A CN 111572408 A CN111572408 A CN 111572408A CN 202010477539 A CN202010477539 A CN 202010477539A CN 111572408 A CN111572408 A CN 111572408A
- Authority
- CN
- China
- Prior art keywords
- actual
- temperature
- current
- control power
- inverter module
- Prior art date
- Legal status (The legal status is an assumption and is not a legal conclusion. Google has not performed a legal analysis and makes no representation as to the accuracy of the status listed.)
- Pending
Links
- 238000010438 heat treatment Methods 0.000 title claims abstract description 37
- 238000000034 method Methods 0.000 title claims abstract description 31
- 238000007599 discharging Methods 0.000 claims description 13
- 238000001514 detection method Methods 0.000 claims description 7
- 238000010586 diagram Methods 0.000 description 14
- 238000013459 approach Methods 0.000 description 3
- 230000010287 polarization Effects 0.000 description 3
- 230000008569 process Effects 0.000 description 3
- 230000001105 regulatory effect Effects 0.000 description 3
- 230000002457 bidirectional effect Effects 0.000 description 2
- 238000013461 design Methods 0.000 description 2
- 230000007613 environmental effect Effects 0.000 description 2
- 230000006872 improvement Effects 0.000 description 2
- 230000002093 peripheral effect Effects 0.000 description 2
- 239000002826 coolant Substances 0.000 description 1
- 239000008358 core component Substances 0.000 description 1
- 230000007547 defect Effects 0.000 description 1
- 238000011161 development Methods 0.000 description 1
- 238000012986 modification Methods 0.000 description 1
- 230000004048 modification Effects 0.000 description 1
- 230000002035 prolonged effect Effects 0.000 description 1
- 230000001737 promoting effect Effects 0.000 description 1
- 230000009467 reduction Effects 0.000 description 1
- 230000001502 supplementing effect Effects 0.000 description 1
- 238000012546 transfer Methods 0.000 description 1
Images
Classifications
-
- B—PERFORMING OPERATIONS; TRANSPORTING
- B60—VEHICLES IN GENERAL
- B60L—PROPULSION OF ELECTRICALLY-PROPELLED VEHICLES; SUPPLYING ELECTRIC POWER FOR AUXILIARY EQUIPMENT OF ELECTRICALLY-PROPELLED VEHICLES; ELECTRODYNAMIC BRAKE SYSTEMS FOR VEHICLES IN GENERAL; MAGNETIC SUSPENSION OR LEVITATION FOR VEHICLES; MONITORING OPERATING VARIABLES OF ELECTRICALLY-PROPELLED VEHICLES; ELECTRIC SAFETY DEVICES FOR ELECTRICALLY-PROPELLED VEHICLES
- B60L58/00—Methods or circuit arrangements for monitoring or controlling batteries or fuel cells, specially adapted for electric vehicles
- B60L58/10—Methods or circuit arrangements for monitoring or controlling batteries or fuel cells, specially adapted for electric vehicles for monitoring or controlling batteries
- B60L58/24—Methods or circuit arrangements for monitoring or controlling batteries or fuel cells, specially adapted for electric vehicles for monitoring or controlling batteries for controlling the temperature of batteries
-
- B—PERFORMING OPERATIONS; TRANSPORTING
- B60—VEHICLES IN GENERAL
- B60L—PROPULSION OF ELECTRICALLY-PROPELLED VEHICLES; SUPPLYING ELECTRIC POWER FOR AUXILIARY EQUIPMENT OF ELECTRICALLY-PROPELLED VEHICLES; ELECTRODYNAMIC BRAKE SYSTEMS FOR VEHICLES IN GENERAL; MAGNETIC SUSPENSION OR LEVITATION FOR VEHICLES; MONITORING OPERATING VARIABLES OF ELECTRICALLY-PROPELLED VEHICLES; ELECTRIC SAFETY DEVICES FOR ELECTRICALLY-PROPELLED VEHICLES
- B60L58/00—Methods or circuit arrangements for monitoring or controlling batteries or fuel cells, specially adapted for electric vehicles
- B60L58/10—Methods or circuit arrangements for monitoring or controlling batteries or fuel cells, specially adapted for electric vehicles for monitoring or controlling batteries
-
- B—PERFORMING OPERATIONS; TRANSPORTING
- B60—VEHICLES IN GENERAL
- B60L—PROPULSION OF ELECTRICALLY-PROPELLED VEHICLES; SUPPLYING ELECTRIC POWER FOR AUXILIARY EQUIPMENT OF ELECTRICALLY-PROPELLED VEHICLES; ELECTRODYNAMIC BRAKE SYSTEMS FOR VEHICLES IN GENERAL; MAGNETIC SUSPENSION OR LEVITATION FOR VEHICLES; MONITORING OPERATING VARIABLES OF ELECTRICALLY-PROPELLED VEHICLES; ELECTRIC SAFETY DEVICES FOR ELECTRICALLY-PROPELLED VEHICLES
- B60L58/00—Methods or circuit arrangements for monitoring or controlling batteries or fuel cells, specially adapted for electric vehicles
- B60L58/10—Methods or circuit arrangements for monitoring or controlling batteries or fuel cells, specially adapted for electric vehicles for monitoring or controlling batteries
- B60L58/24—Methods or circuit arrangements for monitoring or controlling batteries or fuel cells, specially adapted for electric vehicles for monitoring or controlling batteries for controlling the temperature of batteries
- B60L58/27—Methods or circuit arrangements for monitoring or controlling batteries or fuel cells, specially adapted for electric vehicles for monitoring or controlling batteries for controlling the temperature of batteries by heating
-
- H—ELECTRICITY
- H02—GENERATION; CONVERSION OR DISTRIBUTION OF ELECTRIC POWER
- H02M—APPARATUS FOR CONVERSION BETWEEN AC AND AC, BETWEEN AC AND DC, OR BETWEEN DC AND DC, AND FOR USE WITH MAINS OR SIMILAR POWER SUPPLY SYSTEMS; CONVERSION OF DC OR AC INPUT POWER INTO SURGE OUTPUT POWER; CONTROL OR REGULATION THEREOF
- H02M7/00—Conversion of AC power input into DC power output; Conversion of DC power input into AC power output
- H02M7/66—Conversion of AC power input into DC power output; Conversion of DC power input into AC power output with possibility of reversal
- H02M7/68—Conversion of AC power input into DC power output; Conversion of DC power input into AC power output with possibility of reversal by static converters
- H02M7/72—Conversion of AC power input into DC power output; Conversion of DC power input into AC power output with possibility of reversal by static converters using discharge tubes with control electrode or semiconductor devices with control electrode
- H02M7/79—Conversion of AC power input into DC power output; Conversion of DC power input into AC power output with possibility of reversal by static converters using discharge tubes with control electrode or semiconductor devices with control electrode using devices of a triode or transistor type requiring continuous application of a control signal
- H02M7/797—Conversion of AC power input into DC power output; Conversion of DC power input into AC power output with possibility of reversal by static converters using discharge tubes with control electrode or semiconductor devices with control electrode using devices of a triode or transistor type requiring continuous application of a control signal using semiconductor devices only
-
- Y—GENERAL TAGGING OF NEW TECHNOLOGICAL DEVELOPMENTS; GENERAL TAGGING OF CROSS-SECTIONAL TECHNOLOGIES SPANNING OVER SEVERAL SECTIONS OF THE IPC; TECHNICAL SUBJECTS COVERED BY FORMER USPC CROSS-REFERENCE ART COLLECTIONS [XRACs] AND DIGESTS
- Y02—TECHNOLOGIES OR APPLICATIONS FOR MITIGATION OR ADAPTATION AGAINST CLIMATE CHANGE
- Y02T—CLIMATE CHANGE MITIGATION TECHNOLOGIES RELATED TO TRANSPORTATION
- Y02T10/00—Road transport of goods or passengers
- Y02T10/60—Other road transportation technologies with climate change mitigation effect
- Y02T10/70—Energy storage systems for electromobility, e.g. batteries
-
- Y—GENERAL TAGGING OF NEW TECHNOLOGICAL DEVELOPMENTS; GENERAL TAGGING OF CROSS-SECTIONAL TECHNOLOGIES SPANNING OVER SEVERAL SECTIONS OF THE IPC; TECHNICAL SUBJECTS COVERED BY FORMER USPC CROSS-REFERENCE ART COLLECTIONS [XRACs] AND DIGESTS
- Y02—TECHNOLOGIES OR APPLICATIONS FOR MITIGATION OR ADAPTATION AGAINST CLIMATE CHANGE
- Y02T—CLIMATE CHANGE MITIGATION TECHNOLOGIES RELATED TO TRANSPORTATION
- Y02T10/00—Road transport of goods or passengers
- Y02T10/60—Other road transportation technologies with climate change mitigation effect
- Y02T10/72—Electric energy management in electromobility
Landscapes
- Engineering & Computer Science (AREA)
- Power Engineering (AREA)
- Life Sciences & Earth Sciences (AREA)
- Sustainable Development (AREA)
- Sustainable Energy (AREA)
- Transportation (AREA)
- Mechanical Engineering (AREA)
- Electric Propulsion And Braking For Vehicles (AREA)
Abstract
本发明公开了利用电驱动系统对动力电池加热的方法及电动汽车,方法包括以下步骤:采集动力电池的实际温度;将实际温度与预设加热温度阈值进行比较;若实际温度低于或等于预设加热温度阈值,则根据实际温度获取对应的预设电流限值;调节电驱动系统中逆变模块的开关状态,使得能量在动力电池与电驱动系统中的电机之间双向流动;计算动力电池的实际电流;调节逆变模块的占空比,直到实际电流满足预设电流限值。本发明利用电动汽车既有的电机和电机控制器,无需增加额外的成本,同时加热方式为从电池内部加热,热传导损耗小且加热效率高。
Description
技术领域
本发明涉及新能源乘用车技术领域,尤其涉及利用电驱动系统对动力电池加热的方法及电动汽车。
背景技术
近几年,中国从政策上积极推动新能源汽车的发展,目的是为了应对车辆排放所带来的环境问题及能源短缺问题。动力电池作为新能源汽车的核心部件,为驱动电机提供动力能源的同时向整车提供所有用电附件的电源,直接决定了新能源汽车的续航里程。然而,新能源汽车在低温环境下,动力电池容易受到温度影响,进而影响车辆的正常使用及客户体验,具体体现在以下两个方面:
1、低温工况下放电能力受限导致驱动系统的驱动能力受到限制;
2、低温工况下充电能力受限导致整车在能量耗尽后无法及时补电或延长补电时间;
考虑到新能源汽车在冬季常需要在低于0℃的温度条件下运行及充电,在部分高纬度地区,环境温度条件甚至会低于-25℃,基本接近电池充放电温度的下限。由于上述应用环境温度对动力电池的约束,限制了新能源汽车的应用及普及范围。
现有技术中已出现采用加热系统从外部对动力电池进行加热的技术方案,例如贴敷在电池包表面的加热膜或者通过采用诸如加热丝或电阻等元件加热动力电池冷却介质使电池升温,以保障电驱动系统的驱动能力及电池的补电能力。然而,这种外围加热措施的引入,不仅会增加整车的成本和重量,同时外围加热措施不能直接加热电芯,导致热传导损耗较大,加热效率较低,能源得不到有效利用。
因此,如何设计提升加热效率高的动力电池加热方法及电动汽车是业界亟待解决的技术问题。
发明内容
为了解决现有加热效率低的缺陷,本发明提出利用电驱动系统对动力电池加热的方法及电动汽车,利用电动汽车既有的电机和电机控制器,无需增加额外的成本,同时加热方式为从电池内部加热,热传导损耗小且加热效率高。
本发明采用的技术方案是,设计利用电驱动系统对动力电池进行加热的方法,电驱动系统包括:电机、连接在电机和动力电池之间的逆变模块、控制逆变模块工作状态的电机控制器,方法包括以下步骤:
采集动力电池的实际温度;
将实际温度与预设加热温度阈值进行比较;
若实际温度低于或等于预设加热温度阈值,则根据实际温度获取对应的预设电流限值;
调节逆变模块的开关状态,使得能量在动力电池与电机之间双向流动;
计算动力电池的实际电流;
调节逆变模块的占空比,直到实际电流满足预设电流限值。
在一实施例中,逆变模块为全控功率器件组成的三相全桥逆变模块,全控功率器件优选采用IGBT。
其中,调节逆变模块的开关状态包括:电机控制器向逆变模块发出第一指令或第二指令,第一指令和第二指令周期性切换。
当电机控制器发出第一指令时,逆变模块的任意一个或两个桥臂的上桥全控功率器件导通、剩余桥臂的下桥全控功率器件导通,电机控制器调节逆变模块的占空比至实际电流满足预设电流限值。
当电机控制器发出第二指令时,使逆变模块中导通的上桥全控功率器件为电机控制器发出第一指令时未导通的上桥全控功率器件,同时使逆变器模块中导通的下桥全控功率器件为电机控制器发出第一指令时未导通的下桥全控功率器件,电机控制器调节逆变模块的占空比至实际电流满足预设电流限值。
优选的,获取对应的预设电流限值的方式为:预先设置温度查找表,温度查找表中具有多个连续的温度区间,每个温度区间均设有对应一个预设电流限值,根据实际温度从温度查找表中获取对应的预设电流限值。
优选的,预设电流限值小于电机控制器允许的输出最大持续直流母线电流,同时预设电流限值小于动力电池在其对应实际温度下的最大允许充电电流,且预设电流限值小于动力电池在其对应实际温度下的最大允许放电电流。
在一实施例中,计算动力电池的实际电流的方式为:采集电机的三相电流信号;
判断U相电流Iu的方向为正方向或负方向,若是正方向,则Idc_U=UHiduty*Iu,若是负方向,则Idc_U=(1-ULiDuty)*Iu;
判断V相电流Iv的方向为正方向或负方向,若是正方向,则Idc_V=VHiduty*iv,若是负方向,则Idc_V=(1-VLiDuty)*Iv;
判断W相电流Iw的方向为正方向或负方向,若是正方向,则Idc_W=WHiduty*iw,若是负方向,设定Idc_W=(1-WLiDuty)*Iw;
实际电流=Idc_U+Idc_V+Idc_W;
其中,正方向为电流从逆变模块流向电机,负方向与正方向相反,UHiduty、ULiDuty、VHiduty、VLiDuty、WHiduty、WLiDuty依次为U相桥臂的上桥全控功率器件实际占空比、U相桥臂的下桥全控功率器件实际占空比、V相桥臂的上桥全控功率器件实际占空比、V相桥臂的下桥全控功率器件实际占空比、W相桥臂的上桥全控功率器件实际占空比、W相桥臂的下桥全控功率器件实际占空比。
当实际电流小于预设电流限值时,同时增加逆变模块中全控功率器件的占空比,直到实际电流满足预设电流限值。
优选的,上述方法还包括:获取电机或逆变模块中全控功率器件的检测温度,若检测温度超过预设高温温度,则降低实际电流。
本发明还提出了电动汽车,包括:动力电池、电池管理系统和电驱动系统,电驱动系统采用上述方法对动力电池进行加热。
优选的,电动汽车启动之前,电驱动系统接收由电池管理系统采集获得的动力电池的实际温度,若实际温度高于预设加热温度阈值,则电动汽车正常启动行驶。
与现有技术相比,本发明利用电动汽车既有的电驱动系统,通过电驱动系统控制动力电池和电机交替储能及释放能量,进而调节动力电池的充放电电流,利用充放电电流在动力电池内部的欧姆内阻与极化内阻上产生焦耳热,以从电池内部加热使动力电池升温,此种方式无需增加整车额外的成本,同时由于从电池内部加热,热传导损耗小,加热效率高。
附图说明
下面结合实施例和附图对本发明进行详细说明,其中:
图1为一定SOC状态下某种动力电池充电过程总内阻随温度变化的曲线;
图2为一定SOC状态下某种动力电池放电过程总内阻随温度变化的曲线;
图3为动力电池加热的温升曲线图;
图4为动力电池加热方法的控制流程示意图;
图5为动力电池的加热电流波形图;
图6为第一实施例中发出第一指令的逆变模块全控功率器件开关状态图;
图7为第一实施例中第一指令结束的逆变模块全控功率器件开关状态图
图8为第一实施例中发出第二指令的逆变模块全控功率器件开关状态图;
图9为第一实施例中第二指令结束的逆变模块全控功率器件开关状态图;
图10为第二实施例中发出第一指令的逆变模块全控功率器件开关状态图;
图11为第二实施例中第一指令结束的逆变模块全控功率器件开关状态图;
图12为第二实施例中发出第二指令的逆变模块全控功率器件开关状态图;
图13为第二实施例中第二指令结束的逆变模块全控功率器件开关状态图;
图14为第三实施例中发出第一指令的逆变模块全控功率器件开关状态图;
图15为第三实施例中第一指令结束的逆变模块全控功率器件开关状态图;
图16为第三实施例中发出第二指令的逆变模块全控功率器件开关状态图;
图17为第三实施例中第二指令结束的逆变模块全控功率器件开关状态图;
图18为实际电流的估算流程图。
具体实施方式
本发明提出的方法是是在现有电动汽车的基础之上进行改进,利用电动汽车自带的电驱动系统对动力电池加热,整车无需增加额外的部件或装置,成本低且传热效率高。具体来说,电驱动系统包括:电机、逆变模块及电机控制器,逆变模块连接在电机和动力电池之间,电机控制器控制逆变模块的工作状态,电动汽车中电驱动系统的逆变模块通常为三相全桥逆变模块,三相全桥逆变模块由全控功率器件组成,全控功率器件优选采用IGBT。
本发明使利用动力电池内阻在充放电过程中产生的焦耳热量Q=i^2×t加热电池,从图1及图2可以看出随着温度的降低,电池欧姆内阻及极化内阻均会增加,采用充放电电流利用在欧姆内阻与极化内阻上产生的焦耳热量对电池电芯进行加热,并且,温度越低则充放电总内阻越大,充放电电流一定的条件下,产生的焦耳热量越多,电池升温越快,这样的温度特性能够满足电动汽车的动力电池在低温工况下快速升温的要求,动力电池加热的升温曲线如图 3所示。
如图4所示,下面详细介绍利用电驱动系统对动力电池加热的方法,其包括以下步骤:
采集动力电池的实际温度Ti;
将实际温度Ti与预设加热温度阈值进行比较;
若实际温度Ti低于或等于预设加热温度阈值,则判定动力电池的温度过低,需要对动力电池进行加热,根据实际温度Ti获取该实际温度对应的预设电流限值IReq;
调节电驱动系统中逆变模块的开关状态,使得能量在动力电池与电机之间双向流动;
计算动力电池的实际电流Idc;
调节电驱动中逆变模块的占空比,直到实际电流Idc满足预设电流限值IReq,此处满足预设电流限值IReq是指接近或等于预设电流限值IReq,例如,设定预设电流限值IReq减去调节值为接近判断点,实际电流Idc超过该接近判断点即为接近预设电流限值IReq,调节值的设计可根据实际情况而定。
在优选实施例中,调节电驱动系统逆变模块的开关状态包括:电机控制器向逆变模块发出第一指令或第二指令,第一指令和第二指令周期性切换,此处的指令即为向逆变模块中各全控功率器件门极输出的驱动信号,驱动信号包含向全控功率器件门极输出对应的开关信号及占空比。以一个可标定的周期间隔,对第一指令及第二指令进行切换,由于上述切换的结果会使实际电流在电流形式上成为一个周期性交变的交流电流,在一实施例中,交变周期的范围是500Hz~2kHz,其电流波形如图5所示。
本发明提供了逆变模块开关状态的三种可行方案,以下三种方案仅作举例说明,并不用以限定本发明仅有这三种方案。
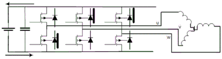
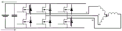
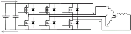
第一种如图6至9所示:
当电机控制器发出第一指令时,逆变模块的中间桥臂的上桥全控功率器件导通、其余两个桥臂的下桥全控功率器件导通,中间桥臂的下桥全控功率器件关断、其余两个桥臂的上桥全控功率器件关断,电机控制器调节逆变模块的占空比至实际电流满足预设电流限值。第一指令发出期间的电流流向如图6所示,动力电池给电机的电感充电,第一指令结束时的电流流向如图7所示,此时电机的电感释放能量。
当电机控制器发出第二指令时,逆变模块中间桥臂的下桥全控功率器件导通、其余两个桥臂的上桥全控功率器件导通,中间桥臂的上桥全控功率器件关断、其余两个桥臂的下桥全控功率器件关断,电机控制器调节逆变模块的占空比至实际电流满足预设电流限值。第二指令发出期间的电流流向如图8所示,动力电池给电机的电感充电,第二指令结束时的电流流向如图9所示,此时电机的电感释放能量。
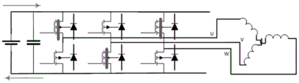
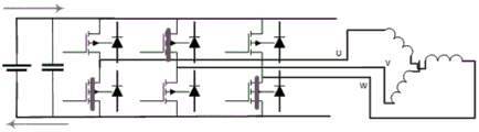
第二种如图10至13所示:
当电机控制器发出第一指令时,逆变模块的右侧桥臂的上桥全控功率器件导通、其余两个桥臂的下桥全控功率器件导通,右侧桥臂的下桥全控功率器件关断、其余两个桥臂的上桥全控功率器件关断,电机控制器调节逆变模块的占空比至实际电流满足预设电流限值。第一指令发出期间的电流流向如图10所示,动力电池给电机的电感充电,第一指令结束时的电流流向如图11所示,此时电机的电感释放能量。
当电机控制器发出第二指令时,逆变模块右侧桥臂的下桥全控功率器件导通,其余两个桥臂的上桥全控功率器件导通,右侧桥臂的上桥全控功率器件关断、其余两个桥臂的下桥全控功率器件关断,电机控制器调节逆变模块的占空比至实际电流满足预设电流限值。第二指令发出期间的电流流向如图12所示,动力电池给电机的电感充电,第二指令结束时的电流流向如图13所示,此时电机的电感释放能量。
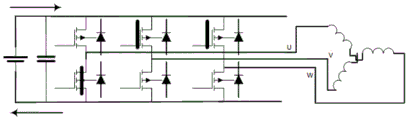
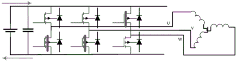
第三种如图14至17所示,
当电机控制器发出第一指令时,逆变模块的左侧桥臂的上桥全控功率器件导通、其余两个桥臂的下桥全控功率器件导通,左侧桥臂的下桥全控功率器件关断、其余两个桥臂的上桥全控功率器件关断,电机控制器调节逆变模块的占空比至实际电流满足预设电流限值。第一指令发出期间的电流流向如图14所示,动力电池给电机的电感充电,第一指令结束时的电流流向如图15所示,此时电机的电感释放能量。
当电机控制器发出第二指令时,逆变模块左侧桥臂的下桥全控功率器件导通、其余两个桥臂的上桥全控功率器件导通,左侧桥臂的上桥全控功率器件关断、其余两个桥臂的下桥全控功率器件关断,电机控制器调节逆变模块的占空比至实际电流满足预设电流限值。第二指令发出期间的电流流向如图16所示,动力电池给电机的电感充电,第二指令结束时的电流流向如图17所示,此时电机的电感释放能量。
需要说明的是,获取对应的预设电流限值的方式为:预先设置温度查找表,温度查找表中具有多个连续的温度区间,每个温度区间均设有对应一个预设电流限值IReq(Ti),根据实际温度从温度查找表中获取对应的预设电流限值IReq (Ti)。预设电流限值IReq(Ti)小于电机控制器允许的输出最大持续直流母线电流,同时预设电流限值IReq (Ti)小于动力电池在其对应实际温度Ti下的最大允许充电电流,且小于动力电池在其对应实际温度Ti下的最大允许放电电流。
在优选实施例中,如图18所示,计算动力电池的实际电流的方式为:
采集电机的三相电流信号;
判断U相电流Iu的方向为正方向或负方向,若是正方向,则Idc_U=UHiduty*Iu,若是负方向,则Idc_U=(1-ULiDuty)*Iu;
判断V相电流Iv的方向为正方向或负方向,若是正方向,则Idc_V=VHiduty*iv,若是负方向,则Idc_V=(1-VLiDuty)*Iv;
判断W相电流Iw的方向为正方向或负方向,若是正方向,则Idc_W=WHiduty*iw,若是负方向,设定Idc_W=(1-WLiDuty)*Iw;
实际电流Idc=Idc_U+Idc_V+Idc_W;
其中,正方向为电流从逆变模块流向电机,负方向与正方向相反,即负方向为电流从电机流向逆变模块,UHiduty、ULiDuty、VHiduty、VLiDuty、WHiduty、WLiDuty依次为U相桥臂的上桥全控功率器件实际占空比、U相桥臂的下桥全控功率器件实际占空比、V相桥臂的上桥全控功率器件实际占空比、V相桥臂的下桥全控功率器件实际占空比、W相桥臂的上桥全控功率器件实际占空比、W相桥臂的下桥全控功率器件实际占空比。
调节电驱动系统中逆变模块的占空比的方式为:当实际电流小于预设电流限值时,同时增加向逆变模块中全控功率器件门极输出信号的占空比,直到实际电流满足预设电流限值。
进一步的,为了避免过大的充放电电流在电机及逆变模块的全控功率器件上产生过大的热量进而损坏电机或全控功率器件,上述方法还包括:获取电机或逆变模块中全控功率器件的检测温度,若检测温度超过预设高温温度,则降低实际电流,从而对电机及全控功率器件进行保护。
获取电机或逆变模块中全控功率器件的检测温度有两种方式:第一种是采用测温传感器测量电机温度或采用测温传感器测量全控功率器件的温度。另一种方式是采集电流及电机电流估算出电机损耗,进而估算电机温度,或者采集电流电压及全控功率器件电流估算出全控功率器件损耗,进而估算出全控功率器件温度。
本发明还提出了电动汽车,包括:动力电池、电池管理系统和电驱动系统,电驱动系统采用上述方法对动力电池进行加热。
电动汽车启动之前,电驱动系统接收由电池管理系统采集获得的动力电池的实际温度,若实际温度高于预设加热温度阈值,则电驱动系统启动电机,电动汽车正常启动行驶,若实际温度低于或等于预设加热温度阈值,则在实际电流满足预设电流限值后,电驱动系统启动电机,电动汽车正常启动行驶。
以上所述仅为本发明的较佳实施例而已,并不用以限制本发明,凡在本发明的精神和原则之内所作的任何修改、等同替换和改进等,均应包含在本发明的保护范围之内。
Claims (10)
1.一种利用电驱动系统对动力电池进行加热的方法,所述电驱动系统包括:电机、连接在所述电机和所述动力电池之间的逆变模块、控制所述逆变模块工作状态的电机控制器;其特征在于,所述方法包括以下步骤:
采集动力电池的实际温度;
将所述实际温度与预设加热温度阈值进行比较;
若所述实际温度低于或等于预设加热温度阈值,则根据所述实际温度获取对应的预设电流限值;
调节所述逆变模块的开关状态,使得能量在所述动力电池与所述电机之间双向流动;
计算所述动力电池的实际电流;
调节所述逆变模块的占空比,直到所述实际电流满足所述预设电流限值。
2.根据权利要求1所述的方法,其特征在于,所述逆变模块为由全控功率器件组成的三相全桥逆变模块,所述调节逆变模块的开关状态包括:所述电机控制器向所述逆变模块发出第一指令或第二指令,所述第一指令和所述第二指令周期性切换;
当所述电机控制器发出第一指令时,所述逆变模块中任意一个或两个桥臂的上桥全控功率器件导通、剩余桥臂的下桥全控功率器件导通;
当所述电机控制器发出第二指令时,使所述逆变模块中导通的上桥全控功率器件为所述电机控制器发出第一指令时未导通的上桥全控功率器件,同时使所述逆变器模块中导通的下桥全控功率器件为所述电机控制器发出第一指令时未导通的下桥全控功率器件。
3.根据权利要求2所述的方法,其特征在于,
当所述电机控制器发出第一指令时,所述电机控制器调节所述逆变模块的占空比至所述实际电流满足所述预设电流限值;
当所述电机控制器发出第二指令时,所述电机控制器调节所述逆变模块的占空比至所述实际电流满足所述预设电流限值。
4.根据权利要求3所述的方法,其特征在于,所述获取对应的预设电流限值的方式为:预先设置温度查找表,所述温度查找表中具有多个连续的温度区间,每个所述温度区间均设有对应一个预设电流限值,根据所述实际温度从所述温度查找表中获取对应的预设电流限值。
5.根据权利要求3所述的方法,其特征在于,所述预设电流限值小于所述电机控制器允许的输出最大持续直流母线电流,同时所述预设电流限值小于所述动力电池在其对应实际温度下的最大允许充电电流,且所述预设电流限值小于所述动力电池在其对应实际温度下的最大允许放电电流。
6.根据权利要求3所述的方法,其特征在于,计算所述动力电池的实际电流的方式为:采集所述电机的三相电流信号;
判断U相电流Iu的方向为正方向或负方向,若是正方向,则Idc_U=UHiduty*Iu,若是负方向,则Idc_U=(1-ULiDuty)*Iu;
判断V相电流Iv的方向为正方向或负方向,若是正方向,则Idc_V=VHiduty*iv,若是负方向,则Idc_V=(1-VLiDuty)*Iv;
判断W相电流Iw的方向为正方向或负方向,若是正方向,则Idc_W=WHiduty*iw,若是负方向,设定Idc_W=(1-WLiDuty)*Iw;
所述实际电流=Idc_U+Idc_V+Idc_W;
其中,所述正方向为电流从所述逆变模块流向所述电机,所述负方向与所述正方向相反,UHiduty、ULiDuty、VHiduty、VLiDuty、WHiduty、WLiDuty依次为U相桥臂的上桥全控功率器件实际占空比、U相桥臂的下桥全控功率器件实际占空比、V相桥臂的上桥全控功率器件实际占空比、V相桥臂的下桥全控功率器件实际占空比、W相桥臂的上桥全控功率器件实际占空比、W相桥臂的下桥全控功率器件实际占空比。
7.根据权利要求6所述的方法,其特征在于,当所述实际电流小于预设电流限值时,同时增加所述逆变模块中全控功率器件的占空比,直到所述实际电流满足预设电流限值。
8.根据权利要求1所述的方法,其特征在于,还包括:获取所述电机或所述逆变模块中全控功率器件的检测温度,若所述检测温度超过预设高温温度,则降低实际电流。
9.一种电动汽车,包括:动力电池、电池管理系统和电驱动系统,其特征在于,所述电驱动系统采用上述方法对动力电池进行加热。
10.根据权利要求9所述的电动汽车,其特征在于,所述电动汽车启动之前,所述电驱动系统接收由所述电池管理系统采集获得的所述动力电池的实际温度,若所述实际温度高于预设加热温度阈值,则所述电动汽车正常启动行驶。
Priority Applications (2)
| Application Number | Priority Date | Filing Date | Title |
|---|---|---|---|
| CN202010477539.1A CN111572408A (zh) | 2020-05-29 | 2020-05-29 | 利用电驱动系统对动力电池加热的方法及电动汽车 |
| PCT/CN2020/117205 WO2021237990A1 (zh) | 2020-05-29 | 2020-09-23 | 利用电驱动系统对动力电池加热的方法及电动汽车 |
Applications Claiming Priority (1)
| Application Number | Priority Date | Filing Date | Title |
|---|---|---|---|
| CN202010477539.1A CN111572408A (zh) | 2020-05-29 | 2020-05-29 | 利用电驱动系统对动力电池加热的方法及电动汽车 |
Publications (1)
| Publication Number | Publication Date |
|---|---|
| CN111572408A true CN111572408A (zh) | 2020-08-25 |
Family
ID=72119602
Family Applications (1)
| Application Number | Title | Priority Date | Filing Date |
|---|---|---|---|
| CN202010477539.1A Pending CN111572408A (zh) | 2020-05-29 | 2020-05-29 | 利用电驱动系统对动力电池加热的方法及电动汽车 |
Country Status (2)
| Country | Link |
|---|---|
| CN (1) | CN111572408A (zh) |
| WO (1) | WO2021237990A1 (zh) |
Cited By (6)
| Publication number | Priority date | Publication date | Assignee | Title |
|---|---|---|---|---|
| WO2021237990A1 (zh) * | 2020-05-29 | 2021-12-02 | 上海威迈斯新能源有限公司 | 利用电驱动系统对动力电池加热的方法及电动汽车 |
| CN114643905A (zh) * | 2020-12-21 | 2022-06-21 | 中车时代电动汽车股份有限公司 | 一种基于驱动系统控制动力电池组自加热的方法及系统 |
| CN114834319A (zh) * | 2022-03-04 | 2022-08-02 | 华为电动技术有限公司 | 动力电池加热方法、装置、芯片系统及电动汽车 |
| WO2022160286A1 (zh) * | 2021-01-29 | 2022-08-04 | 华为数字能源技术有限公司 | 一种电机控制器、动力总成、控制方法及电动车辆 |
| CN115649012A (zh) * | 2022-10-31 | 2023-01-31 | 重庆长安汽车股份有限公司 | 电机主动降效加热控制方法、装置、设备、车辆及存储介质 |
| CN117706409A (zh) * | 2024-02-06 | 2024-03-15 | 北京西清能源科技有限公司 | 一种电芯充放电测试电路及其控制方法 |
Families Citing this family (5)
| Publication number | Priority date | Publication date | Assignee | Title |
|---|---|---|---|---|
| CN114516282B (zh) * | 2021-12-23 | 2025-03-04 | 浙江吉利控股集团有限公司 | 一种电动汽车蓄电池补电方法及系统 |
| CN114274844B (zh) * | 2021-12-29 | 2023-10-24 | 臻驱科技(上海)有限公司 | 一种用于电机的动力电池的加热控制方法、系统及电动车 |
| CN114604103B (zh) * | 2022-03-17 | 2024-02-02 | 威睿电动汽车技术(宁波)有限公司 | 电机的主动加热方法、装置、设备、存储介质及程序产品 |
| CN115377552A (zh) * | 2022-04-24 | 2022-11-22 | 宁德时代新能源科技股份有限公司 | 一种动力电池自加热控制方法、系统、存储介质及电子设备 |
| CN117002328B (zh) * | 2022-04-29 | 2024-09-10 | 比亚迪股份有限公司 | 电池自加热装置、方法及车辆 |
Citations (5)
| Publication number | Priority date | Publication date | Assignee | Title |
|---|---|---|---|---|
| CN207967253U (zh) * | 2017-11-27 | 2018-10-12 | 河南森源重工有限公司 | 电池组低温加热装置、电池模块及车辆 |
| WO2018192314A1 (zh) * | 2017-04-18 | 2018-10-25 | 上海蔚来汽车有限公司 | 电动汽车及其低压蓄电池电量管理系统 |
| CN108878996A (zh) * | 2018-05-22 | 2018-11-23 | 宁德时代新能源科技股份有限公司 | 电池组系统及其控制方法、管理设备 |
| CN110341543A (zh) * | 2019-07-08 | 2019-10-18 | 中国第一汽车股份有限公司 | 高压下电控制方法、交流充电系统及电动汽车 |
| CN110970965A (zh) * | 2019-06-24 | 2020-04-07 | 宁德时代新能源科技股份有限公司 | 开关控制装置及方法、电机控制器和电池组加热控制系统 |
Family Cites Families (7)
| Publication number | Priority date | Publication date | Assignee | Title |
|---|---|---|---|---|
| CN101453192A (zh) * | 2007-11-28 | 2009-06-10 | 比亚迪股份有限公司 | 动力输出装置及其控制方法 |
| JP6024601B2 (ja) * | 2012-11-26 | 2016-11-16 | 株式会社豊田自動織機 | インバータの暖機制御装置 |
| CN103560304B (zh) * | 2013-11-19 | 2016-05-04 | 东风汽车公司 | 一种电动汽车动力电池组加热控制方法 |
| CN108847513B (zh) * | 2018-05-08 | 2020-07-24 | 北京航空航天大学 | 一种锂离子电池低温加热控制方法 |
| CN110015202B (zh) * | 2019-03-28 | 2021-01-22 | 清华大学 | 电动汽车电池加热方法 |
| CN109823234B (zh) * | 2019-04-23 | 2019-07-16 | 上海汽车集团股份有限公司 | 一种驱动系统的控制方法、驱动系统及新能源汽车 |
| CN111572408A (zh) * | 2020-05-29 | 2020-08-25 | 上海威迈斯新能源有限公司 | 利用电驱动系统对动力电池加热的方法及电动汽车 |
-
2020
- 2020-05-29 CN CN202010477539.1A patent/CN111572408A/zh active Pending
- 2020-09-23 WO PCT/CN2020/117205 patent/WO2021237990A1/zh not_active Ceased
Patent Citations (5)
| Publication number | Priority date | Publication date | Assignee | Title |
|---|---|---|---|---|
| WO2018192314A1 (zh) * | 2017-04-18 | 2018-10-25 | 上海蔚来汽车有限公司 | 电动汽车及其低压蓄电池电量管理系统 |
| CN207967253U (zh) * | 2017-11-27 | 2018-10-12 | 河南森源重工有限公司 | 电池组低温加热装置、电池模块及车辆 |
| CN108878996A (zh) * | 2018-05-22 | 2018-11-23 | 宁德时代新能源科技股份有限公司 | 电池组系统及其控制方法、管理设备 |
| CN110970965A (zh) * | 2019-06-24 | 2020-04-07 | 宁德时代新能源科技股份有限公司 | 开关控制装置及方法、电机控制器和电池组加热控制系统 |
| CN110341543A (zh) * | 2019-07-08 | 2019-10-18 | 中国第一汽车股份有限公司 | 高压下电控制方法、交流充电系统及电动汽车 |
Non-Patent Citations (1)
| Title |
|---|
| 李伟: "《电动汽车维修快速入门60天》", 机械工业出版社, pages: 85 - 93 * |
Cited By (9)
| Publication number | Priority date | Publication date | Assignee | Title |
|---|---|---|---|---|
| WO2021237990A1 (zh) * | 2020-05-29 | 2021-12-02 | 上海威迈斯新能源有限公司 | 利用电驱动系统对动力电池加热的方法及电动汽车 |
| CN114643905A (zh) * | 2020-12-21 | 2022-06-21 | 中车时代电动汽车股份有限公司 | 一种基于驱动系统控制动力电池组自加热的方法及系统 |
| CN114643905B (zh) * | 2020-12-21 | 2025-03-25 | 中车时代电动汽车股份有限公司 | 一种基于驱动系统控制动力电池组自加热的方法及系统 |
| WO2022160286A1 (zh) * | 2021-01-29 | 2022-08-04 | 华为数字能源技术有限公司 | 一种电机控制器、动力总成、控制方法及电动车辆 |
| CN114834319A (zh) * | 2022-03-04 | 2022-08-02 | 华为电动技术有限公司 | 动力电池加热方法、装置、芯片系统及电动汽车 |
| CN115649012A (zh) * | 2022-10-31 | 2023-01-31 | 重庆长安汽车股份有限公司 | 电机主动降效加热控制方法、装置、设备、车辆及存储介质 |
| CN115649012B (zh) * | 2022-10-31 | 2024-06-04 | 重庆长安汽车股份有限公司 | 电机主动降效加热控制方法、装置、设备、车辆及存储介质 |
| CN117706409A (zh) * | 2024-02-06 | 2024-03-15 | 北京西清能源科技有限公司 | 一种电芯充放电测试电路及其控制方法 |
| CN117706409B (zh) * | 2024-02-06 | 2024-04-30 | 北京西清能源科技有限公司 | 一种电芯充放电测试电路及其控制方法 |
Also Published As
| Publication number | Publication date |
|---|---|
| WO2021237990A1 (zh) | 2021-12-02 |
Similar Documents
| Publication | Publication Date | Title |
|---|---|---|
| CN111572408A (zh) | 利用电驱动系统对动力电池加热的方法及电动汽车 | |
| US12100819B2 (en) | Switch control device and method, motor controller, and battery pack heating control system | |
| US11338702B2 (en) | Control system and method for battery pack heating system, and battery pack heating management system | |
| CN110316022B (zh) | 车辆的电源系统 | |
| US11349162B2 (en) | Automotive battery heater | |
| WO2021023019A1 (zh) | 电池组的热管理方法 | |
| JP5849917B2 (ja) | 電気自動車におけるバッテリ昇温制御装置 | |
| CN104216439B (zh) | 用于控制燃料电池车的电子部件的冷却的装置和方法 | |
| US7084590B2 (en) | Booster and motor controller | |
| CN110370953B (zh) | 用于车辆的逆变器系统及其控制方法 | |
| CN112103595A (zh) | 车用动力电池预热装置及其控制方法 | |
| CN110962692A (zh) | 电池组加热系统及其控制方法 | |
| CN111216600A (zh) | 一种可调加热速度的电池系统及其控制方法 | |
| CN114763078A (zh) | 用于谐振加热电池的系统和方法 | |
| CN101223685A (zh) | 二次电池控制设备与二次电池控制方法 | |
| CN103329388B (zh) | 二次电池的输出控制装置 | |
| CN110316003B (zh) | 车辆的电源系统 | |
| JP2013141337A (ja) | 車両の制御装置およびそれを備える車両 | |
| JP2018026300A (ja) | 充電システム | |
| CN112078433A (zh) | 车用动力电池低温预热装置及其控制方法 | |
| JP2010004627A (ja) | 充電システム及び充電方法 | |
| US20090167079A1 (en) | DC-DC Converter for Electric Automobile | |
| CN101453192A (zh) | 动力输出装置及其控制方法 | |
| CN107769670A (zh) | 用于控制开关频率的系统和方法 | |
| CN106208686B (zh) | 用于控制混合动力车辆的hdc的装置和方法 |
Legal Events
| Date | Code | Title | Description |
|---|---|---|---|
| PB01 | Publication | ||
| PB01 | Publication | ||
| SE01 | Entry into force of request for substantive examination | ||
| SE01 | Entry into force of request for substantive examination | ||
| RJ01 | Rejection of invention patent application after publication | ||
| RJ01 | Rejection of invention patent application after publication |
Application publication date: 20200825 |