CN111519745A - A subsidence type green space rainwater collection device for sponge city construction - Google Patents
A subsidence type green space rainwater collection device for sponge city construction Download PDFInfo
- Publication number
- CN111519745A CN111519745A CN202010380651.3A CN202010380651A CN111519745A CN 111519745 A CN111519745 A CN 111519745A CN 202010380651 A CN202010380651 A CN 202010380651A CN 111519745 A CN111519745 A CN 111519745A
- Authority
- CN
- China
- Prior art keywords
- rainwater
- water
- filter
- pipe
- support frame
- Prior art date
- Legal status (The legal status is an assumption and is not a legal conclusion. Google has not performed a legal analysis and makes no representation as to the accuracy of the status listed.)
- Withdrawn
Links
- 238000010276 construction Methods 0.000 title claims abstract description 23
- XLYOFNOQVPJJNP-UHFFFAOYSA-N water Substances O XLYOFNOQVPJJNP-UHFFFAOYSA-N 0.000 claims abstract description 80
- 239000004568 cement Substances 0.000 claims abstract description 33
- 239000004576 sand Substances 0.000 claims abstract description 29
- 238000005086 pumping Methods 0.000 claims abstract description 21
- 238000000746 purification Methods 0.000 claims abstract description 19
- 238000003860 storage Methods 0.000 claims abstract description 13
- 238000000926 separation method Methods 0.000 claims abstract description 12
- OKTJSMMVPCPJKN-UHFFFAOYSA-N Carbon Chemical compound [C] OKTJSMMVPCPJKN-UHFFFAOYSA-N 0.000 claims description 57
- 238000001914 filtration Methods 0.000 claims description 32
- 239000012528 membrane Substances 0.000 claims description 23
- 238000001223 reverse osmosis Methods 0.000 claims description 12
- 229920000742 Cotton Polymers 0.000 claims description 10
- 238000005485 electric heating Methods 0.000 claims description 5
- 230000002070 germicidal effect Effects 0.000 claims description 5
- 238000007789 sealing Methods 0.000 claims description 4
- 239000003651 drinking water Substances 0.000 claims 3
- 235000020188 drinking water Nutrition 0.000 claims 3
- 229910052799 carbon Inorganic materials 0.000 claims 1
- 239000000126 substance Substances 0.000 abstract description 8
- 239000004575 stone Substances 0.000 abstract description 2
- 238000010586 diagram Methods 0.000 description 5
- 238000000034 method Methods 0.000 description 4
- 239000002699 waste material Substances 0.000 description 3
- 239000000084 colloidal system Substances 0.000 description 2
- 239000003673 groundwater Substances 0.000 description 2
- 239000011148 porous material Substances 0.000 description 2
- 241000894006 Bacteria Species 0.000 description 1
- 241000700605 Viruses Species 0.000 description 1
- 238000012271 agricultural production Methods 0.000 description 1
- 238000006298 dechlorination reaction Methods 0.000 description 1
- 238000004042 decolorization Methods 0.000 description 1
- 238000004332 deodorization Methods 0.000 description 1
- 238000009826 distribution Methods 0.000 description 1
- 239000003792 electrolyte Substances 0.000 description 1
- 238000005265 energy consumption Methods 0.000 description 1
- 238000005516 engineering process Methods 0.000 description 1
- 230000007613 environmental effect Effects 0.000 description 1
- 239000003344 environmental pollutant Substances 0.000 description 1
- 230000005484 gravity Effects 0.000 description 1
- 229910001385 heavy metal Inorganic materials 0.000 description 1
- 238000009776 industrial production Methods 0.000 description 1
- 239000007788 liquid Substances 0.000 description 1
- 238000005374 membrane filtration Methods 0.000 description 1
- 244000005700 microbiome Species 0.000 description 1
- 239000008239 natural water Substances 0.000 description 1
- 239000005416 organic matter Substances 0.000 description 1
- 230000003204 osmotic effect Effects 0.000 description 1
- 239000002245 particle Substances 0.000 description 1
- 231100000719 pollutant Toxicity 0.000 description 1
- 230000002285 radioactive effect Effects 0.000 description 1
- 230000000717 retained effect Effects 0.000 description 1
- 150000003839 salts Chemical class 0.000 description 1
- 239000002689 soil Substances 0.000 description 1
- 238000004659 sterilization and disinfection Methods 0.000 description 1
- 239000013589 supplement Substances 0.000 description 1
- 239000000271 synthetic detergent Substances 0.000 description 1
- 239000002351 wastewater Substances 0.000 description 1
- 238000003911 water pollution Methods 0.000 description 1
Images
Classifications
-
- E—FIXED CONSTRUCTIONS
- E03—WATER SUPPLY; SEWERAGE
- E03F—SEWERS; CESSPOOLS
- E03F5/00—Sewerage structures
- E03F5/10—Collecting-tanks; Equalising-tanks for regulating the run-off; Laying-up basins
- E03F5/101—Dedicated additional structures, interposed or parallel to the sewer system
-
- C—CHEMISTRY; METALLURGY
- C02—TREATMENT OF WATER, WASTE WATER, SEWAGE, OR SLUDGE
- C02F—TREATMENT OF WATER, WASTE WATER, SEWAGE, OR SLUDGE
- C02F9/00—Multistage treatment of water, waste water or sewage
-
- E—FIXED CONSTRUCTIONS
- E03—WATER SUPPLY; SEWERAGE
- E03F—SEWERS; CESSPOOLS
- E03F3/00—Sewer pipe-line systems
- E03F3/02—Arrangement of sewer pipe-lines or pipe-line systems
-
- C—CHEMISTRY; METALLURGY
- C02—TREATMENT OF WATER, WASTE WATER, SEWAGE, OR SLUDGE
- C02F—TREATMENT OF WATER, WASTE WATER, SEWAGE, OR SLUDGE
- C02F1/00—Treatment of water, waste water, or sewage
- C02F1/001—Processes for the treatment of water whereby the filtration technique is of importance
-
- C—CHEMISTRY; METALLURGY
- C02—TREATMENT OF WATER, WASTE WATER, SEWAGE, OR SLUDGE
- C02F—TREATMENT OF WATER, WASTE WATER, SEWAGE, OR SLUDGE
- C02F1/00—Treatment of water, waste water, or sewage
- C02F1/02—Treatment of water, waste water, or sewage by heating
-
- C—CHEMISTRY; METALLURGY
- C02—TREATMENT OF WATER, WASTE WATER, SEWAGE, OR SLUDGE
- C02F—TREATMENT OF WATER, WASTE WATER, SEWAGE, OR SLUDGE
- C02F1/00—Treatment of water, waste water, or sewage
- C02F1/28—Treatment of water, waste water, or sewage by sorption
- C02F1/281—Treatment of water, waste water, or sewage by sorption using inorganic sorbents
-
- C—CHEMISTRY; METALLURGY
- C02—TREATMENT OF WATER, WASTE WATER, SEWAGE, OR SLUDGE
- C02F—TREATMENT OF WATER, WASTE WATER, SEWAGE, OR SLUDGE
- C02F1/00—Treatment of water, waste water, or sewage
- C02F1/28—Treatment of water, waste water, or sewage by sorption
- C02F1/283—Treatment of water, waste water, or sewage by sorption using coal, charred products, or inorganic mixtures containing them
-
- C—CHEMISTRY; METALLURGY
- C02—TREATMENT OF WATER, WASTE WATER, SEWAGE, OR SLUDGE
- C02F—TREATMENT OF WATER, WASTE WATER, SEWAGE, OR SLUDGE
- C02F1/00—Treatment of water, waste water, or sewage
- C02F1/30—Treatment of water, waste water, or sewage by irradiation
- C02F1/32—Treatment of water, waste water, or sewage by irradiation with ultraviolet light
-
- C—CHEMISTRY; METALLURGY
- C02—TREATMENT OF WATER, WASTE WATER, SEWAGE, OR SLUDGE
- C02F—TREATMENT OF WATER, WASTE WATER, SEWAGE, OR SLUDGE
- C02F1/00—Treatment of water, waste water, or sewage
- C02F1/34—Treatment of water, waste water, or sewage with mechanical oscillations
- C02F1/36—Treatment of water, waste water, or sewage with mechanical oscillations ultrasonic vibrations
-
- C—CHEMISTRY; METALLURGY
- C02—TREATMENT OF WATER, WASTE WATER, SEWAGE, OR SLUDGE
- C02F—TREATMENT OF WATER, WASTE WATER, SEWAGE, OR SLUDGE
- C02F1/00—Treatment of water, waste water, or sewage
- C02F1/44—Treatment of water, waste water, or sewage by dialysis, osmosis or reverse osmosis
- C02F1/441—Treatment of water, waste water, or sewage by dialysis, osmosis or reverse osmosis by reverse osmosis
-
- C—CHEMISTRY; METALLURGY
- C02—TREATMENT OF WATER, WASTE WATER, SEWAGE, OR SLUDGE
- C02F—TREATMENT OF WATER, WASTE WATER, SEWAGE, OR SLUDGE
- C02F2103/00—Nature of the water, waste water, sewage or sludge to be treated
- C02F2103/001—Runoff or storm water
-
- C—CHEMISTRY; METALLURGY
- C02—TREATMENT OF WATER, WASTE WATER, SEWAGE, OR SLUDGE
- C02F—TREATMENT OF WATER, WASTE WATER, SEWAGE, OR SLUDGE
- C02F2303/00—Specific treatment goals
- C02F2303/04—Disinfection
Landscapes
- Life Sciences & Earth Sciences (AREA)
- Hydrology & Water Resources (AREA)
- Engineering & Computer Science (AREA)
- Water Supply & Treatment (AREA)
- Health & Medical Sciences (AREA)
- Public Health (AREA)
- Environmental & Geological Engineering (AREA)
- Chemical & Material Sciences (AREA)
- Organic Chemistry (AREA)
- Separation Using Semi-Permeable Membranes (AREA)
- Water Treatment By Sorption (AREA)
Abstract
本发明公开了一种海绵城市建设用沉降式绿地雨水收集装置,包括:蓄水池、过滤池、雨水收集箱以及若干个结构相同的凹型引流水泥块,所述雨水收集箱通过引导过滤结构连接于过滤池内,所述过滤池通过抽水结构连接于蓄水池上,若干个所述凹型引流水泥块通过引流结构连接于雨水收集箱,所述过滤池内安装有过滤结构,所述蓄水池内安装有净水结构,通过过滤管将若干个凹型引流水泥块收集来的水聚集到一起,同时通过其上的砂石分离网,将水进行先期分离,通过砂石卸料阀门,将过滤后的砂石引流出来,通过过滤结构以及净水结构,将水进行过滤出来,将水中的部分物质过滤出来,通过紫外线以及高温将过滤后的水进行杀菌处理。
The invention discloses a subsidence-type green space rainwater collection device for sponge city construction, comprising: a water storage tank, a filter tank, a rainwater collection tank and several concave drainage cement blocks with the same structure, the rainwater collection tanks are connected by a guiding filter structure In the filter tank, the filter tank is connected to the reservoir through a pumping structure, and several of the concave drainage cement blocks are connected to the rainwater collection tank through the drainage structure. The filter structure is installed in the filter tank. The water purification structure collects the water collected by several concave drainage cement blocks through the filter tube, and at the same time separates the water in advance through the sand and gravel separation net on it, and passes through the sand and gravel discharge valve. The stone is drained out, and the water is filtered out through the filter structure and the water purification structure, and some substances in the water are filtered out, and the filtered water is sterilized by ultraviolet rays and high temperature.
Description
技术领域technical field
本发明涉及雨水收集技术领域,特别是一种海绵城市建设用沉降式绿地雨水收集装置。The invention relates to the technical field of rainwater collection, in particular to a subsidence-type green space rainwater collection device for sponge city construction.
背景技术Background technique
我国的水资源浪费十分严重。水资源匮乏是不争的事实。如何循环使用水资源,减少水资源的浪费是成为首要任务。随着水资源供需矛盾的日益加剧,越来越多的国家认识到雨水资源的价值,并采取了很多相应的措施,因地制宜的进行雨水综合利用,伴随着我国社会经济的快速发展,水资源日益短缺,水污染也更加严重,水的供求矛盾日益突出,这已成为限制我国工农业生产及城市发展的一个重要因素。雨水作为一种最根本、最直接、最经济的水资源长期被人们忽视,雨水的收集及综合利用不但可以减少地下水的开采,而且还可以补充部分地下水,减轻整个自然界水循环系统的压力,减少水土流失,对建设生态农业、生态城市,保护环境都具有十分重大的意义。建筑屋面的雨水由于被污染程度较轻、水质较好,具有更好的直接利用价值,鉴于此,针对上述问题深入研究,遂有本案产生。The waste of water resources in my country is very serious. Water scarcity is an indisputable fact. How to recycle water resources and reduce the waste of water resources is the top priority. With the increasing contradiction between supply and demand of water resources, more and more countries have recognized the value of rainwater resources, and have taken many corresponding measures to comprehensively utilize rainwater according to local conditions. With the rapid development of my country's social economy, water resources are increasingly The shortage of water, the more serious water pollution, and the increasingly prominent contradiction between water supply and demand have become an important factor restricting my country's industrial and agricultural production and urban development. Rainwater, as one of the most fundamental, direct and economical water resources, has been neglected for a long time. The collection and comprehensive utilization of rainwater can not only reduce the exploitation of groundwater, but also supplement part of the groundwater, reduce the pressure on the entire natural water circulation system, and reduce the amount of water and soil. The loss is of great significance to the construction of ecological agriculture, ecological cities and environmental protection. The rainwater on the roof of the building has better direct utilization value due to its less polluted degree and better water quality. In view of this, in-depth research on the above problems resulted in this case.
发明内容SUMMARY OF THE INVENTION
本发明的目的是为了解决上述问题,设计了一种海绵城市建设用沉降式绿地雨水收集装置,解决了现有的雨水浪费的问题。The purpose of the present invention is to solve the above problems, and design a subsidence type green space rainwater collection device for sponge city construction, which solves the existing problem of rainwater waste.
实现上述目的本发明的技术方案为:一种海绵城市建设用沉降式绿地雨水收集装置,包括:蓄水池、过滤池、雨水收集箱以及若干个结构相同的凹型引流水泥块,所述雨水收集箱通过引导过滤结构连接于过滤池内,所述过滤池通过抽水结构连接于蓄水池上,若干个所述凹型引流水泥块通过引流结构连接于雨水收集箱,所述过滤池内安装有过滤结构,所述蓄水池内安装有净水结构;The technical scheme of the present invention to achieve the above purpose is: a subsidence type green space rainwater collection device for sponge city construction, comprising: a water storage tank, a filter tank, a rainwater collection tank and several concave drainage cement blocks with the same structure, the rainwater collection The tank is connected to the filter tank through the guiding filter structure, the filter tank is connected to the reservoir through the pumping structure, and several of the concave drainage cement blocks are connected to the rainwater collection tank through the drainage structure. A water purification structure is installed in the reservoir;
所述引流结构包含有:若干个结构相同的引导管、若干个结构相同的雨水引流管以及若干个结构相同的过滤网;The drainage structure includes: several guide pipes with the same structure, several rainwater drainage pipes with the same structure, and several filter screens with the same structure;
若干个所述雨水引流管分别插装于若干个所述凹型引流水泥块上,若干个所述引导管分别插装于若干个所述凹型引流水泥块上,且若干个所述引导管分别连接于若干个所述雨水引流管上,若干个所述过滤网分别活动插装于若干个所述凹型引流水泥块凹槽处。A plurality of the rainwater drainage pipes are respectively inserted on a plurality of the concave drainage cement blocks, a plurality of the guide pipes are respectively inserted on a plurality of the concave drainage cement blocks, and a plurality of the guide pipes are respectively connected On a plurality of the rainwater drainage pipes, a plurality of the filter screens are respectively movably inserted in the grooves of the plurality of the concave drainage cement blocks.
优选的,所述过滤结构包含有:鹅卵石层、活性碳层、半透膜、小号网状环形过滤支撑架、中号网状环形过滤支撑架以及大号网状环形过滤支撑架;Preferably, the filtering structure comprises: a pebble layer, an activated carbon layer, a semi-permeable membrane, a small mesh annular filter support frame, a medium mesh annular filter support frame and a large mesh annular filter support frame;
所述小号网状环形过滤支撑架安装于过滤池内,所述中号网状环形过滤支撑架安装于过滤池内,且所述中号网状环形过滤支撑架位于小号网状环形过滤支撑架外侧,所述大号网状环形过滤支撑架安装于过滤池内,且所述大号网状环形过滤支撑架位于中号网状环形过滤支撑架外侧,所述鹅卵石层安装于小号网状环形过滤支撑架内,所述活性碳层安装于中号网状环形过滤支撑架内,所述半透膜安装于大号网状环形过滤支撑架内。The small mesh annular filter support frame is installed in the filter tank, the medium mesh annular filter support frame is installed in the filter tank, and the medium mesh annular filter support frame is located in the small mesh annular filter support frame. Outside, the large mesh annular filter support frame is installed in the filter tank, and the large mesh annular filter support frame is located outside the medium mesh annular filter support frame, and the cobblestone layer is installed on the small mesh annular filter support frame. In the filter support frame, the activated carbon layer is installed in the medium-sized mesh annular filter support frame, and the semi-permeable membrane is installed in the large mesh-shaped annular filter support frame.
优选的,所述引导过滤结构包含有:过滤管、雨水引导管、雨水引导驱动机、雨水引导阀门、砂石卸料阀门以及砂石分离网;Preferably, the guide filtering structure includes: a filter pipe, a rainwater guide pipe, a rainwater guide driver, a rainwater guide valve, a sand and gravel discharge valve, and a sand and gravel separation net;
所述过滤管插装于雨水收集箱内,所述过滤管上开设有过滤口,所述砂石分离网安装于过滤口上,所述雨水引导阀门安装于雨水收集箱内,所述雨水引导驱动机安装于雨水引导阀门上,所述雨水引导管安装于雨水引导驱动机驱动端上,且所述雨水引导管另一端连接于过滤池上,所述砂石卸料阀门安装于雨水收集箱底端上,且所述砂石卸料阀门连接于过滤管上。The filter pipe is inserted into the rainwater collection tank, the filter pipe is provided with a filter port, the sand and gravel separation net is installed on the filter port, the rainwater guide valve is installed in the rainwater collection tank, and the rainwater guide drive The rainwater guide pipe is installed on the rainwater guiding valve, the rainwater guiding pipe is installed on the driving end of the rainwater guiding driver, and the other end of the rainwater guiding pipe is connected to the filter tank, and the sand discharge valve is installed on the bottom end of the rainwater collection tank , and the sand and gravel discharge valve is connected to the filter pipe.
优选的,所述抽水结构包含有:抽水泵、抽水阀门以及抽水管;Preferably, the pumping structure includes: a pumping pump, a pumping valve and a pumping pipe;
所述抽水阀门安装于过滤池上,所述抽水泵安装于抽水阀门上,所述抽水管安装于抽水泵上,且所述抽水管插装于蓄水池内。The suction valve is installed on the filter tank, the suction pump is installed on the suction valve, the suction pipe is installed on the suction pump, and the suction pipe is inserted into the reservoir.
优选的,所述净水结构包含有:PP棉、活性炭管以及反渗透膜;Preferably, the water purification structure includes: PP cotton, activated carbon tube and reverse osmosis membrane;
所述抽水管上开设有净水口,所述PP棉安装于净水口上,所述活性炭管安装于蓄水池内,所述活性炭管位于抽水管外侧,所述反渗透膜安装于活性炭管外侧。The suction pipe is provided with a water purification port, the PP cotton is installed on the water purification port, the activated carbon pipe is installed in the reservoir, the activated carbon pipe is located outside the suction pipe, and the reverse osmosis membrane is installed outside the activated carbon pipe. .
优选的,所述过滤池以及蓄水池外侧设置有超声波发射器。Preferably, an ultrasonic transmitter is provided outside the filter tank and the reservoir.
优选的,所述蓄水池内设置有电热管。Preferably, an electric heating pipe is arranged in the storage tank.
优选的,所述蓄水池内设置有紫外线杀菌灯。Preferably, an ultraviolet germicidal lamp is provided in the reservoir.
优选的,若干个所述雨水引流管通过密封套首尾连接。Preferably, several of the rainwater drainage pipes are connected end to end through a sealing sleeve.
优选的,若干个所述凹型引流水泥块内凹槽成梯形。Preferably, the grooves in several of the concave drainage cement blocks are trapezoidal.
利用本发明的技术方案制作的海绵城市建设用沉降式绿地雨水收集装置,通过过滤管,将通过若干个凹型引流水泥块收集来的水聚集到一起,同时通过其上的砂石分离网,将水进行先期分离,通过砂石卸料阀门,将过滤后的砂石引流出来,通过过滤结构以及净水结构,将水进行过滤出来,将水中的部分物质过滤出来,通过紫外线以及高温将过滤后的水进行杀菌处理,同时通过超声波发射器将使得水过滤更加方便彻底。The subsidence-type green space rainwater collection device for sponge city construction made by using the technical solution of the present invention collects the water collected by several concave drainage cement blocks through the filter pipe, and at the same time, the sand and gravel separation net on the water is collected by the filter pipe. The water is separated in advance, and the filtered sand and gravel are drained out through the sand and gravel discharge valve, and the water is filtered out through the filter structure and the water purification structure, and some substances in the water are filtered out. The water is sterilized, and at the same time, the ultrasonic transmitter will make the water filtration more convenient and thorough.
附图说明Description of drawings
图1为本发明所述一种海绵城市建设用沉降式绿地雨水收集装置的主视剖视结构示意图。1 is a schematic cross-sectional structural schematic diagram of a front view of a subsidence-type green space rainwater collection device for sponge city construction according to the present invention.
图2为本发明所述一种海绵城市建设用沉降式绿地雨水收集装置的俯视剖视结构示意图。FIG. 2 is a schematic top-view cross-sectional structural diagram of a subsidence-type green space rainwater collection device for sponge city construction according to the present invention.
图3为本发明所述一种海绵城市建设用沉降式绿地雨水收集装置的侧视剖视结构示意图。Fig. 3 is a side sectional structural schematic diagram of a subsidence type green space rainwater collection device for sponge city construction according to the present invention.
图4为本发明所述一种海绵城市建设用沉降式绿地雨水收集装置的过滤池侧视剖视结构示意图。FIG. 4 is a schematic side sectional structural diagram of a filter tank of a subsidence-type green space rainwater collection device for sponge city construction according to the present invention.
图5为本发明所述一种海绵城市建设用沉降式绿地雨水收集装置的蓄水池侧视剖视结构示意图。Fig. 5 is a schematic cross-sectional structural schematic diagram of a side view of a reservoir of a subsidence-type green space rainwater collection device for sponge city construction according to the present invention.
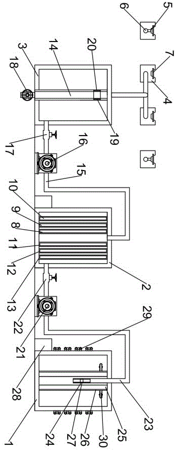
图中:1-蓄水池;2-过滤池;3-雨水收集箱;4-凹型引流水泥块;5-引导管;6-雨水引流管;7-过滤网;8-鹅卵石层;9-活性碳层;10-半透膜;11-小号网状环形过滤支撑架;12-中号网状环形过滤支撑架;13-大号网状环形过滤支撑架;14-过滤管;15-雨水引导管;16-雨水引导驱动机;17-雨水引导阀门;18-砂石卸料阀门;19-砂石分离网;20-过滤口;21-抽水泵;22-抽水阀门;23-抽水管;24-PP棉;25-活性炭管;26-反渗透膜;27-净水口;28-超声波发射器;29-电热管;30-紫外线杀菌灯;31-密封套。In the picture: 1- Reservoir; 2- Filter tank; 3- Rainwater collection tank; 4- Concave drainage cement block; 5- Guide pipe; 6- Rainwater drainage pipe; 7- Filter screen; 8- Pebble layer; 9- Activated carbon layer; 10-semi-permeable membrane; 11-small mesh ring filter support frame; 12-medium mesh ring filter support frame; 13-large mesh ring filter support frame; 14-filter tube; 15- Rainwater guiding pipe; 16-rainwater guiding driver; 17-rainwater guiding valve; 18-gravel discharge valve; 19-gravel separation net; 20-filter port; 21-suction pump; 22-water pumping valve; 23-pumping Water pipe; 24-PP cotton; 25-Activated carbon pipe; 26-Reverse osmosis membrane; 27-Water purification port; 28-Ultrasonic transmitter;
具体实施方式Detailed ways
下面结合附图对本发明进行具体描述,如图1-5所示,一种海绵城市建设用沉降式绿地雨水收集装置,包括:蓄水池1、过滤池2、雨水收集箱3以及若干个结构相同的凹型引流水泥块4,所述雨水收集箱3通过引导过滤结构连接于过滤池2内,所述过滤池2通过抽水结构连接于蓄水池1上,若干个所述凹型引流水泥块4通过引流结构连接于雨水收集箱3,所述过滤池2内安装有过滤结构,所述蓄水池1内安装有净水结构;所述引流结构包含有:若干个结构相同的引导管5、若干个结构相同的雨水引流管6以及若干个结构相同的过滤网7;若干个所述雨水引流管6分别插装于若干个所述凹型引流水泥块4上,若干个所述引导管5分别插装于若干个所述凹型引流水泥块4上,且若干个所述引导管5分别连接于若干个所述雨水引流管6上,若干个所述过滤网7分别活动插装于若干个所述凹型引流水泥块4凹槽处;所述过滤结构包含有:鹅卵石层8、活性碳层9、半透膜10、小号网状环形过滤支撑架11、中号网状环形过滤支撑架12以及大号网状环形过滤支撑架13;所述小号网状环形过滤支撑架11安装于过滤池2内,所述中号网状环形过滤支撑架12安装于过滤池2内,且所述中号网状环形过滤支撑架12位于小号网状环形过滤支撑架11外侧,所述大号网状环形过滤支撑架13安装于过滤池2内,且所述大号网状环形过滤支撑架13位于中号网状环形过滤支撑架12外侧,所述鹅卵石层8安装于小号网状环形过滤支撑架11内,所述活性碳层9安装于中号网状环形过滤支撑架12内,所述半透膜10安装于大号网状环形过滤支撑架13内;所述引导过滤结构包含有:过滤管14、雨水引导管15、雨水引导驱动机16、雨水引导阀门17、砂石卸料阀门18以及砂石分离网19;所述过滤管14插装于雨水收集箱3内,所述过滤管14上开设有过滤口20,所述砂石分离网19安装于过滤口20上,所述雨水引导阀门17安装于雨水收集箱3内,所述雨水引导驱动机16安装于雨水引导阀门17上,所述雨水引导管15安装于雨水引导驱动机16驱动端上,且所述雨水引导管15另一端连接于过滤池2上,所述砂石卸料阀门18安装于雨水收集箱3底端上,且所述砂石卸料阀门18连接于过滤管14上;所述抽水结构包含有:抽水泵21、抽水阀门22以及抽水管23;所述抽水阀门22安装于过滤池2上,所述抽水泵21安装于抽水阀门22上,所述抽水管23安装于抽水泵21上,且所述抽水管23插装于蓄水池1内;所述净水结构包含有:PP棉24、活性炭管25以及反渗透膜26;所述抽水管23上开设有净水口27,所述PP棉24安装于净水口27上,所述活性炭管25安装于蓄水池1内,所述活性炭管25位于抽水管23外侧,所述反渗透膜26安装于活性炭管25外侧;所述过滤池2以及蓄水池1外侧设置有超声波发射器28;所述蓄水池1内设置有电热管29;所述蓄水池1内设置有紫外线杀菌灯30;若干个所述雨水引流管6通过密封套31首尾连接;若干个所述凹型引流水泥块4内凹槽成梯形。The present invention will be specifically described below in conjunction with the accompanying drawings. As shown in Figures 1-5, a subsidence type green space rainwater collection device for sponge city construction includes: a reservoir 1, a
本实施方案的特点为,包括:蓄水池、过滤池、雨水收集箱以及若干个结构相同的凹型引流水泥块,雨水收集箱通过引导过滤结构连接于过滤池内,过滤池通过抽水结构连接于蓄水池上,若干个凹型引流水泥块通过引流结构连接于雨水收集箱,过滤池内安装有过滤结构,蓄水池内安装有净水结构;引流结构包含有:若干个结构相同的引导管、若干个结构相同的雨水引流管以及若干个结构相同的过滤网;若干个雨水引流管分别插装于若干个凹型引流水泥块上,若干个引导管分别插装于若干个凹型引流水泥块上,且若干个引导管分别连接于若干个雨水引流管上,若干个过滤网分别活动插装于若干个凹型引流水泥块凹槽处;通过过滤管,将通过若干个凹型引流水泥块收集来的水聚集到一起,同时通过其上的砂石分离网,将水进行先期分离,通过砂石卸料阀门,将过滤后的砂石引流出来,通过过滤结构以及净水结构,将水进行过滤出来,将水中的部分物质过滤出来,通过紫外线以及高温将过滤后的水进行杀菌处理,同时通过超声波发射器将使得水过滤更加方便彻底。The feature of this embodiment is that it includes: a water storage tank, a filter tank, a rainwater collection tank and several concave drainage cement blocks with the same structure, the rainwater collection tank is connected to the filter tank through a guiding filter structure, and the filter tank is connected to the storage tank through a pumping structure. On the pool, several concave drainage cement blocks are connected to the rainwater collection tank through the drainage structure, a filter structure is installed in the filter tank, and a water purification structure is installed in the reservoir; the drainage structure includes: several guide pipes with the same structure, several structures The same rainwater drainage pipe and a number of filters with the same structure; a number of rainwater drainage pipes are respectively inserted on a number of concave drainage cement blocks, and a number of guide pipes are respectively inserted on a number of concave drainage cement blocks, and several The guide pipes are respectively connected to a number of rainwater drainage pipes, and a number of filters are movably inserted into the grooves of a number of concave drainage cement blocks; through the filter pipes, the water collected through the concave drainage cement blocks is gathered together. At the same time, the water is separated in advance through the sand and gravel separation net on it, and the filtered sand and gravel are drained out through the sand and gravel discharge valve, and the water is filtered out through the filter structure and the water purification structure, and the water in the water is filtered out. Some substances are filtered out, and the filtered water is sterilized by ultraviolet rays and high temperature. At the same time, the ultrasonic transmitter will make the water filtration more convenient and thorough.
通过本领域人员,将本案中所有电气件与其适配的电源通过导线进行连接,并且应该根据实际情况,选择合适的控制器,以满足控制需求,具体连接以及控制顺序,应参考下述工作原理中,各电气件之间先后工作顺序完成电性连接,其详细连接手段,为本领域公知技术,下述主要介绍工作原理以及过程,不在对电气控制做说明。All the electrical components in this case are connected with the power supply to which they are adapted through wires by those skilled in the art, and an appropriate controller should be selected according to the actual situation to meet the control requirements. The specific connection and control sequence should refer to the following working principles Among them, the electrical connection between the electrical components is completed in sequence, and the detailed connection means are known in the art. The following mainly introduces the working principle and process, and does not describe the electrical control.
实施例:通过若干个凹型引流水泥块4,将雨水落入到凹型引流水泥块4凹槽内,通过凹型引流水泥块4上梯形凹槽将雨水以及路面上的雨水聚集到梯形凹槽内,通过凹型引流水泥块4凹槽内的过滤网7将树叶什么的大型东西阻挡在过滤网7上,同时雨水落入到引导管5内,通过引导管5将雨水引流到雨水引流管6,通过雨水引流管6将雨水引流到雨水收集箱3内,将雨水引流到过滤管14内,同时通过过滤管14上过滤口20内的砂石分离网19,将雨水中的砂石分流,雨水中的水通过砂石分流网19流出到过滤管14外侧,通过开启雨水引导阀门17,通过雨水引导驱动机16运作,将雨水收集箱3内的水通过雨水引导管15引流到过滤池2内,通过小号网状环形过滤支撑架11内的鹅卵石层8、中号网状环形过滤支撑架11内的活性炭层9以及大号网状环形过滤支撑架13内的半透膜10,通过鹅卵石层8、活性炭层9以及半透膜10,活性炭每克表面积为500-1700m,真比重为1.9-2.1。过滤时由于其多孔性可吸附各种液体中的微细物质,常用于水处理中的脱色、脱臭、脱氯、去除有机物及重金属、去除合成洗涤剂、细菌、病毒及放射性等污染物质,也常用于废水的三级处理,半透膜过滤法即用孔径较大的半透膜,在压差(一般在0.7~10千克力/厘米2)和紊流流动的情况下,溶液中的溶剂和电解质等能透过半渗透膜,而胶体、微粒和分子量较大的物质则被截留,通过水中的部分物质过滤出来,同时开启抽水阀门22,开启抽水泵21,将过滤后的水通过抽水管23,通过通过PP棉24、活性炭管25以及反渗透膜26对水进行二次过,反渗透技术原理是在高于溶液渗透压的作用下,依据其他物质不能透过半透膜 而将这些物质和水分离开来。反渗透膜的膜孔径非常小,因此能够有效地去除水中的溶解盐类、胶体、微生物、有机物等。系统具有水质好、耗能低、无污染、工艺简单、操作简便等优点,同时通过电热管29进行高温消毒,同时通过紫外线杀菌灯30,对水进行杀菌,从而达到将雨水过滤杀菌,从而达到雨水收集使用,通过砂石卸料阀门18开启,将过滤出来的砂石引流出来。Embodiment: through several concave
作为优选方案,更进一步的,所述过滤结构包含有:鹅卵石层8、活性碳层9、半透膜10、小号网状环形过滤支撑架11、中号网状环形过滤支撑架12以及大号网状环形过滤支撑架13;As a preferred solution, further, the filter structure includes: a
所述小号网状环形过滤支撑架11安装于过滤池2内,所述中号网状环形过滤支撑架12安装于过滤池2内,且所述中号网状环形过滤支撑架12位于小号网状环形过滤支撑架11外侧,所述大号网状环形过滤支撑架13安装于过滤池2内,且所述大号网状环形过滤支撑架13位于中号网状环形过滤支撑架12外侧,所述鹅卵石层8安装于小号网状环形过滤支撑架11内,所述活性碳层9安装于中号网状环形过滤支撑架12内,所述半透膜10安装于大号网状环形过滤支撑架13内。The small mesh ring
作为优选方案,更进一步的,所述引导过滤结构包含有:过滤管14、雨水引导管15、雨水引导驱动机16、雨水引导阀门17、砂石卸料阀门18以及砂石分离网19;As a preferred solution, further, the guide filtering structure includes: a
所述过滤管14插装于雨水收集箱3内,所述过滤管14上开设有过滤口20,所述砂石分离网19安装于过滤口20上,所述雨水引导阀门17安装于雨水收集箱3内,所述雨水引导驱动机16安装于雨水引导阀门17上,所述雨水引导管15安装于雨水引导驱动机16驱动端上,且所述雨水引导管15另一端连接于过滤池2上,所述砂石卸料阀门18安装于雨水收集箱3底端上,且所述砂石卸料阀门18连接于过滤管14上。The
作为优选方案,更进一步的,所述抽水结构包含有:抽水泵21、抽水阀门22以及抽水管23;As a preferred solution, further, the pumping structure includes: a pumping
所述抽水阀门22安装于过滤池2上,所述抽水泵21安装于抽水阀门22上,所述抽水管23安装于抽水泵21上,且所述抽水管23插装于蓄水池1内。The
作为优选方案,更进一步的,所述净水结构包含有:PP棉24、活性炭管25以及反渗透膜26;As a preferred solution, further, the water purification structure includes:
所述抽水管23上开设有净水口27,所述PP棉24安装于净水口27上,所述活性炭管25安装于蓄水池1内,所述活性炭管25位于抽水管23外侧,所述反渗透膜26安装于活性炭管25外侧。A
作为优选方案,更进一步的,所述过滤池2以及蓄水池1外侧设置有超声波发射器28。As a preferred solution, further, an
作为优选方案,更进一步的,所述蓄水池1内设置有电热管29。As a preferred solution, further, an
作为优选方案,更进一步的,所述蓄水池1内设置有紫外线杀菌灯30。As a preferred solution, further, an ultraviolet
作为优选方案,更进一步的,若干个所述雨水引流管6通过密封套31首尾连接。As a preferred solution, further, a plurality of the
作为优选方案,更进一步的,若干个所述凹型引流水泥块4内凹槽成梯形。As a preferred solution, further, the inner grooves of several of the concave drainage cement blocks 4 are trapezoidal.
上述技术方案仅体现了本发明技术方案的优选技术方案,本技术领域的技术人员对其中某些部分所可能做出的一些变动均体现了本发明的原理,属于本发明的保护范围之内。The above technical solutions only represent the preferred technical solutions of the technical solutions of the present invention, and some changes that those skilled in the art may make to some parts of them all reflect the principles of the present invention and fall within the protection scope of the present invention.
Claims (10)
Priority Applications (1)
| Application Number | Priority Date | Filing Date | Title |
|---|---|---|---|
| CN202010380651.3A CN111519745A (en) | 2020-05-08 | 2020-05-08 | A subsidence type green space rainwater collection device for sponge city construction |
Applications Claiming Priority (1)
| Application Number | Priority Date | Filing Date | Title |
|---|---|---|---|
| CN202010380651.3A CN111519745A (en) | 2020-05-08 | 2020-05-08 | A subsidence type green space rainwater collection device for sponge city construction |
Publications (1)
| Publication Number | Publication Date |
|---|---|
| CN111519745A true CN111519745A (en) | 2020-08-11 |
Family
ID=71907706
Family Applications (1)
| Application Number | Title | Priority Date | Filing Date |
|---|---|---|---|
| CN202010380651.3A Withdrawn CN111519745A (en) | 2020-05-08 | 2020-05-08 | A subsidence type green space rainwater collection device for sponge city construction |
Country Status (1)
| Country | Link |
|---|---|
| CN (1) | CN111519745A (en) |
Cited By (2)
| Publication number | Priority date | Publication date | Assignee | Title |
|---|---|---|---|---|
| CN112049215A (en) * | 2020-09-22 | 2020-12-08 | 吕永华 | Rainwater collection device is used in sponge city construction |
| CN113431141A (en) * | 2021-08-05 | 2021-09-24 | 湖南鸿云杭萧绿建科技有限公司 | Rainwater collection system of mobile house |
-
2020
- 2020-05-08 CN CN202010380651.3A patent/CN111519745A/en not_active Withdrawn
Cited By (2)
| Publication number | Priority date | Publication date | Assignee | Title |
|---|---|---|---|---|
| CN112049215A (en) * | 2020-09-22 | 2020-12-08 | 吕永华 | Rainwater collection device is used in sponge city construction |
| CN113431141A (en) * | 2021-08-05 | 2021-09-24 | 湖南鸿云杭萧绿建科技有限公司 | Rainwater collection system of mobile house |
Similar Documents
| Publication | Publication Date | Title |
|---|---|---|
| CN205822436U (en) | A kind of rainwater purification system of sponge urban construction | |
| CN209651999U (en) | A kind of multi-stage sewage filter device | |
| CN106759767A (en) | Rainwater-collecting reclaiming system and its collection reuse method | |
| CN105435495B (en) | A kind of efficient rain water filtering device | |
| CN213508764U (en) | Urban rainwater collection device | |
| CN111519745A (en) | A subsidence type green space rainwater collection device for sponge city construction | |
| CN203307872U (en) | Rainwater collecting, purifying and recycling integrated system for residential communities | |
| CN206428782U (en) | Rainwater-collecting reclaiming system | |
| CN210656600U (en) | Ecological restoration system of landscape water body | |
| CN207435204U (en) | A kind of sponge city water storage cleaning system | |
| CN216616123U (en) | A rainwater recovery unit for landscape architecture | |
| CN207878550U (en) | A kind of rainwater-collecting purification system for sponge city | |
| CN110255742A (en) | A kind of sewage-treatment plant that water resource recycles | |
| CN106400927A (en) | Rainwater collection integrated ecosystem | |
| CN206562633U (en) | A kind of urban rainwater pipeline purifies collection device | |
| CN213834741U (en) | Urban comprehensive sewage treatment device | |
| CN205742347U (en) | A kind of Novel rainwater collection blood circulation | |
| CN211946516U (en) | Urban domestic wastewater treatment device | |
| CN109650587B (en) | Multistage gardens sewage regeneration system that subsides | |
| CN103215985A (en) | Community rainwater utilization system based on secondary split-flow of rainwater and sewage | |
| CN214245183U (en) | Sponge urban road surface rainwater processing system | |
| CN105923886A (en) | Sewage recycling purification treatment system and method using the system | |
| CN110451714A (en) | A kind of multi-stage sewage treatment device | |
| CN215594229U (en) | A rainwater collection and recycling system for sponge city | |
| CN205953569U (en) | Sewage purification processing device |
Legal Events
| Date | Code | Title | Description |
|---|---|---|---|
| PB01 | Publication | ||
| PB01 | Publication | ||
| SE01 | Entry into force of request for substantive examination | ||
| SE01 | Entry into force of request for substantive examination | ||
| WW01 | Invention patent application withdrawn after publication |
Application publication date: 20200811 |
|
| WW01 | Invention patent application withdrawn after publication |
