CN111426255A - 一种测量仪器 - Google Patents
一种测量仪器 Download PDFInfo
- Publication number
- CN111426255A CN111426255A CN202010539736.1A CN202010539736A CN111426255A CN 111426255 A CN111426255 A CN 111426255A CN 202010539736 A CN202010539736 A CN 202010539736A CN 111426255 A CN111426255 A CN 111426255A
- Authority
- CN
- China
- Prior art keywords
- measuring
- rod
- head
- scale
- measuring head
- Prior art date
- Legal status (The legal status is an assumption and is not a legal conclusion. Google has not performed a legal analysis and makes no representation as to the accuracy of the status listed.)
- Pending
Links
- 238000005259 measurement Methods 0.000 description 17
- 238000010586 diagram Methods 0.000 description 2
- 238000000034 method Methods 0.000 description 2
- 210000003781 tooth socket Anatomy 0.000 description 2
- 238000003466 welding Methods 0.000 description 2
- 230000004075 alteration Effects 0.000 description 1
- 230000009286 beneficial effect Effects 0.000 description 1
- 230000007547 defect Effects 0.000 description 1
- 238000004519 manufacturing process Methods 0.000 description 1
- 238000012986 modification Methods 0.000 description 1
- 230000004048 modification Effects 0.000 description 1
- 238000006748 scratching Methods 0.000 description 1
- 230000002393 scratching effect Effects 0.000 description 1
- 230000035945 sensitivity Effects 0.000 description 1
- 238000006467 substitution reaction Methods 0.000 description 1
Images
Classifications
-
- G—PHYSICS
- G01—MEASURING; TESTING
- G01B—MEASURING LENGTH, THICKNESS OR SIMILAR LINEAR DIMENSIONS; MEASURING ANGLES; MEASURING AREAS; MEASURING IRREGULARITIES OF SURFACES OR CONTOURS
- G01B5/00—Measuring arrangements characterised by the use of mechanical techniques
- G01B5/14—Measuring arrangements characterised by the use of mechanical techniques for measuring distance or clearance between spaced objects or spaced apertures
- G01B5/16—Measuring arrangements characterised by the use of mechanical techniques for measuring distance or clearance between spaced objects or spaced apertures between a succession of regularly spaced objects or regularly spaced apertures
- G01B5/166—Measuring arrangements characterised by the use of mechanical techniques for measuring distance or clearance between spaced objects or spaced apertures between a succession of regularly spaced objects or regularly spaced apertures of gear teeth
Landscapes
- Physics & Mathematics (AREA)
- General Physics & Mathematics (AREA)
- Length-Measuring Instruments Using Mechanical Means (AREA)
Abstract
本发明公开了一种测量仪器,涉及测量仪器技术领域。测量仪器,用于测量齿类零件的M值,包括:测量尺;第一测量杆,所述第一测量杆安装于所述测量尺的零位;所述第一测量杆上可拆式安装有第一测量头;第二测量杆,所述第二测量杆滑动安装于所述测量尺上;所述第二测量杆上可拆式安装有第二测量头;所述第一测量头和所述第二测量头相对或相背设置;所述第二测量杆上滑动设置有支撑杆,所述支撑杆用于增加所述测量仪器与被测量物之间的支点。本发明提供的测量仪器既可用于内齿零件的M值测量又可用于外齿零件的M值测量。
Description
技术领域
本发明涉及测量仪器技术领域,尤其涉及一种测量仪器。
背景技术
M值是反应齿类零件中齿厚的一个间接参数。对于外齿轮,M值叫做跨棒距;对于内齿轮,M值叫做棒间距。
然而,现有技术中,测量齿类零件M值的测量仪器仅能测量内齿轮M值或仅能测量外齿轮M值,不能同时用作内齿轮和外齿轮的测量仪器。因此,现有的齿类零件M值测量仪器的通用性较差,不能同时满足对内齿轮和外齿轮M值的测量。
发明内容
本发明的目的在于克服现有技术的缺陷,提供一种测量仪器,用以解决现有技术中的测量仪器不能同时用于对内齿轮和外齿轮M值的测量。
为解决上述问题,本发明提供了:
一种测量仪器,用于测量齿类零件的M值,包括:
测量尺;
第一测量杆,所述第一测量杆安装于所述测量尺的零位;所述第一测量杆上可拆式安装有第一测量头;
第二测量杆,所述第二测量杆滑动安装于所述测量尺上;所述第二测量杆上可拆式安装有第二测量头;
所述第一测量头和所述第二测量头相对或相背设置;
所述第二测量杆上滑动设置有支撑杆,所述支撑杆用于增加所述测量仪器与被测量物之间的支点。
进一步的,所述第一测量头包括:
测量球,用于接触被测量物;
第一连接杆,所述测量球通过所述第一连接杆可拆式安装于所述第一测量杆上;
第一锁紧件,用于将所述第一连接杆与所述第一测量杆进行锁紧固定。
进一步的,所述支撑杆通过滑块滑动安装于所述第二测量杆上;所述滑块上连接有第二锁紧件,所述第二锁紧件用于将所述滑块与所述第二测量杆锁紧固定。
进一步的,所述测量仪器还包括滑动安装于所述测量尺上的游标尺,所述第二测量杆固定连接于所述游标尺上。
进一步的,所述测量尺远离零位的一端设置有限位件,所述限位件用于限制所述游标尺的移动行程。
进一步的,所述第一测量杆包括测量部和连接部;所述连接部与所述测量尺转动连接;所述第一测量头安装于所述测量部。
进一步的,所述第一测量杆还包括触发部;所述连接部位于所述测量部和所述触发部之间;
所述测量仪器还包括测量件,所述触发部用于触发所述测量件以显示读数。
进一步的,所述测量件为百分表;所述测量件包括第三测量头,所述第一测量杆的所述触发部用于触发所述第三测量头移动,以使所述测量件显示读数。
进一步的,所述测量仪器还包括安装座,所述安装座固定安装于所述测量尺的零位一端;所述第一测量杆通过转轴与所述安装座转动连接;所述转轴上套设有扭簧,所述扭簧用于驱使所述第一测量杆垂直于所述测量尺。
本发明的有益效果是:本发明提出一种测量仪器,包括测量尺、第一测量杆和第二测量杆;其中,第一测量杆上可拆式安装有第一测量头,第二测量杆上可拆式安装有第二测量头,第一测量头和第二测量头相对或相背设置。
使用中,可根据需要调整第一测量头和第二测量头,如测量内齿零件时,分别调整第一测量头和第二测量头,使第一测量头位于第一测量杆远离第二测量杆的一侧,使第二测量头位于第二测量杆远离第一测量杆的一侧,即第一测量头和第二测量头相背设置,即可用测量仪器对内齿零件的M值进行测量。当需要测量外齿零件时,分别调整第一测量头和第二测量头,使第一测量头位于第一测量杆靠近第二测量杆的一侧,使第二测量头位于第二测量杆靠近第一测量杆的一侧,即第一测量头和第二测量头相对设置,即可用测量仪器对外齿零件的M值进行测量。
因此,本发明提供的测量仪器即可用于内齿零件的M值测量,又可用于外齿零件的M值测量,具有较高的通用性。
附图说明
为了更清楚地说明本发明实施例的技术方案,下面将对实施例中所需要使用的附图作简单地介绍,应当理解,以下附图仅示出了本发明的某些实施例,因此不应被看作是对范围的限定,对于本领域普通技术人员来讲,在不付出创造性劳动的前提下,还可以根据这些附图获得其他相关的附图。
图1示出了本发明一较佳实施例中测量仪器一使用状态下的结构示意图;
图2示出了本发明一较佳实施例中测量仪器另一使用状态下的结构示意图;
图3示出了图2中A部分的局部放大结构示意图;
图4示出了本发明一较佳实施例中第一测量头与第一测量杆的连接结构示意图;
图5示出了本发明一较佳实施例中第一测量头与第一测量杆的连接结构剖视图;
图6示出了本发明一较佳实施例中第二测量杆的结构示意图;
图7示出了本发明一较佳实施例中第一测量杆的结构示意图;
图8示出了本发明一较佳实施例中安装座的局部剖视结构示意图;
图9示出了本发明一较佳实施例中测量仪器测量内齿零件时的结构示意图;
图10示出了本发明一较佳实施例中测量仪器测量内齿零件时的使用状态示意图;
图11示出了本发明一较佳实施例中测量仪器测量外齿零件时的结构示意图;
图12示出了本发明一较佳实施例中测量仪器测量外齿零件时的使用状态示意图。
主要元件符号说明
1-第一测量组件;101-测量尺;102-第一测量杆;102a-测量部;102b-触发部;102c-连接部;102d-连接通孔;103-第一测量头;103a-测量球;103b-第一连接杆;103c-第一锁紧件;104-第二测量杆;104a-滑槽;105-第二测量头;106-滑块;106a-支撑杆;106b-第二锁紧件;107-游标尺;107a-第三锁紧件;108-限位件;109-转轴;
2-测量件;201-表盘;202-轴套;203-第三测量头;
3-安装座;301-第一连接块;302-第二连接块;302a-通槽;303-第三连接块;
4-内齿零件;
5-外齿零件。
具体实施方式
下面详细描述本发明的实施例,所述实施例的示例在附图中示出,其中自始至终相同或类似的标号表示相同或类似的元件或具有相同或类似功能的元件。下面通过参考附图描述的实施例是示例性的,仅用于解释本发明,而不能理解为对本发明的限制。
在本发明的描述中,需要理解的是,术语“中心”、“纵向”、“横向”、“长度”、“宽度”、“厚度”、“上”、“下”、“前”、“后”、“左”、“右”、“竖直”、“水平”、“顶”、“底”、“内”、“外”、“顺时针”、“逆时针”、“轴向”、“径向”、“周向”等指示的方位或位置关系为基于附图所示的方位或位置关系,仅是为了便于描述本发明和简化描述,而不是指示或暗示所指的装置或元件必须具有特定的方位、以特定的方位构造和操作,因此不能理解为对本发明的限制。
此外,术语“第一”、“第二”仅用于描述目的,而不能理解为指示或暗示相对重要性或者隐含指明所指示的技术特征的数量。由此,限定有“第一”、“第二”的特征可以明示或者隐含地包括一个或者更多个该特征。在本发明的描述中,“多个”的含义是两个或两个以上,除非另有明确具体的限定。
在本发明中,除非另有明确的规定和限定,术语“安装”、“相连”、“连接”、“固定”等术语应做广义理解,例如,可以是固定连接,也可以是可拆卸连接,或成一体;可以是机械连接,也可以是电连接;可以是直接相连,也可以通过中间媒介间接相连,可以是两个元件内部的连通或两个元件的相互作用关系。对于本领域的普通技术人员而言,可以根据具体情况理解上述术语在本发明中的具体含义。
在本发明中,除非另有明确的规定和限定,第一特征在第二特征“上”或“下”可以是第一和第二特征直接接触,或第一和第二特征通过中间媒介间接接触。而且,第一特征在第二特征“之上”、“上方”和“上面”可是第一特征在第二特征正上方或斜上方,或仅仅表示第一特征水平高度高于第二特征。第一特征在第二特征“之下”、“下方”和“下面”可以是第一特征在第二特征正下方或斜下方,或仅仅表示第一特征水平高度小于第二特征。
实施例一
实施例中提供了一种测量仪器,可用于齿类零件的M值测量。齿类零件可包括齿轮、花键等;对于外齿类零件,M值叫做跨棒距;对于内齿类零件,M值叫做棒间距。
在另外一些实施例中,测量仪器还可用于其它测量场合进行长度测量。
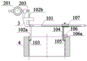
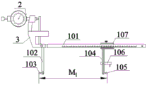
如图1和图2所示,测量仪器包括第一测量组件1,第一测量组件1包括测量尺101、第一测量杆102和第二测量杆104。
其中第一测量杆102设置于测量尺101的零位。第一测量杆102上可拆式安装有第一测量头103,第一测量头103用于接触被测量物。
第二测量杆104滑动安装于测量尺101上。第二测量杆104上可拆式安装有第二测量头105,第二测量头105用于接触被测量物。
测量中,移动第二测量杆104在测量尺101上的位置,并读取第二测量杆104所在位置的读数,即可得到第一测量组件1的测量值。
如图1和图10所示,当测量内齿零件4时,调整第一测量头103,使第一测量头103位于第一测量杆102远离第二测量杆104的一侧。调整第二测量头105,使第二测量头105位于第二测量杆104远离第一测量杆102的一侧;即,第二测量头105和第一测量头103相背设置。将第一测量杆102和第二测量杆104伸入内齿零件4中,使第一测量头103和第二测量头105分别位于一个齿槽中,且两齿槽相对设置,即可对相应的内齿零件4进行测量。
如图2和图12所示,当需要测量外齿零件5时,拆下第一测量头103,调整第一测量头103相对于第一测量杆102的相对位置,再将第一测量头103安装于第一测量杆102上,使第一测量头103位于第一测量杆102靠近第二测量杆104的一侧。同理,调整第二测量头105相对于第二测量杆104的位置,使第二测量头105位于第二测量杆104靠近第一测量杆102的一侧;即,第一测量头103和第二测量头105相对设置。使第一测量杆102和第二测量杆104夹持外齿零件5,使第一测量头103和第二测量头105分别位于外齿零件5中的一个齿槽中,且两齿槽相对设置,即可对外齿零件5进行测量。
由此可见,本实施例提供的测量仪器即可用于内齿零件4的M值测量,又可用于外齿零件5的M值测量,相较于传统的M值测量工具具有较高的通用性。对于齿类零件生产厂商来说,仅需要购置一样测量仪器即可实现对内齿零件和外齿零件的M值的测量,从而降低生产成本。
实施例二
在实施例一的基础上,进一步的,第一测量头103和第二测量头105的结构相同,以下对第一测量头103的结构做具体说明。
如图3至图5所示,第一测量头103包括测量球103a和第一连接杆103b;测量球103a固定连接于第一连接杆103b的一端。实施例中,测量球103a和第一连接杆103b可通过焊接、一体连接、螺接等方式实现固定连接。
第一测量杆102上设置有连接第一连接杆103b的连接通孔102d。第一连接杆103b远离测量球103a的一端可以分别从连接通孔102d的两端插入连接通孔102d中。本实施例中,第一连接杆103b与连接通孔102d通过螺纹配合连接。
第一测量杆102靠近连接通孔102d的位置还设置有第一锁紧件103c,第一锁紧件103c用于将第一连接杆103b与第一测量杆102之间锁紧固定。从而避免因误操作而转动第一连接杆103b,进而避免改变测量球103a到第一测量杆102的距离。本实施例中,第一锁紧件103c选用螺钉,螺钉与第一测量杆102螺纹配合连接;螺钉的端面与第一连接杆103b的侧壁相抵接。螺钉垂直于第一连接杆103b的延伸方向。
当需要调整第一测量头103时,旋出第一锁紧件103c,使第一锁紧件103c与第一连接杆103b分离。从而,可以旋进/旋出第一连接杆103b来调整测量球103a到第一测量杆102的距离。同时,也可将第一连接杆103b与连接通孔102d拆分开,使第一连接杆103b从连接通孔102d的另一端插入连接通孔102d中,实现将第一测量头103调整到第一测量杆102的另一侧。
在另外一些实施例中,第一锁紧件103c也可选用卡扣、插销等结构;第一连接杆103b的外壁与连接通孔102d的内壁之间也可相切设置。由第一锁紧件103c将第一连接杆103b与第一测量杆102之间锁紧固定。
本实施例中,第二测量头105与第一测量头103的结构相同,在此不再赘述。
使用中,用户可根据被测量物的尺寸要求,选择合适的第一测量头103和第二测量头105,以使测量球103a可以放入被测量物中的齿槽中,使测量球103a的尺寸与被测量物的齿槽尺寸相匹配。第一测量头103中的测量球103a和第二测量头105中测量球尺寸大小相同。
实施例中,第一测量组件1可选用游标卡尺;其中,第一测量组件1的测量尺101具有较大的测量范围。具体的,测量尺101的测量范围可以设置成0-125mm、0-150mm、0-200mm、0-300mm、0-500mm等范围中的一种,具体可根据使用需要进行选择。传统的M值测量工具通常都是使用千分尺进行测量,而千分尺的测量范围仅有0mm-25mm或0mm-50mm。因此,本实施例中提供的测量仪器可以进行更大范围的测量,其测量范围是传统测量工具的数倍。从而,本实施例提供的测量仪器也可应用于更多的测量场合,相较于传统的M值测量工具具有较高的通用性。
如图2和图6所示,测量尺101上滑动设置有游标尺107,第二测量杆104与游标尺107固定连接。从而,沿着测量尺101移动游标尺107时,带动第二测量杆104同步移动。
游标尺107上设置有第三锁紧件107a,第三锁紧件107a用于将游标尺107锁定在测量尺101上的固定位置。从而,在读数过程中,避免游标尺107相对于测量尺101随意移动,使测量结果更准确可靠。本实施例中,第三锁紧件107a可选用锁紧螺钉,通过旋进或旋出锁紧螺钉实现对游标尺107的锁定或解锁。
在另外一些实施例中,第三锁紧件107a还可选用卡扣等结构,以实现游标尺107与测量尺101之间的锁紧固定。
测量时,用户可根据游标卡尺的读数方法来读数。具体的,先确定游标尺107零位在测量尺101上的对应位,对测量尺101进行读数取整,记为L1;再确定游标尺107与测量尺101中相齐平的刻度位,并进行读数,将游标尺107的读数与分度值的乘积记为L2;L1和L2之和为第一测量组件1的读数,即第一读数。
为避免游标尺107脱离测量尺101,测量尺101远离零位的一端设置有限位件108,从而限制游标尺107在测量尺101上的移动行程。
本实施例中,限位件108为螺钉,限位件108与测量尺101通过螺纹连接实现固定。
在另外一些实施例中,限位件108还可选用块状结构、杆状结构等组件,且限位件108可通过焊接、卡接等方式固定于测量尺101上。从而,实现对游标尺107的行程限位。
如图6所示,第二测量杆104上滑动设置有支撑杆106a。使用中,支撑杆106a用于抵接被测量物的上端面,从而增加测量仪器与被测量物的接触支点,使测量仪器与被测量物之间可以保持相对稳定,确保测量精度,使测量结果更可靠。
本实施例中,支撑杆106a通过滑块106滑动安装于第二测量杆104上。滑块106上设置有第二测量杆104穿过的通孔;滑块106套设于第二测量杆104上,从而滑块106可相对于第二测量杆104上下滑动。支撑杆106a固定连接于滑块106的下端面;从而在测量中,由支撑杆106a抵接被测量物。
滑块106上还设置有第二锁紧件106b,第二锁紧件106b用于将滑块106与第二测量杆104之间锁紧固定。从而,在测量中,可使滑块106与第二测量杆104之间保持相对固定,进而确保测量仪器与被测量物之间保持相对固定。
本实施例中,第二锁紧件106b选用锁紧螺钉,锁紧螺钉与滑块106螺纹配合连接。锁紧螺钉一端伸入滑块106的通孔中,需要锁紧滑块106和第二测量杆104时,旋进锁紧螺钉使锁紧螺钉的端面与第二测量杆104相抵,从而实现滑块106与第二测量杆104之间的锁紧固定。当滑块106需要与第二测量杆104解锁时,向外旋出锁紧螺钉,使锁紧螺钉与第二测量杆104分离,即可使滑块106沿着第二测量杆104上下移动,进而带动支撑杆106a上下移动。
在滑块106沿着第二测量杆104上下移动时,为避免锁紧螺钉刮伤第二测量杆104,锁紧螺钉选用平头螺钉。
相应的,第二测量杆104靠近锁紧螺钉的一侧设置有滑槽104a,锁紧螺钉沿滑槽104a上下滑动。从而,在滑块106沿第二测量杆104上下移动时,锁紧螺钉和滑槽104a配合,避免滑块106相对于第二测量杆104发生倾斜,从而使滑块106可以顺利滑动。
实施例中,滑块106还可相对于第二测量杆104进行转动,第二测量杆104可在滑块106的通孔中相对转动。通过旋出锁紧螺钉,为第二测量杆104腾出空间,旋转滑块106,即可实现滑块106相对于第二测量杆104转动。
使用中,当需要测量内齿零件4时,转动滑块106使支撑杆106a转动至第二测量杆104远离第一测量杆102的一侧,从而使支撑杆106a可以接触到被测量物的端面。当需要测量外齿零件5时,转动滑块106使支撑杆106a转动至第二测量杆104靠近第一测量杆102的一侧,以方便支撑杆106a接触外齿零件5的端面。
在另外一些实施例中,第二锁紧件106b还可选用卡扣等结构实现滑块106与第二测量杆104之间的锁紧固定。
如图1所示,实施例中,测量仪器还包括第二测量组件,第二测量组件包括测量件2,测量件2通过安装座3固定安装于测量尺101上靠近零位的一端。
如图1、图2和图7所示,第一测量杆102包括测量部102a、触发部102b和连接部102c;连接部102c位于测量部102a和触发部102b之间。连接部102c转动安装于安装座3上,从而实现第一测量杆102与测量尺101的转动连接。其中,第一测量头103安装于测量部102a上,测量部102a与第二测量杆104相对设置。触发部102b设置于测量尺101远离第二测量杆104的一侧,触发部102b用于触发测量件2进行显示相应的读数,即第二读数。
如图8所示,本实施例中,安装座3包括第一连接块301、第二连接块302和第三连接块303;安装座3呈E形。
安装座3通过第一连接块301固定安装于测量尺101上;测量件2固定安装于第三连接块303上。第二连接块302位于第一连接块301和第三连接块303之间。
本实施例中,第一测量杆102的连接部102c转动安装于第一连接块301上,从而实现将第一测量杆102转动安装于测量尺101的零位。
第一连接块301设置有第一测量杆102穿过的通孔(图中未示出);第二连接块302上也对应设置有第一测量杆102穿过的通槽302a。第一测量杆102的连接部102c位于第一连接块301上的通孔中;连接部102c通过转轴109与通孔的侧壁转动连接。触发部102b穿过通槽302a到达第三连接块303位置处,触发部102b与测量件2接触,从而便于触发部102b触发测量件2显示第二读数。通槽302a的宽度大于触发部102b的宽度,从而触发部102b可在通槽302a内摆动。
本实施例中,转轴109上套设有扭簧(图中未示出),扭簧的一端与第一测量杆102相抵,扭簧的另一端与第一连接块301上的通孔内壁相抵。从而,在第一测量杆102不受外力时,第一测量杆102与测量尺101之间保持垂直状态。
如图1和图2所示,本实施例中,测量件2为百分表;测量件2包括第三测量头203。第一测量杆102的触发部102b与第三测量头203接触,触发部102b用于触发第三测量头203移动,以使测量件2显示相应的读数。
百分表的轴套202与第三连接块303固定连接;具体的,轴套202与第三连接块303之间可通过螺接、卡接、螺钉锁紧等方式实现固定。第三测量头203与百分表的测量杆固定连接;第三测量头203设置于第三连接块303靠近触发部102b的一侧,便于触发部102b接触到第三测量头203。第三测量头203移动时带动百分表的测量杆同步移动,从而再由测量杆带动表盘201上的指针进行转动,以显示相应的读数。百分表的具体结构可参考现有技术中的百分表,在此不再赘述。
在第一测量杆102不受外力作用时,第三测量头203与触发部102b抵接。当第一测量杆102受到外力摆动时,第三测量头203会被触发部102b推动或在百分表内部弹簧的作用下跟随触发部102b移动,从而使百分表的指针进行相应的转动。如第三测量头203与触发部102b分离,可通过调节测量件2与第三连接块303的相对位置实现校准,使第三测量头203与触发部102b接触。
在另外一些实施例中,测量件2还可选用千分表。
在测量过程中,测量仪器借助杠杆原理,由第一测量组件1的触发部102b触发测量件2进行读数,使第一测量组件1与测量件2配合对被测量物进行M值测量,从而可以提高测量仪器的测量精度及灵敏度,使测量结果更加可靠。
如图9和图10所示,当被测量物是内齿零件4时,测量仪器可通过以下测量步骤进行测量:
1)根据被测量物的相关参数选择合适的第一测量头103和第二测量头105;并将第一测量头103安装于第一测量杆102上,将第二测量头105安装于第二测量杆104上;同时,使第一测量头103和第二测量头105相背设置。
2)根据被测量物的轴向尺寸调整支撑杆106a的高度,同时使支撑杆106a位于第二测量杆104远离第一测量杆102的一侧。
3)根据被测量物标准件的M值调整第一测量头103和第二测量头105之间的间距,第一测量头103和第二测量头105之间的间距记为M1。将被测量物允许的误差记为±m;调整游标尺107的位置,使第一测量组件1的读数为M1(第一读数),且使M1>M+m,锁紧第三锁紧件107a,使第二测量杆104位置固定。
其中,M1指的是第一测量头103和第二测量头105相背时,两测量球103a最远端之间的距离。
4)转动测量件2的表盘,使测量件2归零。
5)将测量仪器放入被测量物中,将第二测量头105放置于被测量物的一齿槽中,同时使支撑杆106a与被测量物的端面接触;将第一测量头103放入与第二测量头105相对的一齿槽中。受被测量物尺寸限制,被测量物会推动第一测量头103克服扭簧的弹力向靠近第二测量头105的方向移动;同时,带动触发部102b推动测量件2的第三测量头203向相反的方向移动,从而使测量件2显示相应的读数。
6)读取测量件2的读数,记为M2(第二读数)。
7)计算被测量物的实际M'值,M'=M1-M2。
如图11和图12所示,当被测量物是外齿零件5时,测量仪器可通过以下测量步骤进行测量:
1)根据被测量物的相关参数选择合适的第一测量头103和第二测量头105;并将第一测量头103安装于第一测量杆102上,将第二测量头105安装于第二测量杆104上。同时,使第一测量头103和第二测量头105相对设置。
2)根据被测量物的轴向尺寸调整支撑杆106a的高度,同时使支撑杆106a位于第二测量杆104靠近第一测量杆102的一侧。
3)根据被测量物标准件的M值调整第一测量头103和第二测量头105之间的间距,第一测量头103和第二测量头105之间的间距记为M3。将被测量物允许的误差记为±m;调整游标尺107的位置,使第一测量组件1的读数为M3,且使M3<M-m,锁紧第三锁紧件107a,使第二测量杆104位置固定。
其中,M3指的是第一测量头103和第二测量头105相对时,两测量球103a最近端之间的距离。
4)转动测量件2的表盘,使测量件2归零。
5)将测量仪器放入被测量物中,将第二测量头105放置于被测量物的一齿槽中,使支撑杆106a与被测量物的端面接触;将第一测量头103放入与第二测量头105相对的一齿槽中。受被测量物尺寸限制,被测量物会推动第一测量头103克服扭簧的弹力向远离第二测量头105的方向移动;同时,带动触发部102b向相反的方向移动,第三测量头203在百分表内部弹簧的作用下跟随触发部102b移动,从而使测量件2显示相应的读数。
6)读取测量件2的读数,记为M4。
7)计算被测量物的实际M"值,M"=M3+M4。
其中,在将测量仪器放入被测量物中测量之前还包括对测量件2的校准操作。具体的,将测量件2归零,摆动触发部102b,查看测量件2是否正常读数;使第一测量杆102复位后,查看测量件2是否归零。如测量件2不能跟随触发部102b的摆动而正常读数,调整测量件2与第三连接块303的相对位置,使测量件2的指针进行相应转动,随后再转动表盘201使测量件2归零。重复以上动作,直至测量件2可以跟随触发部102b的摆动正常读数及正常归零。
在本说明书的描述中,参考术语“一个实施例”、“一些实施例”、“示例”、“具体示例”、或“一些示例”等的描述意指结合该实施例或示例描述的具体特征、结构、材料或者特点包含于本发明的至少一个实施例或示例中。在本说明书中,对上述术语的示意性表述不必须针对的是相同的实施例或示例。而且,描述的具体特征、结构、材料或者特点可以在任一个或多个实施例或示例中以合适的方式结合。此外,在不相互矛盾的情况下,本领域的技术人员可以将本说明书中描述的不同实施例或示例以及不同实施例或示例的特征进行结合和组合。
尽管上面已经示出和描述了本发明的实施例,可以理解的是,上述实施例是示例性的,不能理解为对本发明的限制,本领域的普通技术人员在本发明的范围内可以对上述实施例进行变化、修改、替换和变型。
Claims (9)
1.一种测量仪器,用于测量齿类零件的M值,其特征在于,包括:
测量尺;
第一测量杆,所述第一测量杆安装于所述测量尺的零位;所述第一测量杆上可拆式安装有第一测量头;
第二测量杆,所述第二测量杆滑动安装于所述测量尺上;所述第二测量杆上可拆式安装有第二测量头;
所述第一测量头和所述第二测量头相对或相背设置;
所述第二测量杆上滑动设置有支撑杆,所述支撑杆用于增加所述测量仪器与被测量物之间的支点。
2.根据权利要求1所述的测量仪器,其特征在于,所述第一测量头包括:
测量球,用于接触被测量物;
第一连接杆,所述测量球通过所述第一连接杆可拆式安装于所述第一测量杆上;
第一锁紧件,用于将所述第一连接杆与所述第一测量杆进行锁紧固定。
3.根据权利要求1所述的测量仪器,其特征在于,所述支撑杆通过滑块滑动安装于所述第二测量杆上;所述滑块上连接有第二锁紧件,所述第二锁紧件用于将所述滑块与所述第二测量杆锁紧固定。
4.根据权利要求1至3任意一项所述的测量仪器,其特征在于,所述测量仪器还包括滑动安装于所述测量尺上的游标尺,所述第二测量杆固定连接于所述游标尺上。
5.根据权利要求4所述的测量仪器,其特征在于,所述测量尺远离零位的一端设置有限位件,所述限位件用于限制所述游标尺的移动行程。
6.根据权利要求1所述的测量仪器,其特征在于,所述第一测量杆包括测量部和连接部;所述连接部与所述测量尺转动连接;所述第一测量头安装于所述测量部。
7.根据权利要求6所述的测量仪器,其特征在于,所述第一测量杆还包括触发部;所述连接部位于所述测量部和所述触发部之间;
所述测量仪器还包括测量件,所述触发部用于触发所述测量件以显示读数。
8.根据权利要求7所述的测量仪器,其特征在于,所述测量件为百分表;所述测量件包括第三测量头,所述第一测量杆的所述触发部用于触发所述第三测量头移动,以使所述测量件显示读数。
9.根据权利要求6至8任意一项所述的测量仪器,其特征在于,所述测量仪器还包括安装座,所述安装座固定安装于所述测量尺的零位一端;所述第一测量杆通过转轴与所述安装座转动连接;所述转轴上套设有扭簧,所述扭簧用于驱使所述第一测量杆垂直于所述测量尺。
Priority Applications (1)
| Application Number | Priority Date | Filing Date | Title |
|---|---|---|---|
| CN202010539736.1A CN111426255A (zh) | 2020-06-15 | 2020-06-15 | 一种测量仪器 |
Applications Claiming Priority (1)
| Application Number | Priority Date | Filing Date | Title |
|---|---|---|---|
| CN202010539736.1A CN111426255A (zh) | 2020-06-15 | 2020-06-15 | 一种测量仪器 |
Publications (1)
| Publication Number | Publication Date |
|---|---|
| CN111426255A true CN111426255A (zh) | 2020-07-17 |
Family
ID=71551367
Family Applications (1)
| Application Number | Title | Priority Date | Filing Date |
|---|---|---|---|
| CN202010539736.1A Pending CN111426255A (zh) | 2020-06-15 | 2020-06-15 | 一种测量仪器 |
Country Status (1)
| Country | Link |
|---|---|
| CN (1) | CN111426255A (zh) |
Cited By (1)
| Publication number | Priority date | Publication date | Assignee | Title |
|---|---|---|---|---|
| CN112857181A (zh) * | 2021-02-22 | 2021-05-28 | 上海锅炉厂有限公司 | 一种数显检验装置及其用法 |
Citations (9)
| Publication number | Priority date | Publication date | Assignee | Title |
|---|---|---|---|---|
| JP2003004437A (ja) * | 2001-06-26 | 2003-01-08 | Honda Motor Co Ltd | 測定用ノギス |
| CN2632629Y (zh) * | 2003-04-28 | 2004-08-11 | 香港生产力促进局 | 非接触式激光测厚装置 |
| CN2752715Y (zh) * | 2004-11-29 | 2006-01-18 | 桂林量具刃具厂 | 多功能卡尺 |
| CN201173756Y (zh) * | 2008-02-26 | 2008-12-31 | 江苏飞船股份有限公司 | 内花键棒间距游标卡尺 |
| CN203642848U (zh) * | 2013-12-12 | 2014-06-11 | 浙江双环传动机械股份有限公司 | 多功能带表卡尺 |
| CN205448874U (zh) * | 2015-12-24 | 2016-08-10 | 江麓机电集团有限公司 | 一种测量花键m值量具 |
| CN206709765U (zh) * | 2017-03-28 | 2017-12-05 | 马鞍山华东回转支承有限公司 | 一种适用于双回转支承旋转式清堵机的检测工具 |
| CN107478118A (zh) * | 2017-08-10 | 2017-12-15 | 孙阳 | 一种测量跨棒距的游标卡尺 |
| CN206803920U (zh) * | 2017-05-17 | 2017-12-26 | 马德宝真空设备集团有限公司 | 一种同心度检测工装 |
-
2020
- 2020-06-15 CN CN202010539736.1A patent/CN111426255A/zh active Pending
Patent Citations (9)
| Publication number | Priority date | Publication date | Assignee | Title |
|---|---|---|---|---|
| JP2003004437A (ja) * | 2001-06-26 | 2003-01-08 | Honda Motor Co Ltd | 測定用ノギス |
| CN2632629Y (zh) * | 2003-04-28 | 2004-08-11 | 香港生产力促进局 | 非接触式激光测厚装置 |
| CN2752715Y (zh) * | 2004-11-29 | 2006-01-18 | 桂林量具刃具厂 | 多功能卡尺 |
| CN201173756Y (zh) * | 2008-02-26 | 2008-12-31 | 江苏飞船股份有限公司 | 内花键棒间距游标卡尺 |
| CN203642848U (zh) * | 2013-12-12 | 2014-06-11 | 浙江双环传动机械股份有限公司 | 多功能带表卡尺 |
| CN205448874U (zh) * | 2015-12-24 | 2016-08-10 | 江麓机电集团有限公司 | 一种测量花键m值量具 |
| CN206709765U (zh) * | 2017-03-28 | 2017-12-05 | 马鞍山华东回转支承有限公司 | 一种适用于双回转支承旋转式清堵机的检测工具 |
| CN206803920U (zh) * | 2017-05-17 | 2017-12-26 | 马德宝真空设备集团有限公司 | 一种同心度检测工装 |
| CN107478118A (zh) * | 2017-08-10 | 2017-12-15 | 孙阳 | 一种测量跨棒距的游标卡尺 |
Non-Patent Citations (2)
| Title |
|---|
| 管建峰 等: "《机械制造及控制技术基础实验》", 31 July 2009, 苏州大学出版社 * |
| 镇江农业机械学院: "《农业机械学(下册)》", 31 March 1981, 中国农业机械出版社 * |
Cited By (1)
| Publication number | Priority date | Publication date | Assignee | Title |
|---|---|---|---|---|
| CN112857181A (zh) * | 2021-02-22 | 2021-05-28 | 上海锅炉厂有限公司 | 一种数显检验装置及其用法 |
Similar Documents
| Publication | Publication Date | Title |
|---|---|---|
| US7328520B2 (en) | Gage for measuring diameters | |
| CN110132102B (zh) | 一种多功能测量工具及孔测量方法 | |
| CN111426255A (zh) | 一种测量仪器 | |
| CN215338115U (zh) | 面差测量工具和测量装置 | |
| JPH08145603A (ja) | 測定器 | |
| WO2015089689A1 (zh) | 内、外径检测千分尺 | |
| JPS5827441B2 (ja) | 線長計測器 | |
| JP2894825B2 (ja) | キー溝測定装置及びその使用方法 | |
| CN116222484A (zh) | 行星齿轮内外齿角向误差测量装置 | |
| CN211178323U (zh) | 一种精密的高度测试设备 | |
| US5165176A (en) | Gage for measuring outer diameters | |
| CN212254048U (zh) | 一种用于压缩型位移传感器的标定装置 | |
| CN217424222U (zh) | 一种通用外齿跨球距检测装置 | |
| CN222188101U (zh) | 一种测量内槽长度的检具 | |
| CN113654443A (zh) | 一种内齿、内花键跨棒距在线快速测量量具 | |
| CN222211471U (zh) | 一种直槽宽度检测量具 | |
| CN216523609U (zh) | 一种测量口环圆度的装置 | |
| JPS6133521Y2 (zh) | ||
| CN115930866B (zh) | 测量装置 | |
| CN222027613U (zh) | 一种深度测量装置 | |
| CN223425859U (zh) | 建筑工程检测用建筑检测尺 | |
| CN222812313U (zh) | 一种自适应的测量装置 | |
| US6490804B1 (en) | Comparison gauge for automotive starters | |
| CN119197258B (zh) | 内孔倒角测量装置及测量方法 | |
| CN221959433U (zh) | 一种剪式内径量具 |
Legal Events
| Date | Code | Title | Description |
|---|---|---|---|
| PB01 | Publication | ||
| PB01 | Publication | ||
| SE01 | Entry into force of request for substantive examination | ||
| SE01 | Entry into force of request for substantive examination | ||
| RJ01 | Rejection of invention patent application after publication | ||
| RJ01 | Rejection of invention patent application after publication |
Application publication date: 20200717 |