CN111348009A - 一种便于汽车维修的支持架 - Google Patents

一种便于汽车维修的支持架 Download PDF

Info

Publication number
CN111348009A
CN111348009A CN202010275407.0A CN202010275407A CN111348009A CN 111348009 A CN111348009 A CN 111348009A CN 202010275407 A CN202010275407 A CN 202010275407A CN 111348009 A CN111348009 A CN 111348009A
Authority
CN
China
Prior art keywords
side wall
groove
shaft body
shaft
worm
Prior art date
Legal status (The legal status is an assumption and is not a legal conclusion. Google has not performed a legal analysis and makes no representation as to the accuracy of the status listed.)
Pending
Application number
CN202010275407.0A
Other languages
English (en)
Inventor
付舒
刘媛媛
付煜涵
唐毅
刘星
刘小莉
韩永伟
王志远
潘娜
Current Assignee (The listed assignees may be inaccurate. Google has not performed a legal analysis and makes no representation or warranty as to the accuracy of the list.)
Shandong Transport Vocational College
Original Assignee
Shandong Transport Vocational College
Priority date (The priority date is an assumption and is not a legal conclusion. Google has not performed a legal analysis and makes no representation as to the accuracy of the date listed.)
Filing date
Publication date
Application filed by Shandong Transport Vocational College filed Critical Shandong Transport Vocational College
Priority to CN202010275407.0A priority Critical patent/CN111348009A/zh
Publication of CN111348009A publication Critical patent/CN111348009A/zh
Pending legal-status Critical Current

Links

Images

Classifications

    • BPERFORMING OPERATIONS; TRANSPORTING
    • B60VEHICLES IN GENERAL
    • B60SSERVICING, CLEANING, REPAIRING, SUPPORTING, LIFTING, OR MANOEUVRING OF VEHICLES, NOT OTHERWISE PROVIDED FOR
    • B60S13/00Vehicle-manoeuvring devices separate from the vehicle
    • BPERFORMING OPERATIONS; TRANSPORTING
    • B60VEHICLES IN GENERAL
    • B60SSERVICING, CLEANING, REPAIRING, SUPPORTING, LIFTING, OR MANOEUVRING OF VEHICLES, NOT OTHERWISE PROVIDED FOR
    • B60S5/00Servicing, maintaining, repairing, or refitting of vehicles

Landscapes

  • Engineering & Computer Science (AREA)
  • Mechanical Engineering (AREA)
  • Vehicle Cleaning, Maintenance, Repair, Refitting, And Outriggers (AREA)

Abstract

本发明公开了一种便于汽车维修的支持架,包括支撑台,支撑台的上方安装有对称设置的支撑板,支撑板的顶端侧壁开设有第一凹槽,第一凹槽的一侧侧壁开设有第二凹槽,第二凹槽的一侧侧壁转动连接有第一轴体,第二凹槽的两侧侧壁之间滑动连接有滑板,滑板靠近第一轴体的一侧侧壁开设有第一螺纹槽,第一轴体的一端延伸至第一螺纹槽内部,第一轴体的外侧壁开设有螺纹,且第一轴体与滑板之间螺纹传动连接,滑板远离第一轴体的一端固定有对称设置的限位板。本发明能够对汽车的四个轮子进行快速固定,然后对汽车进行支撑顶起,便于工作人员进行维修,能够有效防止汽车下坠对工作人员造成危险,提高了安全性。

Description

一种便于汽车维修的支持架
技术领域
本发明涉及汽车维修技术领域,尤其涉及一种便于汽车维修的支持架。
背景技术
现有的汽车维修过程中,是通过对汽车进行吊装起来,对汽车底部进行维修,这样方式安装成本较高,同时也存在汽车掉落的危险,降低了安全性,为此,我们提出了一种便于汽车维修的支持架。
发明内容
本发明的目的是为了解决现有技术中存在的缺点,而提出的一种便于汽车维修的支持架。
为了实现上述目的,本发明采用了如下技术方案:
一种便于汽车维修的支持架,包括支撑台,所述支撑台的上方安装有对称设置的支撑板,支撑板的顶端侧壁开设有第一凹槽,第一凹槽的一侧侧壁开设有第二凹槽,第二凹槽的一侧侧壁转动连接有第一轴体,所述第二凹槽的两侧侧壁之间滑动连接有滑板,滑板靠近第一轴体的一侧侧壁开设有第一螺纹槽,所述第一轴体的一端延伸至第一螺纹槽内部,所述第一轴体的外侧壁开设有螺纹,且第一轴体与滑板之间螺纹传动连接,所述滑板远离第一轴体的一端固定有对称设置的限位板,第二凹槽的底端侧壁开设有第三凹槽,第三凹槽的底端侧壁转动连接有第二轴体,第二轴体的另一端延伸至第二凹槽顶端侧壁转动连接,所述第一轴体的外侧壁紧配合套接有第一蜗杆,所述第二轴体的外侧壁紧配合套接有第一蜗轮,且第一蜗轮与第一蜗杆之间啮合传动连接,所述支撑板的一侧外壁固定有驱动电机,驱动电机的输出轴通过联轴器固定有转轴,转轴远离驱动电机的一端延伸至第三凹槽一侧侧壁转动连接,所述支撑台顶端固定有斜板,斜板的顶端与第一凹槽的底端侧壁连通。
优选的,所述转轴的外侧壁紧配合套接有第二蜗杆,所述第二轴体的外侧壁紧配合套接有第二蜗轮,且第二蜗杆与第二蜗杆之间啮合传动连接。
优选的,所述支撑台的顶端侧壁开设有对称设置的第四凹槽,第四凹槽的两侧侧壁之间滑动连接有移动板,移动板的底端侧壁开设有第二螺纹槽,移动板的顶端侧壁固定有连接柱,连接柱的另一端与支撑板的底端侧壁固定。
优选的,所述第四凹槽的底端侧壁转动连接有第三轴体,第三轴体的外侧壁开设有螺纹,且第三轴体与移动板之间螺纹传动连接。
优选的,所述支撑台的一侧侧壁固定有步进电机,步进电机的输出轴通过联轴器固定有主动轴,主动轴远离步进电机的一端延伸至第四凹槽侧壁转动连接。
优选的,所述主动轴的外侧壁紧配合套接有第三蜗杆,所述第三轴体的外侧壁紧配合套接有第三蜗轮,且第三蜗杆与第三蜗轮之间啮合传动连接。
与现有技术相比,本发明的有益效果是:
通过将所述支撑台的上方安装有对称设置的支撑板,支撑板的顶端侧壁开设有第一凹槽,第一凹槽的一侧侧壁开设有第二凹槽,第二凹槽的一侧侧壁转动连接有第一轴体,所述第二凹槽的两侧侧壁之间滑动连接有滑板,滑板靠近第一轴体的一侧侧壁开设有第一螺纹槽,所述第一轴体的一端延伸至第一螺纹槽内部,所述第一轴体的外侧壁开设有螺纹,且第一轴体与滑板之间螺纹传动连接,所述滑板远离第一轴体的一端固定有对称设置的限位板,第二凹槽的底端侧壁开设有第三凹槽,第三凹槽的底端侧壁转动连接有第二轴体,第二轴体的另一端延伸至第二凹槽顶端侧壁转动连接,所述第一轴体的外侧壁紧配合套接有第一蜗杆,所述第二轴体的外侧壁紧配合套接有第一蜗轮,且第一蜗轮与第一蜗杆之间啮合传动连接,所述支撑板的一侧外壁固定有驱动电机,驱动电机的输出轴通过联轴器固定有转轴,转轴远离驱动电机的一端延伸至第三凹槽一侧侧壁转动连接,所述支撑台顶端固定有斜板,斜板的顶端与第一凹槽的底端侧壁连通,能够对汽车的四个轮子进行快速固定,然后对汽车进行支撑顶起,便于工作人员进行维修,能够有效防止汽车下坠对工作人员造成危险,提高了安全性。
附图说明
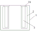
图1为本发明提出的一种便于汽车维修的支持架的结构主视图。
图2为本发明提出的一种便于汽车维修的支持架的A部分放大结构示意图。
图3为本发明提出的一种便于汽车维修的支持架的支撑台结构俯视图。
图4为本发明提出的一种便于汽车维修的支持架的蜗轮与蜗杆配合结构示意图。
具体实施方式
下面将结合本发明实施例中的附图,对本发明实施例中的技术方案进行清楚、完整地描述,显然,所描述的实施例仅仅是本发明一部分实施例,而不是全部的实施例。
参照图1-4,一种便于汽车维修的支持架,包括支撑台1,所述支撑台1的上方安装有对称设置的支撑板2,支撑板2的顶端侧壁开设有第一凹槽3,第一凹槽3的一侧侧壁开设有第二凹槽4,第二凹槽4的一侧侧壁转动连接有第一轴体8,所述第二凹槽4的两侧侧壁之间滑动连接有滑板5,滑板5靠近第一轴体8的一侧侧壁开设有第一螺纹槽7,所述第一轴体8的一端延伸至第一螺纹槽7内部,所述第一轴体8的外侧壁开设有螺纹,且第一轴体8与滑板5之间螺纹传动连接,所述滑板5远离第一轴体8的一端固定有对称设置的限位板6,第二凹槽4的底端侧壁开设有第三凹槽9,第三凹槽9的底端侧壁转动连接有第二轴体10,第二轴体10的另一端延伸至第二凹槽4顶端侧壁转动连接,所述第一轴体8的外侧壁紧配合套接有第一蜗杆11,所述第二轴体10的外侧壁紧配合套接有第一蜗轮,且第一蜗轮与第一蜗杆11之间啮合传动连接,所述支撑板2的一侧外壁固定有驱动电机12,驱动电机12的输出轴通过联轴器固定有转轴13,转轴13远离驱动电机12的一端延伸至第三凹槽9一侧侧壁转动连接,所述支撑台1顶端固定有斜板24,斜板24的顶端与第一凹槽3的底端侧壁连通。
所述转轴13的外侧壁紧配合套接有第二蜗杆14,所述第二轴体10的外侧壁紧配合套接有第二蜗轮,且第二蜗杆14与第二蜗杆之间啮合传动连接。
所述支撑台1的顶端侧壁开设有对称设置的第四凹槽15,第四凹槽15的两侧侧壁之间滑动连接有移动板16,移动板16的底端侧壁开设有第二螺纹槽18,移动板16的顶端侧壁固定有连接柱17,连接柱17的另一端与支撑板2的底端侧壁固定,所述第四凹槽15的底端侧壁转动连接有第三轴体19,第三轴体19的外侧壁开设有螺纹,且第三轴体19与移动板16之间螺纹传动连接。
所述支撑台1的一侧侧壁固定有步进电机20,步进电机20的输出轴通过联轴器固定有主动轴21,主动轴21远离步进电机20的一端延伸至第四凹槽15侧壁转动连接,所述主动轴21的外侧壁紧配合套接有第三蜗杆22,所述第三轴体19的外侧壁紧配合套接有第三蜗轮23,且第三蜗杆22与第三蜗轮23之间啮合传动连接。
工作原理:能够对汽车维修时,将汽车通过斜板24行驶到第一凹槽3内,然后启动驱动电机12,驱动电机12带动转轴13进行旋转,转轴13带动第二蜗杆14进行旋转,第二蜗杆14与第二蜗轮啮合传动带动第二轴体10进行旋转,第二轴体10带动第一蜗轮进行旋转,第一蜗轮与第一蜗杆11啮合传动带动第一轴体8进行旋转,第一轴体8通过螺纹传动带动滑板移5动,滑板5带动限位板6移动,使限位板6位于轮胎的两侧,进行限位,工作人员可以直接在支撑台1顶端对汽车底部进行操作,也可以启动步进电机20,步进电机20带动主动轴21进行旋转,主动轴21带动第三蜗杆22,第三蜗杆22与第三蜗轮23啮合传动带动第三轴体21进行旋转,第三轴体21与移动板16螺纹传动带动支撑柱17向上移动,支撑柱17带动支撑板2,支撑板2将汽车向上移动,不管移动高度如何,由于支撑板2自身有一定厚度,哪怕后续汽车坠落下来,也不会对人员造成任何损伤。
以上所述,仅为本发明较佳的具体实施方式,但本发明的保护范围并不局限于此,任何熟悉本技术领域的技术人员在本发明揭露的技术范围内,根据本发明的技术方案及其发明构思加以等同替换或改变,都应涵盖在本发明的保护范围之内。

Claims (6)

1.一种便于汽车维修的支持架,包括支撑台(1),其特征在于,所述支撑台(1)的上方安装有对称设置的支撑板(2),支撑板(2)的顶端侧壁开设有第一凹槽(3),第一凹槽(3)的一侧侧壁开设有第二凹槽(4),第二凹槽(4)的一侧侧壁转动连接有第一轴体(8),所述第二凹槽(4)的两侧侧壁之间滑动连接有滑板(5),滑板(5)靠近第一轴体(8)的一侧侧壁开设有第一螺纹槽(7),所述第一轴体(8)的一端延伸至第一螺纹槽(7)内部,所述第一轴体(8)的外侧壁开设有螺纹,且第一轴体(8)与滑板(5)之间螺纹传动连接,所述滑板(5)远离第一轴体(8)的一端固定有对称设置的限位板(6),第二凹槽(4)的底端侧壁开设有第三凹槽(9),第三凹槽(9)的底端侧壁转动连接有第二轴体(10),第二轴体(10)的另一端延伸至第二凹槽(4)顶端侧壁转动连接,所述第一轴体(8)的外侧壁紧配合套接有第一蜗杆(11),所述第二轴体(10)的外侧壁紧配合套接有第一蜗轮,且第一蜗轮与第一蜗杆(11)之间啮合传动连接,所述支撑板(2)的一侧外壁固定有驱动电机(12),驱动电机(12)的输出轴通过联轴器固定有转轴(13),转轴(13)远离驱动电机(12)的一端延伸至第三凹槽(9)一侧侧壁转动连接,所述支撑台(1)顶端固定有斜板(24),斜板(24)的顶端与第一凹槽(3)的底端侧壁连通。
2.根据权利要求1所述的一种便于汽车维修的支持架,其特征在于,所述转轴(13)的外侧壁紧配合套接有第二蜗杆(14),所述第二轴体(10)的外侧壁紧配合套接有第二蜗轮,且第二蜗杆(14)与第二蜗杆之间啮合传动连接。
3.根据权利要求1所述的一种便于汽车维修的支持架,其特征在于,所述支撑台(1)的顶端侧壁开设有对称设置的第四凹槽(15),第四凹槽(15)的两侧侧壁之间滑动连接有移动板(16),移动板(16)的底端侧壁开设有第二螺纹槽(18),移动板(16)的顶端侧壁固定有连接柱(17),连接柱(17)的另一端与支撑板(2)的底端侧壁固定。
4.根据权利要求3所述的一种便于汽车维修的支持架,其特征在于,所述第四凹槽(15)的底端侧壁转动连接有第三轴体(19),第三轴体(19)的外侧壁开设有螺纹,且第三轴体(19)与移动板(16)之间螺纹传动连接。
5.根据权利要求1所述的一种便于汽车维修的支持架,其特征在于,所述支撑台(1)的一侧侧壁固定有步进电机(20),步进电机(20)的输出轴通过联轴器固定有主动轴(21),主动轴(21)远离步进电机(20)的一端延伸至第四凹槽(15)侧壁转动连接。
6.根据权利要求5所述的一种便于汽车维修的支持架,其特征在于,所述主动轴(21)的外侧壁紧配合套接有第三蜗杆(22),且第三轴体(19)的外侧壁紧配合套接有第三蜗轮(23),且第三蜗杆(22)与第三蜗轮(23)之间啮合传动连接。
CN202010275407.0A 2020-04-09 2020-04-09 一种便于汽车维修的支持架 Pending CN111348009A (zh)

Priority Applications (1)

Application Number Priority Date Filing Date Title
CN202010275407.0A CN111348009A (zh) 2020-04-09 2020-04-09 一种便于汽车维修的支持架

Applications Claiming Priority (1)

Application Number Priority Date Filing Date Title
CN202010275407.0A CN111348009A (zh) 2020-04-09 2020-04-09 一种便于汽车维修的支持架

Publications (1)

Publication Number Publication Date
CN111348009A true CN111348009A (zh) 2020-06-30

Family

ID=71191281

Family Applications (1)

Application Number Title Priority Date Filing Date
CN202010275407.0A Pending CN111348009A (zh) 2020-04-09 2020-04-09 一种便于汽车维修的支持架

Country Status (1)

Country Link
CN (1) CN111348009A (zh)

Cited By (2)

* Cited by examiner, † Cited by third party
Publication number Priority date Publication date Assignee Title
CN111947015A (zh) * 2020-08-14 2020-11-17 骆敬贤 车辆维修时出现倒塌的可保护工作人员的自救装置
CN112983065A (zh) * 2021-02-22 2021-06-18 江苏安全技术职业学院 一种汽车维修便携斜坡装置

Citations (9)

* Cited by examiner, † Cited by third party
Publication number Priority date Publication date Assignee Title
US6845848B1 (en) * 2002-06-21 2005-01-25 Bond-Pak, Inc. Vehicle lift with adjustable outriggers
CN206814345U (zh) * 2017-06-01 2017-12-29 张利民 一种车辆检修升降系统
CN107617881A (zh) * 2017-09-22 2018-01-23 芜湖火龙动力科技有限公司 一种减速器壳钻孔攻丝翻转夹具
CN207170462U (zh) * 2017-08-30 2018-04-03 天津市茂海永泰纸制品有限公司 一种纸箱清洁装置
CN108439255A (zh) * 2018-05-23 2018-08-24 常州工程职业技术学院 一种汽车检修清洗举升机
CN108640031A (zh) * 2018-05-21 2018-10-12 大汉汽车集团有限公司 一种客车轻量化车身骨架结构维护检测装置
CN208196235U (zh) * 2018-05-02 2018-12-07 江苏久久车轮有限公司 一种新能源汽车轮毂加工用夹持装置
CN109484519A (zh) * 2017-09-11 2019-03-19 天津市连合工贸有限公司 一种提高停放数量的车架
CN208916726U (zh) * 2018-09-18 2019-05-31 天津明一会汽车维修有限公司 一种汽车维修用升降装置

Patent Citations (9)

* Cited by examiner, † Cited by third party
Publication number Priority date Publication date Assignee Title
US6845848B1 (en) * 2002-06-21 2005-01-25 Bond-Pak, Inc. Vehicle lift with adjustable outriggers
CN206814345U (zh) * 2017-06-01 2017-12-29 张利民 一种车辆检修升降系统
CN207170462U (zh) * 2017-08-30 2018-04-03 天津市茂海永泰纸制品有限公司 一种纸箱清洁装置
CN109484519A (zh) * 2017-09-11 2019-03-19 天津市连合工贸有限公司 一种提高停放数量的车架
CN107617881A (zh) * 2017-09-22 2018-01-23 芜湖火龙动力科技有限公司 一种减速器壳钻孔攻丝翻转夹具
CN208196235U (zh) * 2018-05-02 2018-12-07 江苏久久车轮有限公司 一种新能源汽车轮毂加工用夹持装置
CN108640031A (zh) * 2018-05-21 2018-10-12 大汉汽车集团有限公司 一种客车轻量化车身骨架结构维护检测装置
CN108439255A (zh) * 2018-05-23 2018-08-24 常州工程职业技术学院 一种汽车检修清洗举升机
CN208916726U (zh) * 2018-09-18 2019-05-31 天津明一会汽车维修有限公司 一种汽车维修用升降装置

Cited By (2)

* Cited by examiner, † Cited by third party
Publication number Priority date Publication date Assignee Title
CN111947015A (zh) * 2020-08-14 2020-11-17 骆敬贤 车辆维修时出现倒塌的可保护工作人员的自救装置
CN112983065A (zh) * 2021-02-22 2021-06-18 江苏安全技术职业学院 一种汽车维修便携斜坡装置

Similar Documents

Publication Publication Date Title
CN205631014U (zh) 一种龙门式石材切割机
CN111348009A (zh) 一种便于汽车维修的支持架
CN212356382U (zh) 一种汽车检测分流平台
CN214724159U (zh) 一种汽车维修检测辅助装置
CN212246076U (zh) 一种用于汽车维修的起落装置
CN201756039U (zh) 一种摆杆式车轮拆装装置
CN210863135U (zh) 一种起重机制动试验装置
CN205971398U (zh) 一种可升降式组装台车
CN210480283U (zh) 一种新型移动式登车轿
CN218201773U (zh) 一种吊起装置的调节机构
CN219768207U (zh) 一种调节灵活的零件维修平台
CN215999767U (zh) 一种管状五金件打磨设备
CN212387691U (zh) 一种用于电力设备检修用的升降机装置
CN205012731U (zh) 梳齿升降式汽车搬运器
CN2668322Y (zh) 大型电机机座立卧翻转装置
CN221370419U (zh) 一种二级升降平台
CN218909721U (zh) 一种用于车辆检修的架车机
CN101890875B (zh) 一种重型车轮拆装装置
CN213707624U (zh) 一种新型汽车维修支架
CN218800440U (zh) 一种可调节高度的机械加工机床
CN223084745U (zh) 一种汽车轮胎检修设备
CN212825246U (zh) 一种传动辊轴的磨损轴头修复工装
CN217918156U (zh) 一种半挂车车厢的连接结构
CN113799555A (zh) 一种用于电动车制造的扒胎机
CN221561234U (zh) 一种铁路货车转向架用便携式维修装置

Legal Events

Date Code Title Description
PB01 Publication
PB01 Publication
SE01 Entry into force of request for substantive examination
SE01 Entry into force of request for substantive examination
RJ01 Rejection of invention patent application after publication

Application publication date: 20200630

RJ01 Rejection of invention patent application after publication