CN111337375A - A remote monitoring system for ice coating on transmission lines - Google Patents
A remote monitoring system for ice coating on transmission lines Download PDFInfo
- Publication number
- CN111337375A CN111337375A CN202010199330.3A CN202010199330A CN111337375A CN 111337375 A CN111337375 A CN 111337375A CN 202010199330 A CN202010199330 A CN 202010199330A CN 111337375 A CN111337375 A CN 111337375A
- Authority
- CN
- China
- Prior art keywords
- terminal
- transmission line
- transmitter
- signal
- monitoring system
- Prior art date
- Legal status (The legal status is an assumption and is not a legal conclusion. Google has not performed a legal analysis and makes no representation as to the accuracy of the status listed.)
- Pending
Links
Images
Classifications
-
- G—PHYSICS
- G01—MEASURING; TESTING
- G01N—INVESTIGATING OR ANALYSING MATERIALS BY DETERMINING THEIR CHEMICAL OR PHYSICAL PROPERTIES
- G01N5/00—Analysing materials by weighing, e.g. weighing small particles separated from a gas or liquid
-
- G—PHYSICS
- G01—MEASURING; TESTING
- G01B—MEASURING LENGTH, THICKNESS OR SIMILAR LINEAR DIMENSIONS; MEASURING ANGLES; MEASURING AREAS; MEASURING IRREGULARITIES OF SURFACES OR CONTOURS
- G01B7/00—Measuring arrangements characterised by the use of electric or magnetic techniques
- G01B7/02—Measuring arrangements characterised by the use of electric or magnetic techniques for measuring length, width or thickness
- G01B7/06—Measuring arrangements characterised by the use of electric or magnetic techniques for measuring length, width or thickness for measuring thickness
Landscapes
- Physics & Mathematics (AREA)
- General Physics & Mathematics (AREA)
- Health & Medical Sciences (AREA)
- Life Sciences & Earth Sciences (AREA)
- Chemical & Material Sciences (AREA)
- Analytical Chemistry (AREA)
- Biochemistry (AREA)
- General Health & Medical Sciences (AREA)
- Immunology (AREA)
- Pathology (AREA)
- Arrangements For Transmission Of Measured Signals (AREA)
Abstract
本发明涉及一种输电线路覆冰远程监测系统,其包括覆冰自动监测终端和控制终端;所述覆冰自动监测终端安装在输电线路杆塔上,其通过无线网络与所述控制终端连接通讯;所述覆冰自动监测终端包括温度采集变送器、湿度采集变送器、称重数据采集装置、信号滤波放大器、电量管理单元、蓄电池、光伏板和RTU远程终端控制单元。本发明构思合理,使用安全可靠,能实时自动计算监测,不受外界干扰,操控方便,能为覆冰的输电线路第一时间提供数据支撑,确保了输电线路安全可靠供电,降低电网运行风险。
The invention relates to a transmission line icing remote monitoring system, which comprises an icing automatic monitoring terminal and a control terminal; the icing automatic monitoring terminal is installed on a transmission line tower, and is connected and communicated with the control terminal through a wireless network; The ice coating automatic monitoring terminal includes a temperature acquisition transmitter, a humidity acquisition transmitter, a weighing data acquisition device, a signal filter amplifier, a power management unit, a battery, a photovoltaic panel and an RTU remote terminal control unit. The invention has a reasonable conception, is safe and reliable in use, can automatically calculate and monitor in real time, is free from external interference and is easy to operate, and can provide data support for the ice-covered transmission line at the first time, ensure the safe and reliable power supply of the transmission line, and reduce the operation risk of the power grid.
Description
技术领域technical field
本发明属于输电线路监测技术领域,具体涉及一种输电线路覆冰监测实时系统。The invention belongs to the technical field of power transmission line monitoring, and in particular relates to a real-time system for monitoring ice coating of power transmission lines.
背景技术Background technique
输电线路覆冰和积雪会导致其机械和电气性能急剧下降,引起导线舞动、杆塔倾斜甚至倒塌、断线以及绝缘子串覆冰闪络等重大电力事故,严重影响电力系统的安全运行。长期以来,国内外对输电线路覆冰进行了长期的观测和研究,在覆冰理论、冰闪机理、输电线路覆冰监测研究相关技术等方面取得了很多成果。目前,检测线路覆冰的方法主要有人工巡视监测、观冰站等等,这些方法存在着人工巡视劳动强度大、投资高、时间长,监测结果准确度差大等问题。Ice and snow cover on transmission lines will lead to a sharp decline in their mechanical and electrical performance, causing major power accidents such as conductor galloping, tower tilting or even collapse, disconnection, and flashover of insulator strings, which seriously affects the safe operation of the power system. For a long time, long-term observation and research on transmission line icing have been carried out at home and abroad, and many achievements have been made in icing theory, ice flash mechanism, and related technologies of transmission line icing monitoring and research. At present, the main methods of detecting line icing include manual inspection and monitoring, ice observation stations, etc. These methods have problems such as high labor intensity, high investment, long time, and poor accuracy of monitoring results.
长期以来,可靠稳妥地监测输电线路覆冰情况一直是困扰线路运维工作的一大瓶颈。因此,研制一款输电线路覆冰远程监测系统尤其是对现有监测装置进行改进,是解决上述问题的关键。For a long time, the reliable and stable monitoring of the icing of transmission lines has been a major bottleneck for line operation and maintenance. Therefore, the development of a remote monitoring system for transmission line icing, especially the improvement of existing monitoring devices, is the key to solving the above problems.
发明内容SUMMARY OF THE INVENTION
针对上述背景技术中存在的问题,本发明提出了一种构思合理,使用安全可靠,能实时自动计算监测,不受外界干扰,操控方便,能为覆冰的输电线路第一时间提供数据支撑,确保了输电线路安全可靠供电,降低电网运行风险的输电线路覆冰远程监测系统。In view of the problems existing in the above background technology, the present invention proposes a method with reasonable conception, safe and reliable use, real-time automatic calculation and monitoring, free from external interference, convenient operation, and can provide data support for the ice-covered transmission line at the first time. A remote monitoring system for transmission line icing that ensures safe and reliable power supply of transmission lines and reduces the risk of power grid operation.
本发明的技术方案如下:The technical scheme of the present invention is as follows:
上述的输电线路覆冰远程监测系统,包括覆冰自动监测终端和控制终端;所述覆冰自动监测终端安装在输电线路杆塔上,其通过无线网络与所述控制终端连接通讯;所述覆冰自动监测终端包括温度采集变送器、湿度采集变送器、称重数据采集装置、信号滤波放大器、电量管理单元、蓄电池、光伏板和RTU远程终端控制单元;所述温度采集变送器和湿度采集变送器的一端均电连接所述电量管理单元,另一端均电连接所述RTU远程终端控制单元;所述称重数据采集装置一端电连接所述电量管理单元,另一端电连接所述信号滤波放大器;所述信号滤波放大器一端电连接所述电量管理单元,另一端电连接所述RTU远程终端控制单元;所述电量管理单元用于实现所述光伏板与所述蓄电池之间的充放电控制;所述电量管理单元一端通过市电接口连接220V市电,另一端分别连接所述蓄电池和光伏板;所述RTU远程终端控制单元一端连接所述电源管理单元,另一端通过无线网络连接所述控制终端。The above-mentioned transmission line icing remote monitoring system includes an icing automatic monitoring terminal and a control terminal; the icing automatic monitoring terminal is installed on a transmission line tower, and is connected and communicated with the control terminal through a wireless network; the icing automatic monitoring terminal is The automatic monitoring terminal includes a temperature acquisition transmitter, a humidity acquisition transmitter, a weighing data acquisition device, a signal filter amplifier, a power management unit, a battery, a photovoltaic panel and an RTU remote terminal control unit; the temperature acquisition transmitter and the humidity One end of the acquisition transmitter is electrically connected to the power management unit, and the other end is electrically connected to the RTU remote terminal control unit; one end of the weighing data acquisition device is electrically connected to the power management unit, and the other end is electrically connected to the power management unit. Signal filter amplifier; one end of the signal filter amplifier is electrically connected to the power management unit, and the other end is electrically connected to the RTU remote terminal control unit; the power management unit is used to realize the charging between the photovoltaic panel and the battery Discharge control; one end of the power management unit is connected to the 220V commercial power through the commercial power interface, and the other end is connected to the battery and the photovoltaic panel respectively; one end of the RTU remote terminal control unit is connected to the power management unit, and the other end is connected through a wireless network. the control terminal.
所述输电线路覆冰远程监测系统,其中:所述RTU远程终端控制单元分别采集所述称重数据采集装置的称重电流信号、所述温度采集变送器的温度电流信号以及所述湿度采集变送器的湿度电流信号,然后通过无线网络传输至远程计算机专家软件系统。The transmission line icing remote monitoring system, wherein: the RTU remote terminal control unit separately collects the weighing current signal of the weighing data acquisition device, the temperature current signal of the temperature acquisition transmitter, and the humidity acquisition The humidity current signal of the transmitter is then transmitted to the remote computer expert software system through the wireless network.
所述输电线路覆冰远程监测系统,其中:所述RTU远程终端控制单元具有开关量采集通道、模拟量采集通道和并行接口;所述开关量采集通道和模拟量采集通道均通过所述并行接口与所述控制终端连接通讯;所述开关量采集通道用于采集所述电量管理单元控制的电流输出开关状态;所述模拟量采集通道用于采集中称重数据、温度数据、湿度数据以及气象数据。The transmission line icing remote monitoring system, wherein: the RTU remote terminal control unit has a switch quantity acquisition channel, an analog quantity acquisition channel and a parallel interface; the switch quantity acquisition channel and the analog quantity acquisition channel all pass through the parallel interface Connect and communicate with the control terminal; the switch value acquisition channel is used to collect the current output switch state controlled by the power management unit; the analog quantity acquisition channel is used to collect weighing data, temperature data, humidity data and weather data data.
所述输电线路覆冰远程监测系统,其中:所述模拟量采集通道具有多路开关、电流/电压互感器、电量变送器、采样保持器、A/D变换器和标量计算器;所述多路开关一端连接所述电流/电压互感器,另一端连接所述电量变送器一端;所述电量变送器另一端连接所述采样保持器一端,所述采样保持器另一端连接所述A/D变换器一端,所述A/D变换器另一端连接所述标量计算器一端,所述标量计算器另一端连接所述并行接口并通过所述并行接口连接所述控制终端。The transmission line icing remote monitoring system, wherein: the analog quantity acquisition channel has a multi-way switch, a current/voltage transformer, a power transmitter, a sample holder, an A/D converter and a scalar calculator; the One end of the multi-way switch is connected to the current/voltage transformer, and the other end is connected to one end of the power transmitter; the other end of the power transmitter is connected to one end of the sample holder, and the other end of the sample holder is connected to the One end of the A/D converter, the other end of the A/D converter is connected to one end of the scalar calculator, the other end of the scalar calculator is connected to the parallel interface and the control terminal is connected through the parallel interface.
所述输电线路覆冰远程监测系统,其中:所述开关量采集通道具有开关K1~K8、信号转换器和光电隔离器;所述开关K1~K8一端连接12V直流电源,另一端连接所述信号转换器一端;所述信号转换器另一端连接所述光电隔离器一端,所述光电隔离器另一端连接所述并行接口并通过所述并行接口连接所述控制终端。The transmission line icing remote monitoring system, wherein: the switch value acquisition channel has switches K1 to K8, a signal converter and a photoelectric isolator; one end of the switches K1 to K8 is connected to a 12V DC power supply, and the other end is connected to the signal One end of the converter; the other end of the signal converter is connected to one end of the optoelectronic isolator, and the other end of the optoelectronic isolator is connected to the parallel interface and is connected to the control terminal through the parallel interface.
所述输电线路覆冰远程监测系统,其中:所述控制终端包括CPU、串行接口、4GModbus模块、Modbus寄存器、只读存储器、随机存储器(RAM)、中断控制模块和定时技术模块;所述控制终端还搭载有4G Modem,其通过所述4G Modem将所述开关量采集通道和所述模拟量采集通道的数据传输至远程计算机专家软件系统。The transmission line icing remote monitoring system, wherein: the control terminal includes a CPU, a serial interface, a 4GModbus module, a Modbus register, a read-only memory, a random access memory (RAM), an interrupt control module and a timing technology module; the control The terminal is also equipped with a 4G Modem, which transmits the data of the switching quantity acquisition channel and the analog quantity acquisition channel to a remote computer expert software system through the 4G Modem.
所述输电线路覆冰远程监测系统,其中:所述称重数据采集装置包括外壳、设置于所述外壳内部的弹性体、与所述弹性体连接的电阻应变片及与所述电阻应变片连接的检测电路;所述弹性体、电阻应变片及检测电路组装成一个整体匹配安装于所述外壳的内部。The transmission line icing remote monitoring system, wherein: the weighing data acquisition device includes a casing, an elastic body arranged inside the casing, a resistance strain gauge connected to the elastic body, and a resistance strain gauge connected to the resistance strain gauge The detection circuit; the elastic body, the resistance strain gauge and the detection circuit are assembled into a whole matched and installed inside the casing.
所述输电线路覆冰远程监测系统,其中:所述信号滤波放大器是将所述称重数据采集装置传输的电信号等比例放大并滤波后转换为4-20mA的标准电流信号;所述信号滤波放大器为二极管基本放大电路且用于将输出的电压mV级信号放大至0-5V范围内。The transmission line icing remote monitoring system, wherein: the signal filter amplifier is to amplify and filter the electrical signal transmitted by the weighing data acquisition device in equal proportion and convert it into a standard current signal of 4-20mA; the signal filter The amplifier is a diode basic amplifier circuit and is used to amplify the output voltage mV level signal to the range of 0-5V.
所述输电线路覆冰远程监测系统,其中:所述温度采集变送器和湿度采集变送器均为四线制电流型变送器;所述温度采集变送器和湿度采集变送器均采用的是型号为JWSKE-6系列增强型温湿度变送器。The transmission line icing remote monitoring system, wherein: the temperature acquisition transmitter and the humidity acquisition transmitter are both four-wire current type transmitters; the temperature acquisition transmitter and the humidity acquisition transmitter are both The model used is the JWSKE-6 series enhanced temperature and humidity transmitter.
有益效果:Beneficial effects:
本发明输电线路覆冰远程监测系统基于动态数据称重法,结构设计合理,通过在易覆冰区域的铁塔上安装覆冰自动监测终端,将现场数据通过无线通讯网络传往监控终端,可随时掌握线路的覆冰情况,并可实现预、报警,达到实时采集覆冰数据,掌握覆冰情况采取措施,达到降低电网覆冰事故损失的目的。The transmission line icing remote monitoring system of the invention is based on the dynamic data weighing method, and the structure design is reasonable. By installing the icing automatic monitoring terminal on the iron tower in the easy icing area, the on-site data is transmitted to the monitoring terminal through the wireless communication network, which can be used at any time. It can grasp the icing situation of the line, and can realize pre-warning and alarm, so as to collect icing data in real time, and take measures to grasp the icing situation, so as to achieve the purpose of reducing the loss of power grid icing accidents.
本发明输电线路覆冰远程监测系统还具有以下优点:The transmission line icing remote monitoring system of the present invention also has the following advantages:
(1)双重供电及市电优先智能切换(1) Dual power supply and mains priority intelligent switching
系统具有双重供电,当无外接市电时,电量管理单元将光伏板产生的电能储存至蓄电池并根据蓄电池电量状况将电源输送至前端各用电设备;当现场有市电输入时,电量管理单元自动切断蓄电池电量输出,切换至市电供给前端各用电设备,此设计延长蓄电池使用寿命,适应多种铁塔现场安装情况。The system has dual power supply. When there is no external mains, the power management unit stores the electric energy generated by the photovoltaic panels in the battery and transmits the power to the front-end electrical equipment according to the battery power status; when there is mains input on site, the power management unit Automatically cut off the output of battery power and switch to the mains supply to supply the front-end electrical equipment. This design prolongs the service life of the battery and adapts to various on-site installation conditions of the tower.
(2)称重采集与多重传感器融合(2) Weighing acquisition and multi-sensor fusion
现场通过称重数据采集装置内的弹性元件、电阻应变片、测量电路实现载荷负重的数字量化,通过信号滤波放大器,将线性电阻信号转换为4-20mA标准模拟信号。The digital quantification of the load is realized through the elastic element, resistance strain gauge and measuring circuit in the weighing data acquisition device on site, and the linear resistance signal is converted into a 4-20mA standard analog signal through the signal filter amplifier.
(3)系统构架模型(3) System Architecture Model
系统采用分布式构架,前端可任意安装覆冰自动监测终端,通过网络信号与云计算专家软件,实现数据实时采集,云存储与多重客户端监看管理功能,使得班组及相关责任人第一时间掌握线路覆冰状况,为建设坚强智能电网提供了必要的技术保障。The system adopts a distributed architecture, and the front end can be installed with an automatic monitoring terminal for icing. Through the network signal and cloud computing expert software, real-time data acquisition, cloud storage and multiple client monitoring and management functions are realized, so that the team and relevant responsible persons can immediately Mastering the icing status of the line provides the necessary technical support for the construction of a strong and smart grid.
附图说明Description of drawings
图1为本发明输电线路覆冰远程监测系统的原理框图。FIG. 1 is a schematic block diagram of the remote monitoring system for ice coating on transmission lines according to the present invention.
图2为本发明输电线路覆冰远程监测系统的原理图。FIG. 2 is a schematic diagram of the remote monitoring system for ice coating on transmission lines according to the present invention.
图3为本发明输电线路覆冰远程监测系统的电路连接原理图。FIG. 3 is a schematic diagram of the circuit connection of the remote monitoring system for ice coating on transmission lines according to the present invention.
图4为本发明输电线路覆冰远程监测系统的称重数据采集装置的结构示意图。FIG. 4 is a schematic structural diagram of the weighing data acquisition device of the transmission line icing remote monitoring system of the present invention.
图5为本发明输电线路覆冰远程监测系统的覆冰自动监测终端的称重采集装置的电路图。FIG. 5 is a circuit diagram of the weighing acquisition device of the ice coating automatic monitoring terminal of the transmission line ice coating remote monitoring system of the present invention.
图6为本发明输电线路覆冰远程监测系统的覆冰自动监测终端的电量管理单元的电路图。FIG. 6 is a circuit diagram of the power management unit of the ice-covered automatic monitoring terminal of the transmission line ice-covered remote monitoring system of the present invention.
图7为本发明输电线路覆冰远程监测系统的RTU远程终端控制单元的模拟量采集通道的光电隔离电路图。FIG. 7 is a photoelectric isolation circuit diagram of the analog quantity acquisition channel of the RTU remote terminal control unit of the transmission line icing remote monitoring system of the present invention.
具体实施方式Detailed ways
如图1、2所示,本发明输电线路覆冰远程监测系统,包括覆冰自动监测终端1和控制终端2。As shown in FIGS. 1 and 2 , the remote monitoring system for ice coating on a transmission line of the present invention includes an
该覆冰自动监测终端1安装在输电线路杆塔上,其通过无线网络与控制终端2连接通讯。The ice-covering
该控制终端2包括CPU、串行接口、4G Modbus模块、Modbus寄存器、只读存储器(ROM)、随机存储器(RAM)、中断控制模块和定时技术模块。The
该覆冰自动监测终端1包括温度采集变送器11、湿度采集变送器12、称重数据采集装置13、信号滤波放大器14、电量管理单元15、蓄电池16、光伏板17和RTU远程终端控制单元18。The icing
该温度采集变送器11和湿度采集变送器12的一端均电连接电量管理单元5,另一端均电连接RTU远程终端控制单元18。该温度采集变送器11和湿度采集变送器12均为四线制(4-20mA)电流型变送器;该温度采集变送器11和湿度采集变送器12采用的是型号为JWSKE-6系列增强型温湿度变送器(温湿度传感器)。One end of the
如图4所示,该称重数据采集装置13一端电连接电量管理单元15,另一端电连接信号滤波放大器14。其中,该称重数据采集装置13包括外壳130、设置于外壳130内部的弹性体131、与弹性体131连接的电阻应变片132及与电阻应变片132连接的检测电路133;该弹性体131、电阻应变片132及检测电路133构成一个整体;当导线覆冰后,导线荷重产生一个增量,弹性体131受力变形,电阻应变片132贴在弹性体131上,电阻应变片132上部的电阻应变片132随之变形并导致电阻改变;检测电路133测出电阻应变片132的电阻变化并变换为与外力大小成比例的电信号输出至信号滤波放大器14;具体是该称重数据采集装置13输出微小电压mV级信号,该微小电压mV级信号经信号滤波放大器14被放大至0-5V范围内。As shown in FIG. 4 , one end of the weighing
其中,该电阻应变片132是把一根电阻丝机械的分布在一块有机材料制成的基底上,即成为一片应变片。该弹性体131具有两个功能,首先是该弹性体131承受所受的外力,对外力产生反作用力,达到相对静平衡,其次,该弹性体131要产生一个高品质的应变场(区),使粘贴在此区的电阻应变片132比较理想的完成应变电信号的转换任务。该检测电路133用于把电阻应变片132的电阻变化转变为微小电压输出,例如:该检测电路133灵敏度为2±0.002(mv/v),在一定的供电条件下Uin(比如12VDC),载荷达到额定满量程(比如5000kg)时的输出变化量Uout(比如24mV)与供电电压的比值。The
该称重数据采集装置13的工作原理为:弹性体131(弹性元件,敏感梁)在外力作用下产生弹性变形,使粘贴在他表面的电阻应变片132(转换元件)也随同产生变形,电阻应变片132变形后阻值将发生变化(增大或减小),再经相应的检测电路133把这一电阻变化转换为电信号(电压或电流),从而完成了将外力变换为电信号的过程,检测电路133测出电阻应变片132的变化并变换为与外力大小成比例的电信号输出,电信号经处理后以数字形式显示出被测物的质量,即:力的变化->弹性体形变->电阻变化->电压变化。The working principle of the weighing
如图5所示,该称重数据采集装置13的检测电路133由芯片U1、芯片U2、芯片U5、电容C1~C11、电感L1、二极管D1~D2、电阻R1~R22、运算放大器U3A和U3B、光电耦合器U4和U6、接线端子P1~P5组成。其中,该电容C1~C3和C5均为极性电容,该电阻R7、R11、R16和R20均为可调电阻;该二极管D2为稳压二极管。该电容C1采用C470uF/50V电容,该电容C2采用C470uF/25V电容,该电容C3采用100uF/25V电容,该电容C5采用68uF/16V电容;该电容C4、C6、C7、C9、C10、C11的电容值均为0.1uF,该电容C8的电容值为1uF。该电阻R1、R14的电阻值均为3KΩ,该电阻R2、R15的电阻值均为20KΩ,该电阻R3、R17、R21、R22的电阻值均为2KΩ,该电阻R4、R5、R8、R10、R12的电阻值均为1KΩ,该电阻R6、R13、R18的电阻值均为100KΩ,该电阻R7的电阻值为5KΩ,该电阻R9、R19的电阻值均为10KΩ,该电阻R11、R16、R20的电阻值均为50KΩ,该电阻R15的电阻值为3KΩ。该电感L1的电感值为47uH。As shown in FIG. 5 , the
如图5所示,该芯片U1的型号为L7815ABD2T,该芯片U1的管脚IN连接+24V电源,该芯片U1的管脚GND接地,该芯片U1的管脚OUT连接+15V电源;该电容C1的阳极连接+24V电源,阴极接地GND;该电容C2的阳极连接+15V电源,阴极接地GND;该电容C3的阳极连接+15V电源,阴极接地GND;该电容C4一端连接+15V电源,另一端接地GND。As shown in Figure 5, the model of the chip U1 is L7815ABD2T, the pin IN of the chip U1 is connected to the +24V power supply, the pin GND of the chip U1 is grounded, and the pin OUT of the chip U1 is connected to the +15V power supply; the capacitor C1 The anode of the capacitor C2 is connected to the +24V power supply, and the cathode is connected to the ground GND; the anode of the capacitor C2 is connected to the +15V power supply, and the cathode is connected to the ground GND; the anode of the capacitor C3 is connected to the +15V power supply, and the cathode is connected to the ground GND; one end of the capacitor C4 is connected to the +15V power supply, and the other end is connected to the +15V power supply. Ground GND.
如图5所示,该芯片U2的型号为MAX764,该芯片U2的管脚OUT连接-5V电源,该芯片U2的管脚FB和管脚REF连接电容C6并通过电容C6接地,该芯片U2的管脚SHDN和管脚GND均接地,该芯片U2的管脚V+连接+15V电源,该芯片U2的管脚LX连接二极管D1的阴极端;该二极管D1的型号为N5817,其阳极端连接-5V电源;该电感L1的型号为47uH,其一端连接二极管D1的阴极端,另一端接地;该极性电容C5的阳极接地,阴极连接-5V电源。As shown in Figure 5, the model of the chip U2 is MAX764, the pin OUT of the chip U2 is connected to the -5V power supply, the pin FB and the pin REF of the chip U2 are connected to the capacitor C6 and grounded through the capacitor C6. The pin SHDN and pin GND are both grounded, the pin V+ of the chip U2 is connected to the +15V power supply, and the pin LX of the chip U2 is connected to the cathode end of the diode D1; the model of the diode D1 is N5817, and its anode end is connected to -5V Power supply; the type of the inductor L1 is 47uH, one end of which is connected to the cathode end of the diode D1, and the other end is grounded; the anode of the polar capacitor C5 is grounded, and the cathode is connected to the -5V power supply.
如图5所示,该电容C7一端连接+15V电源,另一端接地GND;该电容C8一端接地,另一端连接接线端子P2的1号管脚;该二极管D2型号为IN4740,其阳极端接地,阴极端连接接线端子P2的1号管脚。As shown in Figure 5, one end of the capacitor C7 is connected to the +15V power supply, and the other end is grounded to GND; one end of the capacitor C8 is grounded, and the other end is connected to the No. 1 pin of the terminal P2; the diode D2 is a model of IN4740, and its anode end is grounded. The cathode end is connected to the No. 1 pin of the terminal P2.
如图5所示,该芯片U5的型号为OPA2227,该芯片U5的管脚+VCC连接+15V电源,该芯片U5的管脚-VCC连接-5V电源;该电阻R4一端连接接线端子P2的1号管脚,另一端连接芯片U5的管脚OUT1;该电阻R8一端连接芯片U5的管脚+IN1,另一端连接接线端子P3的1号管脚;该电阻R12一端连接芯片U5的管脚+IN2,另一端连接接线端子P3的2号管脚;该电阻R5一端连接该电阻R7的滑片,另一端依次串接电阻R10和R13后接地;该电阻R7的线圈一端和滑片均连接电阻R6并通过电阻R6均连接芯片U5的管脚OUT1,该电阻R7的线圈另一端连接于电阻R10与电阻R13之间;该电容C9一端连接接线端子P3的1号管脚,另一端接地;该电容C10一端连接称重传感器信号端子S-,另一端接地;该电阻R18一端接地,另一端连接电阻R16的滑片;该电阻R16的线圈一端连接接线端子P3的1号管脚,线圈另一端连接接线端子P3的2号管脚。As shown in Figure 5, the model of the chip U5 is OPA2227, the pin +VCC of the chip U5 is connected to the +15V power supply, the pin -VCC of the chip U5 is connected to the -5V power supply; one end of the resistor R4 is connected to the 1 of the terminal P2. No. 1 pin, the other end is connected to the pin OUT1 of the chip U5; one end of the resistor R8 is connected to the pin +IN1 of the chip U5, and the other end is connected to the No. 1 pin of the terminal P3; one end of the resistor R12 is connected to the pin + IN1 of the chip U5 IN2, the other end is connected to the No. 2 pin of the terminal P3; one end of the resistor R5 is connected to the slider of the resistor R7, and the other end is connected to the resistors R10 and R13 in series and then grounded; one end of the coil of the resistor R7 and the slider are connected to the resistor R6 is connected to the pin OUT1 of the chip U5 through the resistor R6, and the other end of the coil of the resistor R7 is connected between the resistor R10 and the resistor R13; one end of the capacitor C9 is connected to the No. 1 pin of the terminal P3, and the other end is grounded; the One end of the capacitor C10 is connected to the signal terminal S- of the load cell, and the other end is grounded; one end of the resistor R18 is grounded, and the other end is connected to the slider of the resistor R16; one end of the coil of the resistor R16 is connected to the No. 1 pin of the terminal P3, and the other end of the coil Connect to pin 2 of terminal P3.
如图5所示,该接线端子P1的1号管脚连接+24V电源,2号管脚接地;该接线端子P2的2号管脚连接-5V电源;该接线端子P4的1号管脚连接+15V电源,2号管脚接地。As shown in Figure 5, the No. 1 pin of the terminal P1 is connected to the +24V power supply, and the No. 2 pin is grounded; the No. 2 pin of the terminal P2 is connected to the -5V power supply; the No. 1 pin of the terminal P4 is connected to +15V power supply,
如图5所示,该电容C11一端连接+15V电源,另一端接地。该运算放大器U3A的型号为LM358M,其电源正极端连接+15V电源,电源负极端接地;该运算放大器U3A的同相输入端连接电阻R2并通过电阻R2连接接线端子P2的1号管脚,该运算放大器U3A的反相输入端连接电阻R11的滑片;该电阻R11的线圈一端接地,线圈另一端连接电阻R9并通过电阻R9连接+15V电源;该运算放大器U3A的输出端连接电阻R3并通过电阻R3连接光电耦合器U4的阳极端;该光电耦合器U4的阴极端和发射极接地,该光电耦合器U4的集电极连接接线端子P5的1号管脚;该电阻R1一端连接接线端子P5的1号管脚,另一端连接+24V电源;该电阻R21一端接地,另一端连接光电耦合器U4的阳极端。As shown in Figure 5, one end of the capacitor C11 is connected to the +15V power supply, and the other end is grounded. The model of the operational amplifier U3A is LM358M, the positive terminal of the power supply is connected to the +15V power supply, and the negative terminal of the power supply is grounded; the non-inverting input terminal of the operational amplifier U3A is connected to the resistor R2 and connected to the No. 1 pin of the terminal P2 through the resistor R2. The inverting input terminal of the amplifier U3A is connected to the slider of the resistor R11; one end of the coil of the resistor R11 is grounded, the other end of the coil is connected to the resistor R9 and is connected to the +15V power supply through the resistor R9; the output terminal of the operational amplifier U3A is connected to the resistor R3 and through the resistor R9 R3 is connected to the anode end of the photocoupler U4; the cathode end and the emitter of the photocoupler U4 are grounded, and the collector of the photocoupler U4 is connected to the No. 1 pin of the terminal P5; one end of the resistor R1 is connected to the terminal P5 No. 1 pin, the other end is connected to the +24V power supply; one end of the resistor R21 is grounded, and the other end is connected to the anode end of the photocoupler U4.
如图5所示,该运算放大器U3B的型号为LM358M,其正极端连接+15V电源,负极端接地,同相输入端连接电阻R15并通过电阻R15连接接线端子P2的1号管脚;该运算放大器U3B的反相输入端连接电阻R20的滑片,该电阻R20的线圈一端连接电阻R19并通过电阻R19连接+15V电源,该电阻R20的线圈另一端接地;该运算放大器U3B的输出端连接电阻R17并通过电阻R17连接光电耦合器U4的阳极端;该光电耦合器U4的阴极端和发射极接地,该光电耦合器U4的集电极连接接线端子P5的2号管脚;该电阻R22一端连接光电耦合器U4的阳极端,另一端接地;该电阻R14一端连接接线端子P5的2号管脚,另一端连接+24V电源。As shown in Figure 5, the model of the operational amplifier U3B is LM358M, its positive terminal is connected to the +15V power supply, the negative terminal is grounded, the non-inverting input terminal is connected to the resistor R15 and connected to the No. 1 pin of the terminal P2 through the resistor R15; the operational amplifier The inverting input terminal of U3B is connected to the slider of the resistor R20, one end of the coil of the resistor R20 is connected to the resistor R19 and is connected to the +15V power supply through the resistor R19, and the other end of the coil of the resistor R20 is grounded; the output terminal of the operational amplifier U3B is connected to the resistor R17 And connect the anode end of the optocoupler U4 through the resistor R17; the cathode end and the emitter of the optocoupler U4 are grounded, the collector of the optocoupler U4 is connected to the No. 2 pin of the terminal P5; one end of the resistor R22 is connected to the optoelectronic The anode end of the coupler U4 and the other end are grounded; one end of the resistor R14 is connected to the No. 2 pin of the terminal P5, and the other end is connected to the +24V power supply.
如图5所示,该检测电路133中Vout是信号滤波放大器将mv级信号滤波后放大输出,放大后模拟量输出0-10V,输出电压也可以调整;S+,S-是称重数据采集装置13信号;OUT1,OUT2是开关量输出,可做超重报警,可调。As shown in Figure 5, Vout in the
该信号滤波放大器14一端电连接电量管理单元15,另一端电连接RTU远程终端控制单元18;其中,该信号滤波放大器14是将称重数据采集装置13传输的电信号等比例放大并滤波后转换为4-20mA的标准电流信号;该信号滤波放大器14为二极管基本放大电路,主要将输出微小电压mV级信号,该信号经信号滤波放大器14把微小电压mV级信号放大至0-5V范围内。One end of the
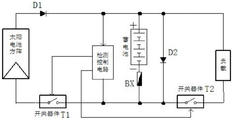
该电量管理单元15主要实现光伏板17与蓄电池16的充放电控制,采用市场成型产品;该电量管理单元15一端通过市电接口连接220V市电,另一端分别连接蓄电池16和光伏板17。如图6所示,该电量管理单元15由太阳能电池组、开关器件T1和T2、检测控制电路、蓄电池、电阻BX、二极管D1和D2组成;该电量管理单元1的电路是采用现有电路,例如太阳能路灯、太阳能监控设等都是采用此电路,其功能是将光能转换为电能,同时控制负载的开关。The
该开关器件T1一端连接太阳能电池组的负极,另一端连接开关器件T2的一端;该开关器件T2的另一端连接负载一端;该二极管D1的阳极端连接太阳能电池组的阳极,该二极管D1的阴极端连接负载另一端;该检测控制电路一端连接于开关器件T1与T2之间,另一端连接二极管D1的阴极端;该检测控制电路的输出端还分别连接开关器件T1与T2;该蓄电池一端连接电阻BX并通过电阻BX连接于开关器件T1与T2之间,该蓄电池另一端连接二极管D1的阴极端;该二极管D2的阳极端连接二极管D1的阴极端,该二极管D2的阴极端连接于开关器件T1与T2之间。One end of the switching device T1 is connected to the negative pole of the solar battery pack, and the other end is connected to one end of the switching device T2; the other end of the switching device T2 is connected to one end of the load; the anode end of the diode D1 is connected to the anode of the solar battery pack, and the cathode of the diode D1 The terminal is connected to the other end of the load; one end of the detection control circuit is connected between the switching devices T1 and T2, and the other end is connected to the cathode end of the diode D1; the output end of the detection control circuit is also connected to the switching devices T1 and T2 respectively; one end of the battery is connected to The resistor BX is connected between the switching devices T1 and T2 through the resistor BX, and the other end of the battery is connected to the cathode end of the diode D1; the anode end of the diode D2 is connected to the cathode end of the diode D1, and the cathode end of the diode D2 is connected to the switching device. between T1 and T2.
该RTU远程终端控制单元18一端连接电源管理单元5,另一端通过无线网络(GPRS/3G/4G)连接控制终端2。该RTU远程终端控制单元18分别采集该称重数据采集装置13的称重电流信号、温度采集变送器11的温度电流信号以及湿度采集变送器12的湿度电流信号,然后通过无线网络(GPRS/3G/4G)传输至远程计算机专家软件系统。One end of the RTU remote
如图3所示,该RTU远程终端控制单元18具有开关量采集通道、模拟量采集通道和并行接口。该控制终端2还搭载有4G Modem,其通过4GModem将开关量采集通道DI1-DI8、模拟量采集通道AI1-AI8的数据传输至远程计算机专家软件系统。As shown in FIG. 3 , the RTU remote
该开关量采集通道和模拟量采集通道均通过并行接口与控制终端2连接通讯;该开关量采集通道用于采集电量管理单元15控制的多路电流输出开关状态(导通或断开)。其中,该开关量采集通道具有开关K1~K8、信号转换器和光电隔离器;该开关K1~K8一端连接12V直流电源,另一端连接信号转换器一端;该信号转换器另一端连接光电隔离器一端,该光电隔离器另一端连接并行接口并通过并行接口连接控制终端2。Both the digital acquisition channel and the analog acquisition channel are connected and communicated with the
该开关K1~K8的开关量是随时间离散变化的信号,一般具有“开”、“关”两种状态,用1位二进制数据表示,一个字节表示8个开关量;即:多路电流输出(称重采集、温度采集、湿度采集、后续还可扩展到现场的气象数据采集等)断路器的位置状态、以及系统告警信号等。The switching quantities of the switches K1~K8 are signals that change discretely with time, generally have two states of "on" and "off", which are represented by 1-bit binary data, and one byte represents 8 switching quantities; namely: multi-channel current Output (weighing collection, temperature collection, humidity collection, subsequent meteorological data collection that can be extended to the scene, etc.) the position status of the circuit breaker, and system alarm signals, etc.
该光电隔离器用于实现控制终端2与外部电路之间的电气隔离,消除开关量信号本身的干扰和信号沿途的传输的干扰。如图7所示,该光电隔离器由光电二极管(LED)和成对光敏晶体管(光耦);该光电二极管(LED)的型号为GORDOS,该成对光敏晶体管(光耦)的型号为IDC5;该光电二极管接到信号源一侧,成对光敏晶体管取开关的作用,光电二极管导通时,开关闭合,实现两侧间的电隔离。The optoelectronic isolator is used to realize the electrical isolation between the
该开关K1~K8的开关量采集实现方式为:当开关K1~K8的开关量发生变化时,并行接口向控制终端2的CPU发出中断请求;若控制终端2的CPU处于中断允许状态,则在处理完当前命令周期后,即转入中断处理过程;控制终端2的CPU执行对图3中的并行接口进行扫描查询;扫描查询不仅采集当时的开关状态,还要记录开关序号、变位时间、变位后的状态等。The switch value acquisition of the switches K1 to K8 is implemented as follows: when the switch values of the switches K1 to K8 change, the parallel interface sends an interrupt request to the CPU of the
该模拟量采集通道用于采集称重数据采集装置13的称重数据、温度采集变送器11的温度数据和湿度采集变送器12的湿度数据以及气象数据(在图3中的模拟量采集通道可接入其它传感器数据,即:AI 1-AI8共可接入8路独立数据;例如:称重占1路,温度占用1路,湿度占用1路,风速、风向、气压、雨量等)。其中,该模拟量采集通道所采集的模拟量是在时间和幅值上连续变化的信号,如电压、电流,变压器的有功/无功功率,系统频率等。该模拟量采集通道的实现方式为独立采集8路模拟量数据,即:第一路AI_1,覆冰称重数据采集;第二路AI_2,温度数据采集;第三路AI_3,湿度数据采集;第四路AI_4,风速数据采集(后续扩展通道);第五路AI_5,风向数据采集(后续扩展通道);第六路AI_6,气压数据采集(后续扩展通道);第七路AI_7,雨量数据采集(后续扩展通道);第八路AI_8,光伏电池电量数据采集(后续扩展通道)。The analog quantity acquisition channel is used to collect the weighing data of the weighing
如图3所示,该模拟量采集通道具有多路开关、电流/电压互感器、电量变送器、采样保持器、A/D变换器和标量计算器。该多路开关一端连接电流/电压互感器,另一端连接电量变送器一端;该电量变送器另一端连接采样保持器一端,该采样保持器另一端连接A/D变换器一端,该A/D变换器另一端连接标量计算器一端,该标量计算器另一端连接并行接口并通过并行接口连接控制终端2。As shown in Figure 3, the analog quantity acquisition channel has multiplexers, current/voltage transformers, power transmitters, sample holders, A/D converters and scalar calculators. One end of the multi-way switch is connected to the current/voltage transformer, and the other end is connected to one end of the power transmitter; the other end of the power transmitter is connected to one end of the sample holder, the other end of the sample holder is connected to one end of the A/D converter, and the A/D converter is connected to the A/D converter. The other end of the /D converter is connected to one end of the scalar calculator, and the other end of the scalar calculator is connected to the parallel interface and is connected to the
该多路开关将被测电量经电流/电压互感器(CT/PT)变成一定标准的低电压/一定量标准的小电流、再经电量变送器变换成直流信号,然后将其依次送入采样保持器和A/D变换器,标量计算器从A/D变换器内读出转换后的数字量,经标度变换计算所测电量值。The multi-way switch converts the measured electricity into a certain standard low voltage/a certain amount of standard small current through the current/voltage transformer (CT/PT), and then converts it into a DC signal through the electricity transmitter, and then sends it in turn. Input the sample holder and A/D converter, the scalar calculator reads out the converted digital quantity from the A/D converter, and calculates the measured electricity value through scale conversion.
该多路开关用于将多路模拟信号逐个分时接入,以便经采样后送入A/D变换器进行转换。The multiplexer is used to time-division access multiple analog signals one by one, so that they can be sent to the A/D converter for conversion after sampling.
该采样保持器作用为:当某一模拟量进行A/D变换时,由于A/D变换过程需一段时间,必须保证此过程中被测参数值不变,否则会影响变换精度,同理必须保持恒定的输出。The function of the sample-and-hold device is: when an analog quantity performs A/D conversion, since the A/D conversion process takes a period of time, it must be ensured that the measured parameter values remain unchanged during this process, otherwise the conversion accuracy will be affected. maintain a constant output.
该AD变换器的作用为:模拟量经过多路开关和采样保持器后,必须转换成数字量才能送入控制终端2;在A/D转换时,必须用量化单位对其进行整型量化,得到与模拟量相对应的数字量;经编码后成为能被控制终端2接受的信息;另外要对信号进行规格化,统一地变化为0~5V的电平电压,这些电平统一的信号通过A/D变换器变换成数字量后送入控制终端2,再经过一系列数据预处理,最终送入控制终端2的Modbus寄存器。The function of the AD converter is: after the analog quantity passes through the multiplexer and the sample-and-hold, it must be converted into a digital quantity before it can be sent to the
其中,进入A/D变换器的模拟信号都为统一的电平信号,如量程为0-5000KG称重数据采集装置13,经过信号滤波放大器14后输出为5V;量程为0-100度的温度采集变送器11,经模拟量采集通道的电压互感器后温度采集变送器11输出也为5V,两者经A/D变换后得到同一数字量,意义却不同。Among them, the analog signals entering the A/D converter are all uniform level signals, such as the weighing
本发明输电线路覆冰远程监测系统的控制终端2的远程传输实现方式为:The remote transmission implementation mode of the
远程计算机专家软件系统通过指令查询方式,经由控制终端2的4GModem模块以及串行接口,在定时周期(如5秒查询读取一次/15秒查询读取一次)获取RTU远程终端控制单元18中的Modbus数据线圈寄存器数据。The remote computer expert software system obtains the information in the RTU remote
例如:查询第一路模拟量AI_1,覆冰称重数据采集;远程计算机专家软件系统每10秒向该设备发送指令码:FE 04 00 00 00 01 25 C5,For example: query the first analog quantity AI_1, collect ice-covered weighing data; the remote computer expert software system sends the instruction code to the device every 10 seconds: FE 04 00 00 00 01 25 C5,
模拟返回信息:The simulation returns information:
覆冰自动监测终端1收到查询码后,立刻通过4G Modem以及串行数据接口向远程计算机专家软件系统返回码FE 04 02 00 00 AD 24After receiving the query code, the ice-covering
本发明输电线路覆冰远程监测系统的工作方式如下:The working mode of the transmission line icing remote monitoring system of the present invention is as follows:
在覆冰自动监测终端1中,当无外接市电时,电量管理单元15负责将光伏板17产生的电能储存至蓄电池16并根据蓄电池16电量状况将电源输送至前端各用电设备;当现场有市电输入时,电量管理单元15自动切断蓄电池16电量输出,切换至市电供给前端各用电设备;该控制终端2上搭载的数据云计算服务器及分析软件应用系统根据前台获取的数据,进行力学分析,利用等值覆冰厚度计算模型计算出等值覆冰厚度,管理人员可使用手机或计算机客户端软件实时连接云服务器进行信息查看及管理。In the ice coating
本发明输电线路覆冰远程监测系统的监测方法为:The monitoring method of the transmission line icing remote monitoring system of the present invention is as follows:
(1)导线等值覆冰厚度监测(1) Monitoring of wire equivalent ice thickness
利用绝缘子受力数据,建立在一个垂直挡距单元内导线自重、绝缘子垂直荷重和导线等值覆冰厚度的数学模型,在线监测在一个垂直挡距内导线等值覆冰厚度的变化;Using the force data of the insulator, a mathematical model of the wire's own weight, the vertical load of the insulator and the equivalent ice thickness of the wire is established in a vertical pitch unit, and the change of the equivalent ice thickness of the wire within a vertical pitch is monitored online;
(2)气象数据监测(2) Meteorological data monitoring
在线监测测点周围的温度、湿度等数据,必要时,可增加降雨量、日照监测等功能;Online monitoring of temperature, humidity and other data around the measuring point, and if necessary, functions such as rainfall and sunshine monitoring can be added;
(3)杆塔荷载监测(3) Tower load monitoring
利用沿两个垂直方向(坐标)的倾角数据,可建立杆塔受力三维力学解析模型,实现对杆塔垂直荷载及不均衡张力的监测;Using the inclination data along two vertical directions (coordinates), a three-dimensional mechanical analytical model of the force on the tower can be established to realize the monitoring of the vertical load and unbalanced tension of the tower;
(4)自动预警报警功能(4) Automatic early warning and alarm function
根据线路设计标准或用户要求,设定预、报警值,预、报警信息可在客户端显示,远程计算机专家软件系统也会根据预报警信息,自动提高数据采集频率,实现实时跟踪;According to line design standards or user requirements, pre-alarm and pre-alarm values can be set. Pre-alarm and pre-alarm information can be displayed on the client side. The remote computer expert software system will also automatically increase the frequency of data collection based on pre-alarm information to achieve real-time tracking;
(5)覆冰生长预测(5) Prediction of ice growth
通过现场信号采集,可扩展至把导线半径、气温、风速、降水率、风向及覆冰时间等作为输入量,对冰柱生长的覆冰模型进行了分析和计算。Through on-site signal acquisition, it can be extended to take wire radius, air temperature, wind speed, precipitation rate, wind direction and icing time as input, and analyze and calculate the icing model of icicle growth.
本发明发明具有结构精巧、安全可靠、实时自动计算监测、不受外界干扰、操控方便等五方面特点,能为覆冰的输电线路第一时间提供数据支撑;确保了输电线路安全可靠供电,降低电网运行风险;本发明应用于输电线路恶劣气候条件下采集工作,可有效降低工作人员的劳动强度,不用人员到达现场观冰,提高了工作效率及质量。The present invention has five characteristics of compact structure, safety and reliability, real-time automatic calculation and monitoring, no external interference, convenient control, etc., and can provide data support for the ice-covered transmission line at the first time; ensure the safe and reliable power supply of the transmission line, reduce The risk of power grid operation; the invention is applied to the collection work under the severe weather conditions of the transmission line, which can effectively reduce the labor intensity of the staff, without the need for personnel to arrive at the scene to observe the ice, and improve the work efficiency and quality.
以上内容是结合具体的优选实施方式对本发明所作的进一步详细说明,不能认定本新型的具体实施方式仅限于此,对于本新型所属技术领域的普通技术人员来说,在不脱离本新型构思的前提下,还可以做出若干简单的推演或替换,都应当视为属于本新型所提交的权利要求书确定专利保护范围。The above content is a further detailed description of the present invention in conjunction with the specific preferred embodiments, and it cannot be considered that the specific embodiments of the present invention are limited to this. Below, some simple deductions or substitutions can also be made, all of which should be regarded as belonging to the claims submitted by the new model to determine the scope of patent protection.
Claims (9)
Priority Applications (1)
| Application Number | Priority Date | Filing Date | Title |
|---|---|---|---|
| CN202010199330.3A CN111337375A (en) | 2020-03-20 | 2020-03-20 | A remote monitoring system for ice coating on transmission lines |
Applications Claiming Priority (1)
| Application Number | Priority Date | Filing Date | Title |
|---|---|---|---|
| CN202010199330.3A CN111337375A (en) | 2020-03-20 | 2020-03-20 | A remote monitoring system for ice coating on transmission lines |
Publications (1)
| Publication Number | Publication Date |
|---|---|
| CN111337375A true CN111337375A (en) | 2020-06-26 |
Family
ID=71180301
Family Applications (1)
| Application Number | Title | Priority Date | Filing Date |
|---|---|---|---|
| CN202010199330.3A Pending CN111337375A (en) | 2020-03-20 | 2020-03-20 | A remote monitoring system for ice coating on transmission lines |
Country Status (1)
| Country | Link |
|---|---|
| CN (1) | CN111337375A (en) |
Cited By (2)
| Publication number | Priority date | Publication date | Assignee | Title |
|---|---|---|---|---|
| CN113659515A (en) * | 2021-08-18 | 2021-11-16 | 中国农业大学 | Method and system for determining ice melting scheme of power distribution network line |
| CN114594335A (en) * | 2022-03-30 | 2022-06-07 | 吕尚涛 | A fault alarm system for electromechanical equipment |
Citations (27)
| Publication number | Priority date | Publication date | Assignee | Title |
|---|---|---|---|---|
| US4689752A (en) * | 1983-04-13 | 1987-08-25 | Niagara Mohawk Power Corporation | System and apparatus for monitoring and control of a bulk electric power delivery system |
| CN1375699A (en) * | 2002-04-16 | 2002-10-23 | 赵海波 | Automatic metrological technology for raw oil storing tank |
| CN101038186A (en) * | 2006-06-10 | 2007-09-19 | 伊仁图太 | Device for online warning freezing and swing of transmission line |
| CN201335764Y (en) * | 2008-11-18 | 2009-10-28 | 佛山市水业集团有限公司 | Water-power performance parameter on-line detecting system of water pump and/or water supply pipeline |
| CN101586971A (en) * | 2009-06-19 | 2009-11-25 | 国网电力科学研究院武汉南瑞有限责任公司 | Transmission line ice-coating pre-warning and dynamic compatibilization system on-line monitoring device |
| CN101621190A (en) * | 2009-06-17 | 2010-01-06 | 西安工程大学 | On-line Monitoring System for Transmission Line Icing and Icing Process |
| CN201417182Y (en) * | 2009-06-19 | 2010-03-03 | 国网电力科学研究院武汉南瑞有限责任公司 | On-line monitoring device for transmission line icing warning and dynamic capacity increase system |
| CN201682543U (en) * | 2010-04-02 | 2010-12-22 | 上海华勤通讯技术有限公司 | Mobile phone with electronic scale function |
| CN201803742U (en) * | 2010-07-16 | 2011-04-20 | 江西省电力公司信息通信中心 | On-line monitoring device for icing of transmission lines |
| CN102045381A (en) * | 2010-10-13 | 2011-05-04 | 北京博大水务有限公司 | On-line monitoring system for regenerated water pipe network |
| CN201852598U (en) * | 2010-09-28 | 2011-06-01 | 安徽鸿宇电气技术有限公司 | Transmission line icing monitoring system |
| CN201885752U (en) * | 2010-09-28 | 2011-06-29 | 安徽鸿宇电气技术有限公司 | On-line transmission line monitor |
| CN102353400A (en) * | 2011-07-18 | 2012-02-15 | 航天科工深圳(集团)有限公司 | Method and system for monitoring icing condition of overhead power transmission line |
| CN202158870U (en) * | 2011-07-18 | 2012-03-07 | 航天科工深圳(集团)有限公司 | Icing state monitoring system of overhead transmission line |
| CN202485714U (en) * | 2011-12-05 | 2012-10-10 | 西安工程大学 | Power transmission line icing on-line monitoring system |
| CN104180852A (en) * | 2014-08-28 | 2014-12-03 | 上海电力学院 | Transmission line icing online monitoring system |
| CN204228204U (en) * | 2014-12-02 | 2015-03-25 | 田哲旭 | A kind of powerline ice-covering on-Line Monitor Device |
| CN104581087A (en) * | 2015-02-05 | 2015-04-29 | 成都君禾天成科技有限公司 | Intelligent remote monitoring system of power transmission line on basis of internet of things |
| CN104865365A (en) * | 2015-06-02 | 2015-08-26 | 中国水利水电科学研究院 | Distributed data acquisition system for online monitoring of rural water quality |
| CN106353366A (en) * | 2016-08-29 | 2017-01-25 | 哈尔滨东方报警设备开发有限公司 | Gas analyzer powered by solar energy |
| JP2017034750A (en) * | 2015-07-29 | 2017-02-09 | 東京電力ホールディングス株式会社 | Supervisory control system |
| CN206057305U (en) * | 2016-09-19 | 2017-03-29 | 广州拓泰环境监测技术有限公司 | A kind of Water Automatic Monitoring System |
| CN108833574A (en) * | 2018-06-28 | 2018-11-16 | 合肥浪金防伪科技有限公司 | A kind of transmission line long-distance monitoring system suitable for Internet of Things |
| CN108847985A (en) * | 2018-06-28 | 2018-11-20 | 合肥浪金防伪科技有限公司 | Power transmission line intelligent remote monitoring system suitable for Internet of Things |
| CN208847154U (en) * | 2018-09-30 | 2019-05-10 | 中国南方电网有限责任公司超高压输电公司检修试验中心 | A kind of monitoring transmission line icing terminal |
| CN109884963A (en) * | 2019-04-16 | 2019-06-14 | 安徽理工大学 | An Overhead Transmission Line Icing Monitoring System |
| CN209432797U (en) * | 2019-01-25 | 2019-09-24 | 安庆师范大学 | A mobile exhaust gas monitoring device |
-
2020
- 2020-03-20 CN CN202010199330.3A patent/CN111337375A/en active Pending
Patent Citations (27)
| Publication number | Priority date | Publication date | Assignee | Title |
|---|---|---|---|---|
| US4689752A (en) * | 1983-04-13 | 1987-08-25 | Niagara Mohawk Power Corporation | System and apparatus for monitoring and control of a bulk electric power delivery system |
| CN1375699A (en) * | 2002-04-16 | 2002-10-23 | 赵海波 | Automatic metrological technology for raw oil storing tank |
| CN101038186A (en) * | 2006-06-10 | 2007-09-19 | 伊仁图太 | Device for online warning freezing and swing of transmission line |
| CN201335764Y (en) * | 2008-11-18 | 2009-10-28 | 佛山市水业集团有限公司 | Water-power performance parameter on-line detecting system of water pump and/or water supply pipeline |
| CN101621190A (en) * | 2009-06-17 | 2010-01-06 | 西安工程大学 | On-line Monitoring System for Transmission Line Icing and Icing Process |
| CN101586971A (en) * | 2009-06-19 | 2009-11-25 | 国网电力科学研究院武汉南瑞有限责任公司 | Transmission line ice-coating pre-warning and dynamic compatibilization system on-line monitoring device |
| CN201417182Y (en) * | 2009-06-19 | 2010-03-03 | 国网电力科学研究院武汉南瑞有限责任公司 | On-line monitoring device for transmission line icing warning and dynamic capacity increase system |
| CN201682543U (en) * | 2010-04-02 | 2010-12-22 | 上海华勤通讯技术有限公司 | Mobile phone with electronic scale function |
| CN201803742U (en) * | 2010-07-16 | 2011-04-20 | 江西省电力公司信息通信中心 | On-line monitoring device for icing of transmission lines |
| CN201852598U (en) * | 2010-09-28 | 2011-06-01 | 安徽鸿宇电气技术有限公司 | Transmission line icing monitoring system |
| CN201885752U (en) * | 2010-09-28 | 2011-06-29 | 安徽鸿宇电气技术有限公司 | On-line transmission line monitor |
| CN102045381A (en) * | 2010-10-13 | 2011-05-04 | 北京博大水务有限公司 | On-line monitoring system for regenerated water pipe network |
| CN102353400A (en) * | 2011-07-18 | 2012-02-15 | 航天科工深圳(集团)有限公司 | Method and system for monitoring icing condition of overhead power transmission line |
| CN202158870U (en) * | 2011-07-18 | 2012-03-07 | 航天科工深圳(集团)有限公司 | Icing state monitoring system of overhead transmission line |
| CN202485714U (en) * | 2011-12-05 | 2012-10-10 | 西安工程大学 | Power transmission line icing on-line monitoring system |
| CN104180852A (en) * | 2014-08-28 | 2014-12-03 | 上海电力学院 | Transmission line icing online monitoring system |
| CN204228204U (en) * | 2014-12-02 | 2015-03-25 | 田哲旭 | A kind of powerline ice-covering on-Line Monitor Device |
| CN104581087A (en) * | 2015-02-05 | 2015-04-29 | 成都君禾天成科技有限公司 | Intelligent remote monitoring system of power transmission line on basis of internet of things |
| CN104865365A (en) * | 2015-06-02 | 2015-08-26 | 中国水利水电科学研究院 | Distributed data acquisition system for online monitoring of rural water quality |
| JP2017034750A (en) * | 2015-07-29 | 2017-02-09 | 東京電力ホールディングス株式会社 | Supervisory control system |
| CN106353366A (en) * | 2016-08-29 | 2017-01-25 | 哈尔滨东方报警设备开发有限公司 | Gas analyzer powered by solar energy |
| CN206057305U (en) * | 2016-09-19 | 2017-03-29 | 广州拓泰环境监测技术有限公司 | A kind of Water Automatic Monitoring System |
| CN108833574A (en) * | 2018-06-28 | 2018-11-16 | 合肥浪金防伪科技有限公司 | A kind of transmission line long-distance monitoring system suitable for Internet of Things |
| CN108847985A (en) * | 2018-06-28 | 2018-11-20 | 合肥浪金防伪科技有限公司 | Power transmission line intelligent remote monitoring system suitable for Internet of Things |
| CN208847154U (en) * | 2018-09-30 | 2019-05-10 | 中国南方电网有限责任公司超高压输电公司检修试验中心 | A kind of monitoring transmission line icing terminal |
| CN209432797U (en) * | 2019-01-25 | 2019-09-24 | 安庆师范大学 | A mobile exhaust gas monitoring device |
| CN109884963A (en) * | 2019-04-16 | 2019-06-14 | 安徽理工大学 | An Overhead Transmission Line Icing Monitoring System |
Non-Patent Citations (1)
| Title |
|---|
| 曹翊军等: "基于图像采集与识别的输电线路覆冰监测系统", 《电气技术》 * |
Cited By (3)
| Publication number | Priority date | Publication date | Assignee | Title |
|---|---|---|---|---|
| CN113659515A (en) * | 2021-08-18 | 2021-11-16 | 中国农业大学 | Method and system for determining ice melting scheme of power distribution network line |
| CN113659515B (en) * | 2021-08-18 | 2023-02-17 | 中国农业大学 | Method and system for determining ice melting scheme of distribution network lines |
| CN114594335A (en) * | 2022-03-30 | 2022-06-07 | 吕尚涛 | A fault alarm system for electromechanical equipment |
Similar Documents
| Publication | Publication Date | Title |
|---|---|---|
| CN100538759C (en) | On-line Monitoring System and Method for Overhead Power Transmission Line | |
| CN105807158A (en) | Electric power parameter online monitoring system and monitoring control method for power grid connection points and switches | |
| CN102262144A (en) | Remote environment monitoring system | |
| CN111650548A (en) | Intelligent electric energy meter metering data remote online monitoring system and method | |
| CN103002004B (en) | A kind of remote data acquisition and management system | |
| CN101520303B (en) | Steel structure wireless self-zeroing strain detection device of solar power supply | |
| CN111337375A (en) | A remote monitoring system for ice coating on transmission lines | |
| CN111106673A (en) | Low-voltage power distribution system electric power data acquisition system | |
| CN201083801Y (en) | Non-contact type extra-high voltage electricity tester | |
| CN208206204U (en) | Network distribution transformer on-Line Monitor Device based on GPS positioning | |
| CN113206544B (en) | Power grid GIC monitoring device based on transformer high-voltage incoming and outgoing lines | |
| CN202230195U (en) | On-load detection device for intelligent optical-fiber electric energy meter in transformer station | |
| CN2507152Y (en) | Intelligent accumulator tester | |
| CN206974485U (en) | A kind of project of transmitting and converting electricity environment sensitive factor intelligence real time on-line monitoring system | |
| CN112286105A (en) | Real-time measuring device for dynamic load of power transmission line iron tower | |
| CN208508614U (en) | A kind of icing monitoring and warning system | |
| CN218161926U (en) | Metering control system of low-voltage transformer area | |
| CN213581213U (en) | Overhead distribution line fault positioning system | |
| CN201773096U (en) | Remote environmental monitoring system | |
| CN114034376A (en) | Vibration monitoring terminal for transmission tower | |
| CN213213184U (en) | Main station device of electrical parameter acquisition and intelligent analysis system | |
| CN208459287U (en) | An automatic humidity monitoring device for high-voltage AC transmission lines | |
| CN106092900A (en) | Substation salt density monitoring device and monitoring method, salt density monitoring mechanism | |
| CN220234272U (en) | Distribution network information dynamic acquisition and alarm integrated device and multistage linkage system | |
| CN207164278U (en) | A kind of Portable photovoltaic meteorology wireless acquisition device |
Legal Events
| Date | Code | Title | Description |
|---|---|---|---|
| PB01 | Publication | ||
| PB01 | Publication | ||
| SE01 | Entry into force of request for substantive examination | ||
| SE01 | Entry into force of request for substantive examination | ||
| RJ01 | Rejection of invention patent application after publication |
Application publication date: 20200626 |
|
| RJ01 | Rejection of invention patent application after publication |


