CN111329643A - Medical orthopedics postoperative auxiliary traction device - Google Patents
Medical orthopedics postoperative auxiliary traction device Download PDFInfo
- Publication number
- CN111329643A CN111329643A CN202010199785.5A CN202010199785A CN111329643A CN 111329643 A CN111329643 A CN 111329643A CN 202010199785 A CN202010199785 A CN 202010199785A CN 111329643 A CN111329643 A CN 111329643A
- Authority
- CN
- China
- Prior art keywords
- groove
- screw
- screw rod
- length
- bearing
- Prior art date
- Legal status (The legal status is an assumption and is not a legal conclusion. Google has not performed a legal analysis and makes no representation as to the accuracy of the status listed.)
- Withdrawn
Links
- 230000002980 postoperative effect Effects 0.000 title claims abstract description 16
- 230000000399 orthopedic effect Effects 0.000 title claims description 18
- 238000009434 installation Methods 0.000 claims description 8
- 230000001105 regulatory effect Effects 0.000 claims 4
- 235000017166 Bambusa arundinacea Nutrition 0.000 claims 2
- 235000017491 Bambusa tulda Nutrition 0.000 claims 2
- 241001330002 Bambuseae Species 0.000 claims 2
- 235000015334 Phyllostachys viridis Nutrition 0.000 claims 2
- 239000011425 bamboo Substances 0.000 claims 2
- 230000006872 improvement Effects 0.000 description 10
- 230000007246 mechanism Effects 0.000 description 4
- 238000011084 recovery Methods 0.000 description 3
- 206010030113 Oedema Diseases 0.000 description 2
- 230000009471 action Effects 0.000 description 2
- 206010061363 Skeletal injury Diseases 0.000 description 1
- 230000009286 beneficial effect Effects 0.000 description 1
- 208000037265 diseases, disorders, signs and symptoms Diseases 0.000 description 1
- 208000035475 disorder Diseases 0.000 description 1
- 230000036541 health Effects 0.000 description 1
- 210000001930 leg bone Anatomy 0.000 description 1
- 238000000034 method Methods 0.000 description 1
- 230000004048 modification Effects 0.000 description 1
- 238000012986 modification Methods 0.000 description 1
- 238000001356 surgical procedure Methods 0.000 description 1
- 210000001519 tissue Anatomy 0.000 description 1
- 201000002282 venous insufficiency Diseases 0.000 description 1
Images
Classifications
-
- A—HUMAN NECESSITIES
- A61—MEDICAL OR VETERINARY SCIENCE; HYGIENE
- A61F—FILTERS IMPLANTABLE INTO BLOOD VESSELS; PROSTHESES; DEVICES PROVIDING PATENCY TO, OR PREVENTING COLLAPSING OF, TUBULAR STRUCTURES OF THE BODY, e.g. STENTS; ORTHOPAEDIC, NURSING OR CONTRACEPTIVE DEVICES; FOMENTATION; TREATMENT OR PROTECTION OF EYES OR EARS; BANDAGES, DRESSINGS OR ABSORBENT PADS; FIRST-AID KITS
- A61F5/00—Orthopaedic methods or devices for non-surgical treatment of bones or joints; Nursing devices ; Anti-rape devices
- A61F5/01—Orthopaedic devices, e.g. long-term immobilising or pressure directing devices for treating broken or deformed bones such as splints, casts or braces
- A61F5/04—Devices for stretching or reducing fractured limbs; Devices for distractions; Splints
- A61F5/042—Devices for stretching or reducing fractured limbs; Devices for distractions; Splints for extension or stretching
-
- A—HUMAN NECESSITIES
- A61—MEDICAL OR VETERINARY SCIENCE; HYGIENE
- A61H—PHYSICAL THERAPY APPARATUS, e.g. DEVICES FOR LOCATING OR STIMULATING REFLEX POINTS IN THE BODY; ARTIFICIAL RESPIRATION; MASSAGE; BATHING DEVICES FOR SPECIAL THERAPEUTIC OR HYGIENIC PURPOSES OR SPECIFIC PARTS OF THE BODY
- A61H1/00—Apparatus for passive exercising; Vibrating apparatus; Chiropractic devices, e.g. body impacting devices, external devices for briefly extending or aligning unbroken bones
- A61H1/02—Stretching or bending or torsioning apparatus for exercising
- A61H1/0218—Drawing-out devices
- A61H1/0229—Drawing-out devices by reducing gravity forces normally applied to the body, e.g. by lifting or hanging the body or part of it
-
- A—HUMAN NECESSITIES
- A61—MEDICAL OR VETERINARY SCIENCE; HYGIENE
- A61H—PHYSICAL THERAPY APPARATUS, e.g. DEVICES FOR LOCATING OR STIMULATING REFLEX POINTS IN THE BODY; ARTIFICIAL RESPIRATION; MASSAGE; BATHING DEVICES FOR SPECIAL THERAPEUTIC OR HYGIENIC PURPOSES OR SPECIFIC PARTS OF THE BODY
- A61H2201/00—Characteristics of apparatus not provided for in the preceding codes
- A61H2201/01—Constructive details
- A61H2201/0119—Support for the device
- A61H2201/0138—Support for the device incorporated in furniture
- A61H2201/0142—Beds
Landscapes
- Health & Medical Sciences (AREA)
- Life Sciences & Earth Sciences (AREA)
- Veterinary Medicine (AREA)
- Public Health (AREA)
- General Health & Medical Sciences (AREA)
- Animal Behavior & Ethology (AREA)
- Biomedical Technology (AREA)
- Vascular Medicine (AREA)
- Heart & Thoracic Surgery (AREA)
- Engineering & Computer Science (AREA)
- Orthopedic Medicine & Surgery (AREA)
- Nursing (AREA)
- Epidemiology (AREA)
- Pain & Pain Management (AREA)
- Physical Education & Sports Medicine (AREA)
- Rehabilitation Therapy (AREA)
- Invalid Beds And Related Equipment (AREA)
Abstract
The invention relates to the field of medical equipment, in particular to a medical orthopaedics postoperative auxiliary traction device, which can drive a screw rod to rotate through a rotating handle by arranging a mounting groove, a hidden groove, a rotating bearing, a through groove, a connecting bearing, a screw rod and the rotating handle, can enable the screw seat to move back and forth between two ends of the screw rod under the screw rod and screw seat thread driving coordination, thereby adjusting the position of a traction groove plate on the upper part of the screw seat, adjusting the position of the traction groove plate according to the specific leg position to be auxiliarily pulled by a patient, adjusting the height of the traction groove plate by arranging a fixing bolt and an adjusting screw cylinder and utilizing the matching of the fixing bolt and the adjusting screw cylinder, simultaneously adjusting the horizontal position of the traction groove plate by arranging a sliding chute and a sliding block and utilizing the sliding coordination of the sliding block and the sliding chute, and further enabling the traction groove plate to be in a proper spatial position, the legs of the patient can be conveniently placed.
Description
Technical Field
The invention relates to the field of medical equipment, in particular to a medical orthopedic postoperative auxiliary traction device.
Background
For patients with leg bone injury, a long time is often needed for recovery after the operation, and in the recovery process, due to congestion and edema of local tissues after fracture and venous reflux disorder, the affected limb needs to be lifted to relieve edema and pain. The patient needs to be pulled on the legs, and the pulling is to pull the limbs or the trunk by using the external pulling force and the function of resisting the pulling force so as to achieve the purposes of treatment and auxiliary treatment. The traction has the functions of restoration and fixation, is widely applied in orthopedics, and is a simple, convenient and effective treatment method. The shank that generally needs to patient is fixed on certain support to the recovery of shank, current pull the support and generally be the simple support that pulls that is fixed with the supporting seat, during the use doctor places patient's shank on the supporting seat, when patient's health needs to remove, the fixed supporting seat can not adapt to the requirement of different situations and carries out the adjustment of position angle, uses inconveniently.
The utility model with the application number of CN201920225655.7 is the closest prior art, and discloses a medical orthopedics postoperative auxiliary traction device, including base, support frame, slider, linking arm and fixture. The top fixed stay frame of base, horizontal sliding connection slider on the support frame, vertical sliding connection linking arm on the slider, fixture is connected to the bottom of linking arm. The device provides a medical auxiliary traction device used after an orthopedic operation, two sets of clamping mechanisms are arranged to be convenient for clamping and fixing two legs, the positions of the clamping mechanisms can be adjusted, the heights of the clamping mechanisms can be adjusted, and the clamping mechanisms are suitable for different patients. However, when the device is used for assisting traction of a patient after an orthopedic surgery, the device needs to be installed on a patient bed for use, and the installation of the device is inconvenient.
Disclosure of Invention
The present invention is directed to solving at least one of the problems of the prior art. Therefore, the invention aims to provide a medical orthopedic postoperative auxiliary traction device, which can solve the problems that the device needs to be installed on a hospital bed for use and is inconvenient to install.
The invention is realized by the following technical scheme:
a medical orthopedics postoperative auxiliary traction device comprises a bed plate, wherein two groups of mounting grooves are symmetrically formed near two length edge lines at the top end of the bed plate, a hidden groove is formed at one end of each mounting groove, a rotating bearing is arranged in each hidden groove, the rotating bearing is rotatably connected with a screw rod, a through groove is formed at the other end of each mounting groove opposite to the center of the hidden groove, a connecting bearing is arranged in each through groove, a rotating handle is rotatably connected in each connecting bearing, the end part of the rotating handle is fixedly connected with the end part of the screw rod, a screw seat is screwed on the surface of the screw rod, a connecting screw hole is formed in the center of the top end of the screw seat, a connecting bolt is in threaded connection with the inside of the connecting screw hole, a supporting plate is fixed at the top end of the supporting plate, a fixing bolt is fixed at the center, the supporting bearing is characterized in that an adjusting plate is fixed to the top end of the supporting bearing, a sliding groove is formed in the bottom end of the adjusting plate, a sliding block is connected inside the sliding groove in a sliding mode, a through hole is formed in the center of the top end of the sliding groove, a connecting hole is formed in the center of the top end of the sliding block, a fixing rod is inserted into the connecting hole and the through hole, a vertical plate is fixed to the bottom end of the sliding block.
As a further improvement of the scheme, the length of the mounting groove is greater than two thirds of the length of the bed board, one end of the mounting groove is arranged close to the end part of the bed board, and the depth of the mounting groove is greater than half of the thickness of the bed board.
As a further improvement of the above scheme, the height of the horizontal plane at the top end of the hidden groove is lower than the height of the horizontal plane at the center of the installation groove, the height of the horizontal plane at the bottom end of the hidden groove is higher than the height of the horizontal plane at the bottom end of the installation groove, and the length of the rotating bearing is equal to the depth of the hidden groove.
As a further improvement of the above solution, the portion of the screw rod inside the rotary bearing is a smooth portion, the diameter of the through groove is equal to the diameter of the hidden groove, the length of the connecting bearing is equal to the length of the through groove, and the diameter of the rotating handle is equal to the diameter of the screw rod.
As a further improvement of the above scheme, the height of the screw seat is equal to the depth of the mounting groove, the bottom end of the connecting screw hole is arranged at the top end of the screw rod, the length of the connecting bolt is equal to the length of the connecting screw hole, the diameter of the supporting plate is greater than the width of the mounting groove, and the bottom end of the supporting plate is a friction surface.
As a further improvement of the scheme, the height of the adjusting screw cylinder is equal to that of the fixing bolt, the length of the adjusting plate is larger than the diameter of the supporting plate, and one end of the adjusting plate is arranged close to the center line of the top end of the bed plate.
As a further improvement of the scheme, one end of the sliding groove penetrates through the end part, close to the center of the bed board, of the adjusting plate, the depth of the sliding groove is larger than half of the thickness of the adjusting plate, and the height of the sliding block is equal to the depth of the sliding groove.
As a further improvement of the above scheme, the through holes are arranged at the top end of the sliding chute at equal intervals, the diameters of the through holes, the connecting holes and the fixing rod are the same, and the length of the fixing rod is slightly larger than the sum of the depth of the through holes and the depth of the connecting holes.
Compared with the prior art, the invention has the beneficial effects that:
1. according to the invention, by arranging the mounting groove, the hidden groove, the rotating bearing, the through groove, the connecting bearing, the screw rod and the rotating handle, the screw rod can be driven to rotate by the rotating handle, and the screw seat can move back and forth between two ends of the screw rod under the driving coordination of the screw rod and the screw seat, so that the position of the traction groove plate at the upper part of the screw seat is adjusted, the position of the traction groove plate can be adjusted according to the specific leg position to be assisted by a patient, and the use is convenient.
2. According to the invention, through arranging the fixing bolt and the adjusting screw cylinder, the height of the traction groove plate can be adjusted by utilizing the matching of the fixing bolt and the adjusting screw cylinder, and meanwhile, through arranging the sliding groove and the sliding block, the horizontal position of the traction groove plate can be adjusted by utilizing the sliding fit of the sliding block and the sliding groove, so that the traction groove plate is in a proper spatial position, and the leg of a patient can be conveniently placed.
3. According to the invention, the connecting screw holes, the connecting bolts and the supporting plate are arranged, and the supporting plate is conveniently arranged on the bed plate by utilizing the matching of the connecting screw holes and the connecting bolts, so that a component used for drawing the legs of a patient above the supporting plate is arranged on the bed plate, and the use is convenient.
Drawings
In order to more clearly illustrate the technical solutions of the embodiments of the present invention, the drawings used in the description of the embodiments will be briefly introduced below, and it is obvious that the drawings in the following description are only some embodiments of the present invention, and it is obvious for those skilled in the art that other drawings can be obtained according to the drawings without creative efforts.
FIG. 1 is a schematic perspective view of the present invention;
FIG. 2 is a schematic top view of the present invention;
FIG. 3 is a schematic view of the cross-sectional structure A-A of FIG. 2 according to the present invention;
FIG. 4 is a schematic cross-sectional view taken along line B-B of FIG. 2 according to the present invention;
FIG. 5 is an enlarged view of part A of the present invention.
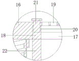
The device comprises a bed plate 1, a mounting groove 2, a hidden groove 3, a rotating bearing 4, a screw rod 5, a through groove 6, a connecting bearing 7, a rotating handle 8, a screw seat 9, a connecting screw hole 10, a connecting bolt 11, a supporting plate 12, a fixing bolt 13, an adjusting screw cylinder 14, a supporting bearing 15, an adjusting plate 16, a sliding groove 17, a sliding block 18, a through hole 19, a connecting hole 20, a fixing rod 21, a vertical plate 22 and a traction groove plate 23.
Detailed Description
In order to make the technical solutions better understood by those skilled in the art, the technical solutions in the embodiments of the present application will be clearly and completely described below with reference to the drawings in the embodiments of the present application, and it is obvious that the described embodiments are only partial embodiments of the present application, but not all embodiments. All other embodiments, which can be derived by a person skilled in the art from the embodiments given herein without making any creative effort, shall fall within the protection scope of the present application.
The technical scheme of the invention is further explained by combining the attached drawings.
Example one
As shown in figures 1, 2 and 3, a medical orthopedics postoperative auxiliary traction device comprises a bed plate 1, two groups of mounting grooves 2 are symmetrically arranged near two length edge lines at the top end of the bed plate 1, one end of each mounting groove 2 is provided with a hidden groove 3, the height of the horizontal plane at the top end of each hidden groove 3 is lower than that of the horizontal plane at the center of the corresponding mounting groove 2, the height of the horizontal plane at the bottom end of each hidden groove 3 is higher than that of the horizontal plane at the bottom end of the corresponding mounting groove 2, a rotating bearing 4 is arranged in each hidden groove 3, the length of each rotating bearing 4 is equal to the depth of the corresponding hidden groove 3, the rotating bearing 4 is prevented from exceeding the hidden groove 3, the rotating bearing 4 is rotatably connected with a screw rod 5, the part of the screw rod 5, which is positioned in each rotating bearing 4, is a smooth part, the length of the threaded part of, the diameter of the through groove 6 is equal to that of the hidden groove 3, a connecting bearing 7 is arranged inside the through groove 6, the length of the connecting bearing 7 is equal to that of the through groove 6, the inside of the connecting bearing 7 is rotatably connected with a rotating handle 8, the end part of the rotating handle 8 is fixedly connected with the end part of the screw rod 5, the diameter of the rotating handle 8 is equal to that of the screw rod 5, a screw seat 9 is screwed on the surface of the screw rod 5, the screw seat 9 can move back and forth between the two ends of the screw rod 5 under the screw driving fit of the screw rod 5 and the screw seat 9 by arranging the installation groove 2, the hidden groove 3, the rotating bearing 4, the through groove 6, the connecting bearing 7, the screw rod 5 and the rotating handle 8, the screw rod 5 can be driven to rotate by the rotating handle 8, the screw seat 9 can move back and forth between the two ends of the screw rod 5, so that the position;
example two
The second embodiment is a further improvement on the first embodiment.
As shown in fig. 2 and 3, one end of the mounting groove 2 is disposed near the end of the bed board 1, the depth of the mounting groove 2 is greater than half of the thickness of the bed board 1, the length of the mounting groove 2 is greater than two thirds of the length of the bed board 1, it is ensured that the screw seat 9 can move to most of the positions of the two edges of the bed board 1 in the length direction, the center of the top end of the screw seat 9 is provided with a connection screw hole 10, the height of the screw seat 9 is equal to the depth of the mounting groove 2, so that the top end of the screw seat 9 and the top end of the bed board 1 are in the same horizontal plane, the top end of the screw seat 9 is prevented from protruding out of the top end of the bed board 1, when traction is not needed, the bottom end of the connection screw hole 10 is disposed near the top end of the screw rod 5, the depth of the, a connecting bolt 11 is connected with the inner part of the connecting screw hole 10 in a threaded manner, the length of the connecting bolt 11 is equal to that of the connecting screw hole 10, a supporting disc 12 is fixed at the top end of the connecting bolt 11, the diameter of the supporting disc 12 is larger than the width of the mounting groove 2, the bottom end of the supporting disc 12 is a friction surface, so that the bottom end of the supporting disk 12 is contacted with the top end of the bed plate 1 to generate friction, the stability of the screw seat 9 is further improved, the supporting disk 12, by arranging the connecting screw holes 10, the connecting bolts 11 and the supporting plate 12 and utilizing the matching of the connecting screw holes 10 and the connecting bolts 11, the supporting plate 12 is convenient to be arranged on the bed plate 1, and then install the part that is used for drawing patient's shank above supporting disk 12 on bed board 1, the setting of supporting disk 12 bottom for the friction surface and the setting that the connection screw 10 bottom is close to screw rod 5 top simultaneously, and the two combined action has improved the stability of supporting disk 12 installation on bed board 1.
EXAMPLE III
The third embodiment is a further improvement on the second embodiment.
As shown in fig. 4 and 5, a fixing bolt 13 is fixed at the center of the top end of a supporting plate 12, an adjusting screw cylinder 14 is in threaded connection with the outer wall of the fixing bolt 13, the height of the adjusting screw cylinder 14 is equal to the height of the fixing bolt 13, a supporting bearing 15 is arranged at the top end of the side wall of the adjusting screw cylinder 14, so that the adjusting screw cylinder 14 cannot drive an adjusting plate 16 to rotate when rotating, an adjusting plate 16 is fixed at the top end of the supporting bearing 15, the length of the adjusting plate 16 is greater than the diameter of the supporting plate 12, one end of the adjusting plate 16 is arranged near the center line of the top end of a bed plate 1, a sliding groove 17 is arranged at the bottom end of the adjusting plate 16, a sliding block 18 is slidably connected inside the sliding groove 17, one end of the sliding groove 17 penetrates through the end of the adjusting plate 16 near the center of the, fixing rods 21 are inserted into the connecting holes 20 and the through holes 19, the through holes 19 are arranged at the top ends of the sliding grooves 17 at equal intervals, the diameters of the through holes 19, the connecting holes 20 and the fixing rods 21 are the same, the length of each fixing rod 21 is slightly larger than the sum of the depth of each through hole 19 and the depth of each connecting hole 20, the fixing rods 21 are convenient to mount, thereby fixing the slide block 18, the bottom end of the slide block 18 is fixed with a vertical plate 22, the side surface of the vertical plate 22 is fixed with a traction groove plate 23, by arranging the fixing bolt 13 and the adjusting screw cylinder 14, the height of the traction groove plate 22 can be adjusted by the matching of the fixing bolt 13 and the adjusting screw cylinder 14, meanwhile, by arranging the sliding groove 17 and the sliding block 18 and utilizing the sliding fit of the sliding block 18 and the sliding groove 17, the horizontal position of the traction groove plate 22 can be adjusted, thereby the traction groove plate 22 is in a proper space position to facilitate the placement of the leg of the patient.
When in use, when the leg of a patient needs to be assisted and pulled, firstly, the support plate 12 is fixed on the screw seat 9 by utilizing the thread matching of the connecting screw hole 10 and the connecting bolt 11, meanwhile, the bottom end of the support plate 12 is the friction surface and the bottom end of the connecting screw hole 10 is close to the top end of the screw rod 5, the stability of the support plate 12 arranged on the bed plate 1 is improved by the combined action of the two, the screw rod 5 is driven to rotate by the rotating handle 8, the screw seat 9 can move back and forth between the two ends of the screw rod 5 under the thread driving matching of the screw rod 5 and the screw seat 9, so that the position of the traction groove plate 22 at the upper part of the screw seat 9 is adjusted, the position of the traction groove plate 22 can be adjusted according to the specific leg position to be assisted and pulled by the patient, the height of the screw seat 9 is equal to the depth of the mounting groove 2, when the traction is not needed, the use of the bed board 1 is influenced, then the height of the traction groove plate 22 can be adjusted by utilizing the matching of the fixing bolt 13 and the adjusting screw cylinder 14, the height of the adjusting screw cylinder 14 is equal to the height of the fixing bolt 13, the top end of the side wall of the adjusting screw cylinder 14 is provided with the supporting bearing 15, so that the adjusting screw cylinder 14 can not drive the adjusting plate 16 to rotate when rotating, meanwhile, the sliding groove 17 and the sliding block 18 are arranged, the diameters of the through hole 19, the connecting hole 20 and the fixing rod 21 are the same, the length of the fixing rod 21 is slightly larger than the sum of the depth of the through hole 19 and the depth of the connecting hole 20, the installation of the fixing rod 21 is convenient, the fixing rod 21 is inserted into the through hole 19 and the connecting hole 20 to fix the sliding block 18, the sliding fit of the sliding block 18 and the sliding groove 17 can adjust the, the utility model discloses a patient's shank is convenient for place, through setting up connecting screw 10, connecting bolt 11 and supporting disk 12, utilizes the cooperation of connecting screw 10 and connecting bolt 11, and the supporting disk 12 of being convenient for is installed on bed board 1, and then installs 1 facilitating the use on the bed board with the part that is used for pulling patient's shank above supporting disk 12.
The above description is only for the purpose of illustrating the preferred embodiments of the present invention and is not to be construed as limiting the invention, and any modifications, equivalents and improvements made within the spirit and principle of the present invention are intended to be included within the scope of the present invention.
Claims (8)
1. The utility model provides a supplementary draw gear of medical orthopedics postoperative, includes bed board (1), its characterized in that: two groups of mounting grooves (2) are symmetrically formed near two length edge lines at the top end of the bed board (1), a hidden groove (3) is formed at one end of each mounting groove (2), a rotating bearing (4) is arranged in each hidden groove (3), a screw rod (5) is rotatably connected to each rotating bearing (4), a through groove (6) is formed at the other end of each mounting groove (2) just opposite to the center of each hidden groove (3), a connecting bearing (7) is arranged in each through groove (6), a rotating handle (8) is rotatably connected to each connecting bearing (7), the end of each rotating handle (8) is fixedly connected with the end of each screw rod (5), a screw seat (9) is screwed on the surface of each screw rod (5), a connecting screw hole (10) is formed in the center of the top end of each screw seat (9), a connecting bolt (11) is in each connecting screw hole (10) in a threaded connection mode, a supporting, supporting disk (12) top center is fixed with fixing bolt (13), fixing bolt (13) outer wall threaded connection has regulation spiral shell section of thick bamboo (14), it is provided with support bearing (15) to adjust spiral shell section of thick bamboo (14) lateral wall top, support bearing (15) top is fixed with regulating plate (16), spout (17) have been seted up to regulating plate (16) bottom, spout (17) inside sliding connection has slider (18), perforating hole (19) have been seted up at spout (17) top center, connecting hole (20) have been seted up at slider (18) top center, connecting hole (20) and perforating hole (19) inside are pegged graft and are had dead lever (21), slider (18) bottom mounting has riser (22), riser (22) side is fixed with pulls frid (23).
2. The medical orthopedic postoperative auxiliary traction device of claim 1, wherein: the length of mounting groove (2) is greater than two-thirds of bed board (1) length, mounting groove (2) one end is close to bed board (1) tip setting, the degree of depth of mounting groove (2) is greater than half of bed board (1) thickness.
3. The medical orthopedic postoperative auxiliary traction device of claim 1, wherein: the height of the horizontal plane where the top end of the hidden groove (3) is located is lower than that of the horizontal plane where the center of the installation groove (2) is located, the height of the horizontal plane where the bottom end of the hidden groove (3) is located is higher than that of the horizontal plane where the bottom end of the installation groove (2) is located, and the length of the rotating bearing (4) is equal to the depth of the hidden groove (3).
4. The medical orthopedic postoperative auxiliary traction device of claim 1, wherein: the part of the screw rod (5) located inside the rotating bearing (4) is a smooth part, the diameter of the through groove (6) is equal to that of the hidden groove (3), the length of the connecting bearing (7) is equal to that of the through groove (6), and the diameter of the rotating handle (8) is equal to that of the screw rod (5).
5. The medical orthopedic postoperative auxiliary traction device of claim 1, wherein: the height of screw seat (9) equals the degree of depth of mounting groove (2), screw rod (5) top setting is driven into to connection screw hole (10) bottom, the length of connecting bolt (11) equals the length of connection screw hole (10), the diameter of supporting disk (12) is greater than the width of mounting groove (2), supporting disk (12) bottom is the friction surface.
6. The medical orthopedic postoperative auxiliary traction device of claim 1, wherein: the height of adjusting screw cylinder (14) equals the height of fixing bolt (13), the length of adjusting plate (16) is greater than the diameter of supporting disk (12), adjusting plate (16) one end is close to bed board (1) top center line and sets up.
7. The medical orthopedic postoperative auxiliary traction device of claim 1, wherein: the tip that regulating plate (16) is close to bed board (1) center is run through to spout (17) one end, the degree of depth of spout (17) is greater than the half of regulating plate (16) thickness, the degree of depth that highly equals spout (17) of slider (18).
8. The medical orthopedic postoperative auxiliary traction device of claim 1, wherein: the through holes (19) are arranged at the top end of the sliding groove (17) at equal intervals, the diameters of the through holes (19), the connecting holes (20) and the fixing rod (21) are the same, and the length of the fixing rod (21) is slightly larger than the sum of the depth of the through holes (19) and the depth of the connecting holes (20).
Priority Applications (1)
| Application Number | Priority Date | Filing Date | Title |
|---|---|---|---|
| CN202010199785.5A CN111329643A (en) | 2020-03-20 | 2020-03-20 | Medical orthopedics postoperative auxiliary traction device |
Applications Claiming Priority (1)
| Application Number | Priority Date | Filing Date | Title |
|---|---|---|---|
| CN202010199785.5A CN111329643A (en) | 2020-03-20 | 2020-03-20 | Medical orthopedics postoperative auxiliary traction device |
Publications (1)
| Publication Number | Publication Date |
|---|---|
| CN111329643A true CN111329643A (en) | 2020-06-26 |
Family
ID=71176518
Family Applications (1)
| Application Number | Title | Priority Date | Filing Date |
|---|---|---|---|
| CN202010199785.5A Withdrawn CN111329643A (en) | 2020-03-20 | 2020-03-20 | Medical orthopedics postoperative auxiliary traction device |
Country Status (1)
| Country | Link |
|---|---|
| CN (1) | CN111329643A (en) |
Cited By (3)
| Publication number | Priority date | Publication date | Assignee | Title |
|---|---|---|---|---|
| CN112274354A (en) * | 2020-11-03 | 2021-01-29 | 刘倩倩 | Radiotherapy branch of academic or vocational study supports nursing device with disease limbs |
| CN113180963A (en) * | 2021-06-04 | 2021-07-30 | 中南大学湘雅医院 | Auxiliary traction device for medical orthopedics |
| CN113855435A (en) * | 2021-10-19 | 2021-12-31 | 海南医学院第一附属医院 | Comfortable orthopedic traction support based on angle and height adjusting effect |
Citations (8)
| Publication number | Priority date | Publication date | Assignee | Title |
|---|---|---|---|---|
| CN201642461U (en) * | 2010-04-21 | 2010-11-24 | 任振山 | Lumbar vertebra traction bed |
| CN102626356A (en) * | 2012-05-09 | 2012-08-08 | 张俊 | Household medical spine straightening bed |
| CN204798181U (en) * | 2015-07-07 | 2015-11-25 | 北华大学 | Orthopedics nursing bed |
| CN107981959A (en) * | 2017-12-11 | 2018-05-04 | 谢博 | A kind of medical treatment and nursing leg in traction frame |
| CN108403280A (en) * | 2018-03-20 | 2018-08-17 | 李志慧 | A kind of neck apparatus for correcting with anti-secondary injury function |
| CN109009622A (en) * | 2018-09-29 | 2018-12-18 | 天津辰安自动化设备股份有限公司 | Scoliosis physiotherapy equipment |
| CN208958449U (en) * | 2018-03-12 | 2019-06-11 | 张雷 | A kind of Orthopedic Clinical hitch frame |
| CN209864200U (en) * | 2019-02-22 | 2019-12-31 | 重庆市潼南区人民医院 | Medical orthopedics postoperative auxiliary traction device |
-
2020
- 2020-03-20 CN CN202010199785.5A patent/CN111329643A/en not_active Withdrawn
Patent Citations (8)
| Publication number | Priority date | Publication date | Assignee | Title |
|---|---|---|---|---|
| CN201642461U (en) * | 2010-04-21 | 2010-11-24 | 任振山 | Lumbar vertebra traction bed |
| CN102626356A (en) * | 2012-05-09 | 2012-08-08 | 张俊 | Household medical spine straightening bed |
| CN204798181U (en) * | 2015-07-07 | 2015-11-25 | 北华大学 | Orthopedics nursing bed |
| CN107981959A (en) * | 2017-12-11 | 2018-05-04 | 谢博 | A kind of medical treatment and nursing leg in traction frame |
| CN208958449U (en) * | 2018-03-12 | 2019-06-11 | 张雷 | A kind of Orthopedic Clinical hitch frame |
| CN108403280A (en) * | 2018-03-20 | 2018-08-17 | 李志慧 | A kind of neck apparatus for correcting with anti-secondary injury function |
| CN109009622A (en) * | 2018-09-29 | 2018-12-18 | 天津辰安自动化设备股份有限公司 | Scoliosis physiotherapy equipment |
| CN209864200U (en) * | 2019-02-22 | 2019-12-31 | 重庆市潼南区人民医院 | Medical orthopedics postoperative auxiliary traction device |
Cited By (3)
| Publication number | Priority date | Publication date | Assignee | Title |
|---|---|---|---|---|
| CN112274354A (en) * | 2020-11-03 | 2021-01-29 | 刘倩倩 | Radiotherapy branch of academic or vocational study supports nursing device with disease limbs |
| CN113180963A (en) * | 2021-06-04 | 2021-07-30 | 中南大学湘雅医院 | Auxiliary traction device for medical orthopedics |
| CN113855435A (en) * | 2021-10-19 | 2021-12-31 | 海南医学院第一附属医院 | Comfortable orthopedic traction support based on angle and height adjusting effect |
Similar Documents
| Publication | Publication Date | Title |
|---|---|---|
| CN111329643A (en) | Medical orthopedics postoperative auxiliary traction device | |
| CN109498238B (en) | Orthopedic nursing traction support device | |
| CN211560750U (en) | Orthopedics fixing sickbed convenient for orthopedics patient to use | |
| CN209499835U (en) | A kind of bone surgery positioning drilling equipment | |
| CN110897703A (en) | A operation nail device of getting for orthopedics | |
| CN216777476U (en) | Orthopedics is clinical can regulate and control support with position | |
| CN206995427U (en) | A kind of adjustable beddo fracture of lower limb traction brace | |
| CN218220501U (en) | Auxiliary limb adjusting device for obstetrical nursing | |
| CN213697756U (en) | Fixing device for orthopedic surgery | |
| CN215503625U (en) | Traction bed for severe department | |
| CN211834758U (en) | Auxiliary support for bone surgery | |
| CN109171944B (en) | Orthopedic nail taking device capable of preventing back movement | |
| CN223473965U (en) | A traction frame that is easy to assemble | |
| CN220877228U (en) | External strutting arrangement of operation | |
| CN215228946U (en) | Clinical traction frame that uses of orthopedics | |
| CN219109574U (en) | Auxiliary operation support | |
| CN223453297U (en) | Calcaneus traction device | |
| CN220988836U (en) | Chest expander | |
| CN223569484U (en) | A lower limb skeletal traction combination device | |
| CN222092067U (en) | Patient limb fixation frame | |
| CN215384962U (en) | Adjustable brown formula orthopedics traction frame | |
| CN214858319U (en) | Bone fracture bandage winding device | |
| CN214967289U (en) | Traction device for orthopedic surgery | |
| CN218943810U (en) | Surgical nursing massage device | |
| CN221600526U (en) | Obstetrical department's assistor |
Legal Events
| Date | Code | Title | Description |
|---|---|---|---|
| PB01 | Publication | ||
| PB01 | Publication | ||
| SE01 | Entry into force of request for substantive examination | ||
| SE01 | Entry into force of request for substantive examination | ||
| WW01 | Invention patent application withdrawn after publication |
Application publication date: 20200626 |
|
| WW01 | Invention patent application withdrawn after publication |