CN111301076A - 一种公铁两用接触网检修台车 - Google Patents
一种公铁两用接触网检修台车 Download PDFInfo
- Publication number
- CN111301076A CN111301076A CN202010240252.7A CN202010240252A CN111301076A CN 111301076 A CN111301076 A CN 111301076A CN 202010240252 A CN202010240252 A CN 202010240252A CN 111301076 A CN111301076 A CN 111301076A
- Authority
- CN
- China
- Prior art keywords
- fixedly connected
- valve
- arm
- hydraulic cylinder
- hydraulic
- Prior art date
- Legal status (The legal status is an assumption and is not a legal conclusion. Google has not performed a legal analysis and makes no representation as to the accuracy of the status listed.)
- Withdrawn
Links
- 238000012423 maintenance Methods 0.000 title claims abstract description 31
- 229910000831 Steel Inorganic materials 0.000 claims abstract description 55
- 239000010959 steel Substances 0.000 claims abstract description 55
- 210000000078 claw Anatomy 0.000 claims description 15
- 230000007246 mechanism Effects 0.000 claims description 13
- 230000003028 elevating effect Effects 0.000 claims 4
- 239000010720 hydraulic oil Substances 0.000 claims 3
- 238000009434 installation Methods 0.000 claims 3
- 238000003466 welding Methods 0.000 claims 1
- 230000009286 beneficial effect Effects 0.000 abstract description 2
- 238000011217 control strategy Methods 0.000 abstract description 2
- 238000010586 diagram Methods 0.000 description 7
- 230000003044 adaptive effect Effects 0.000 description 4
- 230000009471 action Effects 0.000 description 3
- XEEYBQQBJWHFJM-UHFFFAOYSA-N Iron Chemical compound [Fe] XEEYBQQBJWHFJM-UHFFFAOYSA-N 0.000 description 2
- 238000000034 method Methods 0.000 description 2
- 238000012986 modification Methods 0.000 description 2
- 230000004048 modification Effects 0.000 description 2
- 230000007935 neutral effect Effects 0.000 description 2
- 230000003321 amplification Effects 0.000 description 1
- 238000004458 analytical method Methods 0.000 description 1
- 230000008859 change Effects 0.000 description 1
- 238000006243 chemical reaction Methods 0.000 description 1
- 230000001276 controlling effect Effects 0.000 description 1
- 230000009977 dual effect Effects 0.000 description 1
- 229910052742 iron Inorganic materials 0.000 description 1
- 238000003199 nucleic acid amplification method Methods 0.000 description 1
- 230000008569 process Effects 0.000 description 1
- 230000001105 regulatory effect Effects 0.000 description 1
- 238000006467 substitution reaction Methods 0.000 description 1
Images
Classifications
-
- B—PERFORMING OPERATIONS; TRANSPORTING
- B60—VEHICLES IN GENERAL
- B60F—VEHICLES FOR USE BOTH ON RAIL AND ON ROAD; AMPHIBIOUS OR LIKE VEHICLES; CONVERTIBLE VEHICLES
- B60F1/00—Vehicles for use both on rail and on road; Conversions therefor
- B60F1/04—Vehicles for use both on rail and on road; Conversions therefor with rail and road wheels on different axles
-
- B—PERFORMING OPERATIONS; TRANSPORTING
- B60—VEHICLES IN GENERAL
- B60M—POWER SUPPLY LINES, AND DEVICES ALONG RAILS, FOR ELECTRICALLY- PROPELLED VEHICLES
- B60M1/00—Power supply lines for contact with collector on vehicle
- B60M1/12—Trolley lines; Accessories therefor
- B60M1/28—Manufacturing or repairing trolley lines
-
- B—PERFORMING OPERATIONS; TRANSPORTING
- B61—RAILWAYS
- B61D—BODY DETAILS OR KINDS OF RAILWAY VEHICLES
- B61D15/00—Other railway vehicles, e.g. scaffold cars; Adaptations of vehicles for use on railways
Landscapes
- Engineering & Computer Science (AREA)
- Mechanical Engineering (AREA)
- Transportation (AREA)
- Manufacturing & Machinery (AREA)
- Forklifts And Lifting Vehicles (AREA)
Abstract
本发明公开了一种公铁两用接触网检修台车,包括两个钢轨,两个钢轨上共同滑动连接有工作平台,工作平台的上端两侧和前后部均固定连接有防护栏,工作平台的上端安装有两个伸缩旋转臂,本发明所达到的有益效果是:利用水平传感器测量车载工作平台的倾斜度,通过串行口向控制部分发送X方向和Y方向的倾斜度数据,单片机读取水平传感器收集当前工作平台的倾斜度数据,根据倾角数据和压力数据,计算出所对应的左侧调平液压缸和右侧调平液压缸的伸长量,同时,按照控制策略驱动液压泵工作,使左侧调平液压缸和右侧调平液压缸伸缩相应的长度,直至倾斜度达到水平调整传感器水平的要求,以保证工作人员在高空作业时保持良好的平衡状态从而安全作业。
Description
技术领域
本发明涉及一种检修台车,特别涉及一种公铁两用接触网检修台车,属于铁路设备技术领域。
背景技术
随着中国铁路运输的迅猛发展,电气化铁路、高速客运专线等里程大大增加,接触网检修、维护的工作量也相应飞速增长。接触网检修作业车辆的发展在中国电气化铁路现代化进程占据重要位置。然而,国内现有的接触网作业车大部分为落后的梯车与大型车,这些设备单台采购养护成本高,运转不灵活、作业效率低下、劳动强度大、安全性较低、容易倾覆,远不能满足现阶段对铁路接触网检修的需求。
发明内容
本发明提供一种公铁两用接触网检修台车,有效的解决了现有的接触网作业车大部分为落后的梯车与大型车,这些设备单台采购养护成本高,运转不灵活、作业效率低下、劳动强度大、安全性较低、容易倾覆,远不能满足现阶段对铁路接触网检修的需求的问题。
为了解决上述技术问题,本发明提供了如下的技术方案:
本发明一种公铁两用接触网检修台车,包括两个钢轨,两个所述钢轨上共同滑动连接有工作平台,所述工作平台的上端两侧和前后部均固定连接有防护栏,所述工作平台的上端安装有两个伸缩旋转臂,两个所述伸缩旋转臂呈对角设置,所述工作平台的上端一侧固定连接有控制台,所述控制台电性连接有电气液压控制系统,所述工作平台上安装有荷载自适应分配系统且荷载自适应分配系统包括胎压传感器、PLC控制面板和电磁阀,所述胎压传感器和电磁阀均电性连接在PLC控制面板上,所述PLC控制面板电性连接在控制台上,所述工作平台的下端铰接有底架,所述底架的下端两侧均通过驱动轴安装有公路驱动轮,所述底架的前后部均安装有防倾覆锁轨装置和工作平台水平液压装置,所述底架的两侧均铰接有导向钢轮升降机构,所述底架的前后部均和工作平台水平液压装置铰接,所述工作平台水平液压装置包括单片机、伺服控制模块、水平传感器、压力传感器、左侧调平液压缸和右侧调平液压缸,所述伺服控制模块、水平传感器、压力传感器、左侧调平液压缸和右侧调平液压缸均电性连接在单片机上,所述单片机电性连接在控制台上,所述左侧调平液压缸和右侧调平液压缸的上端均铰接在工作平台上。
作为本发明的一种优选技术方案,所述底架由若干钢板一和钢板二焊接组成,若干所述钢板一和钢板二上下端之间的距离均相同,所述底架的前后部两侧均固定连接有防倾覆锁轨装置安装座,所述底架上端前后侧的中部均固定连接有调平油缸安装座,所述底架的两侧前后部均固定连接有底架横梁一,所述底架横梁一远离底架的一侧均固定连接有导向钢轮升降机构安装座,同侧所述底架横梁一远离底架的一侧均共同固定连接有底架横梁二,所述底架横梁二的上端中部均固定连接有工作平台安装座,所述工作平台安装座均转动连接在工作平台上,所述底架横梁二的两侧部均固定连接有驱动车桥安装座。
作为本发明的一种优选技术方案,所述底架前部设置的调平油缸安装座和右侧调平液压缸的下端转动连接,所述底架后部设置的调平油缸安装座和左侧调平液压缸的下端转动连接。
作为本发明的一种优选技术方案,所述导向钢轮升降机构包括导向钢轮车轴,所述导向钢轮车轴的前后部均转动连接有导向钢轮,所述导向钢轮的下端均滑动连接在钢轨上,所述导向钢轮车轴的上端前后部均固定连接有转臂,所述转臂的上端均转动连接有升降装置机架,所述机架的上端均固定连接在底架的导向钢轮升降机构安装座上,所述导向钢轮车轴的上端固定连接有两个升降油缸,两个所述升降油缸位于两个转臂之间,两个所述升降油缸的上端均转动连接在底架驱动车桥安装座上。
作为本发明的一种优选技术方案,两个所述伸缩旋转臂均包括伸缩臂,所述伸缩臂的下端均固定连接有转台,所述转台的下端均固定连接在工作平台上,所述伸缩臂的上端均固定连接有四个平行四边形连杆,同一个所述伸缩臂上设置的四个平行四边形连杆之间均固定连接有液压站,同一个所述伸缩臂上设置的四个平行四边形连杆的下端共同固定连接有工作栏。
作为本发明的一种优选技术方案,所述伸缩臂包括三级臂、二级臂、滑轮、基本臂和液压油缸,所述基本臂的下端和转台的上端固定连接,所述二级臂的下端滑动连接在基本臂的内部上端,所述三级臂的下端滑动连接在和二级臂的内部上端,所述滑轮固定连接在二级臂上,所述液压油缸的下端和基本臂的内部下端固定连接,所述液压油缸的上端绕过滑轮的钢丝绳和三级臂相连接,所述二级臂和三级臂之间通过滑轮与钢丝绳相连接。
作为本发明的一种优选技术方案,所述防倾覆锁轨装置均包括机架,所述机架的上端均通过固定上轴销和所在底架的防倾覆锁轨装置安装座固定连接,所述机架的内部上端均固定连接有液压缸一,所述液压缸一的下端均固定连接有活动轴销,所述活动轴销的前后部均滑动连接在同侧机架的内壁上,所述机架的内部下端均通过固定下轴销转动连接有两个仿形抓轨爪,同侧两个所述仿形抓轨爪的上端均套设在同侧活动销轴上,同侧两个所述仿形抓轨爪配合卡接在钢轨上。
作为本发明的一种优选技术方案,所述电气液压系统包括电磁换向阀一、电磁换向阀二、电磁换向阀三和电磁换向阀四,所述电磁换向阀一、电磁换向阀二、电磁换向阀三和电磁换向阀四并连接在一起,所述电磁换向阀一、电磁换向阀二、电磁换向阀三和电磁换向阀四所连接的电路上电性连接有单向阀、电磁溢流阀、压力表和冷却器,所述单向阀、电磁溢流阀、压力表和冷却器并连接在一起,所述单向阀上和液压泵电性连接,所述液压泵上电性连接有过滤器,所述过滤器和电磁溢流阀以及冷却器并连接在一起,所述电磁换向阀一上电性连接有互锁阀一和液压缸二,所述互锁阀一和液压缸二电性连接,所述电磁换向阀二上电性连接有互锁阀二和液压缸三,所述互锁阀二和液压缸三电性连接,所述电磁换向阀三上电性连接有单向节流阀,所述单向节流阀上电性连接有液压缸四,所述电磁换向阀四上电性连接有液压缸五。
本发明所达到的有益效果是:
1、本发明提供的一种公铁两用接触网检修台车,利用水平传感器测量车载工作平台的倾斜度,通过串行口向控制部分发送X方向和Y方向的倾斜度数据,单片机读取水平传感器收集当前工作平台的倾斜度数据,根据倾角数据和压力数据,计算出所对应的左侧调平液压缸和右侧调平液压缸的伸长量,同时,按照控制策略驱动液压泵工作,使左侧调平液压缸和右侧调平液压缸伸缩相应的长度,直至倾斜度达到水平调整传感器水平的要求,以保证工作人员在高空作业时保持良好的平衡状态从而安全作业。
2、本发明提供的一种公铁两用接触网检修台车,利用胎压传感器、PLC控制面板、电磁阀,以使在不平整轨道面上每个公路驱动轮与导向钢轮所分得的载荷于允许范围内,与电气液压系统和轮系相互配合,从而在达到公铁两用目的的同时,又对不同路况的每个轮子进行自适应地载荷分配。
3、本发明提供的一种公铁两用接触网检修台车,当防倾覆锁轨装置未工作时,液压缸一处于伸长状态,仿形抓轨爪处于钢正上方并呈现张开状态,当防倾覆锁轨装置工作时,液压泵启动供油并控制液压缸一工作,使活塞杆向上缩短,连接穿过仿形抓轨爪的活动轴销由于受到活塞杆向上拉伸的力,则活动轴销从底架上的活动轨道下侧移动至上侧,使仿形抓轨爪两瓣逐渐闭合至完全贴近所述钢轨外轮廓,实现完成锁轨动作,公铁两用接触网检修台车在车底架四周设置四个防倾覆锁轨装置,由同一个液压泵供油,同时控制四个液压缸一工作,使四个防倾覆锁轨装置同时进行抓轨,以保证车辆不出现倾覆现象。
4、本发明提供的一种公铁两用接触网检修台车,利用三级伸缩臂、转动台与平行四边形连杆机构相结合,实现了工作栏旋转、升降、远近的调节,使工人有更好的维修工作条件。
附图说明
附图用来提供对本发明的进一步理解,并且构成说明书的一部分,与本发明的实施例一起用于解释本发明,并不构成对本发明的限制。在附图中:
图1为本发明的结构示意图;
图2为本发明导向钢轮升降机构一定角度示意图;
图3为本发明底架一定角度示意图;
图4为本发明底架向右倾斜时工作台水平液压装置工作正视图;
图5为本发明伸缩旋转臂一定角度示意图;
图6为本发明伸缩旋转臂的伸缩装置图;
图7为本发明防倾覆锁轨装置正视结构示意图;
图8为本发明防倾覆锁轨装置左视图张开状态(左)和工作状态(右);
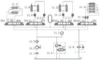
图9为本发明电气液压系统的原理图;
图10为本发明工作平台水平液压装置的模块图;
图11为本发明荷载自适应分配系统的模块图。
图中:1、导向钢轮升降机构;1.1、转臂;1.2、升降油缸;1.3、导向钢轮车轴;1.4、升降装置机架;2、导向钢轮;3、公路驱动轮;4、底架;4.1、导向钢轮升降机构安装座;4.2、驱动车桥安装座;4.3、工作平台安装座;4.4、防倾覆锁轨装置安装座;4.5、钢板一;4.6、钢板二;4.7、调平油缸安装座;4.8、底架横梁一;4.9、底架横梁二;5、工作平台;5.1、工作平台水平液压装置;5.1.1、单片机;5.1.2、伺服控制模块;5.1.3、水平传感器;5.1.4、压力传感器;5.1.5、左侧调平液压缸;5.1.6、右侧调平液压缸;6、伸缩旋转臂;6.1、伸缩臂;6.1.1、三级臂;6.1.2、二级臂;6.1.3、滑轮;6.1.4、基本臂;6.1.5、液压油缸;6.2、转台;6.3、平行四边形连杆;6.4、工作栏;6.5、液压站;7、防倾覆锁轨装置;7.1、固定上轴销;7.2、机架;7.3、活动轴销;7.4、固定下轴销;7.5、液压缸一;7.6、活塞杆;7.7、仿形抓轨爪;8、防护栏;9、控制台;10、钢轨;11、电气液压系统;11.1、过滤器;11.2、液压泵;11.3、单向阀;11.4、电磁溢流阀;11.5、压力表;11.6、冷却器;11.7、电磁换向阀一;11.8、互锁阀一;11.9、液压缸二;11.10、电磁换向阀二;11.11、互锁阀二;11.12、液压缸三;11.13、电磁换向阀三;11.14、单向节流阀;11.15、液压缸四;11.16、电磁换向阀四;11.17、液压缸五;12、PLC控制面板;13、电磁阀;14、胎压传感器。
具体实施方式
下面将结合本发明实施例中的附图,对本发明实施例中的技术方案进行清楚、完整地描述,显然,所描述的实施例仅仅是本发明一部分实施例,而不是全部的实施例。基于本发明中的实施例,本领域普通技术人员在没有做出创造性劳动前提下所获得的所有其他实施例,都属于本发明保护的范围。
实施例:如图1-11所示,本发明一种公铁两用接触网检修台车,包括两个钢轨10,两个所述钢轨10上共同滑动连接有工作平台5,所述工作平台5的上端两侧和前后部均固定连接有防护栏8,所述工作平台5的上端安装有两个伸缩旋转臂6,两个所述伸缩旋转臂6呈对角设置,所述工作平台5的上端一侧固定连接有控制台9,所述控制台9电性连接有电气液压控制系统11,所述工作平台5上安装有荷载自适应分配系统且荷载自适应分配系统包括胎压传感器14、PLC控制面板12和电磁阀13,所述胎压传感器14和电磁阀13均电性连接在PLC控制面板12上,所述PLC控制面板12电性连接在控制台9上,所述工作平台5的下端铰接有底架4,所述底架4的下端两侧均通过驱动轴安装有公路驱动轮3,所述底架4的前后部均安装有防倾覆锁轨装置7和工作平台水平液压装置5.1,所述底架4的两侧均铰接有导向钢轮升降机构1,所述底架4的前后部均和工作平台水平液压装置5.1铰接,所述工作平台水平液压装置5.1包括单片机5.1.1、伺服控制模块5.1.2、水平传感器5.1.3、压力传感器5.1.4、左侧调平液压缸5.1.5和右侧调平液压缸5.1.6,所述伺服控制模块5.1.2、水平传感器5.1.3、压力传感器5.1.4、左侧调平液压缸5.1.5和右侧调平液压缸5.1.6均电性连接在单片机5.1.1上,所述单片机5.1.1电性连接在控制台9上,所述左侧调平液压缸5.1.5和右侧调平液压缸5.1.6的上端均铰接在工作平台5上,方便工作平台5在左侧调平液压缸5.1.5和右侧调平液压缸5.1.6上活动。
其中,所述底架4由若干钢板一4.5和钢板二4.6焊接组成,若干所述钢板一4.5和钢板二4.6上下端之间的距离均相同,所述底架4的前后部两侧均固定连接有防倾覆锁轨装置安装座4.4,所述底架4上端前后侧的中部均固定连接有调平油缸安装座4.7,所述底架4的两侧前后部均固定连接有底架横梁一4.8,所述底架横梁一4.8远离底架4的一侧均固定连接有导向钢轮升降机构安装座4.1,同侧所述底架横梁一4.8远离底架4的一侧均共同固定连接有底架横梁二4.9,所述底架横梁二4.9的上端中部均固定连接有工作平台安装座4.3,所述工作平台安装座4.3均转动连接在工作平台5上,所述底架横梁二4.9的两侧部均固定连接有驱动车桥安装座4.2,可将本发明的部件组装提供一个载体,将部件组装在一起,同时利用底架4支撑住工作平台5,为工作人员的维修工作提供一个平台。
其中,所述底架4前部设置的调平油缸安装座4.7和右侧调平液压缸5.1.6的下端转动连接,所述底架4后部设置的调平油缸安装座4.7和左侧调平液压缸5.1.5的下端转动连接,便于支撑住左侧调平液压缸5.1.5和右侧调平液压缸5.1.6,进而撑住工作平台5的前后部。
其中,所述导向钢轮升降机构1包括导向钢轮车轴1.3,所述导向钢轮车轴1.3的前后部均转动连接有导向钢轮2,所述导向钢轮2的下端均滑动连接在钢轨10上,所述导向钢轮车轴1.3的上端前后部均固定连接有转臂1.1,所述转臂1.1的上端均转动连接有升降装置机架1.4,所述机架1.4的上端均固定连接在底架4的导向钢轮升降机构安装座4.2上,所述导向钢轮车轴1.3的上端固定连接有两个升降油缸1.2,两个所述升降油缸1.2位于两个转臂1.1之间,两个所述升降油缸1.2的上端均转动连接在底架4驱动车桥安装座4.3上,方便本发明在钢轨10上滑动,方便工作人员对其他地方进行维修。
其中,两个所述伸缩旋转臂6均包括伸缩臂6.1,所述伸缩臂6.1的下端均固定连接有转台6.2,所述转台6.2的下端均固定连接在工作平台5上,所述伸缩臂6.1的上端均固定连接有四个平行四边形连杆6.3,同一个所述伸缩臂6.1上设置的四个平行四边形连杆6.3之间均固定连接有液压站6.5,同一个所述伸缩臂6.1上设置的四个平行四边形连杆6.3的下端共同固定连接有工作栏6.4,可通过移动工作栏6.4的位置,将工作人员移动到维修的地方,方便工作人员进行维修作业。
其中,所述伸缩臂6.1包括三级臂6.1.1、二级臂6.1.2、滑轮6.1.3、基本臂6.1.4和液压油缸6.1.5,所述基本臂6.1.4的下端和转台6.2的上端固定连接,所述二级臂6.1.2的下端滑动连接在基本臂6.1.4的内部上端,所述三级臂6.1.1的下端滑动连接在和二级臂6.1.2的内部上端,所述滑轮6.1.3固定连接在二级臂6.1.2上,所述液压油缸6.1.5的下端和基本臂6.1.4的内部下端固定连接,所述液压油缸6.1.5的上端绕过滑轮6.1.3的钢丝绳和三级臂6.1.1相连接,所述二级臂6.1.2和三级臂6.1.1之间通过滑轮6.1.3与钢丝绳相连接,方便调节伸缩臂6.1的高度,提高工作栏6.4的高度,使工作人员可以进行维修作业。
其中,所述防倾覆锁轨装置7均包括机架7.2,所述机架7.2的上端均通过固定上轴销7.1和所在底架4的防倾覆锁轨装置安装座4.4固定连接,所述机架7.2的内部上端均固定连接有液压缸一7.5,所述液压缸一7.5的下端均固定连接有活动轴销7.3,所述活动轴销7.3的前后部均滑动连接在同侧机架7.2的内壁上,所述机架7.2的内部下端均通过固定下轴销7.4转动连接有两个仿形抓轨爪7.7,同侧两个所述仿形抓轨爪7.7的上端均套设在同侧活动销轴7.3上,同侧两个所述仿形抓轨爪7.7配合卡接在钢轨10上,可通过将方形抓轨爪7,7夹在钢轨10上,将本工作平台5固定在钢轨10上,保证了本发明的稳定性。
其中,所述电气液压系统11包括电磁换向阀一11.7、电磁换向阀二11.10、电磁换向阀三11.13和电磁换向阀四11.16,所述电磁换向阀一11.7、电磁换向阀二11、10、电磁换向阀三11.13和电磁换向阀四11.16并连接在一起,所述电磁换向阀一11.7、电磁换向阀二11.10、电磁换向阀三11.13和电磁换向阀四11.16所连接的电路上电性连接有单向阀11.3、电磁溢流阀11.4、压力表11.5和冷却器11.6,所述单向阀11.3、电磁溢流阀11.4、压力表11.5和冷却器11.6并连接在一起,所述单向阀11.3上和液压泵11.2电性连接,所述液压泵11.2上电性连接有过滤器11.1,所述过滤器11.1和电磁溢流阀11.4以及冷却器11.6并连接在一起,所述电磁换向阀一11.7上电性连接有互锁阀一11.8和液压缸二11.9,所述互锁阀一11.8和液压缸二11.9电性连接,所述电磁换向阀二11.10上电性连接有互锁阀二11.11和液压缸三11.12,所述互锁阀二11.11和液压缸三11.12电性连接,所述电磁换向阀三11.13上电性连接有单向节流阀11.14,所述单向节流阀11.14上电性连接有液压缸四11.15,所述电磁换向阀四11.16上电性连接有液压缸五11.17,方便控制本发明在钢轨10上运动,辅助工作人员的维修工作。
具体的,电气液压控制系统控制原理如下:当公铁两通接触检修台车从公路行驶至钢轨道上时,按下导向钢轮升降按钮,电磁铁2YA通电使电磁换向阀一11.7切换至左位,液压泵11.2的压力油经过单向阀11.3、电磁换向阀一11.7和互锁阀一11.8,进入液压缸二11.9的无杆腔,液压缸二11.9活塞伸出,同时带动一侧的导向钢轮2向前移动,当一侧的导向钢轮2与钢轨10面接触后,电磁铁2YA失电,电磁换向阀11.7恢复到中位,液压缸二11.9被互锁阀一11.8锁死,长时间保压,同时,电磁铁4YA通电,使电磁换向阀二11.10切换至左位,液压泵11.2的压力油经过单向阀11.3、电磁换向阀二11.10和互锁阀二11.11,进入液压缸三11.12的无杆腔,液压缸11.12活塞伸出,同时带动另一侧的导向钢轮2向前移动,当另一侧的导向钢轮2与钢轨10面接触后,电磁铁4YA失电,电磁换向阀二11.10恢复到中位,液压缸三11.12被互锁阀二11.11锁死,长时间保压,完成公路与铁路的转换动作,当导向钢轮2完全展开后,电磁铁4YA失电,1YA得电,液压泵11.2完全卸荷,此时主回路由蓄能器提供压力,当蓄能器的压力低于设定值时,液压泵11.2工作,蓄能器存储压力,直至压力达到设定的工作范围,液压泵11.2再次卸荷。
当工作人员高空作业时,按下控制防倾覆锁轨装置7的按钮,电磁铁7YA得电,电磁换向阀三11.13切换至左位,液压泵11.2的压力油经过电磁换向阀三11.13和单向调速阀11.14进入液压缸四11.15的有杆腔,使液压缸四11.15收缩带动防倾覆锁轨装置7的仿形抓轨爪7.7贴紧钢轨10的外侧壁,完成防倾覆锁轨动作。
在检修台车在钢轨道行驶工作时,若遇到路面倾斜不平状况,水平传感器5.1.3检测到后,将模拟信号传输至单片机5.1.1,通过单片机5.1.1分析计算后,利用放大驱动电路将信号增强并发出指令,控制电磁阀芯位置变换,即电磁铁8YA得电,电磁换向阀四11.16切换至左位,液压泵11.2的压力油经过单向阀11.3、电磁换向阀四11.16,进入切斜高处一侧的液压缸五11.17的无杆腔,使液压缸五11.17活塞伸出,同时压力油进入切斜低处一侧的液压缸五11.17的有杆腔,使液压缸五11.17活塞缩短,完成工作平台实时调平动作。
尽管已经示出和描述了本发明的实施例,对于本领域的普通技术人员而言,可以理解在不脱离本发明的原理和精神的情况下可以对这些实施例进行多种变化、修改、替换和变型,本发明的范围由所附权利要求及其等同物限定。
Claims (8)
1.一种公铁两用接触网检修台车,包括两个钢轨(10),其特征在于,两个所述钢轨(10)上共同滑动连接有工作平台(5),所述工作平台(5)的上端两侧和前后部均固定连接有防护栏(8),所述工作平台(5)的上端安装有两个伸缩旋转臂(6),两个所述伸缩旋转臂(6)呈对角设置,所述工作平台(5)的上端一侧固定连接有控制台(9),所述控制台(9)电性连接有电气液压控制系统(11),所述工作平台(5)上安装有荷载自适应分配系统且荷载自适应分配系统包括胎压传感器(14)、PLC控制面板(12)和电磁阀(13),所述胎压传感器(14)和电磁阀(13)均电性连接在PLC控制面板(12)上,所述PLC控制面板(12)电性连接在控制台(9)上,所述工作平台(5)的下端铰接有底架(4),所述底架(4)的下端两侧均通过驱动轴安装有公路驱动轮(3),所述底架(4)的前后部均安装有防倾覆锁轨装置(7)和工作平台水平液压装置(5.1),所述底架(4)的两侧均铰接有导向钢轮升降机构(1),所述底架(4)的前后部均和工作平台水平液压装置(5.1)铰接,所述工作平台水平液压装置(5.1)包括单片机(5.1.1)、伺服控制模块(5.1.2)、水平传感器(5.1.3)、压力传感器(5.1.4)、左侧调平液压缸(5.1.5)和右侧调平液压缸(5.1.6),所述伺服控制模块(5.1.2)、水平传感器(5.1.3)、压力传感器(5.1.4)、左侧调平液压缸(5.1.5)和右侧调平液压缸(5.1.6)均电性连接在单片机(5.1.1)上,所述单片机(5.1.1)电性连接在控制台(9)上,所述左侧调平液压缸(5.1.5)和右侧调平液压缸(5.1.6)的上端均铰接在工作平台(5)上。
2.根据权利要求1所述的一种公铁两用接触网检修台车,其特征在于,所述底架(4)由若干钢板一(4.5)和钢板二(4.6)焊接组成,若干所述钢板一(4.5)和钢板二(4.6)上下端之间的距离均相同,所述底架(4)的前后部两侧均固定连接有防倾覆锁轨装置安装座(4.4),所述底架(4)上端前后侧的中部均固定连接有调平油缸安装座(4.7),所述底架(4)的两侧前后部均固定连接有底架横梁一(4.8),所述底架横梁一(4.8)远离底架(4)的一侧均固定连接有导向钢轮升降机构安装座(4.1),同侧所述底架横梁一(4.8)远离底架(4)的一侧均共同固定连接有底架横梁二(4.9),所述底架横梁二(4.9)的上端中部均固定连接有工作平台安装座(4.3),所述工作平台安装座(4.3)均转动连接在工作平台(5)上,所述底架横梁二(4.9)的两侧部均固定连接有驱动车桥安装座(4.2)。
3.根据权利要求2所述的一种公铁两用接触网检修台车,其特征在于,所述底架(4)前部设置的调平油缸安装座(4.7)和右侧调平液压缸(5.1.6)的下端转动连接,所述底架(4)后部设置的调平油缸安装座(4.7)和左侧调平液压缸(5.1.5)的下端转动连接。
4.根据权利要求1所述的一种公铁两用接触网检修台车,其特征在于,所述导向钢轮升降机构(1)包括导向钢轮车轴(1.3),所述导向钢轮车轴(1.3)的前后部均转动连接有导向钢轮(2),所述导向钢轮(2)的下端均滑动连接在钢轨(10)上,所述导向钢轮车轴(1.3)的上端前后部均固定连接有转臂(1.1),所述转臂(1.1)的上端均转动连接有升降装置机架(1.4),所述机架(1.4)的上端均固定连接在底架(4)的导向钢轮升降机构安装座(4.2)上,所述导向钢轮车轴(1.3)的上端固定连接有两个升降油缸(1.2),两个所述升降油缸(1.2)位于两个转臂(1.1)之间,两个所述升降油缸(1.2)的上端均转动连接在底架(4)驱动车桥安装座(4.3)上。
5.根据权利要求1所述的一种公铁两用接触网检修台车,其特征在于,两个所述伸缩旋转臂(6)均包括伸缩臂(6.1),所述伸缩臂(6.1)的下端均固定连接有转台(6.2),所述转台(6.2)的下端均固定连接在工作平台(5)上,所述伸缩臂(6.1)的上端均固定连接有四个平行四边形连杆(6.3),所述伸缩臂(6.1)上设置的四个平行四边形连杆(6.3)之间均固定连接有液压站(6.5),同一个所述伸缩臂(6.1)上设置的四个平行四边形连杆(6.3)的下端共同固定连接有工作栏(6.4)。
6.根据权利要求5所述的一种公铁两用接触网检修台车,其特征在于,所述伸缩臂(6.1)包括三级臂(6.1.1)、二级臂(6.1.2)、滑轮(6.1.3)、基本臂(6.1.4)和液压油缸(6.1.5),所述基本臂(6.1.4)的下端和转台(6.2)的上端固定连接,所述二级臂(6.1.2)的下端滑动连接在基本臂(6.1.4)的内部上端,所述三级臂(6.1.1)的下端滑动连接在和二级臂(6.1.2)的内部上端,所述滑轮(6.1.3)固定连接在二级臂(6.1.2)上,所述液压油缸(6.1.5)的下端和基本臂(6.1.4)的内部下端固定连接,所述液压油缸(6.1.5)的上端绕过滑轮(6.1.3)的钢丝绳和三级臂(6.1.1)相连接,所述二级臂(6.1.2)和三级臂(6.1.1)之间通过滑轮(6.1.3)与钢丝绳相连接。
7.根据权利要求1所述的一种公铁两用接触网检修台车,其特征在于,所述防倾覆锁轨装置(7)均包括机架(7.2),所述机架(7.2)的上端均通过固定上轴销(7.1)和所在底架(4)的防倾覆锁轨装置安装座(4.4)固定连接,所述机架(7.2)的内部上端均固定连接有液压缸一(7.5),所述液压缸一(7.5)的下端均固定连接有活动轴销(7.3),所述活动轴销(7.3)的前后部均滑动连接在同侧机架(7.2)的内壁上,所述机架(7.2)的内部下端均通过固定下轴销(7.4)转动连接有两个仿形抓轨爪(7.7),同侧两个所述仿形抓轨爪(7.7)的上端均套设在同侧活动销轴(7.3)上,同侧两个所述仿形抓轨爪(7.7)配合卡接在钢轨(10)上。
8.根据权利要求1所述的一种公铁两用接触网检修台车,其特征在于,所述电气液压系统(11)包括电磁换向阀一(11.7)、电磁换向阀二(11.10)、电磁换向阀三(11.13)和电磁换向阀四(11.16),所述电磁换向阀一(11.7)、电磁换向阀二(11、10)、电磁换向阀三(11.13)和电磁换向阀四(11.16)并连接在一起,所述电磁换向阀一(11.7)、电磁换向阀二(11.10)、电磁换向阀三(11.13)和电磁换向阀四(11.16)所连接的电路上电性连接有单向阀(11.3)、电磁溢流阀(11.4)、压力表(11.5)和冷却器(11.6),所述单向阀(11.3)、电磁溢流阀(11.4)、压力表(11.5)和冷却器(11.6)并连接在一起,所述单向阀(11.3)上和液压泵(11.2)电性连接,所述液压泵(11.2)上电性连接有过滤器(11.1),所述过滤器(11.1)和电磁溢流阀(11.4)以及冷却器(11.6)并连接在一起,所述电磁换向阀一(11.7)上电性连接有互锁阀一(11.8)和液压缸二(11.9),所述互锁阀一(11.8)和液压缸二(11.9)电性连接,所述电磁换向阀二(11.10)上电性连接有互锁阀二(11.11)和液压缸三(11.12),所述互锁阀二(11.11)和液压缸三(11.12)电性连接,所述电磁换向阀三(11.13)上电性连接有单向节流阀(11.14),所述单向节流阀(11.14)上电性连接有液压缸四(11.15),所述电磁换向阀四(11.16)上电性连接有液压缸五(11.17)。
Priority Applications (1)
| Application Number | Priority Date | Filing Date | Title |
|---|---|---|---|
| CN202010240252.7A CN111301076A (zh) | 2020-03-31 | 2020-03-31 | 一种公铁两用接触网检修台车 |
Applications Claiming Priority (1)
| Application Number | Priority Date | Filing Date | Title |
|---|---|---|---|
| CN202010240252.7A CN111301076A (zh) | 2020-03-31 | 2020-03-31 | 一种公铁两用接触网检修台车 |
Publications (1)
| Publication Number | Publication Date |
|---|---|
| CN111301076A true CN111301076A (zh) | 2020-06-19 |
Family
ID=71151642
Family Applications (1)
| Application Number | Title | Priority Date | Filing Date |
|---|---|---|---|
| CN202010240252.7A Withdrawn CN111301076A (zh) | 2020-03-31 | 2020-03-31 | 一种公铁两用接触网检修台车 |
Country Status (1)
| Country | Link |
|---|---|
| CN (1) | CN111301076A (zh) |
Cited By (2)
| Publication number | Priority date | Publication date | Assignee | Title |
|---|---|---|---|---|
| CN115095331A (zh) * | 2022-08-01 | 2022-09-23 | 湖南工业大学 | 一种新型公铁两用隧道施工作业车 |
| CN120232645A (zh) * | 2025-05-29 | 2025-07-01 | 中国航发湖南动力机械研究所 | 涡桨发动机试车台导流系统拖动装置 |
-
2020
- 2020-03-31 CN CN202010240252.7A patent/CN111301076A/zh not_active Withdrawn
Cited By (2)
| Publication number | Priority date | Publication date | Assignee | Title |
|---|---|---|---|---|
| CN115095331A (zh) * | 2022-08-01 | 2022-09-23 | 湖南工业大学 | 一种新型公铁两用隧道施工作业车 |
| CN120232645A (zh) * | 2025-05-29 | 2025-07-01 | 中国航发湖南动力机械研究所 | 涡桨发动机试车台导流系统拖动装置 |
Similar Documents
| Publication | Publication Date | Title |
|---|---|---|
| CN211032067U (zh) | 一种公铁两用双向行驶牵引及载货运输车 | |
| WO2022088053A1 (zh) | 运梁车、运梁系统、钢箱梁装配系统及钢箱梁装配方法 | |
| CN112323644B (zh) | 运梁车、运梁系统、钢箱梁装配系统及钢箱梁装配方法 | |
| CN110722940A (zh) | 一种公铁两用双向行驶牵引及载货运输车及其使用方法 | |
| CN214033207U (zh) | 一种公铁两用焊轨车 | |
| US5733092A (en) | Rotary loader and system | |
| JPS6026882B2 (ja) | 路面兼軌道走行可能な軌道整正機械 | |
| CN111764613A (zh) | 轨道交通工程轨行区内高空设备安装装置及施工方法 | |
| CN111301076A (zh) | 一种公铁两用接触网检修台车 | |
| CN205661356U (zh) | 一种平板型清障车 | |
| CN213231418U (zh) | 一种集装箱装卸转运车 | |
| CN216659474U (zh) | 一种跨越式桥面公铁两用车 | |
| CN219260606U (zh) | 钢轨运输车组 | |
| CN111634806A (zh) | 一种用于小断面隧道内卸料的轮式起重机 | |
| CN206581657U (zh) | 一种立体泊车装置 | |
| US4222332A (en) | Truck mounted railroad crane main bed frame | |
| CN213326604U (zh) | 轨道交通工程轨行区内高空设备安装装置 | |
| CN114775344B (zh) | 一种铁路线路部件铺换作业方法 | |
| US20040173554A1 (en) | Industrial truck | |
| CN210393531U (zh) | 铁路轮式可移动自动装卸平台及其混合型车轮系统 | |
| CN204222884U (zh) | 复合功能移车台 | |
| CN210529388U (zh) | 公铁两用铣磨车体 | |
| CN222744704U (zh) | 吊挂走行的开闭式检修作业平台 | |
| JPH041183Y2 (zh) | ||
| KR102548619B1 (ko) | 도로 레일 겸용 차량의 후방 선로주행장치 |
Legal Events
| Date | Code | Title | Description |
|---|---|---|---|
| PB01 | Publication | ||
| PB01 | Publication | ||
| SE01 | Entry into force of request for substantive examination | ||
| SE01 | Entry into force of request for substantive examination | ||
| WW01 | Invention patent application withdrawn after publication | ||
| WW01 | Invention patent application withdrawn after publication |
Application publication date: 20200619 |