CN111277199A - Capacitance digital coding speed regulation method and device for fan motor - Google Patents
Capacitance digital coding speed regulation method and device for fan motor Download PDFInfo
- Publication number
- CN111277199A CN111277199A CN202010171832.5A CN202010171832A CN111277199A CN 111277199 A CN111277199 A CN 111277199A CN 202010171832 A CN202010171832 A CN 202010171832A CN 111277199 A CN111277199 A CN 111277199A
- Authority
- CN
- China
- Prior art keywords
- speed
- capacitor
- speed regulation
- fan
- sector
- Prior art date
- Legal status (The legal status is an assumption and is not a legal conclusion. Google has not performed a legal analysis and makes no representation as to the accuracy of the status listed.)
- Pending
Links
- 238000000034 method Methods 0.000 title claims abstract description 22
- 239000003990 capacitor Substances 0.000 claims abstract description 51
- 230000006798 recombination Effects 0.000 claims abstract description 4
- 238000005215 recombination Methods 0.000 claims abstract description 4
- 230000002093 peripheral effect Effects 0.000 claims 1
- 238000004519 manufacturing process Methods 0.000 abstract description 6
- 230000001105 regulatory effect Effects 0.000 description 8
- 230000001680 brushing effect Effects 0.000 description 3
- 238000010586 diagram Methods 0.000 description 3
- 238000009434 installation Methods 0.000 description 3
- 238000004804 winding Methods 0.000 description 3
- 229910002056 binary alloy Inorganic materials 0.000 description 2
- 230000000694 effects Effects 0.000 description 2
- 238000013459 approach Methods 0.000 description 1
- 230000002457 bidirectional effect Effects 0.000 description 1
- 238000006243 chemical reaction Methods 0.000 description 1
- 230000003247 decreasing effect Effects 0.000 description 1
- 238000013461 design Methods 0.000 description 1
- 238000011161 development Methods 0.000 description 1
- 238000005516 engineering process Methods 0.000 description 1
- 238000010438 heat treatment Methods 0.000 description 1
- 238000012423 maintenance Methods 0.000 description 1
- 239000000463 material Substances 0.000 description 1
- 238000012545 processing Methods 0.000 description 1
- 238000010079 rubber tapping Methods 0.000 description 1
Images
Classifications
-
- H—ELECTRICITY
- H02—GENERATION; CONVERSION OR DISTRIBUTION OF ELECTRIC POWER
- H02P—CONTROL OR REGULATION OF ELECTRIC MOTORS, ELECTRIC GENERATORS OR DYNAMO-ELECTRIC CONVERTERS; CONTROLLING TRANSFORMERS, REACTORS OR CHOKE COILS
- H02P29/00—Arrangements for regulating or controlling electric motors, appropriate for both AC and DC motors
-
- H—ELECTRICITY
- H02—GENERATION; CONVERSION OR DISTRIBUTION OF ELECTRIC POWER
- H02P—CONTROL OR REGULATION OF ELECTRIC MOTORS, ELECTRIC GENERATORS OR DYNAMO-ELECTRIC CONVERTERS; CONTROLLING TRANSFORMERS, REACTORS OR CHOKE COILS
- H02P25/00—Arrangements or methods for the control of AC motors characterised by the kind of AC motor or by structural details
- H02P25/16—Arrangements or methods for the control of AC motors characterised by the kind of AC motor or by structural details characterised by the circuit arrangement or by the kind of wiring
- H02P25/24—Variable impedance in stator or rotor circuit
Landscapes
- Engineering & Computer Science (AREA)
- Power Engineering (AREA)
- Control Of Ac Motors In General (AREA)
- Control Of Positive-Displacement Air Blowers (AREA)
Abstract
The invention discloses a fan capacitor speed regulation method and a device thereof, which are characterized in that a speed regulation capacitor is serially connected into a power supply circuit by a binary digital coding method, so that repeated recombination and multiplexing of the speed regulation capacitor are realized, a rotary shaft coding multi-gear switch for implementing the method is implemented, multi-gear fine regulation from the highest wind speed to the micro-wind level is realized by using only a few capacitors, the technical performance of a fan is effectively improved, the use range of the fan is expanded, the fan capacitor speed regulation method is suitable for different individuals of any season and crowd, and the fan capacitor speed regulation method can be used for designing, constructing and manufacturing a novel fan; the speed regulator can be independently manufactured into an external speed regulator suitable for the existing fan; the device can be also suitable for adjustment of other electro-optical, electro-thermal and electric appliances.
Description
Technical Field
The invention belongs to a fan motor capacitor speed regulation method and a device thereof, in particular to an access method of a speed regulation capacitor and a device thereof.
Background
Various technical methods for regulating the rotating speed of the fan motor are developed up to now, and preferably, a method for tapping a winding coil of the motor is generally adopted. The rotating speed of several taps is limited to three to four common gears, but the air temperature is gradually changed, and obviously, the two rotating speeds are difficult to be matched. Therefore, when the portable electric fan is used, the distance and the wind direction angle between the person and the fan must be properly adjusted, and the person is required to move the fan; namely, one person uses the electric fan and shakes the head to shift the electric fan at a high shift speed or a low shift speed; especially, the fan is not turned on for heat suspicion when the season changes; the embarrassment that the lower gear is opened and the lower gear is also cold. This is also the reason why a cold can be caused by careless use of an electric fan; in particular to the old, the infant and the weak, so the hand fan is still a necessary thing for home. In a word, the existing fan only has three or four-gear rotation speed to be selected, and can not adapt to the requirement of temperature change, namely, the so-called luxury fan using a remote control function does not solve the problem of fine adjustment of the rotation speed, and can not be suitable for the whole population, so that the fan becomes an electric appliance product with high human-computer affinity.
The bidirectional thyristor stepless speed change method has poor operation quality and larger noise when the speed is reduced; a motor winding tap is added, so that the difficulty is increased in manufacturing and future maintenance and repair, and the increase quantity is limited; the conventional capacitance speed regulation scheme has extremely low power consumption and good operation quality, and the method is to connect a capacitor to set a first-level gear speed, so that the number of the gears is difficult to expand. But there can be a breakthrough as long as the access method is improved.
Disclosure of Invention
The invention aims to provide a binary coding access method and a binary coding access device for a speed-regulating capacitor of a fan motor, which can realize the subdivided speed-regulating function of tens of gears or even more than one hundred gears by only a few capacitors and switches. The method is characterized in that an initial lowest-speed capacitor is connected in series in a power supply circuit of a fan motor; then, the speed regulating capacitors correspondingly combined are connected in parallel at two ends of the initial capacitor by gears by applying a binary number coding rule, so that the repeated recombination and multiplexing of the speed regulating capacitors are achieved, and the purpose of achieving the multi-gear speed regulating function and achieving the effect of approximate stepless speed regulation by only using a small number of capacitors is achieved.
Drawings
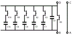
Fig. 1 is an electrical schematic. The device numbers are not numbered according to a decimal sequence commonly used by an electrical schematic diagram, but are numbered according to the binary digit weight, and the corresponding relation between the gear serial numbers and the total capacity of the capacitor access can be visually seen, so that the device numbers are convenient to know. The selection of several speed-regulating capacitors is determined according to the regulation requirement, and five are selected in the example. C0 initial capacitance, the capacity is determined by the lowest speed; k0 is a direct power/speed change-over switch; the speed regulation capacitor C1 is the first bit of the binary code, and the capacity of the weight 1 is the increment of the capacity of the capacitor of one gear (namely, the gear width is determined by the increment of the rotating speed between adjacent gears); the speed regulation capacitor C2 is the second bit of the binary code, and the capacity of the weight 2 takes 2 steps; the speed regulation capacitor C4 is the third bit of the binary system, and the 4-bit weight capacity takes 4 steps; the speed regulation capacitor C8 is the fourth bit of the binary system, and the capacity of the bit weight 8 takes 8 steps; the speed-regulating capacitor C16 is the fifth bit of a binary code, 16-valued position weights (and so on if the number of bits is increased or decreased) are provided with switches K1, K2, K4, K8 and K16 to control the connection or disconnection of corresponding capacitors respectively, and the power supply input end of A, B is provided; C. d, fan incoming end.
Fig. 3 is a coding program, i.e., a coding function program table. The switch is off to 0 and on to 1. The following is described with reference to the electrical schematic of FIG. 1: a state K0 shown in fig. 1 is that 0 initial low-speed capacitor C0 is connected in series to a fan power supply circuit, speed-adjusting setting switches K1, K2, K4, K8, and K16 are all 0, speed-adjusting capacitors C1, C2, C4, C8, and C16 are all off, a fan motor operates at an initial lowest speed, universal single-control switches K1, K2, K4, K8, and K16 are set according to a binary coding rule, so that 32-gear access capacitance setting from 0 to 31 is realized, five speed-adjusting capacitors are repeatedly recombined and multiplexed, and 32-gear speed adjustment is realized; when K0 is 1, B is communicated with D, the speed regulation loop circuit is in short circuit, and the fan motor directly runs at full speed by the power supply; the gear can be doubled by adding one more speed regulation capacitor, the number of the speed regulation capacitors is increased according to application requirements, the position increase is only limited by installation space, and the method can meet the subdivision requirements of any multi-stage speed regulation gear. The five-bit binary coding capacitor can be connected and installed according to the installation space of the existing household fan, and the 32-gear speed regulation can meet the practical application.
Fig. 2 is a diagram of a printed board with fixed contacts for a rotary shaft coding setting switch.
The adjustment and the setting of the multi-position single-control switch are inconvenient to use, the binary rotary shaft coding setting switch is correspondingly designed, all setting functions of K0, K1, K2, K4, K8 and K16 can be realized by one-time rotating operation, and fig. 2 is a fixed-point printed board diagram, which is added with sector delimitation and fixed-point corresponding capacitance labels for convenience of explanation and understanding. It is designed according to fig. 1 and 3: dividing 360 degrees of the circle into sectors equal to the number of gears, wherein the five speed-regulating capacitors are 0-31 sectors; the 0 sector is used for realizing the K0 direct power supply/speed regulation conversion function, if the 0 sector is not occupied, a sector can be additionally arranged for realizing the K0 direct power supply/speed regulation function, but the total number of the sectors is odd, the radial clamping design adopted by a rotary shaft multi-gear switch is not applicable, and the decimal rule from the beginning is also complied with; the fixed connection points of the switches in the 1_31 sector are distributed on the circumferences of concentric circles with different radiuses and sequentially belong to K1, K2, K4, K8 and K16 from outside to inside; the connection points on the same circumference are connected in parallel on the other side of the printed board and then connected to one end of each speed regulating capacitor, the circle which is the innermost and is close to the circle center is the point D in the figure 1, the sector 0 is designed to realize the function of K0, so the other connection point in the sector 0 is the point B in the figure 1, and the C0 is bridged at the two ends of B, D; comparing with fig. 1, point B is a merging point of one ends of all capacitors, and the other end of each capacitor is connected to the fixed connection points of K1, K2, K4, K8 and K16 on each sector according to the rule of the encoding function program table; the dotted line on the central radius of the sector 0 is a row brush-shaped movable contact fixed on the rotary shaft, is positioned above the printed board and is concentric, parallel and equal in length with the long radius of the concentric circle on the printed board. The row brushing contacts rotate along with the rotating shaft and can be clamped on the central radius of each sector, when the rotating shaft stops at the sector 0, K0 is 1, namely, the connection is realized, the point B and the point D in the figure 1 are connected, a power supply is directly connected with a motor, a fan runs at full speed, and when the rotating shaft rotates and the row brushing contacts leave the sector 0, the point B and the point D are disconnected from a speed regulating circuit; the point D is connected with the fixed connection points distributed on the sector through the row brushing connection points K1, K2, K4, K8 and K16, so that C1, C2, C4, C8 and C16 are connected with C0 in parallel through repeated recombination, and the coding setting speed regulation function shown in the coding function program table of the figures 1 and 3 is realized. The convenient and simple adjusting function of only using one switch is realized. For the user, only the corresponding relation between the rotating direction of the rotary shaft switch and the wind speed is needed to be understood, and the user does not need to know specific gears, so that the inertia of the multi-gear details and the fan is similar to stepless speed regulation except that the user has gear feeling, and the wind speed changes.
Detailed description of the preferred embodiments. The invention can be realized by utilizing the general single-control switch to carry out binary coding access on the capacitor to form the regulating device, and the general components have low manufacturing cost and convenient capacity expansion, and the only limitation is the mountable space of the fan and whether the use is convenient or not. Generally, the adjustment requirement can be met by using five-bit codes to achieve 32-gear speed adjustment. If the speed regulation device is used with the currently adopted three-gear speed regulation of a coil tap, the speed regulation of 96 gears can be realized. The speed regulation from the highest speed to the breeze magnitude of tens of revolutions can be realized, the device is suitable for all individuals from healthy and strong Chinese to infants, young, old, weak, sick and disabled, the use habit of people to fans is changed, enough distance is not required between the fans, the device is more suitable for being placed beside a desk or chair at a seat nearby, comfortable gears can be adjusted by stretching hands, and personalized use is realized. It is also suitable for the air flow of the refrigerating and heating closed room of which the fresh air system is not popularized yet, so that the fan is suitable for all seasons.
However, the five-position switch has no avoidable limitation because of complicated setting and adjustment.
Therefore, designing and manufacturing the rotary shaft coding switch to simplify the operation is the best scheme for implementing the invention. Considering that the installation space and the manufacturing process are appropriate in 32 gears of a five-position rotating shaft code, due to the development of processing technology and materials, the volume of the current CBB capacitor is greatly reduced, and the CBB capacitor and a rotating shaft code switch can be integrated into a whole and are convenient to install and use.
According to the encoding principle, the value of the capacitor C1 determines the capacitance changed between adjacent gear speeds, and the finer the gear speed adjustment, the smaller the value of C1 is; the total capacity of the same-digit access is low, the rotating speed can only be reduced from the minimum rotating speed regulation amplitude determined by C0, and the high speed is limited, so the gear speed increment is selected according to a target parameter, namely the rotating speed. So as to give consideration to the capacitance increment between the selected gears in the whole process; the step increment can also be increased from low position to high position bit by bit.
If the requirement of more precise adjustment is met, the two-rotating-shaft coding switch is used in parallel; one of the gear increments is coarse adjustment; and another small gear increment is taken as fine adjustment, and coarse adjustment is carried out after the corresponding rotating speed section is adjusted by seasons or crowds. The combination will approach infinitely the stepless speed change effect and has wide application range. For example, two four-position rotary shaft coding switches are connected in parallel 16 (15) X16 (15) =256 (225) gear; two five-position rotary shaft coding switches are connected in parallel 32 (31) X32 (31) =1024 (961) gears. And therefore may find application in other more demanding technical areas.
The speed regulating method and the device thereof not only can produce and manufacture the fan motor without winding taps, but also can conveniently develop various functions.
The speed regulator can be made into an external speed regulator similar to a power socket board. It can be used for the function expansion of the existing fan and the motor speed regulation product, and also for the regulation of other electric, electrooptical and electrothermal appliances.
Claims (3)
1. A capacitor speed regulation method mainly used for a fan is characterized in that a starting lowest speed capacitor (C0) is connected in series in a power supply circuit of a fan motor, then a binary number coding method is used for setting a speed regulation capacitor (C1) (K2) (K4) (K8) (K16) …, and the speed regulation capacitor (C1) (C2) (C4) (C8) (C16) … is connected in parallel with C0) according to the rule of binary number coding, so that multiple recombination multiplexing of the speed regulation capacitor is realized to achieve multi-gear fine speed regulation.
2. The digital coding switch of the rotating shaft designed and made by the digital coding access method of the speed-regulating capacitor of claim 1, its characteristic is that the fixed contact of the digital coding switch of the rotation is designed as the concentric circle on the printed board, and divide equally into the sector corresponding to number of speed-regulating capacitors taken, choose four speed-regulating capacitors to be 0-15 sectors; selecting five speed-regulating capacitors as 0-31 sectors; if the position is increased, the function (K0) is realized by occupying 0 sector (or adding another sector), the concentric circle of the sector close to the center of the circle is point (B), the peripheral joint is point (D), and the two points are connected with the initial lowest-speed capacitor (C0); one end of a speed-regulating capacitor (C1) (C2) (C4) (C8) (C16) … is connected in parallel to a point (B), and the other end of the speed-regulating capacitor is respectively connected to fixed contacts (K1) (K2) (K4) (K8) (K16) … of concentric circles with unequal radiuses on the printing plate, wherein the fixed contacts are regularly distributed in each sector according to binary numbers; the movable contact points are in a row brush shape and are normally connected to a rotating shaft clamp (D) which is positioned on the central radius of each sector to connect all fixed contact points of the sector to realize the functions of direct power supply and speed regulation.
3. A speed, temperature and light control device as achieved by claim 1 or claim 2.
Priority Applications (1)
| Application Number | Priority Date | Filing Date | Title |
|---|---|---|---|
| CN202010171832.5A CN111277199A (en) | 2020-03-12 | 2020-03-12 | Capacitance digital coding speed regulation method and device for fan motor |
Applications Claiming Priority (1)
| Application Number | Priority Date | Filing Date | Title |
|---|---|---|---|
| CN202010171832.5A CN111277199A (en) | 2020-03-12 | 2020-03-12 | Capacitance digital coding speed regulation method and device for fan motor |
Publications (1)
| Publication Number | Publication Date |
|---|---|
| CN111277199A true CN111277199A (en) | 2020-06-12 |
Family
ID=71002447
Family Applications (1)
| Application Number | Title | Priority Date | Filing Date |
|---|---|---|---|
| CN202010171832.5A Pending CN111277199A (en) | 2020-03-12 | 2020-03-12 | Capacitance digital coding speed regulation method and device for fan motor |
Country Status (1)
| Country | Link |
|---|---|
| CN (1) | CN111277199A (en) |
Citations (6)
| Publication number | Priority date | Publication date | Assignee | Title |
|---|---|---|---|---|
| CN2057476U (en) * | 1989-06-19 | 1990-05-23 | 李立人 | Micropower consumption speed regulator for electric fan |
| CN2123641U (en) * | 1990-09-23 | 1992-12-02 | 张永宾 | Remote control governor for hanging electric fan of electric capacity governing |
| CN2141620Y (en) * | 1992-10-31 | 1993-09-01 | 张永宾 | Built-in speed regulator for ceiling fan |
| CN2277004Y (en) * | 1996-11-05 | 1998-03-25 | 俞阿万 | Speed governer of ceiling fan |
| CN205349817U (en) * | 2016-01-24 | 2016-06-29 | 佛山市索悦电器有限公司 | Novel wind -powered electricity generation way is transferred to fan |
| CN207530740U (en) * | 2017-03-28 | 2018-06-22 | 广东美的环境电器制造有限公司 | AC motor speed regulating circuit in fan, fan and air conditioner |
-
2020
- 2020-03-12 CN CN202010171832.5A patent/CN111277199A/en active Pending
Patent Citations (6)
| Publication number | Priority date | Publication date | Assignee | Title |
|---|---|---|---|---|
| CN2057476U (en) * | 1989-06-19 | 1990-05-23 | 李立人 | Micropower consumption speed regulator for electric fan |
| CN2123641U (en) * | 1990-09-23 | 1992-12-02 | 张永宾 | Remote control governor for hanging electric fan of electric capacity governing |
| CN2141620Y (en) * | 1992-10-31 | 1993-09-01 | 张永宾 | Built-in speed regulator for ceiling fan |
| CN2277004Y (en) * | 1996-11-05 | 1998-03-25 | 俞阿万 | Speed governer of ceiling fan |
| CN205349817U (en) * | 2016-01-24 | 2016-06-29 | 佛山市索悦电器有限公司 | Novel wind -powered electricity generation way is transferred to fan |
| CN207530740U (en) * | 2017-03-28 | 2018-06-22 | 广东美的环境电器制造有限公司 | AC motor speed regulating circuit in fan, fan and air conditioner |
Similar Documents
| Publication | Publication Date | Title |
|---|---|---|
| US5189412A (en) | Remote control for a ceiling fan | |
| CN207777683U (en) | Clamping and stopping mechanism and plug valve for gas stove | |
| CN202363338U (en) | Rotary type multi-gear switch | |
| CN106558441B (en) | A kind of knob switch with touch function | |
| CN111277199A (en) | Capacitance digital coding speed regulation method and device for fan motor | |
| CN207584084U (en) | A kind of tap with function of temperature control | |
| US3962620A (en) | Switching apparatus | |
| WO2020216698A1 (en) | Controller for a lighting system | |
| CN109445329A (en) | A kind of refrigerator functions selection system and method | |
| CN212585248U (en) | Throttling device and air conditioning system with same | |
| CN112393129A (en) | Multi-gear color temperature adjusting lamp and implementation method thereof | |
| CN206401222U (en) | A knob switch with touch function | |
| CA2539311A1 (en) | Dual voltage infinite temperature control for an electric cooking appliance | |
| CN208028214U (en) | Antenna Phase Shifter Gear | |
| CN217422368U (en) | Gear adjusting controller, gas plug valve and gas stove | |
| CN211600855U (en) | Adjustable air outlet device and electric heater | |
| CN109520156B (en) | Heat accumulation type solar water heater mounting seat convenient to adjust | |
| CN212615491U (en) | Convenient angle regulation's hang neck fan | |
| CN214332845U (en) | Heat radiation warmer | |
| CN2500227Y (en) | Multifunctional regulation safety valve of pressure cooker | |
| CN2071270U (en) | Electronic speed adjuster of electric fan | |
| CN201314634Y (en) | Bathroom heater infrared heating bubble stepless temperature regulating switch | |
| CN201904237U (en) | Logic change-over switch | |
| CN216843339U (en) | Section type electric control intelligent valve and intelligent gas stove thereof | |
| CN215175404U (en) | Heating fan |
Legal Events
| Date | Code | Title | Description |
|---|---|---|---|
| PB01 | Publication | ||
| PB01 | Publication | ||
| SE01 | Entry into force of request for substantive examination | ||
| SE01 | Entry into force of request for substantive examination |