CN111233189A - 全效净化大通量净水器 - Google Patents

全效净化大通量净水器 Download PDF

Info

Publication number
CN111233189A
CN111233189A CN202010248060.0A CN202010248060A CN111233189A CN 111233189 A CN111233189 A CN 111233189A CN 202010248060 A CN202010248060 A CN 202010248060A CN 111233189 A CN111233189 A CN 111233189A
Authority
CN
China
Prior art keywords
water
filter element
membrane filter
water outlet
outlet
Prior art date
Legal status (The legal status is an assumption and is not a legal conclusion. Google has not performed a legal analysis and makes no representation as to the accuracy of the status listed.)
Pending
Application number
CN202010248060.0A
Other languages
English (en)
Inventor
贺小勤
Current Assignee (The listed assignees may be inaccurate. Google has not performed a legal analysis and makes no representation or warranty as to the accuracy of the list.)
Individual
Original Assignee
Individual
Priority date (The priority date is an assumption and is not a legal conclusion. Google has not performed a legal analysis and makes no representation as to the accuracy of the date listed.)
Filing date
Publication date
Application filed by Individual filed Critical Individual
Priority to CN202010248060.0A priority Critical patent/CN111233189A/zh
Publication of CN111233189A publication Critical patent/CN111233189A/zh
Pending legal-status Critical Current

Links

Images

Classifications

    • CCHEMISTRY; METALLURGY
    • C02TREATMENT OF WATER, WASTE WATER, SEWAGE, OR SLUDGE
    • C02FTREATMENT OF WATER, WASTE WATER, SEWAGE, OR SLUDGE
    • C02F1/00Treatment of water, waste water, or sewage
    • C02F1/001Processes for the treatment of water whereby the filtration technique is of importance
    • CCHEMISTRY; METALLURGY
    • C02TREATMENT OF WATER, WASTE WATER, SEWAGE, OR SLUDGE
    • C02FTREATMENT OF WATER, WASTE WATER, SEWAGE, OR SLUDGE
    • C02F1/00Treatment of water, waste water, or sewage
    • C02F1/44Treatment of water, waste water, or sewage by dialysis, osmosis or reverse osmosis
    • C02F1/441Treatment of water, waste water, or sewage by dialysis, osmosis or reverse osmosis by reverse osmosis
    • CCHEMISTRY; METALLURGY
    • C02TREATMENT OF WATER, WASTE WATER, SEWAGE, OR SLUDGE
    • C02FTREATMENT OF WATER, WASTE WATER, SEWAGE, OR SLUDGE
    • C02F2301/00General aspects of water treatment
    • C02F2301/04Flow arrangements
    • C02F2301/043Treatment of partial or bypass streams
    • CCHEMISTRY; METALLURGY
    • C02TREATMENT OF WATER, WASTE WATER, SEWAGE, OR SLUDGE
    • C02FTREATMENT OF WATER, WASTE WATER, SEWAGE, OR SLUDGE
    • C02F2301/00General aspects of water treatment
    • C02F2301/06Pressure conditions
    • C02F2301/066Overpressure, high pressure
    • CCHEMISTRY; METALLURGY
    • C02TREATMENT OF WATER, WASTE WATER, SEWAGE, OR SLUDGE
    • C02FTREATMENT OF WATER, WASTE WATER, SEWAGE, OR SLUDGE
    • C02F2301/00General aspects of water treatment
    • C02F2301/08Multistage treatments, e.g. repetition of the same process step under different conditions

Landscapes

  • Life Sciences & Earth Sciences (AREA)
  • Hydrology & Water Resources (AREA)
  • Engineering & Computer Science (AREA)
  • Environmental & Geological Engineering (AREA)
  • Water Supply & Treatment (AREA)
  • Chemical & Material Sciences (AREA)
  • Organic Chemistry (AREA)
  • Separation Using Semi-Permeable Membranes (AREA)
  • Water Treatment By Sorption (AREA)

Abstract

本发明公开了全效净化大通量净水器,它包括依次相连的自来水进水口、PP棉滤芯、进水电磁阀、增压泵和活性炭过滤器,活性炭过滤器与RO膜滤芯相连,RO膜滤芯分别与废水出口、纯水出口相连,RO膜滤芯与废水出口之间设置有废水电磁阀,RO膜滤芯与纯水出口之间依次设置有第一单向阀、压力开关和后置碳过滤器,在RO膜滤芯与第一单向阀之间通过第二单向阀连接压力储水罐,压力储水罐通过第三单向阀连接在活性炭过滤器与RO膜滤芯之间。本发明可防止了宿水的产生,在压力储水罐和RO膜滤芯进水口之间设置延时电磁阀,又可节约水资源。

Description

全效净化大通量净水器
技术领域
本发明涉及饮用水净水设备,特别涉及一种全效净化大通量和无罐净水器,也适用普通带罐净水器。
技术背景
随着人类生活水平的提高和环境的不断污染,为了解决健康饮水问题,人类开始使用净水器净化水质,其中反渗透净水器由于净化效果好、使用方便而受到广大消费者的欢迎,但是传统净水器由于制水慢,需采用储水罐将净化水储存而导致饮用水不新鲜,并且可能产生二次污染,针对上述情况,现在大部分厂家都开始推广大通量即滤即饮(无储水罐)净水器,大通量(400G式以上)净水器现制现饮,这看起来是一个很完美的技术改进和创新之路,但是反渗透膜在净水器停止运转后膜壳内的废水和纯水会相互渗透,时间越长,膜内的纯水TDS值越高,这个水我们称它为“宿水”,由于大通量渗透膜面积较大,所以宿水数量不小,消费者的每一次用水,都会遇到宿水问题,所以使用体验很差。
发明内容
针对现有技术中大通量无罐净水器存在的宿水较多,净化效果不理想的问题,本发明提供了一种净水效果好、水质新鲜的全效净化大通量净水器。
为了解决现有技术中存在宿水的问题,本发明的第一种技术方案为:所述全效净化大通量净水器,包括依次相连的自来水进水口、PP棉滤芯、进水电磁阀、增压泵和活性炭过滤器,所述活性炭过滤器与RO膜滤芯的进水口相连,RO膜滤芯的出水口分别与废水出口、纯水出口相连,RO膜滤芯的出水口与废水出口之间设置有废水电磁阀,RO膜滤芯的出水口与纯水出口之间依次设置有第一单向阀、压力开关和后置碳过滤器,在RO膜滤芯的出水口与第一单向阀之间通过第二单向阀连接压力储水罐的进水口,压力储水罐的出水口通过第三单向阀连接在活性炭过滤器与RO膜滤芯的进水口之间。
为了解决现有技术中存在宿水,但是有时用水频繁,RO膜内的废水和纯水相互渗透没那么快,这样就造成了浪费水的问题,本发明的第二种技术方案:全效净化大通量净水器,包括依次相连的自来水进水口、PP棉滤芯、进水电磁阀、增压泵和活性炭过滤器,所述活性炭过滤器与RO膜滤芯的进水口相连,RO膜滤芯的出水口分别与废水出口、纯水出口相连,RO膜滤芯的出水口与废水出口之间设置有废水电磁阀,RO膜滤芯的出水口与纯水出口之间依次设置有第一单向阀、压力开关和后置碳过滤器,在RO膜滤芯的出水口与第一单向阀之间通过第二单向阀连接压力储水罐的进水口,压力储水罐的出水口通过延时电磁阀连接在活性炭过滤器与RO膜滤芯的进水口之间。
为了解决现有技术中存在宿水的问题,简化连接关系,节省成本,本发明的第三种技术方案为:全效净化大通量净水器,包括依次相连的自来水进水口、PP棉滤芯、进水电磁阀、增压泵和活性炭过滤器,所述活性炭过滤器与RO膜滤芯的进水口相连,RO膜滤芯的出水口分别与废水出口、纯水出口相连,RO膜滤芯的出水口与废水出口之间设置有废水电磁阀,RO膜滤芯的出水口与纯水出口之间依次设置有第一单向阀、压力开关和后置碳过滤器,在RO膜滤芯的出水口与第一单向阀之间连接压力储水罐的进水口。
进一步地,为了节约水资源,在第三技术方案的基础上,本发明提供了第四种技术方案,即在RO膜滤芯的出水口与第一单向阀之间通过延时电磁阀连接压力储水罐的进水口。
本发明的技术效果:相比现有技术,1、在RO膜滤芯出水口通过设置压力开关和压力储水罐进行循环,将废水排出,使得RO膜滤芯前后的均为纯水,防止了宿水的产生;2、在压力储水罐和RO膜滤芯进水口之间设置延时电磁阀,节约了水资源。
附图说明
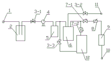
图1为本发明第一种方案的各部分连接关系图,
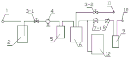
图2为本发明第二种方案的各部分连接关系图,
图3为本发明第三种方案的各部分连接关系图,
图4为本发明第四种方案的各部分连接关系图。
在图中,1、自来水进水口 2、PP棉滤芯 3-1、进水电磁阀 3-2、废水电磁阀 3-3、延时电磁阀 4、增压泵 5、活性炭过滤器 6、RO膜滤芯 7-1、第一单向阀 7-2、第二单向阀 7-3、第三单向阀 8、压力开关 9、后置碳过滤器 10、纯水出口 11、废水出口12、压力储水罐。
具体实施方式
为了使本领域技术人员更好地理解本发明的技术方案,下面根据具体实施例来进一步详细描述本发明,下文中各部分均通过管道连接,图中单向阀箭头表示水的流动方向。
如图1所示,本发明的第一个技术方案:所述全效净化大通量净水器,包括依次相连的自来水进水口1、PP棉滤芯2、进水电磁阀3-1、增压泵4和活性炭过滤器5,所述活性炭过滤器与RO膜滤芯6的进水口相连(RO膜滤芯可改为NF膜滤芯),RO膜滤芯的出水口分别与废水出口11、纯水出口10相连,RO膜滤芯的出水口与废水出口之间设置有废水电磁阀3-2,RO膜滤芯的出水口与纯水出口之间依次设置有第一单向阀7-1、压力开关8和后置碳过滤器9,在RO膜滤芯的出水口与第一单向阀之间通过第二单向阀7-2连接压力储水罐12的进水口,压力储水罐的出水口通过第三单向阀7-3连接在活性炭过滤器与RO膜滤芯的进水口之间。
工作原理:机器接通电源后开始工作,自来水进口1的水通过管路经过PP棉滤芯2的前置过滤后,再经过进水电磁阀3-1、增压泵4后经活性炭过滤器5过滤,然后通过RO膜滤芯6后产生的纯水通过第一单向阀7-1到后置碳过滤器9,最后从纯水出口10流出,关闭纯水出口后纯水会经过第二单向阀7-2进入压力储水罐12(也可用滤瓶代替,储水量根据实际情况选配约200-500ml,滤瓶出水端必需向下,防止空气跑出),当压力储水罐中水满后压力开关8断开电源,机器停止工作,停机后由于压力储水罐内的压力比RO膜滤芯内大,所以罐内的纯水会通过第三单向阀7-3进入RO膜滤芯,将RO膜滤芯内的废水通过废水电磁阀从废水出口11排出,由于RO膜滤芯前后都是纯水,所以就防止了宿水的产生。
如图2所示,本发明第二个技术方案:与第一个技术方案不同之处在于:压力储水罐的出水口通过延时电磁阀3-3连接在活性炭过滤器与RO膜滤芯的进水口之间。 技术方案二除上述内容与技术方案一不同外,其它内容与技术技方案一相同。
工作原理:由于第一个技术方案每次工作都会有纯水进入RO膜滤芯6内,但是有时用水频繁,一分钟内可能工作好几次,但是膜内的废水和纯水相互渗透没那么快,这样就造成了浪费水的问题,针对这个问题,我们把第三单向阀7-3改成延时电磁阀3-3,通过控制延时电磁阀的工作时间,我们可根据实际情况在停机后延长5-10分钟后打开延时电磁阀,这样既达到了防止宿水的产生,又可以节约水资源。
如图3所示,本发明的第三个技术方案:全效净化大通量净水器,包括依次相连的自来水进水口1、PP棉滤芯2、进水电磁阀3-1、增压泵4,和活性炭过滤器5,所述活性炭过滤器与RO膜滤芯6的进水口相连,RO膜滤芯的出水口分别与废水出口11、纯水出口10相连,RO膜滤芯的出水口与废水出口之间设置有废水电磁阀3-2,RO膜滤芯的出水口与纯水出口之间依次设置有第一单向阀7-1,压力开关8,后置碳过滤器9,在RO膜滤芯的出水口与第一单向阀之间连接压力储水罐12的进水口。
工作原理:机器工作时,自来水经过RO膜滤芯产生纯水,当纯水开关关闭后,压力升高进入到压力储水罐内,水满后压力开关断开,机器停止工作,RO膜滤芯前面的自来水通过废水电磁阀慢慢排出,压力储水罐内水压大于RO膜滤芯前自来水一端,所以压力储水罐内的纯水会慢慢渗透RO膜滤芯至自来水一端,从而达到排出膜内自来水的目的,RO膜滤芯前后两侧都是纯水,所以防止了宿水的产生。
如图4所示,本发明的第四个技术方案是在第三个技术方案的基础上改进,在RO膜滤芯的出水口与第一单向阀之间增加延时电磁阀3-3连接压力储水罐12的进水口,延时电磁阀在机器制水时打开,水进入储水罐,停机后延时电磁阀在一定时间后打开(比如说5-10分钟),达到节约水的目的。
本发明所述的PP棉滤芯、活性炭过滤器、RO膜滤芯和后置碳过滤器均为现有技术,并可从市场上购买。
以上实施方式仅用以说明本发明的技术方案而非限制,尽管参照具体实施例对本发明进行了详细说明,本领域的普通技术人员应当理解,可以对本发明的技术方案进行修改或者等同替换,而不脱离本发明技术方案的精神和范围,其均应涵盖在本发明的权利要求保护的范围中。

Claims (4)

1.全效净化大通量净水器,其特征在于:它包括依次相连的自来水进水口(1)、PP棉滤芯(2)、进水电磁阀(3-1)、增压泵(4)和活性炭过滤器(5),所述活性炭过滤器与RO膜滤芯(6)的进水口相连,RO膜滤芯的出水口分别与废水出口(11)、纯水出口(10)相连,RO膜滤芯的出水口与废水出口之间设置有废水电磁阀(3-2),RO膜滤芯的出水口与纯水出口之间依次设置有第一单向阀(7-1)、压力开关(8)和后置碳过滤器(9),在RO膜滤芯的出水口与第一单向阀之间通过第二单向阀(7-2)连接压力储水罐(12)的进水口,压力储水罐的出水口通过第三单向阀(7-3)连接在活性炭过滤器(5)与RO膜滤芯(6)的进水口之间。
2.全效净化大通量净水器,其特征在于:它包括依次相连的自来水进水口(1)、PP棉滤芯(2)、进水电磁阀(3-1)、增压泵(4)和活性炭过滤器(5),所述活性炭过滤器与RO膜滤芯(6)的进水口相连,RO膜滤芯的出水口分别与废水出口(11)、纯水出口(10)相连,RO膜滤芯的出水口与废水出口之间设置有废水电磁阀(3-2),RO膜滤芯的出水口与纯水出口之间依次设置有第一单向阀(7-1)、压力开关(8)和后置碳过滤器(9),在RO膜滤芯的出水口与第一单向阀之间通过第二单向阀(7-2)连接压力储水罐(12)的进水口,压力储水罐的出水口通过延时电磁阀(3-3)连接在活性炭过滤器(5)与RO膜滤芯(6)的进水口之间。
3.全效净化大通量净水器,其特征在于:它包括依次相连的自来水进水口(1)、PP棉滤芯(2)、进水电磁阀(3-1)、增压泵(4),活性炭过滤器(5),活性炭过滤器与RO膜滤芯(6)的进水口相连,RO膜滤芯的出水口分别与废水出口(11)、纯水出口(10)相连,RO膜滤芯的出水口与废水出口之间设置有废水电磁阀(3-2),RO膜滤芯的出水口与纯水出口之间依次设置有第一单向阀(7-1)、压力开关(8)和后置碳过滤器(9),在RO膜滤芯的出水口与第一单向阀之间连接压力储水罐(12)的进水口。
4.根据权利要求3所述的全效净化大通量净水器,其特征在于:在RO膜滤芯的出水口与第一单向阀之间通过延时电磁阀(3-3)连接压力储水罐(12)的进水口。
CN202010248060.0A 2020-04-01 2020-04-01 全效净化大通量净水器 Pending CN111233189A (zh)

Priority Applications (1)

Application Number Priority Date Filing Date Title
CN202010248060.0A CN111233189A (zh) 2020-04-01 2020-04-01 全效净化大通量净水器

Applications Claiming Priority (1)

Application Number Priority Date Filing Date Title
CN202010248060.0A CN111233189A (zh) 2020-04-01 2020-04-01 全效净化大通量净水器

Publications (1)

Publication Number Publication Date
CN111233189A true CN111233189A (zh) 2020-06-05

Family

ID=70872114

Family Applications (1)

Application Number Title Priority Date Filing Date
CN202010248060.0A Pending CN111233189A (zh) 2020-04-01 2020-04-01 全效净化大通量净水器

Country Status (1)

Country Link
CN (1) CN111233189A (zh)

Cited By (2)

* Cited by examiner, † Cited by third party
Publication number Priority date Publication date Assignee Title
CN112225335A (zh) * 2020-11-10 2021-01-15 贺小勤 全效净化大通量净水机
CN112811633A (zh) * 2021-01-07 2021-05-18 珠海格力电器股份有限公司 净水系统、净水系统的控制方法及净水机

Citations (8)

* Cited by examiner, † Cited by third party
Publication number Priority date Publication date Assignee Title
CN203728656U (zh) * 2014-01-03 2014-07-23 台州市光跃饮水设备有限公司 饮水机的防盐份渗透双控制装置
WO2015131422A1 (zh) * 2014-03-05 2015-09-11 深圳澳特弗科技有限公司 一种强脉冲微废水排放净水系统
CN108328775A (zh) * 2018-03-23 2018-07-27 黄伟雄 一种自动冲洗的微废水净水器
CN207957850U (zh) * 2018-01-11 2018-10-12 佛山市云米电器科技有限公司 一种防tds值升高的净水器
CN209193699U (zh) * 2018-09-17 2019-08-02 石家庄市陆升水处理设备有限公司 一种节水净水装置
CN110127885A (zh) * 2019-06-11 2019-08-16 贺小勤 双模双出水大水量净水机
CN210176602U (zh) * 2019-05-03 2020-03-24 广东水护盾健康科技有限公司 一种反渗透膜冲洗装置
CN211921086U (zh) * 2020-04-01 2020-11-13 贺小勤 全效净化大通量净水器

Patent Citations (8)

* Cited by examiner, † Cited by third party
Publication number Priority date Publication date Assignee Title
CN203728656U (zh) * 2014-01-03 2014-07-23 台州市光跃饮水设备有限公司 饮水机的防盐份渗透双控制装置
WO2015131422A1 (zh) * 2014-03-05 2015-09-11 深圳澳特弗科技有限公司 一种强脉冲微废水排放净水系统
CN207957850U (zh) * 2018-01-11 2018-10-12 佛山市云米电器科技有限公司 一种防tds值升高的净水器
CN108328775A (zh) * 2018-03-23 2018-07-27 黄伟雄 一种自动冲洗的微废水净水器
CN209193699U (zh) * 2018-09-17 2019-08-02 石家庄市陆升水处理设备有限公司 一种节水净水装置
CN210176602U (zh) * 2019-05-03 2020-03-24 广东水护盾健康科技有限公司 一种反渗透膜冲洗装置
CN110127885A (zh) * 2019-06-11 2019-08-16 贺小勤 双模双出水大水量净水机
CN211921086U (zh) * 2020-04-01 2020-11-13 贺小勤 全效净化大通量净水器

Cited By (2)

* Cited by examiner, † Cited by third party
Publication number Priority date Publication date Assignee Title
CN112225335A (zh) * 2020-11-10 2021-01-15 贺小勤 全效净化大通量净水机
CN112811633A (zh) * 2021-01-07 2021-05-18 珠海格力电器股份有限公司 净水系统、净水系统的控制方法及净水机

Similar Documents

Publication Publication Date Title
CN204310876U (zh) 一种反渗透系统及净水机
CN205382021U (zh) 家用净水机的节水循环系统及家用净水机
CN213050110U (zh) 净水系统及设备
CN206616075U (zh) 一种纯水回流型节水节能净水机
CN106040000A (zh) 具有降低纯水tds值功能的净水器
CN111003768A (zh) 一种edr净水系统及其废水管路冲洗方法
CN111807534A (zh) 一种双桶无废水净水器
CN111233189A (zh) 全效净化大通量净水器
CN106039822A (zh) 节水净水器及其后置复合滤芯
CN205294914U (zh) 一种具有直流回流装置的净水器
CN211141695U (zh) 一种水袋机微废水处理系统
CN107915361B (zh) 一种废水零排放的水吧系统
CN206940566U (zh) 过滤水系统
CN213738862U (zh) 全效净化大通量净水机
CN205500933U (zh) 一种节水型互冲洗分质供水净水机
CN204727644U (zh) 节水型反渗透净水器
CN205241388U (zh) 节能微浓水反渗透装置
CN109351193B (zh) 一种新型无泵ro装置
CN211921086U (zh) 全效净化大通量净水器
CN103253733A (zh) 节水纯水机
CN106673264A (zh) 微废水节能型ro反渗透净水机
CN112225335A (zh) 全效净化大通量净水机
CN205838718U (zh) 节水净水器及其后置复合滤芯
CN205500940U (zh) 可分质供水的净水器
CN206624703U (zh) 一种新型直饮机

Legal Events

Date Code Title Description
PB01 Publication
PB01 Publication
SE01 Entry into force of request for substantive examination
SE01 Entry into force of request for substantive examination
WD01 Invention patent application deemed withdrawn after publication
WD01 Invention patent application deemed withdrawn after publication

Application publication date: 20200605