CN111211445A - A shielded electrical connector with high reliability and resistance to vibration environment - Google Patents

A shielded electrical connector with high reliability and resistance to vibration environment Download PDF

Info

Publication number
CN111211445A
CN111211445A CN202010145619.7A CN202010145619A CN111211445A CN 111211445 A CN111211445 A CN 111211445A CN 202010145619 A CN202010145619 A CN 202010145619A CN 111211445 A CN111211445 A CN 111211445A
Authority
CN
China
Prior art keywords
insulator
plug
electrical connector
socket
sealing body
Prior art date
Legal status (The legal status is an assumption and is not a legal conclusion. Google has not performed a legal analysis and makes no representation as to the accuracy of the status listed.)
Granted
Application number
CN202010145619.7A
Other languages
Chinese (zh)
Other versions
CN111211445B (en
Inventor
刘蕾
冯晨宇
青春
于慧敏
Current Assignee (The listed assignees may be inaccurate. Google has not performed a legal analysis and makes no representation or warranty as to the accuracy of the list.)
AVIC Shenyang Xinghua Aero Electrical Appliance Co Ltd
Original Assignee
AVIC Shenyang Xinghua Aero Electrical Appliance Co Ltd
Priority date (The priority date is an assumption and is not a legal conclusion. Google has not performed a legal analysis and makes no representation as to the accuracy of the date listed.)
Filing date
Publication date
Application filed by AVIC Shenyang Xinghua Aero Electrical Appliance Co Ltd filed Critical AVIC Shenyang Xinghua Aero Electrical Appliance Co Ltd
Priority to CN202010145619.7A priority Critical patent/CN111211445B/en
Publication of CN111211445A publication Critical patent/CN111211445A/en
Application granted granted Critical
Publication of CN111211445B publication Critical patent/CN111211445B/en
Active legal-status Critical Current
Anticipated expiration legal-status Critical

Links

Images

Classifications

    • HELECTRICITY
    • H01ELECTRIC ELEMENTS
    • H01RELECTRICALLY-CONDUCTIVE CONNECTIONS; STRUCTURAL ASSOCIATIONS OF A PLURALITY OF MUTUALLY-INSULATED ELECTRICAL CONNECTING ELEMENTS; COUPLING DEVICES; CURRENT COLLECTORS
    • H01R13/00Details of coupling devices of the kinds covered by groups H01R12/70 or H01R24/00 - H01R33/00
    • H01R13/46Bases; Cases
    • H01R13/533Bases, cases made for use in extreme conditions, e.g. high temperature, radiation, vibration, corrosive environment, pressure
    • HELECTRICITY
    • H01ELECTRIC ELEMENTS
    • H01RELECTRICALLY-CONDUCTIVE CONNECTIONS; STRUCTURAL ASSOCIATIONS OF A PLURALITY OF MUTUALLY-INSULATED ELECTRICAL CONNECTING ELEMENTS; COUPLING DEVICES; CURRENT COLLECTORS
    • H01R13/00Details of coupling devices of the kinds covered by groups H01R12/70 or H01R24/00 - H01R33/00
    • H01R13/46Bases; Cases
    • H01R13/502Bases; Cases composed of different pieces
    • HELECTRICITY
    • H01ELECTRIC ELEMENTS
    • H01RELECTRICALLY-CONDUCTIVE CONNECTIONS; STRUCTURAL ASSOCIATIONS OF A PLURALITY OF MUTUALLY-INSULATED ELECTRICAL CONNECTING ELEMENTS; COUPLING DEVICES; CURRENT COLLECTORS
    • H01R13/00Details of coupling devices of the kinds covered by groups H01R12/70 or H01R24/00 - H01R33/00
    • H01R13/46Bases; Cases
    • H01R13/52Dustproof, splashproof, drip-proof, waterproof, or flameproof cases
    • H01R13/5219Sealing means between coupling parts, e.g. interfacial seal
    • HELECTRICITY
    • H01ELECTRIC ELEMENTS
    • H01RELECTRICALLY-CONDUCTIVE CONNECTIONS; STRUCTURAL ASSOCIATIONS OF A PLURALITY OF MUTUALLY-INSULATED ELECTRICAL CONNECTING ELEMENTS; COUPLING DEVICES; CURRENT COLLECTORS
    • H01R13/00Details of coupling devices of the kinds covered by groups H01R12/70 or H01R24/00 - H01R33/00
    • H01R13/62Means for facilitating engagement or disengagement of coupling parts or for holding them in engagement
    • H01R13/627Snap or like fastening
    • H01R13/6276Snap or like fastening comprising one or more balls engaging in a hole or a groove
    • HELECTRICITY
    • H01ELECTRIC ELEMENTS
    • H01RELECTRICALLY-CONDUCTIVE CONNECTIONS; STRUCTURAL ASSOCIATIONS OF A PLURALITY OF MUTUALLY-INSULATED ELECTRICAL CONNECTING ELEMENTS; COUPLING DEVICES; CURRENT COLLECTORS
    • H01R13/00Details of coupling devices of the kinds covered by groups H01R12/70 or H01R24/00 - H01R33/00
    • H01R13/648Protective earth or shield arrangements on coupling devices, e.g. anti-static shielding  

Landscapes

  • Connector Housings Or Holding Contact Members (AREA)

Abstract

本发明公开了一种高可靠耐振动环境的屏蔽型电连接器,解决了现有技术中的电连接器不能满足在高温振动的条件下同时具备良好的屏蔽性能的要求的问题。该电连接器包括相互对接的插头和插座,所述插头包括插头壳体、绝缘体组件、连接螺帽、插孔组件、摩擦垫圈、钢珠、锥形弹簧、开瓣压紧垫圈、定位键、固定卡爪、封线体;插座包括圆盘壳体、接触体、密封圈、界面封严体、玻璃绝缘体。本发明的电连接器耐高温振动同时具备良好屏蔽性能,满足发动机的恶劣使用环境,实现电信号的传输,而且减小了安装空间。

Figure 202010145619

The invention discloses a shielded electrical connector with high reliability and resistance to vibration environment, which solves the problem that the electrical connector in the prior art cannot meet the requirement of good shielding performance under the condition of high temperature vibration. The electrical connector includes a plug and a socket that are butted against each other, and the plug includes a plug housing, an insulator assembly, a connecting nut, a socket assembly, a friction washer, a steel ball, a conical spring, an open-flap compression washer, a positioning key, a fixed Claws, sealing body; the socket includes a disc shell, a contact body, a sealing ring, an interface sealing body, and a glass insulator. The electrical connector of the present invention is resistant to high temperature vibration and has good shielding performance, satisfies the harsh operating environment of the engine, realizes the transmission of electrical signals, and reduces the installation space.

Figure 202010145619

Description

High-reliability vibration-resistant environment shielding type electric connector
Technical Field
The invention belongs to the technical field of electric connectors, and particularly relates to a shielding type electric connector with high reliability and vibration resistance.
Background
The conventional electric connector can realize the function of transmitting signals under the normal temperature vibration condition, and the electric connector which has stable performance under the high temperature vibration condition in a limited installation space and has good shielding performance is required to realize the specific function of equipment.
Disclosure of Invention
In order to solve the above problems, the present invention provides a shielded electrical connector having high reliability and withstanding a vibration environment. The electric connector is a circular electric connector which is resistant to high-temperature vibration and has good shielding performance, the severe service environment of an engine is met, and the transmission of electric signals is realized.
In order to achieve the purpose, the invention adopts the following technical scheme: a high-reliability vibration-environment-resistant shielding type electric connector is characterized by comprising a plug and a socket which are mutually butted, wherein the plug comprises a plug shell, an insulator component, a connecting nut, a jack component, a friction washer, a steel ball, a conical spring, a split pressing washer, a positioning key, a fixed clamping jaw and a wire sealing body, the jack component is axially fixed inside the insulator component through the clamping jaw, the insulator component and the plug shell are in small clearance fit, the insulator component is arranged inside the plug shell in a matched mode through the positioning key and a positioning key groove of the plug shell to prevent the insulator component from radially rotating, the insulator component is axially fixed inside the plug shell through the fixed clamping jaw, the wire sealing body is fixedly arranged at the tail end of the insulator component in an adhesion mode, the connecting nut is arranged on the periphery of the plug shell through the split pressing washer, and the periphery of the plug shell is provided with a plurality of accommodating grooves for accommodating steel balls, a conical spring is arranged in each accommodating groove, the steel balls are arranged above the conical spring, the inner circumferential surface of the connecting nut presses the steel balls in the accommodating grooves, a first annular groove is arranged at the butt joint surface of the plug shell and the connecting nut, and a friction gasket is arranged in the first annular groove.
The socket comprises a disc shell, a contact body, a sealing ring, an interface sealing body and a glass insulator, wherein the glass insulator is fixed in the disc shell, the interface sealing body is arranged at the front end of the glass insulator, the contact body is fixed in a hole cavity in the glass insulator through glass sintering, the butt joint end penetrates out of the interface sealing body, a second annular groove is arranged in the inner periphery of the disc shell, the sealing ring is arranged in the second annular groove, and sealing is realized after the socket is in butt joint with the socket;
the inner periphery of the connecting nut is provided with internal threads, the outer periphery of the butt joint end of the disc shell is provided with external threads matched with the internal threads, and the plug is connected with the socket through the internal threads and the external threads.
Furthermore, the insulator assembly comprises a front insulator and a rear insulator, the front insulator is fixedly bonded at the front end of the rear insulator, a jaw cavity is formed in the rear insulator, the jaw is installed on the periphery of the socket assembly, and the jaw is installed in the jaw cavity, so that the socket assembly is fixed.
Further, the front insulator and the rear insulator are both made of high-temperature-resistant silicone powder 4552, and the wire sealing body and the interface sealing body are both made of high-temperature silicone rubber.
Furthermore, the outer periphery of the butt joint end of the plug shell is provided with a first taper surface, the inner periphery of the butt joint surface of the disc shell of the socket is provided with a second taper surface matched with the first taper surface, and the taper fit angle between the first taper surface and the second taper surface is 15 degrees.
Further, the plug shell is made of 06Cr19Ni10 stainless steel rods.
Further, graphite grease is coated on the inner thread of the connecting nut.
Further, potting of potting glue is adopted at the potting position between the plug shell and the wire sealing body.
Further, the thickness of the interface sealing body is 2 mm.
Compared with the prior art, the invention has the beneficial effects that:
the plug shell and the socket disc shell are matched through the tapered surfaces, so that the axial limiting effect is good, the butt joint position of the plug and the socket can be effectively controlled, and meanwhile, the tapered surfaces are matched in the radial direction, so that the play amount can be reduced under the high-vibration condition, and the contact reliability of products can be improved. Meanwhile, the compression amount of the interface sealing body after butt joint is controlled, and the problem of service life aging of a rubber part caused by overlarge compression amount under a high-temperature condition is avoided. And the plug and the socket are fixed in a threaded manner, the jack assembly of the plug is in a crimping type, a mode of taking and then sending is adopted, in addition, the sealing ring plays a role in sealing when the plug is in butt joint with the socket, and the socket body is also in a sealing structure, so that the integral sealing effect of a product is ensured.
The electric connector provided by the invention has high temperature vibration resistance and good shielding performance, meets the severe use environment of an engine, realizes the transmission of electric signals, and reduces the installation space.
Drawings
FIG. 1 is a schematic view of a plug structure of the electrical connector of the present invention;
FIG. 2 is a schematic view of a receptacle structure of the electrical connector of the present invention;
fig. 3 is a schematic view of the overall structure of the electrical connector of the present invention;
FIG. 4 is a schematic view of a connection structure of the insulator assembly and the wire sealing body;
FIG. 5 is a schematic view of the external structure of the socket;
FIG. 6 is a schematic structural view of the plug housing;
FIG. 7 is a schematic representation of a vibration map of test method B of EN 2591-403;
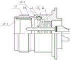
in the figure: 1-a plug housing; 1-1-accommodating tank; 1-2-a first annular groove; 1-3-a first taper surface; a 1-4-bond; 2-an insulator assembly; 2-1-front insulator; 2-2-rear insulator; 2-2-1-jaw chamber; 3-connecting a nut; 4-a jack assembly; 5-a friction washer; 6-steel balls; 7-a conical spring; 8-opening the flap to compress the gasket; 9-a positioning key; 10-fixing the jaw; 11-a wire sealing body; 12-a jaw; 13-a disc housing; 13-1-second taper surface; 13-2-keyway; 13-3-a second annular groove; 14-a contact body; 15-sealing ring; 16-an interface seal; 17-a glass insulator; 18-potting site.
Detailed Description
The technical solutions in the embodiments of the present invention will be clearly and completely described below with reference to the drawings in the embodiments of the present invention, and it is obvious that the described embodiments are only a part of the embodiments of the present invention, and not all of the embodiments. All other embodiments, which can be derived by a person skilled in the art from the embodiments given herein without making any creative effort, shall fall within the protection scope of the present invention.
Referring to fig. 1-3, a high-reliability vibration-environment-resistant shielded electrical connector comprises a plug and a socket which are butted with each other, wherein the plug comprises a plug housing 1, an insulator assembly 2, a connecting nut 3, a jack assembly 4, a friction washer 5, steel balls 6, a conical spring 7, a split pressing washer 8, a positioning key 9, a fixing jaw 10 and a wire sealing body 11, the jack assembly 4 is axially fixed inside the insulator assembly 2 through the jaw, the insulator assembly 2 is in small clearance fit with the plug housing 1, the insulator assembly 2 is arranged inside the plug housing 1 through the positioning key 9 and the positioning key groove of the plug housing 1 in a matching manner to prevent the insulator assembly 2 from radially rotating, the insulator assembly 2 is axially fixed inside the plug housing 1 through the fixing jaw 10, the wire sealing body 11 is fixedly arranged at the tail end of the insulator assembly 2 through an adhesion manner, the connecting nut 3 is installed on the periphery of the plug shell 1 through the split pressing washer 8, a plurality of accommodating grooves 1-1 for accommodating steel balls 6 are formed in the periphery of the plug shell 1, a conical spring 7 is installed in each accommodating groove 1-1, the steel balls 6 are arranged above the conical spring 7 (3 accommodating grooves are formed in the embodiment), the steel balls 6 are pressed in the accommodating grooves 1-1 by the inner circumferential surface of the connecting nut 3, first annular grooves 1-2 are formed in the butt joint face of the plug shell 1 and the connecting nut 3, and friction washers 5 are installed in the first annular grooves 1-2 and used for filling axial gaps formed after butt joint of a plug and a socket.
The socket comprises a disc shell 13, a contact body 14, a sealing ring 15, an interface sealing body 16 and a glass insulator 17, wherein the glass insulator 17 is fixed in the disc shell 13, the interface sealing body 16 is arranged at the front end of the glass insulator 17, the contact body 14 is fixed in a hole cavity in the glass insulator 17 through glass sintering, the butt joint end penetrates out of the interface sealing body 16, a second annular groove 13-3 is arranged on the inner periphery of the disc shell 13, the sealing ring 15 is arranged in the second annular groove 13-3, and sealing is realized after the socket is butted with the socket;
the inner periphery of the connecting nut 3 is provided with internal threads, the outer periphery of the butt joint end of the disc shell 13 is provided with external threads matched with the internal threads, and the plug is connected with the socket through the internal threads and the external threads.
Referring to fig. 4, the insulator assembly 2 includes a front insulator 2-1 and a rear insulator 2-2, the front insulator 2-1 is adhesively fixed at the front end of the rear insulator 2-2, a jaw cavity 2-2-1 is provided inside the rear insulator 2-2, a jaw 12 is installed at the periphery of the socket assembly 4, and the jaw 12 is installed in the jaw cavity 2-2-1, so as to fix the socket assembly 4. This construction ensures that no significant axial and radial displacements of the insulator assembly 2 occur in the event of vibration.
The front insulator 2-1 and the rear insulator 2-2 are both made of high-temperature-resistant silicone powder 4552, and the wire sealing body 11 and the interface sealing body 16 are both made of high-temperature silicone rubber.
Referring to fig. 5-6, a first taper surface 1-3 is provided on the outer periphery of the mating end of the plug housing 1, a second taper surface 13-1 matching with the first taper surface 1-3 is provided on the inner periphery of the mating surface of the disc housing 13 of the socket, and the taper fitting angle between the first taper surface 1-3 and the second taper surface 13-1 is 15 ° (the fitting angle is shown in fig. 3).
In addition, the outer peripheral surface of the plug shell 1 at the front end of the first taper surface 1-3 is provided with a key 1-4 protruding outwards, the inner peripheral surface of the butting end of the disc shell 13 of the socket is provided with a key groove 13-2 matched with the key 1-4, and the plug and the socket play a role in preventing rotation when butting.
The plug shell 1 is made of a 06Cr19Ni10 stainless steel bar, has good mechanical strength and corrosion resistance, and improves the reliability of products. And 1 afterbody of plug housing adopts the extension design, and size design refers to EN2997 requirement, and the shielding hose of pencil can directly overlap and fix at the product tail end, when lightening the whole weight of product, can also play good shielding effect, and is equipped with the reticulation annular knurl in 1 tail end periphery of plug housing, increases the frictional force with the shielding hose contact, and outer anti-loosening sleeve is fixed, guarantees the reliability of connecting, and the mounting space is reduced greatly to this kind of afterbody solidus's assembly mode.
The specific operation of the tail processing is that the shielding layer of the wire harness is connected with the shell, and after the shielding layer is sleeved outside the knurled part of the reticulate pattern at the tail end of the plug shell 1, the wire harness can be fixed by adopting the following method: a) blowing and shrinking to a shrinking state by a hot air gun by adopting a proper memory ring; b) using a suitable wire core (typically 0.5 mm)2) And (3) performing bundle welding on the shielding layer, making welding parameter records in the continuous monitoring records of tin brazing process parameters, wherein welding spots need to be smooth, have no accumulated nodules, no barbs, sharp corners, no false welding and no fluxing agent residues, cutting off the redundant shielding layer after the working procedures are completed, sleeving a mold shrinkage sleeve outside the treated shielding layer, and performing heat shrinkage according to specified requirements.
The internal thread of the connecting nut 3 is coated with graphite grease.
And a potting part 18 between the plug shell 1 and the wire sealing body 11 is subjected to potting treatment by using potting adhesive.
The thickness of the interface seal 16 is 2 mm.
The design key points of the limiting design of the taper surface are as follows: under the vibration environment, the load born by the connector can be decomposed into an axial direction and a radial direction, wherein the axial direction adopts a threaded connection structure, so that the locking and the positioning of a mechanism are basically realized, and an integral rigid body is formed in the vibration; on the other hand, because the plug housing 1 and the disc housing 13 need to be abutted in the radial direction, generally, the plug housing is in clearance fit, when the pressing force or the friction force in the axial direction cannot overcome the radial vibration impact, the plug housing can form a "vibration effect" inside the connector, and the vibration effect can be used as an internal passive vibration source to damage the product structure. Therefore, the invention adopts a taper fit structure, as shown in fig. 3, the plug end and the socket end of the connector are butted to form an integral rigid body, so that the change factors of the internal structure of the product except external vibration are reduced as much as possible, the play quantity is reduced, and the contact reliability of the product is improved. Meanwhile, the compression amount of the interface sealing body 16 after butt joint is also controlled, and the problem of service life aging of rubber parts caused by overlarge compression amount under a high-temperature condition is solved.
The design emphasis of the interface compression amount is as follows: the taper fitting part is used for positioning, the position of the theoretical butt joint positioning interface is shown in figure 4, and the position of the taper edge is assumed as a reference surface.
The invention analyzes the interface compression size during taper fit, the reasonable compression size of the interface is between 5 percent and 20 percent, the taper fit angle between the first taper surface 1-3 and the second taper surface 13-1 is set to be 8 to 15 degrees, the analysis is carried out according to the axial size of the tolerance of the taper fit part, and the analysis of the influence of the radial size tolerance of the taper fit part on the axial size variation is carried out.
a) When the tolerance of the first taper surface 1-3 of the outer diameter of the plug housing 1 and the tolerance of the second taper surface 13-1 of the inner diameter of the disc housing 13 are both 0.1mm, the maximum radial clearance of the taper fit part is 0.2mm, at this time, the axial dimension is changed to tan (8 °) of 0.2/X (the axial dimension change range), and X is 0.2/tan (8 °) of 1.423 mm;
b) when the tolerance of the first taper surface 1-3 of the outer diameter of the plug housing 1 and the tolerance of the second taper surface 13-1 of the inner diameter of the disc housing 13 are both 0.05mm, the maximum radial clearance of the taper fit part is 0.1mm, at this time, the axial dimension is changed to tan (8 °) of 0.1/X (the axial dimension change range), and X is 0.1/tan (8 °) of 0.71 mm;
c) when the tolerance of the first taper surface 1-3 of the outer diameter of the plug housing 1 and the tolerance of the second taper surface 13-1 of the inner diameter of the disc housing 13 are both 0.05mm, the maximum radial clearance of the taper fitting part is 0.1mm, and at this time, the axial dimension is changed to tan (15 °) of 0.1/X (the axial dimension change range), and X is 0.1/tan (15 °) of 0.37 mm;
because the structure of the invention takes the taper fit part as the positioning surface (the positioning surface which is distinguished by the positioning of the original connector is the insulator and the interface compression part), the tolerance variation should be reduced as much as possible, the suggested size tolerance is controlled according to 0.05mm, the maximum size of the interface compression is considered to be 20%, when the thickness of the interface is 2mm, the interface compression should be controlled within 0.4mm, therefore, the taper fit angle of the most suitable first taper surface 1-3 and the second taper surface 13-1 of the invention should be 15 degrees, so as to ensure the reasonable structure of the connector.
Because the working temperature of the electric connector is-65-260 ℃, according to the requirements of the vibration test in EN2997-001, the electric connector is tested according to an EN2591-403 test method B (according to the vibration map requirement of FIG. 7) (the method and the vibration map are the prior art), the transverse X axis f in FIG. 7 is frequency, the longitudinal Y axis is power spectral density, the curve ① in the middle of the three curves in the map is a driving spectral line, namely the vibration map is required to be arranged according to the curve ① in the test process, the curve ② and the curve ③ of the upper dotted line and the lower dotted line are protection lines, and the curve ① in the actual vibration process cannot exceed the two lines.
Vibration tests were performed for 8 hours in each of 3 mutually perpendicular directions, and 2 sets of electrical connectors (3 in each set) were selected for the tests. A first set of electrical connectors: in the test, the test temperature is (-65 +/-2) DEG C in 50% of the time, and the test temperature is in the environment temperature in 50% of the time; a second set of electrical connectors: the test temperature was 260 ℃ for 50% of the time in the test. During the test, the output of the electric connector should not have current interruption of 1 mus or more than 1 mus and socket plug separation. The output current of the 2 groups of electric connectors is less than 1 mus, and the phenomenon of socket plug separation does not occur. The vibration resistance is good.
In addition, high temperature life is used to determine the change in electrical and mechanical properties of the connector caused by exposure of the product to high temperature environments over a specified period of time. The test was carried out according to GJB 1217A-2009 method 1005, 1h being 1 cycle, 1500 cycles, each cycle comprising (200 + -5) ° C hold for 30 minutes, (260 + -5) ° C hold for 30 minutes, and the temperature shift time not exceeding 10 s. After the test, the insulating material and the sealing material should not be damaged, and the surface treatment of the part should not have the phenomena of cracking, layer rising and the like. High-temperature resistance is good.
The electric connector is a circular electric connector which is resistant to high-temperature vibration and has good shielding performance, the severe service environment of an engine is met, and the transmission of electric signals is realized.
The principles and embodiments of the present invention have been described herein using specific examples, which are provided only to help understand the method and the core concept of the present invention; meanwhile, for a person skilled in the art, according to the idea of the present invention, the specific embodiments and the application range may be changed. In view of the above, the present disclosure should not be construed as limiting the invention.

Claims (8)

1. A high-reliability vibration-environment-resistant shielding type electric connector is characterized by comprising a plug and a socket which are mutually butted, wherein the plug comprises a plug shell, an insulator component, a connecting nut, a jack component, a friction washer, a steel ball, a conical spring, a split pressing washer, a positioning key, a fixed clamping jaw and a wire sealing body, the jack component is axially fixed inside the insulator component through the clamping jaw, the insulator component and the plug shell are in small clearance fit, the insulator component is arranged inside the plug shell in a matched mode through the positioning key and a positioning key groove of the plug shell to prevent the insulator component from radially rotating, the insulator component is axially fixed inside the plug shell through the fixed clamping jaw, the wire sealing body is fixedly arranged at the tail end of the insulator component in an adhesion mode, the connecting nut is arranged on the periphery of the plug shell through the split pressing washer, and the periphery of the plug shell is provided with a plurality of accommodating grooves for accommodating steel balls, a conical spring is arranged in each accommodating groove, the steel balls are arranged above the conical spring, the inner circumferential surface of the connecting nut presses the steel balls in the accommodating grooves, a first annular groove is arranged at the butt joint surface of the plug shell and the connecting nut, and a friction gasket is arranged in the first annular groove.
The socket comprises a disc shell, a contact body, a sealing ring, an interface sealing body and a glass insulator, wherein the glass insulator is fixed in the disc shell, the interface sealing body is arranged at the front end of the glass insulator, the contact body is fixed in a hole cavity in the glass insulator through glass sintering, the butt joint end penetrates out of the interface sealing body, a second annular groove is arranged in the inner periphery of the disc shell, the sealing ring is arranged in the second annular groove, and sealing is realized after the socket is in butt joint with the socket;
the inner periphery of the connecting nut is provided with internal threads, the outer periphery of the butt joint end of the disc shell is provided with external threads matched with the internal threads, and the plug is connected with the socket through the internal threads and the external threads.
2. The shielded electrical connector as claimed in claim 1, wherein the insulator assembly comprises a front insulator and a rear insulator, the front insulator is adhesively fixed to a front end of the rear insulator, a claw cavity is formed in the rear insulator, the claw is mounted on an outer periphery of the jack assembly, and the claw is mounted in the claw cavity to fix the jack assembly.
3. The electrical connector as claimed in claim 1, wherein the front insulator and the rear insulator are made of high temperature resistant silicone 4552, and the wire sealing body and the interface sealing body are made of high temperature silicone rubber.
4. The electrical connector as claimed in claim 1, wherein a first tapered surface is provided on the outer circumference of the mating end of the plug housing, a second tapered surface matching the first tapered surface is provided on the inner circumference of the disk housing mating surface of the receptacle, and the angle of taper fit between the first tapered surface and the second tapered surface is 15 °.
5. The shielded electrical connector as recited in claim 1, wherein the header housing is made of 06Cr19Ni10 stainless steel rod.
6. The shielded electrical connector as recited in claim 1, wherein the internal threads of the coupling nut are coated with graphite grease.
7. The electrical connector as claimed in claim 1, wherein a potting process is applied to the potting between the plug housing and the wire sealing body.
8. A highly reliable vibration-tolerant shielded electrical connector as recited in claim 1, wherein said interface seal has a thickness of 2 mm.
CN202010145619.7A 2020-03-05 2020-03-05 A high-reliability, vibration-resistant shielded electrical connector Active CN111211445B (en)

Priority Applications (1)

Application Number Priority Date Filing Date Title
CN202010145619.7A CN111211445B (en) 2020-03-05 2020-03-05 A high-reliability, vibration-resistant shielded electrical connector

Applications Claiming Priority (1)

Application Number Priority Date Filing Date Title
CN202010145619.7A CN111211445B (en) 2020-03-05 2020-03-05 A high-reliability, vibration-resistant shielded electrical connector

Publications (2)

Publication Number Publication Date
CN111211445A true CN111211445A (en) 2020-05-29
CN111211445B CN111211445B (en) 2024-11-05

Family

ID=70788802

Family Applications (1)

Application Number Title Priority Date Filing Date
CN202010145619.7A Active CN111211445B (en) 2020-03-05 2020-03-05 A high-reliability, vibration-resistant shielded electrical connector

Country Status (1)

Country Link
CN (1) CN111211445B (en)

Cited By (1)

* Cited by examiner, † Cited by third party
Publication number Priority date Publication date Assignee Title
CN113161824A (en) * 2021-04-14 2021-07-23 泰州市航宇电器有限公司 Double-locking electric connector

Citations (4)

* Cited by examiner, † Cited by third party
Publication number Priority date Publication date Assignee Title
US20160006161A1 (en) * 2014-07-02 2016-01-07 Teledyne Instruments, Inc. Non-pressure compensated, wet-mateable plug for feedthrough and other subsea systems
CN206004065U (en) * 2016-08-31 2017-03-08 沈阳兴华航空电器有限责任公司 A kind of electric connector of the temperature signal of resistance to Ambient Transfer
CN110098530A (en) * 2019-04-24 2019-08-06 中广核研究院有限公司 A kind of shape metallic leak-proof structure electric connector
CN211428460U (en) * 2020-03-05 2020-09-04 沈阳兴华航空电器有限责任公司 High-reliability vibration-resistant environment shielding type electric connector

Patent Citations (4)

* Cited by examiner, † Cited by third party
Publication number Priority date Publication date Assignee Title
US20160006161A1 (en) * 2014-07-02 2016-01-07 Teledyne Instruments, Inc. Non-pressure compensated, wet-mateable plug for feedthrough and other subsea systems
CN206004065U (en) * 2016-08-31 2017-03-08 沈阳兴华航空电器有限责任公司 A kind of electric connector of the temperature signal of resistance to Ambient Transfer
CN110098530A (en) * 2019-04-24 2019-08-06 中广核研究院有限公司 A kind of shape metallic leak-proof structure electric connector
CN211428460U (en) * 2020-03-05 2020-09-04 沈阳兴华航空电器有限责任公司 High-reliability vibration-resistant environment shielding type electric connector

Cited By (1)

* Cited by examiner, † Cited by third party
Publication number Priority date Publication date Assignee Title
CN113161824A (en) * 2021-04-14 2021-07-23 泰州市航宇电器有限公司 Double-locking electric connector

Also Published As

Publication number Publication date
CN111211445B (en) 2024-11-05

Similar Documents

Publication Publication Date Title
AU2010220195B2 (en) Shielding braid termination for a shielded electrical connector
CN108649400B (en) Detachable deep water seal connector
KR101248696B1 (en) Connector with outer conductor axial compression connection and method of manufacture
CN103380547B (en) Friction welding inner conductor cap and interconnection method
EP4131660B1 (en) Electric energy transmission aluminum part, aluminum connector and copper-aluminum joint
CN111211445A (en) A shielded electrical connector with high reliability and resistance to vibration environment
CN213845753U (en) Radio frequency coaxial cable connector with elastic clamping structure
CN211428460U (en) High-reliability vibration-resistant environment shielding type electric connector
CN210806074U (en) Aviation connector convenient to plug
CN111199849B (en) Moving contact assembly of arc extinguish chamber and moving contact assembly using same
CN111585108B (en) A self-locking plug
CN211045796U (en) High-vibration-resistant and high-temperature-resistant electric connector for aircraft engine
KR20220161449A (en) Electrical energy transmission aluminum parts and their processing process
CN209472157U (en) connector assembly
CN116799582A (en) Ultra-large caliber space division type conductive slip ring device
JP5401426B2 (en) Manufacturing method of spark plug
CN214478263U (en) A shielded environment-resistant electrical connector
CN110890674B (en) Cable connector and connector socket matched with same
CN211929805U (en) Self-locking plug
CN110379556B (en) A triaxial rigid cable assembly
CN212304020U (en) A rear adapter
CN111106477B (en) Power connector connected with aluminum-based lead
CN211126365U (en) An SMA type radio frequency coaxial connector
CN209526285U (en) Bushing and barrel forward end structural integrity formula turn weldering housing, cable clip, connector
CN210984982U (en) Cable adapter and vehicle with same

Legal Events

Date Code Title Description
PB01 Publication
PB01 Publication
SE01 Entry into force of request for substantive examination
SE01 Entry into force of request for substantive examination
GR01 Patent grant
GR01 Patent grant