CN111155794A - 一种防电磁干扰的特殊洁净室及其污水排放收集装置 - Google Patents
一种防电磁干扰的特殊洁净室及其污水排放收集装置 Download PDFInfo
- Publication number
- CN111155794A CN111155794A CN202010092705.6A CN202010092705A CN111155794A CN 111155794 A CN111155794 A CN 111155794A CN 202010092705 A CN202010092705 A CN 202010092705A CN 111155794 A CN111155794 A CN 111155794A
- Authority
- CN
- China
- Prior art keywords
- sewage
- pipeline
- sewage discharge
- clean room
- collection device
- Prior art date
- Legal status (The legal status is an assumption and is not a legal conclusion. Google has not performed a legal analysis and makes no representation as to the accuracy of the status listed.)
- Granted
Links
- 239000010865 sewage Substances 0.000 title claims abstract description 216
- 230000000694 effects Effects 0.000 claims abstract description 6
- XLYOFNOQVPJJNP-UHFFFAOYSA-N water Substances O XLYOFNOQVPJJNP-UHFFFAOYSA-N 0.000 claims description 28
- 239000010410 layer Substances 0.000 claims description 24
- 239000007788 liquid Substances 0.000 claims description 22
- 238000009423 ventilation Methods 0.000 claims description 16
- 230000003014 reinforcing effect Effects 0.000 claims description 15
- 230000001681 protective effect Effects 0.000 claims description 14
- 238000001514 detection method Methods 0.000 claims description 11
- 239000010935 stainless steel Substances 0.000 claims description 7
- 229910001220 stainless steel Inorganic materials 0.000 claims description 7
- 230000000149 penetrating effect Effects 0.000 claims description 6
- 238000011160 research Methods 0.000 claims description 5
- 239000011241 protective layer Substances 0.000 claims description 4
- 230000005611 electricity Effects 0.000 claims description 3
- 238000013461 design Methods 0.000 abstract description 5
- 238000005192 partition Methods 0.000 abstract description 4
- 229910001335 Galvanized steel Inorganic materials 0.000 description 5
- 239000008397 galvanized steel Substances 0.000 description 5
- 125000001967 indiganyl group Chemical group [H][In]([H])[*] 0.000 description 2
- 238000000034 method Methods 0.000 description 2
- 230000008569 process Effects 0.000 description 2
- 238000012360 testing method Methods 0.000 description 2
- 230000007704 transition Effects 0.000 description 2
- 230000003245 working effect Effects 0.000 description 2
- 229910000831 Steel Inorganic materials 0.000 description 1
- 230000002238 attenuated effect Effects 0.000 description 1
- 230000009286 beneficial effect Effects 0.000 description 1
- 230000005540 biological transmission Effects 0.000 description 1
- 230000008859 change Effects 0.000 description 1
- 238000004891 communication Methods 0.000 description 1
- 239000004567 concrete Substances 0.000 description 1
- 230000005670 electromagnetic radiation Effects 0.000 description 1
- 239000012535 impurity Substances 0.000 description 1
- 238000012986 modification Methods 0.000 description 1
- 230000004048 modification Effects 0.000 description 1
- 230000002093 peripheral effect Effects 0.000 description 1
- 230000002265 prevention Effects 0.000 description 1
- 239000011150 reinforced concrete Substances 0.000 description 1
- 239000010959 steel Substances 0.000 description 1
- 239000002699 waste material Substances 0.000 description 1
- 238000003466 welding Methods 0.000 description 1
Images
Classifications
-
- E—FIXED CONSTRUCTIONS
- E04—BUILDING
- E04H—BUILDINGS OR LIKE STRUCTURES FOR PARTICULAR PURPOSES; SWIMMING OR SPLASH BATHS OR POOLS; MASTS; FENCING; TENTS OR CANOPIES, IN GENERAL
- E04H1/00—Buildings or groups of buildings for dwelling or office purposes; General layout, e.g. modular co-ordination or staggered storeys
- E04H1/12—Small buildings or other erections for limited occupation, erected in the open air or arranged in buildings, e.g. kiosks, waiting shelters for bus stops or for filling stations, roofs for railway platforms, watchmen's huts or dressing cubicles
- E04H1/1277—Shelters for decontamination
-
- E—FIXED CONSTRUCTIONS
- E03—WATER SUPPLY; SEWERAGE
- E03F—SEWERS; CESSPOOLS
- E03F5/00—Sewerage structures
- E03F5/10—Collecting-tanks; Equalising-tanks for regulating the run-off; Laying-up basins
-
- E—FIXED CONSTRUCTIONS
- E03—WATER SUPPLY; SEWERAGE
- E03F—SEWERS; CESSPOOLS
- E03F5/00—Sewerage structures
- E03F5/22—Adaptations of pumping plants for lifting sewage
-
- E—FIXED CONSTRUCTIONS
- E04—BUILDING
- E04B—GENERAL BUILDING CONSTRUCTIONS; WALLS, e.g. PARTITIONS; ROOFS; FLOORS; CEILINGS; INSULATION OR OTHER PROTECTION OF BUILDINGS
- E04B1/00—Constructions in general; Structures which are not restricted either to walls, e.g. partitions, or floors or ceilings or roofs
- E04B1/62—Insulation or other protection; Elements or use of specified material therefor
- E04B1/92—Protection against other undesired influences or dangers
-
- F—MECHANICAL ENGINEERING; LIGHTING; HEATING; WEAPONS; BLASTING
- F04—POSITIVE - DISPLACEMENT MACHINES FOR LIQUIDS; PUMPS FOR LIQUIDS OR ELASTIC FLUIDS
- F04B—POSITIVE-DISPLACEMENT MACHINES FOR LIQUIDS; PUMPS
- F04B49/00—Control, e.g. of pump delivery, or pump pressure of, or safety measures for, machines, pumps, or pumping installations, not otherwise provided for, or of interest apart from, groups F04B1/00 - F04B47/00
- F04B49/02—Stopping, starting, unloading or idling control
-
- F—MECHANICAL ENGINEERING; LIGHTING; HEATING; WEAPONS; BLASTING
- F04—POSITIVE - DISPLACEMENT MACHINES FOR LIQUIDS; PUMPS FOR LIQUIDS OR ELASTIC FLUIDS
- F04B—POSITIVE-DISPLACEMENT MACHINES FOR LIQUIDS; PUMPS
- F04B49/00—Control, e.g. of pump delivery, or pump pressure of, or safety measures for, machines, pumps, or pumping installations, not otherwise provided for, or of interest apart from, groups F04B1/00 - F04B47/00
- F04B49/06—Control using electricity
-
- E—FIXED CONSTRUCTIONS
- E04—BUILDING
- E04B—GENERAL BUILDING CONSTRUCTIONS; WALLS, e.g. PARTITIONS; ROOFS; FLOORS; CEILINGS; INSULATION OR OTHER PROTECTION OF BUILDINGS
- E04B1/00—Constructions in general; Structures which are not restricted either to walls, e.g. partitions, or floors or ceilings or roofs
- E04B1/62—Insulation or other protection; Elements or use of specified material therefor
- E04B1/92—Protection against other undesired influences or dangers
- E04B2001/925—Protection against harmful electro-magnetic or radio-active radiations, e.g. X-rays
Landscapes
- Engineering & Computer Science (AREA)
- Architecture (AREA)
- Health & Medical Sciences (AREA)
- General Engineering & Computer Science (AREA)
- Life Sciences & Earth Sciences (AREA)
- Hydrology & Water Resources (AREA)
- Public Health (AREA)
- Water Supply & Treatment (AREA)
- Mechanical Engineering (AREA)
- Civil Engineering (AREA)
- Structural Engineering (AREA)
- Physics & Mathematics (AREA)
- Electromagnetism (AREA)
- Shielding Devices Or Components To Electric Or Magnetic Fields (AREA)
- Sewage (AREA)
Abstract
本发明公开了一种防电磁干扰的特殊洁净室及其污水排放收集装置,该洁净室的外层封闭围合有电磁防护层,洁净室的中部设置有土建结构板,土建结构板的顶面铺设有中间隔断电磁防护层,中间隔断电磁防护层将洁净室分为上下两个单独的屏蔽空间,上方的屏蔽空间为科研工作者的日常工作活动空间,下方的屏蔽空间为污水排放收集装置的存放空间;污水排放收集装置主要包括储污箱体、排污泵控制柜和多台自带铰刀型的排污泵。本发明有效的阻止了电磁波通过排污管道进入到洁净室内部,为未来大型洁净室规划设计中污水排放问题提供解决思路,另外,成套污水排放装置的使用也提升了系统排水稳定性、缩短工程进度及延长了工程使用寿命。
Description
技术领域
本发明涉及污水排放收集领域,尤其涉及一种防电磁干扰的特殊洁净室及其污水排放收集装置。
背景技术
在化学、生物化学、医疗和制药等领域的洁净室,当要求有具备有防外界电磁干扰功能。目前,为了避免外界的电磁波干扰洁净室,常把卫生间设置在洁净室外部或者将污水暂存在洁净室内,这样非常不便于科研工作者的日常工作。
根据电磁波传输特性,电磁波在生活污水中传输时必然会造成严重的衰减,然而由于污水间断排放的特点使得污水排放管线很容易成为电磁波传递的通道,基于此,生活污水等此类含有较多杂质水的管线进出此类特殊洁净室便成为设计关键点。
发明内容
本发明的目的是提供一种防电磁干扰的特殊洁净室及其污水排放收集装置,解决避免电磁波通过排污管道进入到洁净室内部的问题。
为解决上述技术问题,本发明采用如下技术方案:
本发明一种防电磁干扰的特殊洁净室,包括洁净室,所述洁净室的外层封闭围合有电磁防护层,所述洁净室的中部设置有土建结构板,所述土建结构板的顶面铺设有中间隔断电磁防护层,中间隔断电磁防护层将所述洁净室分为上下两个单独的屏蔽空间,上方的屏蔽空间为科研工作者的日常工作活动空间,下方的屏蔽空间为污水排放收集装置的存放空间。
一种用于上述防电磁干扰的特殊洁净室的污水排放收集装置,包括储污箱体、排污泵控制柜和多台自带铰刀型的排污泵;所述储污箱体的外壁封闭围合有电磁防护层;
所述储污箱体的顶部设置有污水接纳防护管道,所述污水接纳防护管道的上端口设置有污水接纳预留法兰接口,所述污水接纳防护管道的下端口延伸至所述储污箱体的内部;
所述污水接纳预留法兰接口通过螺栓组件与洁净室排污防护管道的接口安装连通,所述洁净室排污防护管道预设在所述土建结构板上,所述污水接纳预留法兰接口与所述洁净室排污防护管道的接口之间设置有导电衬垫;
各所述排污泵均位于所述储污箱体的内部,并且各所述排污泵的排污口通过管道均与设置在所述储污箱体内部的排污总管道连通,所述排污总管道的排污口贯穿所述储污箱体上部的侧壁后延伸至外侧;
所述排污泵控制柜位于所述储污箱体的外部并通过导线与各所述排污泵电连接。
进一步的,所述储污箱体内部设置有液位探测传感器,所述液位探测传感器通过导线与所述排污泵控制柜电连接。
进一步的,所述排污泵的数量设置为两个,所述液位探测传感器设置有三个液位值,分别为H0、H1和H2,所述H0、H1和H2的液位设定值依次升高,并且所述H0为停泵液位值;
所述污水接纳防护管道的下端口低于所述H0,并且距离所述H0的高度差为ΔH,所述ΔH不小于0.5m;
当所述储污箱体中的污水液面到达H1时,单台所述排污泵工作或者两台所述排污泵交替单独工作,当所述储污箱体中的污水液面到达H2时,两台所述排污泵同时工作。
进一步的,所述储污箱体的顶部设置有通气口和人孔屏蔽门。
进一步的,所述通气口通过通气延伸管道与外界连通,所述通气延伸管道的外端口上设置有蜂窝波导窗;
所述通气延伸管道与所述通气口的法兰安装端面之间设置有导电衬垫。
进一步的,所述排污总管道通过排污延伸管道与位于外界的类P型弯管连通,所述排污延伸管道与所述排污总管道、类P型弯管的法兰安装端面之间设置有导电衬垫;
所述类P型弯管包括连通在一起的U形水封部和增高部,所述U形水封部的高度为H3,增高部的高度为H4,所述U形水封部的一端口与所述排污延伸管道连通;
所述H3不小于0.25m,所述H4不小于0.3m。
进一步的,所述通气延伸管道和排污延伸管道均采用不锈钢管,所述通气延伸管道和排污延伸管道与所述洁净室电磁防护层的贯穿节点处焊接有第一电磁防护加强板。
进一步的,所述洁净室排污防护管道与所述土建结构板的贯穿节点处焊接有第二电磁防护加强板。
进一步的,所述储污箱体内腔的底部设置有坡面,所述污水接纳防护管道的下端口位于所述坡面的高处,各所述排污泵均位于所述坡面的低处。
与现有技术相比,本发明的有益技术效果:
本发明一种防电磁干扰的特殊洁净室及其污水排放收集装置,该洁净室主要由洁净室电磁防护层围合而成,在其围合的空间中部设置有土建结构板,土建结构板的顶面铺设有中间隔断电磁防护层,中间隔断电磁防护层将洁净室分为上下两个单独的屏蔽空间,上方的屏蔽空间为科研工作者的日常工作活动空间,下方的屏蔽空间为污水排放收集装置的存放空间;污水排放收集装置主要包括储污箱体、排污泵控制柜和多台排污泵,洁净室中污水管线通过洁净室排污防护管道、污水接纳防护管道进入到储污箱体中,洁净室排污防护管道延伸到污水面以下,有效的阻挡了电磁辐射,不锈钢管在进、出电磁防护层节点处设置有厚方形镀锌钢板作为过渡,从而使得不锈钢管与电磁防护层致密连接,避免电磁波在此处进入;在污水排放过程中,U形水封部有效的保证有一高度的水封,从而实现室内、外电磁阻断效果;总之,本发明有效的阻止了电磁波通过排污管道进入到洁净室内部,为未来大型洁净室规划设计中污水排放问题提供解决思路,另外,成套污水排放装置的使用也提升了系统排水稳定性、缩短工程进度及延长了工程使用寿命。
附图说明
下面结合附图说明对本发明作进一步说明。
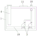
图1为设置有污水排放收集装置的洁净室;
图2为污水排放收集装置右视图;
图3为图1的A处的局部放大图;
图4为图1的B处的局部放大图;
图5为图1的C处的局部放大图。
附图标记说明:1、储污箱体;2、排污泵控制柜;3、排污泵;4、污水接纳防护管道;5、洁净室排污防护管道;6、土建结构板;7、污水接纳预留法兰接口;8、排污总管道;9、液位探测传感器;10、通气口;11、人孔屏蔽门;12、通气延伸管道;13、蜂窝波导窗;14、排污延伸管道;15、类P型弯管;1501、U形水封部;1502、增高部;16、洁净室;17、第一电磁防护加强板;18、第二电磁防护加强板;19、坡面。
具体实施方式
为了使本领域的技术人员更好地理解本发明的技术方案,下面结合附图和具体实施方式对本发明作进一步的详细说明。
如图1所示,本实施例中公开了一种具备防电磁干扰的特殊洁净室,包括洁净室16,所述洁净室16的外层封闭围合有电磁防护层,所述洁净室16的中部设置有土建结构板6,所述土建结构板6的顶面铺设有中间隔断电磁防护层,中间隔断电磁防护层将所述洁净室16分为上下两个单独的屏蔽空间,上方的屏蔽空间为科研工作者的日常工作活动空间,下方的屏蔽空间为污水排放收集装置的存放空间。土建结构板6可为现浇混凝土板或预制钢筋混凝土板。
如图1和2所示,本实施例中还公开了一种污水排放收集装置,包括储污箱体1、排污泵控制柜2和多台自带铰刀型的排污泵3。储污箱体1的外壁封闭围合有电磁防护层。
储污箱体1的顶部固定有污水接纳防护管道4,污水接纳防护管道4与储污箱体1外部的电磁防护层紧密焊接,污水接纳防护管道4的上端口焊接有污水接纳预留法兰接口7,污水接纳防护管道4的下端口延伸至储污箱体1的内部。
如图3所示,污水接纳预留法兰接口7通过螺栓组件与洁净室排污防护管道5的接口安装连通,洁净室排污防护管道5预设在土建结构板6上,污水接纳预留法兰接口7与洁净室排污防护管道5的接口之间设置有导电衬垫。导电衬垫又称EMI衬垫,常填充于电子设备机箱缝隙处,能够保持缝隙处的导电连续性,减小孔洞、缝隙、沟槽处的接触电阻,从而降低接合处两端的电压,减小缝隙的电磁泄漏,导电衬垫属于现有产品,在此不再赘述。洁净室中污水管线通过洁净室排污防护管道5、污水接纳防护管道4进入到储污箱体1中,污水管线的下端口与污水接纳防护管道4的下端口平齐。
各排污泵3均位于储污箱体1的内部,并且各排污泵3的排污口通过管道均与设置在储污箱体1内部的排污总管道8连通,排污总管道8的排污口贯穿储污箱体1上部的侧壁后延伸至外侧,排污总管道8与储污箱体1固定并与外部电磁防护层的贯穿连接处采用焊接密封。
为了便于排污泵3排出污水,在储污箱体1内腔的底部设置有坡面19,污水接纳防护管道4的下端口位于坡面19的高处,各排污泵3均位于坡面19的低处。
排污泵控制柜2位于储污箱体1的外部并通过导线与各排污泵3电连接。储污箱体1内部设置有液位探测传感器9,液位探测传感器9通过导线与排污泵控制柜2电连接。液位探测传感器9监测储污箱体1中污水液面变化,并将电信号反馈给排污泵控制柜2,排污泵控制柜2自动控制排污泵3启动进行排污工作。
在本实施例中,排污泵3的数量设置为两个,液位探测传感器9设置有三个液位值,分别为H0、H1和H2,H0、H1和H2的液位设定值依次升高,且H0为停泵液位值,当污水液位到达H0液位时,各排污泵3停止工作。污水接纳防护管道4的下端口低于H0,并且距离H0的高度差为ΔH。
ΔH因洁净室达到的屏蔽效能不同而不同,同时受污水导电性质差异影响。故应根据屏蔽设计单位现场试验后确定设备及存水弯内水封高度。通常室内与室外间水封长度不宜小于0.5m。
当储污箱体1中的污水液面到达H1时,单台排污泵3工作或者两台排污泵3交替单独工作,当储污箱体1中的污水液面到达H2时,两台排污泵3同时工作。
H0、H1和H2的设定值应根据工程实际排污量经过计算后确定。通常H0的设置除应满足ΔH水封高度要求还应考虑防护管道4底部距离池底的防堵距离(不小于0.5m),综合H0应不宜小于1.0m。H1与H0之间污水容积不宜小于单泵启动5min出水量,且污水泵每小时启动次数不宜超过6次。H1与H2之间污水容积不宜小于双泵启动5min出水量,且污水泵每小时启动次数不宜超过6次。
储污箱体1的顶部设置有通气口10和人孔屏蔽门11,通气口10与储污箱体1固定并与外围电磁防护层紧密焊接。进一步,通气口10通过通气延伸管道12与外界连通,通气延伸管道12与通气口10的法兰安装端面之间同样设置有导电衬垫。通气延伸管道12的外端口上设置有蜂窝波导窗13,蜂窝波导窗13阻断电磁波从通气延伸管道12的外端口通过。
排污总管道8通过排污延伸管道14与位于外界的类P型弯管15连通,排污延伸管道14与排污总管道8、类P型弯管15的法兰安装端面之间设置有导电衬垫。
类P型弯管15包括连通在一起的U形水封部1501和增高部1502,U形水封部1501和增高部1502经一体加工制得,U形水封部1501的高度为H3,增高部1502的高度为H4,U形水封部1501的一端口与排污延伸管道14连通。
在污水排放过程中,U形水封部1501有效的保证有一高度为H3的水封,从而实现室内、外电磁阻断效果。
增高部1502的高度为H4,为避免潜污泵运行不稳定而引起水封高度损失而设置的超高。因控制系统实际使用中不稳定,排污泵未及时停止从而引起水封高度H3损失,故考虑设置超高H4,排污泵停止工作后,增高部1502中的污水回流补充到U形水封部1501中,避免水封高度H3高度的损失。
H3因洁净室达到的屏蔽效能不同而不同,同时受污水导电性质差异影响。故应根据屏蔽设计单位现场试验后确定设备及存水弯内水封高度。通常室内与室外间水封长度不宜小于0.5m,即H3不小于0.25m,H4不小于0.3m。
如图1和5所示,在本实施例中,通气延伸管道12和排污延伸管道14均采用不锈钢管,通气延伸管道12和排污延伸管道14与洁净室16的电磁防护层的贯穿节点处焊接有第一电磁防护加强板17。在本实施例中,第一电磁防护加强板17采用5mm厚方形镀锌钢板,该方形镀锌钢板上设置有避让孔,避让孔与通气延伸管道12或者排污延伸管道14的外壁环形满焊,该方形镀锌钢板的外圈与洁净室16的电磁防护层焊接。第一电磁防护加强板17作为过渡,从而使得不锈钢管与电磁防护层致密连接,避免电磁波在此处进入。
如图1和4所示,洁净室排污防护管道5与洁净室底部的土建结构板6电磁防护层的贯穿节点处焊接有第二电磁防护加强板18。第二电磁防护加强板18与第一电磁防护加强板17的结构和功能相同,第二电磁防护加强板18也采用5mm厚方形镀锌钢板。需要说明的是,第一电磁防护加强板17、第二电磁防护加强板18在制作时,其钢板边长为相对应管道直径的二倍。
以上所述的实施例仅是对本发明的优选方式进行描述,并非对本发明的范围进行限定,在不脱离本发明设计精神的前提下,本领域普通技术人员对本发明的技术方案做出的各种变形和改进,均应落入本发明权利要求书确定的保护范围内。
Claims (10)
1.一种防电磁干扰的特殊洁净室,其特征在于:包括洁净室(16),所述洁净室(16)的外层封闭围合有电磁防护层,所述洁净室(16)的中部设置有土建结构板(6),所述土建结构板(6)的顶面铺设有中间隔断电磁防护层,中间隔断电磁防护层将所述洁净室(16)分为上下两个单独的屏蔽空间,上方的屏蔽空间为科研工作者的日常工作活动空间,下方的屏蔽空间为污水排放收集装置的存放空间。
2.一种用于权利要求1所述的防电磁干扰的特殊洁净室的污水排放收集装置,其特征在于:包括储污箱体(1)、排污泵控制柜(2)和多台自带铰刀型的排污泵(3);所述储污箱体(1)的外壁封闭围合有电磁防护层;
所述储污箱体(1)的顶部设置有污水接纳防护管道(4),所述污水接纳防护管道(4)的上端口设置有污水接纳预留法兰接口(7),所述污水接纳防护管道(4)的下端口延伸至所述储污箱体(1)的内部;
所述污水接纳预留法兰接口(7)通过螺栓组件与洁净室排污防护管道(5)的接口安装连通,所述洁净室排污防护管道(5)预设在所述土建结构板(6)上,所述污水接纳预留法兰接口(7)与所述洁净室排污防护管道(5)的接口之间设置有导电衬垫;
各所述排污泵(3)均位于所述储污箱体(1)的内部,并且各所述排污泵(3)的排污口通过管道均与设置在所述储污箱体(1)内部的排污总管道(8)连通,所述排污总管道(8)的排污口贯穿所述储污箱体(1)上部的侧壁后延伸至外侧;
所述排污泵控制柜(2)位于所述储污箱体(1)的外部并通过导线与各所述排污泵(3)电连接。
3.根据权利要求2所述的污水排放收集装置,其特征在于:所述储污箱体(1)内部设置有液位探测传感器(9),所述液位探测传感器(9)通过导线与所述排污泵控制柜(2)电连接。
4.根据权利要求3所述的污水排放收集装置,其特征在于:所述排污泵(3)的数量设置为两个,所述液位探测传感器(9)设置有三个液位值,分别为H0、H1和H2,所述H0、H1和H2的液位设定值依次升高,并且所述H0为停泵液位值;
所述污水接纳防护管道(4)的下端口低于所述H0,并且距离所述H0的高度差为ΔH,所述ΔH不小于0.5m;
当所述储污箱体(1)中的污水液面到达H1时,单台所述排污泵(3)工作或者两台所述排污泵(3)交替单独工作,当所述储污箱体(1)中的污水液面到达H2时,两台所述排污泵(3)同时工作。
5.根据权利要求2所述的污水排放收集装置,其特征在于:所述储污箱体(1)的顶部设置有通气口(10)和人孔屏蔽门(11)。
6.根据权利要求5所述的污水排放收集装置,其特征在于:所述通气口(10)通过通气延伸管道(12)与外界连通,所述通气延伸管道(12)的外端口上设置有蜂窝波导窗(13);
所述通气延伸管道(12)与所述通气口(10)的法兰安装端面之间设置有导电衬垫。
7.根据权利要求6所述的污水排放收集装置,其特征在于:所述排污总管道(8)通过排污延伸管道(14)与位于外界的类P型弯管(15)连通,所述排污延伸管道(14)与所述排污总管道(8)、类P型弯管(15)的法兰安装端面之间设置有导电衬垫;
所述类P型弯管(15)包括连通在一起的U形水封部(1501)和增高部(1502),所述U形水封部(1501)的高度为H3,增高部(1502)的高度为H4,所述U形水封部(1501)的一端口与所述排污延伸管道(14)连通;
所述H3不小于0.25m,所述H4不小于0.3m。
8.根据权利要求7所述的污水排放收集装置,其特征在于:所述通气延伸管道(12)和排污延伸管道(14)均采用不锈钢管,所述通气延伸管道(12)和排污延伸管道(14)与所述洁净室(16)电磁防护层的贯穿节点处焊接有第一电磁防护加强板(17)。
9.根据权利要求1所述的污水排放收集装置,其特征在于:所述洁净室排污防护管道(5)与所述土建结构板(6)电磁防护层的贯穿节点处焊接有第二电磁防护加强板(18)。
10.根据权利要求1所述的污水排放收集装置,其特征在于:所述储污箱体(1)内腔的底部设置有坡面(19),所述污水接纳防护管道(4)的下端口位于所述坡面(19)的高处,各所述排污泵(3)均位于所述坡面(19)的低处。
Priority Applications (1)
| Application Number | Priority Date | Filing Date | Title |
|---|---|---|---|
| CN202010092705.6A CN111155794B (zh) | 2020-02-14 | 2020-02-14 | 一种防电磁干扰的特殊洁净室及其污水排放收集装置 |
Applications Claiming Priority (1)
| Application Number | Priority Date | Filing Date | Title |
|---|---|---|---|
| CN202010092705.6A CN111155794B (zh) | 2020-02-14 | 2020-02-14 | 一种防电磁干扰的特殊洁净室及其污水排放收集装置 |
Publications (2)
| Publication Number | Publication Date |
|---|---|
| CN111155794A true CN111155794A (zh) | 2020-05-15 |
| CN111155794B CN111155794B (zh) | 2025-03-28 |
Family
ID=70565667
Family Applications (1)
| Application Number | Title | Priority Date | Filing Date |
|---|---|---|---|
| CN202010092705.6A Active CN111155794B (zh) | 2020-02-14 | 2020-02-14 | 一种防电磁干扰的特殊洁净室及其污水排放收集装置 |
Country Status (1)
| Country | Link |
|---|---|
| CN (1) | CN111155794B (zh) |
Citations (5)
| Publication number | Priority date | Publication date | Assignee | Title |
|---|---|---|---|---|
| JPS60101295A (ja) * | 1983-11-08 | 1985-06-05 | Sanden Corp | 圧縮容量可変型のスクロ−ル型圧縮機 |
| CN101922765A (zh) * | 2009-12-31 | 2010-12-22 | 周云正 | 装有非热等离子体空气消毒净化器的洁净室 |
| CN102953660A (zh) * | 2012-10-25 | 2013-03-06 | 西安开容电子技术有限责任公司 | 钢制通风窗与铝制屏蔽腔体连接结构的安装方法 |
| CN106677276A (zh) * | 2016-12-31 | 2017-05-17 | 上海小木偶智能科技有限公司 | 电磁屏蔽建筑结构的给排水系统电磁防护装置及方法 |
| CN109279712A (zh) * | 2018-12-21 | 2019-01-29 | 深圳市旗环境科技有限公司 | 一种电磁干扰废水处理设备及其处理方法 |
-
2020
- 2020-02-14 CN CN202010092705.6A patent/CN111155794B/zh active Active
Patent Citations (5)
| Publication number | Priority date | Publication date | Assignee | Title |
|---|---|---|---|---|
| JPS60101295A (ja) * | 1983-11-08 | 1985-06-05 | Sanden Corp | 圧縮容量可変型のスクロ−ル型圧縮機 |
| CN101922765A (zh) * | 2009-12-31 | 2010-12-22 | 周云正 | 装有非热等离子体空气消毒净化器的洁净室 |
| CN102953660A (zh) * | 2012-10-25 | 2013-03-06 | 西安开容电子技术有限责任公司 | 钢制通风窗与铝制屏蔽腔体连接结构的安装方法 |
| CN106677276A (zh) * | 2016-12-31 | 2017-05-17 | 上海小木偶智能科技有限公司 | 电磁屏蔽建筑结构的给排水系统电磁防护装置及方法 |
| CN109279712A (zh) * | 2018-12-21 | 2019-01-29 | 深圳市旗环境科技有限公司 | 一种电磁干扰废水处理设备及其处理方法 |
Also Published As
| Publication number | Publication date |
|---|---|
| CN111155794B (zh) | 2025-03-28 |
Similar Documents
| Publication | Publication Date | Title |
|---|---|---|
| CN102660961A (zh) | 一体化地下综合管廊 | |
| CN205385260U (zh) | 一种防渗水高压穿墙套管板框 | |
| CN111155794A (zh) | 一种防电磁干扰的特殊洁净室及其污水排放收集装置 | |
| CN212001257U (zh) | 一种共壁式可排水型综合管沟 | |
| CN209837243U (zh) | 一种智慧城市的地下室排水系统 | |
| CN100547868C (zh) | 埋入式非晶合金预装变电站 | |
| CN102042869A (zh) | 一种建筑排水噪声测量系统及测量方法 | |
| CN102691310A (zh) | 预制拼装式综合管廊进风井 | |
| CN211692477U (zh) | 叠线隧道 | |
| CN209703564U (zh) | 一种可自动排水的通信机楼局前井 | |
| CN210395511U (zh) | 一种防盗防雷防噪集装箱式户外智慧泵房 | |
| CN214116933U (zh) | 一种分流井的有效排放系统 | |
| CN223723868U (zh) | 具有电磁屏蔽功能的地漏装置 | |
| CN108962566A (zh) | 降低居民区地下室配电变压器噪声的方法 | |
| CN219123902U (zh) | 一种防止外部水通过电缆排管流入隧道的系统 | |
| CN223451593U (zh) | 一种电缆沟防水防火封堵结构 | |
| CN218861679U (zh) | 一种排水结构的新型排水管道 | |
| CN110952992A (zh) | 叠线隧道 | |
| CN218757760U (zh) | 排污插件、排污直管及排污系统 | |
| CN220503951U (zh) | 一种防积水微型管廊 | |
| CN219386407U (zh) | 一种顶部式防爆波电缆井组合体系 | |
| CN217517755U (zh) | 一种室内排水沟与室外排水管道连接用水封装置 | |
| CN119801115A (zh) | 用于电磁屏蔽空间的地漏装置 | |
| CN218580694U (zh) | 综合管廊连通式集水井构造 | |
| CN214614528U (zh) | 埋地式一体化泵站 |
Legal Events
| Date | Code | Title | Description |
|---|---|---|---|
| PB01 | Publication | ||
| PB01 | Publication | ||
| SE01 | Entry into force of request for substantive examination | ||
| SE01 | Entry into force of request for substantive examination | ||
| GR01 | Patent grant | ||
| GR01 | Patent grant |