CN111081425A - Pencil sticky tape wind - Google Patents

Pencil sticky tape wind Download PDF

Info

Publication number
CN111081425A
CN111081425A CN201911179017.7A CN201911179017A CN111081425A CN 111081425 A CN111081425 A CN 111081425A CN 201911179017 A CN201911179017 A CN 201911179017A CN 111081425 A CN111081425 A CN 111081425A
Authority
CN
China
Prior art keywords
belt conveying
conveying mechanism
fixed
base
belt
Prior art date
Legal status (The legal status is an assumption and is not a legal conclusion. Google has not performed a legal analysis and makes no representation as to the accuracy of the status listed.)
Granted
Application number
CN201911179017.7A
Other languages
Chinese (zh)
Other versions
CN111081425B (en
Inventor
纪祥
李容
周顺
周忠
Current Assignee (The listed assignees may be inaccurate. Google has not performed a legal analysis and makes no representation or warranty as to the accuracy of the list.)
Wuhu Qiaoyun & Youxing Electrical Industrial Co ltd
Original Assignee
Wuhu Qiaoyun & Youxing Electrical Industrial Co ltd
Priority date (The priority date is an assumption and is not a legal conclusion. Google has not performed a legal analysis and makes no representation as to the accuracy of the date listed.)
Filing date
Publication date
Application filed by Wuhu Qiaoyun & Youxing Electrical Industrial Co ltd filed Critical Wuhu Qiaoyun & Youxing Electrical Industrial Co ltd
Priority to CN201911179017.7A priority Critical patent/CN111081425B/en
Publication of CN111081425A publication Critical patent/CN111081425A/en
Application granted granted Critical
Publication of CN111081425B publication Critical patent/CN111081425B/en
Active legal-status Critical Current
Anticipated expiration legal-status Critical

Links

Images

Classifications

    • HELECTRICITY
    • H01ELECTRIC ELEMENTS
    • H01BCABLES; CONDUCTORS; INSULATORS; SELECTION OF MATERIALS FOR THEIR CONDUCTIVE, INSULATING OR DIELECTRIC PROPERTIES
    • H01B13/00Apparatus or processes specially adapted for manufacturing conductors or cables
    • H01B13/012Apparatus or processes specially adapted for manufacturing conductors or cables for manufacturing wire harnesses
    • H01B13/01263Tying, wrapping, binding, lacing, strapping or sheathing harnesses
    • H01B13/01281Harness wrapping apparatus

Landscapes

  • Engineering & Computer Science (AREA)
  • Manufacturing & Machinery (AREA)
  • Basic Packing Technique (AREA)

Abstract

The invention discloses a wire harness adhesive tape winding device which comprises a base, wherein a wire feeding mechanism, a guide mechanism, a rotating mechanism and a clamping mechanism are sequentially arranged on the base along a wire harness moving direction, the wire feeding mechanism comprises a first belt conveying mechanism, a second belt conveying mechanism and a moving platform, the second belt conveying mechanism is positioned above the first belt conveying mechanism, one part of the first belt conveying mechanism is exposed to form a feeding area, convex edges are fixed on a conveying belt of the first belt conveying mechanism at equal distances, a first cylinder is arranged on the base, a piston rod of the first cylinder is connected with the moving platform, a wire harness groove is formed in the top of the moving platform, a first sliding groove is formed in the base, the bottom of the moving platform is connected with the first sliding groove in a sliding manner, the first sliding groove is vertical to the first belt conveying mechanism, the initial position of the moving platform is positioned at the tail end of the first belt, the guiding mechanism comprises a driving roller and a driven roller, and the adhesive tape is arranged on the rotating mechanism.

Description

Pencil sticky tape wind
Technical Field
The invention relates to the field of wire harness processing equipment, in particular to a wire harness adhesive tape winding device.
Background
The peripheral winding sticky tape of pencil plays the mark, and fixed and insulating effect is generally in the same place many pencil with the sticky tape winding, among the prior art, generally passes the sticky tape coiler with the pencil by operating personnel to remove the pencil, the sticky tape coiler drives the sticky tape rotation and makes the sticky tape winding at the pencil periphery, and the manual work send the line to consume time, and sticky tape winding efficiency is lower.
Disclosure of Invention
The invention aims to provide a wire harness adhesive tape winding device to solve the problem that in the prior art, the wire feeding time is long in the process of winding an adhesive tape by a wire harness.
The wire harness adhesive tape winding device comprises a base, wherein a wire feeding mechanism, a guide mechanism, a rotating mechanism and a clamping mechanism are sequentially arranged on the base along a wire harness moving direction, the wire feeding mechanism comprises a first belt conveying mechanism, a second belt conveying mechanism and a moving platform, the first belt conveying mechanism and the second belt conveying mechanism are arranged on a side plate of the base, the second belt conveying mechanism is arranged above the first belt conveying mechanism, the length of the second belt conveying mechanism is shorter than that of the first belt conveying mechanism, one part of the first belt conveying mechanism is exposed to form a feeding area, ribs are fixed on a conveying belt of the first belt conveying mechanism at equal intervals, the conveying belt of the second belt conveying mechanism is pressed on the ribs, a first air cylinder is arranged on the base, the extending end of a piston rod of the first air cylinder penetrates through the side plate and is fixedly connected with the moving platform, a wire harness groove is formed in the top, when the wire is fed, one part of the wire harness extends out of the wire harness groove, the first sliding groove is formed in the base, the bottom of the mobile station is connected with the first sliding groove in a sliding mode, the first sliding groove is arranged along the moving direction of the wire harness and perpendicular to the first belt conveying mechanism, the initial position of the mobile station is located at the tail end of the first belt conveying mechanism, the guide mechanism comprises a driving roller and a driven roller, and the adhesive tape is installed on the rotating mechanism.
Preferably, a supporting plate is fixed on the base, a first driving roller shaft is rotatably connected with the supporting plate and is fixedly connected with a first rotating wheel, a first motor is installed in front of the supporting plate, an output shaft of the first motor penetrates through the supporting plate and is fixedly connected with a second rotating wheel, the first rotating wheel is connected with the second rotating wheel through a first driving belt, a guide pipe is vertically fixed on the base and is inserted with a sliding rod in a sliding mode, a driven roller shaft is vertically fixed at the upper end of the sliding rod, a guide groove is formed in the supporting plate, the driven roller shaft is slidably connected with the guide groove, the driven roller is located right above the driving roller, a first connecting rod is hinged to the sliding rod, a second connecting rod which is horizontally arranged is fixed on the moving platform, and the first connecting.
Preferably, rotary mechanism includes ring gear and shell, the ring gear rotates with the shell to be connected, install motor two in the shell, install runner three on motor two's the output shaft, runner three is connected with the ring gear through drive belt two, the terminal surface is fixed with the sticky tape mounting bracket before the ring gear, the ring gear inboard is fixed with the flat board, be equipped with in the middle of the flat board and be located recess and logical groove at ring gear center, lead to groove and recess intercommunication, lead to the groove and be located recess bottom front end, the sticky tape passes lead to the groove and be connected to the pencil.
Preferably, the clamping mechanism comprises a second air cylinder, a second sliding groove is formed in the base, a third motor is installed on the base, a lead screw nut mechanism is fixedly connected to an output shaft of the third motor, the second air cylinder is fixed to a nut of the lead screw nut mechanism, the bottom of the second air cylinder is in sliding connection with the second sliding groove, a first clamping plate is fixed to the side wall of the second air cylinder, and a second clamping plate is fixed to the extending end of a piston rod of the second air cylinder.
Preferably, a control panel is installed on the side plate, and the control panel is electrically connected with the wire feeding mechanism, the guiding mechanism, the rotating mechanism and the clamping mechanism.
Preferably, the adhesive tape mounting frame comprises a mounting shaft, a first baffle is fixed on the mounting shaft, a second baffle is connected to the end of the mounting shaft in a threaded manner, and the adhesive tape is sleeved on the mounting shaft and located between the first baffle and the second baffle.
Preferably, a guide support which is in the same direction as the sliding groove is fixed on the base, a plurality of sliding blocks are connected to the guide support in a sliding mode, and the sliding blocks are fixedly connected with the second connecting rod through supporting rods.
The invention has the advantages that: the wire feeding mechanism, the guiding mechanism and the clamping mechanism are arranged to guide the wire harness to move at a constant speed, so that the wire harness winding machine is suitable for winding adhesive tapes of large-batch wire harnesses; ribs are fixed on the first belt conveying mechanism at equal distances to enable the wire harnesses to be uniformly distributed, and the second belt conveying mechanism enables the wire harnesses to be kept in a horizontal wire feeding mechanism and controls the wire feeding mechanism to feed quantitative wire harnesses to the guide mechanism each time through the control panel; the mobile station is provided with a wire harness groove, so that each wire harness falling onto the mobile station slides to the bottom of the wire harness groove; the mobile station and the driven roller are linked through the first connecting rod and the second connecting rod, so that when the mobile station moves towards the guide mechanism, the driven roller also gradually descends until the wiring harness is pressed; the second connecting rod is connected with the sliding block through the supporting rod, so that the second connecting rod is more stable; a flat plate in the rotating mechanism is provided with a groove for guiding the moving direction of the wire bundle; the clamping mechanism clamps the end part of the wire harness and drives the wire harness to move at a constant speed so that the adhesive tape is uniformly wound on the periphery of the wire harness.
Drawings
Fig. 1 is a front view of the present invention.
Fig. 2 is a side view of the wire feeding mechanism of the present invention.
Fig. 3 and 4 are schematic structural diagrams of the guide mechanism of the invention at different angles.
Fig. 5 is a schematic external structural view of the rotating mechanism of the present invention.
Fig. 6 is a schematic view of the internal structure of the rotating mechanism of the present invention.
FIG. 7 is a schematic structural diagram of a clamping mechanism according to the present invention.
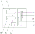
Wherein, 1-a base, 2-a side plate, 3-a wire feeding mechanism, 4-a guiding mechanism, 5-a rotating mechanism, 6-a clamping mechanism, 7-a belt conveying mechanism I, 8-a belt conveying mechanism II, 9-a moving table, 10-a rib, 11-an air cylinder I, 12-a wire harness groove, 13-a chute I, 14-a driving roller, 15-a driven roller, 16-a supporting plate, 17-a rotating wheel I, 18-a motor I, 19-a rotating wheel II, 20-a driving belt I, 21-a mounting block, 22-a sliding rod, 23-a guiding groove, 24-a connecting rod I, 25-a connecting rod II, 26-a ring wheel, 27-a shell, 28-a motor II, 29-a rotating wheel III, 30-a driving belt II and 31-a flat plate, 32-groove, 33-through groove, 34-cylinder two, 35-sliding groove two, 36-motor three, 37-screw rod, 38-clamping plate one, 39-clamping plate two, 40-control panel, 41-mounting shaft, 42-baffle one, 43-baffle two, 44-guide bracket, 45-slide block and 46-support rod.
Detailed Description
The following detailed description of the embodiments of the present invention will be given in order to help those skilled in the art understand the inventive concept and technical solutions of the present invention more completely, accurately and deeply by describing the embodiments with reference to the accompanying drawings.
As shown in fig. 1 to 7, a wire harness adhesive tape winding device comprises a base 1, wherein a wire feeding mechanism 3, a guide mechanism 4, a rotating mechanism 5 and a clamping mechanism 6 are sequentially installed on the base 1 along a wire harness moving direction, the wire feeding mechanism 3 comprises a first belt conveying mechanism 7, a second belt conveying mechanism 8 and a moving platform 9, the first belt conveying mechanism 7 and the second belt conveying mechanism 8 are installed on a side plate 2 of the base 1, the second belt conveying mechanism 8 is located above the first belt conveying mechanism 7 and is shorter than the first belt conveying mechanism 7 in length, a part of the first belt conveying mechanism 7 is exposed to form a feeding area, ribs 10 are fixed on a conveying belt of the first belt conveying mechanism 7 at equal intervals, a conveying belt of the second belt conveying mechanism 8 is pressed on the ribs 10, a first air cylinder 11 is installed on the base, an extending end of a piston rod of the first air cylinder 11 penetrates through the side plate 2 and is fixedly connected with the moving platform 9, the wire harness feeding device is characterized in that a wire harness groove 12 is formed in the top of the mobile station, a part of a wire harness extends out of the wire harness groove during wire feeding, a first sliding groove 13 is formed in the base 1, the bottom of the mobile station 9 is in sliding connection with the first sliding groove 13, the first sliding groove 13 is arranged along the moving direction of the wire harness and is perpendicular to a first belt conveying mechanism 7, the initial position of the mobile station 9 is located at the tail end of the first belt conveying mechanism 7, the guide mechanism 4 comprises a driving roller 14 and a driven roller 15, and an adhesive tape is installed on the rotating mechanism 5.
The automatic feeding device is characterized in that a supporting plate 16 is fixed on the base 1, a shaft of the driving roller 14 is rotatably connected with the supporting plate 16 and is fixedly connected with a first rotating wheel 17, a first motor 18 is installed in front of the supporting plate 16, an output shaft of the first motor 18 penetrates through the supporting plate 16 and is fixedly connected with a second rotating wheel 19, the first rotating wheel 17 is connected with the second rotating wheel 19 through a first transmission belt 20, a guide pipe 21 is vertically fixed on the base 1, a sliding rod 22 is inserted in the guide pipe in a sliding mode, a shaft of the driven roller 15 is vertically fixed at the upper end of the sliding rod 22, a guide groove 23 is formed in the supporting plate 16, the shaft of the driven roller 15 is slidably connected with the guide groove 23, the driven roller 15 is located right above the driving roller 14, a first connecting rod 24 is hinged to the sliding rod 22, a second connecting rod 25 which is.
Rotary mechanism 5 includes ring gear 26 and shell 27, ring gear 26 rotates with shell 27 to be connected, install two 28 motors in the shell 27, install three 29 runners on two 28 motors's the output shaft, three 29 runners pass through two 30 drive belt and are connected with ring gear 26, the terminal surface is fixed with the sticky tape mounting bracket before the ring gear 26, 26 inboard dull and stereotyped 31 that are fixed with of ring gear, be equipped with in the middle of the dull and stereotyped 31 and be located the recess 32 and the logical groove 33 at ring gear center, logical groove 33 and recess 32 intercommunication, logical groove 33 is located recess 32 bottom front end, the sticky tape passes logical groove 32 is connected to the pencil.
The clamping mechanism 6 comprises a second air cylinder 34, a second sliding groove 35 is formed in the base 1, a third motor 36 is installed on the base 1, a lead screw nut mechanism 37 is fixedly connected to an output shaft of the third motor 36, the second air cylinder 34 is fixed to a nut of the lead screw nut mechanism 37, the bottom of the second air cylinder 34 is in sliding connection with the second sliding groove 35, a first clamping plate 38 is fixed to the side wall of the second air cylinder 34, and a second clamping plate 39 is fixed to the extending end of a piston rod of the second air cylinder 34.
And a control panel 40 is arranged on the side plate 2 and is electrically connected with the wire feeding mechanism 3, the guide mechanism 4, the rotating mechanism 5 and the clamping mechanism 6.
The adhesive tape mounting frame comprises a mounting shaft 41, a first baffle 42 is fixed on the mounting shaft 41, a second baffle 43 is in threaded connection with the end of the mounting shaft 41, and the adhesive tape is sleeved on the mounting shaft 41 and located between the first baffle 42 and the second baffle 43.
The base 1 is fixed with a guide support 44 which is in the same direction as the first sliding groove 13, the guide support 44 is connected with a plurality of sliding blocks 45 in a sliding mode, and the sliding blocks 45 are fixedly connected with the second connecting rod 25 through supporting rods 46.
The working process of the invention is as follows:
putting a pile of wire harnesses with the same specification into a feeding area of a first belt conveying mechanism 7, paving the wire harnesses by hand to enable each wire harness to be positioned between two adjacent convex ribs 10, controlling and starting the first belt conveying mechanism 7 and a second belt conveying mechanism 8 through a control panel 40, enabling the wire harnesses to move towards a moving platform 9, pressing the second belt conveying mechanism 8 above the wire harnesses, keeping the wire harnesses horizontal, enabling the wire harnesses to fall into a wire harness groove 12 of the moving platform 9, when the first belt conveying mechanism 7 runs for a set time, the first belt conveying mechanism 7 stops temporarily, a certain number of wire harnesses are arranged in the wire harness groove 12, enabling one part of the wire harnesses to extend out of the wire harness groove 12, starting a first air cylinder 11, enabling the moving platform 9 to move towards the guiding mechanism 4 along a first sliding groove 13, a second connecting rod 25 on the moving platform 9 drives a first connecting rod 24 to swing, the first connecting rod 24 drives a sliding rod 22 to move up and down, and when the part of the, the driven roller 15 descends to press the wiring harness, the mobile station 9 stops moving, the first motor 18 is started to enable the second rotating wheel 19 to rotate and drive the first rotating wheel 17 to rotate through the first transmission belt 20, so that the driving roller 14 rotates to drive the wiring harness to convey forwards, the wiring harness groove 12 is collinear with the groove 32, the driving roller 14 is at the same height as the groove 32, the wiring harness falls into the groove 32 on the flat plate 31, then the wiring harness moves forwards to fall onto the first clamping plate 38 to stop, and the adhesive tape passes through the through groove 33 to finish wire feeding.
An operator sticks the adhesive tape on the wire harness, starts the second cylinder 34 to drive the second clamping plate 39 to descend to clamp the wire harness, then the third motor 36 drives the screw rod and nut mechanism to drive the second cylinder 34 to move forwards, the annular wheel 26 rotates simultaneously to wind the adhesive tape on the wire harness, after winding is finished, the moving table 9 returns to the position before the first belt conveying mechanism 7, the driven roller 15 ascends, the second clamping plate 39 loosens the wire harness, the adhesive tape is cut off, the wire harness is taken down, and the wire feeding mechanism 2 continues to feed wires.
The invention is described above with reference to the accompanying drawings, it is obvious that the specific implementation of the invention is not limited by the above-mentioned manner, and it is within the scope of the invention to adopt various insubstantial modifications of the inventive concept and solution of the invention, or to apply the inventive concept and solution directly to other applications without modification.

Claims (7)

1. The utility model provides a pencil sticky tape wind which characterized in that: the wire feeding mechanism comprises a base (1), wherein a wire feeding mechanism (3), a guide mechanism (4), a rotating mechanism (5) and a clamping mechanism (6) are sequentially arranged on the base (1) along a wire harness moving direction, the wire feeding mechanism (3) comprises a first belt conveying mechanism (7), a second belt conveying mechanism (8) and a moving platform (9), the first belt conveying mechanism (7) and the second belt conveying mechanism (8) are arranged on a side plate (2) of the base (1), the second belt conveying mechanism (8) is positioned above the first belt conveying mechanism (7) and is shorter than the first belt conveying mechanism (7), one part of the first belt conveying mechanism (7) is exposed to form a feeding area, ribs (10) are fixed on a conveying belt of the first belt conveying mechanism (7) at equal distances, and the conveying belt of the second belt conveying mechanism (8) is pressed on the ribs (10), install cylinder (11) on the base, curb plate (2) and fixed connection are passed to the end that stretches out of the piston rod of cylinder (11) mobile station (9), the mobile station top is equipped with wire harness groove (12), and the wire harness groove is stretched out to some of pencil when sending the line, be equipped with spout (13) on base (1), mobile station (9) bottom and spout (13) sliding connection, spout (13) are restrainted the moving direction along the line and are set up and perpendicular to belt conveyor (7), the initial position of mobile station (9) is located belt conveyor (7) tail end, guiding mechanism (4) include drive roll (14) and driven voller (15), and the sticky tape is installed rotary mechanism (5) are last.
2. The tape winding apparatus according to claim 1, wherein: a support plate (16) is fixed on the base (1), a shaft of the driving roller (14) is rotatably connected with the support plate (16) and is fixedly connected with a first rotating wheel (17), a first motor (18) is installed in front of the support plate (16), an output shaft of the first motor (18) penetrates through the support plate (16) and is fixedly connected with a second rotating wheel (19), the first rotating wheel (17) is connected with the second rotating wheel (19) through a first transmission belt (20), a guide pipe (21) is vertically fixed on the base (1), a sliding rod (22) is inserted in the guide pipe in a sliding manner, a shaft of the driven roller (15) is vertically fixed at the upper end of the sliding rod (22), a guide groove (23) is formed in the support plate (16), a shaft of the driven roller (15) is slidably connected with the guide groove (23), the driven roller (15) is positioned right above the driving roller (14), and a first connecting rod (24) is hinged, a second connecting rod (25) which is horizontally arranged is fixed on the moving platform (9), and the first connecting rod (24) is hinged with the second connecting rod (25).
3. The tape winding apparatus according to claim 1, wherein: rotary mechanism (5) include ring gear (26) and shell (27), ring gear (26) are rotated with shell (27) and are connected, install motor two (28) in shell (27), install runner three (29) on the output shaft of motor two (28), runner three (29) are connected with ring gear (26) through drive belt two (30), ring gear (26) preceding terminal surface is fixed with the sticky tape mounting bracket, ring gear (26) inboard is fixed with dull and stereotyped (31), be equipped with in the middle of dull and stereotyped (31) and be located recess (32) and logical groove (33) at ring gear center, lead to groove (33) and recess (32) intercommunication, lead to groove (33) and be located recess (32) bottom front end, the sticky tape passes lead to groove (32) and be connected to the pencil.
4. The tape winding apparatus according to claim 1, wherein: fixture (6) is including cylinder two (34), be equipped with spout two (35) on base (1), install motor three (36) on base (1), the output shaft fixedly connected with lead screw nut mechanism (37) of motor three (36), cylinder two (34) are fixed on the nut of lead screw nut mechanism (37), cylinder two (34) bottom and spout two (35) sliding connection, be fixed with splint one (38) on cylinder two (34) lateral wall, the end that stretches out of the piston rod of cylinder two (34) is fixed with splint two (39).
5. The tape winding apparatus according to claim 1, wherein: the wire feeding device is characterized in that a control panel (40) is installed on the side plate (2), and the control panel is electrically connected with the wire feeding mechanism (3), the guide mechanism (4), the rotating mechanism (5) and the clamping mechanism (6).
6. The tape winding apparatus according to claim 3, wherein: the adhesive tape mounting frame comprises a mounting shaft (41), a first baffle (42) is fixed on the mounting shaft (41), a second baffle (43) is connected to the end part of the mounting shaft (41) in a threaded manner, and the adhesive tape is sleeved on the mounting shaft (41) and located between the first baffle (42) and the second baffle (43).
7. The tape winding apparatus according to claim 1, wherein: be fixed with on base (1) with spout one (13) syntropy guide bracket (44), sliding connection has a plurality of sliders (45) on guide bracket (44), through bracing piece (46) fixed connection between slider (45) and connecting rod two (25).
CN201911179017.7A 2019-11-27 2019-11-27 Pencil sticky tape wind Active CN111081425B (en)

Priority Applications (1)

Application Number Priority Date Filing Date Title
CN201911179017.7A CN111081425B (en) 2019-11-27 2019-11-27 Pencil sticky tape wind

Applications Claiming Priority (1)

Application Number Priority Date Filing Date Title
CN201911179017.7A CN111081425B (en) 2019-11-27 2019-11-27 Pencil sticky tape wind

Publications (2)

Publication Number Publication Date
CN111081425A true CN111081425A (en) 2020-04-28
CN111081425B CN111081425B (en) 2021-08-27

Family

ID=70311755

Family Applications (1)

Application Number Title Priority Date Filing Date
CN201911179017.7A Active CN111081425B (en) 2019-11-27 2019-11-27 Pencil sticky tape wind

Country Status (1)

Country Link
CN (1) CN111081425B (en)

Cited By (4)

* Cited by examiner, † Cited by third party
Publication number Priority date Publication date Assignee Title
CN112110279A (en) * 2020-08-31 2020-12-22 盐城市华悦汽车部件有限公司 Automatic winding equipment of car pencil convenient to installation
CN113161078A (en) * 2021-04-25 2021-07-23 芜湖博康机电有限公司 A twine sticky tape mechanism for pencil
CN115410773A (en) * 2021-04-25 2022-11-29 芜湖博康机电有限公司 An operation method for cable wrapping and winding equipment
CN117326399A (en) * 2023-10-28 2024-01-02 青岛海阔万通电子产品有限公司 Automatic winding equipment of pencil convenient to installation

Families Citing this family (1)

* Cited by examiner, † Cited by third party
Publication number Priority date Publication date Assignee Title
CN115762905B (en) * 2022-12-19 2025-11-25 南通协成电子有限公司 An automatic wire harness tape winding device and its usage method

Citations (12)

* Cited by examiner, † Cited by third party
Publication number Priority date Publication date Assignee Title
US4197348A (en) * 1978-02-15 1980-04-08 Magna-Ply Company Wrapped elongated structure in which positioning of a one sided adhesive tape is such as to permit wrapping to move relative to a core
JPH07123010B2 (en) * 1989-09-18 1995-12-25 三菱電線工業株式会社 Cable retainer for reverse twist assembly line
JP2001195933A (en) * 2000-01-11 2001-07-19 Hitachi Cable Ltd Twist transmission device
CN107086092A (en) * 2017-06-19 2017-08-22 合肥宝创电子科技有限公司 Cable continuous type extrusion moulding machine for construction
CN207046596U (en) * 2017-05-15 2018-02-27 东莞市长安华为电线制品有限公司 A wire binding conveyor for an automatic winding and binding machine
CN207074582U (en) * 2017-08-03 2018-03-06 常州贝伦迪线束技术股份有限公司 A kind of wire harness wrapping machine
CN207240531U (en) * 2017-09-13 2018-04-17 嘉兴日可电子有限公司 A kind of integrated circuit plate welding foot cutting machine
CN108461217A (en) * 2018-03-06 2018-08-28 苏州利华科技股份有限公司 A kind of automation adhesive tape Wiring apparatus
CN208444671U (en) * 2018-04-26 2019-01-29 云南恩典塑业有限公司 A kind of braider with traction device
CN109346247A (en) * 2018-11-15 2019-02-15 盐城市华悦汽车部件有限公司 A kind of automobile wiring harness automatic wrapping equipment
CN208695165U (en) * 2018-07-05 2019-04-05 湘西金立丰农业发展有限公司 Crushed aggregates device is used in a kind of processing of roughage
CN109850689A (en) * 2018-12-04 2019-06-07 晋源电气集团股份有限公司 A kind of cable winding device and its application method

Patent Citations (12)

* Cited by examiner, † Cited by third party
Publication number Priority date Publication date Assignee Title
US4197348A (en) * 1978-02-15 1980-04-08 Magna-Ply Company Wrapped elongated structure in which positioning of a one sided adhesive tape is such as to permit wrapping to move relative to a core
JPH07123010B2 (en) * 1989-09-18 1995-12-25 三菱電線工業株式会社 Cable retainer for reverse twist assembly line
JP2001195933A (en) * 2000-01-11 2001-07-19 Hitachi Cable Ltd Twist transmission device
CN207046596U (en) * 2017-05-15 2018-02-27 东莞市长安华为电线制品有限公司 A wire binding conveyor for an automatic winding and binding machine
CN107086092A (en) * 2017-06-19 2017-08-22 合肥宝创电子科技有限公司 Cable continuous type extrusion moulding machine for construction
CN207074582U (en) * 2017-08-03 2018-03-06 常州贝伦迪线束技术股份有限公司 A kind of wire harness wrapping machine
CN207240531U (en) * 2017-09-13 2018-04-17 嘉兴日可电子有限公司 A kind of integrated circuit plate welding foot cutting machine
CN108461217A (en) * 2018-03-06 2018-08-28 苏州利华科技股份有限公司 A kind of automation adhesive tape Wiring apparatus
CN208444671U (en) * 2018-04-26 2019-01-29 云南恩典塑业有限公司 A kind of braider with traction device
CN208695165U (en) * 2018-07-05 2019-04-05 湘西金立丰农业发展有限公司 Crushed aggregates device is used in a kind of processing of roughage
CN109346247A (en) * 2018-11-15 2019-02-15 盐城市华悦汽车部件有限公司 A kind of automobile wiring harness automatic wrapping equipment
CN109850689A (en) * 2018-12-04 2019-06-07 晋源电气集团股份有限公司 A kind of cable winding device and its application method

Non-Patent Citations (1)

* Cited by examiner, † Cited by third party
Title
张慧敏等: "《全自动线束缠绕机研发》", 《包装工程》 *

Cited By (6)

* Cited by examiner, † Cited by third party
Publication number Priority date Publication date Assignee Title
CN112110279A (en) * 2020-08-31 2020-12-22 盐城市华悦汽车部件有限公司 Automatic winding equipment of car pencil convenient to installation
CN113161078A (en) * 2021-04-25 2021-07-23 芜湖博康机电有限公司 A twine sticky tape mechanism for pencil
CN115410773A (en) * 2021-04-25 2022-11-29 芜湖博康机电有限公司 An operation method for cable wrapping and winding equipment
CN113161078B (en) * 2021-04-25 2024-05-17 芜湖博康机电有限公司 Adhesive tape winding mechanism for wire harness
CN115410773B (en) * 2021-04-25 2025-06-17 芜湖博康机电股份有限公司 A method for operating a cable outer wrapping winding device
CN117326399A (en) * 2023-10-28 2024-01-02 青岛海阔万通电子产品有限公司 Automatic winding equipment of pencil convenient to installation

Also Published As

Publication number Publication date
CN111081425B (en) 2021-08-27

Similar Documents

Publication Publication Date Title
CN111081425B (en) Pencil sticky tape wind
CN108666849B (en) Full-automatic contact pin bending all-in-one machine
CN116683255B (en) Automatic feeding equipment for special cable crimping
CN201490021U (en) Automatic rubber coating machine of capacitor
CN215578183U (en) Ring magnetic core back of body machine of gluing
CN215707651U (en) Novel embedded drying agent feeding mechanism for delivery reciprocating type packaging machine
CN112645154A (en) Cable processing is with pulling take-up device
CN107706835B (en) A kind of cable laser cutting peeling equipment
CN210973440U (en) Full-automatic wire harness rubber coating machine
CN211310363U (en) Full-automatic tape pasting equipment
CN115603139A (en) Automatic peeling, tin dipping and line ironing machine
CN210366281U (en) Rubber belt wrapping device for inductor
CN217986948U (en) Automatic coiler of silica gel crawler-type round brush
CN109968682B (en) Multi-drive glue removing device and method for covering glue on conveyor belt connector and wire rope core glue
CN217947175U (en) General type coiling machine
CN102931562B (en) Two-wire overlapped terminal crimping mechanism
CN210259143U (en) Adhesive tape tearing device for inductor production
CN212149395U (en) Carton packing device
CN211266719U (en) Automatic coil inserting machine for stator
CN223132438U (en) Soft connecting wire winding device
CN219903560U (en) Automatic die-adjusting corner-attaching machine
CN219979337U (en) Paper wrapping device for transformer pin
CN117175873B (en) Stator coil tin coating equipment and process thereof
CN113674989B (en) Double-shaft peeling winding and rubber wrapping machine
CN213845027U (en) Coil rubber-coated paper machine

Legal Events

Date Code Title Description
PB01 Publication
PB01 Publication
SE01 Entry into force of request for substantive examination
SE01 Entry into force of request for substantive examination
CB02 Change of applicant information

Address after: 241000 No.6, Baimashan Road, high tech Industrial Development Zone, Yijiang District, Wuhu City, Anhui Province

Applicant after: WUHU QIAOYUN & YOUXING ELECTRICAL INDUSTRIAL Co.,Ltd.

Address before: 241000 No. 1-1 Fuda Industrial Park, Fengming Hunan Road, Jiujiang Economic and Technological Development Zone, Wuhu City, Anhui Province

Applicant before: WUHU QIAOYUN & YOUXING ELECTRICAL INDUSTRIAL Co.,Ltd.

CB02 Change of applicant information
GR01 Patent grant
GR01 Patent grant