CN110979139B - Multipurpose agricultural product harvesting device - Google Patents

Multipurpose agricultural product harvesting device Download PDF

Info

Publication number
CN110979139B
CN110979139B CN201910386706.9A CN201910386706A CN110979139B CN 110979139 B CN110979139 B CN 110979139B CN 201910386706 A CN201910386706 A CN 201910386706A CN 110979139 B CN110979139 B CN 110979139B
Authority
CN
China
Prior art keywords
plate
sliding pipe
pipe
support frame
drop
Prior art date
Legal status (The legal status is an assumption and is not a legal conclusion. Google has not performed a legal analysis and makes no representation as to the accuracy of the status listed.)
Active
Application number
CN201910386706.9A
Other languages
Chinese (zh)
Other versions
CN110979139A (en
Inventor
不公告发明人
Current Assignee (The listed assignees may be inaccurate. Google has not performed a legal analysis and makes no representation or warranty as to the accuracy of the list.)
Yichuan Yan'an Red Agricultural Products Trading Co.,Ltd.
Original Assignee
Hefei Jungang Machinery Technology Co ltd
Priority date (The priority date is an assumption and is not a legal conclusion. Google has not performed a legal analysis and makes no representation as to the accuracy of the date listed.)
Filing date
Publication date
Application filed by Hefei Jungang Machinery Technology Co ltd filed Critical Hefei Jungang Machinery Technology Co ltd
Priority to CN201910386706.9A priority Critical patent/CN110979139B/en
Publication of CN110979139A publication Critical patent/CN110979139A/en
Application granted granted Critical
Publication of CN110979139B publication Critical patent/CN110979139B/en
Active legal-status Critical Current
Anticipated expiration legal-status Critical

Links

Images

Classifications

    • BPERFORMING OPERATIONS; TRANSPORTING
    • B60VEHICLES IN GENERAL
    • B60PVEHICLES ADAPTED FOR LOAD TRANSPORTATION OR TO TRANSPORT, TO CARRY, OR TO COMPRISE SPECIAL LOADS OR OBJECTS
    • B60P3/00Vehicles adapted to transport, to carry or to comprise special loads or objects
    • BPERFORMING OPERATIONS; TRANSPORTING
    • B60VEHICLES IN GENERAL
    • B60RVEHICLES, VEHICLE FITTINGS, OR VEHICLE PARTS, NOT OTHERWISE PROVIDED FOR
    • B60R3/00Arrangements of steps or ladders facilitating access to or on the vehicle, e.g. running-boards
    • B60R3/002Running boards
    • BPERFORMING OPERATIONS; TRANSPORTING
    • B60VEHICLES IN GENERAL
    • B60RVEHICLES, VEHICLE FITTINGS, OR VEHICLE PARTS, NOT OTHERWISE PROVIDED FOR
    • B60R3/00Arrangements of steps or ladders facilitating access to or on the vehicle, e.g. running-boards
    • B60R3/007Removable steps or ladders, e.g. foldable

Landscapes

  • Engineering & Computer Science (AREA)
  • Mechanical Engineering (AREA)
  • Health & Medical Sciences (AREA)
  • Public Health (AREA)
  • Transportation (AREA)
  • Harvesting Machines For Specific Crops (AREA)

Abstract

The invention provides a multipurpose agricultural product harvesting device, which belongs to the field of agricultural product harvesting devices and comprises a vehicle body, wherein the vehicle body comprises a carriage, a bearing space is formed in the carriage, a support frame is arranged at the tail part of the carriage, a sliding pipe is arranged on one side, away from the bearing space, of the support frame, the end part of the sliding pipe is hinged with the support frame, a drop pipe is arranged on one side, close to the bearing space, of the support frame, and the drop pipe is communicated with the sliding pipe. The harvesting device can be applied to the harvesting of agricultural products and can also be used as a transportation tool; can improve the harvesting efficiency of agricultural products, reduce the input of personnel and enable agricultural planting to be more modern.

Description

Multipurpose agricultural product harvesting device
Technical Field
The invention relates to the field of agricultural product harvesting devices, in particular to a multipurpose agricultural product harvesting device.
Background
With the progress of science and technology, more and more agricultural machines are applied to agricultural planting. In the agricultural product harvesting process, the applied machinery is less. Take the apple to gather as the example, generally hold the basket to the fruit field and gather when gathering the apple at present, gather the efficiency lower, required human cost is great, makes the planting benefit of apple lower.
Disclosure of Invention
The invention provides a multipurpose agricultural product harvesting device, and aims to solve the problems in the prior art.
The invention is realized by the following steps:
the utility model provides a multipurpose agricultural product harvesting device, includes the automobile body, the automobile body includes the carriage, the inside in carriage has bearing space, the afterbody in carriage is provided with the support frame, the support frame is kept away from one side in bearing space is provided with the slide pipe, the tip of slide pipe with the support frame is articulated mutually, the support frame is close to one side in bearing space is provided with the pipe that falls, the pipe that falls communicates the slide pipe.
Further, the holding tank of rectangular shape is seted up to the afterbody of support frame, the one end of slide pipe articulate in the holding tank, the notch department of holding tank is provided with the dog along vertical, the slide pipe can place in the holding tank.
Furthermore, the sliding pipe comprises a first sliding pipe and a second sliding pipe which are arranged at two sides of the supporting frame, a first slide way communicated with the first sliding pipe is arranged in the supporting frame, a second slide way communicated with the second sliding pipe is also arranged in the supporting frame, the first slide way and the second slide way are both arranged in an inclined manner, and the first slide way and the second slide way are both communicated with the drop pipe;
a hook is arranged at one end of the accommodating groove, a hanging ring is arranged at the side part of the first sliding pipe, and the hook and the hanging ring can be connected by rotating the first sliding pipe and the first sliding pipe is in an inclined state;
the drop tube set up in the inside of support frame, the outside cover of drop tube is equipped with the sleeve pipe, the sleeve pipe with the drop tube transition fit, sheathed tube tip has the end plate, sheathed tube bottom has the hole that falls, the end plate laminate in during the tip of drop tube the hole quilt that falls the drop tube shelters from.
Furthermore, the outside of end plate is provided with the handle, the handle has two of symmetry setting, the handle is the U type structure.
Furthermore, the tail part of the support frame is provided with a receiving plate, the bottom of the receiving plate is hinged with the support frame, the inner side of the receiving plate is provided with two side plates, the two side plates are connected through an inner baffle plate, and a receiving groove is formed by enclosing the side plates, the inner baffle plate and the receiving plate; the containing plate is located below the first sliding pipe and the second sliding pipe.
Furthermore, a containing hole is formed in the supporting frame, the drop tube is arranged in the containing hole, the end plate and the containing hole are consistent in diameter, and the end plate is arranged at the orifice of the containing hole.
Furthermore, a first baffle is arranged on the inner side of the accommodating hole, a second baffle is arranged at one end, located on the inner side of the accommodating hole, of the sleeve, and the first baffle is matched with the second baffle to limit the sleeve on the drop tube.
Further, the carriage includes the bottom plate, the support frame set up in on the bottom plate, the afterbody of bottom plate is provided with rather than the articulated piece of trampling, trample when being in vertical state with the support frame is laminated mutually, be provided with on the support frame and be used for fixing the mounting of trampling the piece.
The multipurpose agricultural product harvesting device provided by the invention can be applied to harvesting of agricultural products and also can be used as a transportation tool; can improve the harvesting efficiency of agricultural products, reduce the input of personnel and enable agricultural planting to be more modern.
Drawings
In order to more clearly illustrate the embodiments of the present invention or the technical solutions in the prior art, the drawings used in the description of the embodiments or the prior art will be briefly described below, it is obvious that the drawings in the following description are only some embodiments of the present invention, and for those skilled in the art, other drawings can be obtained according to the drawings without creative efforts.
FIG. 1 is a schematic diagram of a multi-purpose agricultural product recovery device provided by an embodiment of the present invention;
FIG. 2 is a schematic top view of a compartment of a multi-purpose agricultural product recovery device provided by an embodiment of the present invention;
fig. 3 is a schematic structural view of a support frame of a multi-purpose agricultural product harvesting device provided by an embodiment of the present invention;
fig. 4 is a schematic front view of a support frame of the multi-purpose agricultural product harvesting device of the present invention after the slide, the storage plate, and the treading member are opened;
FIG. 5 is a schematic side view of a support frame of a multi-purpose agricultural product harvesting device according to an embodiment of the present invention with the slide, the receiving plate, and the treading member open;
fig. 6 is a schematic structural view of a receiving plate of the multi-purpose agricultural product harvesting device provided by an embodiment of the present invention;
FIG. 7 is a schematic view of a first slide of a multi-purpose agricultural product recovery device according to an embodiment of the present invention;
FIG. 8 is a schematic rear view of a support frame of a multi-purpose agricultural product harvesting device provided in accordance with an embodiment of the present invention;
FIG. 9 is a schematic view of the connection of a casing to a drop tube in a multi-purpose agricultural product recovery device according to an embodiment of the present invention;
fig. 10 is a schematic view of a multi-purpose agricultural product recovery device of the present invention with the sleeve open.
Summary of reference numerals: the vehicle comprises a vehicle body 11, a compartment 12, a support frame 13, a side baffle 14, a bottom plate 15, a containing groove 16, a first sliding pipe 17, a second sliding pipe 18, a stop 19, a hook 20, a hanging ring 21, a first slide rail 22, a second slide rail 23, a drop pipe 24, a sleeve 25, an end plate 26, a drop hole 27, a handle 28, a containing plate 29, a side plate 30, an inner baffle 31, a containing groove 32, a containing hole 33, a first baffle 34, a second baffle 35, a stepping piece 36, a fixing piece 37, a frame 38, a pedal 39, a bottom rod 40, a side rod 41, a stepping rod 42, a supporting rod 43 and a limiting plate 44.
Detailed Description
The technical solutions in the embodiments of the present invention will be clearly and completely described below with reference to the drawings in the embodiments of the present invention, and it is obvious that the described embodiments are only a part of the embodiments of the present invention, and not all of the embodiments. All other embodiments, which can be derived by a person skilled in the art from the embodiments given herein without making any creative effort, shall fall within the protection scope of the present invention.
Please refer to fig. 1-10.
The embodiment provides a multipurpose agricultural product harvesting device, which can be applied to harvesting of agricultural products and also can be used as a transportation tool; can improve the harvesting efficiency of agricultural products, reduce the input of personnel and enable agricultural planting to be more modern.
As shown in fig. 1 and 2, the multipurpose agricultural product harvesting device comprises a vehicle body 11, the vehicle body 11 comprises a carriage 12, a bearing space is arranged inside the carriage 12, a support frame 13 is arranged at the tail of the carriage 12, a sliding pipe is arranged on one side, away from the bearing space, of the support frame 13, the end of the sliding pipe is hinged to the support frame 13, a drop pipe 24 is arranged on one side, close to the bearing space, of the support frame 13, and the drop pipe 24 is communicated with the sliding pipe.
As shown in fig. 3, the tail of the supporting frame 13 is provided with a strip-shaped accommodating groove 16, one end of the sliding tube is hinged to the accommodating groove 16, a stop block 19 is vertically arranged at the notch of the accommodating groove 16, and the sliding tube can be placed in the accommodating groove 16.
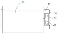
As shown in fig. 2 and 3, the slide pipe includes a first slide pipe 17 and a second slide pipe 18 disposed at two sides of the support frame 13, a first slide way 22 communicated with the first slide pipe 17 is disposed in the support frame 13, a second slide way 23 communicated with the second slide pipe 18 is further disposed in the support frame 13, the first slide way 22 and the second slide way 23 are both disposed in an inclined manner, and the first slide way 22 and the second slide way 23 are both communicated with a drop pipe 24; one end of the accommodating groove 16 is provided with a hook 20, the side part of the first sliding pipe 17 is provided with a hanging ring 21, and the hook 20 can be connected with the hanging ring 21 by rotating the first sliding pipe 17, so that the first sliding pipe 17 is in an inclined state;
the drop tube 24 is arranged in the support frame 13, a sleeve 25 is sleeved outside the drop tube 24, the sleeve 25 is in transition fit with the drop tube 24, an end plate 26 is arranged at the end of the sleeve 25, a drop hole 27 is formed in the bottom of the sleeve 25, and the drop hole 27 is shielded by the drop tube 24 when the end plate 26 is attached to the end of the drop tube 24.
As shown in fig. 5 and 6, the tail of the supporting frame 13 is provided with a receiving plate 29, the bottom of the receiving plate 29 is hinged to the supporting frame 13, two side plates 30 are arranged on the inner side of the receiving plate 29, the two side plates 30 are connected through an inner baffle 31, and a receiving groove 32 is formed by enclosing the side plates 30, the inner baffle 31 and the receiving plate 29; the storage plate 29 is located below the first slide pipe 17 and the second slide pipe 18.
As shown in FIG. 8, the outer side of the end plate 26 is provided with two handles 28, the handles 28 are symmetrically arranged, and the handles 28 are U-shaped.
As shown in fig. 9 and 10, the supporting frame 13 is provided with a receiving hole 33, the drop tube 24 is disposed in the receiving hole 33, the end plate 26 has the same diameter as the receiving hole 33, and the end plate 26 is disposed at the opening of the receiving hole 33.
As shown in fig. 9, a first baffle 34 is disposed inside the receiving hole 33, a second baffle 35 is disposed at an end of the sleeve 25 located inside the receiving hole 33, and the first baffle 34 and the second baffle 35 cooperate to restrain the sleeve 25 on the drop tube 24.
As shown in fig. 3, the car 12 includes a bottom plate 15, the supporting frame 13 is disposed on the bottom plate 15, a stepping member 36 hinged to the bottom plate 15 is disposed at a tail portion of the bottom plate 15, the stepping member 36 is attached to the supporting frame 13 in a vertical state, and a fixing member 37 for fixing the stepping member 36 is disposed on the supporting frame 13.
The automobile body 11 is harvesting device's major structure, and the automobile body 11 has locomotive and carriage 12, and the locomotive is used for pulling carriage 12 and traveles, has the engine in the locomotive, makes harvesting device be the motor vehicle type, and the automobile body 11 has carriage 12, can deposit fruit and provide the bearing space that stands for the staff on the carriage 12.
Taking apple planting as an example, a common apple planting mode is to plant fruit trees on dense hemp in a fruit field, the fruit trees are relatively close to each other in the transverse direction and the longitudinal direction, motor vehicles cannot enter the fruit field, and the planting mode causes the yield of a single fruit tree not to be too high due to too high density.
At present some orchards adopt comparatively neotype planting mode, divide into a plurality of fore-and-aft ground ridges that parallel with the fruit field, plant a fruit tree on every ground ridge, have great distance between two ground ridges, make the motor vehicle can drive into. During apple picking, the motor vehicle drives into the space between the two ridges, the picker stands on the motor vehicle to pick apples, and the picked apples are stored in baskets in the carriage 12. The picker does not need to carry the basket to walk in the fruit field, and after the picker picks apples on one tree, the motor vehicle is started to move forwards.
The planting mode can ensure that the fruit trees have larger spacing in the transverse direction, each fruit tree can better receive sunlight and absorb nutrients, and the spacing can be slightly reduced in the longitudinal direction, so that the quality of apples is better. Meanwhile, the novel picking mode enables less manpower input, and the picking of the apples is not needed to be carried out in the field and on the ground, so that the apple picking efficiency can be higher.
According to the harvesting device provided by the embodiment, the side baffle 14 is arranged at the side part of the carriage 12, and the support frame 13 is arranged at the tail part of the carriage, so that apples placed on the carriage 12 can be well protected.
The carriage 12 is provided with the support frame 13, the support frame 13 is provided with the sliding pipe, so that the apples picked by the picker can roll into the carriage 12 through the sliding pipe, the picker does not need to carry a basket or a frame for containing the apples, and the picker can pick the apples more efficiently; an apple collator can be added in the carriage 12 to neatly arrange the apples rolled in the slide pipe in the fruit box, so that the picking person and the collator form good cooperation to more efficiently finish the picking work of the apples.
The slide pipe sets up in one side that bearing space was kept away from to support frame 13, namely sets up in the afterbody of carriage 12, and the tip of slide pipe is articulated mutually with support frame 13, can accomodate in support frame 13 when not using, adjusts it to operating position again when needing to use. When picking apples, a worker stops the vehicle body 11 at a proper position between two ridges, a picker is positioned on the ground to pick apples around the vehicle body 11, and the picked apples are put into the carriage 12 through the sliding pipe; after picking apples in one area, the vehicle body 11 is started forward to start picking a new area.
The inner side of the support frame 13 is provided with a falling pipe 24, the falling pipe 24 is communicated with a sliding pipe, so that the apples in the sliding pipe can roll down, and a collator in the carriage 12 can collect and collate the rolled apples.
The tail of the support frame 13 is provided with an accommodating groove 16, the accommodating groove 16 is used for storing a slide pipe, and the whole vehicle body 11 is relatively flat after the slide pipe is accommodated in the accommodating groove 16 and can adapt to high-speed running. A stop 19 is arranged at the notch of the accommodating groove 16, and the stop 19 is used for stopping the sliding pipe from falling from the accommodating groove 16.
Set up two slide pipes on support frame 13, the picker can put into the carriage 12 with the apple through two passageways, makes the picker of automobile body 11 both sides all not need to run great distance, has reduced the dead time that the picker consumes when picking the apple, can further promote picking efficiency. And the two slide pipes are communicated with the same drop pipe 24, so that only one collator needs to be arranged in the carriage 12, the working efficiency of each worker is maximized, and the labor input is minimized.
The first sliding pipe 17 and the second sliding pipe 18 are arranged at intervals in the horizontal direction, and a first slideway 22 communicated with the first sliding pipe 17 is arranged in the support frame 13, so that the apples in the first sliding pipe 17 can roll to the first slideway 22; a second slideway 23 communicated with the second sliding pipe 18 is further arranged, so that the apples in the second sliding pipe 18 can roll to the second slideway 23; the first slide way 22 and the second slide way 23 are both communicated with the drop pipe 24, so that the apples in the two slide ways can roll into the drop pipe 24 and roll out through the drop pipe 24.
The sleeve 25 is sleeved outside the drop tube 24, and the sleeve 25 is used for being matched with the drop tube 24 to work, so that the collator in the carriage 12 can better master the work rhythm of the collator. The sleeve 25 and the drop tube 24 are in transition fit, so that the connection between the two is relatively tight, the apple in the drop tube 24 cannot push the sleeve 25 to move on the drop tube 24, and the sleeve 25 can stay at a position after the collator pulls the sleeve 25 to the position.
The end of the sleeve 25 has an end plate 26, the end plate 26 is attached to the end of the drop tube 24, and the end plate 26 shields the drop tube 24 from the apple inside the drop tube 24 sliding off the end of the drop tube 24. The bottom of the sleeve 25 is provided with a falling hole 27, when the sleeve 25 is pulled outwards, the apple can fall from the falling hole 27, and when the sleeve 25 is retracted inwards, the falling hole 27 is shielded by the bottom of the falling pipe 24, so that the apple can not fall and can only be stored in the falling pipe 24 and the slide way.
When the collator finishes the apples, the position of the drop tube 24 is adjusted according to the own rhythm, and when the collator finishes the apples in the box body, the sleeve 25 is pushed back, so that the apples cannot fall from the drop hole 27; when the apples in the box are sorted, the sleeve 25 is pulled out, so that the apples stored in the drop tube 24 and the slide can fall from the drop hole 27.
The housing grooves 16 may be one communicating with each other, or may be two separately provided, so that both the first slide pipe 17 and the second slide pipe 18 can be provided in the housing grooves 16. The end of the holding tank 16 is provided with a hook 20, the side parts of the first sliding pipe 17 and the second sliding pipe 18 are provided with a hanging ring 21, when the sliding pipes are accommodated in the holding tank 16, the hook 20 is separated from the hanging ring 21, and after the sliding pipes are opened outwards, the sliding pipes are moved upwards to enable the hook 20 to be hung in the hanging ring 21, and under the limiting action of the hook 20, the sliding pipes can stay at the inclined positions, so that apples thrown into the sliding pipes can roll under the action of gravity.
The slide pipe is hinged with the support frame 13, so that the slide pipe can rotate in the horizontal plane and can also shake in the vertical direction to a certain extent, the slide pipe is basically in the horizontal state when being accommodated in the accommodating groove 16, and when the slide pipe is required to be connected onto the hook 20, the slide pipe can be lifted upwards, and the hook 20 is connected with the hanging ring 21.
At present the apple generally all has the cover to have protection bags such as plastic bag or foam bag when selling, and the protection bag can play the guard action to the apple, makes the apple can avoid the collision when picking and transporting. Generally, after the apples are picked, protective bags are sleeved on the apples.
In this embodiment, the supporting frame 13 is provided with the storage plate 29, the side plate 30 and the inner baffle 31 are arranged inside the storage plate 29, the storage groove 32 is formed inside the storage plate 29, a plurality of protection bags can be placed in the storage groove 32, after the apples are picked, a picker takes one protection bag from the storage groove 32 and covers the outside of the apples, and then puts the protection bag into the sliding pipe, so that the apples do not need to be collided when sliding in the sliding pipe.
The storage plate 29 is hinged to the support frame 13, can be attached to the support frame 13 when not in use, and can be opened outwards when in use.
The end plate 26 is provided with a pull handle 28 on the outside, and when pulling the sleeve 25 is required, the collator can place fingers at the pull handle 28 to pull the sleeve 25.
The support frame 13 is provided with an accommodating hole 33, and the drop tube 24 is arranged at the accommodating hole 33, so that the sleeve 25 can be basically accommodated in the accommodating hole 33 after being pushed back, and the outer part of the support frame 13 is smooth and beautiful. The accommodating hole 33 is internally provided with a first baffle 34, the side part of the sleeve 25 is provided with a second baffle 35, and the sleeve 25 can not be completely pulled out through the matching of the two baffles, so that the sleeve 25 can be always sleeved outside the drop tube 24. When it is desired to completely remove the sleeve 25 from the drop tube 24, the sleeve 25 is rotated in the axial direction to axially displace the first and second shutters 34 and 35 to enable removal of the sleeve 25.
Set up at the afterbody of carriage 12 bottom plate 15 and trample piece 36, make the picker can stand when needs and carry out the picking of apple on trample piece 36, make the picker can touch the apple of more eminence, promoted picker's operation space, make picking work more convenient.
As shown in fig. 2 and 3, side guards 14 are provided on both sides of the bottom plate 15, and the end portions of the side guards 14 are connected to the support frames 13. The top of the side barrier 14 is provided with a horizontal top plate which extends towards the outer side of the bearing space, and the bottom of the top plate is connected with the outer side of the side barrier 14 through an inclined supporting pipe.
As shown in fig. 3 and 4, the stepping member 36 includes a frame 38 and a pedal 39, the frame 38 is U-shaped, the frame 38 includes a bottom bar 40 and side bars 41 connected to both sides of the bottom bar 40, one end of the pedal 39 is hinged to the bottom bar 40, the bottom bar 40 is hinged to the end of the bottom plate 15, a stepping bar 42 is further connected between the two side bars 41, and the stepping bar 42 and the pedal 39 are arranged at intervals; the bottom of the bottom plate 15 is provided with a support rod 43 movably connected with the bottom plate, and the support rod 43 is used for supporting the pedal 39.
The pedal lever 42 is in a circular tube shape, the limit plate 44 is arranged on the inner side of the side lever 41, and the limit plate 44 is attached to the pedal 39, so that the pedal 39 is positioned between the support frame 13 and the limit plate 44.
The fixing member 37 includes a cylinder movably connected to the supporting frame 13, and a spring connected between the cylinder and the supporting frame 13, and a fixing plate connected to an end of the cylinder and attached to an outer side of the frame 38.
The top of the side baffle 14 is provided with a top plate which is horizontally arranged, so that people can sit on the top plate, and workers can sit on the top plate to have a rest. Inclined support tubes are arranged between the top plate and the side baffle plates 14, so that the top plate can be firmly supported.
The step 36 has a frame 38, and the frame 38 is attached to an end of the base plate 15. The inner side of the frame 38 is provided with a pedal 39, and the pedal 39 is hinged with the frame 38 so as to enable the relative rotation between the pedal 39 and the frame 38; the frame 38 is a U-shaped structure, a bottom rod 40 of the U-shaped structure is connected to the end of the bottom plate 15, when the frame 38 is opened downwards, the end can be supported on the ground to enable the frame to be in an inclined state, a pedal rod 42 is further connected to the frame 38, the pedal rod 42 is positioned below the pedal 39 after being opened, and the pedal 36 is opened to be in a two-stage step shape, so that people can get on and off conveniently.
The bottom of the bottom plate 15 is further provided with a support rod 43, the support rod 43 is used for supporting the pedal 39, when the stepping piece 36 is opened downwards, the frame 38 is turned downwards to enable the bottom end of the frame to be supported on the ground, and the pedal 39 can be movably supported by the support rod 43 after being turned to the horizontal position, so that the pedal 39 stays at the horizontal position. In use, a person steps on the foot bar 42 before reaching the foot pedal 39. The pedal rod 42 is set to be in a round tube shape, so that a person can conveniently pedal.
The side bars 41 are provided with a stopper plate 44 on the inner side thereof, so that when the frame 38 is retracted upward, the stopper plate 44 can be attached to the bottom of the step plate 39, and the step plate 39 is returned to the vertical state, whereby the frame 38 and the step plate 39 are coupled to the support frame 13.
The fixing member 37 is used to connect the stepping member 36 to the supporting frame 13, so that the stepping member 36 can be kept stable when not in use. In this embodiment, the fixing element 37 includes a column and a fixing plate, the column is movably connected to the supporting frame 13, the column passes through the supporting frame 13, a spring is connected between a portion of the column located inside the supporting frame 13 and the supporting frame 13, and the spring has an inward elastic force on the column, so that the column has a tendency of moving toward the supporting frame 13 under the action of the elastic force; the outside end of cylinder is connected with the fixed plate, and the fixed plate rotates with the cylinder and is connected, and the two can rotate relatively.
When the fixing member 37 fixes the stepping member 36, the fixing plate is attached to the outside of the stepping member 36, and the stepping member 36 is restricted on the support frame 13 by the elastic force of the spring; when the stepping piece 36 needs to be put down, the column body is pulled outwards to separate the fixed plate from the stepping piece 36, then the column body is rotated to stagger the fixed plate from the stepping piece 36, and then the stepping piece 36 can be put down; after the column body is loosened, the column body moves towards the support frame 13 under the action of elastic force, so that the fixing plate can be attached to the support frame 13.
The harvesting device is not limited to the above-mentioned modes of use, and can be used in more flexible ways, is not limited to the picking and collection of agricultural products, and can also be used for the collection of industrial products. When the intelligent tool is used, the intelligent tool can be used together with other tools or equipment, so that the intelligent tool is more efficient and intelligent.
The previous description of the disclosed embodiments is provided to enable any person skilled in the art to make or use the present invention. Various modifications to these embodiments will be readily apparent to those skilled in the art, and the generic principles defined herein may be applied to other embodiments without departing from the spirit or scope of the invention. Thus, the present invention is not intended to be limited to the embodiments shown herein but is to be accorded the widest scope consistent with the principles and novel features disclosed herein.

Claims (5)

1. The multipurpose agricultural product harvesting device is characterized by comprising a vehicle body, wherein the vehicle body comprises a carriage, a bearing space is formed in the carriage, a support frame is arranged at the tail of the carriage, a sliding pipe is arranged on one side, away from the bearing space, of the support frame, the end part of the sliding pipe is hinged with the support frame, a drop pipe is arranged on one side, close to the bearing space, of the support frame, and the drop pipe is communicated with the sliding pipe;
the tail part of the support frame is provided with a strip-shaped accommodating groove, one end of the sliding pipe is hinged to the accommodating groove, a stop block is vertically arranged at the notch of the accommodating groove, and the sliding pipe can be placed in the accommodating groove;
the sliding pipe comprises a first sliding pipe and a second sliding pipe which are arranged on two sides of the supporting frame, a first slide way communicated with the first sliding pipe is arranged in the supporting frame, a second slide way communicated with the second sliding pipe is also arranged in the supporting frame, the first slide way and the second slide way are obliquely arranged, and the first slide way and the second slide way are communicated with the drop pipe; a hook is arranged at one end of the accommodating groove, a hanging ring is arranged at the side part of the first sliding pipe, and the hook and the hanging ring can be connected by rotating the first sliding pipe and the first sliding pipe is in an inclined state; the drop tube is arranged in the support frame, a sleeve is sleeved outside the drop tube and is in transition fit with the drop tube, an end plate is arranged at the end part of the sleeve, a drop hole is formed in the bottom of the sleeve, and the drop hole is shielded by the drop tube when the end plate is attached to the end part of the drop tube;
the carriage comprises a bottom plate, the supporting frame is arranged on the bottom plate, a treading piece hinged with the bottom plate is arranged at the tail of the bottom plate, the treading piece is attached to the supporting frame when in a vertical state, a fixing piece used for fixing the treading piece is arranged on the supporting frame, the treading piece comprises a frame and a pedal, the frame is U-shaped, the frame comprises a bottom rod and side rods connected to two sides of the bottom rod, one end of the pedal is hinged to the bottom rod, the bottom rod is hinged to the end portion of the bottom plate, a treading rod is further connected between the two side rods, and the treading rod and the pedal are arranged at intervals; the bottom of bottom plate is provided with rather than swing joint's bracing piece, the bracing piece is used for supporting the footboard, the foot bar is the pipe form, the inboard of side lever is provided with the limiting plate, the limiting plate with the footboard laminating makes the footboard is located the support frame reaches between the limiting plate.
2. The multi-purpose agricultural product harvesting device of claim 1, wherein the end plate is provided with two symmetrical handles on the outside, and the handles are in a U-shaped configuration.
3. The multipurpose agricultural product harvesting device of claim 1, wherein the tail of the supporting frame is provided with a receiving plate, the bottom of the receiving plate is hinged with the supporting frame, the inner side of the receiving plate is provided with two side plates, the two side plates are connected through an inner baffle plate, and a receiving groove is formed by enclosing the side plates, the inner baffle plate and the receiving plate; the containing plate is located below the first sliding pipe and the second sliding pipe.
4. The multi-purpose agricultural product harvesting device of claim 1, wherein the support frame defines a receiving hole, the drop tube is disposed in the receiving hole, the end plate has a diameter corresponding to that of the receiving hole, and the end plate is disposed at an opening of the receiving hole.
5. The multi-purpose agricultural product harvesting device of claim 4, wherein a first baffle is disposed inside the receiving hole, a second baffle is disposed at an end of the sleeve inside the receiving hole, and the first baffle cooperates with the second baffle to restrain the sleeve on the drop tube.
CN201910386706.9A 2019-05-10 2019-05-10 Multipurpose agricultural product harvesting device Active CN110979139B (en)

Priority Applications (1)

Application Number Priority Date Filing Date Title
CN201910386706.9A CN110979139B (en) 2019-05-10 2019-05-10 Multipurpose agricultural product harvesting device

Applications Claiming Priority (1)

Application Number Priority Date Filing Date Title
CN201910386706.9A CN110979139B (en) 2019-05-10 2019-05-10 Multipurpose agricultural product harvesting device

Publications (2)

Publication Number Publication Date
CN110979139A CN110979139A (en) 2020-04-10
CN110979139B true CN110979139B (en) 2021-11-05

Family

ID=70081724

Family Applications (1)

Application Number Title Priority Date Filing Date
CN201910386706.9A Active CN110979139B (en) 2019-05-10 2019-05-10 Multipurpose agricultural product harvesting device

Country Status (1)

Country Link
CN (1) CN110979139B (en)

Citations (5)

* Cited by examiner, † Cited by third party
Publication number Priority date Publication date Assignee Title
WO2000062594A1 (en) * 1999-04-16 2000-10-26 Futurepump Ltd Pneumatic collection and/or conveying method and apparatus
CN107852957A (en) * 2017-12-06 2018-03-30 长江大学 A kind of hand-push electrical apple-picking car
CN207284253U (en) * 2017-06-17 2018-05-01 张之光 A kind of farming power moves picking vehicle
CN207692420U (en) * 2017-11-15 2018-08-07 宁夏工商职业技术学院(宁夏化工技工学校、宁夏机电工程学校、宁夏农业机械化学校) A kind of fruit picking classifying integrated machine
CN108991550A (en) * 2018-06-30 2018-12-14 聂超 A kind of cleaning of crops fruit and screening plant

Patent Citations (5)

* Cited by examiner, † Cited by third party
Publication number Priority date Publication date Assignee Title
WO2000062594A1 (en) * 1999-04-16 2000-10-26 Futurepump Ltd Pneumatic collection and/or conveying method and apparatus
CN207284253U (en) * 2017-06-17 2018-05-01 张之光 A kind of farming power moves picking vehicle
CN207692420U (en) * 2017-11-15 2018-08-07 宁夏工商职业技术学院(宁夏化工技工学校、宁夏机电工程学校、宁夏农业机械化学校) A kind of fruit picking classifying integrated machine
CN107852957A (en) * 2017-12-06 2018-03-30 长江大学 A kind of hand-push electrical apple-picking car
CN108991550A (en) * 2018-06-30 2018-12-14 聂超 A kind of cleaning of crops fruit and screening plant

Also Published As

Publication number Publication date
CN110979139A (en) 2020-04-10

Similar Documents

Publication Publication Date Title
CN108307782B (en) Trolley-type semi-automatic pineapple picking machine
CN109328649B (en) Semi-automatic jujube picking and transporting trolley
CN104272932A (en) Pull-type seed melon pickup, seed extraction, feeding and storage combined machine
CN110979139B (en) Multipurpose agricultural product harvesting device
CN207560816U (en) A kind of agricultural picker
CN210202504U (en) Novel passion fruit is picked device
CN108633471B (en) Frame is picked with peach to agricultural
CN110979138A (en) Intelligent fruit harvesting equipment
CN204362588U (en) A kind of novel fruits collecting and transporting car
CN106941983A (en) Fruit case paper bag machine on tree
CN221488436U (en) She Shouna clearing device is beaten in greenhouse
CN107455085A (en) A kind of fruit aids in device for picking
CN111183791B (en) High efficiency agricultural product collection equipment
CN111186362A (en) Convenient and flexible fruit picking tool
CN219895076U (en) Medical storage cabinet
CN201758579U (en) Novel electric fruit picking classifier
CN216684505U (en) Auxiliary device for harvesting fresh cut flowers
CN214708849U (en) A pick device for shaddock is planted
CN214676634U (en) Fruit picking trolley
CN212604318U (en) Transport vechicle is picked in orchard
CN110140524B (en) Portable wearable fruit picking device
CN208446085U (en) A kind of tool of fruit-picking
KR102375838B1 (en) Fruit collection device
CN215648300U (en) Forest fruit harvesting device
CN106256181A (en) A kind of double roll jaw type is plucked and is collected pack integrated electric pricklyash peel picker

Legal Events

Date Code Title Description
PB01 Publication
PB01 Publication
SE01 Entry into force of request for substantive examination
SE01 Entry into force of request for substantive examination
TA01 Transfer of patent application right
TA01 Transfer of patent application right

Effective date of registration: 20211018

Address after: 230000 Anhui Hefei economic and Technological Development Zone, qinglongtan Road, West Light Road, East Binhe District North export processing zone, 124 public rental housing 1

Applicant after: HEFEI JUNGANG MACHINERY TECHNOLOGY Co.,Ltd.

Address before: 610000 Chengdu, Sichuan Tianfu New District, Huayang street, Changjiang east two street 56, 1, 1 floors 1 rooms.

Applicant before: Chengdu Qingji Technology Co.,Ltd.

GR01 Patent grant
GR01 Patent grant
TR01 Transfer of patent right
TR01 Transfer of patent right

Effective date of registration: 20240911

Address after: 716200 Lakeside Garden, Yichuan County, Yan'an City, Shaanxi Province

Patentee after: Yichuan Yan'an Red Agricultural Products Trading Co.,Ltd.

Country or region after: China

Address before: 230000 Anhui Hefei economic and Technological Development Zone, qinglongtan Road, West Light Road, East Binhe District North export processing zone, 124 public rental housing 1

Patentee before: HEFEI JUNGANG MACHINERY TECHNOLOGY CO.,LTD.

Country or region before: China