CN110932141A - Intelligent cooling device for electric power high-voltage switch cabinet and use method thereof - Google Patents

Intelligent cooling device for electric power high-voltage switch cabinet and use method thereof Download PDF

Info

Publication number
CN110932141A
CN110932141A CN201911341963.7A CN201911341963A CN110932141A CN 110932141 A CN110932141 A CN 110932141A CN 201911341963 A CN201911341963 A CN 201911341963A CN 110932141 A CN110932141 A CN 110932141A
Authority
CN
China
Prior art keywords
switch cabinet
intelligent
voltage switch
cabinet
cooling device
Prior art date
Legal status (The legal status is an assumption and is not a legal conclusion. Google has not performed a legal analysis and makes no representation as to the accuracy of the status listed.)
Pending
Application number
CN201911341963.7A
Other languages
Chinese (zh)
Inventor
李超
谢辰璐
刘松
咸会增
庄雷明
岳雅晴
郑春阳
边文浩
王俊山
徐铖
鞠鹏
李两桓
王兴宇
朱裕庆
冯其芝
Current Assignee (The listed assignees may be inaccurate. Google has not performed a legal analysis and makes no representation or warranty as to the accuracy of the list.)
Linyi Power Supply Co of State Grid Shandong Electric Power Co Ltd
State Grid Corp of China SGCC
Original Assignee
Linyi Power Supply Co of State Grid Shandong Electric Power Co Ltd
State Grid Corp of China SGCC
Priority date (The priority date is an assumption and is not a legal conclusion. Google has not performed a legal analysis and makes no representation as to the accuracy of the date listed.)
Filing date
Publication date
Application filed by Linyi Power Supply Co of State Grid Shandong Electric Power Co Ltd, State Grid Corp of China SGCC filed Critical Linyi Power Supply Co of State Grid Shandong Electric Power Co Ltd
Priority to CN201911341963.7A priority Critical patent/CN110932141A/en
Publication of CN110932141A publication Critical patent/CN110932141A/en
Pending legal-status Critical Current

Links

Images

Classifications

    • HELECTRICITY
    • H02GENERATION; CONVERSION OR DISTRIBUTION OF ELECTRIC POWER
    • H02BBOARDS, SUBSTATIONS OR SWITCHING ARRANGEMENTS FOR THE SUPPLY OR DISTRIBUTION OF ELECTRIC POWER
    • H02B1/00Frameworks, boards, panels, desks, casings; Details of substations or switching arrangements
    • H02B1/56Cooling; Ventilation
    • H02B1/565Cooling; Ventilation for cabinets
    • AHUMAN NECESSITIES
    • A62LIFE-SAVING; FIRE-FIGHTING
    • A62CFIRE-FIGHTING
    • A62C3/00Fire prevention, containment or extinguishing specially adapted for particular objects or places
    • A62C3/16Fire prevention, containment or extinguishing specially adapted for particular objects or places in electrical installations, e.g. cableways
    • GPHYSICS
    • G08SIGNALLING
    • G08BSIGNALLING OR CALLING SYSTEMS; ORDER TELEGRAPHS; ALARM SYSTEMS
    • G08B17/00Fire alarms; Alarms responsive to explosion
    • G08B17/10Actuation by presence of smoke or gases, e.g. automatic alarm devices for analysing flowing fluid materials by the use of optical means
    • HELECTRICITY
    • H02GENERATION; CONVERSION OR DISTRIBUTION OF ELECTRIC POWER
    • H02BBOARDS, SUBSTATIONS OR SWITCHING ARRANGEMENTS FOR THE SUPPLY OR DISTRIBUTION OF ELECTRIC POWER
    • H02B1/00Frameworks, boards, panels, desks, casings; Details of substations or switching arrangements
    • H02B1/015Boards, panels, desks; Parts thereof or accessories therefor
    • H02B1/04Mounting thereon of switches or of other devices in general, the switch or device having, or being without, casing
    • HELECTRICITY
    • H02GENERATION; CONVERSION OR DISTRIBUTION OF ELECTRIC POWER
    • H02BBOARDS, SUBSTATIONS OR SWITCHING ARRANGEMENTS FOR THE SUPPLY OR DISTRIBUTION OF ELECTRIC POWER
    • H02B1/00Frameworks, boards, panels, desks, casings; Details of substations or switching arrangements
    • H02B1/26Casings; Parts thereof or accessories therefor
    • H02B1/28Casings; Parts thereof or accessories therefor dustproof, splashproof, drip-proof, waterproof or flameproof
    • HELECTRICITY
    • H02GENERATION; CONVERSION OR DISTRIBUTION OF ELECTRIC POWER
    • H02BBOARDS, SUBSTATIONS OR SWITCHING ARRANGEMENTS FOR THE SUPPLY OR DISTRIBUTION OF ELECTRIC POWER
    • H02B1/00Frameworks, boards, panels, desks, casings; Details of substations or switching arrangements
    • H02B1/26Casings; Parts thereof or accessories therefor
    • H02B1/30Cabinet-type casings; Parts thereof or accessories therefor

Landscapes

  • Engineering & Computer Science (AREA)
  • Power Engineering (AREA)
  • Business, Economics & Management (AREA)
  • Emergency Management (AREA)
  • Health & Medical Sciences (AREA)
  • Public Health (AREA)
  • Chemical & Material Sciences (AREA)
  • Analytical Chemistry (AREA)
  • Physics & Mathematics (AREA)
  • General Physics & Mathematics (AREA)
  • Patch Boards (AREA)

Abstract

The invention discloses an intelligent cooling device for an electric power high-voltage switch cabinet and a using method of the intelligent cooling device. Has the advantages that: according to the invention, through the arrangement of the intelligent temperature controller, the cooling fan and the heat insulation board, automatic cooling can be realized in the switch cabinet, so that the high-voltage switch cabinet can normally operate, the cost is saved, the temperature control effect is fast, and the working efficiency of the high-voltage switch cabinet is improved.

Description

Intelligent cooling device for electric power high-voltage switch cabinet and use method thereof
Technical Field
The invention relates to the technical field of high-voltage switch cabinets, in particular to an intelligent cooling device for an electric power high-voltage switch cabinet and a using method thereof.
Background
The high-voltage switch cabinet is used for power generation, power transmission, power distribution, electric energy conversion and consumption of an electric power system and plays roles of on-off, control or protection and the like, the high-voltage switch cabinet is used as an electric appliance product with the voltage grade of 3.6-550 kV, a high-voltage isolating switch, a grounding switch, a high-voltage load switch, a high-voltage automatic reclosing and sectioning device, a high-voltage operating mechanism, a high-voltage explosion-proof power distribution device, a high-voltage switch cabinet and the like.
At present, the refrigerated method of artifical cooling down is adopted to current electric power high tension switchgear cooling device majority, because the high-voltage board moves for a long time, artifical cooling is with high costs, the temperature control effect is slow, the efficiency of high tension switchgear work has been reduced, because not set up automatic fire extinguisher in the cubical switchboard, cause the conflagration occurence of failure easily, can not satisfy the demand that high tension switchgear cooling device used, secondly because most inside adoption fixed structure, the electrical switch variation in size, the installation difficulty, it is fixed inconvenient, influence high tension switchgear cooling device's installation effectiveness.
Disclosure of Invention
The invention aims to solve the problems and provide an intelligent cooling device for an electric power high-voltage switch cabinet and a using method thereof.
The invention realizes the purpose through the following technical scheme:
an intelligent cooling device of an electric high-voltage switch cabinet comprises a cabinet body, a lightning arrester, a dry powder fire extinguisher and an earth rod, wherein one side of the cabinet body is provided with a heat insulation plate, one side of the heat insulation plate is provided with an insulating inner plate, a base is arranged below the insulating inner plate, the middle part above the base is provided with a cooling fan, one side of the cooling fan is provided with the lightning arrester, the other side of the cooling fan is provided with the earth rod, two sides of the cabinet body are respectively provided with a heat dissipation window, one side adjacent to the heat dissipation window is provided with a cabinet door, the number of the cabinet doors is two, the middle part of the cabinet door is provided with a luminous mark, one side of the luminous mark is provided with a lock hole, a panel is arranged above the cabinet door, the panel is provided with, the dry powder fire extinguisher is characterized in that a spray pipe is connected below the dry powder fire extinguisher, a lighting lamp is arranged on one side of the spray pipe, a smoke sensing head is arranged in the middle of the spray pipe, an intelligent temperature controller is arranged on one side of the smoke sensing head, a back plate is arranged on one side of the intelligent temperature controller, a first slide bar is arranged on one side of the back plate, a second slide bar is arranged on the other side of the back plate, a fixed plate is connected between the first slide bar and the second slide bar, the number of the fixed plate is four, locking screws are arranged at two ends of the fixed plate, the number of the locking screws is.
Furthermore, the heat insulation plate is bonded with the cabinet body, and the heat insulation plate is bonded with the inner insulation plate.
Through adopting above-mentioned technical scheme, through the heated board can make and keep warm in the cubical switchboard, increases the cooling effect.
Further, the base with the cabinet body welding, the cooling fan with the insulation inner panel passes through the screwed connection, the cooling fan with intelligent temperature controller electricity is connected.
Through adopting above-mentioned technical scheme, through intelligence temperature controller can realize automatic start according to the temperature in the cubical switchboard cooling fan cools off the cooling, satisfies the refrigerated user demand of high tension switchgear intelligence.
Further, the grounding rod all runs through the insulating inner panel and the heated board, the grounding rod with the cabinet body passes through threaded connection, the arrester with the insulating inner panel passes through bolted connection.
Through adopting above-mentioned technical scheme, through the earthing rod can make the cubical switchboard ground connection, through the arrester can prevent that the cubical switchboard from suffering the thunderbolt outdoors, avoids causing inside electrical component impaired.
Further, the heat dissipation window is formed in the cabinet body, the cabinet door is connected with the cabinet body through hinges, the luminous identification is bonded with the cabinet door, the lock hole is connected with the cabinet door through screws, the panel is connected with the cabinet body through screws, and the instrument is connected with the panel through a clamping groove.
Through adopting above-mentioned technical scheme, through the heat dissipation window can be to carrying out ventilation cooling in the cubical switchboard, prevent to wet in the cubical switchboard.
Furthermore, the illuminating lamp is connected with the insulating inner plate through screws, and the intelligent temperature controller is connected with the insulating inner plate through screws.
Through adopting above-mentioned technical scheme, through the light is convenient throws light on when the wiring to the switch.
Further, the cover plate is welded with the cabinet body, and the alarm is connected with the cover plate through screws.
By adopting the technical scheme, the alarm can cause circuit faults in the switch cabinet or remind alarm of fire.
Furthermore, the dry powder fire extinguisher with the apron passes through screwed connection, the spray tube with the dry powder fire extinguisher pegs graft, the smoke is felt the head and is inlayed in on the spray tube.
Through adopting above-mentioned technical scheme, through when the cigarette sensor can make the conflagration take place in the cubical switchboard, according to the temperature-sensing self-starting dry powder fire extinguisher puts out a fire.
Furthermore, the first sliding strip is connected with the back plate through a screw, the second sliding strip is connected with the back plate through a screw, the fixing plate is connected with the first sliding strip and the second sliding strip in a sliding mode, the locking screw is connected with the fixing plate through threads, and the mounting hole is formed in the fixing plate.
Through adopting above-mentioned technical scheme, through draw runner one and draw runner two can make the fixed plate reciprocate for the electric parts simple to operate of switch board wool improves high tension switchgear's availability factor.
The invention has the beneficial effects that:
1. in order to solve the problems that the conventional electric high-voltage switch cabinet cooling device mostly adopts an artificial cooling method, and the working efficiency of the high-voltage switch cabinet is reduced due to the fact that the high-voltage switch cabinet runs for a long time, the artificial cooling cost is high, the temperature control effect is slow, and the working efficiency of the high-voltage switch cabinet is reduced, the intelligent temperature controller, the cooling fan and the heat insulation board are arranged, so that automatic cooling can be realized in the switch cabinet, the high-voltage switch cabinet can normally run, the cost is saved, the temperature control effect is fast, and the working efficiency of the;
2. in order to solve the problems that the switch cabinet of the existing cooling device of the high-voltage power switch cabinet runs under a long-time high-voltage state, some electrical components run in an overload mode, generate heat and even burn out, and because an automatic fire extinguisher is not arranged in the switch cabinet, fire accidents are easily caused, and the use requirements of the cooling device of the high-voltage switch cabinet cannot be met, the invention can lead the electrical components in the high-voltage power switch cabinet to burn out and automatically extinguish fire by arranging a dry powder fire extinguisher, a spray pipe, a smoke sensing head and an alarm, thereby avoiding the occurrence of the fire accidents, reminding people to break away from a dangerous area, and meeting the use requirements of the cooling device of the high;
3. in order to solve the problems that most of the existing electric power high-voltage switch cabinet cooling devices need to be provided with electric switches, and the installation efficiency of the high-voltage switch cabinet cooling device is affected due to the fact that most of the internal parts of the existing electric power high-voltage switch cabinet cooling devices are of fixed structures, the electric switches are different in size, difficult to install and inconvenient to fix.
Drawings
FIG. 1 is a front sectional view of an intelligent cooling device of an electric high-voltage switch cabinet according to the invention;
FIG. 2 is a front view of the intelligent cooling device for the high-voltage switch cabinet of the invention;
FIG. 3 is a left side view of the intelligent cooling device of the electric power high-voltage switch cabinet of the invention;
FIG. 4 is a back view of an intelligent cooling device for an electric high-voltage switch cabinet according to the present invention;
FIG. 5 is a top view of an intelligent cooling device for an electric high-voltage switch cabinet according to the present invention;
fig. 6 is a circuit block diagram of an intelligent cooling device for an electric power high-voltage switch cabinet according to the invention.
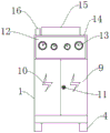
The reference numerals are explained below:
1. a cabinet body; 2. a thermal insulation board; 3. an insulating inner plate; 4. a base; 5. a cooling fan; 6. a lightning arrester; 7. a ground rod; 8. a heat dissipation window; 9. a cabinet door; 10. a luminous mark; 11. a lock hole; 12. a panel; 13. a meter; 14. a cover plate; 15. a dry powder extinguisher; 16. an alarm; 17. a nozzle; 18. an illuminating lamp; 19. a smoke detector; 20. an intelligent temperature controller; 21. a back plate; 22. a first slide bar; 23. a second slide bar; 24. a fixing plate; 25. locking screws; 26. and (7) installing holes.
Detailed Description
The invention will be further described with reference to the accompanying drawings in which:
as shown in figures 1-5, an intelligent cooling device for an electric power high-voltage switch cabinet comprises a cabinet body 1, an arrester 6, a dry powder fire extinguisher 15 and an earth rod 7, wherein one side of the cabinet body 1 is provided with an insulation board 2, one side of the insulation board 2 is provided with an insulation inner board 3, the switch cabinet can be prevented from electric leakage through the insulation inner board 3, a base 4 is arranged below the insulation inner board 3, a cooling fan 5 is arranged in the middle of the upper part of the base 4, one side of the cooling fan 5 is provided with the arrester 6, the other side of the cooling fan 5 is provided with the earth rod 7, two sides of the cabinet body 1 are both provided with heat dissipation windows 8, one side adjacent to each heat dissipation window 8 is provided with a cabinet door 9, the switch cabinet can be sealed through the cabinet doors 9, the number of the cabinet doors 9 is two, the middle part of the cabinet doors 9 is provided with luminous, the switch inner seal is safer, a panel 12 is arranged above the cabinet door 9, an instrument 13 is arranged on the panel 12, the running state of electrical components in the switch cabinet can be observed through the instrument 13, a cover plate 14 is arranged above the panel 12, a dry powder fire extinguisher 15 is arranged in the middle of the upper end of the cover plate 14, the dry powder fire extinguisher 15 has the same structure as a suspension type dry powder fire extinguisher in the prior art, the dry powder fire extinguisher 15 is automatically started to extinguish fire when a smoke sensor 19 meets naked fire, an alarm 16 is arranged on one side of the dry powder fire extinguisher 15, a spray pipe 17 is connected below the dry powder fire extinguisher 15, a lighting lamp 18 is arranged on one side of the spray pipe 17, the smoke sensor 19 is arranged in the middle of the spray pipe 17, an intelligent temperature controller 20 is arranged on one side below the smoke sensor 19, the intelligent temperature controller 20 is LCP-WE77 and is a device for, The water heater, central authorities 'new trend system, light etc, 20 one side of intelligence temperature controller is provided with backplate 21, backplate 21 one side is provided with draw runner one 22, backplate 21 opposite side is provided with draw runner two 23, be connected with fixed plate 24 between draw runner one 22 and the draw runner two 23, the number of fixed plate 24 is four, the fixed plate 24 both ends all are provided with locking screw 25, locking screw 25's number is eight, can fix and lock dead to fixed plate 24 through locking screw 25, 24 upper ends of fixed plate are provided with mounting hole 26, it is convenient fixed to electrical apparatus switch through mounting hole 26.
In this embodiment, heated board 2 bonds with the cabinet body 1, and heated board 2 bonds with insulating inner panel 3, keeps warm in can making the cubical switchboard through heated board 2, increases the cooling effect.
In this embodiment, base 4 and the welding of the cabinet body 1, cooling fan 5 passes through the screw connection with insulating inner panel 3, and cooling fan 5 is connected with intelligent temperature controller 20 electricity, can realize that automatic start cooling fan 5 cools off according to the temperature in the cubical switchboard through intelligent temperature controller 20, satisfies the refrigerated user demand of high tension switchgear intelligence.
In this embodiment, grounding rod 7 all runs through insulating inner panel 3 and heated board 2, and grounding rod 7 passes through threaded connection with the cabinet body 1, and arrester 6 passes through the screw connection with insulating inner panel 3, can make the cubical switchboard ground connection through grounding rod 7, can prevent through arrester 6 that the cubical switchboard from suffering the thunderbolt outdoors, avoids causing inside electrical component impaired.
In this embodiment, the heat dissipation window 8 shaping is on the cabinet body 1, and cabinet door 9 passes through hinge connection with the cabinet body 1, and luminous sign 10 bonds with cabinet door 9, and lockhole 11 passes through screw connection with cabinet door 9, and panel 12 passes through screw connection with the cabinet body 1, and instrument 13 passes through the draw-in groove with panel 12 to be connected, can ventilate the heat dissipation in the cubical switchboard through heat dissipation window 8, prevents to damp in the cubical switchboard.
In this embodiment, the illuminating lamp 18 is connected with the inner insulating plate 3 through screws, the intelligent temperature controller 20 is connected with the inner insulating plate 3 through screws, and the switch is conveniently illuminated through the illuminating lamp 18 during wiring.
In this embodiment, apron 14 and cabinet body 1 welding, alarm 16 passes through bolted connection with apron 14, can make circuit fault in the cubical switchboard through alarm 16, or fire warning.
In this embodiment, dry powder fire extinguisher 15 passes through the screw connection with apron 14, and spray tube 17 pegs graft with dry powder fire extinguisher 15, and smoke induction head 19 inlays on spray tube 17, and when 19 can make the conflagration breaing out in the cubical switchboard through smoke induction head, according to temperature-sensing self-starting dry powder fire extinguisher 15 put out a fire.
In this embodiment, a first slide bar 22 is connected with a back plate 21 through screws, a second slide bar 23 is connected with the back plate 21 through screws, a fixing plate 24 is connected with the first slide bar 22 and the second slide bar 23 in a sliding manner, a locking screw 25 is connected with the fixing plate 24 through threads, a mounting hole 26 is formed in the fixing plate 24, and the fixing plate 24 can be moved up and down through the first slide bar 22 and the second slide bar 23, so that the electrical components of the power distribution cabinet are convenient to install, and the use efficiency of the high-voltage switch cabinet is improved.
A use method of an intelligent cooling device of an electric high-voltage switch cabinet comprises the following steps: the high-voltage intelligent cooling cabinet is lifted to a designated position, the grounding rod 7 is rotated to enable the device to be grounded, the sliding fixing plate 24 well fixes electric switches with different sizes through the mounting hole 26, the main power supply of the switch cabinet is switched on, the switch cabinet is started to run, electrical components in the device run in a high-voltage state, the temperature generated in the device is higher, the temperature in the device exceeds the set temperature according to the temperature set by the intelligent temperature controller 20, the intelligent temperature controller 20 automatically starts the cooling fan 5 to cool the device, the device runs for a long time, some electric switches are difficult to avoid large burning of running loads, the smoke sensing head 19 meets open fire, the dry powder fire extinguisher 15 is started to extinguish the fire in the device, meanwhile, the alarm 16 is linked with the dry powder fire extinguisher 15 to give an alarm to remind people of safe evacuation, because the high-voltage switch cabinet belongs to a high-voltage power supply, prevent the dust entering, through luminous sign 10, remind everybody to have the electric danger, do not need to be close to.
The foregoing illustrates and describes the principles, general features, and advantages of the present invention. It will be understood by those skilled in the art that the present invention is not limited to the embodiments described above, which are described in the specification and illustrated only to illustrate the principle of the present invention, but that various changes and modifications may be made therein without departing from the spirit and scope of the present invention, which fall within the scope of the invention as claimed. The scope of the invention is defined by the appended claims and equivalents thereof.

Claims (10)

1. The utility model provides an electric power high tension switchgear intelligence cooling device which characterized in that: comprises a cabinet body (1), an arrester (6), a dry powder fire extinguisher (15) and a grounding rod (7), wherein a heat insulation board (2) is arranged on one side of the cabinet body (1), an insulating inner plate (3) is arranged on one side of the heat insulation board (2), a base (4) is arranged below the insulating inner plate (3), a cooling fan (5) is arranged in the middle of the upper part of the base (4), the arrester (6) is arranged on one side of the cooling fan (5), the grounding rod (7) is arranged on the other side of the cooling fan (5), heat dissipation windows (8) are arranged on two sides of the cabinet body (1), cabinet doors (9) are arranged on one adjacent sides of the heat dissipation windows (8), the number of the cabinet doors (9) is two, a luminous mark (10) is arranged in the middle of the cabinet doors (9), a lock hole (11) is arranged on one side of the luminous, the dry powder fire extinguisher is characterized in that an instrument (13) is arranged on the panel (12), a cover plate (14) is arranged above the panel (12), the dry powder fire extinguisher (15) is arranged in the middle of the upper end of the cover plate (14), an alarm (16) is arranged on one side of the dry powder fire extinguisher (15), a spray pipe (17) is connected below the dry powder fire extinguisher (15), a lighting lamp (18) is arranged on one side of the spray pipe (17), a smoke sensing head (19) is arranged in the middle of the spray pipe (17), an intelligent temperature controller (20) is arranged on one side below the smoke sensing head (19), a back plate (21) is arranged on one side of the intelligent temperature controller (20), a first slide bar (22) is arranged on one side of the back plate (21), a second slide bar (23) is arranged on the other side of the back plate (21), a fixing plate (24) is connected between the, the fixed plate (24) both ends all are provided with locking screw (25), the number of locking screw (25) is eight, fixed plate (24) upper end is provided with mounting hole (26).
2. The intelligent cooling device for the electric high-voltage switch cabinet according to claim 1, characterized in that: the heat insulation board (2) is bonded with the cabinet body (1), and the heat insulation board (2) is bonded with the inner insulation board (3).
3. The intelligent cooling device for the electric high-voltage switch cabinet according to claim 1, characterized in that: the base (4) with the cabinet body (1) welding, cooling fan (5) with insulating inner panel (3) pass through the screw connection, cooling fan (5) with intelligence temperature controller (20) electricity is connected.
4. The intelligent cooling device for the electric high-voltage switch cabinet according to claim 1, characterized in that: ground rod (7) all run through insulating inner panel (3) and heated board (2), ground rod (7) with the cabinet body (1) passes through threaded connection, arrester (6) with insulating inner panel (3) pass through the screw connection.
5. The intelligent cooling device for the electric high-voltage switch cabinet according to claim 1, characterized in that: the heat dissipation window (8) is formed in the cabinet body (1), the cabinet door (9) is connected with the cabinet body (1) through hinges, the luminous mark (10) is bonded with the cabinet door (9), the lock hole (11) is connected with the cabinet door (9) through screws, the panel (12) is connected with the cabinet body (1) through screws, and the instrument (13) is connected with the panel (12) through a clamping groove.
6. The intelligent cooling device for the electric high-voltage switch cabinet according to claim 1, characterized in that: the illuminating lamp (18) is connected with the insulating inner plate (3) through screws, and the intelligent temperature controller (20) is connected with the insulating inner plate (3) through screws.
7. The intelligent cooling device for the electric high-voltage switch cabinet according to claim 1, characterized in that: the cover plate (14) is welded with the cabinet body (1), and the alarm (16) is connected with the cover plate (14) through screws.
8. The intelligent cooling device for the electric high-voltage switch cabinet according to claim 1, characterized in that: the dry powder fire extinguisher (15) is connected with the cover plate (14) through screws, the spray pipe (17) is inserted into the dry powder fire extinguisher (15), and the smoke sensing head (19) is embedded on the spray pipe (17).
9. The intelligent cooling device for the electric high-voltage switch cabinet according to claim 1, characterized in that: the first sliding strip (22) is connected with the back plate (21) through screws, the second sliding strip (23) is connected with the back plate (21) through screws, the fixing plate (24) is connected with the first sliding strip (22) and the second sliding strip (23) in a sliding mode, the locking screws (25) are connected with the fixing plate (24) through threads, and the mounting holes (26) are formed in the fixing plate (24).
10. An application method of an intelligent cooling device of an electric high-voltage switch cabinet is applied to the intelligent cooling device of the electric high-voltage switch cabinet, which is characterized in that: the high-voltage intelligent cooling cabinet is lifted to a specified position, the grounding rod (7) is rotated to enable the device to be grounded, the fixing plate (24) is slid to fix electric switches with different sizes through the mounting hole (26), the main power supply of the switch cabinet is switched on, the device is started to run, electric components in the device run under a high-voltage state, the temperature generated in the device is higher, the temperature in the device exceeds the set temperature according to the temperature set by the intelligent temperature controller (20), the intelligent temperature controller (20) automatically starts the cooling fan (5) to cool the interior of the device, the device runs for a long time, some electric switches are difficult to be burnt out due to large running loads, the smoke sensing head (19) meets open fire, the dry powder fire extinguisher (15) is started to extinguish fire in the device, and meanwhile, the alarm (16) is linked with the dry powder fire extinguisher (15) to give an alarm, remind everybody to evacuate safely because high tension switchgear belongs to high voltage power supply, through lockhole (11) will cabinet door (9) are locked, prevent that the dust from getting into, through luminous sign (10), remind everybody to have the electricity dangerous, do not near.
CN201911341963.7A 2019-12-24 2019-12-24 Intelligent cooling device for electric power high-voltage switch cabinet and use method thereof Pending CN110932141A (en)

Priority Applications (1)

Application Number Priority Date Filing Date Title
CN201911341963.7A CN110932141A (en) 2019-12-24 2019-12-24 Intelligent cooling device for electric power high-voltage switch cabinet and use method thereof

Applications Claiming Priority (1)

Application Number Priority Date Filing Date Title
CN201911341963.7A CN110932141A (en) 2019-12-24 2019-12-24 Intelligent cooling device for electric power high-voltage switch cabinet and use method thereof

Publications (1)

Publication Number Publication Date
CN110932141A true CN110932141A (en) 2020-03-27

Family

ID=69860769

Family Applications (1)

Application Number Title Priority Date Filing Date
CN201911341963.7A Pending CN110932141A (en) 2019-12-24 2019-12-24 Intelligent cooling device for electric power high-voltage switch cabinet and use method thereof

Country Status (1)

Country Link
CN (1) CN110932141A (en)

Cited By (4)

* Cited by examiner, † Cited by third party
Publication number Priority date Publication date Assignee Title
CN111403924A (en) * 2020-04-27 2020-07-10 葫芦岛远洋电力设备制造有限公司 Anticreep fire prevention low pressure distribution system
CN111987614A (en) * 2020-08-12 2020-11-24 广东电网有限责任公司清远供电局 Switch cabinet
CN113451928A (en) * 2021-08-31 2021-09-28 南通苏源恒炫电气有限公司 Self-adaptive temperature-control high-voltage switch cabinet for large-temperature-difference area
CN115051273A (en) * 2022-08-15 2022-09-13 广东米勒电气有限公司 Linkage self-locking type explosion-proof intelligent ring main unit and explosion-proof method thereof

Citations (4)

* Cited by examiner, † Cited by third party
Publication number Priority date Publication date Assignee Title
CN203617568U (en) * 2013-12-18 2014-05-28 李素凤 An inlet wire cabinet
CN107960028A (en) * 2017-12-04 2018-04-24 西安工程大学 Without electrostatic computer cabinet
CN207368532U (en) * 2017-10-31 2018-05-15 山东科技大学 A kind of good power transformation box of heat sinking function
CN109378746A (en) * 2018-11-15 2019-02-22 樊六九 A kind of the new-energy automobile high-tension distribution box and its method of good heat dissipation effect

Patent Citations (4)

* Cited by examiner, † Cited by third party
Publication number Priority date Publication date Assignee Title
CN203617568U (en) * 2013-12-18 2014-05-28 李素凤 An inlet wire cabinet
CN207368532U (en) * 2017-10-31 2018-05-15 山东科技大学 A kind of good power transformation box of heat sinking function
CN107960028A (en) * 2017-12-04 2018-04-24 西安工程大学 Without electrostatic computer cabinet
CN109378746A (en) * 2018-11-15 2019-02-22 樊六九 A kind of the new-energy automobile high-tension distribution box and its method of good heat dissipation effect

Cited By (5)

* Cited by examiner, † Cited by third party
Publication number Priority date Publication date Assignee Title
CN111403924A (en) * 2020-04-27 2020-07-10 葫芦岛远洋电力设备制造有限公司 Anticreep fire prevention low pressure distribution system
CN111987614A (en) * 2020-08-12 2020-11-24 广东电网有限责任公司清远供电局 Switch cabinet
CN113451928A (en) * 2021-08-31 2021-09-28 南通苏源恒炫电气有限公司 Self-adaptive temperature-control high-voltage switch cabinet for large-temperature-difference area
CN113451928B (en) * 2021-08-31 2021-11-02 南通苏源恒炫电气有限公司 Self-adaptive temperature-control high-voltage switch cabinet for large-temperature-difference area
CN115051273A (en) * 2022-08-15 2022-09-13 广东米勒电气有限公司 Linkage self-locking type explosion-proof intelligent ring main unit and explosion-proof method thereof

Similar Documents

Publication Publication Date Title
CN110932141A (en) Intelligent cooling device for electric power high-voltage switch cabinet and use method thereof
CN206022965U (en) Three-level earth leakage protective electrical energy metering tank
CN206727464U (en) A kind of outer power supply source control cabinet of ship
CN205985929U (en) Indoor box floatless switch cabinet
CN209088377U (en) An energy-saving intelligent high and low voltage switch cabinet
CN203826840U (en) Control device of high voltage switch cabinet
CN221239965U (en) High-low voltage distribution equipment capable of preventing electric leakage
CN107978975A (en) A kind of multi-functional switch cabinet of converting station
CN206283144U (en) A kind of safe power distribution box for preventing from getting an electric shock
CN204793693U (en) Cubical switchboard convenient to observe inside running state
CN215500050U (en) Outdoor hidden non-standard electrical control cabinet
CN212085602U (en) Heat radiator for high tension switchgear
CN211017950U (en) Direct current screen convenient to adjust and show angle
CN204258077U (en) The low-tension switch cabinet of bus temp measuring system
CN209521570U (en) A kind of electrified control cabinet of charging pile
CN207625167U (en) A kind of multifunctional power saving cabinet
CN218770581U (en) Switch cabinet with protective baffle
CN205583416U (en) Totally enclosed full insulated cabinets of compact
CN215497786U (en) Wall-hanging intelligent control block terminal
CN213457101U (en) Indoor high-voltage live display device
CN215870437U (en) Environmental protection comprehensive distribution box
CN214899527U (en) Reliable ground protection high-low voltage power distribution cabinet
CN218940366U (en) High-voltage switch cabinet with high-temperature early warning function
CN216487832U (en) Indoor high-voltage grounding switch
CN222706108U (en) A new type of boundary circuit breaker switch cabinet

Legal Events

Date Code Title Description
PB01 Publication
PB01 Publication
SE01 Entry into force of request for substantive examination
SE01 Entry into force of request for substantive examination
RJ01 Rejection of invention patent application after publication

Application publication date: 20200327

RJ01 Rejection of invention patent application after publication