CN110931312A - Contactor power-saving control method and control circuit applying same - Google Patents
Contactor power-saving control method and control circuit applying same Download PDFInfo
- Publication number
- CN110931312A CN110931312A CN201911176283.4A CN201911176283A CN110931312A CN 110931312 A CN110931312 A CN 110931312A CN 201911176283 A CN201911176283 A CN 201911176283A CN 110931312 A CN110931312 A CN 110931312A
- Authority
- CN
- China
- Prior art keywords
- contactor
- switch tube
- diode
- switch
- input end
- Prior art date
- Legal status (The legal status is an assumption and is not a legal conclusion. Google has not performed a legal analysis and makes no representation as to the accuracy of the status listed.)
- Granted
Links
- 238000000034 method Methods 0.000 title claims abstract description 39
- 230000001965 increasing effect Effects 0.000 claims description 8
- 230000000630 rising effect Effects 0.000 claims description 3
- 238000010586 diagram Methods 0.000 description 8
- 230000008569 process Effects 0.000 description 5
- XEEYBQQBJWHFJM-UHFFFAOYSA-N Iron Chemical group [Fe] XEEYBQQBJWHFJM-UHFFFAOYSA-N 0.000 description 3
- 230000008878 coupling Effects 0.000 description 2
- 238000010168 coupling process Methods 0.000 description 2
- 238000005859 coupling reaction Methods 0.000 description 2
- 230000007423 decrease Effects 0.000 description 2
- 230000005389 magnetism Effects 0.000 description 2
- 230000004048 modification Effects 0.000 description 2
- 238000012986 modification Methods 0.000 description 2
- 230000009471 action Effects 0.000 description 1
- 230000009286 beneficial effect Effects 0.000 description 1
- 230000015556 catabolic process Effects 0.000 description 1
- 238000006243 chemical reaction Methods 0.000 description 1
- 230000005611 electricity Effects 0.000 description 1
- 238000005265 energy consumption Methods 0.000 description 1
- 238000010438 heat treatment Methods 0.000 description 1
- 230000006872 improvement Effects 0.000 description 1
- 230000001939 inductive effect Effects 0.000 description 1
- 239000002699 waste material Substances 0.000 description 1
Images
Classifications
-
- H—ELECTRICITY
- H01—ELECTRIC ELEMENTS
- H01H—ELECTRIC SWITCHES; RELAYS; SELECTORS; EMERGENCY PROTECTIVE DEVICES
- H01H47/00—Circuit arrangements not adapted to a particular application of the relay and designed to obtain desired operating characteristics or to provide energising current
- H01H47/22—Circuit arrangements not adapted to a particular application of the relay and designed to obtain desired operating characteristics or to provide energising current for supplying energising current for relay coil
- H01H47/32—Energising current supplied by semiconductor device
- H01H47/325—Energising current supplied by semiconductor device by switching regulator
-
- H—ELECTRICITY
- H01—ELECTRIC ELEMENTS
- H01H—ELECTRIC SWITCHES; RELAYS; SELECTORS; EMERGENCY PROTECTIVE DEVICES
- H01H47/00—Circuit arrangements not adapted to a particular application of the relay and designed to obtain desired operating characteristics or to provide energising current
- H01H47/02—Circuit arrangements not adapted to a particular application of the relay and designed to obtain desired operating characteristics or to provide energising current for modifying the operation of the relay
Landscapes
- Engineering & Computer Science (AREA)
- Power Engineering (AREA)
- Relay Circuits (AREA)
- Dc-Dc Converters (AREA)
Abstract
The invention provides a contactor power-saving control method, which is applied to a contactor power-saving control circuit, and when the input voltage is less than a voltage threshold Vth1 in the holding stage of a contactor, a switch in the control circuit is controlled by fixed-frequency PWM; when the input voltage is between a voltage threshold Vth1 and a voltage threshold Vth2, a switch in the control circuit is controlled by adopting variable-frequency PWM; when the input voltage is greater than the voltage threshold Vth2, the switches in the control circuit adopt intermittent control. Different switching frequencies are adopted for different input voltages, the higher the voltage is, the lower the frequency is, so that the coil current is maintained at a smaller value, and the contactor can keep a low-power-consumption working state in a wider input voltage range.
Description
Technical Field
The invention relates to the field of contactors, in particular to a contactor power-saving control method with a wide input range and a control circuit applying the method.
Background
The common contactor consists of a coil, an iron core, an armature, a spring, a contact and a control circuit, and the working process is divided into three stages: a pull-in stage, a pull-in stage and a turn-off stage. The working process of the three phases is as follows: in the attraction stage, a large current is generated in the coil, the iron core generates magnetism, and the armature is attracted, so that the contactor is changed from a disconnected state to a connected state; in the holding stage, the contactor keeps a conducting state unchanged, the holding current of the coil is about one tenth of the pull-in current in the stage, and the excessive holding current can increase the loss of the coil and waste energy; in the off stage, the current in the coil becomes zero, the magnetism of the iron core disappears, the armature returns to the original position under the action of the spring, and the contactor is changed from the on state to the off state. The control circuit of the contactor comprises an electronic switch, and the current in the coil is controlled by controlling the on-off of the electronic switch, so that the contactor is switched among three stages of attraction, attraction and disconnection.
In order to reduce the energy consumption, besides the improvement of the circuit structure and hardware of the contactor, the control scheme of the holding stage is improved. In the traditional scheme, a switch in a contactor control circuit is always kept on or off, the current in a coil is large, and the loss is high. In the contactor economize on electricity control circuit, what the holding stage generally adopted is that traditional PWM control mode controls the break-make of electronic switch, this control mode is when the input voltage scope is narrower, work does not have the problem, but along with the input voltage scope enlarges, input voltage constantly improves, required duty cycle is very little when the holding current, the switch on-time is short, when the on-time of switch reaches minimum, if input voltage continues to rise, then can make the coil current increase, the loss rises, can't satisfy the demand of contactor low-power consumption.
When the input voltage is alternating current, the contactor is better when the power factor is higher in the use process, but due to the limitation of the minimum duty ratio, the input voltage generates larger current at high voltage after being rectified, and the increased current not only increases heating, but also has a part which does not work, so that the reactive power is increased, and the power factor is reduced.
In summary, the current contactor control scheme cannot meet the requirements of low power consumption and high power factor.
Disclosure of Invention
In view of this, the technical problem to be solved by the present invention is to overcome the disadvantages of the existing methods, and to provide a power saving control method for a contactor with a wide input range, wherein when the input voltage rises, the operating frequency of the switch is reduced, so that the current does not rise with the voltage, and the contactor still maintains the operating state of low power consumption and high power factor. Meanwhile, the invention also provides a contactor power-saving control circuit applying the control method, and the circuit has the advantages of simple structure and low power consumption.
The control method for solving the technical problems comprises the following steps:
a contactor power-saving control method is applied to a contactor control circuit and is characterized in that: the contactor works in a holding stage, and when the input voltage of the control circuit rises, the working frequency of a switch in the control circuit is reduced; when the input voltage of the control circuit is reduced, the working frequency of the switch in the control circuit is increased.
The specific implementation of the contactor power-saving control method is as follows:
when the input voltage is smaller than a voltage threshold Vth1, a switch in the control circuit is controlled by fixed frequency PWM;
when the input voltage is between the voltage threshold Vth1 and the voltage threshold Vth2, the switches in the control circuit are controlled using variable frequency PWM. The voltage threshold Vth1 is smaller than the voltage threshold Vth 2;
when the input voltage is greater than the voltage threshold Vth2, the switches in the control circuit adopt intermittent control.
Preferably, when the switch is controlled by fixed-frequency PWM, the proportion of the rising time and the falling time of the current can be adjusted by adjusting the duty ratio.
Preferably, when the switch is controlled by variable frequency PWM, the on-time of the switch is fixed, and the off-time of the switch increases as the input voltage increases.
Preferably, when the switch is controlled by variable frequency PWM, the operating frequency decreases with increasing voltage.
Preferably, the back difference is added when the control method is switched.
Preferably, the maximum duty ratio is less than 25% at the time of ac input, regardless of the fixed-frequency PWM control or the variable-frequency PWM control.
In order to achieve the above purpose, the invention is realized by the following technical measures:
a contactor electricity-saving control circuit comprises a diode D1, a switch tube Q1, a contactor coil L1, a positive input end Vin + and a negative input end Vin-, the positive input end Vin + is electrically connected with the cathode of a diode D1, the connection point of the positive input end Vin + is used as a first connection port, the anode of a diode D1 is electrically connected with the drain of a switch tube Q1, the connection point of the diode D1 is used as a second connection port, the source of a switch tube Q1 is electrically connected with the negative input end Vin-, the first connection port is connected with one end of a contactor coil L1, and the second connection port is connected with the other end of a. When current is generated by the contactor coil L1, the armature is pulled and the power switch SW1 is turned on.
Another preferred embodiment of the contactor power saving control circuit is characterized in that: the high-voltage direct current contactor comprises a diode D1, a switch tube Q1, a switch tube Q2, a contactor coil L1, a positive input end Vin + and a negative input end Vin-, the positive input end Vin + is electrically connected with the cathode of the diode D1, the connection point of the positive input end Vin + and the diode D1 serves as a first connection port, the anode of a diode D1 is electrically connected with the source of a switch tube Q2, the drain of a switch tube Q2 is electrically connected with the drain of a switch tube Q1, the connection point of the switch tube Q2 serves as a second connection port, the source of a switch tube Q1 is electrically connected with the negative input end Vin-, the first connection port is connected with one end of a. When current is generated by the contactor coil L1, the armature is pulled and the power switch SW1 is turned on.
As a third preferred embodiment of the contactor power saving control circuit, the contactor power saving control circuit is characterized in that: the high-voltage direct current contactor comprises a diode D1, a switch tube Q1, a switch tube Q2, a contactor coil L1, a positive input end Vin +, a negative input end Vin-, a positive input end Vin + is electrically connected with the cathode of the diode D1, the connection point of the positive input end Vin + and the cathode of the diode D1 is used as a first connection port, the anode of a diode D1 is electrically connected with the drain of a switch tube Q1, the source of a switch tube Q1 is electrically connected with the negative input end Vin-, the source of a switch tube Q2 is electrically connected with the drain of a switch tube Q1, the drain of the switch tube Q2 is used as a second connection port, the first connection port is connected with one end of the contactor coil. When current is generated by the contactor coil L1, the armature is pulled and the power switch SW1 is turned on.
As a fourth preferred embodiment of the contactor power saving control circuit, the contactor power saving control circuit is characterized in that: the diode-based touch control circuit comprises a diode D1, a diode D2, a switch tube Q1, a switch tube Q2, a contactor coil L1, a positive input end Vin +, a negative input end Vin-, the positive input end Vin + is electrically connected with the cathode of a diode D1 and the drain of a switch tube Q2, the source of the switch tube Q2 is electrically connected with the cathode of a diode D2, the connection point is used as a first connection port, the anode of a diode D1 is electrically connected with the drain of a switch tube Q1, the connection point is used as a second connection port, the anode of a diode D2 and the source of a switch tube Q1 are electrically connected with the negative Vin-, the first connection port is connected with one end of a contactor coil L1, and the second connection port is connected with the other end of the. When current is generated by the contactor coil L1, the armature is pulled and the power switch SW1 is turned on.
In the above four schemes, the input voltage Vin is a rectified and filtered voltage.
Preferably, the gate of the switching tube Q1 and the gate of the switching tube Q2 are respectively connected to the control signal.
The noun explains:
electrically coupling: including direct or indirect connections, and including connections such as inductive couplings, may be used to form more preferred connections by adding or subtracting connection aids, depending on the particular implementation.
Intermittent control: the switch is operated for several cycles, then stopped for a period of time, and then operated for several cycles.
The contactor power-saving control method and the control circuit thereof have the beneficial effects that:
when the contactor works in a holding stage, when input voltage rises, three control modes of fixed-frequency PWM, variable-frequency PWM and intermittent control are respectively adopted, and the problems that in the prior art, the minimum duty ratio is limited, the coil loss is increased and the power factor is reduced in the fixed-frequency PWM control along with the expansion of an input voltage range and the continuous increase of the input voltage are solved.
Drawings
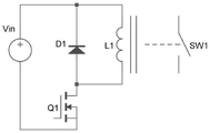
FIG. 1 is a schematic diagram of an application of a contactor power saving control circuit according to a first embodiment of the present invention;
FIG. 2 is a graph of a contactor power saving control method of the present invention;
FIG. 3 is a graph of the contactor power saving control method with return difference of input voltage according to the present invention;
FIG. 4 is a schematic diagram of the application of the contactor power saving control circuit according to the second embodiment of the present invention;
FIG. 5 is a schematic diagram of the application of a contactor power saving control circuit according to a third embodiment of the present invention;
fig. 6 is a schematic diagram of the application of the contactor power saving control circuit according to the fourth embodiment of the present invention.
Detailed Description
In the holding stage of the contactor, when the input voltage of the control circuit rises, the working frequency of a switch in the control circuit is reduced; when the input voltage of the control circuit is reduced, the working frequency of a switch in the control circuit is improved, so that the contactor can keep low power consumption and high power factor in a wide input voltage range.
First embodiment
Fig. 1 is a schematic diagram of an application of a power saving control circuit of a contactor according to the present embodiment, the circuit includes: the power supply comprises an input power Vin, a diode D1, a switch tube Q1, a contactor coil L1 and a power switch SW 1. The connection relationship of the circuit is as follows: the positive input terminal Vin + is electrically connected with the cathode of the diode D1, the anode of the diode D1 is electrically connected with the drain of the switch tube Q1, the source of the switch tube Q1 is electrically connected with the negative input terminal Vin-, one end of the contactor coil L1 is electrically connected with the cathode of the diode D1, and the other end of the contactor coil L1 is electrically connected with the anode of the diode D1. When current is generated by the contactor coil L1, the armature is pulled and the power switch SW1 is turned on.
The curve chart of the contactor power saving control method of the embodiment is shown in fig. 2: when the input voltage is lower than the voltage threshold Vth1, the control circuit keeps a small current by PWM control with a fixed frequency f 1; when the input voltage is between a voltage threshold Vth1 and a voltage threshold Vth2, the control circuit adopts variable-frequency PWM control, and the switching frequency is reduced along with the increase of the input voltage; when the input voltage is larger than the voltage threshold Vth2, the contactor adopts intermittent control, works for a plurality of cycles, stops for a period of time, and then works for a plurality of cycles.
The working principle of the embodiment is as follows: in the pull-in stage, the switching tube Q1 is conducted, and the current of the contactor coil L1 rises; in the turn-off stage, the switching tube Q1 is turned off, the current of the contactor coil L1 freewheels through the diode D1, and the current of the contactor coil L1 decreases due to the internal resistance of the contactor coil L1 and the voltage drop of the diode D1; in the holding stage, the on-off of the switch tube Q1 is reasonably controlled, so that the stages of the rising and the falling of the current of the coil L1 of the contactor alternately occur, the current of the coil can be maintained at a smaller value, and the contactor is maintained in a low power consumption state.
During the holding phase, the on/off of the switching tube Q1 is affected by the input voltage: when the input voltage is lower than the voltage threshold Vth1, the fixed-frequency PWM control is adopted, the period is fixed, and the ratio of the rise time and the fall time of the inductor current is adjusted by adjusting the duty ratio, so that the current can be kept at a relatively small value. When the input voltage is between the voltage threshold Vth1 and the voltage threshold Vth2, the generally adopted variable frequency control is a constant on-time control, and the time of the on and off processes of the switching tube cannot be reduced infinitely due to the constraint of hardware, so in the scheme, the on time of the switching tube is kept fixed, and the magnitude of the current is controlled by adjusting the off time length. If the voltage is higher, the amplitude of the current rise is larger in the same on-time of the switching tube, so that the off-time of the switching tube needs to be increased to maintain the current in a certain range. When the input voltage is higher than the voltage threshold Vth2, intermittent control is adopted, the coil works for a plurality of periods, the current of the coil rises, then the coil stops working for a period of time, and the current of the coil falls, so that the current of the coil keeps a lower value on the whole.
In the actual use process, when the control mode is switched near the voltage threshold Vth1 or Vth2, a back difference can be added, for example, in fig. 3, Vth1a < Vth1b, Vth2a < Vth2b, after the back difference is added, when the voltage is higher than Vth1b from low to high, the constant frequency PWM control is changed into the variable frequency PWM control; when the voltage is lower than Vth1a from high to low, the frequency conversion PWM control is changed into the fixed frequency PWM control; when the voltage is higher than Vth2b from low to high, the variable frequency PWM control is changed into intermittent control; when the voltage goes from high to low and is less than Vth2a, the intermittent control is changed to the variable frequency PWM control.
Second embodiment
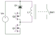
The control method can be used for the contactor control circuit shown in the figure 1 and can also be used for the contactor power saving control circuit shown in the figure 4.
Fig. 4 is a schematic diagram of an application of the power saving control circuit of the contactor according to the embodiment, the circuit includes: the power supply comprises an input power Vin, a diode D1, a switch tube Q1, a switch tube Q2, a contactor coil L1 and a power switch SW 1. The connection relationship of the circuit is as follows: the positive input end Vin + is electrically connected with the cathode of the diode D1, the anode of the diode D1 is electrically connected with the source of the switch tube Q2, the drain of the switch tube Q2 is electrically connected with the drain of the switch tube Q1, the source of the switch tube Q1 is electrically connected with the negative input end Vin-, one end of the contactor coil L1 is electrically connected with the cathode of the diode D1, and the other end of the contactor coil L1 is electrically connected with the drain of the switch tube Q1. When current is generated by the contactor coil L1, the armature is pulled and the power switch SW1 is turned on.
In the pull-in stage, the switching tube Q1 and the switching tube Q2 are both kept conducted, and the current of the contactor coil L1 rises; in the holding stage, the switch tube Q1 of the circuit adopts the contactor power-saving control method described in the first embodiment, and the switch tube Q2 is kept conductive; in the off phase, the switching tube Q1 and the switching tube Q2 are both turned off. The working principle is the same as that of the first embodiment, and is not described herein.
Third embodiment
Fig. 5 is a schematic diagram of an application of the power saving control circuit of the contactor according to the present embodiment, the circuit includes: the power supply comprises an input power Vin, a diode D1, a switch tube Q1, a switch tube Q2, a contactor coil L1 and a power switch SW 1. The connection relationship of the circuit is as follows: the positive input end Vin + is electrically connected with the cathode of the diode D1, the anode of the diode D1 is electrically connected with the drain of the switch tube Q1, the source of the switch tube Q1 is electrically connected with the negative input end Vin-, the source of the switch tube Q2 is electrically connected with the drain of the switch tube Q1, one end of the contactor coil L1 is electrically connected with the cathode of the diode D1, and the other end of the contactor coil L1 is electrically connected with the drain of the switch tube Q2. When current is generated by the contactor coil L1, the armature is pulled and the power switch SW1 is turned on.
In the pull-in stage, the switching tube Q1 and the switching tube Q2 are both kept conducted, and the current of the contactor coil L1 rises; in the holding stage, the switching tube Q1 of the circuit adopts the control method of the first embodiment, and the switching tube Q2 is kept conductive; in the off phase, the switching tube Q1 and the switching tube Q2 are both turned off. The working principle is the same as that of the first embodiment, and is not described herein. Compared with the second embodiment, when the switch is turned off, the drain-source voltage Vds of the switch Q1 is clamped by the input voltage Vin, so that the voltage of the switch Q1 is limited, and the risk of breakdown is reduced.
Fourth embodiment
Fig. 6 is a schematic diagram of an application of the power saving control circuit of the contactor according to the present embodiment, which includes: the power supply comprises an input power Vin, a diode D1, a diode D2, a switch tube Q1, a switch tube Q2, a contactor coil L1 and a power switch SW 1. The connection relationship of the circuit is as follows: the positive input terminal Vin + is electrically connected with the cathode of the diode D1 and the drain of the switch tube Q2, the anode of the diode D1 is electrically connected with the drain of the switch tube Q1 and one end of the contactor coil L1, the other end of the contactor coil L1 is electrically connected with the source of the switch tube Q2, the source of the switch tube Q1 is electrically connected with the negative Vin-of the input terminal, the anode of the diode D2 is electrically connected with the source of the switch tube Q1, and the cathode of the diode D2 is electrically connected with one end of the contactor coil L1. When current is generated by the contactor coil L1, the armature is pulled and the power switch SW1 is turned on.
In the pull-in stage, the switching tube Q1 and the switching tube Q2 are both kept conducted, and the current of the contactor coil L1 rises; in the holding stage, the switching tube Q1 and the switching tube Q2 of the circuit have two control schemes: A. the switching tube Q1 and the switching tube Q2 adopt the control method of the first embodiment at the same time; B. one of the switch tube Q1 and the switch tube Q2 adopts the control method of the first embodiment, and the other one is kept conducted; in the turn-off stage, the switch tube Q1 and the switch tube Q2 are both turned off, the current in the contactor coil L1 is fed back to the input terminal, and the energy is recovered.
The contactor power saving control method of the invention can be used for the contactor power saving control circuit shown in fig. 1, 4, 5 and 6, and can also be used for other contactor circuits, which are not listed.
The above are merely preferred embodiments of the present invention, and those skilled in the art to which the present invention pertains may make variations and modifications of the above-described embodiments. Therefore, the present invention is not limited to the specific control modes disclosed and described above, and modifications and variations of the present invention are also intended to fall within the scope of the claims of the present invention. Furthermore, although specific terms are employed herein, they are used in a generic and descriptive sense only and not for purposes of limitation.
Claims (12)
1. A contactor power-saving control method is applied to a contactor power-saving control circuit and is characterized in that: the contactor works in a holding stage, and when the input voltage of the control circuit rises, the working frequency of a switch in the control circuit is reduced; when the input voltage of the control circuit is reduced, the working frequency of the switch in the control circuit is increased.
2. The contactor power saving control method according to claim 1, characterized in that:
when the input voltage is smaller than a voltage threshold Vth1, a switch in the control circuit is controlled by fixed-frequency PWM;
when the input voltage is between a voltage threshold Vth1 and a voltage threshold Vth2, a switch in the control circuit is controlled by adopting variable-frequency PWM;
when the input voltage is greater than the voltage threshold Vth2, the switches in the control circuit adopt intermittent control.
3. The contactor power saving control method according to claim 2, characterized in that: and return difference exists when the control method is switched.
4. The contactor power saving control method according to claim 2, characterized in that: when the switch is controlled by fixed-frequency PWM, the proportion of the rising time and the falling time of the current is adjusted by adjusting the duty ratio.
5. The contactor power saving control method according to claim 2, characterized in that: when the switch is controlled by adopting variable frequency PWM, the on-time of the switch is fixed, and the off-time of the switch is increased along with the increase of the input voltage.
6. The contactor power saving control method according to claim 5, characterized in that: when the switch is controlled by variable frequency PWM, the working frequency is reduced along with the rise of the voltage.
7. The contactor power saving control method according to any one of claims 1 to 6, characterized in that: when the input is an alternating current input, the maximum duty cycle of the switch is less than 25%.
8. A control circuit for applying the power saving control method of the contactor as claimed in any one of claims 1 to 7, wherein: the high-voltage direct current contactor comprises a diode D1, a switch tube Q1, a positive input end Vin +, a negative input end Vin-, the positive input end Vin + is electrically connected with the cathode of a diode D1, the connection point of the positive input end Vin + is used as a first connection port, the anode of the diode D1 is electrically connected with the drain of the switch tube Q1, the connection point of the diode D1 is used as a second connection port, the source of the switch tube Q1 is electrically connected with the negative input end Vin-, the first connection port is connected with one end of a contactor coil, and the second connection port is connected with the other.
9. A control circuit for applying the power saving control method of the contactor as claimed in any one of claims 1 to 7, wherein: the high-voltage contactor comprises a diode D1, a switch tube Q1, a switch tube Q2, a positive input end Vin +, a negative input end Vin-, the positive input end Vin + is electrically connected with the cathode of the diode D1, the connection point of the positive input end Vin + and the negative input end Vin-is used as a first connection port, the anode of the diode D1 is electrically connected with the source of a switch tube Q2, the drain of a switch tube Q2 is electrically connected with the drain of a switch tube Q1, the connection point of the switch tube Q1 is used as a second connection port, the source of the switch tube Q1 is electrically connected with the negative input end Vin-, the first connection port is connected with one end of a contactor.
10. A control circuit for applying the power saving control method of the contactor as claimed in any one of claims 1 to 7, wherein: the high-voltage direct current contactor comprises a diode D1, a switch tube Q1, a switch tube Q2, a positive input end Vin +, a negative input end Vin-, the positive input end Vin + is electrically connected with the cathode of a diode D1, the connection point of the positive input end Vin + and the negative input end Vin-, the anode of the diode D1 is electrically connected with the drain of the switch tube Q1 and the source of the switch tube Q2, the drain of the switch tube Q2 is used as a second connection port, the source of the switch tube Q1 is electrically connected with the negative input end Vin-, the first connection port is connected with one end of a contactor coil, and the second connection port is connected.
11. A control circuit for applying the power saving control method of the contactor as claimed in any one of claims 1 to 7, wherein: the contactor circuit comprises a diode D1, a diode D2, a switch tube Q1, a switch tube Q2, a positive input end Vin + and a negative input end Vin-, the positive input end Vin + is electrically connected with the cathode of the diode D1 and the drain of the switch tube Q2, the source of the switch tube Q2 is electrically connected with the cathode of the diode D2, the connection point of the diode D2 is used as a first connection port, the anode of the diode D1 is electrically connected with the drain of the switch tube Q1, the connection point of the diode D1 is used as a second connection port, the anode of the diode D2 and the source of the switch tube Q1 are electrically connected with the negative Vin-of the input end, the first connection port is connected with one end of a.
12. The contactor power saving control circuit according to any one of claims 8 to 11, wherein: the grid of the switch tube Q1 and the grid of the switch tube Q2 are respectively connected with control signals.
Priority Applications (1)
| Application Number | Priority Date | Filing Date | Title |
|---|---|---|---|
| CN201911176283.4A CN110931312B (en) | 2019-11-26 | 2019-11-26 | Contactor power-saving control method and control circuit applying same |
Applications Claiming Priority (1)
| Application Number | Priority Date | Filing Date | Title |
|---|---|---|---|
| CN201911176283.4A CN110931312B (en) | 2019-11-26 | 2019-11-26 | Contactor power-saving control method and control circuit applying same |
Publications (2)
| Publication Number | Publication Date |
|---|---|
| CN110931312A true CN110931312A (en) | 2020-03-27 |
| CN110931312B CN110931312B (en) | 2022-05-20 |
Family
ID=69851175
Family Applications (1)
| Application Number | Title | Priority Date | Filing Date |
|---|---|---|---|
| CN201911176283.4A Active CN110931312B (en) | 2019-11-26 | 2019-11-26 | Contactor power-saving control method and control circuit applying same |
Country Status (1)
| Country | Link |
|---|---|
| CN (1) | CN110931312B (en) |
Cited By (1)
| Publication number | Priority date | Publication date | Assignee | Title |
|---|---|---|---|---|
| EP4345859A1 (en) * | 2022-09-29 | 2024-04-03 | Schneider Electric Industries Sas | Control method and control device for electric switch, and electric switch |
Citations (11)
| Publication number | Priority date | Publication date | Assignee | Title |
|---|---|---|---|---|
| CN103456566A (en) * | 2013-08-21 | 2013-12-18 | 福州大学 | Intelligent alternating current contactor capable of being controlled digitally and dynamically in whole process |
| CN205406395U (en) * | 2015-12-31 | 2016-07-27 | 广州金升阳科技有限公司 | Power saving circuit of contactor |
| CN106024521A (en) * | 2016-07-05 | 2016-10-12 | 广州金升阳科技有限公司 | Coil control circuit of contactor |
| CN107134391A (en) * | 2017-06-07 | 2017-09-05 | 北京新能源汽车股份有限公司 | Relay control circuit and car |
| CN107658181A (en) * | 2017-10-19 | 2018-02-02 | 深圳南云微电子有限公司 | A kind of contactor electricity-saving appliance |
| CN107834839A (en) * | 2017-10-19 | 2018-03-23 | 深圳南云微电子有限公司 | A kind of contactor electricity-saving appliance |
| CN109686616A (en) * | 2019-01-21 | 2019-04-26 | 广东美的制冷设备有限公司 | Relay drive circuit and air conditioner |
| CN109728711A (en) * | 2018-12-24 | 2019-05-07 | 广州金升阳科技有限公司 | A kind of contactor electricity saver circuit and its control method |
| CN110112037A (en) * | 2019-04-18 | 2019-08-09 | 深圳南云微电子有限公司 | A kind of contactor power save circuit |
| EP3544042A1 (en) * | 2018-03-23 | 2019-09-25 | Siemens Aktiengesellschaft | Contact with energy efficient coil control |
| CN110391113A (en) * | 2019-06-28 | 2019-10-29 | 东南大学 | Electromagnetic contactor, coil current control method, device |
-
2019
- 2019-11-26 CN CN201911176283.4A patent/CN110931312B/en active Active
Patent Citations (11)
| Publication number | Priority date | Publication date | Assignee | Title |
|---|---|---|---|---|
| CN103456566A (en) * | 2013-08-21 | 2013-12-18 | 福州大学 | Intelligent alternating current contactor capable of being controlled digitally and dynamically in whole process |
| CN205406395U (en) * | 2015-12-31 | 2016-07-27 | 广州金升阳科技有限公司 | Power saving circuit of contactor |
| CN106024521A (en) * | 2016-07-05 | 2016-10-12 | 广州金升阳科技有限公司 | Coil control circuit of contactor |
| CN107134391A (en) * | 2017-06-07 | 2017-09-05 | 北京新能源汽车股份有限公司 | Relay control circuit and car |
| CN107658181A (en) * | 2017-10-19 | 2018-02-02 | 深圳南云微电子有限公司 | A kind of contactor electricity-saving appliance |
| CN107834839A (en) * | 2017-10-19 | 2018-03-23 | 深圳南云微电子有限公司 | A kind of contactor electricity-saving appliance |
| EP3544042A1 (en) * | 2018-03-23 | 2019-09-25 | Siemens Aktiengesellschaft | Contact with energy efficient coil control |
| CN109728711A (en) * | 2018-12-24 | 2019-05-07 | 广州金升阳科技有限公司 | A kind of contactor electricity saver circuit and its control method |
| CN109686616A (en) * | 2019-01-21 | 2019-04-26 | 广东美的制冷设备有限公司 | Relay drive circuit and air conditioner |
| CN110112037A (en) * | 2019-04-18 | 2019-08-09 | 深圳南云微电子有限公司 | A kind of contactor power save circuit |
| CN110391113A (en) * | 2019-06-28 | 2019-10-29 | 东南大学 | Electromagnetic contactor, coil current control method, device |
Non-Patent Citations (2)
| Title |
|---|
| WENHUA LI ETAL.: "Study on the Test System of AC Contactor for", 《2008 IEEE INTERNATIONAL CONFERENCE ON INDUSTRIAL TECHNOLOGY》 * |
| 荣良章 等: "智能型节能交流接触器的研究与应用", 《电气制造》 * |
Cited By (2)
| Publication number | Priority date | Publication date | Assignee | Title |
|---|---|---|---|---|
| EP4345859A1 (en) * | 2022-09-29 | 2024-04-03 | Schneider Electric Industries Sas | Control method and control device for electric switch, and electric switch |
| US12488952B2 (en) | 2022-09-29 | 2025-12-02 | Schneider Electric Industries Sas | Control method and control device for electric switch, and electric switch |
Also Published As
| Publication number | Publication date |
|---|---|
| CN110931312B (en) | 2022-05-20 |
Similar Documents
| Publication | Publication Date | Title |
|---|---|---|
| US9024613B2 (en) | Switching power supply apparatus and semiconductor device | |
| CN106558994B (en) | DC/DC converter | |
| US11069499B2 (en) | Power-saving circuit for contactor | |
| CN104600998A (en) | Method for controlling uniform heating of switch device of switch power source | |
| CN105470046B (en) | The coil driver of contactor and the control method of coil drive current | |
| TWI521851B (en) | Hybrid mode active clamping power transformer | |
| CN110099486B (en) | Dimming control circuit and dimming control method | |
| TWI513164B (en) | Flyback active clamping power converter | |
| JP2013223263A (en) | Switching power supply | |
| CN101447733A (en) | High-efficient linear DC stable power supply | |
| Setiadi et al. | Control and performance of new asymmetrical operation for switched-capacitor-based resonant converters | |
| CN113285596B (en) | Buck-boost direct current converter and control method thereof | |
| CN110994982A (en) | A soft-switching buck converter and its control method | |
| CN110931312B (en) | Contactor power-saving control method and control circuit applying same | |
| CN109450260A (en) | A kind of capacitance series formula crisscross parallel circuit of reversed excitation | |
| CN205406395U (en) | Power saving circuit of contactor | |
| CN103872894B (en) | Circuit of power factor correction and the power supply including this circuit of power factor correction | |
| CN110112037B (en) | Contactor power-saving circuit | |
| CN109818427A (en) | The output modulation circuit and its metal-oxide-semiconductor control method of wireless power transmission systems receiving side | |
| KR102155031B1 (en) | Power supply and gate driver therein | |
| WO2012093423A1 (en) | Non-contact charging system power supply device | |
| TWI628903B (en) | Isolated high step-down buck converter | |
| CN101345476B (en) | DC-DC conversion decompression soft switch circuit | |
| CN117394668A (en) | Bus active discharging method, charging system and three-port vehicle-mounted charger | |
| CN201821265U (en) | Non-polar isolation reverse converter |
Legal Events
| Date | Code | Title | Description |
|---|---|---|---|
| PB01 | Publication | ||
| PB01 | Publication | ||
| SE01 | Entry into force of request for substantive examination | ||
| SE01 | Entry into force of request for substantive examination | ||
| GR01 | Patent grant | ||
| GR01 | Patent grant |