CN110899744B - Machining clamp for workpiece with taper hole on numerical control machine tool - Google Patents

Machining clamp for workpiece with taper hole on numerical control machine tool Download PDF

Info

Publication number
CN110899744B
CN110899744B CN201911019489.6A CN201911019489A CN110899744B CN 110899744 B CN110899744 B CN 110899744B CN 201911019489 A CN201911019489 A CN 201911019489A CN 110899744 B CN110899744 B CN 110899744B
Authority
CN
China
Prior art keywords
chuck
fixedly connected
base
clamping
block
Prior art date
Legal status (The legal status is an assumption and is not a legal conclusion. Google has not performed a legal analysis and makes no representation as to the accuracy of the status listed.)
Active
Application number
CN201911019489.6A
Other languages
Chinese (zh)
Other versions
CN110899744A (en
Inventor
王小龙
高雷
王林双
Current Assignee (The listed assignees may be inaccurate. Google has not performed a legal analysis and makes no representation or warranty as to the accuracy of the list.)
BEIJING GOLDRAY CENTURY HIGH-TECH Co.,Ltd.
Original Assignee
Beijing Goldray Century High Tech Co ltd
Priority date (The priority date is an assumption and is not a legal conclusion. Google has not performed a legal analysis and makes no representation as to the accuracy of the date listed.)
Filing date
Publication date
Application filed by Beijing Goldray Century High Tech Co ltd filed Critical Beijing Goldray Century High Tech Co ltd
Priority to CN201911019489.6A priority Critical patent/CN110899744B/en
Publication of CN110899744A publication Critical patent/CN110899744A/en
Application granted granted Critical
Publication of CN110899744B publication Critical patent/CN110899744B/en
Active legal-status Critical Current
Anticipated expiration legal-status Critical

Links

Images

Classifications

    • BPERFORMING OPERATIONS; TRANSPORTING
    • B23MACHINE TOOLS; METAL-WORKING NOT OTHERWISE PROVIDED FOR
    • B23BTURNING; BORING
    • B23B31/00Chucks; Expansion mandrels; Adaptations thereof for remote control
    • B23B31/02Chucks
    • B23B31/10Chucks characterised by the retaining or gripping devices or their immediate operating means
    • B23B31/103Retention by pivotal elements, e.g. catches, pawls

Landscapes

  • Engineering & Computer Science (AREA)
  • Mechanical Engineering (AREA)
  • Jigs For Machine Tools (AREA)

Abstract

The invention relates to the technical field of machining, and particularly discloses a machining clamp for a workpiece with a taper hole on a numerical control machine tool, which comprises a base and a chuck plate, wherein an electric telescopic rod is fixedly connected to the center inside the base; the invention is convenient for the installation and the disassembly of the chuck, and improves the fit between the chuck and the taper hole workpiece.

Description

Machining clamp for workpiece with taper hole on numerical control machine tool
Technical Field
The invention relates to the technical field of machining, in particular to a machining clamp for a workpiece with a taper hole on a numerical control machine tool.
Background
The numerical control machine tool is a digital control machine tool for short, and is an automatic machine tool loaded with a program control system, wherein the control system logically processes a program with a control code or other instruction symbols, the program is input into a numerical control device through an information carrier, and the numerical control device controls the action of the machine tool so as to achieve the aim of automatically processing parts according to the requirements of drawings.
Because when the process of manufacturing the part, need to carry out centre gripping and fixed to the machined part, make the machined part be located the correct position and accept processing or detect, so anchor clamps are an indispensable component on the numerical control lathe, but traditional anchor clamps and numerical control lathe's connected mode divide into welding and rely on screwed connection two kinds, and this makes anchor clamps difficult to drop from the numerical control lathe, but makes the change of anchor clamps very loaded down with trivial details.
Disclosure of Invention
Aiming at the defects of the prior art, the invention provides a machining clamp for a workpiece with a taper hole on a numerical control machine tool, which has the advantages of convenience in installation and disassembly and the like, and solves the problem that the clamp is difficult to disassemble and assemble after being connected with the numerical control machine tool.
The machining fixture for the workpiece with the taper hole on the numerical control machine tool comprises a base and a chuck plate, wherein sliding grooves are symmetrically formed in the tops of the outer sides of the left side and the right side of the base, a partition plate is fixedly connected to the top of the base, an electric telescopic rod is fixedly connected to the center inside the base, a material placing pipe is fixedly connected to the top of the electric telescopic rod, clamping seats are symmetrically and fixedly connected to the positions, close to the center, of the bottoms of the outer sides of the left side and the right side of the base, a clamping lock is fixedly connected to one side, far away from the base, of each clamping seat through a hinge, a third clamping block is fixedly connected to one side, close to the base, of each clamping lock, sliding blocks are symmetrically and slidably connected to the positions, close to the center, of the tops of the outer sides of the left side and the right side of the base, the chuck is of a ring structure, an inner wall fixedly connected with washer of the chuck, a plurality of fixed claws of inside fixedly connected with of chuck, the fixed claw is close to one side fixedly connected with rubber pad in the chuck centre of a circle, the locating hole has been seted up at the center of chuck bottom, first draw-in groove has been seted up to the top symmetry in the both sides outside about the chuck, a plurality of regulating blocks of fixed surface of chuck are connected with, the inside central sliding connection of regulating block has the threaded rod.
The machining clamp for the workpiece with the taper hole on the numerical control machine tool is provided with three fixed claws, one surface of each fixed claw, which is close to the circle center of the chuck, is arc-shaped, and the three fixed claws are distributed in an annular and equidistant mode by taking the chuck as the circle center.
The machining fixture for the workpiece with the taper hole on the numerical control machine tool is provided with three adjusting blocks, the positions of the three adjusting blocks correspond to the positions of the three fixing claws respectively, the threaded rod sequentially penetrates through the adjusting blocks, the chuck plate and the washer and is fixedly connected with one end, far away from the circle center of the chuck plate, of the fixing claw, and the fixing claw can change the position under the driving of the threaded rod due to the arrangement of the structure, so that the workpiece is fixed.
The machining fixture for the workpiece with the taper hole on the numerical control machine tool is characterized in that an electric telescopic rod penetrates through the top of a base and the top of a partition plate in sequence, the shape and the size of the electric telescopic rod are matched with those of a positioning hole, one end of the electric telescopic rod can be positioned in a chuck and can limit the position of the workpiece due to the arrangement of the structure, the material placing pipe is of a circular table-shaped structure, the arrangement of the structure increases the matching degree of the material placing table and the workpiece, and the working accuracy of the numerical control machine tool is guaranteed.
The machining clamp for the workpiece with the taper hole on the numerical control machine tool is provided with the second clamping block which is connected in the sliding groove in a sliding mode, the sliding track of the sliding block is limited due to the arrangement of the structure, the safety of the device is improved, the top of the first clamping groove penetrates through the top of the chuck plate, the shape and the size of the first clamping groove are matched with those of the first clamping block, and due to the arrangement of the structure, the first clamping block can be clamped into the first clamping groove and can be fixed on the chuck plate.
The machining clamp for the workpiece with the taper hole on the numerical control machine tool is provided with the structure, the convex block is fixedly connected to one side, away from the base, of the sliding block, operation of a worker on the sliding block is facilitated due to the arrangement of the structure, the anti-slip pads are fixedly connected to the inner wall of the second clamping groove and the surface of the third clamping block, the third clamping block cannot be separated from the second clamping groove when the machining clamp is vibrated due to the arrangement of the structure, safety of the machining clamp is improved, and the shape and the size of the second clamping groove are matched with those of the third clamping block.
Compared with the prior art, the invention has the following beneficial effects:
1. the workpiece can be fixed on the chuck plate by the aid of the fixing claws arranged and the threaded rods, so that the workpiece can be conveniently processed and detected by the numerical control machine tool, the chuck plate can be fixed with the base by the aid of the first clamping grooves arranged and the first clamping blocks matched, stability of the device is improved, the workpiece can be ejected out of the chuck plate by the aid of the telescopic rods arranged and the air cylinders matched, so that the workpiece can be conveniently taken by workers, and when the workpiece with the conical hole is placed on the chuck plate by the aid of the electric telescopic rods arranged and the material placing pipes matched, the conical hole of the workpiece is attached to the material placing pipes, perpendicularity of the workpiece is guaranteed, and working accuracy of the numerical control machine tool is improved.
2. The sliding track of the sliding block is limited by the matching of the arranged sliding groove and the second clamping block, the safety of the device is improved, the position of the sliding block can be fixed by the matching of the arranged second clamping groove and the third clamping block, the safety of the device is further improved, the normal work of the numerical control machine tool is ensured, and the clamping lock of the device can still fix the sliding block when the device is vibrated by the aid of the anti-slip pad arranged on the inner wall of the second clamping groove and the anti-slip pad arranged on the surface of the third clamping block.
Drawings
The accompanying drawings, which are included to provide a further understanding of the application and are incorporated in and constitute a part of this application, illustrate embodiment(s) of the application and together with the description serve to explain the application and not to limit the application. In the drawings:
FIG. 1 is a schematic cross-sectional front view of the present invention;
FIG. 2 is a front cross-sectional structural view of the base of the present invention;
FIG. 3 is a schematic top view of a chuck according to the present invention;
FIG. 4 is a side view of the base of the present invention;
FIG. 5 is a front sectional structural view of the slider of the present invention.
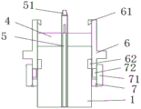
In the figure: 1. a base; 11. a chute; 2. a chuck; 21. a gasket; 22. a fixed jaw; 23. a rubber pad; 24. positioning holes; 25. a first card slot; 3. an adjusting block; 31. a threaded rod; 4. a partition plate; 5. an electric telescopic rod; 51. placing a tube; 6. a slider; 61. a first clamping block; 62. a second fixture block; 63. a second card slot; 7. a card holder; 71. locking; 72. and a third clamping block.
Detailed Description
In the following description, for purposes of explanation, numerous implementation details are set forth in order to provide a thorough understanding of the various embodiments of the present invention. It should be understood, however, that these implementation details are not to be interpreted as limiting the invention. That is, in some embodiments of the invention, such implementation details are not necessary. In addition, some conventional structures and components are shown in simplified schematic form in the drawings.
In addition, the descriptions related to the first, the second, etc. in the present invention are only used for description purposes, do not particularly refer to an order or sequence, and do not limit the present invention, but only distinguish components or operations described in the same technical terms, and are not understood to indicate or imply relative importance or implicitly indicate the number of indicated technical features. Thus, a feature defined as "first" or "second" may explicitly or implicitly include at least one such feature. In addition, technical solutions between various embodiments may be combined with each other, but must be realized by a person skilled in the art, and when the technical solutions are contradictory or cannot be realized, such a combination should not be considered to exist, and is not within the protection scope of the present invention.
Referring to fig. 1-5, the machining fixture for a workpiece with a taper hole on a numerical control machine tool of the invention comprises a base 1 and a chuck 2, wherein sliding grooves 11 are symmetrically formed on the outer side tops of the left and right sides of the base 1, a partition plate 4 is fixedly connected to the top of the base 1, an electric telescopic rod 5 is fixedly connected to the center inside the base 1, a material placing pipe 51 is fixedly connected to the top of the electric telescopic rod 5, clamping seats 7 are symmetrically and fixedly connected to the positions, close to the center, of the outer side bottoms of the left and right sides of the base 1, a clamping lock 71 is fixedly connected to one side, far away from the base 1, of the clamping lock 71, a third clamping block 72 is fixedly connected to one side, close to the base 1, of the clamping lock 71, sliding blocks 6 are symmetrically and slidably connected to the positions, close to the center, of the outer side tops of the left and right sides of the base, second draw-in groove 63 has been seted up to the bottom that base 1 one side was kept away from to slider 6, (holding) chuck 2 is the ring structure, the inner wall fixedly connected with packing ring 21 of (holding) chuck 2, a plurality of stationary dog 22 of inside fixedly connected with of (holding) chuck 2, stationary dog 22 is close to one side fixedly connected with rubber pad 23 in the centre of a circle of (holding) chuck 2, locating hole 24 has been seted up at the center of (holding) chuck 2 bottom, first draw-in groove 25 has been seted up to the outside top symmetry of (holding) chuck 2 left and right sides, a plurality of regulating blocks 3 of fixed surface of (holding.
The fixed jaw 22 is totally three, and the one side that the fixed jaw 22 is close to the (holding) chuck 2 centre of a circle is the arc, and three fixed jaw 22 uses (holding) chuck 2 to be the annular equidistance and distributes as the centre of a circle, and the setting of this structure for the work piece can be better agreed with to the fixed jaw 22, has improved the stability of work piece in (holding) chuck 2.
The regulating block 3 is totally three, and the position of three regulating block 3 is corresponding with three stationary dog 22's position respectively, and threaded rod 31 runs through regulating block 3, (holding) chuck 2 and packing ring 21 in proper order and keeps away from the one end fixed connection in the 2 centre of a circle of (holding) chuck with stationary dog 22, and the setting of this structure for stationary dog 22 can change the position under the drive of threaded rod 31, thereby plays the effect of fixed work piece.
Electric telescopic handle 5 runs through the top of base 1 and the top of baffle 4, locating hole 24 runs through the bottom of (holding) chuck 2, electric telescopic handle 5's shape size agrees with the shape size of locating hole 24 mutually, the setting of this structure, make electric telescopic handle 5's one end can be located (holding) chuck 2, and reach the effect of injecing the work piece position, it is round platform shape structure to put thing pipe 51, the setting of this structure, the degree of agreeing with of putting thing pipe 51 and work piece has been increased, the accuracy of digit control machine tool work has been guaranteed.
The second clamping block 62 is slidably connected in the sliding groove 11, the sliding track of the sliding block 6 is limited by the structure, the safety of the device is improved, the top of the first clamping groove 25 penetrates through the top of the chuck plate 2, the shape and the size of the first clamping groove 25 are matched with the shape and the size of the first clamping block 61, and the first clamping block 61 can be clamped into the first clamping groove 25 and can be fixed to the chuck plate 2 through the structure.
One side fixedly connected with lug of base 1 is kept away from to slider 6, and the setting of this structure has made things convenient for the staff to the operation of slider 6, the equal fixedly connected with slipmat in surface of the inner wall of second draw-in groove 63 and third fixture block 72, the setting of this structure for the device is when receiving vibrations, and third fixture block 72 can not deviate from second draw-in groove 63, has promoted the security of device, and the shape size of second draw-in groove 63 agrees with mutually with the shape size of third fixture block 72.
When the invention is used, a worker firstly opens the latch 71, holds the convex block on the slide block 6, slides the slide block 6 upwards, then places the chuck plate 2 on the partition plate 4, at the moment, the electric telescopic rod 5 passes through the positioning hole 24, then slides the slide block 6 downwards, so that the second clamping block 62 is clamped into the first clamping groove 25, closes the latch 71, clamps the third clamping block 72 into the second clamping groove 63, then places a workpiece into the chuck plate 2, the position of the conical hole on the workpiece corresponds to that of the object placing pipe 51, then screws the threaded rod 31, so that the workpiece is fixed by the fixed claw 22, when the workpiece needs to be taken down, firstly loosens the threaded rod 31, then starts the electric telescopic rod 5, at the moment, the workpiece is ejected out of the chuck plate 2 by the electric telescopic rod 5, the worker only needs to take the workpiece down from the electric telescopic rod 5, when the chuck plate 2 needs to be taken down, only needs to, and slides the slider 6 upward and then removes the chuck 2 from the pad.
The above description is only an embodiment of the present invention, and is not intended to limit the present invention. Various modifications and alterations to this invention will become apparent to those skilled in the art. Any modification, equivalent replacement, improvement, etc. made within the spirit and principle of the present invention should be included in the scope of the claims of the present invention.

Claims (3)

1. The utility model provides a be used for taking adds clamping apparatus of taper hole work piece on digit control machine tool, includes base (1) and (holding) chuck (2), its characterized in that: the device is characterized in that axially extending sliding grooves (11) are symmetrically formed in the upper portions of the outer sides of the left side and the right side of the base (1), a partition plate (4) is fixedly connected to the top of the base (1), an electric telescopic rod (5) is fixedly connected to the center of the inner portion of the base (1), a material placing pipe (51) is fixedly connected to the top of the electric telescopic rod (5), clamping seats (7) are symmetrically and fixedly connected to the lower portions of the outer sides of the left side and the right side of the base (1) at positions close to the center, clamping locks (71) are fixedly connected to one side, far away from the base (1), of the clamping seats (7) through hinges, third clamping blocks (72) are fixedly connected to one side, close to the base (1), sliding blocks (6) are symmetrically and slidably connected to the upper portions of the outer sides of the left side and the right side of the base, the lower part of one side, close to the base (1), of the sliding block (6) is fixedly connected with a second clamping block (62), the lower part of one side, far away from the base (1), of the sliding block (6) is provided with a second clamping groove (63), the chuck (2) is of a circular ring structure, the inner wall of the chuck (2) is fixedly connected with a gasket (21), the inner part of the chuck (2) is connected with a plurality of fixed claws (22) in a sliding manner, one side, close to the circle center of the chuck (2), of each fixed claw (22) is fixedly connected with a rubber pad (23), the center of the bottom of the chuck (2) is provided with a positioning hole (24), the tops of the outer sides of the left side and the right side of the chuck (2) are symmetrically provided with first clamping grooves (25), the surface of the chuck (2) is fixedly connected with a plurality of adjusting blocks (3), the center, the positions of the three adjusting blocks (3) respectively correspond to the positions of the three fixing claws (22), the threaded rod (31) sequentially penetrates through the adjusting block (3), the chuck (2) and the washer (21) and is fixedly connected with one end of the fixed claw (22) far away from the circle center of the chuck (2), the second clamping block (62) is connected in the sliding groove (11) in a sliding way, the top of the first clamping groove (25) penetrates through the top of the chuck (2), the shape and the size of the first clamping groove (25) are matched with those of the first clamping block (61), one side of the sliding block (6) far away from the base (1) is fixedly connected with a convex block, the inner wall of the second clamping groove (63) and the surface of the third clamping block (72) are both fixedly connected with anti-skid pads, the shape and size of the second clamping groove (63) are matched with the shape and size of the third clamping block (72) and movably clamped.
2. The machining clamp for the workpiece with the taper hole on the numerical control machine tool according to claim 1, characterized in that: the fixed jaw (22) is three in total, the one side that fixed jaw (22) are close to the (2) centre of a circle of (holding) chuck is the arc, and is three fixed jaw (22) use (2) to be the annular equidistance distribution as the centre of a circle.
3. The machining clamp for the workpiece with the taper hole on the numerical control machine tool according to claim 1, characterized in that: the electric telescopic rod (5) sequentially penetrates through the top of the base (1) and the top of the partition plate (4), the positioning hole (24) penetrates through the bottom of the chuck plate (2), the shape and the size of the electric telescopic rod (5) are matched with those of the positioning hole (24), and the material placing pipe (51) is of a circular truncated cone-shaped structure.
CN201911019489.6A 2019-10-24 2019-10-24 Machining clamp for workpiece with taper hole on numerical control machine tool Active CN110899744B (en)

Priority Applications (1)

Application Number Priority Date Filing Date Title
CN201911019489.6A CN110899744B (en) 2019-10-24 2019-10-24 Machining clamp for workpiece with taper hole on numerical control machine tool

Applications Claiming Priority (1)

Application Number Priority Date Filing Date Title
CN201911019489.6A CN110899744B (en) 2019-10-24 2019-10-24 Machining clamp for workpiece with taper hole on numerical control machine tool

Publications (2)

Publication Number Publication Date
CN110899744A CN110899744A (en) 2020-03-24
CN110899744B true CN110899744B (en) 2021-03-09

Family

ID=69815615

Family Applications (1)

Application Number Title Priority Date Filing Date
CN201911019489.6A Active CN110899744B (en) 2019-10-24 2019-10-24 Machining clamp for workpiece with taper hole on numerical control machine tool

Country Status (1)

Country Link
CN (1) CN110899744B (en)

Families Citing this family (2)

* Cited by examiner, † Cited by third party
Publication number Priority date Publication date Assignee Title
CN113370061A (en) * 2021-05-11 2021-09-10 嘉善三鼎机械股份有限公司 Anti-oxidation grinding equipment in polishing process of inner hole of bimetallic bearing
CN115815961A (en) * 2022-11-02 2023-03-21 株洲丰发精工实业有限公司 Machining method for high-precision hole of gear support frame of aircraft engine

Family Cites Families (7)

* Cited by examiner, † Cited by third party
Publication number Priority date Publication date Assignee Title
WO1999003628A1 (en) * 1997-07-17 1999-01-28 Wto Werkzeug-Einrichtungen Gmbh Device for accommodating a tool or a support element in a machine tool or a spindle
CN204892975U (en) * 2015-09-01 2015-12-23 上海车功坊汽车服务有限公司 Automobile wheel hub numerical control location scanning repairing machine
DE102015121236B3 (en) * 2015-12-07 2017-02-09 Ott-Jakob Spanntechnik Gmbh Clamping and clamping device with such a clamping set
CN106112058B (en) * 2016-08-30 2017-12-29 辽宁五一八内燃机配件有限公司 A kind of method using lathe process central hole of the crankshaft
CN207668907U (en) * 2017-05-23 2018-07-31 四川职业技术学院 A kind of fixture with taper hole workpiece for numerically-controlled machine tool
CN206811576U (en) * 2017-06-29 2017-12-29 杨谋森 The special auxiliary clamp of Digit Control Machine Tool short axle part
CN207824465U (en) * 2018-02-05 2018-09-07 黄健生 The clamp for machining with taper hole workpiece is used on a kind of numerically-controlled machine tool

Also Published As

Publication number Publication date
CN110899744A (en) 2020-03-24

Similar Documents

Publication Publication Date Title
CN110899744B (en) Machining clamp for workpiece with taper hole on numerical control machine tool
CN205798482U (en) A kind of numerically controlled lathe spring chuck
CN212042714U (en) Six-point positioning self-centering clamp for impeller
CN116037971A (en) Thin-wall long shaft positioning and clamping device
CN211363030U (en) False tooth blank processing clamp
CN203330879U (en) Electrode tip grinding clamp for welding
CN217224546U (en) Zero system of machine tool
CN205660430U (en) Clamping jig of T shape cylinder spare
CN206356927U (en) Bearing bridge double plate jig
CN108838728A (en) It is a kind of for processing the fixture of bearing block
CN211053125U (en) Clamping structure for numerical control machine tool
CN210231553U (en) Sheet boring and milling arc surface chamfering device
CN211029077U (en) Cylinder cap camshaft hole adds clamping apparatus
CN219617183U (en) Clamp for finish machining of compressor flange
CN212217128U (en) Auxiliary clamp for fixing workpiece
CN210306890U (en) Fixture device with hanging table insert and fixing and adjusting device thereof
US2868550A (en) Collet
US2821009A (en) Bench-type machine tool consisting of interchangeable components, particularly for amateurs
CN217096707U (en) Inner hole positioning clamp for numerical control lathe
US4553313A (en) System to automatically change tool blocks used on turning machines
CN219025967U (en) Clamping chuck
CN202877937U (en) Fixture for special-shaped workpiece
CN212705636U (en) Can promote anchor clamps for digit control machine tool of clamping efficiency
CN212734335U (en) Jig tool
CN214920606U (en) Improved three-jaw chuck

Legal Events

Date Code Title Description
PB01 Publication
PB01 Publication
SE01 Entry into force of request for substantive examination
SE01 Entry into force of request for substantive examination
CB03 Change of inventor or designer information
CB03 Change of inventor or designer information

Inventor after: Wang Xiaolong

Inventor after: Gao Lei

Inventor after: Wang Linshuang

Inventor before: Wang Linshuang

TA01 Transfer of patent application right
TA01 Transfer of patent application right

Effective date of registration: 20210220

Address after: 100055 2-1006, floor 9, building 1, 168 guanganmenwai street, Xicheng District, Beijing

Applicant after: BEIJING GOLDRAY CENTURY HIGH-TECH Co.,Ltd.

Address before: 102206 1333, unit 4, 13th floor, building 2, Jiayuan district 5, North Street, Shahe Town, Changping District, Beijing

Applicant before: BEIJING DIANYU TECHNOLOGY Co.,Ltd.

GR01 Patent grant
GR01 Patent grant