CN110872874B - Shear wall with integrated profile steel as framework and field construction method - Google Patents
Shear wall with integrated profile steel as framework and field construction method Download PDFInfo
- Publication number
- CN110872874B CN110872874B CN201911193376.8A CN201911193376A CN110872874B CN 110872874 B CN110872874 B CN 110872874B CN 201911193376 A CN201911193376 A CN 201911193376A CN 110872874 B CN110872874 B CN 110872874B
- Authority
- CN
- China
- Prior art keywords
- integrated
- pouring
- steel
- integrated steel
- cavity
- Prior art date
- Legal status (The legal status is an assumption and is not a legal conclusion. Google has not performed a legal analysis and makes no representation as to the accuracy of the status listed.)
- Active
Links
- 229910000831 Steel Inorganic materials 0.000 title claims abstract description 140
- 239000010959 steel Substances 0.000 title claims abstract description 140
- 238000010276 construction Methods 0.000 title claims abstract description 23
- 230000003014 reinforcing effect Effects 0.000 claims abstract description 21
- 239000002002 slurry Substances 0.000 claims abstract description 17
- 238000005034 decoration Methods 0.000 claims abstract description 12
- 238000005266 casting Methods 0.000 claims description 29
- 239000002184 metal Substances 0.000 claims description 17
- 230000000149 penetrating effect Effects 0.000 claims description 12
- 238000000034 method Methods 0.000 claims description 7
- 238000003466 welding Methods 0.000 claims description 5
- 239000011440 grout Substances 0.000 claims description 4
- 230000002093 peripheral effect Effects 0.000 claims description 4
- 230000002787 reinforcement Effects 0.000 claims description 4
- 239000010410 layer Substances 0.000 claims description 3
- 239000002356 single layer Substances 0.000 claims description 3
- 238000004891 communication Methods 0.000 claims description 2
- 230000000712 assembly Effects 0.000 abstract 1
- 238000000429 assembly Methods 0.000 abstract 1
- 239000002436 steel type Substances 0.000 description 10
- 229910001294 Reinforcing steel Inorganic materials 0.000 description 6
- 238000004519 manufacturing process Methods 0.000 description 6
- 230000008569 process Effects 0.000 description 5
- 238000010079 rubber tapping Methods 0.000 description 5
- 239000002023 wood Substances 0.000 description 5
- 230000000694 effects Effects 0.000 description 4
- 230000006835 compression Effects 0.000 description 3
- 238000007906 compression Methods 0.000 description 3
- 238000009415 formwork Methods 0.000 description 3
- 238000009413 insulation Methods 0.000 description 3
- 210000003205 muscle Anatomy 0.000 description 3
- 229910000746 Structural steel Inorganic materials 0.000 description 2
- 238000005452 bending Methods 0.000 description 2
- 238000013461 design Methods 0.000 description 2
- 238000010586 diagram Methods 0.000 description 2
- 238000004321 preservation Methods 0.000 description 2
- 230000002265 prevention Effects 0.000 description 2
- 230000009471 action Effects 0.000 description 1
- 239000011083 cement mortar Substances 0.000 description 1
- 230000008602 contraction Effects 0.000 description 1
- 230000007797 corrosion Effects 0.000 description 1
- 238000005260 corrosion Methods 0.000 description 1
- 238000005536 corrosion prevention Methods 0.000 description 1
- 230000007547 defect Effects 0.000 description 1
- 238000005516 engineering process Methods 0.000 description 1
- 230000007613 environmental effect Effects 0.000 description 1
- 238000009434 installation Methods 0.000 description 1
- JEIPFZHSYJVQDO-UHFFFAOYSA-N iron(III) oxide Inorganic materials O=[Fe]O[Fe]=O JEIPFZHSYJVQDO-UHFFFAOYSA-N 0.000 description 1
- 239000007788 liquid Substances 0.000 description 1
- 238000012423 maintenance Methods 0.000 description 1
- 239000003973 paint Substances 0.000 description 1
- 238000012545 processing Methods 0.000 description 1
- 230000008707 rearrangement Effects 0.000 description 1
- 230000035939 shock Effects 0.000 description 1
- 238000006467 substitution reaction Methods 0.000 description 1
- 238000009941 weaving Methods 0.000 description 1
Images
Classifications
-
- E—FIXED CONSTRUCTIONS
- E04—BUILDING
- E04B—GENERAL BUILDING CONSTRUCTIONS; WALLS, e.g. PARTITIONS; ROOFS; FLOORS; CEILINGS; INSULATION OR OTHER PROTECTION OF BUILDINGS
- E04B2/00—Walls, e.g. partitions, for buildings; Wall construction with regard to insulation; Connections specially adapted to walls
- E04B2/56—Load-bearing walls of framework or pillarwork; Walls incorporating load-bearing elongated members
-
- E—FIXED CONSTRUCTIONS
- E04—BUILDING
- E04B—GENERAL BUILDING CONSTRUCTIONS; WALLS, e.g. PARTITIONS; ROOFS; FLOORS; CEILINGS; INSULATION OR OTHER PROTECTION OF BUILDINGS
- E04B2/00—Walls, e.g. partitions, for buildings; Wall construction with regard to insulation; Connections specially adapted to walls
- E04B2/56—Load-bearing walls of framework or pillarwork; Walls incorporating load-bearing elongated members
- E04B2/58—Load-bearing walls of framework or pillarwork; Walls incorporating load-bearing elongated members with elongated members of metal
-
- E—FIXED CONSTRUCTIONS
- E04—BUILDING
- E04B—GENERAL BUILDING CONSTRUCTIONS; WALLS, e.g. PARTITIONS; ROOFS; FLOORS; CEILINGS; INSULATION OR OTHER PROTECTION OF BUILDINGS
- E04B2/00—Walls, e.g. partitions, for buildings; Wall construction with regard to insulation; Connections specially adapted to walls
- E04B2/56—Load-bearing walls of framework or pillarwork; Walls incorporating load-bearing elongated members
- E04B2/58—Load-bearing walls of framework or pillarwork; Walls incorporating load-bearing elongated members with elongated members of metal
- E04B2/60—Load-bearing walls of framework or pillarwork; Walls incorporating load-bearing elongated members with elongated members of metal characterised by special cross-section of the elongated members
-
- E—FIXED CONSTRUCTIONS
- E04—BUILDING
- E04G—SCAFFOLDING; FORMS; SHUTTERING; BUILDING IMPLEMENTS OR AIDS, OR THEIR USE; HANDLING BUILDING MATERIALS ON THE SITE; REPAIRING, BREAKING-UP OR OTHER WORK ON EXISTING BUILDINGS
- E04G11/00—Forms, shutterings, or falsework for making walls, floors, ceilings, or roofs
- E04G11/06—Forms, shutterings, or falsework for making walls, floors, ceilings, or roofs for walls, e.g. curved end panels for wall shutterings; filler elements for wall shutterings; shutterings for vertical ducts
- E04G11/08—Forms, which are completely dismantled after setting of the concrete and re-built for next pouring
Landscapes
- Engineering & Computer Science (AREA)
- Architecture (AREA)
- Civil Engineering (AREA)
- Structural Engineering (AREA)
- Physics & Mathematics (AREA)
- Electromagnetism (AREA)
- Mechanical Engineering (AREA)
- Load-Bearing And Curtain Walls (AREA)
Abstract
The invention discloses a shear wall with integrated steel as a framework and a field construction method, wherein the shear wall comprises an integrated steel module, a steel core and a steel core, wherein the integrated steel module is used as the framework of an integral wall body, and an inner cavity of the integrated steel module is used as a main pouring cavity for pouring concrete; the pouring template is detachably arranged at the periphery of the integrated type steel module at intervals through the limiting assemblies, and an auxiliary pouring cavity for pouring concrete is formed between the pouring template and the outer wall of the integrated type steel module; the integrated steel module is characterized in that a plurality of slurry leakage holes and a plurality of threading holes are formed in the outer wall of the integrated steel module, the main pouring cavity is communicated with the auxiliary pouring cavity, the threading holes are used for arranging threading pipes, and a reinforcing mesh is arranged in the auxiliary pouring cavity. The shear wall taking the integrated steel as the framework is convenient for construction and later decoration on the premise of ensuring the tensile and compressive properties of the wall body, reduces the steel consumption and has low cost; and has good fireproof, anticorrosion and heat-insulating properties.
Description
Technical Field
The invention relates to an integrated section steel type house building technology, in particular to a shear wall with integrated section steel as a framework and a field construction method.
Background
The advantages of the integrated steel type residential products are recognized to a certain extent in the construction process, and the integrated steel type residential products have wide application prospects. At present, the existing integrated steel type residential products generally have the following defects in the specific construction process:
1) the combination of the concrete and the steel pipe bundle completely depends on the tightening action, the steel pipe is at the outermost periphery, and once the tightening force is weakened, the compression resistance, the bearing resistance and the tensile resistance of the whole system can be influenced due to the difference of the coefficients of expansion with heat and contraction with cold of the steel and the concrete, so that the steel and the concrete can easily form unshelling to influence the structural force;
2) poor fire resistance, requiring additional handling during finishing: 1. plastering cement mortar; 2. pasting a fireproof plate with the thickness of about 20mm, but the processing can not be made into seamless and gapless combination, and the fireproof plate has no structural force and high manufacturing cost;
3) poor anticorrosion effect, no environmental protection. The steel pipe bundle used at present is generally subjected to paint rust prevention treatment, because the steel pipe bundle is basically hidden in a decoration plate, regular maintenance of the steel pipe bundle is basically impossible, and the steel pipe bundle is easily corroded and rusted;
4) the steel pipe bundle used at present does not have a mounting hole of a line pipeline, so that later decoration is inconvenient;
5) the heat preservation and insulation effect is poor, and heat conduction components such as external mounting screws and brackets always conduct heat with the internal steel tube bundle;
6) in order to ensure the reliability of the whole building system, the integral steel consumption of the existing integrated steel type house is large, and the manufacturing cost is high.
Disclosure of Invention
The invention aims to provide a shear wall with integrated steel as a framework, and aims to solve the problems that in the prior art, an integrated steel type house is easy to peel off a steel pipe bundle from concrete, poor in fireproof and anticorrosive performances, poor in heat preservation and insulation effects and large in steel consumption.
The invention also aims to provide a field construction method of the shear wall with the integrated steel as the framework, which aims to solve the problems of poor overall structure, corrosion prevention and fire prevention treatment in the later period and large steel consumption in the construction process of the integrated steel type house in the prior art.
In order to achieve the purpose, the invention adopts the following technical scheme:
a shear wall with integrated steel as a framework comprises the following components:
the integrated steel module is used as a framework of the integral wall body, and the inner cavity of the integrated steel module is used as a main pouring cavity for pouring concrete;
the integrated type steel module comprises an integrated type steel module and a pouring template, wherein the pouring template is detachably arranged at the periphery of the integrated type steel module at intervals through a limiting assembly, an auxiliary pouring cavity for pouring concrete is formed between the pouring template and the outer wall of the integrated type steel module, and the limiting assembly comprises a limiting block and a connecting screw, wherein the limiting block is made of low heat conductivity coefficient;
the integrated steel module is characterized in that a plurality of slurry leakage holes and a plurality of threading holes are formed in the outer wall of the integrated steel module, the main pouring cavity is communicated with the auxiliary pouring cavity, the threading holes are used for arranging threading pipes, a reinforcing mesh is arranged in the auxiliary pouring cavity, and the reinforcing mesh comprises transverse ribs and vertical ribs which are woven.
Particularly, a central hole is formed in the limiting block, and the connecting screw penetrates through the central hole of the limiting block and is screwed and locked on the outer wall of the integrated steel module so as to fix the pouring template on the periphery of the integrated steel module.
Particularly, the reinforcing mesh is hugged closely and is set up on the lateral wall that is located outdoor side of integrated type steel module and is located the inside wall of indoor side, and the perpendicular muscle that is located outdoor side and is located indoor side passes through the hook muscle to connect as an organic wholely, the hook muscle passes the setting of the hourglass thick liquid hole that corresponds on the inside wall of integrated type steel module and the lateral wall.
Particularly, the integrated steel module is formed by mutually welding a plurality of C-shaped steel, the C-shaped steel comprises a bottom plate and two side plates, the bottom plate separates a main pouring cavity to form a plurality of small pouring cavities, the bottom plate is also provided with communicating holes for communicating the small pouring cavities, and the two side plates are correspondingly provided with a plurality of slurry leakage holes and a plurality of threading holes.
Particularly, a plurality of groups of reinforcement penetrating holes for penetrating through wall penetrating hooking reinforcing steel bars are formed in the two side plates at intervals along the height, and the interval distance between every two adjacent groups of reinforcement penetrating holes is matched with the single-layer height of the building.
Particularly, the limiting block is an integral cylindrical plastic piece, and the middle part of the limiting block is provided with a groove for improving the bonding force between the limiting block and concrete.
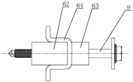
Particularly, the limiting block is of a split structure and comprises a long columnar plastic piece, a short columnar plastic piece and a middle pre-buried metal piece, the long columnar plastic piece is positioned on the inner side of the short columnar plastic piece, the middle pre-buried metal piece is positioned between the long columnar plastic piece and the short columnar plastic piece, the middle pre-buried metal piece comprises a main body, the main body is bent by a metal plate to be of a U-shaped structure, two sides of an opening of the main body extend outwards to form a bending edge, central holes are correspondingly formed in the long columnar plastic piece and the short columnar plastic piece, a threaded hole used for installing an outer hanging piece during decoration is formed in the main body, the aperture of the threaded hole is larger than the outer diameter of a connecting screw, a step groove is formed in the outer end face of the long columnar plastic piece, and a circle of flanging extends to one, the inner hole of the flanging is a threaded hole, the flanging is assembled in the step groove, and the connecting screw sequentially penetrates through the center hole of the short columnar plastic piece, the threaded hole of the middle embedded metal piece and the center hole of the long columnar plastic piece to fix the template and the limiting block on the periphery of the integrated steel module.
Particularly, the integrated steel module is in any one or combination of a straight line shape, an L shape, a cross shape, a Z shape and a T shape.
A field construction method of a shear wall with integrated steel as a framework comprises the following steps:
1) a plurality of integrated steel modules are assembled and combined on site to serve as a framework of the wall body, and an inner cavity of the wall body serves as a main pouring cavity for pouring concrete;
2) arranging reinforcing meshes on the outdoor side and the indoor side of the integrated steel module, installing threading pipes which penetrate through the integrated steel module along the width direction according to needs, and arranging an indoor side junction box and an outdoor side junction box through the threading pipes;
3) the casting template is fixed on the periphery of the integrated type steel module in a closed manner through a limiting assembly to form an auxiliary casting cavity, and the indoor side junction box and the outdoor side junction box are both positioned in the auxiliary casting cavity;
4) pouring concrete, and finally completely filling the main pouring cavity and the auxiliary pouring cavity with the concrete;
5) and after the concrete is completely solidified, removing the peripheral pouring template to form a wall body structure which takes the integrated steel module as a framework and has concrete layers on two sides, and reserving the limiting assembly in the auxiliary pouring cavity to combine with the concrete into a whole.
Particularly, the pouring mode in the step 4) adopts any one of pouring concrete into the main pouring cavity, then the concrete flows into the auxiliary pouring cavity through the grout leakage hole, or pouring concrete into the main pouring cavity and the auxiliary pouring cavity simultaneously.
Compared with the prior art, the shear wall with the integrated steel as the framework has the advantages that:
1) the integrated steel module is used as a framework, the reinforcing mesh is used as a reinforcing rib, and the detachable template is integrated. The integrated steel module is produced by industrial automation, the function of the integrated steel module can play a role of a framework and a role of a main cavity for casting concrete, and can also play a role of supporting a detachable template, the integrated steel module per se has good tensile strength and compressive strength, the construction is convenient, and the overall steel consumption of the integrated steel type house is reduced on the premise of ensuring the tensile strength and compressive strength of a wall body.
2) The slurry leaking holes and the threading holes are processed in the production process of the integrated steel module, and the concrete of the main cavity and the concrete of the auxiliary cavity can be connected into a whole through the slurry leaking holes. The electric control pipeline can be preset according to the needs of a house through the threading hole to be used as a passage of an indoor electric appliance during decoration.
3) The hook ribs are arranged in part of the slurry leakage holes, the reinforcing mesh in the auxiliary cavities on the two sides of the integrated steel module can be hooked into a whole through the symmetrical slurry leakage holes, so that the main casting cavity and the auxiliary casting cavities on the two sides form a whole, and the steel structural members are all embedded in concrete, so that the core functions of compression resistance, shock resistance, corrosion resistance and fire resistance can be realized.
4) The thickness of the auxiliary pouring cavity can be changed at will according to the bearing requirement, the diameter and the density of the reinforcing mesh in the auxiliary pouring cavity can be flexibly configured, the industrial automatic production and manufacturing are facilitated, the total density adjustment and adjustment methods of the integrated section steel and the member are multiple, and the overall manufacturing cost can be greatly reduced.
5) The wall body is also provided with an insert for fixing exterior decoration or an external component, the arrangement of the limiting assembly can play a role in limiting the detachable template during installation and can also play a role in installing an external hanging part during exterior decoration, and meanwhile, the limiting block of the limiting assembly adopts a plastic piece with low heat conductivity coefficient, so that the heat conduction effect can be effectively blocked, and the heat insulation performance of the wall body is improved.
6) The whole building is directly cast once in site construction, and the cast wall has no seam, good integrity and good structure.
Drawings
FIG. 1 is a schematic structural diagram of a shear wall with an integrated steel framework according to an embodiment of the present invention;
FIG. 2 is a schematic construction view of a threading pipe of a shear wall with an integrated steel framework according to an embodiment of the present invention;
FIG. 3 is a schematic view of the construction of a hook bar of a shear wall using integrated steel as a framework according to an embodiment of the present invention;
FIG. 4 is a schematic perspective view of a single C-shaped steel of a shear wall with an integrated steel framework according to an embodiment of the present invention;
FIG. 5 is a schematic structural diagram of a spacing assembly of one form of shear wall with an integrated steel framework according to an embodiment of the present invention;
FIG. 6 is a schematic perspective view of a long column of plastic members of a shear wall constructed from integrated structural steel according to an embodiment of the present invention;
FIG. 7 is a cross-sectional view of a long column of plastic members of a shear wall constructed from integrated structural steel according to an embodiment of the present invention;
FIG. 8 is a schematic perspective view of a short column-shaped plastic member of a shear wall with an integrated steel framework according to an embodiment of the present invention;
fig. 9 is a schematic perspective view of a middle embedded metal part of a shear wall with integrated steel as a framework according to an embodiment of the present invention;
fig. 10 is a schematic perspective view of an integral limiting block of a shear wall using integrated steel as a framework according to an embodiment of the present invention.
Detailed Description
The technical scheme of the invention is further explained by the specific implementation mode in combination with the attached drawings.
To facilitate an understanding of the invention, the invention will now be described more fully with reference to the accompanying drawings. Preferred embodiments of the present invention are shown in the drawings. This invention may, however, be embodied in many different forms and should not be construed as limited to the embodiments set forth herein. Rather, these embodiments are provided so that this disclosure will be thorough and complete. It will be understood that when an element is referred to as being "secured to" another element, it can be directly on the other element or intervening elements may also be present. When an element is referred to as being "connected" to another element, it can be directly connected to the other element or intervening elements may also be present. The terms "vertical," "horizontal," "left," "right," and the like as used herein are for illustrative purposes only and do not represent the only embodiments. Unless defined otherwise, all technical and scientific terms used herein have the same meaning as commonly understood by one of ordinary skill in the art to which this invention belongs. The terminology used in the description of the invention herein is for the purpose of describing particular embodiments only and is not intended to be limiting of the invention. As used herein, the term "and/or" includes any and all combinations of one or more of the associated listed items.
Referring to fig. 1 to 10, in this embodiment, a shear wall using integrated steel as a framework is suitable for an integrated steel type house, and includes an integrated steel module 2 as a framework of an integral wall body and an inner cavity of the integrated steel module is used as a main casting cavity 1 for casting concrete, the integral shape of the integrated steel module 2 can be any one or a combination of a straight line shape, an L shape, a cross shape, a Z shape and a T shape according to requirements, in a specific construction process, the integrated steel type house is also formed by combining the integrated steel modules 2 with the above-mentioned shape structure, in this embodiment, the integrated steel module 2 is an L-shaped structure, which is formed by welding a square pipe 3 and a plurality of C-shaped steels 4 to each other in a manner in fig. 1, the square pipe 3 is located at a corner, the two intersecting side walls of the square pipe 3 are sequentially welded with a plurality of C-shaped steels 4, the splice welding mode adopts the welding of the open end of the C-shaped steel 4 towards the direction of the square pipe 3, the C-shaped steel 4 comprises a bottom plate 40 and two side plates 41, the bottom plate 40 and two pipe walls of the square pipe 3 separate the main casting cavity 1 to form a plurality of small casting cavities 42, the two pipe walls of the bottom plate 40 and the square pipe 3 are respectively provided with a communication hole 43 which is arranged along the length direction at intervals and is used for communicating the plurality of small casting cavities 42, the other two side walls of the square pipe 3 and the two side plates 41 are respectively provided with a plurality of slurry leaking holes 44 along the length direction at intervals, the slurry leaking holes 44 on the two side plates 41 are correspondingly arranged, each side plate 41 is provided with two rows of slurry leaking holes 44, the two rows of slurry leaking holes 44 are mutually staggered, the two side plates 41 are provided with a plurality of groups of rib penetrating holes 45 which are used for penetrating through the wall-penetrating hook-connected steel floor panels at, if only one side of the integrated steel module 2 is provided with a floor panel, the wall-penetrating hooking reinforcing steel bars penetrate through the reinforcing steel bar penetrating holes 45 and extend to one side of the floor panel after being bent into a U shape, the spacing distance between two adjacent sets of reinforcing steel bar penetrating holes 45 is matched with the height of a single layer of a building, during construction, the wall-penetrating hooking reinforcing steel bars penetrate into the corresponding reinforcing steel bar penetrating holes 45, so that the wall body and the floor panel form a whole, the wood formwork 5 is detachably arranged on the periphery of the integrated steel module 2 through spacing components 6 at intervals, an auxiliary pouring cavity 7 for pouring concrete is formed between the wood formwork 5 and the outer wall of the integrated steel module 2, reinforcing meshes 8 for reinforcing the wall body structure are arranged in the auxiliary pouring cavity 7, and the main pouring cavity 1 is communicated with the auxiliary pouring cavity 7 through the grout leaking holes 44.
The reinforcing mesh 8 is tightly attached to the outer side wall of the integrated steel module 2 and the inner side wall of the indoor side, the reinforcing mesh 8 is formed by weaving transverse ribs 80 and vertical ribs 81, the vertical ribs 81 located in the outdoor side and the indoor side are connected into a whole through hook ribs 82, and the hook ribs 82 penetrate through the inner side wall of the integrated steel module 2 and the outer side wall of the integrated steel module 2 in specific construction to form corresponding partial slurry leakage holes 44 to connect the vertical ribs 81 on two sides of the integrated steel module 2.
The limiting assembly 6 comprises a limiting block 60 made of low heat conductivity coefficient and a self-tapping screw 9, and the limiting block 60 adopts the following design scheme: firstly, the limiting block 60 is an integral cylindrical plastic piece, and the middle part of the limiting block is provided with a groove 61 for improving the binding force between the limiting block and concrete; secondly, the limiting block 60 is a split structure and comprises a long columnar plastic piece 62, a short columnar plastic piece 63 and a middle embedded metal piece 64, the long columnar plastic piece 62 is positioned at the inner side of the short columnar plastic piece 63, the middle embedded metal piece 64 is arranged between the long columnar plastic piece 62 and the short columnar plastic piece 61, the middle embedded metal piece 64 comprises a main body 65, the main body 65 is bent by a metal plate to be in a U-shaped structure, two bending edges 66 extend outwards from two sides of an opening of the main body 65, central holes 69 are correspondingly formed in the long columnar plastic piece 62 and the short columnar plastic piece 63, a threaded hole 70 for installing an external hanging piece during decoration is formed in the main body 65, the aperture of the threaded hole 70 is larger than the outer diameter of the self-tapping screw 9, a step groove 67 is formed in the outer end face of the long columnar plastic piece 62, a turn of flanging 68 extends to one, the inner hole of the flange 68 is a threaded hole, the flange 68 is assembled in the stepped groove 67, the inner hole of the flange 68 is also set to be the threaded hole which can prolong the length of the thread, and the tapping screw 9 sequentially penetrates through the central hole 69 of the short columnar plastic piece 63, the threaded hole 70 of the middle embedded metal piece 64 and the central hole 69 of the long columnar plastic piece 62 to fix the wood template 5 and the limiting block 60 on the peripheral columnar column of the integrated steel module 2. In the two schemes, the second scheme is compared with the first scheme, and relatively large load can be borne when the outer hanging piece is installed in the exterior decoration due to the arrangement of the middle embedded metal piece 9. And in the two schemes, the end part of the tapping screw 9 passes through the integrated steel module 2 and extends into the main casting cavity 1.
In a specific construction process, part of the slurry leakage holes 44 can be selectively used as threading holes, the threading pipes 46 penetrate through the corresponding slurry leakage holes 44 on the two side plates 41, and the two ends of each threading pipe 46 are connected with the junction boxes 47 in the auxiliary pouring cavities 7, so that the preset electric control pipeline is realized, and the later-stage decoration construction is facilitated.
The concrete construction method of the shear wall with the integrated steel as the framework comprises the following steps:
1) a plurality of integrated steel modules 2 are assembled and combined on site as required to be used as a framework of a wall or the whole building, and the inner cavity of the integrated steel module is used as a main pouring cavity for pouring concrete;
2) arranging reinforcing meshes 8 on the outdoor side and the indoor side of the integrated steel module 2, installing threading pipes which penetrate through the integrated steel module 2 along the width direction according to needs, and arranging a plurality of junction boxes 47 on the indoor side and the outdoor side through the threading pipes 46;
3) the wood template 5 is fixed on the periphery of the integrated steel module 2 in a closed manner through the limiting assembly 6 to form an auxiliary pouring cavity 7, and the junction boxes 47 are positioned in the auxiliary pouring cavities 7 on the two sides of the integrated steel module 2; the wall-through hooking steel bars are inserted into the corresponding bar-through holes 45 at the joint of the integrated steel module 2 and the floor slab;
4) pouring concrete, wherein the pouring mode is that the concrete is poured into the main pouring cavity 1 firstly, then the concrete flows into the auxiliary pouring cavity 7 through the grout leakage hole 44 or any one of the concrete is poured into the main pouring cavity 1 and the auxiliary pouring cavity 7 simultaneously, and only the concrete is required to completely fill the main pouring cavity 1 and the auxiliary pouring cavity 7;
5) after the concrete is completely solidified, the peripheral wood formwork 5 can be dismantled by dismounting the self-tapping screw 9 of the limiting component 6, a wall body structure with the integrated steel module 2 as a framework and concrete layers on two sides is formed, and the limiting block 60 is reserved in the auxiliary pouring cavity 7 and combined with the concrete into a whole, so that an external hanging piece can be conveniently installed during external decoration.
The shear wall with the integrated section steel as the framework adopts the design that the main casting cavity 1 is communicated with the auxiliary casting cavity 7, the auxiliary casting cavity 7 is internally provided with the reinforcing mesh with different vertical shapes and sizes and different densities, and once casting is completed, the main cavity and the auxiliary cavity form a whole, so that the reinforcing mesh and the integrated section steel are completely hidden and buried in concrete, and a common compression-resistant and tension-resistant shear wall system with the section steel as the framework and the reinforcing mesh as reinforcing ribs and with the main cavity concrete and the auxiliary cavity concrete as a whole is formed.
It is to be noted that the foregoing is only illustrative of the preferred embodiments of the present invention and the technical principles employed. It will be understood by those skilled in the art that the present invention is not limited to the particular embodiments described herein, but is capable of various obvious changes, rearrangements and substitutions as will now become apparent to those skilled in the art without departing from the scope of the invention. Therefore, although the present invention has been described in greater detail by the above embodiments, the present invention is not limited to the above embodiments, and may include other equivalent embodiments without departing from the spirit of the present invention, and the scope of the present invention is determined by the scope of the appended claims.
Claims (10)
1. The utility model provides an use shear force wall of integrated shaped steel as skeleton which characterized in that, it includes:
the integrated steel module is used as a framework of the integral wall body, and the inner cavity of the integrated steel module is used as a main pouring cavity for pouring concrete;
the integrated type steel module comprises an integrated type steel module and a pouring template, wherein the pouring template is detachably arranged at the periphery of the integrated type steel module at intervals through a limiting assembly, an auxiliary pouring cavity for pouring concrete is formed between the pouring template and the outer wall of the integrated type steel module, and the limiting assembly comprises a limiting block and a connecting screw, wherein the limiting block is made of low heat conductivity coefficient;
the integrated steel module is characterized in that a plurality of slurry leakage holes and a plurality of threading holes are formed in the outer wall of the integrated steel module, the main pouring cavity is communicated with the auxiliary pouring cavity, the threading holes are used for arranging threading pipes, a reinforcing mesh is arranged in the auxiliary pouring cavity, and the reinforcing mesh comprises transverse ribs and vertical ribs which are woven.
2. The shear wall with integrated steel as a framework according to claim 1, wherein the limiting block is provided with a central hole, and the connecting screw passes through the central hole of the limiting block and is screwed and locked on the outer wall of the integrated steel module so as to fix the pouring template on the periphery of the integrated steel module.
3. The shear wall with the integrated steel as the framework according to claim 1, wherein the vertical ribs on the outdoor side and the vertical ribs on the indoor side are connected into a whole through hook ribs, and the hook ribs are arranged through corresponding slurry leakage holes on the inner side wall and the outer side wall of the integrated steel module.
4. The shear wall with the integrated steel as the framework according to claim 1, wherein the integrated steel module is formed by welding a plurality of C-shaped steels together, each C-shaped steel comprises a bottom plate and two side plates, the bottom plate separates a main casting cavity to form a plurality of small casting cavities, the bottom plate is also provided with communication holes for communicating the small casting cavities, and the two side plates are correspondingly provided with a plurality of slurry leakage holes and a plurality of threading holes.
5. A shear wall with integrated steel as a framework according to claim 4, wherein the two side plates are provided with a plurality of sets of reinforcement penetrating holes at intervals along the height for penetrating through the wall-penetrating hooking steel bars, and the interval distance between two adjacent sets of reinforcement penetrating holes is matched with the single-layer height of the building.
6. The shear wall with the integrated steel as the framework according to claim 2, wherein the limiting block is an integral columnar plastic piece, and a groove for improving the bonding force between the limiting block and the concrete is formed in the middle of the limiting block.
7. The shear wall with integrated steel as a framework according to claim 2, wherein the limiting block is of a split structure and comprises a long columnar plastic part, a short columnar plastic part and a middle pre-buried metal part, the long columnar plastic part is positioned on the inner side of the short columnar plastic part, the middle pre-buried metal part is positioned between the long columnar plastic part and the short columnar plastic part, the middle pre-buried metal part comprises a main body, the main body is bent by a metal plate to form a U-shaped structure, two sides of an opening of the main body extend outwards to form a bent edge, central holes are correspondingly formed in the long columnar plastic part and the short columnar plastic part, a threaded hole for installing a pendant during decoration is formed in the main body, the aperture of the threaded hole is larger than the outer diameter of the connecting screw, a step groove is formed in the outer end face of the long columnar plastic part, and a turn of flanging extends to one side close to the long columnar plastic, the inner hole of the flanging is a threaded hole, the flanging is assembled in the step groove, and the connecting screw sequentially penetrates through the center hole of the short columnar plastic piece, the threaded hole of the middle embedded metal piece and the center hole of the long columnar plastic piece to fix the template and the limiting block on the periphery of the integrated steel module.
8. The shear wall with the integrated steel as the framework according to claim 1, wherein the integrated steel module is any one or a combination of a straight line shape, an L shape, a cross shape, a Z shape and a T shape.
9. A site construction method of a shear wall with an integrated steel as a framework, the shear wall being a shear wall with an integrated steel as a framework according to any one of claims 1 to 8, the site construction method comprising the steps of:
1) a plurality of integrated steel modules are assembled and combined on site to serve as a framework of the wall body, and an inner cavity of the wall body serves as a main pouring cavity for pouring concrete;
2) arranging reinforcing meshes on the outdoor side and the indoor side of the integrated steel module, installing threading pipes which penetrate through the integrated steel module along the width direction according to needs, and arranging an indoor side junction box and an outdoor side junction box through the threading pipes;
3) the casting template is fixed on the periphery of the integrated type steel module in a closed manner through a limiting assembly to form an auxiliary casting cavity, and the indoor side junction box and the outdoor side junction box are both positioned in the auxiliary casting cavity;
4) pouring concrete, and finally completely filling the main pouring cavity and the auxiliary pouring cavity with the concrete;
5) and after the concrete is completely solidified, removing the peripheral pouring template to form a wall body structure which takes the integrated steel module as a framework and has concrete layers on two sides, and reserving the limiting assembly in the auxiliary pouring cavity to combine with the concrete into a whole.
10. The method for the on-site construction of the shear wall with the integrated steel as the framework according to claim 9, wherein the casting manner in the step 4) is any one of casting concrete into the main casting cavity, then pouring the concrete into the auxiliary casting cavity through the grout leakage hole, or casting concrete into the main casting cavity and the auxiliary casting cavity simultaneously.
Priority Applications (1)
| Application Number | Priority Date | Filing Date | Title |
|---|---|---|---|
| CN201911193376.8A CN110872874B (en) | 2019-11-28 | 2019-11-28 | Shear wall with integrated profile steel as framework and field construction method |
Applications Claiming Priority (1)
| Application Number | Priority Date | Filing Date | Title |
|---|---|---|---|
| CN201911193376.8A CN110872874B (en) | 2019-11-28 | 2019-11-28 | Shear wall with integrated profile steel as framework and field construction method |
Publications (2)
| Publication Number | Publication Date |
|---|---|
| CN110872874A CN110872874A (en) | 2020-03-10 |
| CN110872874B true CN110872874B (en) | 2021-06-22 |
Family
ID=69717382
Family Applications (1)
| Application Number | Title | Priority Date | Filing Date |
|---|---|---|---|
| CN201911193376.8A Active CN110872874B (en) | 2019-11-28 | 2019-11-28 | Shear wall with integrated profile steel as framework and field construction method |
Country Status (1)
| Country | Link |
|---|---|
| CN (1) | CN110872874B (en) |
Families Citing this family (3)
| Publication number | Priority date | Publication date | Assignee | Title |
|---|---|---|---|---|
| CN112064802B (en) * | 2020-09-30 | 2025-03-25 | 无锡市光彩机械制造有限公司 | A connection structure for improving the connection strength of integrated steel |
| CN112779984B (en) * | 2021-01-25 | 2025-06-13 | 无锡市光彩机械制造有限公司 | A steel pipe bundle connection structure |
| CN113638503A (en) * | 2021-08-19 | 2021-11-12 | 无锡市光彩机械制造有限公司 | Hollow wall-shaped column without partition and with ribs inside and outside |
Citations (10)
| Publication number | Priority date | Publication date | Assignee | Title |
|---|---|---|---|---|
| JP2011202491A (en) * | 2010-03-26 | 2011-10-13 | Sanki Sekkei Jimusho:Kk | Construction method of reinforced concrete building |
| KR20120060015A (en) * | 2010-12-01 | 2012-06-11 | 동국대학교 산학협력단 | Precast concrete member with junction for reinforcing earthquake resistance for a window frame and method of constructing a building using it |
| CN103015566A (en) * | 2012-12-19 | 2013-04-03 | 北京航空航天大学 | Multiple-chamber type double steel plate concrete combined shear wall |
| CN104775546A (en) * | 2015-03-27 | 2015-07-15 | 中交第四航务工程勘察设计院有限公司 | Concrete composite shear wall with embedded steel plates and production method thereof |
| CN105756244A (en) * | 2016-04-18 | 2016-07-13 | 石柏林 | Double-steel-plate shear wall combined structure |
| CN106592823A (en) * | 2016-12-18 | 2017-04-26 | 浙江绿筑集成科技有限公司 | Modular steel plate composite shear wall and manufacturing method thereof |
| CN206941874U (en) * | 2017-07-03 | 2018-01-30 | 广州容联建筑科技有限公司 | A kind of L-type reinforced concrete wall cavity body structure |
| CN109138220A (en) * | 2018-07-27 | 2019-01-04 | 肇庆三乐集成房屋制造有限公司 | The compound assembled skeleton of fiber cement board, wall component and assembled steel reinforced concrete shear wall |
| CN208701955U (en) * | 2018-07-24 | 2019-04-05 | 北京天恒建设集团有限公司 | A kind of insulation board and the knockdown outer wall template of steel frame |
| CN110359601A (en) * | 2019-07-22 | 2019-10-22 | 云南建筑产业化研发中心有限公司 | A kind of one-time formed energy saving form walls of one-piece casting and construction method |
-
2019
- 2019-11-28 CN CN201911193376.8A patent/CN110872874B/en active Active
Patent Citations (10)
| Publication number | Priority date | Publication date | Assignee | Title |
|---|---|---|---|---|
| JP2011202491A (en) * | 2010-03-26 | 2011-10-13 | Sanki Sekkei Jimusho:Kk | Construction method of reinforced concrete building |
| KR20120060015A (en) * | 2010-12-01 | 2012-06-11 | 동국대학교 산학협력단 | Precast concrete member with junction for reinforcing earthquake resistance for a window frame and method of constructing a building using it |
| CN103015566A (en) * | 2012-12-19 | 2013-04-03 | 北京航空航天大学 | Multiple-chamber type double steel plate concrete combined shear wall |
| CN104775546A (en) * | 2015-03-27 | 2015-07-15 | 中交第四航务工程勘察设计院有限公司 | Concrete composite shear wall with embedded steel plates and production method thereof |
| CN105756244A (en) * | 2016-04-18 | 2016-07-13 | 石柏林 | Double-steel-plate shear wall combined structure |
| CN106592823A (en) * | 2016-12-18 | 2017-04-26 | 浙江绿筑集成科技有限公司 | Modular steel plate composite shear wall and manufacturing method thereof |
| CN206941874U (en) * | 2017-07-03 | 2018-01-30 | 广州容联建筑科技有限公司 | A kind of L-type reinforced concrete wall cavity body structure |
| CN208701955U (en) * | 2018-07-24 | 2019-04-05 | 北京天恒建设集团有限公司 | A kind of insulation board and the knockdown outer wall template of steel frame |
| CN109138220A (en) * | 2018-07-27 | 2019-01-04 | 肇庆三乐集成房屋制造有限公司 | The compound assembled skeleton of fiber cement board, wall component and assembled steel reinforced concrete shear wall |
| CN110359601A (en) * | 2019-07-22 | 2019-10-22 | 云南建筑产业化研发中心有限公司 | A kind of one-time formed energy saving form walls of one-piece casting and construction method |
Also Published As
| Publication number | Publication date |
|---|---|
| CN110872874A (en) | 2020-03-10 |
Similar Documents
| Publication | Publication Date | Title |
|---|---|---|
| CN110872874B (en) | Shear wall with integrated profile steel as framework and field construction method | |
| CN104563288A (en) | Reinforced concrete frame gridding slab prefabricated energy-saving house | |
| CN205712716U (en) | A kind of assembled architecture hollow precast concrete member | |
| CN106760055B (en) | Vertical connection structure of assembled shear wall and construction method thereof | |
| KR20110100608A (en) | Angle steel curtain wall and flat, solid surface anti-buckling tension structure system | |
| KR20110088812A (en) | Curtain wall system | |
| CN109235671B (en) | Construction method of steel structure assembled building heat-insulation external wall panel | |
| CN211396110U (en) | Shear wall with integrated profile steel as framework | |
| CN204456428U (en) | A kind of entirety being installed on composite wallboard is waftd window | |
| CN106149922A (en) | A kind of dismantled and assembled stealthy partition wall system and assembly and disassembly methods thereof | |
| CN111173124A (en) | Combined floor structure and residential system with combined structure | |
| KR20120107365A (en) | Method for installing alc panel to concrete slab | |
| CN211873306U (en) | Combined floor structure and residential system with combined structure | |
| CN106760059B (en) | Assembled building structure system | |
| CN217652039U (en) | Heat-insulation wallboard | |
| CN110685396A (en) | Assembled keeps warm and decorates integrative outer wallboard and connected node | |
| CN111502076B (en) | A composite structure building | |
| CN211395988U (en) | Integrated section steel profile | |
| CN215330820U (en) | An integrated floor slab for thermal insulation and decoration | |
| CN211873417U (en) | a composite building | |
| CN211690962U (en) | Assembled keeps warm and decorates integrative outer wallboard and connected node | |
| CN110284618B (en) | Construction method of heat insulation wall | |
| CN109322411B (en) | Construction method for connecting multi-layer light steel structure building floor slab and wall surface node | |
| CN206859464U (en) | The attachment means of fabricated shear wall horizontal joint | |
| CN213979337U (en) | Building wallboard prefabricated component structure |
Legal Events
| Date | Code | Title | Description |
|---|---|---|---|
| PB01 | Publication | ||
| PB01 | Publication | ||
| SE01 | Entry into force of request for substantive examination | ||
| SE01 | Entry into force of request for substantive examination | ||
| GR01 | Patent grant | ||
| GR01 | Patent grant |