CN110760691B - Fire refining blister copper machine - Google Patents

Fire refining blister copper machine Download PDF

Info

Publication number
CN110760691B
CN110760691B CN201911177114.2A CN201911177114A CN110760691B CN 110760691 B CN110760691 B CN 110760691B CN 201911177114 A CN201911177114 A CN 201911177114A CN 110760691 B CN110760691 B CN 110760691B
Authority
CN
China
Prior art keywords
storehouse
shaft
belt pulley
gear
fixedly arranged
Prior art date
Legal status (The legal status is an assumption and is not a legal conclusion. Google has not performed a legal analysis and makes no representation as to the accuracy of the status listed.)
Expired - Fee Related
Application number
CN201911177114.2A
Other languages
Chinese (zh)
Other versions
CN110760691A (en
Inventor
黄海鑫
Current Assignee (The listed assignees may be inaccurate. Google has not performed a legal analysis and makes no representation or warranty as to the accuracy of the list.)
Xinxiang Lingyue Electronic Technology Co., Ltd
Original Assignee
Xinxiang Lingyue Electronic Technology Co Ltd
Priority date (The priority date is an assumption and is not a legal conclusion. Google has not performed a legal analysis and makes no representation as to the accuracy of the date listed.)
Filing date
Publication date
Application filed by Xinxiang Lingyue Electronic Technology Co Ltd filed Critical Xinxiang Lingyue Electronic Technology Co Ltd
Priority to CN201911177114.2A priority Critical patent/CN110760691B/en
Publication of CN110760691A publication Critical patent/CN110760691A/en
Priority to JP2020053213A priority patent/JP2021085094A/en
Application granted granted Critical
Publication of CN110760691B publication Critical patent/CN110760691B/en
Expired - Fee Related legal-status Critical Current
Anticipated expiration legal-status Critical

Links

Images

Classifications

    • CCHEMISTRY; METALLURGY
    • C22METALLURGY; FERROUS OR NON-FERROUS ALLOYS; TREATMENT OF ALLOYS OR NON-FERROUS METALS
    • C22BPRODUCTION AND REFINING OF METALS; PRETREATMENT OF RAW MATERIALS
    • C22B15/00Obtaining copper
    • C22B15/0002Preliminary treatment
    • C22B15/0004Preliminary treatment without modification of the copper constituent
    • C22B15/0006Preliminary treatment without modification of the copper constituent by dry processes
    • CCHEMISTRY; METALLURGY
    • C22METALLURGY; FERROUS OR NON-FERROUS ALLOYS; TREATMENT OF ALLOYS OR NON-FERROUS METALS
    • C22BPRODUCTION AND REFINING OF METALS; PRETREATMENT OF RAW MATERIALS
    • C22B15/00Obtaining copper
    • C22B15/0026Pyrometallurgy
    • C22B15/0028Smelting or converting
    • CCHEMISTRY; METALLURGY
    • C22METALLURGY; FERROUS OR NON-FERROUS ALLOYS; TREATMENT OF ALLOYS OR NON-FERROUS METALS
    • C22BPRODUCTION AND REFINING OF METALS; PRETREATMENT OF RAW MATERIALS
    • C22B15/00Obtaining copper
    • C22B15/0026Pyrometallurgy
    • C22B15/0028Smelting or converting
    • C22B15/0052Reduction smelting or converting
    • CCHEMISTRY; METALLURGY
    • C22METALLURGY; FERROUS OR NON-FERROUS ALLOYS; TREATMENT OF ALLOYS OR NON-FERROUS METALS
    • C22BPRODUCTION AND REFINING OF METALS; PRETREATMENT OF RAW MATERIALS
    • C22B15/00Obtaining copper
    • C22B15/0026Pyrometallurgy
    • C22B15/006Pyrometallurgy working up of molten copper, e.g. refining
    • YGENERAL TAGGING OF NEW TECHNOLOGICAL DEVELOPMENTS; GENERAL TAGGING OF CROSS-SECTIONAL TECHNOLOGIES SPANNING OVER SEVERAL SECTIONS OF THE IPC; TECHNICAL SUBJECTS COVERED BY FORMER USPC CROSS-REFERENCE ART COLLECTIONS [XRACs] AND DIGESTS
    • Y02TECHNOLOGIES OR APPLICATIONS FOR MITIGATION OR ADAPTATION AGAINST CLIMATE CHANGE
    • Y02PCLIMATE CHANGE MITIGATION TECHNOLOGIES IN THE PRODUCTION OR PROCESSING OF GOODS
    • Y02P10/00Technologies related to metal processing
    • Y02P10/20Recycling

Landscapes

  • Engineering & Computer Science (AREA)
  • Chemical & Material Sciences (AREA)
  • Manufacturing & Machinery (AREA)
  • Materials Engineering (AREA)
  • Mechanical Engineering (AREA)
  • Metallurgy (AREA)
  • Organic Chemistry (AREA)
  • Manufacture And Refinement Of Metals (AREA)
  • Crushing And Grinding (AREA)
  • Disintegrating Or Milling (AREA)

Abstract

The invention relates to the field of metal refining, in particular to a fire refining blister copper machine which comprises a machine body, wherein a crushing cavity is arranged in the machine body, a crushing roller is arranged in the crushing cavity, a first shaft extending left and right is fixedly arranged at the center of the crushing roller, the fire refining blister copper machine provided by the invention can crush copper concentrate to facilitate later melting, meanwhile, the copper refining process is completely placed in one mechanism, and the high and low positions of the bins with different functions are adopted, so that the space is saved, the full-automatic refining process is realized, the labor is saved, can collect the waste generated in the refining process, is beneficial to the utilization of the waste and saves materials.

Description

Fire refining blister copper machine
Technical Field
The invention relates to the field of metal refining, in particular to a fire refining blister copper machine.
Background
Traditional fire refining process all adopts streamlined operation, and area is great to can't smash the ore, lead to the ore process of melting slow, so it solves above-mentioned problem to need to design a fire refining blister copper machine.
Disclosure of Invention
The invention aims to provide a fire refining blister copper machine which can overcome the defects in the prior art, thereby improving the practicability of the equipment.
The technical scheme adopted by the invention for solving the technical problems is as follows: the invention relates to a fire refining blister copper machine, which comprises a machine body, wherein a crushing cavity is arranged in the machine body, a crushing roller is arranged in the crushing cavity, a first shaft extending leftwards and rightwards is fixedly arranged at the center of the crushing roller, a first gear is fixedly arranged on the right side of the first shaft, a first motor is arranged on the right side of the first gear and is in power connection with the first shaft, a first belt pulley is fixedly arranged on the left side of the first shaft, a first transmission belt is arranged on the first belt pulley in a sliding manner, a first movement cavity is arranged behind the first belt pulley, a second belt pulley is arranged in the first movement cavity and is in transmission connection with the first belt pulley through the first transmission belt, a second shaft extending rightwards is fixedly arranged at the center of the second belt pulley, a second belt pulley is fixedly arranged at the right end of the second shaft, a second transmission belt pulley is arranged on the second belt pulley in a sliding manner, a third belt pulley is arranged above the second belt pulley, the second belt pulley is in transmission connection with the third belt pulley through a second transmission belt, a third shaft extending rightwards is fixedly arranged at the center of the third belt pulley, a second movement cavity is arranged on the right side of the third shaft, a first helical gear is arranged inside the second movement cavity, the first helical gear is fixedly connected with the third shaft, a second helical gear is meshed above the first helical gear, a fourth shaft extending upwards is fixedly arranged at the center of the second helical gear, a fourth belt pulley is fixedly arranged on the fourth shaft, a conveying belt is arranged on the fourth belt pulley in a sliding manner, a conveying cavity is arranged above the conveying belt, a charging opening is arranged above the left side of the conveying cavity, a second gear is meshed behind the first gear, and a fifth shaft extending leftwards is fixedly arranged at the center of the second gear, and the fifth shaft is fixedly provided with the crushing roller.
Further, a third moving cavity is formed in the lower left end of the machine body, a first motor is fixedly arranged on the left end wall inside the third moving cavity, a sixth shaft is dynamically connected to the right side of the first motor, a third bevel gear is arranged on the right side inside the third moving cavity, the third bevel gear is fixedly connected with the sixth shaft, a fourth bevel gear is meshed above the third bevel gear, a seventh shaft extending upwards is fixedly arranged at the center of the fourth bevel gear, and a fourth moving cavity is arranged above the seventh shaft.
Furthermore, a fifth helical gear is arranged inside the fourth motion cavity, the fifth helical gear is fixedly connected with the seventh shaft, a sixth helical gear is meshed above the fifth helical gear, a rotation cavity is arranged in front of the sixth helical gear, a first eccentric disc is arranged inside the rotation cavity, an eighth shaft extending backwards is fixedly arranged at the center of the first eccentric disc, the eighth shaft is fixedly connected with the sixth helical gear, a first connecting rod is rotatably arranged on the first eccentric disc, a moving rod is rotatably arranged on the first connecting rod, a first blocking plate is arranged on the right side of the moving rod, and the first blocking plate is fixedly connected with the moving rod.
Furthermore, a fifth movement cavity is formed in the right side of the sixth shaft, a second eccentric disc is arranged in the fifth movement cavity, the second eccentric disc is fixedly connected with the sixth shaft, a first pin is fixedly arranged on the second eccentric disc, a second connecting rod is rotatably arranged on the first pin, a second pin is rotatably arranged on the second connecting rod, and a second blocking plate is fixedly arranged on the right side of the second pin.
Further, the second blocks and is equipped with first intercommunication mouth around the board upper end, first intercommunication mouth left side is equipped with melts the storehouse, first intercommunication mouth right side is equipped with the constant temperature storehouse, melt the storehouse with the constant temperature storehouse passes through first intercommunication mouth link up.
Further, be equipped with gas pipeline's export on the constant temperature storehouse left end wall, constant temperature storehouse upper portion is equipped with sharp kicking block, the fixture block has set firmly on the sharp kicking block, the pole has set firmly on the fixture block, the pole upper end has set firmly the screw sleeve, screw sleeve central point puts threaded connection and is equipped with the threaded rod, the fixture block left and right sides is equipped with the draw-in groove, the draw-in groove right side is equipped with the third and blocks the board, the third blocks the board top and sets firmly the rack piece of middle fretwork, the threaded rod extends right the extension inside the rack piece, the inside third gear that is equipped with of rack piece, the third gear with threaded rod fixed connection, be equipped with the sixth motion chamber around the threaded rod.
Further, the sixth motion chamber with the constant temperature storehouse link up, sixth motion chamber upper wall end is equipped with exhaust gas line, the exhaust gas line top is equipped with the waste gas body and stores the storehouse, the inside below in storehouse is stored to the waste gas body is equipped with the light ball, exhaust gas line with the waste gas body is stored the storehouse and is link up, the light ball is used for blocking exhaust gas line with the intercommunication between the storehouse is stored to the waste gas body, third gear front and back is equipped with the rack, the rack set firmly in inside the rack piece, threaded rod right side power is connected with the second motor, rack piece top is equipped with removes the chamber.
Further, constant temperature storehouse right-hand member wall upper end is equipped with the second intercommunication mouth, the right-hand residue that is equipped with of second intercommunication mouth stores the storehouse, the residue store the storehouse with the constant temperature storehouse passes through the second intercommunication mouth link up, but by the third blockade board blocks.
Further, the gas pipeline top is equipped with the air pump, the air pump upper end is equipped with oxidizing gas pipeline, the air pump right-hand member is equipped with the reducing gas pipeline, oxidizing gas pipeline top is equipped with oxidizing gas and stores the storehouse, oxidizing gas stores the storehouse top and is equipped with first gas conveyer pipe, reducing gas pipeline top is equipped with reducing gas and stores the storehouse, reducing gas stores the storehouse top and is equipped with the gaseous conveyer pipe of second, reducing gas store the storehouse with reducing gas pipeline link up, oxidizing gas pipeline with oxidizing gas stores the storehouse and link up.
The fire refining blister copper machine has the beneficial effects that the fire refining blister copper machine can crush copper concentrate, is convenient for later melting, simultaneously places all copper refining processes in one mechanism, adopts high and low positions of different functional bins to save space, fully automatically refines the processes, saves manpower, can collect waste generated in the refining process, is beneficial to utilization of the waste, and saves materials.
Drawings
In order to more clearly illustrate the embodiments of the invention or the technical solutions in the prior art, the drawings used in the description of the embodiments or the prior art will be briefly described below, and it is obvious that the drawings in the following description are only some embodiments of the invention, and it is obvious for those skilled in the art that other drawings can be obtained based on these drawings without creative efforts.
The invention will be further illustrated with reference to the accompanying figures 1-8 and examples.
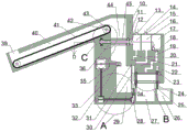
FIG. 1 is a schematic view showing the overall structure of a fire refining blister copper machine according to the present invention.
Fig. 2 is an enlarged schematic view of a in fig. 1.
Fig. 3 is an enlarged schematic view of the structure B in fig. 1.
Fig. 4 is an enlarged schematic view of the structure C in fig. 1.
Fig. 5 is a schematic diagram of the structure of D-D in fig. 1.
Fig. 6 is a schematic diagram of the structure of E-E in fig. 4.
Fig. 7 is an enlarged schematic view of the structure of F in fig. 1.
Fig. 8 is a schematic view of the structure of G-G in fig. 7.
Detailed Description
The invention will now be described in detail with reference to fig. 1-8, wherein for ease of description the orientations described below are now defined as follows: the up, down, left, right, and front-back directions described below correspond to the up, down, left, right, and front-back directions in the projection relationship of fig. 1 itself.
Combine fig. 1-8 a fire refining blister copper machine, including organism 10, the inside crushing chamber 44 that is equipped with of organism 10, the inside crushing roller 45 that is equipped with of crushing chamber 44, crushing roller 45 central point puts and sets firmly first axle 36 of extending about, first axle 36 right side has set firmly first gear 11, first gear 11 right side is equipped with first motor 12, first motor 12 with first axle 36 power is connected, first axle 36 left side has set firmly first belt pulley 66, it is equipped with first driving belt 65 to slide on the first belt pulley 66, first belt pulley 66 rear is equipped with first motion chamber 71, the inside second belt pulley 69 that is equipped with in first motion chamber 71, second belt pulley 69 with first belt pulley 66 passes through first driving belt 65 transmission connection, second belt pulley 69 central point puts and sets firmly the second axle 70 of extending rightward, a second belt pulley 72 is fixedly arranged at the right end of the second shaft 70, a second transmission belt 73 is arranged on the second belt pulley 72 in a sliding manner, a third belt pulley 76 is arranged above the second belt pulley 72, the second belt pulley 72 is in transmission connection with the third belt pulley 76 through the second transmission belt 73, a third shaft 77 extending rightwards is fixedly arranged at the center of the third belt pulley 76, a second movement cavity 81 is arranged at the right side of the third shaft 77, a first helical gear 78 is arranged inside the second movement cavity 81, the first helical gear 78 is fixedly connected with the third shaft 77, a second helical gear 80 is meshed above the first helical gear 78, a fourth shaft 42 extending upwards is fixedly arranged at the center of the second helical gear 80, a fourth belt pulley 43 is fixedly arranged on the fourth shaft 42, a transmission belt 41 is arranged on the fourth belt pulley 43 in a sliding manner, a transmission cavity 40 is arranged above the transmission belt 41, the upper portion of the left side of the transportation cavity 40 is provided with a feeding hole 39, the rear part of the first gear 11 is meshed with a second gear 74, a fifth shaft 75 extending leftwards is fixedly arranged at the center of the second gear 74, and the crushing roller 45 is fixedly arranged on the fifth shaft 75.
Beneficially, a third moving cavity 48 is arranged at the lower left end of the machine body 10, a first motor 47 is fixedly arranged on the left end wall inside the third moving cavity 48, a sixth shaft 50 is dynamically connected to the right side of the first motor 47, a third bevel gear 49 is arranged at the right side inside the third moving cavity 48, the third bevel gear 49 is fixedly connected to the sixth shaft 50, a fourth bevel gear 46 is engaged above the third bevel gear 49, a seventh shaft 33 extending upwards is fixedly arranged at the central position of the fourth bevel gear 46, and a fourth moving cavity 87 is arranged above the seventh shaft 33.
Beneficially, a fifth helical gear 88 is disposed inside the fourth moving cavity 87, the fifth helical gear 88 is fixedly connected with the seventh shaft 33, a sixth helical gear 85 is engaged above the fifth helical gear 88, a rotating cavity 83 is disposed in front of the sixth helical gear 85, a first eccentric disc 84 is disposed inside the rotating cavity 83, an eighth shaft 86 extending backwards is fixedly disposed at the center of the first eccentric disc 84, the eighth shaft 86 is fixedly connected with the sixth helical gear 85, a first connecting rod 82 is rotatably disposed on the first eccentric disc 84, a moving rod 35 is rotatably disposed on the first connecting rod 82, a first blocking plate 32 is disposed on the right side of the moving rod 35, and the first blocking plate 32 is fixedly connected with the moving rod 35.
Advantageously, a fifth movement cavity 52 is arranged at the right side of the sixth shaft 50, a second eccentric disc 51 is arranged in the fifth movement cavity 52, the second eccentric disc 51 is fixedly connected with the sixth shaft 50, a first pin 53 is fixedly arranged on the second eccentric disc 51, a second connecting rod 54 is rotatably arranged on the first pin 53, a second pin 55 is rotatably arranged on the second connecting rod 54, and a second blocking plate 56 is fixedly arranged at the right side of the second pin 55.
Advantageously, a first communicating opening 28 is arranged around the upper end of the second blocking plate 56, a melting bin 29 is arranged on the left side of the first communicating opening 28, a constant temperature bin 27 is arranged on the right side of the first communicating opening 28, and the melting bin 29 is communicated with the constant temperature bin 27 through the first communicating opening 28.
Beneficially, an outlet of the gas pipeline 30 is arranged on the left end wall of the constant temperature chamber 27, a pointed top block 34 is arranged at the upper portion of the constant temperature chamber 27, a clamping block 58 is fixedly arranged on the pointed top block 34, a rod 59 is fixedly arranged on the clamping block 58, a threaded sleeve 60 is fixedly arranged at the upper end of the rod 59, a threaded rod 61 is arranged at the center of the threaded sleeve 60 in a threaded connection mode, clamping grooves 57 are formed in the left side and the right side of the clamping block 58, a third blocking plate 25 is arranged on the right side of the clamping grooves 57, a rack block 37 with a hollow middle is fixedly arranged above the third blocking plate 25, the threaded rod 61 extends through the inside of the rack block 37 rightwards, a third gear 64 is arranged inside the rack block 37, the third gear 64 is fixedly connected with the threaded rod 61, and a sixth movement cavity 62.
Beneficially, sixth motion chamber 62 with constant temperature chamber 27 link up, sixth motion chamber 62 upper wall end is equipped with exhaust duct 19, exhaust duct 19 top is equipped with waste gas body storage storehouse 17, the inside below of waste gas body storage storehouse 17 is equipped with light ball 18, exhaust duct 19 with waste gas body storage storehouse 17 link up, light ball 18 is used for blocking the intercommunication between exhaust duct 19 and the waste gas body storage storehouse 17, third gear 64 front and back side is equipped with rack 63, rack 63 sets firmly in inside rack piece 37, threaded rod 61 right side power is connected with second motor 23, rack piece 37 top is equipped with removal chamber 22.
Advantageously, a second communication port 24 is provided at the upper end of the right end wall of the constant temperature chamber 27, a residue storage chamber 26 is provided at the right side of the second communication port 24, and the residue storage chamber 26 is communicated with the constant temperature chamber 27 through the second communication port 24 but blocked by the third blocking plate 25.
Beneficially, gas pipeline 30 top is equipped with air pump 31, the air pump 31 upper end is equipped with oxidizing gas pipeline 21, air pump 31 right-hand member is equipped with reducing gas pipeline 20, oxidizing gas pipeline 21 top is equipped with oxidizing gas storage storehouse 14, oxidizing gas storage storehouse 14 top is equipped with first gas conveying pipe 13, reducing gas pipeline 20 top is equipped with reducing gas storage storehouse 16, reducing gas storage storehouse 16 top is equipped with second gas conveying pipe 15, reducing gas storage storehouse 16 with reducing gas pipeline 20 link up, oxidizing gas pipeline 21 with oxidizing gas storage storehouse 14 link up.
The fixing and connecting method in this embodiment includes, but is not limited to, bolting, welding, and the like.
Sequence of mechanical actions of the whole device:
1. before the invention starts to work, the first blocking plate 32 is positioned at the rightmost side, the second blocking plate 56 is positioned at the lowermost side, the rod 59 is positioned at the leftmost side, and the third blocking plate 25 is positioned at the lowermost side;
2. the second belt pulley 69 rotates to drive the second shaft 70 to rotate, the second shaft 70 rotates to drive the second belt pulley 72 to rotate, the second belt pulley 72 drives the second transmission belt 73 to move, the second transmission belt 73 moves to drive the third belt pulley 76 to rotate, the third belt pulley 76 rotates to drive the third shaft 77 to rotate, the third shaft 77 rotates to drive the first helical gear 78 to rotate, the first helical gear 78 rotates to drive the second helical gear 80 to rotate, the second helical gear 80 rotates to drive the fourth shaft 42 to rotate, the fourth shaft 42 rotates to drive the fourth belt pulley 43 to rotate, the fourth belt pulley 43 rotates to drive the conveying belt 41 to move, and the conveying belt 41 moves to drive the copper concentrate to be conveyed rightwards to the inside of the crushing cavity 44;
3. the first gear 11 rotates to drive the second gear 74 to rotate, the second gear 74 rotates to drive the fifth shaft 75 to rotate, the fifth shaft 75 rotates to drive the crushing roller 45 thereon to rotate, the crushing rollers 45 symmetrically arranged front and back rotate oppositely to crush the copper concentrate falling into the crushing cavity 44, so that the later-stage copper concentrate is convenient to melt, the crushed copper concentrate falls into a space below the inside of the crushing cavity 44, when the required copper concentrate is enough, the first motor 12 is stopped, then the first motor 47 is started, and the sixth shaft 50 is driven to rotate by the first motor 47;
4. the sixth shaft 50 rotates to drive the third helical gear 49 and the second eccentric disc 51 to rotate, the third helical gear 49 rotates to drive the fourth helical gear 46 to rotate, the fourth helical gear 46 rotates to drive the seventh shaft 33 to rotate, the seventh shaft 33 rotates to drive the fifth helical gear 88 to rotate, and the fifth helical gear 88 rotates to drive the sixth helical gear 85 to rotate;
5. the sixth shaft 50 rotates to drive the third helical gear 49 and the second eccentric disc 51 to rotate, the third helical gear 49 rotates to drive the fourth helical gear 46 to rotate, the fourth helical gear 46 rotates to drive the seventh shaft 33 to rotate, the seventh shaft 33 rotates to drive the fifth helical gear 88 to rotate, and the fifth helical gear 88 rotates to drive the sixth helical gear 85 to rotate;
6. the sixth bevel gear 85 rotates to drive the eighth shaft 86 to rotate, the eighth shaft 86 rotates to drive the first eccentric disc 84 to rotate, the first eccentric disc 84 rotates to drive the first connecting rod 82 to move, the first connecting rod 82 moves to drive the movable rod 35 to move leftwards, so that the lower port of the crushing cavity 44 is opened, and the crushed copper concentrate falls into the feed inlet 39;
7. at this time, the second eccentric disc 51 rotates to drive the second connecting rod 54 to move, the second connecting rod 54 moves to drive the second blocking plate 56 to move upwards, the second connecting rod 54 moves upwards to block the melting bin 29 and the constant temperature bin 27, after the crushed copper concentrate completely falls into the melting bin 29, the copper concentrate is heated and melted in the melting bin 29, after the copper concentrate is completely melted, the first motor 47 is reversed to move the second blocking plate 56 downwards, the first blocking plate 32 moves rightwards, the second blocking plate 56 moves downwards, the melting bin 29 is communicated with the constant temperature bin 27, the melted copper concentrate flows into the constant temperature bin 27, the temperature is kept in the constant temperature bin 27, and the melted copper concentrate is prevented from being solidified;
8. after all the melted copper concentrate enters the constant temperature bin 27, adding some oxidizing solvent into the constant temperature bin 27, starting the air pump 31 to enable a gas oxidant in the oxidizing gas storage bin 14 to enter the gas pipeline 30 through the air pump 31 along the oxidizing gas pipeline 21, finally entering the constant temperature bin 27, oxidizing the melted copper concentrate to remove impurities, enabling part of the impurities to be gas to prop open the light balls 18 along the air pressure of the waste gas pipeline 19 to enter the waste gas storage bin 17, combining part of the impurities on the surface of the melted copper concentrate to form slag, and starting the second motor 23 to drive the threaded rod 61 to rotate after the oxidizing process is finished;
9. the threaded sleeve 60 moves towards the right side, the right side of the threaded sleeve 60 moves to drive the sharp top block 34 to move towards the right side, the lower end of the sharp top block 34 can convey generated slag towards the right side, the threaded rod 61 rotates to drive the third gear 64 to rotate, the rack block 37 moves upwards to drive the third blocking plate 25 to move upwards, the constant-temperature bin 27 is communicated with the residue storage bin 26, and finally the slag enters the residue storage bin 26 through the second communication port 24;
10. after the oxidation is finished, the air pump 31 is started to make the gas reducing agent in the reducing gas storage bin 16 enter the gas pipeline 30 through the reducing gas pipeline 20, and finally enter the constant temperature bin 27 for reduction, so as to remove the dissolved oxygen in the copper melt, and obtain copper with compact structure and good ductility.
The above embodiments are merely illustrative of the technical ideas and features of the present invention, and the purpose thereof is to enable those skilled in the art to understand the contents of the present invention and implement the present invention, and not to limit the protection scope of the present invention. All equivalent changes and modifications made according to the spirit of the present invention should be covered within the protection scope of the present invention.

Claims (9)

1. A fire refining blister copper machine, includes the organism, its characterized in that: a crushing cavity is arranged in the machine body, a crushing roller is arranged in the crushing cavity, a first shaft extending leftwards and rightwards is fixedly arranged at the center position of the crushing roller, a first gear is fixedly arranged on the right side of the first shaft, a first motor is arranged on the right side of the first gear, the first motor is in power connection with the first shaft, a first belt pulley is fixedly arranged on the left side of the first shaft, a first transmission belt is arranged on the first belt pulley in a sliding manner, a first movement cavity is arranged behind the first belt pulley, a second belt pulley is arranged in the first movement cavity, the second belt pulley is in transmission connection with the first belt pulley through the first transmission belt, a second shaft extending rightwards is fixedly arranged at the center position of the second belt pulley, a second belt pulley is fixedly arranged at the right end of the second shaft, a second transmission belt pulley is arranged on the second belt pulley in a sliding manner, a third belt pulley is arranged above the second belt pulley, the second belt pulley is in transmission connection with the third belt pulley through the second transmission belt, a third shaft extending rightwards is fixedly arranged at the center of the third belt pulley, a second moving cavity is arranged at the right side of the third shaft, a first helical gear is arranged in the second moving cavity, the first bevel gear is fixedly connected with the third shaft, a second bevel gear is meshed above the first bevel gear, a fourth shaft extending upwards is fixedly arranged at the center of the second bevel gear, a fourth belt pulley is fixedly arranged on the fourth shaft, a conveying belt is arranged on the fourth belt pulley in a sliding manner, a conveying cavity is arranged above the conveying belt, a charging opening is arranged above the left side of the transportation cavity, a second gear is meshed behind the first gear, and a fifth shaft extending leftwards is fixedly arranged at the center of the second gear, and the crushing roller is fixedly arranged on the fifth shaft.
2. A fire refining blister copper machine as claimed in claim 1, characterized in that: the machine body is characterized in that a third moving cavity is arranged at the lower left end of the machine body, a first motor is fixedly arranged on the left end wall inside the third moving cavity, a sixth shaft is dynamically connected to the right side of the first motor, a third bevel gear is arranged on the right side inside the third moving cavity, the third bevel gear is fixedly connected with the sixth shaft, a fourth bevel gear is meshed above the third bevel gear, a seventh shaft extending upwards is fixedly arranged at the center of the fourth bevel gear, and a fourth moving cavity is arranged above the seventh shaft.
3. A fire refining blister copper machine as claimed in claim 2, characterized in that: the fourth motion intracavity portion is equipped with the fifth helical gear, the fifth helical gear with seventh axle fixed connection, the meshing of fifth helical gear top is equipped with the sixth helical gear, sixth helical gear the place ahead is equipped with rotates the chamber, it is equipped with first eccentric disc to rotate intracavity portion, first eccentric disc central point puts and has set firmly the eighth axle of backward extension, the eighth axle with sixth helical gear fixed connection, it is equipped with first connecting rod to rotate on the first eccentric disc, it is equipped with the carriage release lever to rotate on the first connecting rod, the carriage release lever right side is equipped with first obscission board, first obscission board with carriage release lever fixed connection.
4. A fire refining blister copper machine as claimed in claim 2, characterized in that: the right side of the sixth shaft is provided with a fifth movement cavity, a second eccentric disc is arranged in the fifth movement cavity, the second eccentric disc is fixedly connected with the sixth shaft, a first pin is fixedly arranged on the second eccentric disc, a second connecting rod is rotatably arranged on the first pin, a second pin is rotatably arranged on the second connecting rod, and a second blocking plate is fixedly arranged on the right side of the second pin.
5. A fire refining blister copper machine as claimed in claim 4, characterized in that: the second blocks and is equipped with first opening on every side of board upper end, first opening left side is equipped with melts the storehouse, first opening right side is equipped with the constant temperature storehouse, melt the storehouse with the constant temperature storehouse passes through first opening link up.
6. A fire refining blister copper machine as claimed in claim 5, characterized in that: be equipped with gas pipeline's export on the wall of constant temperature storehouse left end, constant temperature storehouse upper portion is equipped with sharp kicking block, the fixture block has set firmly on the sharp kicking block, the pole has set firmly on the fixture block, the pole upper end has set firmly the screw sleeve, screw sleeve central point puts threaded connection and is equipped with the threaded rod, the fixture block left and right sides is equipped with the draw-in groove, the draw-in groove right side is equipped with the third and blocks the board, the third blocks the rack piece that the board top has set firmly middle fretwork, the threaded rod extends right the extension is passed inside the rack piece, the inside third gear that is equipped with of rack piece, the third gear with threaded rod fixed connection, be equipped with the sixth motion chamber around the threaded rod.
7. A fire refining blister copper machine as claimed in claim 6, characterized in that: the sixth motion chamber with the constant temperature storehouse link up, sixth motion chamber upper wall end is equipped with exhaust gas line, the exhaust gas line top is equipped with the waste gas body and stores the storehouse, the waste gas body is stored the inside below in storehouse and is equipped with the light ball, exhaust gas line with the waste gas body is stored the storehouse and is link up, the light ball is used for blocking exhaust gas line with the waste gas body stores the intercommunication between the storehouse, third gear front and back is equipped with the rack, the rack set firmly in inside the rack piece, threaded rod right side power is connected with the second motor, rack piece top is equipped with removes the chamber.
8. A fire refining blister copper machine as claimed in claim 6, characterized in that: constant temperature storehouse right-hand member wall upper end is equipped with the second intercommunication mouth, the right-hand residue that is equipped with of second intercommunication mouth stores the storehouse, the residue store the storehouse with the constant temperature storehouse passes through the second intercommunication mouth link up, but by the third rupture plate blocks.
9. A fire refining blister copper machine as claimed in claim 6, characterized in that: the gas pipeline top is equipped with the air pump, the air pump upper end is equipped with oxidizing gas pipeline, the air pump right-hand member is equipped with the reducing gas pipeline, oxidizing gas pipeline top is equipped with oxidizing gas and stores the storehouse, oxidizing gas stores the storehouse top and is equipped with first gas conveyer pipe, reducing gas pipeline top is equipped with reducing gas and stores the storehouse, reducing gas stores the storehouse top and is equipped with the gaseous conveyer pipe of second, reducing gas store the storehouse with reducing gas pipeline link up, oxidizing gas pipeline with oxidizing gas stores the storehouse and link up.
CN201911177114.2A 2019-11-26 2019-11-26 Fire refining blister copper machine Expired - Fee Related CN110760691B (en)

Priority Applications (2)

Application Number Priority Date Filing Date Title
CN201911177114.2A CN110760691B (en) 2019-11-26 2019-11-26 Fire refining blister copper machine
JP2020053213A JP2021085094A (en) 2019-11-26 2020-03-24 Dry type smelting apparatus for crude copper

Applications Claiming Priority (1)

Application Number Priority Date Filing Date Title
CN201911177114.2A CN110760691B (en) 2019-11-26 2019-11-26 Fire refining blister copper machine

Publications (2)

Publication Number Publication Date
CN110760691A CN110760691A (en) 2020-02-07
CN110760691B true CN110760691B (en) 2020-11-06

Family

ID=69339447

Family Applications (1)

Application Number Title Priority Date Filing Date
CN201911177114.2A Expired - Fee Related CN110760691B (en) 2019-11-26 2019-11-26 Fire refining blister copper machine

Country Status (2)

Country Link
JP (1) JP2021085094A (en)
CN (1) CN110760691B (en)

Families Citing this family (1)

* Cited by examiner, † Cited by third party
Publication number Priority date Publication date Assignee Title
CN120115502B (en) * 2025-05-15 2025-07-08 江苏华亮医疗科技有限公司 Medical equipment part recycling equipment

Family Cites Families (12)

* Cited by examiner, † Cited by third party
Publication number Priority date Publication date Assignee Title
SE418807B (en) * 1977-09-13 1981-06-29 Boliden Ab SET TO CONTROL A PAINTING AND PAINTING FOR PERFORMANCE OF THE SET
US5449395A (en) * 1994-07-18 1995-09-12 Kennecott Corporation Apparatus and process for the production of fire-refined blister copper
CN101644535A (en) * 2008-06-06 2010-02-10 陈久斌 Smelting furnace
FI127195B (en) * 2015-05-06 2018-01-31 Outotec Finland Oy Hot refining of crude copper
JP6734558B2 (en) * 2015-10-29 2020-08-05 住友金属鉱山株式会社 Ore sorting method and apparatus
JP6885005B2 (en) * 2015-10-29 2021-06-09 住友金属鉱山株式会社 Ore sorting method and its equipment
CN108097437A (en) * 2017-12-08 2018-06-01 天津四方钰承科技有限公司 A kind of powder equipment based on metallurgy
CN108425021A (en) * 2018-04-08 2018-08-21 中国恩菲工程技术有限公司 A kind of blister copper pyrogenic process continuous refining process
CN108559855B (en) * 2018-04-08 2020-11-17 中国恩菲工程技术有限公司 Continuous refining device of blister copper pyrogenic process
CN108559837B (en) * 2018-04-27 2019-08-09 玉环市万进新能源科技有限公司 A kind of metallurgical equipment of scale
CN109590068A (en) * 2018-12-26 2019-04-09 贵州大学 A kind of mining efficient dustproof formula grinding device
CN110172588B (en) * 2019-04-28 2021-04-20 宜春尚隆铜业有限公司 Crude copper refining production equipment

Also Published As

Publication number Publication date
JP2021085094A (en) 2021-06-03
CN110760691A (en) 2020-02-07

Similar Documents

Publication Publication Date Title
CN205741172U (en) A kind of fire essence stove copper smelting device
CN110760691B (en) Fire refining blister copper machine
CN111101052A (en) Ferrovanadium smelting furnace
CN210791820U (en) Loading attachment is used in moulding plastics of pistol drill shell
CN212531506U (en) Unloader with edulcoration effect
CN209997536U (en) Automatic mixing device for producing regenerated magnesia carbon bricks
CN209934602U (en) Lithium cell is retrieved with preventing deposiing slag washing cauldron
CN221349689U (en) Lead matte smelting converter
CN110172588A (en) A kind of blister refining production equipment
CN213476018U (en) Hot steel slag cooling device
CN215557326U (en) Separation tower for producing clean molded coal
CN220334181U (en) Feeding mechanism of plant ball launching vehicle
CN211025969U (en) Powder metallurgy raw material mixing device
CN218433849U (en) Integrated conveying device for conveying and crushing smelting furnace residues
CN112909448A (en) Device for automatically charging electrolyte
CN203148239U (en) Cooling conveying device for vanadium slag roasting clinker
CN220322781U (en) Simple automatic sampler
CN214491154U (en) Compounding device of high temperature resistant cable material
CN216448188U (en) Boiler waste residue recovery processing device
CN219507990U (en) A pyrogenic process processing apparatus for reducing arsenic matte
CN216745375U (en) Slag-tapping structure of titanium slag electric arc furnace
CN221254668U (en) Feeding device for fire refining of blister copper
CN222139167U (en) Large-alloy-quantity convenient loading, unloading and charging device for converter
CN208414506U (en) Slag recycling and processing device
CN220437141U (en) Slag discharging mechanism for electric vacuum high-temperature reaction furnace

Legal Events

Date Code Title Description
PB01 Publication
PB01 Publication
TA01 Transfer of patent application right
TA01 Transfer of patent application right

Effective date of registration: 20201012

Address after: 4 / F, building 63, zhenghongwan, No. 29, Changjiang Avenue, plain demonstration area, Xinxiang City, Henan Province

Applicant after: Xinxiang Lingyue Electronic Technology Co., Ltd

Address before: 315700 No.19 Fuyuan Road, Xizhou Town, Xiangshan County, Ningbo City, Zhejiang Province

Applicant before: Xiangshan Xuwen Steel Technology Co.,Ltd.

GR01 Patent grant
GR01 Patent grant
CF01 Termination of patent right due to non-payment of annual fee
CF01 Termination of patent right due to non-payment of annual fee

Granted publication date: 20201106

Termination date: 20201126