CN110748889A - Environment-friendly energy-saving incinerator - Google Patents

Environment-friendly energy-saving incinerator Download PDF

Info

Publication number
CN110748889A
CN110748889A CN201911027585.5A CN201911027585A CN110748889A CN 110748889 A CN110748889 A CN 110748889A CN 201911027585 A CN201911027585 A CN 201911027585A CN 110748889 A CN110748889 A CN 110748889A
Authority
CN
China
Prior art keywords
feed inlet
furnace body
inner cavity
communicated
incinerator
Prior art date
Legal status (The legal status is an assumption and is not a legal conclusion. Google has not performed a legal analysis and makes no representation as to the accuracy of the status listed.)
Pending
Application number
CN201911027585.5A
Other languages
Chinese (zh)
Inventor
金光
Current Assignee (The listed assignees may be inaccurate. Google has not performed a legal analysis and makes no representation or warranty as to the accuracy of the list.)
Xuzhou Jinyuan Ozone Equipment Co Ltd High Tech Branch
Original Assignee
Xuzhou Jinyuan Ozone Equipment Co Ltd High Tech Branch
Priority date (The priority date is an assumption and is not a legal conclusion. Google has not performed a legal analysis and makes no representation as to the accuracy of the date listed.)
Filing date
Publication date
Application filed by Xuzhou Jinyuan Ozone Equipment Co Ltd High Tech Branch filed Critical Xuzhou Jinyuan Ozone Equipment Co Ltd High Tech Branch
Priority to CN201911027585.5A priority Critical patent/CN110748889A/en
Publication of CN110748889A publication Critical patent/CN110748889A/en
Pending legal-status Critical Current

Links

Images

Classifications

    • FMECHANICAL ENGINEERING; LIGHTING; HEATING; WEAPONS; BLASTING
    • F23COMBUSTION APPARATUS; COMBUSTION PROCESSES
    • F23GCREMATION FURNACES; CONSUMING WASTE PRODUCTS BY COMBUSTION
    • F23G5/00Incineration of waste; Incinerator constructions; Details, accessories or control therefor
    • FMECHANICAL ENGINEERING; LIGHTING; HEATING; WEAPONS; BLASTING
    • F23COMBUSTION APPARATUS; COMBUSTION PROCESSES
    • F23GCREMATION FURNACES; CONSUMING WASTE PRODUCTS BY COMBUSTION
    • F23G5/00Incineration of waste; Incinerator constructions; Details, accessories or control therefor
    • F23G5/44Details; Accessories
    • FMECHANICAL ENGINEERING; LIGHTING; HEATING; WEAPONS; BLASTING
    • F23COMBUSTION APPARATUS; COMBUSTION PROCESSES
    • F23GCREMATION FURNACES; CONSUMING WASTE PRODUCTS BY COMBUSTION
    • F23G5/00Incineration of waste; Incinerator constructions; Details, accessories or control therefor
    • F23G5/44Details; Accessories
    • F23G5/46Recuperation of heat

Landscapes

  • Engineering & Computer Science (AREA)
  • Mechanical Engineering (AREA)
  • General Engineering & Computer Science (AREA)

Abstract

The invention discloses an environment-friendly energy-saving incinerator in the technical field of energy saving and environment protection, which comprises an incinerator body, wherein a feed inlet is arranged in the middle of the top of the incinerator body, a top cover is arranged at the top of the feed inlet, buckles are welded on the left side and the right side of the top cover, fixture blocks matched with the buckles are welded on the left side and the right side of the top of the feed inlet, heaters are arranged on the left side and the right side of the inner cavity of the feed inlet, an object to be incinerated in the feed inlet can be heated and dried through the heaters, the object to be incinerated is prevented from containing moisture in the object to be incinerated, the incineration time and resources are prolonged, the working efficiency is improved, a recovery box is arranged, a water tank is arranged on the left side of the recovery box, a tubular heat exchanger is arranged in the recovery box, the heat in the discharged smoke is recovered, and the energy is saved.

Description

Environment-friendly energy-saving incinerator
Technical Field
The invention relates to the technical field of energy conservation and environmental protection, in particular to an environment-friendly energy-saving incinerator.
Background
The incinerator is an environment-friendly device which can reduce or reduce the quantitative number and can simultaneously utilize the heat energy of partial incineration media, and is divided into a fixed incinerator and a movable incinerator. However, when the existing incinerator encounters the incineration objects with moisture, the incineration efficiency is not high, the incineration time is long, a large amount of resources need to be wasted, and the discharged smoke generated during incineration cannot be well treated.
Disclosure of Invention
The invention aims to provide an environment-friendly energy-saving incinerator, which aims to solve the problems that the conventional incinerator provided by the background art is low in incineration efficiency, long in incineration time, needs to waste a large amount of resources and cannot well treat smoke generated during incineration when burning substances with moisture exist.
In order to achieve the purpose, the invention provides the following technical scheme: an environment-friendly energy-saving incinerator comprises a incinerator body, wherein a feed inlet is formed in the middle of the top of the incinerator body, a top cover is arranged on the top of the feed inlet, buckles are welded on the left side and the right side of the top cover, fixture blocks matched with the buckles are welded on the left side and the right side of the top of the feed inlet, a baffle is arranged at the bottom of an inner cavity of the feed inlet, heaters are arranged on the left side and the right side of the bottom of the inner cavity of the feed inlet, chutes matched with the baffles are formed in the front side and the rear side of the bottom of the inner cavity of the feed inlet, a handle is welded at the left end of the baffle, a burner is arranged in the middle of the bottom of the incinerator body, a grate is welded at the bottom of the inner cavity of the incinerator body, fixing plates are welded at the bottom of, the utility model discloses a boiler, including the furnace body, the right side top intercommunication of furnace body has the pipe of discharging fume, the right-hand member intercommunication of the pipe of discharging fume has the recovery tube, the right-hand member intercommunication of recovery tube has the collection box, the left side middle part of collection box is provided with the water tank, the internally mounted of collection box has tubular heat exchanger, and tubular heat exchanger runs through the collection box and communicates in the water tank, open the right side bottom of collection box has the outlet, and outlet and tubular heat exchanger communicate, the top of outlet is provided with the drain valve.
Preferably, the ash discharge port is rotatably connected with an ash blocking plate through a hinge, and the right side of the ash blocking plate is connected with the furnace body through a bolt.
Preferably, the grate is a steel grate and has a grid structure.
Preferably, the middle part of the left side of the furnace body is provided with an oxygen increasing hole, and the left side of the oxygen increasing hole is screwed with a metal cover.
Preferably, the metal mesh is arranged on the left side of the inner cavity of the smoke exhaust pipe, and the activated carbon filter layer is arranged on the right side of the inner cavity of the recovery pipe.
Compared with the prior art, the invention has the beneficial effects that: the heaters are arranged on the left side and the right side of the inner cavity of the feeding hole, so that the to-be-incinerated object in the feeding hole can be heated and dried by the heaters, the moisture in the to-be-incinerated object is avoided, the incineration time is prolonged, the resources are wasted, and the working efficiency is improved; the metal mesh is arranged in the smoke exhaust pipe, so that ash-shaped substances generated by incineration can be prevented from being discharged, and meanwhile, the activated carbon filter layer is arranged in the recovery pipe, so that peculiar smell and impurities in the smoke exhaust can be adsorbed, and harmful gas is prevented from being directly discharged to the outside to damage the environment; through installing the collection box, the water tank is installed in the left side of collection box, and the internally mounted of collection box has tubular heat exchanger, can take out tubular heat exchanger through the water pump with the water in the water tank, and rethread tubular heat exchanger absorbs the heat in discharging fume and heats the water in tubular heat exchanger, makes the heat in discharging fume obtain retrieving, has practiced thrift the energy.
Drawings
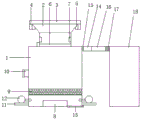
FIG. 1 is a schematic structural view of the present invention;
FIG. 2 is a schematic view of the recycling bin of the present invention.
In the figure: the device comprises a furnace body 1, a feeding hole 2, a top cover 3, a buckle 4, a clamping block 5, a baffle 6, a heater 7, a burner 8, a fire grate 9, an oxygen increasing hole 10, a fixing plate 11, a fan 12, an ash discharging hole 13, a smoke discharging pipe 14, a metal mesh 15, a recycling pipe 16, an activated carbon filtering layer 17, a recycling box 18, a water tank 19, a tubular heat exchanger 20 and a water discharging hole 21.
Detailed Description
The technical solutions in the embodiments of the present invention will be clearly and completely described below with reference to the drawings in the embodiments of the present invention, and it is obvious that the described embodiments are only a part of the embodiments of the present invention, and not all of the embodiments. All other embodiments, which can be derived by a person skilled in the art from the embodiments given herein without making any creative effort, shall fall within the protection scope of the present invention.
The invention provides a technical scheme that: an environment-friendly energy-saving incinerator is used for reducing energy consumption of the incinerator and enabling smoke discharged by the incinerator to be recycled, and please refer to fig. 1, and comprises an incinerator body 1, wherein a feeding hole 2 used for feeding is welded in the middle of the top of the incinerator body 1, a top cover 3 is clamped at the top of the feeding hole 2, buckles 4 are welded on the left side and the right side of the top cover 3, clamping blocks 5 matched with the buckles 4 are welded on the left side and the right side of the top of the feeding hole 2, the clamping blocks 4 and the clamping blocks 5 are used for fixing the top cover 3 in a matched mode, a baffle plate 6 is connected to the bottom of an inner cavity of the feeding hole 2 in a sliding mode and used for blocking objects to be incinerated, heaters 7 are connected to the left side and the right side of the bottom of the inner cavity of the feeding hole 2 through bolts and used for heating and drying the objects, the middle of the bottom in the furnace body 1 is connected with a burner 8 through a bolt, the burner 8 is a rotational flow type coal burner for burning objects to be burned, a grate 9 is welded at the bottom of an inner cavity of the furnace body 1, the grate 9 is a steel grate and is of a net structure for blocking the objects to be burned, the grate 9 is positioned at the upper side of the burner 8, fixing plates 11 are welded at the bottoms of the left side and the right side of the furnace body 1 for placing fans 12, the tops of the two fixing plates 11 are both connected with the fans 12 through bolts, the two fans 12 are both communicated with the furnace body 1 through blowing pipes for blowing air to support combustion when the burner 8 works, an ash discharge port 13 is formed in the right side of the bottom of the furnace body 1, an ash blocking plate is rotatably connected at the ash discharge port 13 through a hinge, the right side of the ash blocking plate is connected with the furnace body 1 through a bolt, a smoke discharge pipe 14 is communicated with the top of, the right end of the smoke exhaust pipe 14 is communicated with a recovery pipe 16, the right end of the recovery pipe 16 is communicated with a recovery box 18 for recovering filtered smoke exhaust, the middle part of the left side of the furnace body 1 is provided with an oxygenation hole 10 for oxygenating the interior of the furnace body 1, the left side of the inner cavity of the smoke exhaust pipe 14 is provided with a metal mesh 15 for blocking particle dust in the smoke exhaust, the right side of the inner cavity of the recovery pipe 16 is provided with an activated carbon filter layer 17 for adsorbing peculiar smell and impurities in the smoke exhaust, please refer to fig. 2, the middle part of the left side of the recovery box 18 is welded with a water tank 19, the interior of the recovery box 18 is communicated with a tubular heat exchanger 20, the tubular heat exchanger 20 penetrates through the recovery box 18 and is communicated with the water tank 19, water in the water tank is pumped into the tubular heat exchanger 20 through a water pump for converting and recovering heat in the smoke exhaust, the bottom of the right side of the, for discharging hot water, and a drain valve is provided at the top of the drain port 21 for controlling the drainage.
In the specific use process, the buckle 4 is opened, the top cover 3 is taken down, the material to be incinerated is put in from the feeding port 2, the material to be incinerated is blocked by the baffle 6, the heater 7 is opened, the material to be incinerated is dried, after the drying, the baffle 6 is drawn out through the handle, the material to be incinerated falls on the fire grate 9 in the furnace body 1, the burner 8 is opened for incineration, the fan 12 is opened, air is blown into the furnace body 1 for combustion supporting, when the oxygen in the furnace body 1 is insufficient, oxygen can be injected into the oxygen increasing hole 10 for combustion supporting, during the incineration, the smoke is discharged into the recycling box 18 through the smoke discharge pipe 14 and the recycling pipe 16, the metal net 15 filters large-particle dust, the activated carbon filter layer 17 absorbs the peculiar smell and impurities in the smoke, the water in the water tank 19 is pumped into the tubular heat exchanger 20 through the water pump, the tubular heat exchanger 20 is opened, the, the water is heated, the heat in the discharged smoke is recovered, and after the incineration is finished, the ash baffle is opened to discharge ash from the ash discharge port 13.
Although embodiments of the present invention have been shown and described, it will be appreciated by those skilled in the art that changes, modifications, substitutions and alterations can be made in these embodiments without departing from the principles and spirit of the invention, the scope of which is defined in the appended claims and their equivalents.

Claims (5)

1. The utility model provides an environmental protection and energy saving burns burning furnace, includes furnace body (1), its characterized in that: the furnace is characterized in that a feed inlet (2) is arranged in the middle of the top of the furnace body (1), a top cover (3) is arranged at the top of the feed inlet (2), buckles (4) are welded on the left side and the right side of the top cover (3), fixture blocks (5) matched with the buckles (4) are welded on the left side and the right side of the top of the feed inlet (2), a baffle (6) is arranged at the bottom of an inner cavity of the feed inlet (2), heaters (7) are arranged on the left side and the right side of the bottom of the inner cavity of the feed inlet (2), sliding chutes matched with the baffle (6) are formed in the front side and the rear side of the bottom of the inner cavity of the feed inlet (2), a handle is welded at the left end of the baffle (6), a burner (8) is arranged in the middle of the bottom inside of the furnace body (1), a, the top parts of the two fixed plates (11) are respectively provided with a fan (12), the two fans (12) are respectively communicated with the furnace body (1) through a blowing pipe, the right side of the bottom of the furnace body (1) is provided with an ash discharge port (13), the top of the right side of the furnace body (1) is communicated with a smoke discharge pipe (14), the right end of the smoke exhaust pipe (14) is communicated with a recovery pipe (16), the right end of the recovery pipe (16) is communicated with a recovery box (18), a water tank (19) is arranged in the middle of the left side of the recovery tank (18), a tubular heat exchanger (20) is arranged in the recovery tank (18), and the tubular heat exchanger (20) penetrates through the recovery tank (18) and is communicated with the water tank (19), the bottom of the right side of the recovery tank (18) is provided with a water discharge port (21), the water outlet (21) is communicated with the tubular heat exchanger (20), and the top of the water outlet (21) is provided with a drain valve.
2. An environmentally friendly and energy saving incinerator as claimed in claim 1 wherein: the ash discharging port (13) is rotatably connected with an ash blocking plate through a hinge, and the right side of the ash blocking plate is connected with the furnace body (1) through a bolt.
3. An environmentally friendly and energy saving incinerator as claimed in claim 1 wherein: the fire grate (9) is a steel fire grate and has a grid structure.
4. An environmentally friendly and energy saving incinerator as claimed in claim 1 wherein: the middle part of the left side of the furnace body (1) is provided with an oxygen increasing hole (10), and the left side of the oxygen increasing hole (10) is screwed with a metal cover.
5. An environmentally friendly and energy saving incinerator as claimed in claim 1 wherein: the left side of the inner cavity of the smoke exhaust pipe (14) is provided with a metal mesh (15), and the right side of the inner cavity of the recovery pipe (16) is provided with an active carbon filter layer (17).
CN201911027585.5A 2019-10-28 2019-10-28 Environment-friendly energy-saving incinerator Pending CN110748889A (en)

Priority Applications (1)

Application Number Priority Date Filing Date Title
CN201911027585.5A CN110748889A (en) 2019-10-28 2019-10-28 Environment-friendly energy-saving incinerator

Applications Claiming Priority (1)

Application Number Priority Date Filing Date Title
CN201911027585.5A CN110748889A (en) 2019-10-28 2019-10-28 Environment-friendly energy-saving incinerator

Publications (1)

Publication Number Publication Date
CN110748889A true CN110748889A (en) 2020-02-04

Family

ID=69280166

Family Applications (1)

Application Number Title Priority Date Filing Date
CN201911027585.5A Pending CN110748889A (en) 2019-10-28 2019-10-28 Environment-friendly energy-saving incinerator

Country Status (1)

Country Link
CN (1) CN110748889A (en)

Citations (4)

* Cited by examiner, † Cited by third party
Publication number Priority date Publication date Assignee Title
CN206037062U (en) * 2016-08-31 2017-03-22 张锦原 Rubbish pulverizes incineration treatment device
CN106871135A (en) * 2017-04-06 2017-06-20 江苏海事职业技术学院 A kind of incinerator of Intelligent antibacterial
CN208349306U (en) * 2018-05-07 2019-01-08 天津泰达环保有限公司 A kind of recycle device of waste incineration waste heat
CN109469906A (en) * 2018-11-09 2019-03-15 马鞍山沐及信息科技有限公司 A kind of environment-protecting garbage incinerating furnace

Patent Citations (4)

* Cited by examiner, † Cited by third party
Publication number Priority date Publication date Assignee Title
CN206037062U (en) * 2016-08-31 2017-03-22 张锦原 Rubbish pulverizes incineration treatment device
CN106871135A (en) * 2017-04-06 2017-06-20 江苏海事职业技术学院 A kind of incinerator of Intelligent antibacterial
CN208349306U (en) * 2018-05-07 2019-01-08 天津泰达环保有限公司 A kind of recycle device of waste incineration waste heat
CN109469906A (en) * 2018-11-09 2019-03-15 马鞍山沐及信息科技有限公司 A kind of environment-protecting garbage incinerating furnace

Similar Documents

Publication Publication Date Title
CN113757680B (en) An energy-saving and environmentally friendly organic waste incineration device
CN215388195U (en) Waste gas purification treatment device
CN205939159U (en) Multistage circulation treatment facility of solid waste material
CN208332269U (en) A kind of small continuous consumer waste incineration pretreating device
CN110748889A (en) Environment-friendly energy-saving incinerator
CN209068525U (en) A kind of industrial waste gas contamination control burner
CN207815715U (en) A kind of miniature boiler of energy-saving and emission-reduction
CN202993238U (en) Boiler flue heat recovery energy-saving and environment-friendly system
CN218821611U (en) Smelting equipment with low heat loss
CN104879788A (en) Energy-saving efficient environment-friendly air returning boiler
CN203703985U (en) Gasifying, melting and energy-saving direct-combustion furnace for household garbage
CN210861115U (en) Sludge combustion system of waste incineration power plant
CN211925770U (en) Garbage disposal device
CN103615725B (en) The energy-conservation direct-combustion furnace of domestic garbage gasification melting
CN210345473U (en) Environment-friendly energy-saving garbage disposal device
CN209763473U (en) High-efficiency energy-saving heating stove
CN211625701U (en) High efficiency environmental protection boiler
CN205641506U (en) Multi -functional corncob burner
CN206600819U (en) House refuse directly heats poor gasification kiln
CN221146560U (en) Catalytic combustion energy-saving heating device
CN110566975A (en) Sludge combustion system of waste incineration power plant
CN218469121U (en) Energy-saving smokeless stove
CN218544572U (en) Energy-saving boiler heating device for heating
CN206145969U (en) Multi -functional living beings boiler
CN220038419U (en) Biomass steam boiler

Legal Events

Date Code Title Description
PB01 Publication
PB01 Publication
SE01 Entry into force of request for substantive examination
SE01 Entry into force of request for substantive examination
WD01 Invention patent application deemed withdrawn after publication
WD01 Invention patent application deemed withdrawn after publication

Application publication date: 20200204