CN110745029A - 一种车载式双向充电机 - Google Patents
一种车载式双向充电机 Download PDFInfo
- Publication number
- CN110745029A CN110745029A CN201911086708.2A CN201911086708A CN110745029A CN 110745029 A CN110745029 A CN 110745029A CN 201911086708 A CN201911086708 A CN 201911086708A CN 110745029 A CN110745029 A CN 110745029A
- Authority
- CN
- China
- Prior art keywords
- chip
- circuit
- pin
- resistor
- diode
- Prior art date
- Legal status (The legal status is an assumption and is not a legal conclusion. Google has not performed a legal analysis and makes no representation as to the accuracy of the status listed.)
- Granted
Links
Images
Classifications
-
- B—PERFORMING OPERATIONS; TRANSPORTING
- B60—VEHICLES IN GENERAL
- B60L—PROPULSION OF ELECTRICALLY-PROPELLED VEHICLES; SUPPLYING ELECTRIC POWER FOR AUXILIARY EQUIPMENT OF ELECTRICALLY-PROPELLED VEHICLES; ELECTRODYNAMIC BRAKE SYSTEMS FOR VEHICLES IN GENERAL; MAGNETIC SUSPENSION OR LEVITATION FOR VEHICLES; MONITORING OPERATING VARIABLES OF ELECTRICALLY-PROPELLED VEHICLES; ELECTRIC SAFETY DEVICES FOR ELECTRICALLY-PROPELLED VEHICLES
- B60L55/00—Arrangements for supplying energy stored within a vehicle to a power network, i.e. vehicle-to-grid [V2G] arrangements
-
- B—PERFORMING OPERATIONS; TRANSPORTING
- B60—VEHICLES IN GENERAL
- B60L—PROPULSION OF ELECTRICALLY-PROPELLED VEHICLES; SUPPLYING ELECTRIC POWER FOR AUXILIARY EQUIPMENT OF ELECTRICALLY-PROPELLED VEHICLES; ELECTRODYNAMIC BRAKE SYSTEMS FOR VEHICLES IN GENERAL; MAGNETIC SUSPENSION OR LEVITATION FOR VEHICLES; MONITORING OPERATING VARIABLES OF ELECTRICALLY-PROPELLED VEHICLES; ELECTRIC SAFETY DEVICES FOR ELECTRICALLY-PROPELLED VEHICLES
- B60L53/00—Methods of charging batteries, specially adapted for electric vehicles; Charging stations or on-board charging equipment therefor; Exchange of energy storage elements in electric vehicles
-
- B—PERFORMING OPERATIONS; TRANSPORTING
- B60—VEHICLES IN GENERAL
- B60L—PROPULSION OF ELECTRICALLY-PROPELLED VEHICLES; SUPPLYING ELECTRIC POWER FOR AUXILIARY EQUIPMENT OF ELECTRICALLY-PROPELLED VEHICLES; ELECTRODYNAMIC BRAKE SYSTEMS FOR VEHICLES IN GENERAL; MAGNETIC SUSPENSION OR LEVITATION FOR VEHICLES; MONITORING OPERATING VARIABLES OF ELECTRICALLY-PROPELLED VEHICLES; ELECTRIC SAFETY DEVICES FOR ELECTRICALLY-PROPELLED VEHICLES
- B60L53/00—Methods of charging batteries, specially adapted for electric vehicles; Charging stations or on-board charging equipment therefor; Exchange of energy storage elements in electric vehicles
- B60L53/20—Methods of charging batteries, specially adapted for electric vehicles; Charging stations or on-board charging equipment therefor; Exchange of energy storage elements in electric vehicles characterised by converters located in the vehicle
-
- H02J3/0014—
-
- H—ELECTRICITY
- H02—GENERATION; CONVERSION OR DISTRIBUTION OF ELECTRIC POWER
- H02J—CIRCUIT ARRANGEMENTS OR SYSTEMS FOR SUPPLYING OR DISTRIBUTING ELECTRIC POWER; SYSTEMS FOR STORING ELECTRIC ENERGY
- H02J3/00—Circuit arrangements for AC mains or AC distribution networks
- H02J3/28—Arrangements for balancing of the load in a network by storage of energy
- H02J3/32—Arrangements for balancing of the load in a network by storage of energy using batteries with converting means
-
- Y—GENERAL TAGGING OF NEW TECHNOLOGICAL DEVELOPMENTS; GENERAL TAGGING OF CROSS-SECTIONAL TECHNOLOGIES SPANNING OVER SEVERAL SECTIONS OF THE IPC; TECHNICAL SUBJECTS COVERED BY FORMER USPC CROSS-REFERENCE ART COLLECTIONS [XRACs] AND DIGESTS
- Y02—TECHNOLOGIES OR APPLICATIONS FOR MITIGATION OR ADAPTATION AGAINST CLIMATE CHANGE
- Y02T—CLIMATE CHANGE MITIGATION TECHNOLOGIES RELATED TO TRANSPORTATION
- Y02T10/00—Road transport of goods or passengers
- Y02T10/60—Other road transportation technologies with climate change mitigation effect
- Y02T10/70—Energy storage systems for electromobility, e.g. batteries
-
- Y—GENERAL TAGGING OF NEW TECHNOLOGICAL DEVELOPMENTS; GENERAL TAGGING OF CROSS-SECTIONAL TECHNOLOGIES SPANNING OVER SEVERAL SECTIONS OF THE IPC; TECHNICAL SUBJECTS COVERED BY FORMER USPC CROSS-REFERENCE ART COLLECTIONS [XRACs] AND DIGESTS
- Y02—TECHNOLOGIES OR APPLICATIONS FOR MITIGATION OR ADAPTATION AGAINST CLIMATE CHANGE
- Y02T—CLIMATE CHANGE MITIGATION TECHNOLOGIES RELATED TO TRANSPORTATION
- Y02T10/00—Road transport of goods or passengers
- Y02T10/60—Other road transportation technologies with climate change mitigation effect
- Y02T10/7072—Electromobility specific charging systems or methods for batteries, ultracapacitors, supercapacitors or double-layer capacitors
-
- Y—GENERAL TAGGING OF NEW TECHNOLOGICAL DEVELOPMENTS; GENERAL TAGGING OF CROSS-SECTIONAL TECHNOLOGIES SPANNING OVER SEVERAL SECTIONS OF THE IPC; TECHNICAL SUBJECTS COVERED BY FORMER USPC CROSS-REFERENCE ART COLLECTIONS [XRACs] AND DIGESTS
- Y02—TECHNOLOGIES OR APPLICATIONS FOR MITIGATION OR ADAPTATION AGAINST CLIMATE CHANGE
- Y02T—CLIMATE CHANGE MITIGATION TECHNOLOGIES RELATED TO TRANSPORTATION
- Y02T10/00—Road transport of goods or passengers
- Y02T10/60—Other road transportation technologies with climate change mitigation effect
- Y02T10/72—Electric energy management in electromobility
-
- Y—GENERAL TAGGING OF NEW TECHNOLOGICAL DEVELOPMENTS; GENERAL TAGGING OF CROSS-SECTIONAL TECHNOLOGIES SPANNING OVER SEVERAL SECTIONS OF THE IPC; TECHNICAL SUBJECTS COVERED BY FORMER USPC CROSS-REFERENCE ART COLLECTIONS [XRACs] AND DIGESTS
- Y02—TECHNOLOGIES OR APPLICATIONS FOR MITIGATION OR ADAPTATION AGAINST CLIMATE CHANGE
- Y02T—CLIMATE CHANGE MITIGATION TECHNOLOGIES RELATED TO TRANSPORTATION
- Y02T90/00—Enabling technologies or technologies with a potential or indirect contribution to GHG emissions mitigation
- Y02T90/10—Technologies relating to charging of electric vehicles
- Y02T90/14—Plug-in electric vehicles
Landscapes
- Engineering & Computer Science (AREA)
- Power Engineering (AREA)
- Transportation (AREA)
- Mechanical Engineering (AREA)
- Inverter Devices (AREA)
- Charge And Discharge Circuits For Batteries Or The Like (AREA)
Abstract
本发明公开了一种车载式双向充电机,主要解决现有车载式充电机电池利用率低,充电机接入、分离换网引起电网频率波动的问题。该充电机包括单片机控制电路,与单片机控制电路相连的电源切换电路和充电电路,以及与充电电路相连的高频逆变电路;其中,电源切换电路还与充电电路相连。通过上述设计,本发明的充电机在保证效率的同时,利用驱动电路代替硬件电路能够有效的优化电路结构,减少器件损耗,从而降低了成本。同时通过设置电源切换电路,使充电机在电网充电、负载供电切换过程中更加平稳,减小电网频率波动。因此,具有很高的使用价值和推广价值。
Description
技术领域
本发明涉及充电机技术领域,具体地说,是涉及一种车载式双向充电机。
背景技术
电动汽车(Electronic Vehicle,EV)作为节能、创新、环保等新名词的代表,快速进入大家的视野并取得了飞速发展。而充电机作为电动汽车的核心部件,对充电机的结构设计及性能提升成了大家研究的热点问题。
按照安装位置的不同可分为两类:车载式和非车载式。车载式是指固定安装在电动汽车上的充电机,其具有规模小、散热快、重量轻等优点,大多数应用于常规充电。车载充电机主要用于电动汽车与电网的能量双向交换,所以对其要求为响应速度快、功率因数高、输入输出纹波小和输入电压容许范围大,以避免并网向电网送电时对电网造成损害,而且还要求充电曲线与动力电池的特性相匹配,以达到对电池的保护,从而延长电池的使用寿命。
目前电动汽车所装配的车载式充电机在主体结构上,大多数仍然使用高频开关电源,虽然能够高效的将电能向化学能转换,但电池的利用率低,从而导致整车的效率不理想。
发明内容
本发明的目的在于提供一种车载式双向充电机,主要解决现有车载式充电机电池利用率低,充电机接入、分离换网引起电网频率波动的问题。
为实现上述目的,本发明采用的技术方案如下:
一种车载式双向充电机,包括单片机控制电路,与单片机控制电路相连的电源切换电路和充电电路,以及与充电电路相连的高频逆变电路;其中,电源切换电路还与充电电路相连;
所述单片机控制电路包括单片机控制芯片,以及与单片机控制芯片相连的电流采集电路、电压采集电路;其中,所述单片机控制芯片与电源切换电路相连;
所述充电电路包括与外部电网相连的整流滤波电路,与整流滤波电路相连的半桥充电电路,以及与半桥充电电路相连的充电驱动电路;其中,半桥充电电路与高频逆变电路和电流采集电路相连;
所述高频逆变电路包括用于与蓄电池相连的升压电路,与升压电路相连的逆变电路,以及与逆变电路相连的逆变驱动电路;其中,逆变驱动电路与半桥充电电路相连。
进一步地,所述电源切换电路包括与单片机控制芯片相连的电阻R8,基极与电阻R8相连的三极管Q1,连接于三极管Q1的基极和发射极之间的电阻R9,与三极管Q1的集电极相连的继电器K1,以及与继电器K1相连的插头P4;其中,继电器K1吸合时与充电电路导通,继电器K1分离时与高频逆变电路导通。
进一步地,所述半桥充电电路包括两端接入电流采集电路的电阻R7,正极与电阻R7相连的二极管D4,正极与二极管D4的负极相连且负极接地的电解电容C11,串联后的一端与二极管D4的负极相连且另一端与逆变驱动电路相连的电感L1、电阻R11、电阻R10,负极接地、正极与电感L1、电阻R11连接端相连的二极管D6,负极与二极管D6的正极相连且正极接12V电压的二极管D3,源极与二极管D6的负极相连且漏极与二极管D6正极相连的NMOS管Q3,源极与二极管D3的负极相连且漏极与二极管D3正极相连的NMOS管Q2,一端与NMOS管Q3的源极相连且另一端与NMOS管Q3的栅极相连的电阻R16,以及与一端与NMOS管Q3的栅极相连且另一端与逆变驱动电路相连的电阻R14;其中,电阻R11、电阻R10的连接端与NMOS管Q2的栅极相连。
进一步地,所述升压电路包括型号为XL6009的芯片U1,一端与芯片U1的VIN引脚相连且另一端接地的电容C10,并联于电容C10两端的电容C9,一端与芯片U1的VIN引脚相连且另一端芯片U1的SW引脚相连的电感L1,负极与芯片U1的SW引脚相连的二极管D2,一端与二极管D2的和正极相连且另一端与芯片U1的OUT引脚相连的电阻R6,一端与芯片U1的OUT引脚相连且另一端接地的电阻R12,并联后一端与电阻R6相连一端与电阻R12相连的电容C8、C7,以及一端与芯片U1的EN引脚相连且另一端与外部电源相连的电阻R13;其中,芯片U1的VIN引脚还与蓄电池的输出端相连。
进一步地,所述逆变电路包括并联后两端均与逆变驱动电路连通的五路电阻串,与毎路电阻串相连的NMOS管组,并联于NMOS管组两端的变压器T3,连接于变压器T3另一端的插头P12;其中,所述电阻串包括四个串联的电阻,最中间相接的两个的电阻连接端接地,两侧的两个电阻的连接端接NMOS管的基极,所有NMOS管的源极均接地,一侧的所有NMOS管的漏极与变压器T3一端的一个接口相连,另一侧的所有NMOS管的漏极与变压器T3同一端的另一个接口相连。
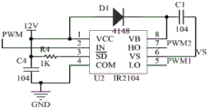
进一步地,所述充电驱动电路包括型号为IR2104的芯片U2,一端与芯片U2的SD引脚相连且另一端接12V电压的电阻R4,一端接12V电压且另一端与芯片U2的COM引脚相连的电容C4,负极与芯片U2的VCC引脚相连且正极与芯片U2的VB引脚相连的二极管D1,一端与芯片U2的VB引脚相连且另一端与芯片U2的VS引脚相连的电容C1;其中,芯片U2的IN引脚与单片机控制芯片相连,芯片U2的HO、LO引脚与半桥充电电路相连。
进一步地,所述逆变驱动电路包括型号为TL494的芯片U3,一端与芯片U3的IN+和2IN+引脚相连且另一端接地的电阻R44,正极与芯片U3的IN-、2IN-、REF、OC引脚相连且负极与芯片U3的DTC引脚相连的电解电容C23,一端与芯片U3的DTC引脚相且另一端接地的电阻R50,一端与芯片U3的CT引脚相且另一端接地的电容C,一端与芯片U3的RT引脚相且另一端接地的电阻R51,正极与芯片U3的C1引脚相连且负极接地的电解电容C24,负极与芯片U3的F2引脚相连的二极管D11,基极与芯片U3的F2引脚相连的三极管Q4,连接于三极管Q4的基极与集电极之间的电阻R27,负极与芯片U3的E1引脚相连的二极管D12,基极与芯片U3的E1引脚相连的三极管Q5,以及连接于三极管Q5的基极与集电极之间的电阻R28;其中,二极管D11与三极管Q4的发射极相连,二极管D12与三极管Q5的发射极相连,三极管Q4的发射极和三极管Q5的发射极均与逆变电路相连,三极管Q4的集电极和三极管Q5的集电极均接地,芯片U3的VCC、C2、C1引脚均接12V电压。
与现有技术相比,本发明具有以下有益效果:
(1)本发明的充电机在保证效率的同时,利用驱动电路代替硬件电路能够有效的优化电路结构,减少器件损耗,从而降低了成本。同时通过设置电源切换电路,使充电机在电网充电、负载供电切换过程中更加平稳,减小了电网频率波动。
(2)本发明的充电电路和高频逆变电路中均设置了驱动电路,驱动电路为本设计装置的重要助推器,能够有效的减少设计器件的使用,使电路能够实现功能的同时结构更为简便。
(3)本发明运用双向型拓扑电路,使充电机具备恒压、恒流等多模式充电功能,同时具备将动能转换为电能回馈到电网中的功能。具备对电网无功功率补偿功能,可以经由向外输出相位超前或滞后于电网电压的电流来进行容性或感性无功补偿。
(4)本发明的车载式双向充电机是智能电网与电动汽车之间进行信息交流和能量传输的重要装置,高度智能化的充电机能够通过电网负荷的反馈与指令,灵活自主的接入或分离电网。
附图说明
图1为本发明的整体原理框图。
图2本发明-实施例单片机电路图。
图3本发明-实施例电流采集电路原理图。
图4本发明-实施例电压采集电路原理图。
图5本发明-实施例半桥充电电路原理图。
图6本发明-实施例充电驱动电路原理图。
图7本发明-实施例电源切换电路原理图。
图8本发明-实施例逆变电路原理图。
图9本发明-实施例逆变驱动电路原理图。
图10本发明-实施例升压电路原理图。
图11本发明-实施例整流滤波电路原理图。
具体实施方式
下面结合附图说明和实施例对本发明作进一步说明,本发明的方式包括但不仅限于以下实施例。
实施例
如图1~11所示,本发明公开的一种车载式双向充电机,包括单片机控制电路,与单片机控制电路相连的电源切换电路和充电电路,以及与充电电路相连的高频逆变电路;其中,电源切换电路还与充电电路相连。
所述单片机控制电路包括单片机控制芯片,以及与单片机控制芯片相连的电流采集电路、电压采集电路;其中,所述单片机控制芯片与电源切换电路相连。
所述充电电路包括与外部电网相连的整流滤波电路,与整流滤波电路相连的半桥充电电路,以及与半桥充电电路相连的充电驱动电路;其中,半桥充电电路与高频逆变电路和电流采集电路相连。其中,充电电路中的整流滤波电路,由匝数比10:1的变压器、集成整流桥和直流母线滤波电容组成。其工作原理是交流电通过变压器降压,获得9V交流电,整流桥整流将降压后的交流电进行整流,得到直流电,最后通过两只电容进行滤波后,得到输出为12V的直流电。桥式整流器由四个二极管组成,对硬件桥臂上的二极管连接方向相同,相邻桥臂上连接方向相反。其工作原理为当输入正弦波时,顺接与反接的两对二极管交替导通,输出得到的总是方向相同的单向电压电流,因此桥式整流器可高效地将输入的正弦波进行整流。
在本实施例中,所述半桥充电电路包括两端接入电流采集电路的电阻R7,正极与电阻R7相连的二极管D4,正极与二极管D4的负极相连且负极接地的电解电容C11,串联后的一端与二极管D4的负极相连且另一端与逆变驱动电路相连的电感L1、电阻R11、电阻R10,负极接地、正极与电感L1、电阻R11连接端相连的二极管D6,负极与二极管D6的正极相连且正极接12V电压的二极管D3,源极与二极管D6的负极相连且漏极与二极管D6正极相连的NMOS管Q3,源极与二极管D3的负极相连且漏极与二极管D3正极相连的NMOS管Q2,一端与NMOS管Q3的源极相连且另一端与NMOS管Q3的栅极相连的电阻R16,以及与一端与NMOS管Q3的栅极相连且另一端与逆变驱动电路相连的电阻R14;其中,电阻R11、电阻R10的连接端与NMOS管Q2的栅极相连。选用IR2104芯片作为驱动器,由单片机传输给芯片IR2104一路PWM波后,芯片IR2014输出的两路波(PWM1、PWM2)用来驱动两个电力MOS管使其导通。电路中添入电阻R10,R14可有效的抑制充电电路的阻尼震荡。电阻R11和R16的设计是用来泄放剩余电荷从而可提高电力MOS管的开关速度。D3,D6两个二极管的作用是当电力MOS管的漏源两极之间的极间电压为负时可及时截止,防止电力MOS管被反向击穿,起到保护作用。滤波电路由电感L1和电容C11组成,作用是减少直流电压中交流成分,使输出波形平滑稳定。二极管D4是用来隔离充电电路与负载蓄电池,防止回放电影响充电电路。电阻R7为采样电阻,可测量其两端电压或电流来测量电路其他部分的电压或电流。
在本实施例中,所述充电驱动电路包括型号为IR2104的芯片U2,一端与芯片U2的SD引脚相连且另一端接12V电压的电阻R4,一端接12V电压且另一端与芯片U2的COM引脚相连的电容C4,负极与芯片U2的VCC引脚相连且正极与芯片U2的VB引脚相连的二极管D1,一端与芯片U2的VB引脚相连且另一端与芯片U2的VS引脚相连的电容C1;其中,芯片U2的IN引脚与单片机控制芯片相连,芯片U2的HO、LO引脚与半桥充电电路相连。单片机输出PWM经由驱动器IR2104后,从IR2104驱动器的5、7脚输出两路互补的PWM波,两路互补的PWM波推动半桥充电电路中的两只电力MOS管,使其导通。驱动电路中,C4是电源滤波电容,R4是芯片使能电阻,通过R4连接到电源使芯片工作,低电平芯片不工作。D1是1n4148二极管,用来做电源和VS之间的隔离。C1是2104芯片的高端自举电容,作用是让7脚输出波形,如若不接C1,则只有引脚5有PWM输出,而引脚7没有。
所述电源切换电路包括与单片机控制芯片相连的电阻R8,基极与电阻R8相连的三极管Q1,连接于三极管Q1的基极和发射极之间的电阻R9,与三极管Q1的集电极相连的继电器K1,以及与继电器K1相连的插头P4;其中,继电器K1吸合时与充电电路导通,继电器K1分离时与高频逆变电路导通。其作用是控制充电电路对电池充电和放电的准确切换。通过单片机判断A8输出口电平的高低,从而控制电源切换状态。当并网时,电源连接,A8口处于高电平,此时继电器吸合,充电电路部分导通,给与蓄电池充电;当断网时,A8口处于低电平,此时继电器分离,蓄电池给与高频逆变部分供电。
所述高频逆变电路包括用于与蓄电池相连的升压电路,与升压电路相连的逆变电路,以及与逆变电路相连的逆变驱动电路;其中,逆变驱动电路与半桥充电电路相连。
在本实施例中,所述升压电路包括型号为XL6009的芯片U1,一端与芯片U1的VIN引脚相连且另一端接地的电容C10,并联于电容C10两端的电容C9,一端与芯片U1的VIN引脚相连且另一端芯片U1的SW引脚相连的电感L1,负极与芯片U1的SW引脚相连的二极管D2,一端与二极管D2的和正极相连且另一端与芯片U1的OUT引脚相连的电阻R6,一端与芯片U1的OUT引脚相连且另一端接地的电阻R12,并联后一端与电阻R6相连一端与电阻R12相连的电容C8、C7,以及一端与芯片U1的EN引脚相连且另一端与外部电源相连的电阻R13;其中,芯片U1的VIN引脚还与蓄电池的输出端相连。此电路服务于后级电池放电的高频逆变模块,作用是将蓄电池提供的低电压升压至12V。电路主要采用XL6009芯片,连接方式为标准的XL6009升压电路,其中3端口作为开关,输出方波信号。当3端口输出低电平时,二极管D2截止,电感L1作为储能原件,电容C8与电阻R6和R12组成放电回路,使输出电压下降;当3端口输出高电平时,二极管D2导通,储能元件L1向电容C8充电,输出电压升高。输出电压的计算公式为:
所述逆变电路包括并联后两端均与逆变驱动电路连通的五路电阻串,与毎路电阻串相连的NMOS管组,并联于NMOS管组两端的变压器T3,连接于变压器T3另一端的插头P12;其中,所述电阻串包括四个串联的电阻,最中间相接的两个的电阻连接端接地,两侧的两个电阻的连接端接NMOS管的基极,所有NMOS管的源极均接地,一侧的所有NMOS管的漏极与变压器T3一端的一个接口相连,另一侧的所有NMOS管的漏极与变压器T3同一端的另一个接口相连。该电路主要由推挽逆变电路构成,其适用于低压大电流输入的小功率场合。本文应用了推挽逆变电路,选用TL494芯片作为驱动,TL494输出的两个频率相同的波来控制相串的两个电力MOS管以相同的开关频率交替导通,且每个电力MOS管的占空比Q均小于50%,能够留出一定的死区时间以避免两个串联的电力MOS管同时导通。通过并联了五组场效应管进行分流,从而增大输出功率。
所述逆变驱动电路包括型号为TL494的芯片U3,一端与芯片U3的IN+和2IN+引脚相连且另一端接地的电阻R44,正极与芯片U3的IN-、2IN-、REF、OC引脚相连且负极与芯片U3的DTC引脚相连的电解电容C23,一端与芯片U3的DTC引脚相且另一端接地的电阻R50,一端与芯片U3的CT引脚相且另一端接地的电容C,一端与芯片U3的RT引脚相且另一端接地的电阻R51,正极与芯片U3的C1引脚相连且负极接地的电解电容C24,负极与芯片U3的F2引脚相连的二极管D11,基极与芯片U3的F2引脚相连的三极管Q4,连接于三极管Q4的基极与集电极之间的电阻R27,负极与芯片U3的E1引脚相连的二极管D12,基极与芯片U3的E1引脚相连的三极管Q5,以及连接于三极管Q5的基极与集电极之间的电阻R28;其中,二极管D11与三极管Q4的发射极相连,二极管D12与三极管Q5的发射极相连,三极管Q4的发射极和三极管Q5的发射极均与逆变电路相连,三极管Q4的集电极和三极管Q5的集电极均接地,芯片U3的VCC、C2、C1引脚均接12V电压。电路主要由芯片是TL494输出两路PWM波。TL494芯片实际应用中需要屏蔽两个误差放大器,并将误差放大器输入端正极要求接地(图中IN脚和IN1脚通过1K的电阻接地),误差放大器输入端负极要求接高电位(IN-脚和2IN-脚是接入5V基准端)。三极管S8550组成的电路作用是提高开关速度。
驱动电路输出波形频率由CT引脚上的电容和RT引脚上的电阻所决定。公式如下:
输出的两路互补波形用来推动逆变电路中的电力MOS管。
通过上述设计,本发明的充电机在保证效率的同时,利用驱动电路代替硬件电路能够有效的优化电路结构,减少器件损耗,从而降低了成本。同时通过设置电源切换电路,使充电机在电网充电、负载供电切换过程中更加平稳,减小电网频率波动。因此,具有很高的使用价值和推广价值。
上述实施例仅为本发明的优选实施方式之一,不应当用于限制本发明的保护范围,但凡在本发明的主体设计思想和精神上作出的毫无实质意义的改动或润色,其所解决的技术问题仍然与本发明一致的,均应当包含在本发明的保护范围之内。
Claims (7)
1.一种车载式双向充电机,其特征在于,包括单片机控制电路,与单片机控制电路相连的电源切换电路和充电电路,以及与充电电路相连的高频逆变电路;其中,电源切换电路还与充电电路相连;
所述单片机控制电路包括单片机控制芯片,以及与单片机控制芯片相连的电流采集电路、电压采集电路;其中,所述单片机控制芯片与电源切换电路相连;
所述充电电路包括与外部电网相连的整流滤波电路,与整流滤波电路相连的半桥充电电路,以及与半桥充电电路相连的充电驱动电路;其中,半桥充电电路与高频逆变电路、电源切换电路、电流采集电路相连;
所述高频逆变电路包括用于与蓄电池相连的升压电路,与升压电路相连的逆变电路,以及与逆变电路相连的逆变驱动电路;其中,逆变驱动电路与半桥充电电路相连。
2.根据权利要求1所述的一种车载式双向充电机,其特征在于,所述电源切换电路包括与单片机控制芯片相连的电阻R8,基极与电阻R8相连的三极管Q1,连接于三极管Q1的基极和发射极之间的电阻R9,与三极管Q1的集电极相连的继电器K1,以及与继电器K1相连的插头P4;其中,继电器K1吸合时与充电电路导通,继电器K1分离时与高频逆变电路导通。
3.根据权利要求1所述的一种车载式双向充电机,其特征在于,所述半桥充电电路包括两端接入电流采集电路的电阻R7,正极与电阻R7相连的二极管D4,正极与二极管D4的负极相连且负极接地的电解电容C11,串联后的一端与二极管D4的负极相连且另一端与逆变驱动电路相连的电感L1、电阻R11、电阻R10,负极接地、正极与电感L1、电阻R11连接端相连的二极管D6,负极与二极管D6的正极相连且正极接12V电压的二极管D3,源极与二极管D6的负极相连且漏极与二极管D6正极相连的NMOS管Q3,源极与二极管D3的负极相连且漏极与二极管D3正极相连的NMOS管Q2,一端与NMOS管Q3的源极相连且另一端与NMOS管Q3的栅极相连的电阻R16,以及与一端与NMOS管Q3的栅极相连且另一端与逆变驱动电路相连的电阻R14;其中,电阻R11、电阻R10的连接端与NMOS管Q2的栅极相连。
4.根据权利要求1所述的一种车载式双向充电机,其特征在于,所述升压电路包括型号为XL6009的芯片U1,一端与芯片U1的VIN引脚相连且另一端接地的电容C10,并联于电容C10两端的电容C9,一端与芯片U1的VIN引脚相连且另一端芯片U1的SW引脚相连的电感L1,负极与芯片U1的SW引脚相连的二极管D2,一端与二极管D2的和正极相连且另一端与芯片U1的OUT引脚相连的电阻R6,一端与芯片U1的OUT引脚相连且另一端接地的电阻R12,并联后一端与电阻R6相连一端与电阻R12相连的电容C8、C7,以及一端与芯片U1的EN引脚相连且另一端与外部电源相连的电阻R13;其中,芯片U1的VIN引脚还与蓄电池的输出端相连。
5.根据权利要求1所述的一种车载式双向充电机,其特征在于,所述逆变电路包括并联后两端均与逆变驱动电路连通的五路电阻串,与毎路电阻串相连的NMOS管组,并联于NMOS管组两端的变压器T3,连接于变压器T3另一端的插头P12;其中,所述电阻串包括四个串联的电阻,最中间相接的两个的电阻连接端接地,两侧的两个电阻的连接端接NMOS管的基极,所有NMOS管的源极均接地,一侧的所有NMOS管的漏极与变压器T3一端的一个接口相连,另一侧的所有NMOS管的漏极与变压器T3同一端的另一个接口相连。
6.根据权利要求1所述的一种车载式双向充电机,其特征在于,所述充电驱动电路包括型号为IR2104的芯片U2,一端与芯片U2的SD引脚相连且另一端接12V电压的电阻R4,一端接12V电压且另一端与芯片U2的COM引脚相连的电容C4,负极与芯片U2的VCC引脚相连且正极与芯片U2的VB引脚相连的二极管D1,一端与芯片U2的VB引脚相连且另一端与芯片U2的VS引脚相连的电容C1;其中,芯片U2的IN引脚与单片机控制芯片相连,芯片U2的HO、LO引脚与半桥充电电路相连。
7.根据权利要求1所述的一种车载式双向充电机,其特征在于,所述逆变驱动电路包括型号为TL494的芯片U3,一端与芯片U3的IN+和2IN+引脚相连且另一端接地的电阻R44,正极与芯片U3的IN-、2IN-、REF、OC引脚相连且负极与芯片U3的DTC引脚相连的电解电容C23,一端与芯片U3的DTC引脚相且另一端接地的电阻R50,一端与芯片U3的CT引脚相且另一端接地的电容C,一端与芯片U3的RT引脚相且另一端接地的电阻R51,正极与芯片U3的C1引脚相连且负极接地的电解电容C24,负极与芯片U3的F2引脚相连的二极管D11,基极与芯片U3的F2引脚相连的三极管Q4,连接于三极管Q4的基极与集电极之间的电阻R27,负极与芯片U3的E1引脚相连的二极管D12,基极与芯片U3的E1引脚相连的三极管Q5,以及连接于三极管Q5的基极与集电极之间的电阻R28;其中,二极管D11与三极管Q4的发射极相连,二极管D12与三极管Q5的发射极相连,三极管Q4的发射极和三极管Q5的发射极均与逆变电路相连,三极管Q4的集电极和三极管Q5的集电极均接地,芯片U3的VCC、C2、C1引脚均接12V电压。
Priority Applications (1)
| Application Number | Priority Date | Filing Date | Title |
|---|---|---|---|
| CN201911086708.2A CN110745029B (zh) | 2019-11-08 | 2019-11-08 | 一种车载式双向充电机 |
Applications Claiming Priority (1)
| Application Number | Priority Date | Filing Date | Title |
|---|---|---|---|
| CN201911086708.2A CN110745029B (zh) | 2019-11-08 | 2019-11-08 | 一种车载式双向充电机 |
Publications (2)
| Publication Number | Publication Date |
|---|---|
| CN110745029A true CN110745029A (zh) | 2020-02-04 |
| CN110745029B CN110745029B (zh) | 2021-06-08 |
Family
ID=69282599
Family Applications (1)
| Application Number | Title | Priority Date | Filing Date |
|---|---|---|---|
| CN201911086708.2A Expired - Fee Related CN110745029B (zh) | 2019-11-08 | 2019-11-08 | 一种车载式双向充电机 |
Country Status (1)
| Country | Link |
|---|---|
| CN (1) | CN110745029B (zh) |
Cited By (4)
| Publication number | Priority date | Publication date | Assignee | Title |
|---|---|---|---|---|
| CN111890962A (zh) * | 2020-08-25 | 2020-11-06 | 威海市泓淋电力技术股份有限公司 | 一种电动汽车与家庭负荷电力互动的充电枪及其控制方法 |
| CZ308969B6 (cs) * | 2020-04-24 | 2021-10-27 | Vysoká Škola Báňská - Technická Univerzita Ostrava | Nabíječka pro obousměrný tok energie a způsob jejího řízení |
| CN116588013A (zh) * | 2023-06-09 | 2023-08-15 | 深圳多为智联科技有限公司 | 一种新能源汽车中控系统 |
| CN118953078A (zh) * | 2024-07-31 | 2024-11-15 | 浙江智行微电子有限公司 | 一种cc电阻切换电路 |
Citations (3)
| Publication number | Priority date | Publication date | Assignee | Title |
|---|---|---|---|---|
| CN101814765A (zh) * | 2010-04-06 | 2010-08-25 | 中国电力科学研究院 | 电动汽车双向充电机电源控制系统 |
| WO2014066789A1 (en) * | 2012-10-25 | 2014-05-01 | SunEdison Microinverter Products LLC | Photovoltaic multi-stage converter comprising diode reverse recovery circuit |
| CN108649636A (zh) * | 2018-05-21 | 2018-10-12 | 杭州云动智能汽车技术有限公司 | 应用于车载终端的大功率充放电控制电路 |
-
2019
- 2019-11-08 CN CN201911086708.2A patent/CN110745029B/zh not_active Expired - Fee Related
Patent Citations (3)
| Publication number | Priority date | Publication date | Assignee | Title |
|---|---|---|---|---|
| CN101814765A (zh) * | 2010-04-06 | 2010-08-25 | 中国电力科学研究院 | 电动汽车双向充电机电源控制系统 |
| WO2014066789A1 (en) * | 2012-10-25 | 2014-05-01 | SunEdison Microinverter Products LLC | Photovoltaic multi-stage converter comprising diode reverse recovery circuit |
| CN108649636A (zh) * | 2018-05-21 | 2018-10-12 | 杭州云动智能汽车技术有限公司 | 应用于车载终端的大功率充放电控制电路 |
Cited By (4)
| Publication number | Priority date | Publication date | Assignee | Title |
|---|---|---|---|---|
| CZ308969B6 (cs) * | 2020-04-24 | 2021-10-27 | Vysoká Škola Báňská - Technická Univerzita Ostrava | Nabíječka pro obousměrný tok energie a způsob jejího řízení |
| CN111890962A (zh) * | 2020-08-25 | 2020-11-06 | 威海市泓淋电力技术股份有限公司 | 一种电动汽车与家庭负荷电力互动的充电枪及其控制方法 |
| CN116588013A (zh) * | 2023-06-09 | 2023-08-15 | 深圳多为智联科技有限公司 | 一种新能源汽车中控系统 |
| CN118953078A (zh) * | 2024-07-31 | 2024-11-15 | 浙江智行微电子有限公司 | 一种cc电阻切换电路 |
Also Published As
| Publication number | Publication date |
|---|---|
| CN110745029B (zh) | 2021-06-08 |
Similar Documents
| Publication | Publication Date | Title |
|---|---|---|
| CN110745029A (zh) | 一种车载式双向充电机 | |
| CN207518331U (zh) | 一种基于半桥llc谐振变换器的车载充电器 | |
| CN114865760A (zh) | 一种基于非闭合式磁芯的感应取电电源及其供电方法 | |
| CN118713270A (zh) | 自动转换开关电路及其电子设备 | |
| CN104935043B (zh) | 光伏供电装置、光伏空调系统和汽车 | |
| CN201860261U (zh) | 一种升压电路 | |
| CN103312153A (zh) | 一种并联式多输入耦合电感升降压变换器 | |
| CN211107009U (zh) | 集成高压dc-dc的车载充电机 | |
| CN220440418U (zh) | 自动转换开关电路及其电子设备 | |
| CN101807809B (zh) | 一种高功率因数铅酸电池充电电路 | |
| CN205319941U (zh) | 双路电压转换控制芯片、双路电压转换器和电子式电能表 | |
| CN105739591B (zh) | 基于直流供电的灯桩一体化功率调节设备和系统 | |
| CN103683457B (zh) | 混合动力公交超级电容与锂电池并联电路 | |
| CN111740584B (zh) | 一种单相交错式和三相维也纳拓扑兼容输入的pfc装置 | |
| CN209888665U (zh) | 一种电动汽车后置储能装置 | |
| CN204014223U (zh) | 低成本紧凑型led驱动电路芯片 | |
| CN217935168U (zh) | 基于钛酸锂电池的低电压平台的电梯能量回收系统 | |
| CN110696672B (zh) | 一种实现动力电池快速充电的系统 | |
| CN204669007U (zh) | 一种电动汽车用锂电池均衡充电电路 | |
| CN103516039B (zh) | 一种分级供电系统及方法 | |
| CN107415765A (zh) | 一种电动汽车电池均衡充放电系统 | |
| CN201230216Y (zh) | 高频充电器 | |
| CN109831098B (zh) | 一种间歇能源收集方法 | |
| CN223729648U (zh) | 一种用于风电变桨系统的ac-dc智能调压电源 | |
| CN219107300U (zh) | 一种倍压供电电路 |
Legal Events
| Date | Code | Title | Description |
|---|---|---|---|
| PB01 | Publication | ||
| PB01 | Publication | ||
| SE01 | Entry into force of request for substantive examination | ||
| SE01 | Entry into force of request for substantive examination | ||
| GR01 | Patent grant | ||
| GR01 | Patent grant | ||
| CF01 | Termination of patent right due to non-payment of annual fee | ||
| CF01 | Termination of patent right due to non-payment of annual fee |
Granted publication date: 20210608 Termination date: 20211108 |

